Микросборка фильтра верхних частот
Курсовая
работа по курсу: “Технологические процессы микроэлектроники”
На тему: ”Фильтр
верхних частот”
Рязань 2008
Содержание:
Исходные данные
Введение
Анализ технического задания
Разработка
топологии
Резисторы
Резисторы типа “квадрат”
Конденсаторы
Расчет площади платы
Заключение
Список литературы
Исходные
данные
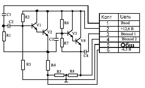
Фильтр верхних частот. Схема
электрическая принципиальная №52
Номиналы
R1 – Резистор 10.0 kОМ 1шт; C1, C2 – Конденсатор 10000 пФ 2шт
R2, R3, R6, R7 – Резистор 12.0 kОМ 4шт; С3, С4 – Конденсатор 2.2 мкФ 2шт
R4 – Резистор 3.6 kОМ 1шт;
R5 – Резистор 1.2 kОМ 1шт;
R8 – Резистор 0.2 kОМ 1шт; V1…V4 – Транзистор КТ324В 4шт (СБО.336.031 ТУ)
Плату следует изготовить методом
фотолитографии.
Эксплуатационные требования: Тр
= -450 +400С, tэ = 4000 ч.
Введение
Постоянной тенденцией в
радиоэлектронике является уменьшение габаритов и масс аппаратуры, повышение ее
надежности. До появления интегральных микросхем этот процесс протекал в
направлении миниатюризации отдельных элементов. Следующим шагом в миниатюризации
было создание техники интегральных микросхем. Этот этап принципиально отличался
от предыдущих тем, что в нем аппаратура собирается не из отдельных элементов
или модулей, а из функциональных схем, образованных в едином технологическом
процессе производства. Основными разновидностями технологии микросхем являются:
пленочная, полупроводниковая и смешанная.
В пленочной технологии интегральная
микросхема образуется нанесением на диэлектрическую подложку в определенной
последовательности пленок из соответствующих материалов. Изготовленные таким
образом микросхемы называются пленочными интегральными микросхемами (ПИМС).
Разновидностью ПИМС являются гибридные интегральные микросхемы (ГИМС), у
которых часть элементов, имеющих самостоятельное конструктивное оформление,
вносится в виде навесных деталей.
Чрезвычайным важными характеристиками
микросхем является степень интеграции и плотность упаковки. Степень интеграции
представляет показатель сложности микросхемы и характеризуется числом
содержащихся в ней элементов и компонентов. Плотностью упаковки называется
отношение числа элементов и компонентов микросхемы к ее объему.
Анализ
технического задания
В данном курсовом проекте нужно
разработать микросборку фотолитографическим способом.
Фотолитографический технологический
процесс основан на термовакуумном, ионно-плазменном, катодном, магнетронном
напылении нескольких сплошных слоёв из различных материалов с последующим
получением конфигурации каждого слоя методом фотолитографии.
Достоинства: высокая точность
изготовления и плотность размещения элементов на подложке.
Недостатки: метод фотолитографии
нельзя применять для создания многослойных конструкций тонкоплёночных интегральных
микросхем, т.к. каждый раз при получении рисунка очередного слоя требуется обработка
подложки травильным раствором, что негативно сказывается на других слоях с
возможным изменением их электрофизических свойств. После очередной
фотохимической обработки требуется тщательная очистка подложки от реактивов,
для обеспечения необходимой адгезии последующих осаждаемых слоёв; таким методом
можно выполнить рисунок не более чем двух слоёв различной конфигурации т.е.
невозможно изготовить тонкоплёночный конденсатор (кроме танталового) и
осуществить пересечение проводников.
Типовая последовательность
формирования плёночных элементов при фотолитографическом методе (порядок
вакуумного осаждения):
вариант 1
1.
осаждение
резистивной плёнки;
2.
осаждения
проводящей плёнки на резистивную;
3.
фотолитография и
травление проводящего слоя;
4.
фотолитография и
травление резистивного слоя;
5.
нанесение плёнки
межслойной изоляции;
6.
осаждение
проводящей плёнки;
7.
фотолитография и
травление проводящего слоя;
8.
осаждение
защитного слоя.
вариант 2
1.
нанесение
маскирующего слоя;
2.
фотолитография
конфигурации резисторов;
3.
напыление
материала резистивной плёнки;
4.
удаление
маскирующего слоя;
5.
напыление
проводящей плёнки;
6.
фотолитография
проводящего слоя;
7.
нанесение
материала защитного слоя.
При изготовление гибридных микросхем
прибегают, как правило, к корпусной защите. При выборе вида и типа корпуса
необходимо руководствоваться требованиями, предъявляемыми к условиям
эксплуатации гибридных интегральных микросхем, габаритным параметрам с учётом
степени интеграции, сложности схемы и др. Также необходимо учитывать, что
технология пайки или сварки штырьковых выводов менее трудоёмка и более отработана.
В зависимости от условий хранения и
эксплуатации к корпусам микросхем предъявляются различные требования:
достаточная механическая прочность, позволяющая выдерживать нагрузки при сборке
и эксплуатации; минимальные габариты, для обеспечения компактности сборки;
конструкция корпуса должна позволять легко и надёжно выполнять электрические
соединения внутри корпуса; обеспечивать минимальные паразитные параметры, надёжную
изоляцию элементов, герметичность, минимальное тепловое сопротивление между
микросхемой и окружающей средой; защищать микросхему от воздействий
электромагнитного поля, света; иметь минимальную стоимость.
Все корпуса можно подразделить на
следующие виды: металлостеклянные, металлокерамические, металлополимерные,
пластмассовые, стеклокерамические и др.
Наиболее надёжным методом
герметизации для данного использования или хранения микросхем является
корпусная вакуум-плотная герметизация. В зависимости от материала, который применяется
для изготовления корпусов и герметизации их внешних выводов, вакуум-плотные
корпуса подразделяются на стеклянные, керамические, металлостеклянные,
металлокерамические. Основными деталями вакуум-плотных корпусов являются: собственно
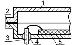
корпус, крышка, изолятор, выводы. На рис. 3.1 показана конструкция металлостеклянного
корпуса: 1-крышка, 2- основание корпуса, 3- вывод, 4- стеклянная бусинка, 5-
полупроводниковый кристалл.
рис. 3.1
Металлостеклянные корпуса обладают
минимальным тепловым сопротивлением между микросхемой и окружающей средой.
Выбор материала для металлостеклянных корпусов, определяет качественный спай
между материалами выводов и стеклянных изоляторов выводов от корпусов.
Для герметизации и изоляции внешних
выводов применяются в основном твёрдые стёкла с коэффициентом теплового
расширения α=(45…55)*10-7, 1/0С Чаще всего в
качестве материалов корпуса используют ковар (α=47*10-7, 1/0С,
Fe - 54%, Ni – 29%, Co – 17%, обладает хорошей теплопроводностью) и молибден (α=55*10-7,
1/0С). Эти материалы образуют хороший спай с твёрдыми стёклами.
рис. 3.2
Конструкции металлостеклянных
корпусов делятся на:
·
металлостеклянный
квадратный корпус (рис. 3.2а) состоит из металлического основания 1 с впаянными
изолированными выводами 4, металлической крышкой 2 и изолятора 3. Выводы с
основанием герметизируют металлостеклянным спаем. При окончательном монтаже
общую герметизацию корпуса проводят электронно-лучевой сваркой. Допустимая
рассеиваемая мощность 750 мВт;
·
металлостеклянный
круглый корпус (рис 3.2б). Основные достоинства: высокая механическая прочность
и надёжность. Недостатки: малая плотность упаковки. Состоит из металлического
фланца 1, крышки 2, изолятора 3, выводов 4. Фланец имеет ключ, расположенный
против вывода. Выводы с основанием герметизируют металлостеклянным спаем. При
окончательном монтаже общую герметизацию проводят конденсаторной сваркой
(разновидность контактной сварки). Допустимая рассеиваемая мощность 60мВт.
Сварка может осуществляться в вакууме
или в среде инертного газа под давлением несколько превышающим атмосферное.
Металлостеклянные корпуса
обеспечивают длительную работу в условиях повышенной относительной влажности
(до 98%) и в диапазоне температур -60…+1250С, поэтому они наиболее
рекомендованы для герметизации гибридных микросхем.
Подложка гибридных интегральных
микросхем является диэлектрическим и механическим основанием для расположения
плёночных элементов и компонентов, а также служит для теплоотвода. Материал подложки
должен обладать :
·
высоким удельным
электрическим сопротивлением, никой диэлектрической проницаемостью;
·
высокой
механической прочностью в малых толщинах;
·
высокой
физической и химической стойкостью к воздействию высокой температуры;
·
стойкостью к
воздействию химических реактивов;
·
способность к
хорошей механической обработке.
Для изготовления подложек в основном
используют: стекло, керамику, ситалл. Стекло и ситалл легко режется алмазным
резцом. Резка керамических подложек на производстве не желательна, поэтому их
сразу изготавливают нужных размеров.
Наиболее перспективными для гибридных
больших интегральных схем и микросборок являются металлические подложки,
поверхность которых покрывается относительно тонким (40 – 60 мкм) слоем
диэлектрика. Для этой цели используют алюминиевые платины с анодированной
поверхностью, стальные пластины, покрытые стеклом или полиамидным лаком.
Резисторы являются самыми
распространёнными элементами гибридных интегральных микросхем. Плёночные
резисторы формируются на диэлектрической подложке в виде резистивных полос различной
конфигурации, заканчивающихся низкоомными контактными переходами и выводами. В
гибридных интегральных микросхемах используются тонкоплёночные (d
2 мкм) и толстоплёночные (d
2мкм)
резисторы различной конфигурации с простой прямолинейной и сложной формой.
Наиболее распространённой является
конструкция резисторов прямолинейной формы рис.3.3а, как наиболее простая в
конструктивном и технологическом решении. Прямолинейная форма обеспечивает
большую чёткость контура, высокую механическую жёсткость масок, более простую
топологию, поэтому лучше отдавать предпочтение этому типу резисторов. Если
расчётная длина резистора оказывается большой и не может быть размещена на
подложке в одну линию, то его выполняют сложной формы в виде меандра рис.3.3б .
Резисторы типа «меандр» применяют для получения высокоомных резисторов. Для
изготовления низкоомных сопротивлений, применяют резисторы типа квадрат
рис.3.3в.
рис.3.3
Материалы, применяемые для
изготовления плёночных резисторов должны обеспечивать возможность получения
широкого диапазона стабильных во времени сопротивлений, коррозийной стойкостью,
адгезии, технологичности. Для изготовления плёночных резисторов используют
разные материалы: чистые металлы и сплавы с высоким удельным электрическим
сопротивлением, а также специальные резистивные материалы – керметы, которые
состоят из частиц металла и диэлектрика. При выборе материала резистивной
плёнки рекомендуется исходить из того, что все резисторы, расположенные на
одной плате, составляли один слой и имели одинаковое удельное сопротивление.
Сопоставляя физические свойства
плёнок с техническими требованиями к параметрам резистора, выбирают подходящий
материал. При этом руководствуются следующими соображениями: необходимо, чтобы
резистор занимал, возможно, меньшую площадь, а развиваемая в нем температура не
должна нарушать стабильность параметров, ускорять процессы старения. По
возможности стараются применить более толстые пленки, т.к. у очень тонких
ухудшается стабильность сопротивления.
Разработка топологии
В гибридных интегральных микросхемах
широко применяются тонкопленочные резисторы. Сопоставляя физические свойства
пленок с техническими требованиями к параметрам резистора, выбирают подходящий
материал. При этом руководствуются следующими соображениями: необходимо, чтобы
резистор занимал возможно меньшую площадь, а развиваемая в нем температура не
должна нарушать стабильность параметров, ускорять процессы старения, выводить
величину сопротивления за рамки допуска. По возможности стараются применить более
толстые пленки, т.к. у очень тонких ухудшается стабильность сопротивления.
Из сказанных выше соображений
выбираем сплав РС-3710, у которого имеются следующие характеристики: диапазон
сопротивлений 10…20000 Ом, Удельное сопротивление 100…2000 Ом/, Удельная мощность 20 мВт/мм2,
ТКС Mar = 3.5*10-4, dar = 1.5*10-4, коэффициент
старения MКСТ = 2*10-6 ч-1, dКСТ = 0.1*10-6.
Так же имеются конструкционные и
технологические ограничения: минимальная длинна резистора l0 = 0.1 мм, минимальная ширина резистора b0 = 0.05 мм, минимальная длинна контактного перехода lк = 0.1 мм, минимальное расстояние между краями
перекрывающих друг друга пленочных элементов h = 0.05 мм.
Для дальнейшего расчета резисторов
необходимо знать их рассеиваемую мощность. Для этого все элементы в схеме,
кроме резисторов заменим эквивалентами данных элементов, кроме диодов, учитывая
их внутреннее сопротивление их PN – перехода, т.е. электрическая схема после
замены элементов будет выглядеть следующим образом Рис 4.1:

а) б)
в)
Рис. 4.1
Для расчета токов будем использовать
схему, изображенную на рис. 4.1в. Расчет будем вести по законам Кирхгофа.
Необходимые для расчета номиналы
R4=3,6 кОм, R3,8=197 Ом , R5=1,2 кОм, U2=12,6B, U1=-6,3B, допустимое относительное отклонение сопротивления от
номинального значения для всех резисторов составляет
.
Для дальнейшего расчета мощности
можно воспользоваться следующей формулой:
(1)
а для расчета токов в цепи
воспользуемся законами Кирхгофа:
(2)
Решая систему (2) определим токи в
цепи:
Далее перейдем к рис. 4.1а:напряжение
на R3,8=6,107В, используя закон Ома
найдем токи I8 и I3:
I8=0,025A
I3=0,001A
Далее определим мощность резисторов R5, R4, R3 и R8 в отдельности, для этого воспользуемся
формулой (1):
Для резистора R5:
Вт.
Для резистора R4:
Вт.
Для резистора R3:
Вт.
Для резистора R8:
Вт.
Для остальных резисторов, не вошедших
в упрощенную схему, мощность будем определять по минимальному току I3:
Для резистора R2, 6,7:
Вт.
Для резистора R1:
Вт.
Дальнейший расчет резисторов будем
проводить в соответствии с [1].
Приведем конструктивный расчет R4:
Зададимся коэффициентом влияния a = 0,014 и вычислим коэффициенты влияния:
;
;
;
.
Определим среднее значение и половины
полей рассеяния относительной погрешности сопротивления, вызванной изменением
температуры по следующим формулам:
;
(3)
где
-
среднее значение температурного коэффициента сопротивления резистивной пленки.
,
- верхняя и нижняя предельные
температуры окружающей среды.
;
(4)
;
(5)
Таким образом, подставляя исходные
данные в формулы (3) – (5) получаем следующее:
;
;
;
;
Определим среднее значение и половину
поля рассевания относительной погрешности сопротивления, вызванное старением
резистивного материала по формулам:
(6)
(7)
где
-
среднее значение коэффициента старения резистивной пленки сопротивления.
- половина поля рассеяния
коэффициента старения сопротивления резистивной пленки.
;
(8)
;
(9)
Таким образом, получаем следующее:
(10)
(11)
(12)
(13)
Определим допустимое значение
случайной составляющей поля рассеяния суммарной относительной погрешности
сопротивления по следующей формуле:
(14)
(15)
где:
,
,
Положив МRПР = 0, тогда:
(16)
Определим допустимое значение
случайной составляющей поля рассеяния производственной относительной
погрешности сопротивления по следующей формуле:
(18)
(19)
Подставим вычисленные выше значения в
данную формулу, получим:
Определим допустимое значение
случайной составляющей поля рассеяния производственной относительной
погрешности коэффициента формы, по следующей формуле:
(20)
Подставим значения и получим:
Определим расчетное значение
коэффициента форм резистора:
(21)
Определим ширину резистивной пленки:
мм (22)
мм (23)
мм (24)
(25)
мм (26)
мм (27)
Определим сопротивление контактного
перехода резистора:
Ом (28)
Ом (29)
Проверим следующее условие:
(30)
Определим длину резистора:
мм (31)
мм (32)
Теперь определим среднее значение
коэффициента формы:
(33)
Определим среднее значение МRПР и половину поля рассеяния dRПР относительной производственной
погрешности:
(34)
(35)
(36)
(37)
(38)
(39)
Определим граничные условия поля
рассеяния относительной погрешности сопротивления резистора:
(40)
(41)
Определяем длину резистивной пленки и
площадь резистора:
мм (42)
мм2
(43)
Определим коэффициент нагрузки
резистора:
(44)
Подобно этому расчету рассчитываем
остальные резисторы, а результаты заносим в таблицу №1.
Таблица №1
|
Резисторы
|
α
|
L,мм
|
b, мм
|
S, мм
|
КН
|
P, мВт
|
|
R1
|
0,009
|
3,2
|
0,3
|
0,96
|
0,5208
|
10
|
|
R2, R3, R6, R7
|
0,009
|
3,8
|
0,3
|
1,14
|
12
|
|
R4
|
0,014
|
2,7
|
0,7
|
1,89
|
0,8466
|
32
|
|
R5
|
0,017
|
1,6
|
1,2
|
1,92
|
0,7813
|
30
|
Расчёт резистора типа “квадрат”
Приведём конструкционный расчёт
резистора типа “квадрат” R8:
Зададимся коэффициентом влияния a = 0.04 и вычислим коэффициенты влияния:
;
;
;
(45)
Определим среднее значение и половины
полей рассеяния относительной погрешности сопротивления, вызванной изменением
температуры по следующим формулам:
;
(46)
где
-
среднее значение температурного коэффициента сопротивления резистивной пленки.
,
- верхняя и нижняя предельные
температуры окружающей среды.
;
(47)
;
(48)
Таким образом, подставляя исходные
данные в формулы (46) – (48) получаем следующее:
;
;
;
;
Определим среднее значение и половину
поля рассевания относительной погрешности сопротивления, вызванное старением
резистивного материала по формулам:
(49)
(50)
где
-
среднее значение коэффициента старения резистивной пленки сопротивления.
- половина поля рассеяния
коэффициента старения сопротивления резистивной пленки.
;
(51)
;
(52)
Таким образом, получаем следующее:
(53)
(54)
(55)
(56)
Определим допустимое значение
случайной составляющей поля рассеяния суммарной относительной погрешности
сопротивления по следующей формуле:
(57)
(58)
где:
,
,
Положив МRПР = 0, тогда:
(59)
(60)
Допустимое значение случайной
составляющей поля рассеяния производственной относительной погрешности
сопротивления по следующей формуле:
(61)
(62)
Подставим вычисленные выше значения в
данную формулу, получим:
(63)
(64)
(65)
Определим допустимое значение
случайной составляющей поля рассеяния производственной относительной
погрешности коэффициента формы, по следующей формуле:
(66)
Подставим значения и получим:
(67)
Определим расчетное значение
коэффициента форм резистора:
(68)
Определим ширину резистивной пленки:
мм (69)
мм (70)
мм (71)
(72)
мм (73)
мм (74)
Определим сопротивление контактного
перехода резистора:
Ом (75)
Проверим следующее условие:
(77)
Определим среднее значение
коэффициента формы:
(78)
Определим среднее значение МRПР и половину поля рассеяния dRПР относительной производственной
погрешности:
(79)
(80)
(81)
(82)
(83)
Определим граничные условия поля
рассеяния относительной погрешности сопротивления резистора:

Определим площадь занимаемую
резистором:
мм2
(84)
Определим коэффициент нагрузки
резистора:
(85)
Результаты расчета занесем в таблицу
№2:
Таблица №2
|
резисторы
|
B, мм
|
В1, мм
|
В2,мм
|
S, мм2
|
P, мВт
|
КН
|
|
№
|
R,Ом
|
|
R8
|
200
|
5,053
|
1
|
4,953
|
25,53
|
125
|
0,2448
|
Конденсаторы являются широко
распространенными элементами гибридных микросхем. Пленочный конденсатор
представляет собой последовательно нанесенные на подложку и друг на друга
пленки проводника и диэлектрика. Такая конструкция пленочных конденсаторов
делает их более сложными элементами микросборок по сравнению с резисторами.
Применение многослойных конденсаторов
с большим числом обкладок приводит к усложнению технологии, снижению
надежности, электрической прочности конденсаторов и повышение их стоимости.
Поэтому в пленочных микросборках в основном применяются лишь трехслойные конденсаторы.
Все характеристики пленочных конденсаторов зависят от выбранных материалов.
Диэлектрическая пленка должна иметь высокую адгезию к подложке и металлическим
обкладкам, обладать высокой электрической прочностью и малыми диэлектрическими
потерями и многими другими требованиями и характеристиками.
Под наши номиналы конденсаторов более
подходит стекло электровакуумное С41-1 (НПО.027.600) с удельной емкостью
150…400 пФ/мм2, диэлектрической проницаемостью e0 = 5,2, tgdд=(0,2…0,3)·102,
электрической прочностью ЕПР = 300…400 В/мкм, ТКЕ 104 Мaeд = 1,7, daeд = 0,2, коэффициентом старения 10-5 Мкeд = 2, dкeд
= 1. Также имеем технологические ограничения на размеры обкладок: Dl = Db = 0,01мм. – максимальное отклонение размеров обкладок, Мсо
= 5% – среднее значение производственной относительной погрешности удельной емкости,
dсо = 1% – половина поля рассеивания
производственной относительной погрешности удельной емкости.
Вычислим среднее значение
относительной погрешности удельной емкости, Вызванной изменением температуры, Мcotb при верхней и Мcotn при нижней предельной температуре:
(86)
(87)
Среднее значение относительной
погрешности емкости, вызванной изменением температуры (2.17; 2.18 [5]):
(88)
%
%
Половины полей рассеяния
относительной погрешности предельной емкости, вызванной изменением температуры:
(89)
Половины полей рассеяния
относительной погрешности емкости, вызванной изменением температуры (2.20; 2.21
[5]):

(90)
%
Среднее значение относительной
погрешности удельной емкости, вызванной старением диэлектрической пленки:
(91)
Среднее значение относительной
погрешности емкости, вызванной старением диэлектрической пленки (2.23; 2.24
[5]):
(92)
%
Половина поля рассеяния относительной
погрешности удельной емкости, вызванной старением диэлектрической пленки:
(93)
Половина полей рассеяния
относительной погрешности емкости, вызванной старением диэлектрической пленки
(2.26; 2.27 [5]):

(94)
%
Найдем сумму средних значений
относительных погрешностей:
(95)
(96)
Введем коэффициент запаса на уход
емкости под действием не учетных факторов:
Определим допустимое значение
половины поля рассеяния, производственной относительной погрешности активной
площади:
% (98)
-
минимальное значение двух предыдущих.
Допустимый коэффициент формы активной
площади конденсатора:
(99)
Коэффициент формы берем из условия
2.39 [5]:
(100)
К = 1.
Определим максимальную удельную емкость,
обусловленную заданным допуском на емкость по техническим параметрам:

пФ/мм2 (101)
Коэффициент запаса электрической
прочности конденсатора принимаем равный 3:
Определим максимальную удельную
емкость, обусловленную электрической прочностью межслойного диэлектрика и
рабочим напряжением:
пФ/мм2
(102)
мм. –
минимальная толщина диэлектрика, тогда максимальная удельная емкость из
допустимого уровня производственного брака:
пФ/мм2
(103)
Определим минимальную удельную
емкость, приняв значение максимальной толщины диэлектрика:
мм.
Тогда:
пФ/мм2
(104)
Выберем удельную емкость из условия:
(105)
пФ/мм2
Определим соответствующую С0
толщину диэлектрика:
мкм.
(106)
Определим расчетную активную площадь
конденсатора:
мм2
(107)
Определим расчетное значение длины и
ширины верхней обкладки конденсатора при выбираем коэффициенте формы:
мм.
мм. (108)
С учетом масштаба фото оригинала:
мм (109)
h = 0,2 мм. – минимальное расстояние
краем нижней и верхней обкладок, обусловленное выбранной технологией.
Определим расчетное значение длины и
ширины нижней обкладки конденсатора:
мм. (110)
С учетом масштаба фото оригинала:
мм.
(111)
мм. –
минимальное расстояние между краем нижней обкладки и диэлектрическим слоем,
обусловленное выбранной технологией.
Определим расчетное значение длины и
ширины диэлектрического слоя конденсатора:
мм. (112)
С учетом масштаба фото оригинала:
мм.
(113)
Определим площадь, занимаемую
конденсатором:
мм2
(114)
Определим точность емкости
сконструированного конденсатора. Для этого определим среднее значение
относительной погрешности активной площади:
(115)
Определим среднее значение
производственной погрешности:
(116)
Определим поле рассеяния
относительной погрешности активной площади:
(117)
Определим поле рассеяния
производственной погрешности:
(118)
Определим положительное и отрицательное
значение предельного отклонения емкости:
(119)
(120)
Предельное отклонение емкости будет
равно максимальному из этих значений:
Проверим условие:
Þ
Как видно это условие выполняется, из
этого следует, что выбранный материал нам подходит по своим характеристикам.
Занесем полученные результаты в
таблицу №3:
Таблица №3
|
L1, мм
|
B1, мм
|
L2, мм
|
B2, мм
|
Lд, мм
|
Bд, мм
|
S, мм2
|
SP, мм2
|
|
С1; C2
|
18,3
|
17,4
|
17,4
|
19
|
19
|
361
|
286
|
В связи с тем, что геометрические размеры
конденсатора получились очень большие, то целесообразно выбрать навесной
конденсатор марки К10-9 с параметрами:
длина L=5,5 мм; ширина В=2,5 мм;
Определим параметры для навесных
конденсаторов емкостью 2,2 мкФ:
Конденсатор типа К53-16:
·
рабочее
напряжение Uр=6,3В
·
длина L=5 мм
·
ширина В=2,3 мм
·
высота h=1,6 мм
·
площадь
занимаемая конденсатором S=11,5
мм2
Расчёт
площади платы. Выбор типа подложки и корпуса
Для определения минимально допустимой
площади платы, необходимо произвести расчёт площади под каждый вид плёночных
(резисторов, конденсаторов, контактных площадок) и дискретных элементов.
Число контактных площадок
определяется исходя из заданной схемы соединений. Технологические и
конструктивные данные и ограничения позволяют оценить минимально допустимые
геометрические размеры контактных площадок в зависимости от способа
формирования плёночных элементов. Общая площадь необходимая под контактные
площадки:
(121)
где Si – площадь i – й площадки;
m – число площадок.
Определим площадь контактных площадок
под резисторы:
мм2
(122)
Определим площадь контактных площадок
под транзисторы :
мм2
(123)
мм2
(124)
Определим площадь резисторов:
мм2
(125)
Определим площадь транзисторов:
мм2
(126)
Определим площадь конденсаторов:
мм2
(127)
Определим площадь контактных площадок
под конденсаторы :
мм2
(128)
Суммарная (площадь) минимальная
площадь платы, необходимая для размещения элементов и компонентов находится по
формуле:
(129)
где Ки – коэффициент
использования платы, обычно принимают Ки=2…3. Введение коэффициента
использования связано с тем, что полезная площадь (площадь, занимаемая элементами
и компонентами) несколько меньше полной, что обусловлено технологическими
требованиями и ограничениями. Конкретное значение коэффициента использования
зависит от сложности схемы и способа её изготовления.
мм2
(130)
Исходя из ориентировочного расчёта
суммарной площади, проведённого выше, выбираем подложку с необходимыми
размерами и выбираем типоразмер корпуса.
Данной площади платы соответствует
размер подложки 20х16 мм. Геометрические размеры подложек стандартизированы.
Выбираем подложку из ситалла СТ50-1. Этот материал очень широко используется
для изготовления гибридных интегральных микросхем, так-так имеет очень хорошие электрофизические
и механические характеристики. Минимальный габаритный размер подложки из данного
материала 48х60 мм, поэтому на данной подложке изготавливается групповым
методом несколько гибридных микросхем, потом эту подложку режут на заданное
количество подложек, в данном случае на 9 подложек.
Данному размеру подложки
соответствует корпус 156.15. Конструктивно–технологические характеристики этого
корпуса даны в таблице № 4.
Таблица № 4
|
Условное
обозначение корпуса
|
Тип корпуса
|
Кол–во
выводов
|
Размер зоны крепления,
мм
|
Максимальный размер
платы, мм
|
Масса не более,гр.
|
|
156.15
|
металлостеклянный
|
15
|
16,7х23,2
|
16,5х22,5
|
8,7
|
Заключение
В ходе данного курсового проекта была
разработана конструкция микросборки фильтра верхних частот. Проведен расчет
топологии микросборки (расчет пассивных элементов схемы и их расположения на
подложке). Разработана маршрутная технология микросборки. Сделан анализ
конструкции микросборки. Таким образом, все требования технического задания
были выполнены.
Список
литературы
1.
Коледов Л.А.
Конструирование и технология микросхем. Курсовое проектирование. М: «Высшая
школа» 1984 г.
2.
Парфенов О.Д.
Технология микросхем М:«Высшая школа» 1986 г.
3.
Сажин Б.Н.
Конструирование пассивных элементов плёночных микросборок, Рязань РРТИ 1987 г.
4.
Сажин Б.Н.
Фотолитография в технологии тонкоплёночных микросхем и микросборок, Рязань РРТИ
1993 г.
5.
Сёмин А.С.
Конструирование пассивных элементов плёночных микросборок. Рязань РРТИ 1983 г.
6.
Сёмин А.С.
Конструкция и технология микросхем, Рязань РРТИ 1978 г.
7.
Сёмин А.С.
Конструкция и технология микросхем ч.1. Рязань РРТИ 1981 г.
8.
Сёмин А.С.
Конструкция и технология микросхем ч. 2. Рязань РРТИ 1981г.
9.
Сёмин А.С.
Оформление конструкторской документации на плёночные микросборки, Рязань РРТИ
1983 г.
10.
Сёмин А.С.
Методические указания к курсовому проекту по курсу «конструирование и расчет
микросхем», Рязань РРТИ 1971 г.