Усилитель с реостатно–емкостными связями
Министерство
образования и науки
Российской
Федерации
НОВОСИБИРСКИЙ
ГОСУДАРСТВЕННЫЙ ТЕХНИЧЕСКИЙ
УНИВЕРСИТЕТ
ФАКУЛЬТЕТ
РАДИОТЕХНИКИ, ЭЛЕКТРОНИКИ И ФИЗИКИ
КАФЕДРА
КТРС
ПОЯСНИТЕЛЬНАЯ
ЗАПИСКА
к
курсовой работе по курсу
Основы
схемотехники
на
тему:
Усилитель
с реостатно - емкостными связями
Студент гр. РКС 10
- 42
Пантина Т.О.
Преподаватель
Данилов В.С.
Новосибирск
- 2006
1. Введение
В ходе развития современных радиоэлектронных
устройств естественным образом проявилась потребность управлять энергией, путем
затраты небольшого ее количества, по сравнению с управляемой. Такой процесс
получил название усиление, а соответствующий электронный прибор, осуществляющий
этот процесс называют усилителем.
Широкое распространение в технике получили
усилители электрических сигналов, управляющая и управляемая энергия которых
представляет собой электрическую. Электронные усилители повышают мощность
входных электрических сигналов. Этот процесс реализуется за счет активных
элементов, например, транзисторов, ламп и т.д.(тогда усилители соответственно
полупроводниковые, ламповые и др.)
По роду усиливаемых сигналов эти усилители
разделяют на усилители гармонических сигналов и на усилители импульсных
сигналов.
В свою очередь по характеру изменения
усиливаемых сигналов во времени выделяют усилители постоянного тока ( усилители
медленно изменяющихся сигналов) и на усилители переменного тока. Усилители
переменного тока подразделяются на усилители низкой частоты (УНЧ), усилители
высокой частоты (УВЧ), избирательные, широкополосные и другие усилители. усилитель реостатный частота транзистор
Если одного активного элемента недостаточно,
чтобы обеспечить требуемое усиление, то применяются многокаскадные схемы, где
нагрузкой одного каскада служит входное сопротивление последующей цепи другого
активного элемента. Каскады в схемах различаются по соединению между собой:
выделяют реостатно - емкостные, трансформаторные и непосредственные связи.
В транзисторных усилителях большое
распространение имеют каскады с емкостной связью.
В данной работе представлен расчет усилителя с
реостатно - емкостными связями, работающим в области низких частот: 10 Гц -
100кГц. Типичный каскад такого типа содержит разделительные конденсаторы и
блокирующие конденсаторы. Емкости этих конденсаторов оказываю влияние на работу
каскада в области низших частот. При анализе транзисторных каскадов выделяют
область средних частот, в которой схему можно считать состоящей только из
активных элементов и не учитывать временных и частотных искажений.
Основными техническими параметрами данного
усилителя служат коэффициент усиления, входное и выходное сопротивление,
диапазон усиливаемых частот.
Выбор принципиальной схемы усилителя с реостатно
- емкостными связями.
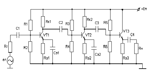
Усилитель состоит из трех каскадов. Первые два
каскада (предварительного усиления) работают на транзисторах VT1
и VT2, включенных по
схеме ОЭ. Смещение задается резисторами R1
и R2
- в первом каскаде, и R3,
R4
- во втором.
Резисторы, стоящие в цепи эмиттера (Rэ1
и Rэ2),
реализуют ОС по постоянному току, а конденсаторы (Сэ1 или Сэ2)
шунтируют их по переменной составляющей.
Для выходного каскада существует два основных
варианта типов схем. Усилитель мощности можно представить либо по схеме ОК,
имеющей меньшие нелинейные искажения, и более простую по устройству схему, либо
по двухтактной схеме, работающей в режиме АВ. Преимуществом двухтактной схемы
является выигрыш в КПД, по сравнению со схемой эмиттерного повторителя.
Опираясь на данные, представленные в задании на
курсовой проект, выходной каскад данного усилителя будет работать по схеме
эмиттерного повторителя в режиме А, поскольку никаких особых требований по
выходной мощности или КПД к усилителю не предъявляется.
. Задание, исходные данные.
Спроектировать и рассчитать усилитель со
следующими параметрами:
· Источник питания Еп=15 В
· Коэффициент усиления по напряжению Кu=5000
· Сопротивление нагрузки Rн
= 3 кОм
· Сопротивление генератора Rг
= 10 Ом
· Полоса пропускания Δf
= 10
Гц - 100кГц
Рис.1 Принципиальная схема усилителя
3. Выбор транзистора выходного каскада
В выходном каскаде используется схема
эмиттерного повторителя, работающего в режиме А.
Зададимся выходной мощностью. Пусть Рвых
= 30мВт.
Обеспечим десятипроцентный запас по мощности.
Найдем значение максимального тока
на нагрузке.
Определим максимальное напряжение на
нагрузке.
Причем заданный техническим заданием
источник питания удовлетворяет следующему неравенству:
, где Uост принимаем
равным 1В.
Транзистор, работающий в выходном
каскаде, выбираем по следующим критериям:
, то есть
Частоту транзистора выбираем как
минимум на 2 - 3 порядка больше верхней частоты полосы пропускания (fв = 100 кГц)
Выбираем транзистор КТ373А.
Его предельно допустимые параметры:
,
,
,
.
Следующие необходимые для расчета
параметры:
,
4. Расчет выходного каскада
По выходным характеристикам
транзистора выбираем рабочую точку.
,
Найдем базовый ток.
Тогда ток эмиттера:
По входным характеристикам найдем
напряжение на базо-эмиттерном переходе.
Значит,
Найдем ток делителя, исходя из
условия, что ток делителя должен быть хотя бы на порядок больше тока базы,
чтобы делитель смещения минимально влиял на входные параметры каскада.

Найдем rэ3 и Rэ3:
, где 25 мВ - температурная
разность потенциалов
Максимальный ток базы определяется
следующим образом.
Входное сопротивление третьего
каскада:
Определим максимальную входную
мощность (которую должен обеспечить предоконечный каскад)
. Выбор транзистора второго каскада
Распределим коэффициент усиления
между каскадами. Так как коэффициент усиления по напряжению третьего каскада
равен 1 (
), то
возьмем коэффициенты усиления первого и второго каскадов равными по 75 (
).
Проверим:
, что удовлетворяет заданному
техническому заданию.
Транзистор второго каскада должен
отвечать следующим требованиям:
Выбираем транзистор КТ312Б. У него
следующие предельные параметры:
,
,
,
.
. Расчет второго каскада
Параметры выбранного транзистора,
необходимые для расчета:
,
,
,
Устанавливаем рабочую точку по
выходным характеристикам.
,
Найдем базовый ток.
Ток эмиттера соответственно будет
равен:
По входной характеристике определяем
смещение на переходе база-эмиттер.
Значит,
Найдем сопротивление Rэ2, напряжение
на котором будет равно
, тогда
получим:
Ток делителя должен быть хотя бы на
порядок больше тока базы, то есть:
Рассчитаем резисторы R4 и R3.
Найдем rэ2 :
, где 25 мВ - известная
температурная разность потенциалов
Таким образом, можно найти входное
сопротивление второго каскада Rвх2.
Проверим удовлетворяет ли выходная
мощность второго каскада требуемой входной мощности третьего.
Требуемое условие выполняется:
мощность второго каскада на выходе больше входной мощности последующего.
Максимальный ток базы транзистора
второго каскада определяется следующим образом.
. Выбор транзистора первого каскада
Транзистор второго каскада должен
отвечать следующим требованиям:
Выбираем транзистор КТ315В.
Он имеет следующие предельные параметры:
,
,
,
.
,
,
. Расчет первого каскада
По выходным характеристикам
выбранного транзистора зададим рабочую точку.
,
Найдем базовый ток.
Ток эмиттера соответственно будет
равен:
Найдем сопротивление Rэ1, напряжение
на котором будет равно
, тогда
получим:
По входной характеристике определим
напряжение на базо-эмиттерном переходе.
Значит, 
Рассчитаем резисторы R2 и R1.
Определим rэ1:
Тогда,
. Расчет резисторов Rк1 и Rк2
Из формулы для коэффициента усиления
на средних частотах, найдем значения резисторов Rк1 и Rк2 в первом и
втором каскадах.
Причем знак «-» при расчете не
учитывается, так как он обозначает тот факт, что схема ОЭ вносит фазовый сдвиг
на 1800
Для первого каскада формула примет
вид:
, или, подставив известные и
найденные значения:
Из последнего уравнения найдем
значение Rк1.
Аналогично запишем выражение для
коэффициента усиления второго каскада, подставив необходимые значения.
Где RВХ3. найдем по
следующей формуле:
Подставим в формулу и решим
полученное уравнение.
. Расчет разделительных и
блокировочных конденсаторов
Коэффициент частотных искажений
для нижней
частоты f = 10 Гц распределим
между четырьмя разделительными и двумя блокировочными конденсаторами. Причем,
так как разделительные конденсаторы «работают» с более высокоомной нагрузкой,
чем блокировочные, то на них выделим меньше, а на блокировочные, в свою
очередь, больше.
Проверка:
Расчет разделительных конденсаторов.
Для расчета нам потребуются входные
и выходные сопротивления каждого из каскадов.

Расчет блокировочных конденсаторов.
Найдем значение Rвых со стороны
эмиттера.
. Проверка правильности выбора
транзистора по верхней частоте
Формула для расчета времени
задержки:
Расчет для первого каскада.
,
,
Рассчитываем коэффициент ОС.
Расчет для второго каскада.
,
,
Рассчитываем коэффициент ОС.
Расчет для третьего каскада.
,
,
Рассчитываем коэффициент ОС.
Очевидно, что искажения в области
верхних частот вносятся в основном первыми двумя каскадами, в частности вторым.
Значит:
Номиналы рассчитанных элементов
усилителя в соответствии с рядом Е24.
R1=3 кОмС1=58
мкФRк1=513 Ом
R2=775 ОмС2=123
мкФRк2=1.7 кОм
R3=2.5 кОмС3=278нФ
R4=728 ОмС4=43
мкФ
R5=27.5 кОмСэ1=20мФ
R6=32.7 кОмСэ2=1.5мФ
Rэ1=850
Ом
Rэ2=172
Ом
Rэ3=3.2
кОм
Заключение
В данной работе была выбрана
принципиальная схема реостатно - емкостного усилителя в полосе частот от 10 Гц
до 100 кГц. Выбранная схема соответствует требуемым параметрам, которые заданы
техническим заданием. Произведен выбор активных элементов и выполнен расчет
резисторов, разделительных и блокировочных конденсаторов, приведены их номиналы
в соответствии с рядом Е24.
Реостатно - емкостные усилители
достаточно широко распространены, и находят применение в различных областях
науки и техники.
Список литературы
1.
В.Г.Гусев, Ю.М.Гусев
“Электроника”,
М.”Высшая школа”, 1991г
.
И.П. Степаненко
“Основы
теории транзисторов и транзисторных схем”,М.”Энергия”, 1973г.
.
Транзисторы для аппаратуры широкого применения. Справочник/ Под редакцией
Перельмана Б.Л., М.: “Радио и связь”, 1981г.
.
Конспект лекций по курсу «Основы схемотехники», Данилов В.С.