Усилитель широкополосный
ТОМСКИЙ
ГОСУДАРСТВЕННЫЙ УНИВЕРСИТЕТ
СИСТЕМ
УПРАВЛЕНИЯ И РАДИОЭЛЕКТРОНИКИ
Кафедра
радиоэлектроники и защиты информации
ЗАДАНИЕ
На курсовое
проектирование по дисциплине «Проектирование аналоговых электронные устройства»
студенту группы 129-2 Жаргалову Бато
Тема проекта:
«ШИРОКОПОЛОСНЫЙ УСИЛИТЕЛЬ»
Назначения усилителя:
1. Диапазон частот (0.1-25) МГц
2. Допустимые частотные искажения +\-3
дБ
3. Нелинейные искажения - оценить
4. Амплитуда входного сигнала 25 мВ
5. Источник входного сигнала Ri=50 Ом
6. Амплитуда выходного сигнал 6 В
7. Нагрузка 50 Ом
8. Регулировка усиления - 12 дБ
9. Условия эксплуатации Тср=(10-40)
град.С
10. Дополнительные требования Rвх=50 Ом, Свх определить допустимое
значение
Рекомендуемый порядок проектирования
1. Выбор и расчет структурной схемы.
2. Составление и расчет электрической
схемы, выбор радиодеталей и составление перечня их.
3. Расчет результирующих характеристик.
Перечень обязательных чертежей
1. Электрическая схема.
2. Частотная и фазовая характеристики.
Задание выдано ___1.04.12_______ Срок сдачи проекта ___
Руководитель проекта __________________ Шарыгина Л.И. ____
Подпись студента ________________
Введение
При проектировании усилительных устройств решают ряд задач, связанных с
составлением схемы, наилучшим образом удовлетворяющей поставленным требованиям
технического задания, с расчетом этой схемы на основании выбранных параметров и
режимов работы ее элементов. Целью данной курсовой работы является
проектирование широкополосного усилителя.
Эскизный расчет ШУ состоит в выборе усилительного элемента, определении
числа каскадов, распределении по каскадам частотных искажений так, чтобы их
суммарная величина не превосходила заданную. Предварительно частотные искажения
распределяют по каскадам равномерно. В процессе расчета их обычно приходится
перераспределять для ослабления требований к какому-либо каскаду, чаще всего к
предоконечному.
Общей задачей проектирования является отыскание наиболее простого,
экономичного решения. Сложность проектирования как раз и заключается в том,
чтобы найти это относительно простое решение. При проектировании усилителя
задачу выбора схемы и параметров отдельных каскадов следует рассматривать как
частную, подчинив ее общей задаче - выполнению технических требований к
усилителю в целом. Поэтому рационально, исходя из общих технических требований,
формулировать частные технические условия к отдельным каскадам усилителя или к
усилительным секциям и вести их расчет на основании этих частных условий,
которые должны находиться в определенной связи друг с другом.
1. Выбор и обоснование структурной схемы усилителя
Чтобы обеспечить амплитуду выходного сигнала, заданную в техническом
задании, нужно выбрать многокаскадный усилитель, так как одного усилительного
элемента недостаточно. Поэтому определим число каскадов для обеспечения
выходного сигнала. С учетом коэффициента передачи входной цепи приблизительный
(ориентировочный) коэффициент усиления определится как:
где K - коэффициент усиления;
Eг -
Э.Д.С. источника сигнала;
Rг -
внутреннее сопротивление источника сигнала;
Rвх -
входное сопротивление предварительного (входного) каскада.
Входное сопротивление входного каскада в задании нам не дано, поэтому
примем его равным сопротивлению генератора, т.е. 50 Ом.
Таким образом коэффициент усиления будет равен:
Для
широкополосного усилителя число каскадов ориентировочно можно определить,
полагая все каскады одинаковыми с
т.е. 10
раз, по следующей формуле:
После
того, как мы определили число каскадов, можно составить структурную схему всего
усилителя, приведённую на рис.3.1
Рисунок
3.1 Структурная схема усилителя
2. Расчетная часть
.1 Расчет оконечного каскада усилителя
Расчет
оконечного каскада усилителя начнем с выбора транзистора. Для этого рассчитаем
некоторые параметры будущего усилителя. Таковыми являются граничная частота
, напряжение
,
максимальный ток коллектора
. Эти
параметры находятся из формул (4.1.1)-(4.1.3) [1].
(4.1.1)
в - время установления, отведенное на каскады с учетом входной цепи
(4.1.2)
где
- начало нелинейного участка выходной характеристики
(4.1.3)
Воспользовавшись формулами (4.1.1)-(4.1.4) находим
Находим необходимый транзистор по справочнику [2].Этим требованиям
отвечает транзистор КТ913А. Он имеет следующие параметры:
граничная
частота транзистора
максимальное
напряжение коллектор-эмиттер
максимальный
ток коллектора
ёмкость
коллекторного перехода
постоянная
времени цепи обратной связи
максимальная
рассеиваемая мощность коллектора
обратный
ток коллектора
2.1.1 Расчет режима транзистора
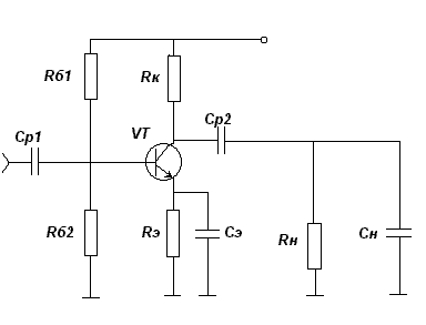
Выходной каскад выполним по схеме реостатного каскада (рис. 4.1.1)
Рисунок 2.1.1 - Схема выходного каскада
Произведем выбор положения рабочей точки.

Рисунок
2.1.2 Входная и выходная характеристики транзистора
где
- начальное напряжение нелинейного участка.
(4.1.5)
(4.1.6)
(4.1.7)
(4.1.8)
Rк = 100 Ом, выбран исходя из энергетических соображений и с учетом того
что слишком большле коллекторное сопротивление урезает полосу. Мощность
рассеиваемая на коллекторе попадает в пределы максимальной рассеиваемой
мощности выбранного транзистора.
(4.1.9)
Исходя
из значения
и
найдем
по характеристикам транзистора базовый ток
мА и
напряжение
.
Рассчитаем
предварительное значение напряжения источника питания. Оно сложится из падения
напряжения на коллекторном переходе
и
падения напряжений на сопротивлениях коллекторной и эмиттерной цепей.
(4.1.10)
В
существующем ряду [1] напряжений имеется близкое к расчетному. Оно равно
, а значит его мы примем за напряжение источника
питания будущего усилительного устройства увеличив падение на сопротивлении
эмиттера до 2.2 В.
Определим коэффициент использования источника питания по напряжению.
Желательно, чтобы эта величина была не ниже (0.2 0.3), так как
использование напряжения будет нерациональным.
(4.1.11)
.1.2 Расчет параметров транзистора
Для дальнейшего расчета необходимо определить параметры транзистора.
(4.1.12)
(4.1.13)
Подставляя справочные данные в формулы (4.1.12)-(4.1.13) получаем:
Крутизна транзистора определится из формулы
h21 = Ik max - Ik min / Iб max - Iб min = 40
а g=0.02 См - определяем по входной
характеристике как отношение изменения базового тока к изменению базового
напряжения на прямой-касательной к рабочей точке:
(4.1.14)
Оценим коэффициент усиления данного каскада. Для этого воспользуемся
формулой, приведенной в [1]
(4.1.15)
;
.1.3 Расчет усилителя в области высоких частот
Оценим
искажения в области малых времен. Для этого определим все слагаемые, которые
вносят вклад в
радиодеталь
электрический схема усилитель
(4.1.16)
(4.1.17)
(4.1.18)
(4.1.19)
Подставляя ранее рассчитанные значения, получаем
Так
как нагрузка для выходного каскада не содержит емкости кроме как емкости
монтажа, её то я и беру в роли емкости нагрузки при расчете
.
Определим
входную динамическую ёмкость
и
входное сопротивление транзистора
по
формулам, взятым из [1]:
(4.1.20)
Rвх.тр рассчитываем по
характеристикам.
.1.4 Расчет цепей питания
Так
как ток базы
равен
.
Зададимся током делителя
.
Значения
элементов схемы найдутся из формул [1]:
,
где
- ток в рабочей точке на постоянном токе (4.1.22)
(4.1.23)
(4.1.24)
Воспользовавшись формулами (4.1.22)-(4.1.24) найдем значения элементов
каскада.
Приведем значения элементов схемы к стандартному ряду радиодеталей,
выполняемых с допуском 5%.
;
;
В
дальнейшем я рассчитываю все отталкиваясь не от приведенных к номиналам
значениям, а к расчетным, так как так легче рассчитывать в математическом
пакете от начала и до конца, а позже уже привести к номиналам, что в сильной
мере не должно сказаться из-за разброса параметров самих элементов.
С
появлением делителя в базовой цепи транзистора изменяется его входное
сопротивление. Это сопротивление становится равным входному сопротивлению
каскада.
(4.1.25)
2.1.5 Расчет термостабилизации
В техническом задании задан диапазон температур, в котором усилитель
должен обеспечивать стабильную работу. Определим степень ухода рабочей точки
при изменении температуры в заданном диапазоне. Для этого воспользуемся
формулами [1]:
,
где
- мощность, рассеиваемая на коллекторе
-
тепловое сопротивление транзистора (4.1.26)
,
где
- в миллиамперах (4.1.27)
(4.1.28)
(4.1.29)
,
где
(4.1.30)
Приращение тока коллектора, вызванное тепловым смещением проходных
характеристик определится как
(4.1.31)
,
где
(для кремниевых транзисторов) (4.1.32)
Обратный ток коллектора необходимо уменьшить примерно на два порядка,
поскольку значение, приводимое в справочниках представляет собой сумму тепловой
составляющей и поверхностного тока утечки, последний из которых может быть на
два порядка больше тепловой составляющей и практически не зависит от
температуры.
Приращение
тока коллектора, вызванное приращением обратного неуправляемого тока
найдем по формуле
(4.1.33)
Приращение
тока, вызванного изменением
равно:
(4.1.34)
,
где
(4.1.35)
(4.1.36)
(4.1.37)
Общий уход коллекторного тока найдем из следующей формулы:
(4.1.38)
(4.1.39)
Приемлемым является уход тока примерно на 10%.
Подставив в формулы (4.1.26)-(4.1.38) известные нам значения, получаем
град/вт
град
град
Общий уход коллекторного тока с учётом действия схемы термостабилизации
Результирующая нестабильность составляет
.
В
принципе, такой нестабильностью можно пренебречь и считать, что постоянный ток
колектора в процессе эксплуатации усилителя сохраняет свое значение.
2.2 Расчет предоконечного каскада
Рассмотрим в роли промежуточного каскада простой реостатный каскад.
Перед началом расчета стоит отметить, что:
Основные
критерии выбора транзистора для промежуточного каскада
1.
.
.
Где
;
В
данном случае требуемые предельные значения
и
, определенные по соотношениям, приведенным выше,
оказываются значительно меньше аналогичных справочных значений для маломощных
транзисторов, что указывает на малосигнальный режим работы каскада. В этом
случае основным критерием выбора транзистора являются
и тип проводимости. Рассмотрим основные параметры
некоторых транзисторов средней и малой мощности [2]. Их сравнительный анализ
выявит наиболее подходящий для работы в промежуточном каскаде. Формулы для
расчета необходимых характеристик приведены в разделе 4.1(4.1.12 - 4.1.21).
Опустив все численные расчеты, сведем величины, необходимые для анализа, в
таблицу 4.2.1
Таблица
4.2.1 - Параметры выбранных транзисторов в выходном каскаде
|
Транзистор
|
   
|
|
|
|
|
|
КТ339А
|
290
|
0.17
|
0.83
|
1.6
|
50.4
|
|
КТ355А
|
600
|
0.23
|
0.98
|
2.3
|
28.3
|
|
КТ367А
|
909
|
0.13
|
0.64
|
1.4
|
16.3
|
|
КТ610А
|
85
|
1.4
|
6.9
|
4.7
|
262
|
|
КТ610Б
|
85
|
0.9
|
4.4
|
1.3
|
227
|
Анализ полученных результатов:
1. Маломощные транзисторы не подходят нам, так как обладают
коэффициентом усиления примерно равным единице; другими словами каскад,
построенный на маломощном транзисторе, не дает усиления.
2. Транзисторы средней мощности.
Достоинства: коэффициент усиления больше единицы.
Недостатки: большая входная динамическая емкость каскада(КТ610А,Б), а так
же небольшое входное сопротивление (КТ610А,Б).
Для устранения обозначенных во втором пункте недостатков введем обратную
связь в реостатный каскад. Расчеты следует проводить по следующим формулам
[2,3]:
, (4.2.1)
где
А - глубина обратной связи.
(4.2.2)
(4.2.3)
(4.2.4)
Для
более детального анализа рассмотрим обратную связь при глубине A=2;4.
Опустим численный расчет, результаты сведем в таблицу 4.2.2.
Таблица
4.2.2 - Параметры первого промежуточного каскада с введенной обратной связью
различной глубины, для различных транзисторов
|
Транзистор
|
  
|
|
|
|
|
А
|
2
|
2
|
2
|
2
|
|
КТ610А
|
170
|
3.4
|
2.9
|
133
|
|
КТ355А
|
1800
|
0.49
|
2
|
367,8
|
|
КТ610Б
|
170
|
2.2
|
1,8
|
116
|
Анализ полученных данных:
. Входное сопротивление с ростом глубины обратной связи увеличивается.
. Входная динамическая емкость велика; дальнейшее увеличение глубины
обратной связи приведет к снижению коэффициента усиления.
Вывод: полученные результаты говорят о том, что предоконечный каскад,
построенный на простом реостатном каскаде, способен реализовать усиление
близкое к единице.
Опираясь на сделанный вывод, попробуем использовать в качестве
промежуточного каскада эмиттерный повторитель.
Выберем транзистор, который подошёл бы для реализации предоконечного
каскада. Таким может стать кремниевый транзистор КТ355А. Он имеет следующие
параметры:
граничная
частота транзистора
максимальное
напряжение коллектор-эмиттер
максимальный
ток коллектора
ёмкость
коллекторного перехода
постоянная
времени цепи обратной связи
статический
коэффициент передачи тока
максимальная
рассеиваемая мощность коллектора
обратный
ток коллектора
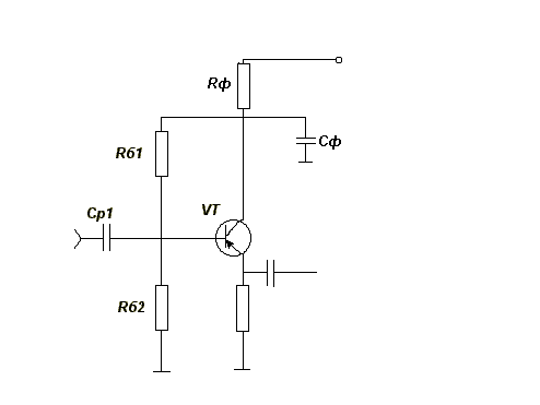
Его схема рассчитываемого каскада изображена на рисунке 4.2.1
Рисунок
4.2.1 - Промежуточный каскад
.2.1
Выбор режима транзистора
Поскольку
транзистор предоконечного каскада теперь работает в малосигнальном режиме, то
целесообразно вести расчет параметров транзистора не отталкиваясь от выходного
напряжения каскада. В этом режиме зададимся удобной рабочей точкой примем
и аналогично расчету предыдущей цепи найдем
. Падение напряжения на
, которое
возьмем равным
, составит
. Таким
образом, для работы данного каскада понадобится напряжение равное
. Поскольку источник питания имеет напряжение
, а применение нескольких источников питания в
усилителе нецелесообразно, то придется включать данный каскад через гасящий
фильтр.
Нагрузкой
предоконечного каскада является входное сопротивление оконечного каскада.
Найдем
2.2.2
Расчет параметров транзистора
Расчет
режима транзистора предоконечного каскада будем производить с учетом того, что
сопротивлением нагрузки теперь будет являться входное сопротивление оконечного
каскада, которое равно
. Из ряда номинальных значений элементов Е24 есть
равное
. Его мы и возьмем в качестве сопротивления эмиттера.
По
формулам (4.1.8),(4.1.12)-(4.1.15) находим
Рассчитаем глубину обратной связи и будем считать все параметры, учитывая
ее
(4.2.1)
; (4.2.2)
.2.3 Расчет усилителя в области высоких частот
Пользуясь уже известными формулами (4.1.16)-(4.1.19) находим
Найдем
используя формулу (4.2.3)
с учетом обратной связи
; (4.2.3)
Определим
входную динамическую ёмкость
по
формуле (4.2.4) и входное сопротивление транзистора
по входной характеристике и (4.1.21)
(4.2.3)
С учетом обратной связи входное сопротивление будет
(4.2.4)
Так как эмиттерный повторитель имеет индуктивное выходное сопротивление,
то нам надо рассчитать резонансную частоту параллельного контура образованного
входной динамической емкостью следующего каскада и индуктивным сопротивлением
эмиттерного повторителя.
,
где m=(1,2…1,6) (4.2.5)
(4.2.6)
Получили частоту резонанса почти на порядок большую чем верхняя граничная
частота данного усилителя, следовательно, этого резонанса можно не опасаться.
.2.4 Расчет цепей питания
Из
входной характеристики найдем значение напряжения
. Оно равно
. Ток
базы
при этом равен
.
Зададимся током делителя
. Значения элементов схемы найдутся из формул
(4.1.23)-(4.1.24)
Приведем значения элементов схемы к стандартному ряду радиодеталей,
выполненных с допуском ±10%.
;
По
формуле (4.1.22) получим значение входного сопротивления каскада.
.2.5 Расчет термостабилизации
По формулам (4.1.26)-(4.1.39) рассчитаем уход коллекторного тока,
вызванный изменением температуры окружающей среды.
град/вт
град
град
В
В данном случае формулы коэффициентов термостабилизации будут отличаться
от первого каскада, так как схема термостабилизации другая. В данной схеме в
термостабилизации будет участвовать еще и сопротивление фильтра, установленное
изначально для развязки по питанию первого и второго каскада. В дальнейшем я
хочу использовать это же напряжение питания и для третьего каскада,
следовательно, при выборе сопротивления фильтра мне нужно учитывать и токи,
протекающие в выходном каскаде. Чтоб на данном этапе рассчитать коэффициенты
нужно знать сопротивление фильтра, поэтому я беру его из чернового расчета, а
его расчет приведу после нахождения токов выходного каскада. Rф=1800 Ом. Считаю коэффициенты
термостабилизации по формулам (4.2.7) и (4.2.8)
(4.2.7)
=0.013
Общий уход коллекторного тока с учётом действия схемы термостабилизации:
;
Таким
образом, общий уход коллекторного тока транзистора в процентах равен:
2.3 Расчет входного каскада
Для входного каскада выходным напряжением будет являться входное
напряжение предоконечного каскада. По формуле (4.2.1a) запишем
Схема входного каскада изображена на рисунке 4.3.1.
Используем транзистор КТ368А:
граничная
частота транзистора
максимальное
напряжение коллектор-эмиттер 
ёмкость
коллекторного перехода
постоянная
времени цепи обратной связи
максимальная
рассеиваемая мощность коллектора
статический
коэффициент передачи тока
обратный
ток коллектора
Рис.2.3.1
Схема входного каскада.
.3.1
Выбор режима транзистора
Все
соображения, изложенные в пункте 4.2.1 справедливы и для входного каскада.
Поэтому возьмем
. Значение
положим
равным
тогда
. Падение
напряжения на
составит
, падение
напряжения на
положим равным
для того
чтобы использовать питание предыдущего каскада. Таким образом, для работы
данного каскада понадобится напряжение равное
,
то есть такое же как и у эмиттерного повторителя.
Нагрузкой
предоконечного каскада является входное сопротивление оконечного каскада.
Найдем
.
.3.2
Расчет параметров транзистора
По
формулам (4.1.12)-(4.1.15) находим
;
.3.3 Расчет усилителя в области высоких частот
Пользуясь уже известными формулами (4.1.16)-(4.1.19) находим
Определим
входную динамическую ёмкость
и
входное сопротивление транзистора
по
формулам (4.1.20) и (4.1.21)
2.3.4 Расчет цепей питания
Из
входной характеристики найдем значение напряжения
. Оно равно
. Ток
базы
при этом равен
.
Зададимся током делителя
. Значения элементов схемы найдутся из формул
(4.1.19)-(4.1.21)
Приведем значения элементов схемы к стандартному ряду резисторов,
выполненных с допуском ±10%.
;
;
Найдем
также значения
и
по
формулам из (4.2.2) и (4.2.3), но учитываем что сопротивление фильтра участвует
в развязке по питанию сразу для двух каскадов
Приведя эти значения к номинальным, но будем учитывать что емкость
фильтра будет скорректирована при расчете устойчивости, получим:
;
По
формуле (4.1.25) получим значение входного сопротивления каскада
По
ТЗ необходимо обеспечить входное сопротивление равное
. Для реализации этого требования зашунтируем вход
каскада сопротивлением, рассчитанным по формуле [1]
2.3.5 Расчет термостабилизации
По формулам (4.1.26)-(4.1.39) и (4.1.26)-(4.2.39) рассчитаем уход
коллекторного тока, вызванный изменением температуры окружающей среды.
град/вт
град
град
В
Общий уход коллекторного тока с учётом действия схемы термостабилизации
;
Таким образом, общий уход коллекторного тока транзистора в процентах
равен
3.
Расчет регулировок усиления
.1
Расчет плавной регулировки усиления
С помощью плавной регулировки усиления требуется обеспечить ослабление на
12 дБ. Поскольку ТЗ содержит требование обеспечить входное сопротивление
усилителя 50 Ом, то можно воспользоваться схемой плавной регулировки усиления,
которая ставится на вход усилителя (рисунок 5.1.1).
Рис.3.1.1 Схема плавной регулировки усиления
В данной схеме потенциометр выберем из стандартного ряда близким к 50 Ом,
то есть Rр=47 Ом. Входное сопротивление
входного каскада во много раз больше, поэтому входное сопротивление усилителя
будет определяться только сопротивлением потенциометра Rр. Разделительный конденсатор Ср2 необходим, во-первых, чтобы
не пропустить постоянную составляющую от предыдущего устройства (которым,
например, может быть детектор), во-вторых, чтобы Rр не шунтировало по постоянному току базовый делитель, тем
самым сохраняется положение рабочей точки.
Конденсатор Ср1 ставится для того, чтобы не изменить режим источника
сигнала.
Искажения в области верхних частот будут максимальными, если движок
потенциометра находится в верхнем положении, то есть Rр1=0; Rр2=Rрег. Постоянную времени верхних
частот для этой цепи можно найти по формуле
4.
Расчет усилителя в области низких частот
Искажения в области больших времен вносят, в основном, разделительные и
блокировочные емкости. Произведем расчет этих элементов, исходя из условий ТЗ.
Теперь, когда известно количество искажающих элементов, можно найти
искажения в области нижних частот приходящиеся на один элемент, используя
формулу (3.4) и (6.1)
(6.1)
Разделительные емкости находятся из формулы [1]:
,
где
и
-
сопротивления, стоящие «слева» и «справа» от емкости.
Блокировочную емкость в цепи эмиттера можно найти из выражения
Таким образом, для входного каскада (сразу перейдем к номинальным
значениям)
Для предоконечного каскада
Для выходного каскада
5. Оценка нелинейных искажений
Для оценки нелинейных искажений найдем коэффициент гармоник оконечного
каскада. Определим коэффициент гармоник графическим способом, использую
динамические характеристики транзистора. Проходная характеристика представлена
в приложении А. Для остальных каскадов нет смысла искать его так как они
работают в малосигнальном режиме и погрешности самих построений будут очень
большие. Найдем токи гармоник, как описано в [3]:
Используя входную и выходную динамические характеристики, построим
сквозную динамическую характеристику транзистора.
ЭДС источника входного сигнала определим по следующей формуле:
(7.1)
,
Результаты
вычислений сведем в таблицу 7.1.
Таблица
7.1
|
iк, мА
|
90
|
120
|
200
|
250
|
290
|
|
iб, мА
|
2,5
|
3,75
|
4
|
5
|
7,5
|
|
Uб, В
|
1,1
|
1,15
|
1,25
|
1,3
|
1,4
|
|
ec, В
|
2,275
|
2,915
|
3,3
|
3,65
|
4,925
|
По полученным значениям построим сквозную динамическую характеристику
транзистора (рисунок 7.1).
Для количественной оценки нелинейных искажений используется коэффициент
гармоник kг, который определяется следующим
образом
(7.2)
При
активной нагрузке усилителя (а мы имеем дело именно с таким случаем) отношение
мощностей можно заменить отношением квадратов токов (напряжений), беря
амплитудные или действующие значения этих величин.
(7.3)
Рисунок
5.1 Сквозная динамическая характеристика транзистора
Для
оценки уровня нелинейных искажений ограничимся вычислением амплитуд первых
четырех гармонических составляющих, т.к. вклад остальных гармоник в нелинейные
искажения относительно мал.
Из рисунка 2.5 определим параметры необходимые для расчета:
imax=290 мА,
i1=263 мА, i0=200 мА, i2=135 мА, imin=90 мА.
Определим амплитуды токов отдельных гармонических составляющих.
(7.4)
(7.5)
(7.6)
(7.7)
Подставим
значения в формулы (7.4)-(7.7) :
,
,
,
.
Найдем
коэффициент гармоник:
6. Построение результирующей амплитудной и фазовой характеристики
Для построения амплитудной и фазовой характеристик усилителя времен
воспользуемся выражением
(8.1)
Где каждый множитель Ki(f) - это АЧХ каждого каскада с учетом
искажений на верхних частотах, например первый находится как
(8.2)
Каждый множитель Kni(f) - это АЧХ каждого искажающего
элемента, например для первого найдем как
(8.3)
Остальные находятся аналогично.
Где
каждого искажающего элемента находится в обратном
порядке нахождения емкостей, но с учетом принятого номинала. Изобразим
полученные характеристики, но для перед построением пронормирую на максимальное
значение
7. Расчет устойчивости
Т.к. для всех каскадов усилителя был использован один и тот же источник
питания, то и за наличия его внутреннего сопротивления Rип=(10-20)Ом в усилителе возникают паразитные ОС, приводящие
к самовозбуждению. Самым эффективным и достаточно простым способом уменьшения
паразитных ОС является применение развязывающих RC-фильтров, включаемых последовательно и параллельно источнику
питания. Используем параллельное включение развязывающего фильтра, т.к. в этом
случае можно запитывать все каскады от одного источника питания при
использовании всего одной RC-цепочки
(экономия элементов).[1]
Для недопущения самовозбуждения необходимо, чтобы петлевое усиление bК было меньше 0.06.
Произведем расчет для оценки устойчивости:
(9.1)
К
- коэффициент усиления УУ
К=638
(9.2)
где
Rп - сопротивление источника питания 10-20 Ом;
Rкп -
сопротивление коллектора п-каскада.
(9.3)
Xсф и Rф -
соответственно сопротивление фильтра и его конденсатора.
Rф=1800 Ом;
(9.4)
К3=(Rгúú RвхТрúú Rб1)/( Rгúú RвхТрúú Rб1+ Rб2) (9.5)3=0.06
K=0.091×0.081×0.06×638=0.028
Из
расчёта видно, что цепь получилась устойчивой bК>0.06.Следовательно необходимо увеличить
.Для того чтобы цепь была устойчива
, тогда bК=0.05.
Заключение
В
результате проделанной работы получили схему, устойчиво работающую в диапазоне
температур от +10С до +40С. Коэффициент усиления
, входное
сопротивление усилителя
, входная ёмкость
.
Обеспечивается плавная регулировка усиления на -12 дБ.
Список использованных источников
1. Красько А.С. “Проектирование
усилительных устройств” 2000 г.
2. “Транзисторы для аппаратуры
широкого применения” под редакцией Перельмана Б.Л., М, «Радио и связь» 1982 г.
3. Шарыгина
Л.И. “Сборник задач по усилительным устройствам” 2000 г.