Аналіз та розрахунок параметрів і характеристик пасивних чотириполюсників

  • Вид работы:
    Курсовая работа (т)
  • Предмет:
    Физика
  • Язык:
    Украинский
    ,
    Формат файла:
    MS Word
    107,45 Кб
  • Опубликовано:
    2015-11-24
Вы можете узнать стоимость помощи в написании студенческой работы.
Помощь в написании работы, которую точно примут!

Аналіз та розрахунок параметрів і характеристик пасивних чотириполюсників

ХАРКІВСЬКИЙ НАЦІОНАЛЬНИЙ УНІВЕРСИТЕТ РАДІОЕЛЕКТРОНІКИ

КАФЕДРА БМЕ











КУРСОВА РОБОТА

з дисципліни

«Основи теорії електричних та магнітних кіл і сигналів»

на тему:

аналіз та розрахунок параметрів і характеристик пасивних чотириполюсників








Харків, 2011

ЗМІСТ

ВСТУП

1. АНАЛІЗ СХЕМИ ТА ЗМІСТ РОЗРАХУНКОВИХ ЗАВДАНЬ

. ВИЗНАЧЕННЯ КОЕФІЦІЄНТІВ ЧОТИРИПОЛЮСНИКА

.1 Визначення коефіцієнтів у формі А методом контурних струмів

2.2 Визначення коефіцієнтів у формі А із застосуванням режимів холостого ходу та короткого замикання

2.2.1 Режим холостого ходу

.2.2 Режим короткого замикання

.3 Визначення сталих чотириполюсника за опорами холостого ходу та короткого замикання

3. ВИЗНАЧЕННЯ ПАРАМЕТРІВ СХЕМИ ЗАМІЩЕННЯ ЧОТИРИПОЛЮСНИКА

. ВИЗНАЧЕННЯ КОМПЛЕКСНОГО КОЕФІЦІЄНТА ПЕРЕДАЧІ НАПРУГИ ТА ЧАСТОТНИХ ХАРАКТЕРИСТИК ЧОТИРИПОЛЮСНИКА

4.1 Визначення комплексного коефіцієнта передачі напруги

.2 Визначення частотних характеристик чотириполюсника

5. ПРОГРАМНІ РОЗРАХУНКИ ПАРАМЕТРІВ ЧОТИРИПОЛЮСНИКА

5.1 Розрахунок А-параметрів методом контурних струмів

5.2 Розрахунок А-параметрів за опорами холостого ходу та короткого замикання

.3 Розрахунок параметрів Т-схеми заміщення чотириполюсника

5.4 Побудова частотних характеристик Т-схеми заміщення

ЗАКЛЮЧЕННЯ

СПИСОК ЛІТЕРАТУРИ

ВСТУП

Теорія чотириполюсників застосовується для визначення параметрів та характеристик різноманітних електротехнічних та електронних пристроїв, що здійснюють передачу електричної енергії та перетворення електричних сигналів.

Чотириполюсник - це електричне коло довільної конфігурації, що має дві пари зовнішніх контактів (клем): пара вхідних 1-1` для підключення джерела енергії  та пара вихідних 2-2` для підключення приймача з опором навантаження .

Для моделювання пристроїв, які можна представити чотириполюсниками, застосовують рівняння чотириполюсників та схеми заміщення.

При аналізі електричних кіл (спектральний метод) застосовується така характеристика, як комплексний коефіцієнт передачі (передатна функція).

1. АНАЛІЗ СХЕМИ ТА ЗМІСТ РОЗРАХУНКОВИХ ЗАВДАНЬ

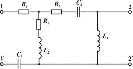
Задана схема пасивного чотириполюсника (рис.1.1).

Схема містить гілки з опорами: , , ,  , .

За варіантом задані наступні параметри елементів схеми:

,

,

,

,

   

Рисунок 1.1 - Схема пасивного чотириполюсника

Завдання полягає у розрахунку:

коефіцієнтів чотириполюсника в формі А;

параметрів Т-схеми заміщення чотириполюсника;

комплексного коефіцієнту передачі напруги. Розрахункова частина та побудова частотних характеристик виконується із застосуванням універсального програмного засобу Maple.

2. ВИЗНАЧЕННЯ КОЕФІЦІЄНТІВ ЧОТИРИПОЛЮСНИКА

Процеси в чотириполюсниках досліджують відносно вхідних контактів (полюсів) шляхом встановлення співвідношень між вхідними і вихідними напругами  та струмами . Ці співвідношення називаються рівняннями чотириполюсників. Існує кілька форм запису рівнянь чотириполюсника залежно від того, які величини подаються у явному вигляді. У роботі використовується форма А рівнянь чотириполюсника:

                                               (2.1)

Для розрахунку сталих чотириполюсника необхідно проаналізувати його електричну схему. Застосовуючи будь-який метод розрахунку, потрібно отримати співвідношення між вхідними та вихідними величинами напруг та струмів. Потім треба співставити отримані співвідношення з відповідною формою рівнянь чотириполюсника (2.1) та віднайти значення сталих чотириполюсника.

2.1 Визначення коефіцієнтів у формі А методом контурних струмів

Коефіцієнти чотириполюсника можуть бути визначені із застосуванням методу контурних струмів. Для цього потрібно скласти визначник  системи рівнянь за методом контурних струмів та відповідні алгебраїчні доповнення , , , . Так, коефіцієнти чотириполюсника у формі А можуть бути визначені за формулами

 (2.2)

Між коефіцієнтами чотириполюсника у формі А існує наступний зв'язок:

 (2.3)

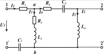
Складемо для заданого кола (див.1.1) систему рівнянь за методом контурних струмів. Оберемо незалежні контури та позначимо напрями контурних струмів (рис.2.1).

Рис.2.1 - Схема чотириполюсника у режимі холостого ходу

Складемо систему рівнянь за МКС для позначених контурів кола


Після підстановки числових значень система рівнянь (2.3) набуде виду


Визначник системи рівнянь (2.5)


Алгебраїчні доповнення

 ,

 ,

                   .

Коефіцієнти чотириполюсника визначаємо за (2.2)

Перевіримо правильність розрахунку за (2.3)


2.2 Визначення коефіцієнтів у формі А із застосуванням режимів холостого ходу та короткого замикання

струм чотириполюсник замикання напруга

Сталі чотириполюсника можуть бути визначені, якщо здійснити режим холостого ходу  та короткого замикання

 ,  ,  ,  . (2.6)

2.2.1 Режим холостого ходу

У цьому режимі (рис.2.2) між контактами 2-2` коло розірване, тому струм . Схема кола набуде спрощеного вигляду.

Рисунок 2.2 - Схема чотириполюсника у режимі холостого ходу

Рівняння чотириполюсника у формі А (2.1) в режимі холостого ходу (2.6)


Якщо задати напругу на виході чотириполюсника , то отримаємо значення двох сталих чотириполюсника

За напруги на виході  визначимо струм та напругу на вході чотириполюсника. Вхідний струм знаходимо за першим законом Кірхгофа як . Знайдемо струм  за законом Ома

.

Для обчислення  знайдемо напругу між точками a та b

 .

Тоді струм  визначається як


Вхідний струм

.

Напруга на вході чотириполюсника


За умови  отримаємо сталі  у показниковій формі

 ,  См.

2.2.2 Режим короткого замикання

У цьому режимі контакти 2-2` з’єднані накоротко, тому напруга . Елемент  буде зашунтований, тому схема кола набуде спрощеного вигляду (рис.2.3).

Рисунок 2.3 - Схема чотириполюсника у режимі короткого замикання виходу

Рівняння чотириполюсника у формі А (2.1) для режиму короткого замикання (2.7)

Якщо задати струм на виході чотириполюсника , то отримаємо значення двох сталих чотириполюсника

Відомий струм  дає можливість поетапно визначити напругу , потім струм  та, нарешті, розрахувати вхідні струм  та напругу  .

 ,

 ,

,


За умови  отримаємо сталі  у показниковій формі

Ом ,  .

Отримані значення сталих чотириполюсника збігаються з результатами розрахунку за п.2.1, отже вони є вірними.

2.3 Визначення сталих чотириполюсника за опорами холостого ходу та короткого замикання

Якщо за схемою чотириполюсника та її параметрами визначити опір при холостому ході та короткому замиканні зі сторони первинних (вхідних) контактів () та вторинних (вихідних) контактів (), то за цими величинами також можна віднайти коефіцієнти чотириполюсника.

 . (2.7)

Опір чотириполюсника зі сторони вхідних контактів 1-1` при холостому ході на виході (див.рис.2.2)


Опір чотириполюсника зі сторони вихідних контактів 2-2` при холостому ході на вході

 Ом.

Опір чотириполюсника зі сторони вихідних контактів 2-2` при короткому замиканні входу


Визначимо коефіцієнти чотириполюсника у формі А за (2.7)

,

Ом,

См,

.

3. ВИЗНАЧЕННЯ ПАРАМЕТРІВ СХЕМИ ЗАМІЩЕННЯ ЧОТИРИПОЛЮСНИКА

Пасивний чотириполюсник характеризується трьома незалежними параметрами, тому найпростіша схема його заміщення має три елементи. На рис.3.1 наведені Т-подібна схема та П-подібна схеми заміщення чотириполюсника.

Рисунок 3.1 - Схеми заміщення пасивного чотириполюсника:


Між коефіцієнтами чотириполюсника та параметрами Т-схеми заміщення існує наступний взаємний зв'язок:

 , (3.1)

параметри Т-подібної схеми заміщення, визначені за А-параметрами

 ,  ,  ,               (3.2)

Визначимо параметри (3.2) для складання Т-подібної схеми заміщення заданого чотириполюсника (див.рис.3.1а).

 Ом,

 Ом,

 Ом,

Отримані величини записані як , , .

Визначимо активні опори  Ом,  Ом,

реактивні опори  Ом,  Ом,

 Ом .

Відповідна цим даним Т-схема заміщення представлена на рис.3.2.

При  визначимо параметри реактивних елементів

 Ф,  Гн.

 Ф.

Рисунок 3.2 - Т-схема заміщення заданого чотириполюсника

4. ВИЗНАЧЕННЯ КОМПЛЕКСНОГО КОЕФІЦІЄНТА ПЕРЕДАЧІ НАПРУГИ ТА ЧАСТОТНИХ ХАРАКТЕРИСТИК ЧОТИРИПОЛЮСНИКА

4.1 Визначення комплексного коефіцієнту передачі напруги

Комплексний коефіцієнт передачі  електричного кола (ККП ) - це відношення комплексної амплітуди  (або комплексу діючого значення) вихідної величини  до комплексної амплітуди  (або комплексу діючого значення ) вхідної величини

 .                                  (4.1)

ККП є характеристикою даного кола, яка залежить від схеми та параметрів елементів цього кола, а також від вибору його вхідних та вихідних контактів.

При незмінній частоті ККП є деяким незмінним комплексним числом

, (4.2)

де  - модуль ККП; - аргумент ККП;  - дійсна частина ККП;

 - уявна частина ККП.

При зміні частоти  змінюється ККП, його модуль та аргумент, дійсна та уявна частини.

При аналізі чотириполюсника вхідними величинами можуть вважатись як напруга , так і струм , відповідно вихідними - напруга  та струм . Тому в залежності від вибору вхідних та вихідних величин для чотириполюсників слід розрізняти наступні ККП:

комплексний коефіцієнт передачі напруги (безрозмірна величина)

 ,                                          (4.3)

комплексний коефіцієнт передачі струму (безрозмірна величина)

 ,                                           (4.4)

комплексний передатний опір

 ,                             (4.5)

комплексну передатну провідність

 .                            (4.6)

Якщо задані коефіцієнти чотириполюсника та опір навантаження , підключеного до вихідних контактів чотириполюсника, ККП (4.3 - 4.6) визначаються як

 ,  ,

   ,  .              (4.7)

Якщо задана схема чотириполюсника та параметри його елементів, ККП може бути визначений наступним чином. Задаючи довільні значення комплексної амплітуди вхідної величини , визначити вихідну величину  із застосуванням закону Ома, законів Кірхгофа, відомих методів розрахунку кіл (можна навпаки за відомою  розрахувати ). Далі ККП розраховується діленням вихідної величини на вхідну (4.3 - 4.6).

Визначимо комплексний коефіцієнт передачі напруги в режимі холостого ходу (4.3) для Т-подібної схеми заміщення (рис.3.2) у вигляді

;

Визначимо граничні значення комплексного коефіцієнта передачі

при :  ,

при : .

4.2 Визначення частотних характеристик чотириполюсника

Частотні характеристики чотириполюсника визначаються як залежність його ККП від частоти. Амплітудно-частотною характеристикою (АЧХ) ККП є залежність модулю ККП від частоти . Залежність аргументу ККП від частоти  є фазочастотною характеристикою (ФЧХ) ККП чотириполюсника.

Результати розрахунку та графіки функцій та для Т-схеми заміщення чотириполюсника (див.рис.3.2) наведені у п.5.4.

5. ПРОГРАМНІ РОЗРАХУНКИ ПАРАМЕТРІВ ЧОТИРИПОЛЮСНИКА

5.1 Розрахунок А-параметрів методом контурних струмів

Задамо коефіцієнти системи рівнянь (2.5) R11, R12, R13, R21, R22, R23, R31, R32, R33 як комплексні числа у алгебраїчній формі.

Користуючись функціями Matrix та Determinant(M) пакету LinearAlgebra, складемо матрицю коефіцієнтів M та обчислимо її визначник  як DM. Для запису DM в показниковій формі визначимо його модуль abs(DM) та аргумент argument(DM).

> restart:R11:=55.;R12:=0.;R21:=0.;R13:=-(15.+30.*I);R31:=-(15.+30.*I);R22:=15.*I;R23:=-15.*I;R32:=-15.*I;R33:=35.+35.*I;R21 := 0.;

> with(LinearAlgebra)::= Matrix(3.,[[R11,R12,R13],[R21,R22,R23],[R31,R32,R33]]);

> Determinant(M);

> DM:=-3000.+39000.*I;abs(DM);argument(DM);convert(argument(DM), units, radians, degrees);


Далі за аналогічно обчислимо алгебраїчні доповнення ,  ,  , позначивши їх як DM11, DM12, DM21, DM22.

> M12:=Matrix(2.,[[R21,R23],[R31,R33]]);Determinant(M12);

> DM12:=(450.-225.*I)*(-1)^(1.+2.);abs(DM12);argument(DM12);convert(argument(DM12), units, radians, degrees);

> DM21:=DM12;

> M11:=Matrix(2.,[[R22,R23],[R32,R33]]);Determinant(M11);

> DM11:=(-300.+525.*I)*(-1)^(1.+1.);abs(DM11);argument(DM11);convert(argument(DM11), units, radians, degrees);

> M22:=Matrix(2.,[[R11,R13],[R31,R33]]);Determinant(M22);

> DM22:=(2600.+1025.*I)*(-1)^(2.+2.);abs(DM22);argument(DM22);convert(argument(DM22), units, radians, degrees);


Нарешті, користуючись (2.2), знайдемо сталі чотириполюсника , , , , позначивши їх як A11 A12 A21 A22.

> A11:=DM22/DM12;abs(A11);argument(A11);convert(argument(A11), units, radians, degrees);

> A12:=DM/DM12;abs(A12);argument(A12);convert(argument(A12), units, radians, degrees);

> A21:=(DM11*DM22-DM12*DM21)/(DM*DM12);abs(A21);argument(A21);convert(argument(A21), units, radians, degrees);

> A22:=DM11/DM12;abs(A22);argument(A22);convert(argument(A22), units, radians, degrees);


Здійснимо перевірку отриманого результату за (2.3).

> perevirka:=A11*A22-A12*A21;


5.2 Розрахунок А-параметрів за опорами холостого ходу та короткого замикання

Визначаємо комплексні опори окремих гілок заданого кола як , , , ,  та розраховуємо значення цих опорів z1...z5 за варіантом.

> z1:=40.;z2:=15.+I*30.;z3:=-I*10.+20.;z4:=I*15.;z5:=-30.*I;


Далі програмуємо формули для визначення ,  ,  (у програмі позначені як z10, z20, z2k).

> z10:=(z1+z5)+(z2*(z3+z4)/(z2+z3+z4));

> z20:=(z4*(z2+z3)/(z2+z3+z4));

> z2k:=z4*(z3+((z1+z5)*z2/(z1+z5+z2)))/(z4+(z3+((z1+z5)*z2/(z1+z5+z2))));


Нарешті обчислюємо А-параметри за (2.7), подаючи їх як у алгебраїчній, так і у показниковій формі.

> a12:=z2k*a11;abs(a12);argument(a12);convert(argument(a12), units, radians, degrees);

> a21:=a11/z10;abs(a21);argument(a21);convert(argument(a21), units, radians, degrees);

> a22:=a11*z20/z10;abs(a22);argument(a22);convert(argument(a22), units, radians, degrees);

> perevirka:=a11*a22-a12*a21;


5.3 Розрахунок параметрів Т- схеми заміщення чотириполюсника

Визначимо комплексні опори для Т-схеми ,  ,  (позначені як змінні z1T, z2T, z0T).

> z1T:=(a11-1.)/a21;

> z2T:=(a22-1.)/a21;

> z0T:=1./a21;

5.4 Побудова частотних характеристик Т-схеми заміщення

Визначимо у Т-схемі величини опорів ,  ,  як функцій частоти (див. п.4.1).

> restart;z1T:=48.6-(I/(w*0.000247));z2T:=I*w*0.068;z0T:=3.2-(I/(w*0.000330));


Комплексний коефіцієнт передачі напруги для чотириполюсника у режимі холостого ходу  можна задати як величину, зворотну до (3.1): koef_peredachi:=z0T/(z0T+z1T). Отримаємо окремі вирази для модуля abs(koef_peredachi) та аргументу argument(koef_peredachi) комплексного коефіцієнта передачі напруги, які дають можливість побудувати амплітудо-частотну та фазово-частотну характеристики (АЧХ та ФЧХ).

> koef_peredachi:=z0T/(z0T+z1T);abs(koef_peredachi);argument(koef_peredachi);


Підставимо отримані модуль та аргумент відповідно до функцій ach(w) та fch(w). Побудуємо графіки АЧХ та ФЧХ для Т-схеми заміщення у частотному діапазоні  (рис.5.1).

> ach(w):=abs((3.2-3030.303030*I/w)/(51.8-7078.886026*I/w));plot(ach(w),w=0.0...1000.,color=[black],style=[line]);fch(w):=argument((3.2-3030.303030*I/w)/(51.8-7078.886026*I/w));plot(fch(w),w=0.0...1000.,color=[black],style=[line,point]);


а

б

Рисунок 5.1 - АЧХ (а) та ФЧХ (б) Т-схеми заміщення чотириполюсника

ЗАКЛЮЧЕННЯ

У роботі проведений аналіз основних параметрів та характеристик пасивного чотириполюсника.

Здійснено розрахунок а-параметрів чотириполюсника із застосуванням методу контурних струмів, режимів холостого ходу та короткого замикання. а також за опорами холостого ходу та короткого замикання. Результати розрахунків за всіма цими методами збігаються.

Розраховані параметри Т-схеми заміщення чотириполюсника та синтезовано його схему.

Для отриманої Т-схеми чотириполюсника визначений комплексний коефіцієнт передачі напруги.

Проведені розрахунки параметрів чотириполюсника та побудовані його амплітудо-частотна та фазово-частотна характеристики за допомогою програмного засобу Maple.

СПИСОК ЛІТЕРАТУРИ

1. Г.В. Зевеке, П.А. Ионкин и др. Основы теории цепей. Учебник. - М.: Энергоатомиздат, 1989. - 528 с.

. Бессонов Л.А. Теоретические основы электротехники. Электрические цепи. - М.: Энергоатомиздат, 1988. - 426 с.

. А.И.Бых, В.А.Каховская, В.Н.Кобзев. Теория электрических и магнитных цепей. : Учеб пособие. - К.: ИСДО, 1996.- 320 с.

4. Ю.Н.Александров. Линейные электрические цепи в примерах и задачах. Учебное пособие.Ч.1,2. - К.: УМК ВО, 1994. -148 с.-164 с.

Похожие работы на - Аналіз та розрахунок параметрів і характеристик пасивних чотириполюсників

 

Не нашли материал для своей работы?
Поможем написать уникальную работу
Без плагиата!
Без нейросетей!