Спряження інтегральних ЦАП І АЦП з мікропроцесорними системами
Міністерство
освіти і науки України
Тернопільський
національний економічний університет
Факультет
комп’ютерних інформаційних технологій
Кафедра
інформаційно-обчислювальних систем та управління
КУРСОВА
РОБОТА
З
дисципліни «Компютерна схемотехніка»
на
тему:
«Спряження
інтегральних ЦАП І АЦП з мікропроцесорними системами»
Студента ІІ курсу
СКС-21 групи
Напряму підготовки
«Комп’ютерна інженерія»
Голик Іван Іванович
Керівник: к.т.л,
доцент Крачка А.Ф.
Тернопіль
- 2013 рік
ЗМІСТ
ВСТУП
Розділ1.Сучасні
аналого-цифрові перетворювачі
1.1
Дискретизація
1.2
Паралельні і послідовні АЦП
.3
АЦП
.4
Сігма -дельта АЦП
Розділ
2.Будова і робота ЦАП
Розділ3.
Структурна схема підключення АЦП і ЦАП до МПС
ВИСНОВОК
ВИКОРИСТАНА
ЛІТЕРАТУРА
ДОДАТОК
А
інтегральний дискретизація перетворювач
ВСТУП
Аналого-цифровий перетворювач (АЦП, англ.
Analog-to-digital converter, ADC) - пристрій, що перетворює вхідний аналоговий
сигнал в дискретний код (цифровий сигнал). Зворотне перетворення здійснюється
за допомогою ЦАП (цифро-аналогового перетворювача, DAC). Як правило, АЦП -
електронний пристрій, що перетворює напругу в двійковий цифровий код. Тим не
менш, деякі неелектронні пристрої з цифровим виходом, слід також відносити до
АЦП, наприклад, деякі типи перетворювачів кут-код. Найпростішим однорозрядним
двійковим АЦП є компаратор.
Компаратор (аналогових сигналів) (англ.
comparator - сравнивающее пристрій) - електронна схема, що приймає на свої
входи два аналогових сигналу і видає логічну «1», якщо сигнал на прямому вході
(«+») більше ніж на інверсному вході («? »), і логічний« 0 », якщо сигнал на
прямому вході менше ніж на інверсному вході.
Найпростіший компаратор являє собою
диференційний підсилювач. Компаратор відрізняється від лінійного операційного
підсилювача (ОУ) пристроєм і вхідного, і вихідного каскадів:
Вхідний каскад компаратора повинен витримувати
широкий діапазон вхідних напруг між інвертуючим і неінвертірующім входами, аж
до розмаху живлять напруг, і швидко відновлюватися при зміні знака цієї
напруги. У ОУ, охопленому зворотним зв'язком, це вимога некритично, оскільки
диференціальне вхідна напруга вимірюється мілівольт і мікровольт.
Вихідний каскад компаратора виконується сумісним
по рівнях і струмів з конкретним типом логічних схем (ТТЛ, ЕСЛ і т. п.).
Можливі вихідні каскади на одиночному транзисторі з відкритим колектором
(сумісність з ТТЛ і КМОП логікою).
При подачі еталонного напруги на інвертується
вхід, вхідний сигнал подається на неінвертуючий вхід і компаратор є
неінвертірующім (повторювачем, буфером). При подачі еталонного напруги на
неінвертуючий вхід, вхідний сигнал подається на інвертується вхід і компаратор
є інвертуючим (інвертором).
Дещо рідше застосовуються компаратори на основі
логічних елементів, охоплених зворотним зв'язком (див., наприклад, тригер Шмітта
- не компаратор за своєю природою, але пристрій з дуже схожою областю
застосування).
Компаратори, побудовані на двох диференціальних
підсилювачах, можна умовно розділити на двухвходового і трехвходового.
Двухвходового компаратори застосовуються в тих випадках, коли сигнал змінюється
досить швидко (не викликає брязкоту), і на виході генерують один з потенціалів,
якими запитані операційні підсилювачі (як правило - +5 В або 0).
Трехвходового компаратори мають більш широку
область застосування і володіють двома опорними потенціалами, за рахунок чого
їх вольт-амперна характеристика може являти собою прямокутну петлю гістерезису.
Приклад широко відомих компараторів: LM311
(вітчизняний аналог - КР554СА3), LM339 (вітчизняний аналог - К1401СА1). Ця
мікросхема часто зустрічається, зокрема, на системних платах ЕОМ, а так само в
системах управління ШІМ контролера в блоках перетворення напруги (наприклад в
комп'ютерних блоках живлення з системою живлення ATX). Докладніше про них можна
дізнатися з книги "Електроніка", О.В. Миловзоров, І.Г. Панков - 2004;
"Електронні прилади та підсилювачі", Ф.І. Вайсбурд, Г.А. Панаєв, Б.М.
Савельєв - 2005
1.СУЧАСНІ АНАЛОГО-ЦИФРОВІ ПЕРЕТВОРЮВАЧІ
Інтегральні аналого-цифрові перетворювачі (АЦП)
випускаються вже понад 30 років. За цей час розроблені і проводяться сотні
моделей АЦП, що відрізняються точністю, швидкодією, споживанням енергії і
ціною. При виборі конкретної мікросхеми розробник звертає увагу, насамперед на
сукупність її показників якості (параметрів).
Аналогово-цифровий перетворювач (АЦП) - один з
найважливіших електронних компонентів у вимірювальному і тестовому обладнанні.
АЦП перетворює напругу (аналоговий сигнал) в код, над яким мікропроцесор і
програмне забезпечення виконують певні дії. Навіть якщо Ви працюєте тільки з
цифровими сигналами, швидше за все Ви використовуєте АЦП у складі осцилографа,
щоб дізнатися їх аналогові характеристики.
Існує кілька основних типів архітектури АЦП,
хоча в межах кожного типу існує також безліч варіацій. Різні типи
вимірювального обладнання використовують різні типи АЦП. Наприклад, в цифровому
осцилографі використовується висока частота дискретизації, але не потрібно
високий дозвіл. У цифрових мультиметр потрібно більший дозвіл, але можна
пожертвувати швидкістю вимірювання.
Системи збору даних загального призначення за
швидкістю дискретизації і роздільної здатності зазвичай займають місце між
осцилографами і цифрові мультиметри.
В обладнанні такого типу використовуються АЦП
послідовного наближення або сигма-дельта АЦП. Існують також паралельні АЦП для
додатків, що вимагають швидкісної обробки аналогових сигналів, і інтегруючі АЦП
з високими дозволом і помехоподавленія.
На рис.1 показані можливості основних архітектур
АЦП в залежності від дозволу і частоти дискретизації.
В принципі, цілком реально здійснити
перетворення різних фізичних величин безпосередньо в цифрову форму. Однак,
процес цей досить складний і подекуди непридатний. Тому найбільш раціональним є
спочатку перетворення чогось там у функціонально пов'язані з ними електричні
сигнали, а потім за допомогою перетворювача напруга-код у цифрові. Саме останні
і розуміються, як АЦП.
Сама суть перетворення аналогових величин
полягає в поданні якоїсь безперервної функції (наприклад, напруги) від часу в
послідовність чисел, віднесених до якихось фіксованих моментів часу. Якщо
говорити простою мовою, то нехай, наприклад, є якийсь сигнал (безперервний) і
для перетворення його в цифровий необхідно цей самий сигнал представити у
вигляді послідовності певних чисел, кожне з яких відноситься до певного моменту
часу.
Для перетворення аналогового (безперервного)
сигналу в цифровий необхідно виконати три операції: дискретизація, квантування
і кодування. У багатьох розумних книжках остання операція виключається. Про це
трохи нижче. Отже, розберемо поки незрозумілі поняття.
.1 Дискретизація
Дискретизація - це подання безперервної функції
(тобто якогось сигналу) у вигляді ряду дискретних відліків. По-іншому можна
сказати, що дискретизація - це перетворення неперервної функції в безперервну
послідовність. Давайте глянемо на малюнок 1, де зображений принцип
дискретизації.
На малюнку показана найбільш поширена рівномірна
дискретизація. Спочатку мається безперервний сигнал S (t). Потім він піддається
разбиению на рівні проміжки часу Дt. Ось ці проміжки "дельта те" і є
дискретні відліки, звані періодами дискретизації. У результаті виходить
послідовність відліків (дискретних) з кроком в Дt. По суті в основі
дискретизації неперервних сигналів лежить можливість подання їх, тобто сигналів
у вигляді зважених сум деяких коефіцієнтів, позначимо їх як ai, інакше званих
отсчетами, і набору елементарних функцій, позначимо їх як fi (t), що
використовуються при відновленні сигналу за його відліками.
Період дискретизації вибирається з умови:
Дt = 1/2Fв,
де Fв - максимальна частота спектра сигналу. Це
вираз є не що інше, як теорема Котельникова, яка говорить: Будь безперервний
сигнал можна абсолютно точно відновити на виході ідеального смугового фільтра
(ПФ) з смугою Fв, якщо дискретні відліки взяті через інтервал Дt = 1 / 2Fв. А
це означає, що частота дискретизації повинна бути вдвічі більше максимальної
частоти сигналу. На практиці, наприклад, це добре ілюструє звичайний компакт
диск (КД або CD) або, як його називають, AudioCD.
КД записують з частотою дискретизації 44,1 кГц.
А це означає, що максимальна верхня частота дорівнюватиме 22 кГц, що, як
вважається, цілком достатньо для вуха людини (пам'ятаєте, частотний діапазон
для вуха людини дорівнює 20 ... 20 000 Гц). Про компакт диски буде окрема
глава.
При квантуванні шкала сигналу розбивається на
рівні. Відліки поміщаються в підготовлену сітку і перетворюються в найближчий
номер рівня квантування. Знову подивимося на малюнок:
На малюнку зображено рівномірне квантування.
Одним з основних параметрів є д - крок квантування. Відповідно, при
рівномірному квантуванні крок квантування однаковий. Отже, згідно з визначенням
запихаємо відліки в підготовлену сітку. Перший (зліва направо) відлік
знаходиться ближче до рівня 3 (рівні квантування - по вертикальній осі). Другий
- до 5-го рівня і т. п. Таким чином, замість послідовності відліків одержуємо
послідовність чисел, що відповідають рівням квантування.
При рівномірному квантуванні динамічний діапазон
виходить досить великим, а це не є гуд. Тому придумали так зване нерівномірне
квантування, при якому динамічний діапазон зменшується. Ну зрозуміло, напевно,
що крок квантування д буде різним при різних рівнях. При малих рівнях сигналу
крок невеликий, при великих він збільшується. На практиці ж нерівномірне
квантування практично не використовується. Замість цього застосовують
компресори, причому америкоси використовують м-компресори, європейці -
А-компресори (грецька буква м читається "мю").
Кодування - це зіставлення елементів сигналу з
деякою кодовою комбінацією символів. Широко використовується двійковий код.
Ну а тепер перейдемо власне до АЦП. АЦП бувають
послідовні і паралельні. Почнемо з паралельних.
1.2 Паралельні
і послідовні АЦП
Паралельні АЦП
Найчастіше в якості порогових пристроїв
паралельного АЦП використовуються інтегральні компаратори. Схема типового АЦП
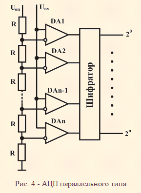
паралельного типу наведена на малюнку 4.
Досить проста схема. Число компараторів DA
вибирається з урахуванням розрядності коду. Наприклад, для двох розрядів
знадобиться три компаратора, для трьох - сім, для 4-х - 15. Опорні напруги
задаються за допомогою резистивного дільника. Вхідна напруга Uвх подається вхід
компараторів і порівнюється з набором опорних напруг, що знімаються з дільника.
На виході компаратора, де вхідна напруга більше відповідного опорного, буде
лог. 1, на інших - лот. 0. Природно, бенкет вхідній напрузі рівному 0 на
виходах компараторів будуть нулі. При максимальному вхідному напрузі на виходах
компараторів будуть лог. 1. Шифратор призначений для перетворення отриманої
групи нулів і одиниць у "нормальний" двійковий код.
Паралельний АЦП є самим швидкодіючим з усіх,
оскільки компаратори працюють одночасно. Але є досить істотний недолік. Як було
сказано вище, розрядність такого АЦП визначається числом компараторів (ну і
резіков, звичайно). При малій розрядності це ще не так хреново. А коли розрядів
10-12. Для 10-ти розрядного АЦП знадобиться 210 - 1 = 1023 штук. Ось це вже не
добре. Звідси випливає висока вартість паралельних АЦП. До речі, підбором
опорів резіков можна вибрати закон перетворення - лінійний, логарифмічний.
Послідовні АЦП
На схемі буквами і символами позначені наступні
елементи: К - компаратор, & - схема "І", ГТВ - генератор тактових
імпульсів, СТ - лічильник, # / A - ЦАП. На один вхід компаратора подається
вхідна напруга, на другий - напруга з виходу ЦАП. На початку роботи лічильник
встановлюється в нульовий стан, напруга на виході ЦАП при цьому дорівнює нулю,
а на виході компаратора встановлюється лог. 1. При подачі імпульсу дозволу
"Строб" лічильник починає рахувати імпульси від генератора тактових
імпульсів, що проходять через відкритий елемент "І". Напруга на
виході ЦАП при цьому лінійно наростає, поки не стане рівним вхідному. При цьому
компаратор перемикається в стан балка. 0 і рахунок імпульсів припиняється.
Число, що встановилось виході лічильника і є пропорційний вхідному напрузі
цифровий код. Вихідний код залишається незмінним поки триває імпульс
"Строб", після зняття якого лічильник встановлюється в нульовий стан
і процес перетворення повторюється.
Такі АЦП мають низьку швидкодію. Перевагою є
порівняльна простота побудови.
Більш швидкодіючим є АЦП послідовного
наближення, званий також АЦП з порозрядним зрівноважуванням. АЦП послідовного
наближення зображений на малюнку 6. В основі роботи таких перетворювачів лежить
принцип дихотомії - послідовного порівняння вимірюваної величини з Ѕ, ј,? і т.
п. від можливого її максимального значення.
У такому АЦП використовується спец регістр -
регістр послідовних наближень. При подачі імпульсу "Пуск" на виході
старшого розряду регістра з'являється лог. 1, а на виході ЦАП напруга U1. Якщо
це напруга менше вхідного, то в наступному за рахунком розряді регістра
записується ще лог. 1. Якщо ж вхідна напруга менше, то лог. 1 в старшому
розряді скасовується. Таким чином, методом проб перебираються всі розряди - від
старшого до молодшого. На всю операцію перетворення потрібно імпульсів ГТВ
всього в два рази більше кількості розрядів. Тобто АЦП послідовних наближень
набагато спритніше АЦП послідовного рахунку.
Послідовно-паралельні АЦП
Послідовно-паралельні АЦП - це компроміс між
паралельними і послідовними АЦП, тобто бажання отримати максимально можливе
швидкодію при мінімальних витратах і складності.
На малюнку 7 показаний для прикладу
двоступінчастий АЦП. У багатоступеневих перетворювачах процес перетворення
розділений у просторі.
1.3 АЦП
Світ, що нас оточує, є аналоговим. До аналогових
відносять процеси, що змінюються за законом безперервної функції. Так, звуки та
зображення надходять до наших органів відчуття у вигляді коливань - звукових
або електромагнітних. Ці коливання сприймаються органами відчуттів (слух, зір)
і у вигляді імпульсів передаються до мозку. Але інформація, що передається
аналоговим способом, легко викривляється у тракті передачі та потребує
величезних обсягів пам’яті при використанні в техніці. Спосіб «оцифровування»
інформації спрощує процеси передачі і обробки інформації. Оцифровування - це
процес перетворення аналогової інформації в цифрову. До цифрових відносять
процеси, що змінюються за законом дискретної функції, як правило, це двійковий
цифровий код. Техніка, яка працює з такою інформацією, називається цифровою.
Цифрова інформація легко контролюється, дає стабільну і регульовану якість
обробки і представлення процесів. Вона потребує менших ємностей для зберігання.
Отже, для світу техніки цифрова інформація підходить набагато більше, ніж
аналогова [4, 5].
Процес оцифровування аналогової інформації
проходить два основні етапи. На першому - аналогова інформація розбивається на
невеликі рівні частини.
На другому етапі кожна частина аналізується і
зашифровується спеціальними алгоритмами у коди з послідовності одиниць і нулів.
АЦП може бути побудовано на основі ЦАП,
лічильника імпульсів і компаратора. Спрощена структурна схема такого АЦП
наведена на рис. 4.4.
Цикл перетворення аналогового сигналу,
представленого як напруга Uвх, у двійковий код складається з таких операцій:
вхід пристрою - один з входів компаратора К. Сигнал з виходу компаратора
дозволяє роботу генератора імпульсів ГІ. Сигнал Пуск встановлює нульовий стан і
дозволяє роботу лічильника імпульсів ЛІ, що починає заповнюватись імпульсами
ГІ.
Рисунок 4.4 - Структурна схема АЦП
Код з виходу ЛІ подається на цифрові входи ЦАП
(входи керування ключами). У результаті з виходу ЦАП ступінчасто зростаюча
напруга надходить на другий вхід компаратора. Після досягнення цією напругою
значення Uвх компаратор забороняє роботу генератора, а на виході ЛІ маємо
прямий паралельний двійковий код, що відповідає значенню Uвх.
Реально для збільшення швидкості перетворення
застосовують більш складний алгоритм. До входів ЦАП замість лічильника
підмикається регістр пам’яті. Після пуску схема керування встановлює регістр у
стан, якому відповідає одиниця у старшому розряді і нулі в усіх інших. При
цьому на виході ЦАП формується напруга, що дорівнює половині діапазону перетворення.
Якщо вона менша за Uвх, то в старший розряд регістра записується нуль, а у
другий за старшинством - одиниця. Це відповідає напрузі на виході ЦАП, що
дорівнює половині попередньої. У разі перевищення Uвх цієї напруги одиниця
встановлюється у третьому за старшинством розряді, і вихідна напруга ЦАП
збільшується у 1,5 раза. Описана процедура повторюється до того часу, поки на
виході ЦАП не сформується напруга, що відрізняється від Uвх не більш ніж на ту,
що відповідає одиниці молодшого розряду ЦАП [6].
Перетворювачі, що працюють за таким алгоритмом,
називають АЦП послідовного наближення.
Рисунок 4.5 - ІМС АЦП К1113ПВ1
На рис. 4.5 наведено умовне позначення ІМС
функціонально закінченого (такого, що не вимагає використання допоміжних
елементів) АЦП послідовного наближення.
Він призначений для роботи з мікропроцесорними
пристроями і є сумісним з мікропроцесорами, що працюють з ТТЛ-рівнями сигналів.
Його вихідні вузли мають три стани: два логічних
(0 та 1) і третій - стан високого імпедансу - стан відімкнення, що забезпечує
просте спряження з шиною даних мікропроцесора.
Режим роботи АЦП у мікропроцесорній системі
визначається сигналами керування від мікропроцесора.
При надходженні на вхід гасіння і
перетворення Uоп
логічного
нуля АЦП починає цикл перетворення вхідної напруги Uвх у двійковий код.
Після завершення перетворення на
виході готовності даних
з’являється
сигнал логічної 1, що є запитом для мікропроцесора на прийом коду. У вихідному
стані і стані перетворення на цьому виході утримується сигнал 1. Після прийому
коду мікропроцесор подає на вхід B/C сигнал логічної 1, що встановлює АЦП у
вихідний стан, після чого він готовий до нового циклу перетворення.
Цей АЦП може обробляти вхідну
інформацію у вигляді однополярної напруги до 10,24 В або двополярної 5,12 В. У
однополярному режимі на вхід керування зсувом нуля V треба подати сигнал
логічного 0, а у двополярному - залишити його вільним. Точності перетворення
1/2 одиниці молодшого розряду цифрового коду досягають вмиканням між виводом
“аналогової землі” GA і корпусом OV резистора опором від 5 до 50 Ом
(використовують резистор змінного опору).
На кінець слід зазначити, що
елементарним пристроєм перетворення аналогової величини у дискретну є
компаратор, який фіксує факт перевищення однієї напруги іншою і може мати на
виході сигнали, що відповідають логічним 0 або 1. При цьому найбільш
швидкодіючим є побудований на основі лінійки компараторів АЦП паралельного
кодування. Напруга Uвх тут подається на перші входи усіх компараторів одразу.
На другі їхні входи подається напруга з дільника, що складається з резисторів
одного номіналу. Таким чином, значення напруги, з яким відбувається порівняння
Uвх двома сусідніми компараторами, відрізняється на напругу, що відповідає
молодшому розряду. Схема шифрування формує вихідний код, який відповідає
старшому компаратору, з тих, що спрацювали. Цей код записується у вихідний
регістр пам’яті. Але апаратні затрати цього методу надзвичайно великі. Так, для
восьмирозрядного АЦП потрібно 255 компараторів і близько
активних
компонентів (транзисторів
.4Сігма-дельта АЦП
Для проведення більшості вимірів
часто не потрібно АЦП зі швидкістю перетворення, яку дає АЦП послідовного
наближення, зате необхідна велика роздільна здатність. Сігма-дельта АЦП можуть
забезпечувати роздільну здатність до 24 розрядів, але при цьому поступаються в
швидкості перетворення. Так, в сигма-дельта АЦП при 16 розрядах можна отримати
частоту дискретизації до 100К відліків / сек, а при 24 розрядах ця частота
падає до 1К відліків / сек і менш, залежно від пристрою.
Зазвичай сигма-дельта АЦП
застосовуються в різноманітних системах збору даних і в вимірювальному
обладнанні (вимірювання тиску, температури, ваги і т.п.), коли не потрібна
висока частота дискретизації і необхідно дозвіл більше 16 розрядів.
Принцип роботи сигма-дельта АЦП
складніше для розуміння. Ця архітектура відноситься до класу інтегруючих АЦП.
Але основна особливість сигма-дельта АЦП полягає в тому, що частота проходження
вибірок, при яких власне і відбувається аналіз рівня напруги вимірюваного
сигналу, істотно перевищує частоту появи відліків на виході АЦП (частоту
дискретизації). Ця частота проходження вибірок називається частотою
передискретизації. Так, сигма-дельта АЦП зі швидкістю перетворення 100К
відліків / сек, в якому використовується частота передискретизації в 128 разів
більше, буде робити вибірку значень вхідного аналогового сигналу з частотою
12.8м відліків / сек.
Блок-схема сигма-дельта АЦП першого
порядку наведена на рис. 5. Аналоговий сигнал подається на інтегратор, виходи
якого під'єднані до компаратору, який у свою чергу приєднаний до 1-разрядному
ЦАП в петлі зворотного зв'язку. Шляхом серії послідовних ітерацій інтегратор,
компаратор, ЦАП і суматор дають потік послідовних бітів, в якому міститься
інформація про величину вхідної напруги.
Результуюча цифрова послідовність
потім подається на фільтр нижніх частот для придушення компонентів з частотами
вище частоти Котельникова (вона становить половину частоти дискретизації АЦП).
Після видалення високочастотних складових наступний вузол - деціматор -
проріджує дані. У розглянутому нами АЦП деціматор залишатиме 1 біт з кожних
отриманих 128 у вихідний цифровий послідовності.
Так як внутрішній цифровий ФНЧ в
сигма-дельта АЦП являє собою невід'ємну частину для здійснення процесу
перетворення, час встановлення ФНЧ стає чинником, який необхідно враховувати
при стрибкоподібному зміні вхідного сигналу. Наприклад, при перемиканні
вхідного мультиплексора або при перемиканні межі вимірювання приладу необхідно
почекати, поки пройдуть кілька відліків АЦП, і лише потім зчитувати коректні
вихідні дані.
Додатковим і дуже важливим гідністю
сигма-дельта АЦП є те, що всі його внутрішні вузли можуть бути виконані
інтегральним способом на площі одного кремнієвого кристала. Це помітно знижує
вартість кінцевих пристроїв і підвищує стабільність характеристик АЦП.
2 . БУДОВА І РОБОТА ЦАП
ІМС ЦАП, як правило, являють собою
резисторні матриці. Матриця може бути виконана як дільник напруги із
співвідношенням опорів, кратним
: R-2R-4R-8R-16R і т.д.
(застосовують рідко, оскільки технологічно важко забезпечити точні значення
великих опорів резисторів, що відповідають старшим розрядам). Частіше матриця
ЦАП являє собою дільник струмів із співвідношенням опорів R-2R. Також до ІМС,
як правило, входять транзисторні ключі (наприклад, на польових
К-МОН-транзисторах), що забезпечують вмикання потрібної комбінації резисторів
за сигналами двійкового коду.
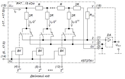
Так, ІМС К572ПА1 (виконана за
К-МОН-технологією) призначена для перетворення 10-розрядного прямого
паралельного двійкового коду на цифрових входах у струм на аналоговому виході.
Її спрощену структуру наведено на рис. 4.1. Видно, що, окрім власне резисторної
матриці R-2R, вона має ключі і вузли керування ними ВК. Вхідним аналоговим сигналом
ЦАП є опорна напруга Uоп, що визначає значення напруги, яка відповідає
молодшому двійковому розряду. Вхідний струм І0, що проходить під дією Uоп,
ділиться за двійковим законом у вузлах резисторної матриці R-2R. З рис. 4.2
можна бачити: приведені до місць перетинів А-А, В-В та С-С опори частини
резисторів, що відтинаються у напрямку стрілок, дорівнюють 2R і тому значення
струмів, які проходять через резистори 2R, зменшуються удвічі зліва направо
[6].
Рисунок 4.1 - Структура ІМС К572ПА1
Метод перетворення полягає в
підсумовуванні у відповідності до заданих значень двійкового коду усіх
розрядних струмів, зважених за двійковим законом і пропорційних значенню
опорної напруги.
Рисунок 4.2 - Резисторна матриця
R-2R
Струми віток резисторної матриці
через ключі на К-МОН-транзисторах надходять на два аналогові виходи: на той чи
інший - залежно від значень двійкових розрядів коду на відповідних цифрових
входах. Значення струмів становлять:
для першого виходу -
(4.1)
для другого виходу -
(4.2)
де Uоп - опорна напруга;екв -
еквівалентний опір резисторної матриці, що має номінальне значення 10 кОм
(фактично - від 7 до 15 кОм);
аі - пряме значення (для аі =1)
двійкового коду на і-му вході;
- інверсне значення (для аі=0)
двійкового коду на і-му вході.
Двійковий закон розподілення струмів
у вітках матриці виконується за умови однаковості потенціалів обох її виходів.
Це забезпечується підмиканням першого виходу до інвертуючого входу допоміжного
ОП, охопленого ВЗЗ, а другого - до неінвертуючого входу ОП і нульової точки
схеми (як відомо, потенціали інвертуючого і неінвертуючого входів ОП,
охопленого ВЗЗ, за умови роботи у лінійному режимі, майже однакові).
Отже, матриця R-2R підключається до
ОП, утворюючи з ним інвертуючий підсилювач з програмованим коефіцієнтом
підсилення. Його можна розглядати також як перетворювач струму, що надходить з
виходу резисторної матриці, у напругу на виході ОП. У результаті кожному
значенню двійкового коду на цифрових входах ЦАП відповідає деяке значення
напруги на виході ОП, оскільки, забезпечуючи різницю потенціалів між своїми
входами такою, що близька до нуля, ОП відводить через резистор зворотного
зв’язку RЗЗ сумарний струм, що надходить до виходу (1) ІМС. Цей струм
складається зі струмів резисторів 2R, підключених ключами до виходу (1)
відповідно до значення двійкового коду і визначається розрядами аі =1.
Слід зазначити, що при практичній
реалізації подібних пристроїв для зменшення взаємних впливів, що можуть
призводити до збоїв у роботі, так звані “цифрову землю” і “аналогову землю”
(обидві відповідають нульовому потенціалу схеми) слід виконувати у вигляді
окремих провідників.
Аналітичний вираз, що зв’язує
значення напруги на виході ОП зі значенням двійкового коду на цифрових входах
ЦАП, такий:
, (4.3)
де RЗЗ - опір резистора зворотного
зв’язку;- кількість розрядів перетворювача (у даному разі - 10), причому
старшим є розряд з індексом b.
Значення вихідної напруги в кінцевій
точці діапазону становить
, (4.4)
а найменше при усіх
= 0 -
дорівнює нулеві.
Розрахунковий приріст вихідної
напруги при зміні вхідного коду на одиницю молодшого розряду (крок квантування)
становить
. (4.5)
Реально найбільше значення вихідної
напруги при значеннях усіх розрядів двійкового коду
= 1
становить
, (4.6)
оскільки десятирозрядний ЦАП працює
з числами, що у десятковій системі числення відповідають від 0 до 1023.
Для забезпечення стабільності роботи
задають RЗЗ = R, а сам резистор RЗЗ розміщують на кристалі ІМС разом із
матрицею R-2R.
Електричну принципову схему
цифроаналогового перетворювача,виконаного на основі ІМС К572ПА1, наведено на
рис. 4.3. Якщо задати Uоп =10,24 В, то отримаємо U*вих.макс = =10,24 В, а h = 10
мВ при номінальному значенні вхідного струму матриці 1 мА (фактично - від 0,5
до 2 мА) [5].
Рисунок 4.3 - Цифроаналоговий
перетворювач на основі ІМС К572ПА1
Точнісні показники перетворювача
залежать від точності виконання співвідношень RЗЗ /R = 1 та R /2R = 0,5 для
усіх ланок матриці.
Якщо формулу (4.3) переписати,
вважаючи, що
,
,
отримаємо
,(4.7)
звідки видно, що даний ЦАП може бути
використано також як помножувач аналогової величини Uоп (що може набувати
значення від мінус 17 до +17 В) на двійкове число X.
Більш точними є ЦАП на основі методу
перерозподілу заряду. Вони будуються на основі конденсаторної матриці із
співвідношенням ємностей, кратним
.
Такий ЦАП має три етапи роботи.
На першому етапі ОП, що також
входить до його складу, працює як повторювач, а усі конденсатори матриці
підімкнуто до вхідного контакту пристрою і накопичують заряд, пропорційний
вхідній напрузі.
На другому етапі схема керування
перемикає конденсатори від входу на нульовий провідник. Тепер на вхід ОП, що
працює вже як нуль-орган, подається напруга, що дорівнює вхідній
, але з
протилежним знаком. На третьому етапі розпочинається перерозподіл заряду, коли
до джерела опорної напруги Uоп підмикається спочатку конденсатор старшого
розряду матриці. На вході нуль-органу отримуємо напругу, що дорівнює (0,5Uоп -
). Схема
керування залежно від того, змінився стан на виході нуль-органу чи ні, залишає
конденсатор у попередньому стані або знову перемикає його на нульовий
провідник. Надалі те саме робиться з іншими конденсаторами, поки напруга на вході
нуль-органу не знизиться до нуля і зміниться стан на його виході. Тоді
відношення сумарної ємності, підімкненої до нульового провідника, до ємності,
що була підімкнена до Uоп, буде еквівалентна відношенню Uвх/Uоп.
Підвищена точність ЦАП
забезпечується тим, що пристрій час від часу переводиться у режим
самоналаштування. У цьому режимі до кожного з конденсаторів матриці
підмикаються допоміжні конденсатори малої ємності до того часу, поки сумарна
ємність не стане більшою за суму ємностей конденсаторів молодших розрядів на
ємність конденсатора най молодшого розряду. При цьому точність налаштування
становить 0,25 ємності цього розряду.
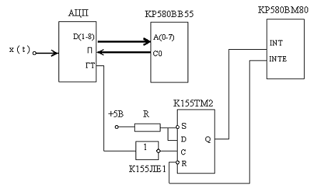
3.СТРУКТУРНА СХЕМА СПРЯЖЕНОГО ПІДКЛЮЧЕННЯ АЦП І
ЦАП ДО МПП
На аналоговий вхід АЦП подається сигнал x(t)
через резистор R , який визначає масштаб перетворення. Цифрові виходи Р (1-8)
АЦП підключені до каналу А ППІ. Виводи, що відповідають сигналам П (пуск) і ГТ
(готовність), підключені відповідно до розрядів 0 і 4 каналу С. Цифрові входи
ЦАП підключені до каналу В. На виході блоку ЦАП (з відповідними елементами)
формується аналоговий сигнал y(t). Обмін між ППІ і МП здійснюється через виводи
D (0-7), які підключені до шини даних. Канал А і старша тетрада каналу С
(розряди 4-7) ППІ повинні бути запрограмовані на ввід інформації, канал В і
молодша тетрада каналу С (розряди 0-3) - на вивід.
На схемі 8 наведено приклад фрагменту схеми
підключення АЦП до шин МПП в режимі вводу вводу інформації через переривання
при використанні команди RST N (рестарт). Запуск АЦП (сигнал П), як і в режимі
програмного опитування, здійснюється через паралельний інтерфейс КР580ВВ55
(розряд 0 каналу С). ППІ використовується в режимі 0, сигнал ГТ після
інвертування поступає на вхід синхронізації тригера К155ТМ2. Коли на вході “С”
відбувається перехід від рівня логічного 0 до рівня логічної 1, дані з входу D
(тобто логічна 1) передаються на вихід Q , який з’єднаний з виводом запиту
переривання INT мікропроцесора КР580ВМ80. Очевидно, що ця зміна стану тригера
відбувається лише тоді, коли на вході “R” (виводі INTE ) сигнал має рівень
логічної 1, тобто переривання дозволено.
Схема 8. Приклад фрагменту схеми підключення АЦП
до шин МПП.
. Вибір типу ЦАП. Цифро-аналоговий перетворювач
забезпечує перетворення вихідного цифрового коду в аналогову величину (напругу,
струм). Застосовують в основному два методи ЦАП: складання одиничних еталонних
величин або складання еталонних величин, ваги котрих відрізняються. Його основу
складають цифровий код і прецизійне джерело зразкової напруги Uзр, що
підключені до резисторної матриці. Якщо на вхід ЦАП подаємо позиційний
двійковий цифровий код dndn-1,...,d1d0, то вихідна напруга дорівнюватиме :
вих = Uзр[(R/2R) dn
+(R/4R)dn-1+...+(R/2nR)d1+(R/2n+1 R)d0].
Співвідношення значень опорів матричних
резисторів виготовлені з високою точністю для забезпечення необхідної
лінійності перетворення вхідного цифрового коду в вихідну напругу.
Класифікація ЦАП проводиться за:
способом формування вихідної напруги (складання
напруг, струмів, ділення напруг);
виду вихідного сигналу (з виходом по струму, з
виходом по напрузі);
полярності вихідної напруги (постійна, змінна).
Таблиця 3.
Основні параметри ряду мікросхем ЦАП
|
Мікросхема
|
n
|
,
мксM
|
|
|
1
|
2
|
3
|
4
|
|
К572ПА1
|
10
|
5
|
16
|
|
К572ПА2
|
12
|
15
|
48
|
|
(КР572ПА2)
|
|
|
(40)
|
|
К594ПА1
|
12
|
3,5
|
24
|
|
К1108ПА1
|
12
|
0,4
- 0,7
|
24
|
|
К1118ПА1
|
8
|
0,04
|
16
|
|
К1118ПА3
|
8
|
0,01
|
24
|
|
К1118ПА2
|
10
|
0,08
|
40
|
Так наприклад, мікросхема ЦАП К572ПА2 може
працювати в режимі 2-квадрантного (однополярний сигнал на двополярний Uоп) та
4-х квадрантного (двополярний сигнал на двополярний Uоп) формування вихідної
напруги. Наприклад, режим чотирьохквадрантного перемноження дасть наступну
залежність виходу від вхідного коду:
Таблиця 4
|
Вхідний
код ЦАП
|
Вихідна
напруга
|
|
111111111111
|
-Uоп(1-2-10)
|
|
100000000001
|
-Uоп(2-10)
|
0
|
|
011111111111
|
+Uоп(2-10)
|
|
000000000001
|
+Uоп(1-2-10)
|
|
000000000000
|
+Uоп
|
В даному підрозділі необхідно навести дані про
електричні параметри ЦАП. Приклад приведення таблиці електричні параметри
одного з ЦАП:
Таблиця 5
Основні електричні параметри ІС К1108ПА1
|
Параметр
|
Значення
|
|
Значення
вхідної напруги U0, В
|
менше
0,8
|
|
Значення
вхідної напруги U1, В
|
більше
2
|
|
Напруги
живлення Uп1 ,Uп2, В
|
+5,
-15
|
|
Зразкова
напруга Uзр, В
|
10,24
|
|
Струм
споживання Iсп, mA
|
60
|
|
Потужність
споживання Pсп, Вт
|
0,9
|
|
Абсолютна
похибка dL,%
|
±0,3
|
|
Диференційна
нелінійність dLD,%
|
±0,024
|
|
Час
встановлення tвст, мкс
|
0,4
|
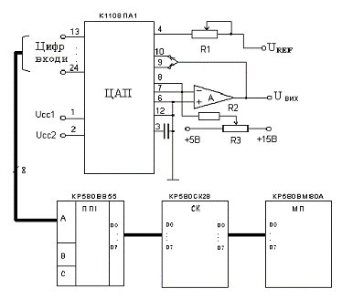
Для спряження АЦП і ЦАП з МП доцільно
використати програмований паралельний інтерфейс (ППІ) КР580ВВ55, що має режими
роботи 0 або 1 (відповідно варіанту завдання).
Приклад приведення структурної схеми спряження
підключення ЦАП до МП:
Схема 9. Структурна схема спряжене підключення
МП і ЦАП.
Структура представлення даних. Структура даних,
які входять в рівняння цифрового фільтра, визначається коефіцієнтами рівняння і
заданою розрядністю АЦП.
Нехай отримане рівняння ЦФ має вигляд: yn =
a1yn-1 +b0xn+b1xn-1 .
Вхідний сигнал є однополярним або двополярним,
розрядність АЦП дорівнює 8. Тоді, результат перетворення АЦП в залежності від
вхідного сигналу подамо у вигляді таблиць 6, та 7.
Таблиця 6
|
Вхід
|
Код
|
|
+Uxmax
|
255
|
|
+Uxmax/2
|
127
|
|
0
|
0
|
Однополярна вхідна напруга Uxn виражатиметься
через вихідний код АЦП xn за таблицею 6.= xnUxmax/28
Таблиця 7
|
Вхід
|
Код
|
|
+Uxmax
|
255
|
|
0
|
127/128
|
|
-Uxmax
|
0
|
Для двополярної вхідної напруги Uxn матимемо
залежність з вихідним кодом АЦП xn
Uxn = Uxmax(xn/27 -1).
Результат перетворення 8 - розрядного блоку ЦАП
в залежності від цифрового коду yn вихідної напруги Uyn подано у вигляді
таблиці
Таблиця 8
|
Код
|
Вихід
ЦАП
|
|
28-1
|
+Uymax
|
|
27
|
+Uymax/2
|
|
0
|
0
|
Підставимо залежності у рівняння цифрового
фільтра :
Uymax yn /28 = a1 Uymax yn-1/28 +b0
Uxmax xn/28 +b1 Uxmax xn-1/28 ,
Коефіцієнти цифрового
фільтру
при
xn, xn-1 залежать від
співвідношення
напруг
(Uymax/Uxmax ) на вході
АЦП
і
виході
ЦАП
даного
МПП.
Тому
при аналізі структури даних це необхідно враховувати або вибирати перетворювачі
з електричними параметрами (Uymax/Uxmax )=1
В даному підрозділі необхідно
проаналізувати максимальне і мінімальне можливі вихідні значення yn. Наприклад,
для рівняння ЦФ : yn = a1yn-1 +b0xn+b1xn-1, коефіцієнти
представляються
однобайтовими числами. В конкретному випадку необхідно проаналізувати їхні
значення (більші, чи менші одиниці). Для оцінки yn max приймаємо для заданої
розрядності АЦП максимальні кодові комбінації для значень yn-1, xn, xn-1 :
yn(max) =
a1yn-1(max) +b0xn(max )+b1xn-1(max).
У випадку, коли a1 , b0 , b1 <1 і
додатні(max) < 3 yn(max).
Отже, щоб оброблене пропорційне до
заданої розрядності вхідне значення в МПП відповідало реальному масштабу його
необхідно підсилити в три рази в даному конкретному випадку. Аналогічний аналіз
виконується і для оцінки мінімального вихідного значення yn min через yn-1, xn,
xn-1 , тобто для мінімальних кодових комбінацій однакової заданої розрядності n
для АЦП, ЦАП.
Розрядність кожного з добутків
a1yn-1 ,
і
не буде
перевищувати (n x nk) , де nk - розрядність коефіцієнтів a1,b0,b1- В
конкретному випадку необхідно буде визначитись з цілою частиною і дробовою.
В наведеній оцінці розрядності
і
необхідно
врахувати можливість збільшення розрядності за рахунок операцій множення і
додавання складових в рівнянні ЦФ в процесі обчислення, а також і можливе
округлення. Тільки кінцева вихідна величина
при подачі в ЦАП приводиться в межі
відведеної розрядності n. Це пов’язано з тим, що в процесі мікропроцесорної
обробки накопичуються похибки квантування АЦП, похибки округлення арифметичних
операцій, похибки трансформації та інші, які недоцільно відтворювати на виході
системи. Тобто, зсувом накопичених добутків позиції вправо до отримання n
розрядності формуються вихідні значення, що будуть подаватися в ЦАП.
Дані представляються у вигляді
таблиці, щоб краще зрозуміти їх розміщення в оперативній пам’яті. Наприклад,
для представлення величин коли a1 , b0 , b1 потрібно по nk біт, а для величини
xn, xn-1 - по n біт. Величина
займатиме (n x nk) комірок пам’яті.
Після обчислення і виведення
воно заміщує величину
,
- величину
, а значення
вводиться
від АЦП.
Одержана структура представлення
даних визначає формати виконання арифметичних операцій обчислення вихідного
значення цифрового фільтра.
ВИСНОВОК
Аналого-цифровий перетворювач (АЦП, англ.
Analog-to-digital converter, ADC) - пристрій, що перетворює вхідний аналоговий
сигнал в дискретний код (цифровий сигнал). Зворотне перетворення здійснюється
за допомогою ЦАП (цифро-аналогового перетворювача, DAC). Інтегральні
аналого-цифрові перетворювачі (АЦП) випускаються вже понад 30 років. За цей час
розроблені і проводяться сотні моделей АЦП, що відрізняються точністю,
швидкодією, споживанням енергії і ціною. При виборі конкретної мікросхеми
розробник звертає увагу, насамперед на сукупність її показників якості
(параметрів).
СПИСОК ВИКОРИСТАНОЇ ЛІТЕРАТУРИ
Алексенко
А.Г., Шагурин П.И. Микросхемотехника: Учеб. пособие для вузов. -М.: Радио и
связь, 1990, - 496 с.
Угрюмое
Е.П. Цифровая схемотехника: Учеб. пособие - СПб.: БХВ - Петербург, 2001. - 528
с.
Бабич
М.П., Жуков І.А. Комп'ютерна схемотехніка. Навч. посібник. - К.: НАУ, 2002. -
508 с.
Прикладная
теория цифровых автоматов / К.Г. Самофалов, А.М. Романкевич, В.Н’. Валуйский и
др. - К.: Вища шк., 1987. - 375 с.
Соломатин
Н.М. Логические элементы ЭВМ: Практ. пособие для вузов. - 2-е изд., перераб.
‘’’и доп. - М.: Высш. шк., 1990. - 160 с.
Схемотехника
ЭВМ: Учебник / Под ред. Г.Н. Соловьева. - М.: Высш. шк., 1985. - 391 с.’’
Нефедов
А.В. Интегральные микросхемы и их зарубежные аналоги: Справ. Т.3. - М.: КУбК-а,
1997. - 544 с.
Логические
ИС КР1533, КР1554: Справ. В 2-х частях / И.И. Петровский, А.В. Прибыльский,
А.А. Троян, В.С. Чувелев. - М.: Бином, 1993. - 496 с.
Логические
основы и схемотехника цифровых ЭВМ: Практикум. / В.И. Жабин, В.В. Ткаченко,
А.А. Зайцев, Р.Л. Антонов - К.: ВЕК+, 1999. - 128 с.
ГОСТ
2.743-91. ЕСКД. Обозначения условные графические в схемах. Элементы цифровой
техники. - Введ. 01.01.93.
ГОСТ
2.743-91. ЕСКД. Правила выполнения электрических схем цифровой вычислительной
техники. - Введ. 01.01.82.
ДОДАТОК А
