Расчет и проектирование привода к скребковому конвейеру
Министерство
сельского хозяйства и продовольствия Республики Беларусь
Учреждение
образования
«ГРОДНЕНСКИЙ
ГОСУДАРСТВЕННЫЙ АГРАРНЫЙ УНИВЕРСИТЕТ»
Кафедра
технической механики и материаловедения
Курсовой
проект
по
дисциплине «Прикладная механика»
Тема:
Расчет
и проектирование привода к скребковому конвейеру
Гродно 2015
1.
Выбор электродвигателя. Кинематический расчет привода
.1
Исходные
данные к курсовому проекту
Вариант исходных данных - 1:
Тяговая сила ленты F=3,7 кН.
Скорость подъема
=0,4 м/с.
Шаг тяговой цепи p=100 мм.
Число зубьев звездочки z = 8.
Срок службы привода - 5 лет.
Режим работы односменный.
Валы установлены на подшипниках
качения.
Рисунок 1 - Схема №89: 1 - двигатель;
2
-
поликлиноременная передача; 3 - цилиндрический редуктор; 4- тяговая цепь; 5 -
ведущая звездочка конвейера; 6 - муфта
1.2 Определение номинальной мощности
и номинальной частоты вращения двигателя
Двигатель является одним из основных
элементов машинного агрегата. От типа двигателя, его мощности, частоты вращения
и прочего зависят конструктивные и эксплуатационные характеристики машины и её
привода.
Мощность двигателя зависит от
требуемой мощности рабочей машины, а её частота вращения - от частоты вращения
приводного вала рабочей машины.
Определяем требуемую мощность
рабочей машины
[1, с. 41]
(1.1)
где F - сила (тяговая сила цепи),
F=3,7 кН;
- скорость подъема,
=0,4 м/с.
= 3,7
0,4 = 1,48 (кВт)
Определяем общий коэффициент
полезного действия (КПД) привода [1, с. 41]
где
- коэффициент полезного действия
открытой передачи, принимаем
= 0,96 [1, табл. 2.2, с.41];
- коэффициент полезного действия
закрытой передачи, принимаем
=0,96 [1, табл. 2.2, с.41];
- коэффициент полезного действия
муфты, принимаем
= 0,98 [1,
табл. 2.2, с.41];
- коэффициент полезного действия
пары подшипников качения, принимаем
= 0,99 [1, табл. 2.2, с.41].
(1.2)
Определяем требуемую мощность
двигателя
[1, с. 42]
(кВт). (1.3)
Определим номинальную мощность
двигателя
.
Значение номинальной мощности
выбираем по величине, большей, но ближайшей к требуемой мощности
[1, с.42]
(1.4)
Выбираем двигатель - асинхронный
короткозамкнутый трехфазный серии 4А общепромышленного применения с номинальной
мощностью
= 2,2 (кВт)
[1, табл. К9, с. 406].
Проверяем условие (1.4)
,2 кВт > 1,689 кВт,
условие выполняется.
Для расчета рассмотрим двигатели с
различными синхронными частотами вращения: 3000, 1500, 1000, 750 об/мин.
Синхронную и номинальную частоты вращения для выбранных электродвигателей
сведем в таблицу 1.1.
Таблица 1.1 - Синхронная и
номинальная частота вращения двигателей
|
Двигатель
|
Синхронная
частота, об/мин
|
Номинальная
частота, об/мин
|
|
4АМ80B2УЗ
|
3000
|
2850
|
|
4АМ90L4УЗ
|
1500
|
1425
|
|
4АМ100L6УЗ
|
1000
|
950
|
|
4АМ112MA8УЗ
|
750
|
700
|
1.3 Определение передаточных чисел
привода и его ступеней
Передаточное число привода u
определяется отношением номинально частоты вращения двигателя
к частоте
вращения приводного вала рабочей машины
при номинальной нагрузке и равно
произведению передаточных чисел закрытой
и открытой
передач:
Определяем частоту вращения
приводного вала рабочей машины
[1, с. 43]. Для цепного конвейера
Из формулы (1.6) имеем
(об/мин),
где
- скорость подъема,
=0,4 м/с;-
число зубьев звездочки, z=8;шаг тяговой цепи, p=100мм.
Определяем передаточное число
привода для всех рассматриваемых вариантов типа двигателя при заданной
номинальной мощности
За номинальную частоту вращения
двигателя
принимаем
соответствующие значения из таблице 1.1.

Определение и выбор передаточных чисел ступеней
производится разбивкой передаточного числа привода для всех вариантов типа
двигателя так, чтобы
,
где u,
,
-
соответственно передаточные числа привода, редуктора (закрытой передачи) и
открытой передачи.
Выбираем промежутки передаточных
чисел для передачи привода [1, табл. 2.3, с.45]:
клиноременная 2…4;
закрытая зубчатая цилиндрическая
2…7,1.
При этом передаточное число привода
будет составлять
Найденному диапазону для
передаточного числа привода соответствует 1 из 4 выбранных электродвигателей с
частотой вращения 750 об/мин.
Воспользуемся одним из способов разбивки
передаточного числа u - принимаем и оставляем постоянным передаточное число
редуктора (закрытой передачи)
= 7,1, изменяя передаточное число
открытой передачи
Оптимальным является: передаточное
число открытой передачи uо.п.=3,28 и передаточное число закрытой передачи uз.п.
=7,1.
Исходя из полученных данных, выбираем
электродвигатель 4АМ112MA8УЗ с синхронной чистотой вращения n=750 об/мин, номинальной
частотой вращения nном=700 об/мин и номинальная мощностью Рном = 2,2 кВт [1,
таб.К9, с. 406].
1.4 Определение силовых и
кинематических параметров привода
Силовые (мощность и вращающий момент) и
кинематические (частота вращения и угловая скорость) параметры привода
рассчитывают на валах при частоте вращения nном при установившемся режиме
работы.
Исходя из последовательности соединения
элементов привода по следующей кинематической схеме двигатель → открытая
передача→ закрытая передача → муфта → рабочая машина (см.
рисунок 1.1), получаем следующие формулы ( индекс 1 соответствует параметру,
относящемуся к быстроходному валу, а индекс 2- к тихоходному валу редуктора).
Определение мощностей [1,с. 46]
Рдв = 1,689 кВт;
(кВт);
(кВт);
(кВт).
Определение частот [1, с.46]ном =700
об/мин;
(об/мин);
(об/мин);рм =n2 =30,1 об/мин.
Определение угловых скоростей [1,
с.46]
(с-1);
(с-1);
(с-1).
Определение вращающих моментов [1,
с.46]
(Н
м);
(Н
м);
(Н
м);
(Н
м);
Силовые и кинематические параметры
привода сведены в таблицу 1.2.
Таблица 1.2 - Силовые кинематические
параметры привода
|
Двигатель
4АМ132М8У3: nном=700 об/мин; Рном=2,2 кВт
|
|
Параметр
|
Передача
|
Параметр
|
Вал
|
|
Закрытая
|
открытая
|
|
двигателя
|
редуктора
|
Привода
рабочей машины
|
|
|
|
|
|
быстроходный
|
тихоходный
|
|
|
Передаточное
число u
|
7,1
|
3,28
|
Расчетная
мощность Р, кВт
|
1,689
|
1,605
|
1,526
|
1,480
|
|
|
|
Угловая
скорость ω, с-1
|
73,27
|
22,34
|
3,28
|
3,28
|
|
КПД
|
0,96
|
0,96
|
Частота
вращения n, мин-1
|
700
|
213,4
|
30,1
|
30,1
|
|
|
|
Вращающий
момент Т, Н м23,0571,85484,83470,38
|
|
|
|
|
2. Расчёт открытой передачи
.1 Проектный расчет
Для передачи выбираем приводной поликлиновый
ремень.
Сечение ремня выбираем в зависимости от мощности
=
1,689 кВт, передаваемой мощности ведущим шкивом, и его частоты вращения
=
700 об/мин по номограмме[1, с. 86-87] - сечение K.
Определяем минимально допустимый диаметр
ведущего шкива
в зависимости от
выбранного ремня. Принимаем
= 40 мм [1, см.
табл. 5,4, с. 87].
Задаемся расчетным диаметром ведущего шкива
.
В целях повышения срока службы ремня выбираем ведущий шкив с диаметром
несколько
больше
[1,
см. табл. К40]. Принимаем d1= 63 мм.
Определяем диаметр ведомого шкива d2
d2=d1u(1-ε) = 63∙3,28(1
- 0,01) = 204,6 (мм), (2.1)
где u - передаточное число клиноременной
передачи, u =
= 3,28;
ε - коэффициент
скольжения, ε = 0,01…0,02 [1, см.
5.1, п. 2]; принимаем ε = 0,01.
Полученное значение d2 округляем до ближайшего
стандартного, принимаем d2=200 мм [1, см. табл. К40].
Определяем фактическое передаточное число uф и
проверяем его отклонение
от заданного u [1,
см. 5.2, п. 5]
(2.2)
(2.3)
Условие ∆u ≤ 3% выполняется.
Определяем рекомендуемое межцентровое расстояние
а [1, см. 5.2, п. 6]
а ≥0,55(d1+d2)+H=0,55(63+200) + 4=148,65,
(2.4)
где H- высота сечения клинового ремня, H = 4 мм
[1, см. табл.К31].
Принимаем а = 150 мм.
Определить расчётную длину L [1, см. 5.2, п. 7]
=
(2.5)
Округляем значение L до стандартного, принимаем
800
мм =0,8 м [1, см. табл К31].
Уточняем значение межосевого расстояния а по
стандартной длине ремня [5, c. 88]
. (2.6)
При монтаже передачи необходимо обеспечить
возможность уменьшения α на 0,01
для того, чтобы облегчить надевание ремня на шкив; для увеличения натяжения
ремней необходимо предусмотреть возможность увеличения α
на
0,025
.
Таким образом, минимальное и максимальное
значения межосевого расстояния а при монтаже передачи равны
аmin= a - 0,01
L
= 158 - 0,01 ∙ 800 =150 (мм);
(2.7)= a + 0,025
L = 158 + 0,025 ∙
800 = 178 (мм). (2.8)
Определяем угол обхвата ремнем ведущего шкива
[1,
см. 5.2, п. 9]
(2.9)
Условие
≥
120° выполняется.
Определим скорость ремня υ
[1, см.
5.2, п. 10]
(2.10)
где
-
диаметр ведущего шкива,
= 63 мм;
- частота вращения
ведущего шкива,
= 700 об/мин;
[υ] - допускаемая
скорость, для поликлиновых ремней [υ] = 40 м/с
[1, см. 5.2, п.10].
Условие
υ ≤ [υ]
выполняется так как υ
= 2,31 м/с
<[υ]
= 40 м/с.
Определить частоту пробегов ремня U[1, см. 5.2,
п.11]
=
≤ [U], (2.11)
где
-
длина ремня, L = 0,71 м.
[U] = 30
-
допускаемая частота пробегов[1, см. 5.2, п.11].
Условие≤ [U]
выполняется, так как U = 2,89
U ≤ [U]
условно выражает долговечность ремня и его соблюдение гарантирует срок службы
1000…5000 ч.
Определяем допускаемую мощность [
],
передаваемую одним поликлиновым ремнем с десятью клиньями[1, см. 5.2, п.11]
(2.12)
где
-допускаемая
приведенная мощность, передаваемая одним поликлиновым ремнем с десятью клиньями
выбирается интерполированием в зависимости от сечения ремня, его скорости v и
диаметра ведущего шкива d1; для поликлинового ремня сечения K при диаметре
ведущего шкива d1 = 63 мм и= 2,31 м/с рассчитываем
с
учетом табличных значений [1, табл. 5.5,с. 89],
- коэффициент
динамичности нагрузки и длительности работы, учитывая характер нагрузки
конвейера и односменный режим работы принимаем [1, табл. 5.2, с. 82],
=0,9;
- коэффициент угла
обхвата
на
меньшем шкиве, при угле обхвата
= 130,6° значение
коэффициента
определяем
интерполированием с учетом табличных значений [1, табл. 5.2, с. 82],
0,86
- коэффициент
влияния отношения расчетной длины ремня L к базовой
,
при расчетной длине ремня L =800 мм и базовой длине ремня
=
710 мм
[1, табл. 5.2, с. 82] отношение L/
= 800/710 = 1,13 , тогда
вычисляем линейным
интерполированием с учетом табличных значений [1, табл. 5.2, с. 82],
1,02
=1,02
Определяем требуемое количество клиновых ремней
z [1, см. 5.2, п.13]
25,6 (2.13)
Рассчитанное число клиньев z поликлинового ремня
сечения K находится в рекомендуемом диапазоне значений z =2..36 [1, см. табл
К31].
Принимаем z =26
Определяем силу предварительного натяжения ветви
поликлинового
ремня [1, см. 5.2, п.14]
где P1 - мощность на валу ведущего шкива, P1 =
1,689 кВт;- скорость ремня , v = 2,31 м/с.
Определяем окружную силу Ft, передаваемую
поликлиновым ремнем [1, см. 5.2, п.15]
(2.15)
Определяем силу натяжения ведущей ветви
[1,
см. 5.2, п.16]
Определяем силу натяжения ведомой ветви
[1,
см. 5.2, п.16]
Определяем силу давления ремня на вал
[1,
см. 5.2, п.17]
где
-
угол обхвата ремнем ведущего шкива,
2.2 Проверочный расчет
Проверяем прочность ремня по максимальным
напряжениям в сечении ведущей ветви
[1,
с.84]
=
+
+
≤
,
(2.19)
где
-
допускаемое напряжение растяжения,
поликлиновых
ремней
= 10МПа[1, см.
5.1, п.17]
Определяем напряжение растяжения
в
поликлиновом ремне [1, см. 5.1, п.17]
=
+
=
=
4,6+2,02=6,62 (МПа), (2.20)
Где А - площадь поперечного сечения ремня,
А =0,5b(2H-h)=0,5
62,4
(2
4-2,35)=176,28
,
где b - ширина ремня, b=zp=26
2,4=62,4
мм[1, см. табл. К31],шаг ремня, p=2,4 мм [1, см. табл. К31];- высота сечения
ремня, H=4 мм [1, см. табл. К31];- высота клина (ребра) с учетом закруглений,
h= 2,35 мм [1, см. табл. К31].
Определяем напряжение изгиба
в
поликлиновом ремне[1, с.84]
=
=
80
=
5,1(МПа), (2.21)
где
-
модуль продольной упругости при изгибе, для прорезиненных ремней
=
80…100 Н/
[1,
см. 5.1, п.17]; принимаем
= 80 Н/
.
Определяем напряжение от центробежных сил
[1,
с.85]
=
=
1250
=
0,0067 (МПа), (2.22)
где ρ - плотность
материала ремня,
для поликлиновых ремней ρ
= 1250..1400 кг/м3, принимаем ρ =1250 кг/м3;
υ - скорость ремня, υ
= 2,31 м/с.
Максимальные напряжения в сечении ведущей ветви
ремня равны
=
+
+
+
0,0067 = 11,73(МПа
.
Условие
≤
не выполняется, так как
=
11, 73 МПа >
= 10 МПа. Для
выполнения условия прочности принимаем число клинье z=36.
Определяем напряжение растяжения
в
поликлиновом ремне [1, см. 5.1, п.17]
=
+
=
=
4,85 (МПа), (2.20)
где А - площадь поперечного сечения ремня,
А =0,5b(2H-h)=0,5
86,4
(2
4-2,35)=244
,
где b - ширина ремня, b=zp=36
2,4=86,4
мм[1, см. табл. К31],шаг ремня, p=2,4 мм [1, см. табл. К31];- высота сечения
ремня, H=4 мм [1, см. табл. К31];- высота клина (ребра) с учетом закруглений,
h= 2,35 мм [1, см. табл. К31].
Максимальные напряжения в сечении ведущей ветви
ремня равны
=
+
+
+
0,0067 = 9,957(МПа
.
Условие
≤
выполняется, так как
=
9,957МПа <
= 10 МПа.
Результаты расчетов сведем в таблицу 2.1
Таблица 2.1 -
Параметры поликлиноременной передачи
|
Параметр
|
Значение
|
|
1
|
2
|
|
Тип
ремня
|
Поликлиноременной
|
|
Сечение
ремня
|
К
|
|
Межосевое
расстояние а, мм
|
158
|
|
Число
клиньев z
|
36
|
|
Длина
ремня L, мм
|
744
|
|
Угол
обхвата ведущего шкива , град
|
130,6
|
|
Частота
пробега ремня U, 1/с
|
2,89
|
|
Диаметр
ведущего шкива , мм
|
63
|
|
Диаметр
ведомого шкива d2,мм
|
200
|
|
Максимальное
напряжение , Н/мм²
|
9,957
|
|
Предварительное
натяжение ремня , Н
|
818
|
|
Сила
давления ремня на вал , Н
|
1399
|
3. Расчёт закрытой косозубой
зубчатой передачи
.1 Расчёт срока службы приводного
устройства
Срок службы (ресурс) привода Lh определяется по
формуле [1, с.39]=365LгtcLc=365·5·8·1=14600 (ч), (3.1)
где Lг - срок службы привода, Lг=5 лет;-
продолжительность смены, tc=8 ч;- число смен, при односменном режиме работы
Lc=1.
Из полученного значения Lh следует вычесть
примерно 10…25% часов на профилактику, текущий ремонт, нерабочие дни [1, с.29].
Находим срок службы привода, принимая время простоя машинного агрегата 20%
ресурса=14600·0,80= 11680(ч)=11,68·103(ч).
Рабочий ресурс привода принимаем Lh=11,68·103 ч.
3.2 Выбор твёрдости, термообработки
и материала зубчатых колёс
Для равномерного изнашивания зубьев и лучшей их
прирабатываемости твёрдость шестерни HB1 назначается больше твёрдости колеса
HB2 [1, c.51].
Разность средних твёрдостей рабочих поверхностей
зубьев шестерни и колеса при твёрдости материала H≤350HB в передачах с
прямыми и непрямыми зубьями составляет HB1cp-HB2cp = 20…50[1, c.54].
Выбираем материал заготовки, термообработку и
твёрдость зубчатой пары по рекомендациям[1,табл. 3.1,c.52]. Результаты выбора
представим в виде таблицы 3.1.
Таблица 3.1 - Выбор материала, термообработки и
твёрдости
|
Параметр
|
Элемент
передачи
|
|
Шестерня
|
Колесо
|
|
Материал
|
Сталь
40X
|
Сталь
40X
|
|
Термообработка
|
Улучшение
|
Улучшение
|
|
Твёрдость
|
Н
≤ 350 HB
|
Н
≤ 350 HB
|
Механические характеристики, выбранные по [1,
табл. 3.2, с.53], сведём в таблицу 3.2.
Дополнительно рассчитываем значение средних
твёрдостей
НВ 1ср = (269+302)/2 = 285,5; (3.2)
НВ2ср = (235+262)/2 = 248,5.
Проверяем разность средних твёрдостей рабочих
поверхностей зубьев шестерни и колеса
НВ1ср - НВ2ср = 285,5-248,5 = 37 ,
что соответствует рекомендуемому диапазону
20…50.
Определяем предельные значения размеров
заготовки
шестерни - диаметр Dпред=125 мм [1, табл. 3.2, с
53];
зубчатого колеса Sпред =125 мм [1, табл. 3.2, с
53].
Таблица 3.2 - Механические характеристики
материалов зубчатой передачи
|
Элемент
передачи
|
Марка
стали
|
Твёрдость
НВ
|
Предел
прочнос-ти в, МПа
|
Предел
текучести т, МПа
|
Предел
выносливости при симметричном цикле напряжений -1,
МПа
|
|
|
заготовки
|
Сред-няя
|
|
|
|
|
Шестерня
|
40X
|
269…302
|
285,5
|
900
|
750
|
410
|
|
Колесо
|
40X
|
235…262
|
248,5
|
790
|
640
|
375
|
3.3 Определение допускаемых
напряжений
3.3.1 Определение допускаемых
контактных напряжений
Допускаемые контактные напряжения
при расчетах на прочность определяются отдельно для зубьев шестерни
и колеса
[1, c.54].
Определяем коэффициент долговечности
[1, c.55]
, (3.3)
для зубьев шестерни
;
для зубьев колеса
,
где
- число циклов перемены напряжений
(для шестерни
и колеса
),
соответствующее пределу выносливости, определяются интерполированием с учётом
табличных значений [1, табл.3.3, c.55],
22,5 (млн.циклов),=22,5
(млн.циклов),
для зубчатого колеса при средней
твердости поверхности зубьев
16,3 (млн.циклов),=16,3
(млн.циклов),- число циклов перемены напряжений за весь срок службы
(наработка),
, (3.4)
для шестерни
N1 =573ω1Lh=573·22,34·11,68·103
=149,51·106 (циклов);
для зубчатого колеса
N2 =573ω2Lh = 573·3,28·11,68·103
=21,95·106 (циклов),
где ω1 - угловая
скорость вала, на котором установлена шестерня ω1= 22,34 с-1;
ω2 - угловая скорость вала, на
котором установлено колесо, ω2 = 3,28 с-1.
При условии N>NHO принимают
КНL=1[1, с.55].
Так как N1=149,51·106
>NHO1=22,5·106 и N2=21,95·106 >NHO2=16,3·106, то принимаем КНL1= КНL2=1.
Определяем допускаемые контактные
напряжения [
]НО,
соответствующее пределу контактной выносливости при числе циклов перемены
напряжений NFO [1, с.55]
(3.5)
для зубьев шестерни
[
]НО1=1,8·HВ1ср+67=1,8·285,5+67=580,9
(МПа);
для зубьев колеса
[
]НО2=1,8·НВ2ср+67=1,8·248,5+67=514,3
(МПа);
Определяем допускаемые контактные
напряжения [1, с.55]
[
]Н=KHL·[
]Н0,
(3.6)
для зубьев шестерни
[
]Н1=KHL1·[
]Н01=1·580,9=580,9
(МПа);
для зубьев колеса
[
]Н2=KHL2·[
]Н02=1·514,3=514,3
(МПа).
Цилиндрические зубчатые передачи с непрямыми
зубьями при
НВ1ср-НВ2ср=20…50 рассчитывают по меньшему
значению [
]Н из полученных
для шестерни [
]Н1 и колеса [
]Н2,
то есть по менее прочным зубьям [1, с.55] . Поэтому в качестве расчётного
значения допускаемых контактных напряжений принимаем напряжение для зубьев
колеса
[
]Н=[
]Н2=514,3
МПа.
3.3.2 Определение допустимых
напряжений изгиба
Проверочный расчёт зубчатых передач на изгиб
выполняется отдельно для зубьев шестерни и колеса по допускаемым напряжениям
изгиба [
]F1
и [
]F2
[1, с.55].
Определяем коэффициент долговечности [1, с.56]
КFL=
, (3.7)
для зубьев шестерни
КFL1=
;
для зубьев колеса
КFL2=
,
где NF0 - число циклов перемены напряжений,
соответствующее пределу выносливости, для всех сталей NF0=4·106 [1, с.56];-
число циклов перемены напряжений за весь срок службы.
При условии N > NF0 принимают КFL=1[1, с.56].
Так как N1 = 149,51·106 >NFO1 =4·106 и
N2=21,95·106 >NFO2=4·106, то принимаем КFL1 = КFL2 =1. Определяем допустимые
напряжение изгиба [
]F0,
соответствующие пределу изгибной выносливости при числе циклов перемены
напряжений NFO [1, с.56]
[
]F0 =1,03НВср ,
(3.8)
для зубьев шестерни
[
]F01=1,03НВ1ср=1,03·285,5
=294,1 МПа;
для зубьев колеса
[
]F02=1,03НВ2ср=1,03·248,5
=255,9 МПа,
Определяем допускаемые напряжения изгиба [1,
с.56]
[
]F= КFL·[
]F0,
(3.9)
для зубьев шестерни
[
]F1= КFL1·[
]F01=1·294,1=294,1
(МПа);
для зубьев колеса
[
]F2= КFL2·[
]F02=1·255,9=255,9
(МПа).
Расчёт модуля зацепления для цилиндрических
зубчатых передач с прямыми и непрямыми зубьями выполняют по меньшему значению [
]F
из полученных для шестерни [
]F1 и колеса [
]F2,
то есть по менее прочным зубьям [1, с.56]. Поэтому в качестве расчётного
значения допускаемых напряжений изгиба принимаем напряжение для зубьев колеса
[
]F=[
]F2=255,9
МПа.
3.4 Проектный расчёт косозубой
цилиндрической зубчатой передачи
Определяем главный параметр - межосевое
расстояние [1, с.61]
aw≥Ka(u+1)
, (3.10)
где Ka - вспомогательный коэффициент, для
косозубых передач Ka=43 [1, с.61];
- коэффициент ширины венца колеса,
для шестерни, расположенной симметрично относительно опор в одноступенчатых
цилиндрических редукторах,
=0,28…0,36
[1, с.61];
принимаем
;-
передаточное число закрытой передачи, u= u з.п.=7,1;
Т2 - вращающий момент на тихоходном
валу редуктора, Т2=484,83 Н
м;
[
]H - допускаемое контактное
напряжение для зубьев колеса, [
]H=514,3 МПа;
коэффициент неравномерности нагрузки
по длине зуба, для прирабатывающихся зубьев принимаем
[1, с.61].≥
43(7,1+1)
(мм).
Округляем полученное значение
межосевого расстояния aw, принимаем aw=180 мм [1,табл.13,15, с.326].
Определяем модуль зацепления т [1,
с.62],≥
=
(мм) (3.11)
где
Km - вспомогательный коэффициент, для косозубых передач Km=5,8 [1, с.62];-
делительный диаметр колеса [1, с.62],=(2awu)/(u+1)=2
180
7,1/(7,1+1)=315,56
(мм); (3.12)- ширина венца колеса [1, с.62],
b2=ψа
aw=0,28
180=50,4
(мм); (3.13)

- допускаемое напряжение изгиба
материала колеса, 
=
= =255,9МПа.
Полученное
значение модуля т округляем в большую сторону до стандартного, принимаем т =1,5
мм [1, с.62].
Определяем
угол наклона зубьев βmin
для
косозубой передачи [1, с.62]
βmin=arcsin
= arcsin
0,104=5097= 5°58'12’’. (3.14)
В
косозубых передачах угол наклона зубьев принимают β=8…160, при этом
желательно получить его меньшее значение [1, с.62], принимаем βmin=80.
Определяем
суммарное число зубьев шестерни и колеса [1, с.60]
zΣ=z1+z2=(2aw
cos βmin)/m=2·180·cos80/1,5=237,6
(3.15)
Принимаем
zΣ
=237.
Уточняем
действительную величину угла наклона зубьев β [1, с.62]
β
=arccos
=arccos
arccos
0,9975=9006872, (3.16)
Угол
наклона зубьев
=904’7’’.
Определяем
число зубьев шестерни [1, с.63]=
=
. (3.17)
Принимаем
z1=29.
Определяем
число зубьев колеса [1, с.63]
z2=
zΣ-z1 =237-29=208.
(3.18)
Принимаем
z2=208.
Определяем
фактическое передаточное число uф и проверяем его отклонение ∆u от
заданного u [1, с.63]ф=z2/z1=208/29=7,17; (3.19)
∆u=(│uф-u│/u)·100%=(│7,17-7,1│/7,17)
·100%=1%. (3.20)
Условие
∆u≤4 % выполняется.
Определяем
фактическое межосевое расстояние аw [1, с.63]
аw=(z1+z2)m/2
cosβ=(29+208)
·1,5/2·cos904'7'' =180(мм).
(3.21)
Определяем
фактические основные геометрические параметры передачи [1, с.63].
Делительный
диаметр
=
; (3.22)
для
шестерни=
=
44,1(мм);
для
колеса=
=
(мм).
Диаметр
окружности вершин зубьев
а
=d + 2m, (3.23)
для
шестерни=d1+2m=44,1 + 1,5·2=47,1(мм);
для
колеса=d2+2m=315,9 + 1,5·2=318,9 (мм).
Диаметр
окружности впадин зубьев
=
d - 2,4m, (3.24)
для
шестерни=d1-2,4m=44,1 -2,4·1,5=40,5(мм);
для
колеса=d2-2,4m=315,8 -2,4·1,5=312,3 (мм).
Ширина
зубчатого венца колеса
b2=ψa
aw=0,28·179,91=50,4(мм),
(3.25)
округляем
значение b2 до целого по таблице нормальных линейных размеров, принимаем b2=50
[1, табл. 13.15, с.326].
Ширина
зубчатого венца шестерни=b2+(2…4)=50+(2…4)=52…54 (мм), (3.26)
Принимаем
b1=54 мм [1, табл. 13.15, с.326].
3.5
Проверочный расчёт косозубой цилиндрической зубчатой передачи
Проверяем
межосевое расстояние [1, с.63]= (d1+d2) /2=44,1 + 315,9 /2=180 (мм). (3.37)
Проверяем
пригодность заготовок колёс по условию [1, с.64]
заг
≤ Dпред; (3.38)заг ≤ Sпред,
где
Dзаг - диаметр заготовки шестерни [1, с.64],заг= da1+6=47,1 + 6 = 53,1 (мм);
(3.29)заг - толщина диска заготовки колеса закрытой передачи [1, с.64],заг=
b2+4=50,4+4=54,4 (мм). (3.30)
Условие
Dзаг ≤ Dпред выполняется, так как Dзаг=53 мм < Dпред = 125мм.
Условие
Sзаг ≤ Sпред выполняется, так как Sзаг =54,4мм < Sпред = 125мм.
Проверяем
контактное напряжение [1, с.64]
н=К
≤[
]H, (3.31)
где
К - вспомогательный коэффициент, для косозубых передач К=376 [1, с.64];-
окружная сила в зацеплении [1, с.64],=2·Т2·103/d2=2·484,83·103/315,9=3070,49
(Н); (3.32)- коэффициент, учитывающий распределение нагрузки между зубьями,
зависящий от окружной скорости колёс и степени точности передачи; при окружной
скорости [1,с.64]:
v=(ω2
d2)/2·103=3,28·315,9/2·103=0,52(м/с) (3.33)
и
степени точности передачи - 9 [1,табл.4.2, с.64] для косозубых передач находим
KHa =1,12[1, с.66].
КНυ - коэффициент
динамической нагрузки, зависящий от окружной скорости и степени точности
передачи, при окружной скорости v=0,52 м/с и 9 степени точности передачи
рассчитываем КНυ
интерполированием
с учётом табличных значений [1, таб.4.3,с.65]
1
КНυ=1
н =376
(МПа).
Определяем фактическую недогрузку
передачи [1, с.65]
∆
н =(
н-[
]H) /[
]H·100%,
(3.34)
∆
н
=499,5-514,3/514,3·100% = 2,87%.
Недогрузка передачи допускается до
10%.Данное условие выполняется, так как недогрузка составляет 2,87%.
Проверяем напряжение изгиба зубьев
колеса [1, с.65]
F2=YF2Yβ
KFa KFβ KFυ ≤ [
]F2, (3.35)
где YF2 - коэффициент формы зуба
колеса, для косозубых колёс определяем интерполированием в зависимости от
эквивалентного числа зубьев колеса zv2 [1, с.66]
zv2=z2/cos3β=208/0,963=215,9 (3.36)
с учётом табличных значений
[1,табл.4.4, с.67],=3,63;
Yβ - коэффициент, учитывающий
наклон зуба, для косозубых колёс [1, с.66],
Yβ=1-(β0/1400)
=1-(9006872/1400) =0,94;
(3.37)
KFα - коэффициент,
учитывающий распределение нагрузки между зубьями, для косозубых колёс при 9
степени точности передачи KFα =1 [1, с.66];
KFβ - коэффициент
неравномерности нагрузки по длине зуба, для прирабатывающих зубьев принимаем KFβ=1[1, с.66];
KFυ - коэффициент
динамической нагрузки, зависящий от окружной скорости колёс и степени точности
передачи, при окружной скорости v=0,52 м/с и 9 степени точности передачи
рассчитываем KFυ
интерполированием
с учётом табличных значений [1, таб.4.3,с.65]
1,08
KFυ =1,08.
F2=YF2Yβ
KFa KFβ
KFυ;
F2=
3,63·0,94·(3070,49/50·1,5)·1·1·1,08=150,9 (МПа).
Условие
F2 ≤[
]F2,
выполняется, так как
F2 =150,9
МПа< [
]F2=255,9
МПа.
Проверяем напряжение изгиба зубьев
шестерни [1, с.65]
F1=
F2
≤ [
]F1 (3.38)
где YF1 - коэффициент формы зуба
шестерни, для косозубых колёс определяем интерполированием в зависимости от
эквивалентного числа зубьев шестерни zv1,
zv1=z1/cos3β=29/0,963=30,1 (3.39)
с учётом табличных значений
[1,табл.4.4, с.67],=3,79
F1=
F2
=
(МПа).
Условие
F1 ≤ [
]F1,
выполняется, так как
F1 =158 МПа≤
[
]F1=294,1
МПа.
Значительная недогрузка при проверке
напряжений изгиба зубьев шестерни и колеса допустима, так как нагрузочная
способность большинства зубчатых передач ограничивается контактной
прочностью[1, с.67].
Результаты расчётов сведём в таблицу
3.3.
Таблица 3.3 - Параметры зубчатой
цилиндрической передачи
|
Проектный
расчёт
|
|
Параметр
|
Значение
|
Параметр
|
Значение
|
|
Межосевое
расстояние aw, мм
|
180
|
Угол
наклона зубьев β
|
904’7’’
|
|
Модуль
зацепления m, мм
|
1,5
|
Диаметр
делительной окружности, мм: шестерни d1 колеса d2
|
44,1
315,9
|
|
Ширина
зубчатого венца, мм: шестерни b1 колеса b2
|
54
50
|
Диаметр
окружности вершин, мм: шестерниda1 колеса da2
|
47,1
318,9
|
|
Число
зубьев: шестерни z1 колеса z2
|
29
208
|
Диаметр
окружности впадин, мм: шестерниdf1 колеса df2
|
40,5
312,3
|
|
Вид
зубьев
|
косые
|
|
|
|
Проверочный
расчёт
|
|
Параметр
|
Допускаемые
значения
|
Расчётные
значения
|
Примечания
|
|
Контактные
напряжения н, МПа
|
514,3
|
499,56
|
Недогрузка
2,87%
|
|
Напряжения
изгиба, МПа
|
F1
|
294,1
|
158
|
Недогрузка
46,3%
|
|
F2
|
255,9
|
150,9
|
Недогрузка
41%
|
|
|
|
|
|
|
4. Предварительные расчет валов
редуктора и выбор подшипников
.1 Предварительный расчёт валов
.1.1 Выбор материала валов
Для выполнения валов в проектируемом редукторе
выбираем термически обработанную легированную сталь 40Х [1, с.110].
Механические характеристики выбранного материала
для изготовления валов сведем в таблицу 4.1.
Таблица 4.1 - Механические характеристики
материала валов
|
Марка
стали
|
Предел
прочности , МПаПредел
текучести , МПаПредел
выносливости при симметричном цикле напряжений  , МПа
|
|
|
|
40Х
|
900
|
750
|
410
|
4.1.2 Выбор допускаемых напряжений
на кручение
Проектные расчет валов выполняется по
напряжениям кручения (как при чистом кручении), то есть при этом не учитывают
напряжение изгиба, концентрации напряжений и переменность напряжений во времени
(цикл напряжений). Поэтому для компенсации приближенности этого метода расчета
допускаемые напряжения на кручение применяют заниженными:
=10...20
Н/мм2 . При этом меньшие значения
-
для быстроходных валов, большие
- для тихоходных
[1, с.110].
Для быстроходного вала принимаем
=
14 Н/мм2, для тихоходного -
= 20 Н/мм2 [1,
с.110].
4.1.3 Определение геометрических
параметров ступеней валов
Определяем размеры ступеней быстроходного вала
[1, с.108].
Первая ступень вала под элемент открытой
передачи.
Диаметр
ступени
=
=
=29,5 (мм),
(4.1)
где
МК - крутящий момент, равный вращающему моменту на быстроходном валу,
МК=Т1=71,85 Н·м;
[τ]к -
допускаемые напряжения на кручение, [τ]к=14 Н/мм2.
Принимаем
d1=30 мм.
Длина
ступени под шкив=(0,8…1,5) ·d1=(1,2…1,5) ·30=36…45 (мм). (4.3)
Предварительно
принимаем l1=40 мм.
Вторая
ступень вала под уплотнение крышки с отверстием и подшипник.
Диаметр
ступени=d1+2t=30+2·2,2=34,4 (мм), (4.4)
где
t - высота буртика, t=2,2 мм.
Принимаем
d2= 35 мм.
Длина
ступени
1,5d2=1,5·35=52,5
(мм). (4.5)
Предварительно
принимаем l2=50 мм.
Третья
ступень вала под шестерню.
Диаметр
ступени=d2+3,2r=35+3,2·2,5=43 (мм), (4.6)
где
r- координата фаски подшипника, r=2,5 мм.
Принимаем
d3=40 мм.
Длина
ступениl3 будет определена графически на эскизной компоновке.
Сравнивая
полученный диаметр вала
мм с
рассчитанным ранее диаметром окружности впадин шестерни
мм
принимаем решение о выполнении шестерни заодно с валом, т. е. вала- шестерни
(рисунок 4.1).
Четвёртая
ступень вала под подшипник.
Диаметр
ступени
=d2=35 мм.
Длина
ступени l4 будет равна ширине внутреннего кольца выбранного подшипника (l4=B -
для шариковых подшипников, l4=T - для роликовых конических подшипников).
Рисунок
4.1 - Типовая конструкция вала - шестерни
Определяем
размеры ступеней тихоходного вала [1, с.108].
Первая
ступень вала под элемент полумуфта.
Диаметр
ступени=
=
=49,5 (мм),
(4.7)
где
Мк- крутящий момент, равный вращающему моменту на тихоходном валу,
Мк=Т2=484,83Н·м;
[τ]к -
допускаемые напряжения на кручение, [τ]к=20Н/мм2.
Принимаем
d1=50 мм.
Длина
ступени под полумуфту=(1,0…1,5) ·d1=(1,0…1,5) ·50=50…75 (мм). (4.8)
Предварительно
принимаем l1=60 мм.
Вторая
ступень вала под уплотнение крышки с отверстием и подшипник.
Диаметр
ступени=d1+2t=50+2·2,8=55,6 (мм), (4.9)
где
t - высота буртика, t=2,8мм.
Принимаем
d2= 55 мм.
Длина
ступени=1,5d2=1,5·55=82,5 (мм). (4.10)
Предварительно
принимаем l2=80 мм.
Третья
ступень вала под шестерню.
Диаметр
ступени=d2+3,2r=55+3,2·3=64,6 (мм), (4.11)
где
r- координата фаски подшипника,r=3 мм.
Принимаем
d3=65 мм.
Длина
ступени l3 будет определена графически на эскизной компоновке.
Четвёртая
ступень вала под подшипник.
Диаметр
ступени=d2=55 мм,
Длина
ступени l4 будет равна ширине внутреннего кольца выбранного подшипника (l4=B -
для шариковых подшипников, l4=T - для роликовых конических подшипников).
Пятая
упорная ступень вала.
Диаметр
ступени
(мм), (4.12)
где
f - ориентировочная величина фаски ступицы, f=2 мм.
Принимаем
Длина
ступени l5 будет определена графически на эскизной компоновке.
Типовая
конструкция тихоходного вала одноступенчатого редуктора показана на рисунке
4.2.
Рисунок 4.2 - Типовая конструкция тихоходного
вала
4.2 Предварительный выбор
подшипников
Выбор наиболее рационального типа подшипника для
данных условий работы редуктора весьма сложен и зависит от целого ряда
факторов: передаваемой мощности редуктора, типа передачи, соотношения сил в
зацеплении, частоты вращения внутреннего кольца подшипника, требуемого срока
службы, приемлемой стоимости, схемы установки.
Выполняем предварительный выбор подшипников для
быстроходного редуктора [1,Табл.К27, с.433].
Выбираем радиальные шариковые однорядные
подшипники легкой серии при схеме установки 3 враспор.
По величине диаметра d=35 мм внутреннего кольца,
равного диаметру второй d2 и четвертой d4 ступеней вала под подшипники,
выбираем типоразмер подшипников - 207 ( рисунок 4.3).
Основные параметры подшипников [1,Табл.К27,
с.432]: геометрические размеры - d ( диаметр внутреннего кольца), D ( диаметр
наружного кольца), В ( ширина шарикоподшипников); динамическую Cr и статическую
Cro грузоподъемности сведем в таблицу 4.2.
Выполняем предварительный выбор подшипников для
тихоходного вала редуктора [1,Табл.К27, с.433].
Выбираем радиальные шариковые однорядные
подшипники легкой серии при схеме установки 3 враспор.
По величине диаметра d =55 мм внутреннего
кольца, равного диаметру второй d2 и четвертой d4 ступеней вала под подшипники,
выбираем типоразмер подшипников -211.
Основные параметры подшипников [1,Табл.К27,
с.432]: геометрические размеры - d ( диаметр внутреннего кольца), D ( диаметр
наружного кольца), В ( ширина шарикоподшипников); динамическую Cr и статическую
Croгрузоподъемности сведем в таблицу 4.2.
Рисунок 4.3 - Подшипник радиальный шариковый однорядный
Таблица 4.2 - Параметры радиально шариковых
однорядных подшипников
|
Обозначение
|
Размеры,
мм
|
Грузоподъемность,
кН
|
|
d
|
D
|
B
|
r
|
Cr
|
C0r
|
|
207
|
35
|
72
|
17
|
2
|
25,5
|
13,7
|
|
211
|
55
|
100
|
21
|
2,5
|
43,6
|
25,0
|
5. Конструирование зубчатых колес
.1 Конструктивные размеры шестерни
Шестерня выполняется заодно с валом, таким
образом необходимые геометрические размеры для вала - шестерни были определены
ранее.
Основные геометрические размеры шестерни были
определены при проектировании закрытой зубчатой передачи:
делительный
диаметр= 44,1 мм;
диаметр
окружности вершины зубьев= 47,1 мм;
диаметр
окружности впадин зубьев= 40,5 мм;
ширина
зубчатого венца= 51 мм.
Соответствующие
диаметры ступеней вала - шестерни принимаем по результатам расчет
геометрических параметров ступеней быстроходного вала.
На
торцах зубьев выполняем фаски размером [1,табл.10.2,с.175]= (0,6…0,7)m =
(0,6…0,7)
1,5 =
0,9…1,05 (мм). (5.1)
Округляем
полученное значение до стандартного, принимаем f=1,6мм [1,табл.10.1,с.174].
Угол
фаски для прямозубых колес αф = 450 [1,табл.10.2,с.175].
5.2
Конструктивные размеры зубчатого колеса
Основные
размеры зубчатого колеса были определены в проектном расчете:
делительный
диаметр= 315,9 мм;
диаметр
окружности вершины зубьев= 318,9 мм;
диаметр
окружности впадин зубьев=312,3 мм;
ширина
зубчатого венца колеса= 50 мм.
Дальнейшее
конструирование состоит в разработке его конфигурации [1,табл.10.3,с.176].
Зубчатое
колесо выполняем плоской формы с симметричным относительно обода расположением
ступицы. Учитывая диаметр da2 = =236,6 мм в качестве способа изготовления
заготовки для зубчатого колеса выбираем ковку (da2 = 100…500 мм). Выбранная
конструкция показана на рисунке 5.1.
Рисунок
5.1 - Типовая конструкция зубчатого колеса с симметричным относительно обода
расположением ступицы
Определяем
параметры основных конструктивных элементов зубчатого колеса
[1,табл.10.3,с.176].
)Размеры
обода.
Толщина
= 2,2m + 0,05b2 = 2,2
1,25 + 0,05
50 = 5,8
(мм). (5.2)
Принимаем
S = 6 мм.
На
торцах зубьев выполняем фаски размером [1,табл.10.2,с.175]= (0,6…0,7)m
=(0,6…0,7)
1,25 =
0,9…1,05 (мм). (5.3)
Округляем
полученное значение размера фаски до стандартного, принимаем f = 3 мм
[1,табл.10.1,с.174].
Угол
фаски для прямозубых колес aф = 45
[1,табл.10.2,с.175].
)
Размер ступицы.
Диаметр
внутренний (под вал)= d3 = 65 мм.
Диаметр
наружный (при шпоночном соединении и посадке с натягом)= 1,55d = 1,55
65 = 100,75
(мм). (5.4)
Округляем
полученное значение диаметра до стандартного, принимаем= 100 мм.
На
ступице колеса выполняем фаску 3 × 45°
[1,Табл.10.2,с.175].
Толщина
=0,3
d = 0,3
65
=19,5(мм). (5.5)
Округляем
размер стандартного, принимаем δст = 20 мм.
Длинаст
= (1,0...1,5) d = (1,0...1,5)
65 = 65…97,5 (мм). (5.6)
Принимаем
lст = 65 мм.
)
Размеры диска.
Толщина
С
= 0,5 ∙
(S + δст)
= 0,5
(6+20) = 13
(мм). (5.7)
При
этом должно выполняться условие≥ 0,25b2 = 0,25
50 = 12,5
(мм). (5.8)
Радиусы
закруглений R ≥ 6 мм, принимаем R = 6 мм.
Уклон
γ
≥
7°
Принимаем
С=12 мм.
6.
Конструирование корпуса редуктора
В
корпусе редуктора размещаются детали зубчатой передачи. При его конструировании
должны быть обеспечены прочность и жесткость, исключающие перекосы валов.
Для
повышения жесткости служат ребра, располагаемые у приливов под подшипники.
Корпус выполняем разъемным, состоящим из основания (картера) и крышки.
Плоскость разъема проходит через оси валов.
Материал
корпуса - СЧ 15.
Толщина
стенки корпуса одноступенчатого цилиндрического редуктора
δ
= 0,025а
+ 1 = 0,025
180 + 1 =
5,5 (мм). (6.1)
Во
всех случаях δ
≥
8 мм, поэтому принимаем δ
= 8 мм.
Толщина
стенки крышки одноступенчатого цилиндрического редуктора
δ1
= 0,02а
+ 1 = 0,02
180 + 1 =
4,6 (мм). (6.2)
Во
всех случаях δ1
≥
8 мм, поэтому принимаем δ1
= 8 мм.
Толщина
верхнего пояса (фланца) крышки корпуса
b
=1,5δ = 1,5
8 = 12
(мм). (6.3)
Толщина
нижнего пояса (фланца) крышки корпуса
b1
=1,5δ1 = 1,5 ∙
8 = 12 (мм). (6.4)
Толщина
нижнего пояса корпуса:
без
бобышки= 2,35δ = 2,35 ∙
8 = 18,8 (мм); (6.5)
при
наличии бобышки
=1,5δ = 1,5 ∙
8 = 12 (мм); (6.6)= (2,25...2,75)δ = (2,25...2,75) ∙ 8 =
18…22 (мм). (6.7)
Принимаем
p = 20 мм, p1 = 12 мм, p2 = 20 мм.
Толщина
ребер основания корпуса= (0,85...1)δ = (0,85...1) ∙ 8 =
6,8…8 (мм). (6.8)
Принимаем
m = 8 мм.
Толщина
ребер крышки= (0,85...1)δ1 =
(0,85...1) ∙ 8 = 6,8…8 (мм). (6.9)
Принимаем
m1 = 8 мм.
Диаметр
фундаментных болтов= (0,03...0,036)а + 12 = (0,03...0,036)
180 + 12 =
17,7…18,48 (мм). (6.10)
Принимаем
для фундаментных болтов резьбу М16.
Диаметр
болтов:
у
подшипников= (0,7...0,75)d1 = (0,7...0,75) ∙ 16 = 11,2…12 (мм); (6.11)
соединяющих
основание корпуса с крышкой= (0,5...0,6)d1 = (0,5…0,6)
16 =
8…9,6(мм). (6.12)
Принимаем
для болтов у подшипников (d2) резьбу М12 , соединяющих и основание корпуса с
крышкой (d3) - М8.
Для
крепления крышки подшипника принимаем 4 винта (d4) с резьбой М8.
Размеры,
определяющие положение болтов d2≈ (1...1,2)d2 = (1...1,2) ∙ 12 =
12…14,4 (мм); (6.13)≥ 0,5d2 + d4 = 0,5 ∙ 12 + 8 = 14 (мм). (6.14)
Принимаем
e ≈ 12 мм, q = 14 мм.
Диаметр
отверстия в гнезде под подшипник Dп принимаем по наружному диаметру подшипника:
для быстроходного вала Dп = 72 мм, для тихоходного вала Dп = 100 мм.
Диаметр
гнезда под подшипник на быстроходном валук = D2 + (2...5) = 105 + (2...5) =
107…110 (мм), (6.15)
где
D2 - диаметр фланца крышки подшипника,
= Dn + (4...4,5)d4 = 72 + (4...4,5) ∙ 8 = 104…108 (мм), (6.16)
принимаем
D2 = 105 мм.
Принимаем
диаметр гнезда под подшипник на быстроходном валук = 110 мм.
Диаметр
гнезда под подшипник на тихоходном валук = D2 + (2...5) = 135 + (2...5) =
137…140 (мм),
где
D2 - диаметр фланца крышки подшипника,= Dn + (4...4,5)d4 = 100 + (4...4,5) ∙
8 = 132…136 (мм),
принимаем
D2 = 135 мм.
Принимаем
диаметр гнезда под подшипник на тихоходном валу Dк = 140 мм.
Длина
гнезда под подшипник
l*
= δ + c2 + Rб
+ (3…5) = 8 + 18 + 14 + (3…5) = 43…45 (мм), (6.17)
где
с2 - размер, определяющий положение центра отверстия под болт у подшипника, с2
= 18 мм;б - радиус закругления у бобышки,б ≥ 1,1d2 = 1,1 ∙ 12 =
13,2 (мм), (6.18)
принимаем
Rб = 14 мм.
Определяем
размеры конических штифтов, используемых для фиксации
основания
корпуса и крышки редуктора относительно друг друга.
Диаметр
штифташ ≈ d3 = 8 мм.
Длина
штифташ = b + b1 + 5 = 12 + 12 + 5 = 29 (мм). (6.19)
Округляем
значение длины штифта до стандартного, принимаемш = 30 мм.
Наименьший
зазор между наружной поверхностью колеса и стенкой корпуса:
по
диаметру
≈
(1...1,2) δ = (1...1,2) ∙ 8 = 8…9,6 (мм), (6.20)
принимаем
А = 8 мм;
от
торца колеса (ступицы)≈ A = 8 мм. (6.21)
7. Эскизная компоновка редуктора
Эскизная компоновка устанавливает положение
колес редукторной пары, элемента открытой передачи и муфты относительно опор
(подшипников); определяет расстояние lБ и lТ между точками приложения реакций
подшипников быстроходного и тихоходного валов, а также точки приложения силы
давления элемента открытой передачи и муфты на расстоянии lоп и lм от реакции
смежного подшипника.
Эскизную компоновку редуктора выполняем согласно
рекомендациям [1,с.112-121] и [2,с.301-303,307-310] в следующей
последовательности.
. Намечаем расположение проекций компоновки в
соответствии с кинематической схемой привода наибольшими размерами колес.
Принимаем решение о выполнении компоновочного
чертежа в одной проекции - разрез по осям валов при снятой крышке редуктора.
. Проводим оси проекций и осевые линии валов.
Начинаем с изображения
горизонтальной осевой линии. Далее вертикально проводим (в цилиндрическом
редукторе - параллельно) на межосевом расстоянии
= 180 мм друг от друга две линии -
оси валов.
. Вычерчиваем редукторную пару
(шестерню и колесо) в соответствии с геометрическими параметрами, полученными в
результате проектного расчета закрытой зубчатой передачи и раздела по
конструированию зубчатых колес.
. Очерчиваем внутреннюю стенку
корпуса.
Для предотвращения задевания
поверхностей вращающихся колес за внутренние стенки корпуса контур стенок
проводим с соответствующими зазорами:
а) принимаем зазор между торцом
шестерни (при наличии ступицы зазор берем от торца ступицы) и внутренней
стенкой А1 = 8 мм;
б) принимаем зазор от окружности
вершин зубьев колеса до внутренней стенки корпуса А = 8 мм;
в) принимаем расстояние между
наружным кольцом подшипника ведущего вала и внутренней стенкой корпуса А = 8 мм
(если диаметр окружности вершин зубьев шестерни da1 больше наружного диаметра
подшипника D, то расстояние А берем от шестерни);
г) принимаем расстояние у = 32 мм
между дном корпуса и поверхностью колес, так как для редукторов всех типов у≥4А
=
(мм).
Действительный контур корпуса
редуктора зависит от его кинематической схемы, размеров деталей передач,
способа транспортировки, смазки и т. п. и определяется при разработке
конструктивной компоновки.
. Вычерчиваем ступени быстроходного
и тихоходного валов на соответствующих осях по размерам диаметров d и длины l,
полученных при предварительном расчете валов.
Для цилиндрического редуктора
ступени валов вычерчиваем в последовательности от 3-й к 1-й. При этом длина 3-й
ступени l3 получается конструктивно, как расстояние между противоположными
стенками редуктора.
. На 2-й и 4-й ступенях изображаем
контуры подшипников по размерам d, D, B (T, c) в соответствии со схемой их установки.
Контуры подшипников вычерчиваем основными линиями, диагонали - тонкими.
. Определяем расстояние lБ и lТ
между точками приложения реакций подшипников быстроходного и тихоходного валов.
Радиальную реакцию подшипника R
считаем приложенной в точке пересечения нормали к середине поверхности контакта
наружного кольца и тела качения подшипника с осью вала.
Для радиальных подшипников точка
приложения реакции лежит в средней плоскости подшипника (рисунок 7.1), а
расстояние между реакциями опор вала
= L - B, (7.1)
где В - ширина подшипника;- расстояние между
противоположными торцами подшипников вала (определяется графически по
компоновке).
Рисунок 7.1 - Тихоходный вал цилиндрического
редуктора на радиальных подшипниках, установленных в распор
Определяем расстояние между реакциями опор
быстроходного валаБ =LБ -B = 115 - 17=98 (мм),
где В - ширина подшипника, В = 17 мм;Б -
расстояние между противоположными торцами подшипников быстроходного вала, LБ =
115 мм.
Определяем расстояние между реакциями опор
тихоходного валаТ =LТ -B = 123 - 21= 102 (мм),
где В - ширина подшипника, В = 21,01 мм;Т -
расстояние между противоположными торцами подшипников тихоходного вала, LТ =
123 мм.
. Определяем точки приложения консольных сил:
а) для открытой ременной передачи силу давления
передачи Fоп принимаем приложенной к середине выходного конца вала на
расстояние lоп от точки приложения реакции смежного подшипника,оп = 81,5 мм;
б) сила давления муфты Fм приложена между
полумуфтами, поэтому принимаем, что в полумуфте точка силы Fм находится в
торцевой плоскости выходного конца соответствующего вала на расстояние lм от
точки приложения реакций смежного подшипника,м = 121,5 мм.
При определении размеров lоп и lм необходимо
учитывать размеры рассчитанных при конструировании корпуса редуктора длин гнезд
под подшипники, толщину крышек подшипников и способ их установки в редукторе.
Указанные параметры предварительно определяем по рекомендациям
[2,с.303,308-310] и [3,с.152-178].
. Определяем на эскизной компоновке необходимые
размеры. Полученные результаты сводим в таблицу 7.1.
Таблица 7.1 - Параметры ступеней валов
|
Вал
|
Размеры
ступеней, мм
|
|
d1
|
d2
|
d3
|
d4
|
d5
|
|
l1
|
l2
|
l3
|
l4
|
l5
|
|
Быстроходный
|
30
|
35
|
40
|
35
|
-
|
|
40
|
50
|
81
|
17
|
-
|
|
Тихоходный
|
50
|
55
|
65
|
55
|
70
|
|
60
|
80
|
73
|
21
|
8
|
Рисунок 7.2 - Компоновка редуктора
8. Нагрузка валов редуктора
.1 Определение сил в зацепление
закрытой передачи
Редукторные валы испытывают два вида деформации
- изгиб и кручение. Деформация кручения на валах возникает под действием
вращающих моментов, приложенных со стороны двигателя и рабочей машины.
Деформация изгиба валов вызывается силами в зубчатом зацеплении закрытой
передачи и консольными силами со стороны открытых передачи и муфт [1, с. 99]. В
проектируемом приводе конструируется цилиндрический косозубый редуктор. Схема
сил в зацеплении цилиндрической передачи показана на рисунке 8.1. За точку
приложения сил принимают точку зацепления в средней плоскости колеса [1, рис.
6.1, с. 102].
Рис. 8.1
Определяем значение сил в зацеплении
цилиндрической косозубой передачи [1, табл. 6.1, с. 100].
Окружная сила:
на колесе=
=
=3069,5
(Н), (8.1)
на шестерне=Ft2=3069,5 (Н). (8.2)
Радиальная сила:
на колесе=Ft2
=3069,5·
=1520,1
·
=1160,2
(Н), (8.3)
где α - угол
зацепления, принимаем α=200;
на шестерне=Fr2=1160,2 (Н). (8.4)
Осевая сила:
на колесеа2=Ft2
tgβ=3069,5·tg9,068720=3069,5·0,1596=489,9
(Н), (8.5)
на шестернеа1=Fа2=489,9 (Н). (8.6)
8.2 Определение консольных сил
В проектируемом приводе конструируется открытая
ременная передача, определяющая консольную нагрузку на выходной конец вала.
Кроме того, консольная нагрузка вызывается муфтой, соединяющей редуктор с
рабочей машиной.
Определяем направление консольных сил на
выходных концах валов со стороны передачи гибкой связью и муфты [1, с. 108].
а) консольная сила от ременной передачи Fоп
перпендикулярна оси вала и в соответствии с положением передачи в
кинематической схеме привода направлена.
б) консольная сила от муфты Fм перпендикулярна
оси вала; в связи с тем, что направление силы Fм в отношение окружной силы Ft
зависит от случайных неточностей монтажа муфты, принимаем худший случай
нагружения - направляем силу Fм противоположно силе Ft , что увеличивает
напряжения и деформацию вала.
Значение консольной силы от ременной передачи
Fоп было определено ранее при проектном расчёте открытой передачи, Fоп= 1399 Н.
Определяем значение консольной силы от муфтым
=125
=125·
=2752,4
(Н), (8.7)
где Т - вращающий момент на тихоходном валу
редуктора, Т=Т2=484,83Н·м.
9. Проверочный расчёт подшипников
.1 Определение реакций в опорах
подшипников
.1.1 Определение радиальных реакций
в опорах подшипника быстроходного вала
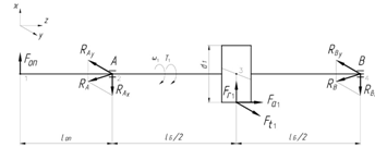
Реакции в опорах подшипников определяем в
соответствии с рекомендациями [1, с. 133-139]. Составляем расчётную схему
быстроходного вала в соответствии со схемой нагружения валов редуктора (рисунок
9.1).
Исходными данными для расчёта являются:
а) силы в зацепление редукторной пары (на
шестерне):
окружная сила Ft1=3069,5 Н;
радиальная силаFr1=1160,2 Н;
осевая силаFa1=489,9 Н;
б) консольная сила (от открытой передачи) -
Fоп=1399 Н.
в) геометрические параметры:
расстояние между точками приложения реакций в
опорах подшипников быстроходного вала - lБ=115 мм; расстояние между точками
приложения консольной силы и реакции смежной опоры подшипника- lоп =81,5 мм;
диаметр делительной окружности шестерни - d1=44,1 мм.
, RВх - реакции
опор в горизонтальной плоскости; RАy, RВy - реакции опор в вертикальной
плоскости;
Рисунок 9.1 - Расчётная схема быстроходного вала
цилиндрического редуктора
Определяем реакции в опорах выбранных
подшипников вала в вертикальной и горизонтальной плоскостях (рисунок 9.2),
составляя по два уравнения равновесия плоской системы сил.
Радиальные реакции в подшипниках направляем
противоположно направлению окружной(Ft1) и радиальной(Ft1)сил в зацеплении
редукторной передачи.
Рисунок 9.2 - Силы в вертикальных и
горизонтальных плоскостях быстроходного вала
а) Вертикальная плоскость.
ΣMi4=0; Ft1·lБ/2-
RАy·lБ=0,Аy= (Ft1·lБ/2)/ lБ=(3069,5·98/2)/ 98=1534,75 (Н);
ΣMi2=0; -Ft1·lБ/2+
RВy·lБ=0,Вy= (Ft1·lБ/2)/ lБ=(3069,5·98/2)/ 98=1534,75 (Н);
Проверка: ΣYi=0;
-RАy +Ft1 -RВy= -1534,75+3069,5 -1534,75=0.
б) Горизонтальная плоскость.
ΣMi4=0; Fr1·lБ/2-Fa1·d1/2-RAx·lБ+Fоп(lоп+lб)=0,
= (Fr1·lБ/2-Fa1·d1/2+Fоп(lоп+lб))/lБ = (1160,2·98/2-
489,9·44,1/2+1399(81,5+98))/ 98 = 3032,3 (Н);
ΣMi2=0; Fоп·lоп-
Fr1·lБ/2-Fa1·d1/2+RBx·lБ=0,= (-Fоп·lоп+Fr1·lБ/2+Fa1·d1/2)/lБ = (- 1399·81,5+
1160,2·98/2+489,9·44,1/2)/ 98=-473,1(Н);
Проверка: ΣXi=0;
Fоп- RAx+Fr1 - RBx=1399-3032,3+1160,2+473,1=0.
Определяем суммарные радиальные реакции опор
подшипников вала=
=
=3398,5(Н);=
=
=1606
(Н).
9.1.2 Определение радиальных реакций
в опорах подшипника тихоходного вала
Реакции в опорах подшипников определяем в
соответствии с рекомендациями [1, с. 133-139].
Составляем расчётную схему быстроходного вала в
соответствии со схемой нагружения валов редуктора (рисунок 9.3).
Исходными данными для расчёта являются:
а) силы в зацепление редукторной пары (на
колесе):
окружная сила Ft2=3069,5 Н;
радиальная силаFr2=1160,2 Н;
осевая силаFa2=489,9 Н;
б) консольная сила (от муфты) - Fм=2752,4 Н.
в) геометрические параметры:
расстояние между точками приложения реакций в
опорах подшипников быстроходного вала - lТ =102 мм;
расстояние между точками приложения консольной
силы и реакции смежной опоры подшипника- lм =121,5 мм;
диаметр делительной окружности шестерни -
d2=315,9 мм.
, RDх - реакции
опор в горизонтальной плоскости;, RDy - реакции опор в вертикальной плоскости;
Рисунок 9.3 - Расчётная схема быстроходного вала
цилиндрического редуктора
Определяем реакции в опорах выбранных
подшипников вала в вертикальной и горизонтальной плоскостях (рисунок 9.4),
составляя по два уравнения равновесия плоской системы сил.
Радиальные реакции в подшипниках направляем
противоположно направлению окружной(Ft2) и радиальной(Ft2)сил в зацеплении
редукторной передачи.
Рисунок 9.4 - Cилы в вертикальных и
горизонтальных плоскостях быстроходного вала
а) Вертикальная плоскость.
ΣMi3=0; -Ft2·lT/2+ RCy·lT - Fм·lм=0,Сy=
(Ft2·lT/2+Fм·lм)/ lТ=(3069,5·102/2+ 2752,4·121,5)/ 102= 4813,67 (Н);
ΣMi1=0; Ft2·lТ/2- RDy·lT-
Fм·(lT +lм) =0,
RDy= (Ft2·lТ/2-
Fм·(lT
+lм))/
lT=(3069,5·102/2-
-2752,4·(102 +121,5))/ 102=-4496,57 (Н);
Проверка: ΣYi=0;
RСy -Ft2 +RDy+ Fм= 4813,67 -3069,5-4496,57+2752,4=0.
б) Горизонтальная плоскость.
ΣMi3=0; -Fr2·lT/2-Fa2·d2/2-RCx·lT= 0,
RCx=(-Fr2·lT/2-Fa2·d2/2)/lT=(-1160,2·102/2-489,9·315,9/2)/
102=-1338,8 (Н);
ΣMi1=0;
Fr2·lT/2-Fa2·d2/2-RDx·lT=
0,=(Fr2·lT/2-Fa2·d2/2)/lT=(1160,2·102/2-185,2·315,9/2)/ 102=178,6 (Н);
Проверка: ΣXi=0;
RCx-Fr2 + RDx=-1338,8+1160,2-178,6=0.
Определяем суммарные радиальные реакции опор
подшипников вала=
=
=
4996,4(Н);=
=
=4500,1(Н).
9.2 Проверочный расчёт подшипников
.2.1 Проверочный расчёт радиальных
шариковых однорядных подшипников быстроходного вала
Проверочный расчёт предварительно выбранных
подшипников выполняется по рекомендациям [1, с. 140-149].
) Определяем эквивалентную динамическую нагрузку
подшипников. Эквивалентная динамическая нагрузка RE учитывает характер и
направление действующих на подшипник нагрузок, условия работы и зависит от типа
подшипника.
а) Определяем отношение
=
=0,14,
(9.1)
где Ra - осевая нагрузка подшипника,
Ra=Fa1=489,9 Н;- коэффициент вращения, при вращающемся внутреннем кольце
подшипника V=1[1, табл. 9.1, с. 141];- большая радиальная нагрузка подшипника
(суммарная реакция подшипника) Rr=RA=3398,5Н.
б) Находим отношение
=
=0,036,
(9.2)
где C0r - статическая грузоподъёмность
подшипника на быстроходном валу, C0r=13,7 кН=13700 Н.
Определяем коэффициент осевого нагружения е
интерполированием [1, табл. 9.2, с. 143]
е=e’+
·
=0,22+
(0,036-0,028)=0,23,
е’ - значение коэффициента влияние осевого
нагружения при отношении
=0,028, по
табличным данным е’=0,22;’’ - значение коэффициента влияние осевого нагружения
при отношении
= 0,056, по
табличным данным е’’=0,26.
Определяем коэффициент осевой нагрузки Y интерполированием
[1, табл. 9.2, с.
143]
Y=Y’+
·
=1,99+
(0,036-0,028)=1,91
Y’ - значение коэффициента влияние осевого
нагружения при отношении
=0,028, по
табличным данным Y’=1,99;’’ - значение коэффициента влияние осевого нагружения
при отношении
=0,056, по
табличным данным Y’’=1,71.
в) По соотношению
=0,14<e=0,23
выбираем формулу для расчёта эквивалентной динамической нагрузки подшипников
[1, табл. 9.1, с. 141]=VRrKбKт=1·3398,5·1·1,1=3738,35 (Н), (9.3)б - коэффициент
безопасности, зависящий от характера нагрузки и вида машинного агрегата,
принимаем Kб =1,1[1, табл. 9.4, с. 145];т - температурный коэффициент, при
рабочей температуре подшипника до 1000 С принимаем Kт=1.
) Определяем расчётную динамическую
грузоподъёмность подшипников [1, с. 140]
Сrp=RE·
=3738,35·
=21220,8
(Н), (9.4)
где RE - эквивалентная динамическая нагрузка, RE
=3738,35Н;- показатель степени, для радиальных шариковых подшипников m=3 [1, с.
140];- коэффициент надёжности, a1=1 [1, с. 140];- коэффициент, учитывающий
влияние качества подшипника и качества его эксплуатации, при обычных условиях
эксплуатации для шариковых подшипников принимаем a23=0,7…0,8 [1, с. 140];-
частота вращения внутреннего кольца подшипника быстроходного вала, n=n1= 213,4
об/мин;- требуемая долговечность подшипников, принимаем для зубчатых редукторов
Lh=10000 ч [1, с. 140].
Проверяем пригодность подшипников сопоставлением
расчётной динамической грузоподъёмности с базовой по условию [1, с. 140]
≤Cr, (9.5)
где Cr - базовая динамическая грузоподъёмность
подшипников, Cr=25,5кН=25500Н.
Условие Crp≤Cr выполняется, так как
Crp=21220,8 Н <Cr=25500 Н, следовательно, подшипники пригодны.
) Определяем базовую долговечность подшипников
[1, с. 140]
L10h=a1a23
=1·0,7·
=17351,3
(ч).
(9.6)
Проверяем пригодность подшипников сопоставлением
базовой долговечности с требуемой по условию [1, с. 140]h≥Lh . (9.7)
Условие L10h≥Lh выполняется, так как
L10h=17351,3 ч>Lh=10000 ч.
9.2.1 Проверочный расчёт радиальных
шариковых однорядных подшипников тихоходного вала
Проверочный расчёт предварительно выбранных
подшипников выполняется по рекомендациям [1, с. 140-149].
) Определяем эквивалентную динамическую нагрузку
подшипников.
а) Определяем отношение
=
=0,098,
(9.8)
где Ra - осевая нагрузка подшипника,
Ra=Fa2=489,9Н;- коэффициент вращения, при вращающемся внутреннем кольце
подшипника V=1[1, табл. 9.1, с. 141];- большая радиальная нагрузка подшипника
(суммарная реакция подшипника) Rr=Rс=4996,4Н.
б) Находим отношение
=
=0,019,
(9.9)
где C0r - статическая грузоподъёмность
подшипника на тихоходном валу,r=25 кН=25000 Н.
Определяем коэффициент осевогонагруженияе
интерполированием [1, табл. 9.2, с. 143]
е=e’+
·
=0,19+
(0,019-0,014)=0,02,
е’ - значение коэффициента влияние осевого
нагружения при отношении
=0,014, по
табличным данным е’=0,19;’’ - значение коэффициента влияние осевого нагружения
при отношении
= 0,028, по
табличным данным е’’=0,22.
Определяем коэффициент осевой нагрузки Y
интерполированием [1, табл. 9.2, с.
143]=Y’+
·
=2,3+
(0,019-0,014)=2,2,
Y’ - значение коэффициента влияние осевого
нагружения при отношении
=0,014, по
табличным данным Y’=2,3;’’ - значение коэффициента влияние осевого нагружения
при отношении
=0,028, по
табличным данным Y’’=1,99.
в) По соотношению
=0,019<e=0,02
выбираем формулу для расчёта эквивалентной динамической нагрузки подшипников
[1, табл. 9.1, с. 141]=VRrKбKт=1·4996,4·1·1,1=5496,04 (Н), (9.10)б -
коэффициент безопасности, зависящий от характера нагрузки и вида машинного
агрегата, принимаем Kб =1,1[1, табл. 9.4, с. 145];т - температурный
коэффициент, при рабочей температуре подшипника до 1000 С принимаем Kт=1.
) Определяем расчётную динамическую
грузоподъёмность подшипников [1, с. 140]
Сrp=RE·
=5496,04·
=16240,1
(Н), (9.11)
где RE - эквивалентная динамическая нагрузка, RE
=5496,04H;- показатель степени, для радиальных шариковых подшипников m=3 [1, с.
140];- коэффициент надёжности, a1=1 [1, с. 140];- коэффициент, учитывающий
влияние качества подшипника и качества его эксплуатации, при обычных условиях
эксплуатации для шариковых подшипников принимаем a23=0,7…0,8 [1, с. 140];-
частота вращения внутреннего кольца подшипника быстроходного вала,n=n2= 30,1
об/мин;- требуемая долговечность подшипников, принимаем для зубчатых редукторов
Lh=10000 ч [1, с. 140].
Проверяем пригодность подшипников сопоставлением
расчётной динамической грузоподъёмности с базовой по условию [1, с. 140]
≤Cr, (9.12)
где Cr - базовая динамическая грузоподъёмность
подшипников, Cr=43,6кН=43600 Н.
Условие Crp≤Cr выполняется, так как
Crp=16240,1 Н <Cr=43600 Н, следовательно, подшипники пригодны.
) Определяем базовую долговечность подшипников
[1, с. 140]
L10h=a1a23
=1·0,7·
=193504,1
(ч).
(9.13)
Проверяем пригодность подшипников сопоставлением
базовой долговечности с требуемой по условию [1, с. 140]h≥Lh . (9.14)
Условие L10h≥Lh выполняется, так как
L10h=193504,1>Lh=10000 ч.
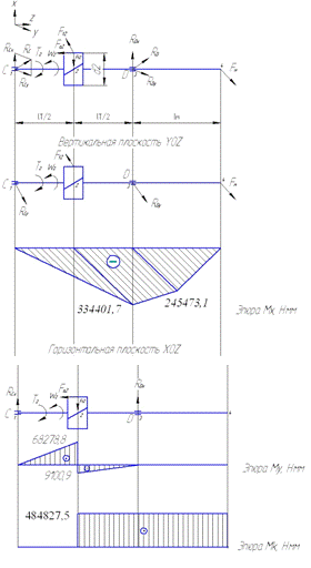
9.3 Построение эпюр изгибающих и
крутящих моментов
.3.1 Построение эпюр изгибающих и
крутящих моментов быстроходного вала
Построение выполняем на основание результатов,
полученных при расчёте реакций в опорах подшипников, в соответствии с
рекомендациями [1, с. 134-139]. Расчётная схема быстроходного вала приведена на
рисунке 9.1.
Выполняем расчёт изгибающих моментов.
а) Вертикальная плоскость.
Рассчитываем значения изгибающих моментов
относительно оси х в характерных сечениях 1-4, Н·ммх1=0;х2=0;х3=RAy·
=-1534,75·
=-75202,75
(Н·мм);х4=0;
б) Горизонтальная плоскость.
Рассчитываем значения изгибающих моментов
относительно оси у в характерных сечениях 1-4, Н·мму1=0;у2=Fоп·
lоп=1399·81,5=114018,5(Н·мм);
у3слева=Fоп·(lоп+
)-RAx·
=1399·(81,5
+
)-
·
=22986,8(Н·мм);у3справа=-RВy·
=541,68·
=26542,3(Н·мм);у4=0;
Выполняем расчёт крутящего момента, Н·мм=Mz=
=
=
67682,5(Н·мм).
Строем эпюры изгибающих и крутящих моментов
(рисунок 9.5).
Знак эпюры крутящего момента определяется
направлением момента от окружной силы Ft, если смотреть со стороны выходного
кольца вала (по ходу часовой стрелки - знак «плюс», против - знак «минус»).
Определяем суммарные изгибающие моменты в
наиболее нагруженных сечениях вала (сечения 2 и 3), Н·мм=
=
=114018,5(Н·мм);=
=
=82525,6(Н·мм).
9.3.2 Построение эпюр изгибающих и
крутящих моментов тихоходного вала
Построение выполняем на основание результатов,
полученных при расчёте реакций в опорах подшипников, в соответствии с
рекомендациями [1, с. 134-139]. Расчётная схема тихоходного вала приведена на
рисунке 9.2.
Выполняем расчёт изгибающих моментов.
а) Вертикальная плоскость.
Рассчитываем значения изгибающих моментов
относительно оси х в характерных сечениях 1-4, Н·ммх1=0; Mх2= RСy·
=
- 4813,67·
= - 245473,1
(Н·мм);х3=
+Ft2·
=
+156544,5=-334401,7
(Н·мм);
х4=0;
б) Горизонтальная плоскость.
Рассчитываем значения изгибающих моментов
относительно оси у в характерных сечениях 1-4, Н·мму1=0; Mу2слева= RСх·
=
1338,8·
=68278,8
(Н·мм);у2справа= RСх·
-
=
1338,8·
-
= 9100,9(Н·мм);у3=0; Mу4=0;
Выполняем расчёт крутящего момента, Н·мм=Mz=
=
=484827,5
(Н·мм).
Строем эпюры изгибающих и крутящих моментов
(рисунок 9.6).
Определяем суммарные изгибающие моменты в
наиболее нагруженных сечениях вала (сечения 2 и 3), Н·мм=
=
=254792,1 (Н·мм);=
=
=355479,18 (Н·мм).
Рисунок 9.5 - Эпюры изгибающих и крутящих
моментов быстроходного вала
Рисунок 9.6 - Эпюры изгибающих и крутящих
моментов тихоходного вала
10. Конструирование валов
.1 Конструирование быстроходного
вала
Конструкция быстроходного вала (вала-шестерни),
а также диаметры и длины его ступеней были определены на стадии
предварительного расчета валов. При выполнении эскизной компоновки редуктора
размеры диаметров и длин ступеней были уточнены.
) Первая ступень посадочная поверхность под
элемент открытой передачи.
Выходной конец вала (рисунок10.1) выполняется
цилиндрическим со следующими размерами:
диаметр ступени d1 = 30 мм;
длина ступени l1 = 40 мм.
Для облегчения монтажа элемента открытой
передачи на торце первой ступени выполняем фаску с=1мм (1×45°)
[1,табл.10.8,
с.188].
Переходный участок вала между двумя (первой и
второй) смежными ступенями разных диаметров выполняем галтелью радиуса r= 2 мм
[1,табл. 10.8, с.188].
Рисунок 10.1 - Выходной конец вала
Выбираем параметры шпоночного соединения для
установки элемента открытой передачи [1, табл. К42, с.449]:
ширина шпонки b = 8 мм;
высота шпонки h = 10 мм;
глубина шпоночного паза вала t1 = 5 мм;
глубина шпоночного паза ступицы t2 = 3,3 мм;
длина шпонки l = 22 мм.
Рисунок 10.2 - Поперечное сечение ступени вала
со шпоночным пазом
) Вторая ступень (посадочная поверхность под
уплотнение крышки с отверстием и подшипник).
Размеры второй ступени вала:
диаметр ступени d2 = 35 мм;
длина ступени l2 = 70 мм.
Переходный участок вала между двумя (второй и
третьей) смежными ступенями разных диаметров выполняем канавкой ширины b=3 мм
со скруглением r=1мм для выхода шлифовального круга, которая повышает
концентрацию напряжений на переходном участке (рисунок 10.3) [1,табл. 10.7,
с.187].
Рисунок 10.3 - Переходный участок в виде канавки
) Третья ступень (выполняется заодно с
цилиндрической шестерней).
Размеры третьей ступени вала:
диаметр ступени d3 = 40 мм;
длина ступени l3 = 81 мм.
) Четвертая ступень (посадочная поверхность под
подшипник ).
Размеры четвертой ступени вала:
диаметр ступени d4 = 35 мм;
длина ступени l4 = 17 мм.
Для облегчения монтажа подшипника качения на
торце четвертой сту- пени выполняем фаску с = 1,5 мм (1×
45°) [1, табл. 10.8, с.188].
Переходный участок вала между третьей и
четвертой ступенями выполняем аналогично переходному участку между второй и
третьей.
Конструкция и размеры быстроходного вала
представлены на рисунке 10.4.
Рисунок 10.4 - Конструкция и размеры
вала-шестерни
10.2 Конструирование тихоходного
вала
Конструкция тихоходного вала редуктора, а также
диаметры и длины его ступеней были определены на стадии предварительного
расчета валов. При выполнении эскизной компоновки редуктора размеры диаметров и
длин ступеней были уточнены.
) Первая ступень посадочная поверхность под
полумуфту
Выходной конец вала выполняется цилиндрическим
со следующими размерами:
диаметр ступени d1 = 50 мм;
длина ступени l1 = 60 мм.
Для облегчения монтажа элемента открытой
передачи на торце первой ступени выполняем фаску с=2,5мм (1×45°)
[1,табл.10.8,
с.188].
Переходный участок вала между двумя (первой и
второй) смежными ступенями разных диаметров выполняем галтелью радиуса r= 2,5
мм [1,табл. 10.8, с.188].
Выбираем параметры шпоночного соединения для
установки элемента полумуфты [1, табл. К42, с.449]:
ширина шпонки b = 14 мм;
высота шпонки h = 9 мм;
глубина шпоночного паза вала t1 = 5,5 мм;
глубина шпоночного паза ступицы t2 = 3,8мм;
длина шпонки l = 45мм.
) Вторая ступень (посадочная поверхность под
уплотнение крышки с отверстием и подшипник).
Размеры второй ступени вала:
диаметр ступени d2 = 55мм;
Переходный участок вала между двумя (второй и
третьей) смежными ступенями разных диаметров выполняем канавкой ширины b= 3 мм
со скруглением r= 1 мм для выхода шлифовального круга [1, табл. 10.7, с.187].
) Третья ступень (посадочная поверхность под
зубчатое колесо). Размеры третьей ступени вала:
диаметр ступени d3 = 65 мм;
длина ступени l3 = 73 мм.
Длину ступени l3 выполняем больше длины ступицы
колеса lст ,при этом распорная втулка устанавливается между торцом внутреннего
кольца подшипника и торцом ступицы колеса.
Зубчатое колесо устанавливается на валу по
посадке с натягом и дополнительно фиксируется с помощью шпоночного соединения с
призматической шпонкой.
Шпоночный паз на третьей ступени располагаем со
стороны паза первой ступени.
Выбираем параметры шпоночного соединения (в
зависимости от диаметра ступени) [1, табл. К42, с.449]:
ширина шпонки b = 18мм;
высота шпонки h = 11мм;
глубина шпоночного паза вала t1 = 7 мм;
глубина шпоночного паза ступицы t2 = 4,4 мм;
длина шпонки l = 50мм.
Длина шпонки принимается на 5-10 мм меньше длины
ступицы зубчатого колеса из нормируемого ряда стандартных значений.
Переходный участок вала между двумя (третьей и
пятой) смежными ступенями разных диаметров выполняем канавкой ширины b= 3 мм со
скруглением r= 1 мм для выхода шлифовального круга [1, табл. 10.7, с.187].
) Четвертая ступень (посадочная поверхность под
подшипник). Размеры четвертой ступени вала:
диаметр ступениd4 = 55 мм;
длина ступениl4 = 21 мм.
Для облегчения монтажа подшипника качения на
торце четвертой сту пени выполняем фаску с = 1 мм (1×
45°) [1, табл. 10.8, с.188].
Переходный участок вала между третьей и
четвертой ступенями выполняем аналогично переходному участку между второй и
третьей.
) Пятая ступень (предотвращает осевое смещение
колеса). Размеры пятой ступени вала:
диаметр ступени d5 = 70мм;
длина ступени l5 = 8 мм.
Конструкция и размеры тихоходного вала
представлены на рисунке 10.5.
Рисунок 10.5 - Конструкция и размеры тихоходного
вала
11. Проверочные расчеты
.1 Проверочный расчет шпонок
Призматические шпонки, применяемые в
проектируемых редукторах, проверяют на смятие [2, с.170].
Условие прочности на смятие
, (11.1)
где
Т - передаваемый вращающий момент, Н мм;диаметр вала вместе установки шпонки,
мм;рабочая длина шпонки, для шпонки со скругленными торцами,=l-b, мм;полная
длина шпонки, мм;ширина шпонки, мм;высота шпонки, мм;-глубина шпоночного паза
на валу, мм;
[σ]см-допускаемое
напряжение на смятие, принимаем [σ]см=190 МПа[1,с. 266].
Проверке
подлежат две шпонки тихоходного вала - под колесом и полумуфтой и одна шпонка
на быстроходном валу-под элементом открытой передачи.
)
Проверяем шпонку быстроходного вала под элементом открытой передачи.
Условие
прочности на смятие
(МПа),
где
Т- передаваемый вращающий момент, Т=Т1 = 71850 Н· мм;диаметр вала в месте
установки шпонки, d = 30мм;рабочая длина шпонки, для шпонки со скругленными
торцами,=l-b=32 - 10=22(мм),полная длина шпонки, определенная при выборе
параметров шпоночного соединения на этапе конструирования валов, l=32мм;ширина
шпонки, b = 10 мм;высота шпонки, h =8 мм;-глубина шпоночного паза на валу, t1
=5мм;
Условие

, выполняется, так как
=72,6 МПа
<
=190 МПа.
)
Проверяем шпонку тихоходного вала под полумуфтой.
Рассчитываем
напряжения смятия
(МПа),
где
Т- передаваемый вращающий момент, Т=Т2 = 484830Н· мм;диаметр вала в месте установки
шпонки, d = 50мм;рабочая длина шпонки, для шпонки со скругленными
торцами,=l-b=45- 14 = 31 (мм),-полная длина шпонки, определенная при выборе
параметров шпоночного соединения на этапе конструирования валов, l=45мм;ширина
шпонки, b = 14 мм;высота шпонки, h =9 мм;-глубина шпоночного паза на валу, t1
=5,5мм;
Условие

, выполняется, так как
=178,7 МПа
<
=190 МПа.
)
Проверяем шпонку тихоходного вала под зубчатое колесо.
Рассчитываем
напряжения смятия
(МПа),
где
Т - передаваемый вращающий момент, Т=Т2 = 484830Н· мм;диаметр вала в месте установки
шпонки, d = 65мм;рабочая длина шпонки, для шпонки со скругленными
торцами,=l-b=50- 18 = 32 (мм),полная длина шпонки, определенная при выборе
параметров шпоночного соединения на этапе конструирования валов, l=50мм;ширина
шпонки, b = 18 мм;высота шпонки, h =11 мм;-глубина шпоночного паза на валу, t1
=7мм;
Условие

, выполняется, так как
=116,5 МПа
<
=190 МПа.
11.2
Проверочный расчет валов
.2.1
Проверочный расчет на прочность
Проверочныйрасчетсостоитвопределениикоэффициентовзапасапрочностидляопасныхсеченийисравненииихстребуемыми
(допускаемыми) значениями [2, с. 162-167].
Условие
прочности имеет вид
≥
[s], (11.2)
где
s -коэффициент запаса прочности для опасного сечения;
[s]-допускаемое
значение коэффициент запаса прочности, принимаем [s]= 2,5 [2,с. 162].
Расчет
производится для предположительно опасных сечений каждого из валов. Опасное
сечение вала определяется наличием источника концентрации напряжений при
суммарном изгибающем моменте М.
Общий
коэффициент запаса прочности s в опасных сечениях [2, с.162]
, (11.3)
где
и
- коэффициенты запаса прочности по
нормальным и касательным напряжениям.
Коэффициент запаса прочности по
нормальным напряжениям [2,с.162]
, (11.4)
где
- предел выносливости материала
вала при симметричном цикле изгиба,
=410 МПа;
-эффективный коэффициент
концентрации нормальных напряжений;
-масштабный фактор для нормальных
напряжений;
- коэффициент, учитывающий влияние
шероховатости поверхности, принимаем
=0,97 [2, с. 162];
- амплитуда циклов нормальных
напряжений, равная наибольшему напряжению изгиба в рассматриваемом сечении;
-среднее напряжение цикла нормальных
напряжений;
-коэффициент; для легированных
сталей
=0,25…0,3
[2, с. 162], принимаем
=0,25.
Коэффициент запаса прочности по
касательным напряжениям[2,с.164]
, (11.5)
гдеτ-1-предел
выносливости материала вала при симметричном цикле кручения [2, с.164],
(МПа); (11.6)
-эффективный коэффициент
концентрации касательных напряжений;
-масштабный фактор для касательных
напряжений;
- коэффициент, учитывающий влияние
шероховатости поверхности, принимаем
=0,97[2,с.162];
-амплитуда циклов касательных напряжений;
-среднее напряжение цикла
касательных напряжений;
- коэффициент, для легированных
сталей
=0,1
[2,с.166].
Принимаем, что нормальные напряжения
от изгиба изменяются по симметричному циклу, а касательные от кручения - по
отнулевому (пульсирующему).
11.2.2 Проверочный расчет
быстроходного вала
Выполняем уточненный расчет
быстроходного вала. Намечаем три опасных сечения (рисунок11.1):
Одно (сечение А-А) - на второй
ступени под подшипником опоры, смежной с консольной нагрузкой;
второе (сечение Б-Б) - на
ступенчатом переходе галтелью r между второй и третьей ступенью;
третье (сечение В-В) - на третьей
ступени в месте установки шестерни.
При df1>d3 - ступенчатый переход
галтелью r между диаметром впадин шестерни df1 и диаметром ступени d3
Рисунок 11.1 - Опасные сечения
быстроходного вала
Сечение А-А. Концентрация напряжений
обусловлена посадкой подшипника с гарантированным натягом.
Определяем коэффициент запаса
прочности по нормальным напряжениям
,
где
отношение эффективного коэффициента
концентрации к масштабному фактору для нормальных напряжений, для валов с
напрессованными деталями при пределе прочности
= 900 МПа принимаем
= 3,9 [2,
табл. 8.7, с. 166]
-амплитуда циклов нормальных
напряжений,
(МПа) (11.7)
-суммарный изгибающий момент в
рассматриваемом сечении, М=М2=114018,5Н· мм;
-осевой момент сопротивления сечения
вала [1,табл.11.1,с. 270],
(мм3); (11.8)
-среднее напряжение цикла нормальных
напряжений,
(МПа), (11.9)
-осевая нагрузка на вал,
= 489,9Н.
Определяем коэффициент запаса
прочности по касательным напряжениям
,
где 
- отношение эффективного коэффициента
концентрации к масштабному фактору для касательных напряжений [2,табл.8.7,
с.166],
; (11.10)
-амплитуда циклов касательных
напряжений;
-среднее напряжение цикла
касательных напряжений;
(МПа), (11.11)
-крутящий момент,
= 67682,5
Н·мм;
-полярный момент инерции сопротивления
сечения вала[1,табл. 11.1,с. 270],
(мм3). (11.12)
Определяем общий коэффициент запаса
прочности в сечении А-А
Условие s ≥ [s] выполняется,
так как s = 3,74>[s]= 2,5.
Сечение Б-Б. Концентрация напряжений
обусловлена переходом от второй (Ø35 мм) к
третьей (Ø40мм) ступени.
Определяем коэффициент запаса
прочности по нормальным напряжениям
,
где
- эффективный коэффициент
концентрации нормальных напряжений,
при
и
принимаем
=2,51
[2,табл. 8.2,с. 163];
-масштабный фактор для нормальных
напряжений, для легированной стали принимаем
=0,73 [2,табл.8.8,с. 166];
-амплитуда циклов нормальных
напряжений, равная наибольшему напряжению изгиба в рассматриваемом сечении,
(МПа);
-среднее напряжение цикла нормальных
напряжений,
(МПа).
Определяем коэффициент запаса
прочности по касательным напряжениям
,
где
-эффективный коэффициент
концентрации касательных напряжений, принимаем
=1,61 [2,табл. 8.2,с.163];
-масштабный фактор для касательных
напряжений,
=0,73
[2,табл. 8.8,с. 166];
-амплитуда циклов касательных
напряжений;
-среднее напряжение цикла
касательных напряжений;
(МПа).
Определяем общий коэффициент запаса
прочности в сечении Б-Б
Условие s ≥ [s] выполняется,
так как s = 4,2>[s]= 2,5.
Сечение В-В. Концентрация напряжений
обусловлена переходом между диаметром впадин шестерни df1 (Ø40,5мм) и диаметром
третьей ступени (Ø40мм).
Определяем коэффициент запаса
прочности по нормальным напряжениям
,
где
-эффективный коэффициент
концентрации нормальных напряжений,
при
и
принимаем
=2,51
[2,табл. 8.2,с. 163];
-масштабный фактор для нормальных
напряжений, для легированной стали принимаем
=0,73 [2,табл.8.8,с. 166];
-амплитуда циклов нормальных
напряжений, равная наибольшему напряжению изгиба в рассматриваемом сечении,
(МПа),
-суммарный изгибающий момент в
рассматриваемом сечении, М=М3=82525,6Н· мм;
-осевой момент сопротивления сечения
вала [1,табл.11.1,с. 270],
(мм3)
-среднее напряжение цикла нормальных
напряжений,
(МПа).
Определяем коэффициент запаса прочности по
касательным напряжениям
,
где
-эффективный коэффициент
концентрации касательных напряжений, принимаем
=1,61[2,табл. 8.2,с.163];
-масштабный фактор для касательных
напряжений,
=0,73
[2,табл. 8.8,с. 166];
-амплитуда циклов касательных
напряжений;
-среднее напряжение цикла
касательных напряжений;
(МПа),
-крутящий момент,
=67682,5
Н·мм;
-полярный момент инерции
сопротивления сечения вала[1,табл. 11.1,с. 270],
(мм3).
Определяем общий коэффициент запаса
прочности в сечении В-В
Условие s ≥ [s] выполняется,
так как s = 8,7>[s]= 2,5.
11.2.3 Проверочный расчет
тихоходного вала
Выполняем уточненный расчет тихоходного
вала. Намечаем три опасных сечения (рисунок11.2):
одно (сечение Г-Г)-на второй ступени
под подшипником опоры, смежной с консольной нагрузкой;
второе (сечение Д-Д)-на ступенчатом
переходе галтелью r между второй и третьей ступенью;
третье (сечение Е-Е)-на третьей ступени под
колесом.
Рисунок 11.2 - Опасные сечения тихоходного вала
Для расчета выбираем два наиболее опасных
сечения (Г- Г и Е-Е).
Сечение Г-Г. Концентрация напряжений обусловлена
посадкой подшипника с гарантированным натягом.
Определяем коэффициент запаса прочности по
нормальным напряжениям
,
где
отношение эффективного коэффициента
концентрации к масштабному фактору для нормальных напряжений, для валов с
напрессованными деталями при пределе прочности
=900 МПа принимаем
=4,5 [2,
табл. 8.7, с. 166]
-амплитуда циклов нормальных напряжений,
(МПа),
-суммарный изгибающий момент в
рассматриваемом сечении, М=М2=334401,7Н· мм;
-осевой момент сопротивления сечения
вала [1,табл.11.1,с. 270],
(мм3).
-среднее напряжение цикла нормальных
напряжений,
(МПа).
Определяем коэффициент запаса
прочности по касательным напряжениям
,
где 
- отношение эффективного
коэффициента концентрации к масштабному фактору для касательных
напряжений[2,табл.8.7, с.166],
;
-амплитуда циклов касательных
напряжений;
-среднее напряжение цикла
касательных напряжений;
(МПа),
-крутящий момент,
= 484827,5
Н·мм;
-полярный момент инерции
сопротивления сечения вала[1,табл. 11.1,с. 270],
мм3).
Определяем общий коэффициент запаса
прочности в сечении Г-Г
Условие s ≥ [s] выполняется,
так как s = 3,7>[s]= 2,5.
Сечение Е-Е. Концентрация напряжений
обусловлена наличием шпоночной канавки на третьей ступени вала под колесом.
Определяем коэффициент запаса
прочности по нормальным напряжениям
,
где
-эффективный коэффициент
концентрации нормальных напряжений, принимаем
=1,90 [2,табл. 8.5,с. 165];
-масштабный фактор для нормальных
напряжений, для легированной стали принимаем
=0,6625 [2,табл.8.8,с. 166];
-амплитуда циклов нормальных
напряжений, равная наибольшему напряжению изгиба в рассматриваемом сечении,
(МПа),
-суммарный изгибающий момент в
рассматриваемом сечении, М=М2=254792,1Н· мм;
-осевой момент сопротивления сечения
вала [1,табл.11.1,с. 270],
(мм3);
-среднее напряжение цикла нормальных
напряжений,
(МПа).
Определяем коэффициент запаса
прочности по касательным напряжениям
,
где
-эффективный коэффициент
концентрации касательных напряжений, принимаем
=1,9[2,табл. 8.2,с.163];
-масштабный фактор для касательных
напряжений,
=0,6625
[2,табл. 8.8,с. 166];
-амплитуда циклов касательных
напряжений;
-среднее напряжение цикла
касательных напряжений;
(МПа),
-крутящий момент,
= 484827,5
Н·мм;
-полярный момент инерции
сопротивления сечения вала[1,табл. 11.1,с. 270],
(мм3).
Определяем общий коэффициент запаса
прочности в сечении Е-Е
Условие s ≥ [s] выполняется,
так как s = 6,7>[s]= 2,5.
12. Выбор посадок для основных
деталей редуктора
На основании таблицы 10.13 [2] принимаем
следующие посадки основных сопряжений:
Зубчатые колеса, муфты H7/k6,
Наружные кольца подшипников качения в корпусе
Н7,
Внутренние кольца подшипников качения на вал k6,
Шпоночная канавка в ступице по ширине JS9,
Шпоночная канавка на валу по ширине N9,
Шпонка по высоте h9,
Шпонка по ширине h9,
Шпонка по длине h14,
Шпонка в сборе в ступице (по ширине) JS9/h9,
Шпонка в сборе на валу (по ширине) N9/h9,
Отверстие в крышке подшипника под манжету H8,
Участок вала под уплотнение h11.
13. Смазка редуктора
Смазывание зубчатых зацеплений и подшипников
уменьшает потери на трение, предотвращает повышенный износ и нагрев деталей, а
также предохраняет детали от коррозии. Снижение потерь на трение обеспечивает
повышение КПД редуктора.
Смазывание зубчатого зацепления производится
окунанием зубчатого колеса в масло, заливаемое внутрь корпуса до уровня,
обеспечивающего погружение колеса на всю длину зуба.
Объем масляной ванны V определяем из расчета 0,6
л масла на 1кВт передаваемой мощности: V= 0,6·2,2 =1,32л.
По табл. 10.8 [2] устанавливаем вязкость масла.
При контактных напряжениях σH=499,56МПа
и скорости v=0,53 м/с рекомендуемая вязкость масла должна быть примерно равна
34·10-6м2/с.
По табл. 10.10 [2] принимаем масло
индустриальное И-40А.
Уровень масла, находящегося в корпусе редуктора,
контролируют различными маслоуказателями. Наибольшее распространение имеют
жезловые маслоуказатели, так как они удобны для осмотра, конструкция их проста
и достаточно надёжна.
При работе передач масло постепенно загрязняется
продуктами износа деталей передач. С течением времени оно стареет, свойства его
ухудшаются. Поэтому масло, налитое в корпус редуктора, периодически меняют. Для
этой цели в корпусе предусматривают сливное отверстие, закрываемое пробкой с цилиндрической
резьбой.
Камеры подшипников заполняем пластичным
смазочным материалом.
Сорт мази выбираем по табл.9.14 [2]: литол-24.
14. Выбор муфты
В проектируемом приводе применена компенсирующая
разъемная муфта нерасцепляемого класса в стандартном исполнении [1,с.250].
Основной характеристикой для выбора муфты является номинальный вращающий момент
на соединяемых валах. Муфту выбирают по расчетному вращающему моменту [1,
с.251]:
Тр=Кр·Т≤Т,
где Кр=1,5 - коэффициент режима нагрузки [1,
с.251],
Т - вращающий момент, передаваемый муфтой[5,
с.403],
Конвейер соединён муфтой с тихоходным валом
редуктора. Поэтому необходимо согласовать диаметр выходного конца вала с
диаметром полумуфты. По передаваемому крутящему моменту двигателя Т=484,83Нм
выбираем стандартную муфту упругую с торообразной оболочкой ГОСТ 20884-93 [1,
табл. К25, с.428]. Получим:
Тр=1,5·484,83=727,2Н·м<Т=800Н·м,
Следовательно, окончательно принимаем муфту
упругую с торообразной оболочкой 40-1-22-1-У2 ГОСТ 20884-93 со следующими
характеристиками:
Т=40Н·м
- вращающий момент, передаваемый муфтой,=50 мм - диаметр конца вала под
муфту,=320мм - наружный диаметр муфты=280мм - длина муфты.
15. Сборка и регулировка редуктора
привод редуктор шестерня конвейер
Перед сборкой внутреннюю полость корпуса редуктора
тщательно очищают и покрывают маслостойкой краской.
Сборку производят в соответствии со сборочным
чертежом редуктора, начиная с узлов валов:
на ведущий вал насаживают маслоудерживающие
кольца и шариковые радиальные подшипники 207, предварительно нагретые в масле
до 80-1000С;
в ведомый вал закладывают шпонку 18×11×50
и
напресовывают зубчатое колесо до упора в бурт вала; затем надевают распорную
втулку и устанавливают шариковые радиальные подшипники 211, предварительно
нагретые в масле.
Собранные валы укладывают в основание корпуса
редуктора и надевают крышку корпуса, покрывая предварительно поверхности стыка
крышки и корпуса герметиком. Для центровки устанавливают крышку на корпус с
помощью двух штифтов; затягивают болты диаметром М8, крепящие крышку к корпусу.
После этого на ведомый вал надевают распорное
кольцо, в подшипниковые камеры закладывают пластичную смазку, ставят крышки
подшипников с комплектом металлических прокладок для регулировки.
Перед постановкой сквозных крышек в проточки
закладывают манжеты резиновые армированные. Проверяют проворачиванием валов
отсутствие заклинивания подшипников (валы должны проворачиваться от руки) и
закрепляют крышки болтами М8.
Далее на конец ведущего вала в шпоночную канавку
закладывают шпонку 10×8×32, устанавливают
открытую передачу.
После на конец ведомого вала в шпоночную канавку
закладывают шпонку 14×9×45, устанавливают
полумуфту и закрепляют ее торцовым креплением.
Затем ввертывают пробку маслоспускного отверстия
с прокладкой и жезловый маслоуказатель. Заливают в корпус масло и закрывают
смотровое отверстие крышкой с прокладкой из технического картона, закрепляют
крышку болтами.
Собранный редуктор обкатывают и подвергают
испытанию на стенде по программе, устанавливаемой техническими условиями.