Расчет управляемого выпрямителя

  • Вид работы:
    Курсовая работа (т)
  • Предмет:
    Информатика, ВТ, телекоммуникации
  • Язык:
    Русский
    ,
    Формат файла:
    MS Word
    319,38 Кб
  • Опубликовано:
    2015-06-14
Вы можете узнать стоимость помощи в написании студенческой работы.
Помощь в написании работы, которую точно примут!

Расчет управляемого выпрямителя

Министерство образования и науки Российской Федерации

ФГБОУ ВО

ИРКУТСКИЙ НАЦИОНАЛЬНЫЙ ИССЛЕДОВАТЕЛЬСКИЙ ТЕХНИЧЕСКИЙ УНИВЕРСИТЕТ

Кафедра Электропривода и электрического транспорта

Допускаю к защите

Руководитель ____________ Дунаев М.П.





расчет управляемого выпрямителя

ПОЯСНИТЕЛЬНАЯ ЗАПИСКА

к курсовому проекту по дисциплине

Промышленная электроника в электроприводе

.004.00.00.ПЗ

Выполнила студентка группы ______________ __Башкирцева Н,С._

Нормоконтроль ______________Дунаев М.П.





Иркутск 2015 г.

Министерство образования и науки Российской Федерации

ФГБОУ ВО

ИРКУТСКИЙ НАЦИОНАЛЬНЫЙ ИССЛЕДОВАТЕЛЬСКИЙ ТЕХНИЧЕСКИЙ УНИВЕРСИТЕТ









ЗАДАНИЕ

НА КУРСОВОЕ ПРОЕКТИРОВАНИЕ

По курсу ____Промышленная электроника в электроприводе __

Студентке _______Башкирцевой Н.С.

Тема проекта _РАСЧЕТ УПРАВЛЯЕМОГО ВЫПРЯМИТЕЛя

Исходные данные: выполнить проектирование согласно данному варианту.

Таблица 1. Технические данные двигателей

№ варианта

Тип

Угловая скорость (nн), об/мин

Мощность (Рн), кВт

Напряжение (Uн), В

Ток (Iн), А

4

4ПО80А2

1000

0,25

220

1,8


Рекомендуемая литература:

1.      И.И.Алиев. Справочник по электротехнике и электрооборудованию. - Ростов н/Д: Феникс, 2004. - 480 с.

2.      Промышленная электроника в электроприводе: Учебное пособие для бакалавров направления 140400. - Иркутск, 2011. - 123 с..

.        Герман-Галкин С.Г. Силовая электроника: Лабораторные работы на ПК. - Спб.: Учитель и ученик, КОРОНА принт, 2002. - 304 с.

Графическая часть на _2_ листах.

Дата выдачи задания “15” _________марта_________2015 г.

Дата представления проекта руководителю “15” ___мая_____2015 г.

Руководитель курсового проектирования ___________________

Содержание

ВВЕДЕНИЕ

.        ТЕОРЕТИЧЕСКОЕ ВВЕДЕНИЕ

.1 Принцип действия

.2 Основные однофазные силовые схемы УВ

.2.1 Однофазная однополупериодная схема

.2.2 Однофазная нулевая схема

.2.3 Однофазная мостовая схема

.2.4 Однофазная мостовая полууправляемая схема

.3 Системы управления УВ

.4 Статические характеристики УВ

.5 Защита УВ

2. Расчет элементов силовой части.

2.1 Выбор трансформатора.

.2 Расчет и выбор тиристоров

.3 Выбор сглаживающего дросселя

.4 Расчет активного сопротивления трансформатора

.5 Расчет активного сопротивления сглаживающего дросселя

.6 Расчет сопротивления тиристора

.7 Расчет коммутационного сопротивления при включении - выключении тиристоров

.8 Расчет активного сопротивления УВ

. РАСЧЕТ ЭЛЕМЕНТОВ СИСТЕМЫ УПРАВЛЕНИЯ

.1 Расчет элементов генератора периодического напряжения

.2 Расчет элементов компаратора

.3 Расчет элементов усилителя-формирователя импульсов управления

.4 Выбор элементов гальванической развязки импульсов управления

.5 Выбор элементов блока питания и задатчика напряжения управления

. РАСЧЕТ ХАРАКТЕРИСТИК УВ

ЗАКЛЮЧЕНИЕ

Библиографический список

ВВЕДЕНИЕ

Регулирование выходного напряжения управляемого выпрямителя (УВ) достигается управлением моментом открывания тиристоров преобразователя. В большинстве УВ используется импульсно-фазовый способ управления. Сущность его заключается в том, что на управляющий электрод (УЭ) тиристора периодически с частотой питания анодного напряжения подаетсяположительный электрический импульс («+» на УЭ, «-» на катод), который может меняться по фазе по отношению к анодному напряжению. Тем самым изменяется момент открывания тиристора. Угол, отсчитываемый от момента естественного открывания тиристора (когда потенциал анода становится больше потенциала катода) до момента подачи управляющего импульса, называется углом управления тиристораa.

1. ТЕОРЕТИЧЕСКОЕ ВВЕДЕНИЕ

1.1 Принцип действия

Рассмотрим принцип регулирования напряжения на примере включения тиристора по однофазной однополупериодной схеме выпрямления (рис.1).


Управляющие импульсы образуются с помощью системы импульсно-фазового управления (СИФУ), служащего для изменения угла регулирования a. Допустим, что на УЭ тиристора VS1 от СИФУ подан импульс в момент времени t1 . Этот импульс открывает тиристор, и к нагрузке Zн скачком будет приложено напряжение, которое будет изменяться по кривой Uн. В момент времени t2 напряжение Uн становится равным нулю и тиристор закрывается, т.к. к нему приложено напряжение отрицательной полуволны. На интервале t2 - t3 ток через нагрузку не протекает. В момент t4 на УЭ тиристора подается следующий импульс управления с СИФУ и работа схемы повторяется. На рис.2 показан график зависимости Uн от угла открывания тиристора a. Максимальное напряжение Uнo получается при полностью открытом тиристоре, когда угол a=0 (естественное открывание относительно синусоиды напряжения питания). При изменении угла a можно изменять среднее значение выпрямленного напряжения.

Аналогично протекают процессы открывания и закрывания тиристоров и в других схемах УВ, например, в однофазной мостовой. Выпрямленные напряжение и ток содержат постоянную и переменную составляющие. Наличие пульсаций (переменной составляющей) ухудшает условия коммутации двигателей постоянного тока и увеличивает потери в них. Поэтому на выходе УВ устанавливается индуктивный фильтр, включаемый последовательно с якорем двигателя (нагрузкой). Этот фильтр обладает большим реактивным сопротивлением для переменной составляющей выпрямленного тока, которая значительно уменьшается. Падение напряжения от этой составляющей на активном сопротивлении фильтра незначительно. Другим средством уменьшения пульсаций является использование многофазных схем выпрямления.

1.2 Основные однофазные силовые схемы УВ

тиристор импульс усилитель генератор

Количественные показатели работы силовой схемы характеризуются следующими коэффициентами:

1)   коэффициентом схемы

Ксх=Ud/U2,

где U2 - напряжение вторичной обмотки трансформатора,d - среднее значение выпрямленного напряжения;

2)   коэффициентом пульсаций

Кп=Uпmax/Umax ,

где Uпmax - максимальная амплитуда пульсаций,max - амплитуда выпрямленного напряжения;

3)   коэффициентом использования трансформатора

Ки=Sт/Pd,

где Sт - полная мощность трансформатора,d - выпрямленная мощность в нагрузке.

Отметим следующие соотношения для расчета тока и напряжения тиристора, используемые при выборе тиристоров:

1)   средний ток через тиристор

vs= Кзап×Id/(n* Ко) (1) ,

гдеКо - коэффициент, учитывающий способ охлаждения тиристора (Ко=1 при водяном охлаждении, Ко=0,3 при естественном воздушном охлаждении, Ко=0,3...0,6 при принудительном воздушном охлаждении);d - средний выпрямленный ток (Id = Iн ),- число тактов выпрямления схемы, n=1 (однофазная однополупериодная), n=2 (однофазные нулевая и мостовая),

Кзап=1,25…2,0;

2)   максимальное напряжение тиристора,

Uобр.макс. =kзап××U     (2) ,

где kзап - коэффициент запаса, учитывающий превышение напряжения, Кзап=1,25…2,0.

1.2.1 Однофазная однополупериодная схема

Схема и диаграмма выпрямленного напряжения показаны на рис.3. На схеме обозначены: TV1 - согласующийсиловой трансформатор,

- тиристор силовой схемы,L1 - сглаживающий дроссель, Zн - нагрузка.

Импульсы управления подаются на управляющий электрод тиристора VS1 с частотой питающего напряжения ~Uc.

Схема имеет следующие количественные показатели:

Ксх=0,45; Кп=1,0; Ки=3,5.

Основные расчетные соотношения в схеме:

vsзап*U2*Ö2, Ivs= Кзап*Id/ К0).

Достоинства схемы:

-      небольшое число тиристоров,

-        малое число каналов управления тиристорами,

Недостатки схемы:

-      низкий коэффициент схемы,

-        завышенная мощность силового трансформатора вследствие подмагничивания его вторичной обмотки выпрямленным током,

         большие габариты и вес сглаживающего фильтра.

Применение схемы: бытовыеэлектрорегуляторы.

1.2.2 Однофазная нулевая схема


Схема и диаграмма выпрямленного напряжения показаны на рис.4. На схеме обозначены: TV1 - согласующийсиловой трансформатор, VS1 - VS2 - тиристоры силовой схемы,L1 - сглаживающий дроссель, Zн - нагрузка. Импульсы управления подаются на тиристоры VS1,VS2 со сдвигом 180o.

Схема имеет следующие количественные показатели:

Ксх=0,9; Кп=1,0; Ки=1,34.

Основные расчетные соотношения в схеме:

vsзап*U2*Ö2, Ivs= Кзап*Id/(2* Ко).

Достоинство схемы (по сравнению с однофазной однополупериодной):

лучший коэффициент использования трансформатора,

меньше габариты и вес сглаживающего фильтра.Недостатки схемы:

-    большее число тиристоров,

-        большее число каналов управления тиристорами.

Применение схемы: электропривод малой мощности, а также преобразователи различных технологических установок.

1.2.3 Однофазная мостовая схема

Схема и диаграмма выпрямленного напряжения показаны на рис.5. На схеме обозначены: TV1 - согласующийсиловой трансформатор, VS1 - VS4 - тиристоры силовой схемы,L1 - сглаживающий дроссель, Zн - нагрузка.

Импульсы управления подаются синхронно попарно на тиристоры VS1,VS4 и сосдвигом 180o на тиристоры VS2,VS3.

Схема имеет следующие количественные показатели:

Ксх=0,9, Кп=1,0, Ки=1,1.

Основные расчетные соотношения в схеме:

vsзап*U2*Ö2, Ivs= Кзап*Id/(2* Ко).

Достоинство схемы (по сравнению с однофазной нулевой):

-    больший коэффициент схемы,

-        проще конструкция трансформатора (без средней точки).

Недостатки схемы:

-    большее число тиристоров,

-        большее число каналов управления тиристорами.

Применение схемы: электропривод малой мощности, блоки питания, зарядные устройства.

1.2.4 Однофазная мостовая полууправляемая схема


Схема и диаграмма выпрямленного напряжения показаны на рис.6. На схеме обозначены: VS1 - VS2 - тиристоры силовой схемы,VD1 - VD2 - диоды силовой схемы,L1 - сглаживающий дроссель, Zн - нагрузка. Диаграммы выпрямленного напряжения этой схемы аналогичны диаграммам, показанным на рис.5.

Импульсы управления подаются на тиристор VS1 и сосдвигом 180o на тиристор VS2.

Схема имеет те же количественные показатели и расчетные соотношения, что и предыдущая.

Достоинство схемы (по сравнению с однофазной мостовой):

-    меньшее число тиристоров и каналов управления ими.

Недостатки схемы:

-    невозможность режима инвертирования.

Применение схемы: электропривод малой мощности, блоки питания, зарядные устройства.


1.3 Системы управления УВ

Для управления тиристорными преобразователями наиболеечасто применяются системы импульсно-фазового управления (СИФУ), осуществляющие вертикальный способ управления тиристорами. СИФУ позволяют изменять угол регулирования a в пределах от 0 до 180о, обеспечивая тем самым изменение выходного напряжения от 0 до номинального значения.

К СИФУ предьявляются следующие требования:

должна быть обеспечена линейная зависимость угла отпирания тиристора от напряжения управления a=f(Uу) в пределах от 0 до 180о,

амплитуда импульса должна быть достаточной для надежного отпирания тиристора (обычно Uуэ = 8…10 В, Iуэ ≤ 1 А),

импульс управления должен быть узким, с крутым передним фронтом, продолжительностью в 2-3 раза больше, чем время включения тиристора ( ≥100 мкс).

Функциональная схема одного каналаСИФУ и диаграммы работы его элементов показаны соответственно на рис.7 и рис.8.


На схеме обозначены:

ИСН - источник синхронизирующего напряжения, обычно выполняется в виде понижающего маломощного трансформатора или(реже) в виде резистивного делителя напряжения. Необходим для синхронизации работы тиристора и его канала управления (СИФУ).

ГПН - генератор периодического напряжения, как правило,линейно нарастающего ("пилообразного").

К - компаратор. Здесь сравниваются дванапряжения - с выхода ГПН и напряжение управления. На выходе компаратора вырабатывается угол регулирования a.

УФ - усилитель-формирователь импульсов управления, формирующий необходимые параметры импульса управления тиристором:амплитуду, длительность и форму.

ГР - гальваническая развязка, необходимая для разделения высокого потенциала силовой части тиристорного преобразователя и низкого потенциаласистемы управления, а также для согласования выходного сопротивления УФ с входным сопротивлением тиристора. Обычно выполняется на импульсном трансформаторе или оптроне.


Система управления УВ строится на основе функциональной схемы, приведенной на рис.7.

1.4 Статические характеристики УВ

Регулировочная характеристика УВ, отражающая зависимость

вых =Ud0×(1+cos)/2, показана на рис.10.

Выходная характеристика УВ показана на рис.11.

1.5 Защита УВ

Силовой согласующий трансформатор и силовая схема УВ должны быть защищены от токов короткого замыкания (к.з.) и токов перегрузки. Как правило, такие виды защит осуществляются автоматическими выключателями (автоматами) с комбинированными расцепителями. Расцепитель токов к.з. рассчитан на мгновенное срабатывание автомата при токе (2…10)Iн, а расцепитель токов перегрузки - на задержанное срабатывание автомата при токе (1,1…2,0)Iн . Номинальный ток автомата выбирается равным или немногим больше номинального тока защищаемого устройства. Данные автоматов приведены в табл.3.

Достоинства УВ:

. Высокий КПД (до 98-99%).

. Высокая удельная мощность.

. Естественное закрывание тиристоров.

. Относительная простота и надежность.

Недостатки УВ:

. Ухудшение гармонического состава питающей сети.

. Уменьшение коэффициента мощности при увеличенииугла управления.

. Ограничения по быстродействию.

Область применения УВ:

. Управляемый электропривод постоянного тока.

. Электротехнологические установки.

. Зарядные устройства.

2. Расчет элементов силовой части

.1 Выбор трансформатора

Мощность выбираемого трансформатораSт рассчитывается по формуле (3):

т = kи ×Iн ×Uн,               (3)

 

где kи - коэффициент использования,

Iн - номинальный ток двигателя (А),

Uн - номинальное напряжение двигателя (В).

Номинальные данные двигателя приведены в табл.1. Выбор трансформатора производится по табл. 2. Его мощность должна быть не меньше, чем расчетная мощность по формуле (3).

Напряжение вторичной обмоткиUвыбирается по формуле (4) и округляется до стандартного значения (U в табл. 2) в большую сторону:

≥Uн / Ксх,   (4)

где U - номинальное напряжение на вторичной обмотке трансформатора,

Ксх - коэффициент схемы (для однофазной мостовой схемы Ксх = 0,9).

Sт = kи×Iн×Uн =1,1*1,8*220=435,6 Вт (3)

Таблица 1.

№ вариантаТипУгловая скорость (nн), об/минМощность (Рн), кВтНапряжение (Uн), ВТок (Iн), А






4

4ПО80А2

1000

0,25

220

1,8


U ≥ Uн / Ксх=110/0,9=123~130В

Таблица 2

Тип

Номинальная мощность (Sт), кВА

Номинальные напряжения обмоток, В

Мощ-ностьКЗ (DPкз), Вт

Uкз, %



Первичной U=Uc

Вторичных (U)



ОСМ-0,63-УХЛЗ

0,63

220

260

12

3,5


2.2 Расчет и выбор тиристоров

Для выбора нужного тиристора силовой части УВ необходимо рассчитать средний ток тиристора Iср и максимальное обратное напряжение Uобр.макс. по формулам (1) и (2). По данным расчета, округленным до стандартного значения в большую строну, выбираем тип тиристора и его предельные параметры. Рекомендуемый тип тиристора в зависимости от среднего тока приведен в табл.4.

 
Таблица 4

Тиристор

Т112

Т112

Т122

Т122

Т142

Т132

Т132

Т142

Т142

Iср, А

10

16

20

25

32

40

50

63

80

Δ Uтир , В

1,25

1,2

1,15

1,1

1,25

1,05

1,03

0,95

0,93

tвкл, мкс

50

50

50

50

50

50

50

50

50


Пример обозначения тиристора для спецификации: Т112-10-8.

vs= Кзап×Id/(n* Ко) (1)

гдеКо - коэффициент, учитывающий способ охлаждения тиристора (Ко=1 при водяном охлаждении, Ко=0,3 при естественном воздушном охлаждении, Ко=0,3...0,6 при принудительном воздушном охлаждении);d - средний выпрямленный ток (Id = Iн ),- число тактов выпрямления схемы, n=1 (однофазная однополупериодная), n=2 (однофазные нулевая и мостовая),

vs= Кзап×Id/(n* Ко)=2*1,8/(2*0,3)=6(А)

Uобр.макс. =kзап××U     (2)

где kзап - коэффициент запаса, учитывающий превышение напряжения, Кзап=1,25…2,0.

обр.макс. =kзап××U=2**260=733,2(В)

2.3 Выбор сглаживающего дросселя

Индуктивность дросселя фильтра из условия непрерывности тока в нем должна быть


Индуктивность необходимого сглаживающего дросселя определяется по следующей формуле:

Lс.д.= ,                   (5)

Lс.д.= -184,732(Гн)

где m - число пульсаций за период (m =1 для однофазной однополупериодной схемы, m =2 для нулевой и мостовой однофазных схем),

с - частота сети, с = 2×p×f , f= 50 Гц;

Ud0 - напряжение преобразователя при нулевом угле управления (В),

Ud0 = kсх×U,                 (6)

d0 = 260*0,9=234(В)

Iн - номинальный ток двигателя (А);

Lтр - индуктивность трансформатора (Гн);

Lтр= ,       (7)

тр= ,

где xa - индуктивное сопротивление обмотки трансформатора (Ом).

a= ,    (8)

a= ,

где Sн - номинальная мощность трансформатора (ВА), см. табл. 2.

дв= ,      (9)

дв= ,

где k - коэффициент, учитывающий компенсированность двигателя

( k = 6…8);

Uн - номинальное напряжение двигателя (В), см. табл. 1;

nн - номинальная угловая скорость двигателя (об/мин), см. табл. 1;

p - число пар полюсов (2p = 4).

2.4 Расчет активного сопротивления трансформатора

Активное сопротивление трансформатора рассчитывается по следующей формуле:

Rтр= ,     (10)

Rтр =

где DPкз - потери трансформатора в режиме КЗ (табл. 2);

U - номинальное напряжение на вторичной обмотке трансформатора (В);

Sн - номинальная мощность трансформатора (ВА).

2.5 Расчет сопротивления тиристора

Сопротивление тиристора определяется формулой (12):

,        (12)

,

где DUтир - падение напряжения на тиристоре, находящемся в открытом состоянии (табл.4);ср - средний ток выбранного тиристора (А), см. п. 2.2.

2.6 Расчет коммутационного сопротивления при включении - выключении тиристоров

Rком= ,       (13)

ком = =1,195(Ом)

где xa - индуктивное сопротивление обмотки трансформатора (Ом),

m - число пульсаций за период (см. п. 2.3).

2.9 Расчет активного сопротивления УВ

Активное сопротивление преобразователя для мостовых схем рассчитывается по формуле:

п = Rсд + Rтр + 2×Rтир + Rком    (14).

п = 0,105 + 0,316 + 2×0,125 + 1,195=1,866(Ом)

Для нулевых схем множитель 2 в формуле (14) опускается.

. РАСЧЕТ ЭЛЕМЕНТОВ СИСТЕМЫ УПРАВЛЕНИЯ

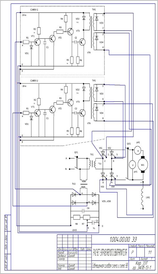
Принципиальная схема одного канала системы управления двумя тиристорами мостового УВ приведена на рис.П2.

На схеме рис.П2 обозначено:

VT1 - транзистор генератора периодического напряжения (ГПН). Наклон линейно изменяющегося напряжения генератора регулируется подбором элементов R2, С1. Резистор R1 ограничивает амплитуду напряжения, поступающего с источника синхронизирующего напряжения (ИСН). Диод VD1 отсекает опасное для транзистора VT1 положительное напряжение ИСН.

VT2 - транзистор компаратора (К). Он открывается, если линейно нарастающее напряжение с ГПН превышает заданный уровень напряжения управления Uу.

VT3 - транзистор усилителя импульсов напряжения компаратора.

С2, R6 - формирователь коротких импульсов управления для блока усилителя-формирователя (УФ) канала СИФУ.

VT4 - транзистор усилителя мощности импульсов управления УФ.

ТИ1 - импульсный трансформатор гальванической развязки (ГР).

VD2, VD3, VD4 - диоды, предназначенные для отсечения паразитных импульсов отрицательной полярности, т.к. на управляющий электрод тиристора допускается подавать импульсы управления только положительной полярности. Выходная клемма 1 (3) подсоединяется к управляющему электроду, а клемма 2 (4) - к катоду тиристора.

3.1 Расчет элементов генератора периодического напряжения

.1.1 Выбор транзистора VT1

Выбор транзистора VT1 производится по максимальным напряжению Uкэ и току коллектора Iк , коэффициенту усиления по току β и мощности Рдоп.

Учитывая, что условия работы транзистора соответствуют условиям работы предварительного каскада усиления (малая мощность Рдоп≤ 0,3 Вт, ток коллектора Iк≥ 0,05 А, коэффициент усиления β ≥20),напряжение питания СИФУ (Uп = 24 В) и вид транзистора (p-n-p), выбираем транзистор VT1 из табл.5.

Основные данные транзисторов. Таблица 5.

Тип транзи-стора

Максимальное напряжение «коллектор-эмиттер», Uкэ

Максима-льный ток коллектора, Iк , А

Коэффици-ент усиления по току (β)

Мощ-ность, Рдоп , Вт

Макси-мальная частота, мГц

Вид транзи-стора

Мате-риал

Транзисторы малой мощности

КТ361Д

40

20-90

0,15

100

p-n-p

кремний

КТ203 Б

30

0,01

30-90

0,15

5

p-n-p

кремний

ГТ308Б

20

0,05

50-120

0,15

6

p-n-p

германий

КТ3102А

50

0,1

100-250

0,25

100

n-p-n

кремний

КТ315В

40

0,1

20-90

0,15

100

n-p-n

кремний

КТ208К

45

0,15

20-240

0,2

5

p-n-p

кремний

КТ214Г

40

0,05

40-120

0,05

5

p-n-p

кремний

КТ3107А

45

0,1

70-140

0,3

200

p-n-p

кремний

Транзисторы средней мощности

КТ815А

40

1,5

≥40

1

3

n-p-n

кремний

КТ940А

300

0,1

≥25

1

90

n-p-n

кремний

Транзисторы большой мощности

ГТ402Г

40

1,25

60-150

2

0,008

p-n-p

германий

КТ814В

60

1,5

≥40

10

3

p-n-p

кремний

КТ816Г

100

3

≥25

25

3

p-n-p

кремний

КТ818Б

50

10

≥20

60

3

p-n-p

кремний

КТ801А

80

2

13-50

5

10

n-p-n

кремний

КТ825Г

90

20

≥750

125

1

p-n-p

кремний


3.1.2 Выбор отсекающего диода VD1

Учитывая, что диод VD1 должен иметь малое прямое падение напряжение Uпр ≤ 0,7 В, максимальное напряжение Uобр>Uп и максимальный прямой ток Iпр ≥ 0,3 А, выбираем диод VD1 из табл.6.

Таблица 6

Тип

Максимальный прямой ток, А

Максимальное напряжение, В

Прямое падение напряжения, В

Материал

Диапазон температур,0С

2Д222ЕС

3

40

0,65

Кремний

-60…+125

КД203А

10

400

1

Кремний

-60…+125

КД213Б

10

200

1

Кремний

-60…+125


3.1.3 Выбор ограничивающего резистора R1

Сопротивление резистора R1 определяется по формуле

R1 ≥

R1≥

где Uсинхр - напряжение синхронизации силовой части УВ и СИФУ, В;

Iк - максимальный ток коллектора выбранного транзистора VT1, А;

βмин - минимальный коэффициент усиления VT1 из табл.5.

Величина сопротивления резистора R1 округляется до номинального значения. Номинальные величины сопротивлений: Rном = (10, 11, 12, 13, 15, 16, 18, 20, 22, 24, 27, 30, 33, 36, 39, 43, 47, 51, 56, 62, 68, 75, 82, 91)х10n Ом.

Мощность резистора R1 определяется по формуле

Р≥ (Вт)

Р≥

где R1 - выбранное номинальное значение резистора.

Тип и номинальная мощность резистора R1 выбирается по табл.7.

Таблица 7

Рн, Вт

0,125

0,25

0,5

1,0

2,0

7,5

10

15

20

Тип

МЛТ

МЛТ

МЛТ

МЛТ

МЛТ

ПЭВ

ПЭВ

ПЭВ

ПЭВ


3.1.4 Выбор цепи заряда генератора С1, R2

Сначала задаются емкостью конденсатора С1, а затем определяют сопротивление резистора R2 из следующего соотношения:

R2 =

2 =

где Uп- напряжение питания СИФУ, В;

Uгпн- амплитуда выходного напряжения ГПН, В;

С1 - емкость конденсатора С1, Ф.

Рекомендуется Uгпн =8 В, а С1=1 мкФ.

Мощность сопротивления R2 определяется по формуле

Р≥ (Вт)

Р≥

0,125

МЛТ


где R2 - выбранное номинальное значение резистора.

Тип и номинальная мощность резистора R2 выбирается по табл.7.

Тип и номинальное напряжение конденсатора С1 выбирается по табл.8.

Таблица 8

Тип

Номинальная емкость, мкФ

Допускаемые отклонения, %

Максимальное напряжение, В

Частота, Гц

Диапазон температур,0С

МБМ

0,1; 0,25; 0,5; 1,0

10, 20

160

5…100

-60…+70

К50-12

10, 50, 100, 200, 500, 1000, 4000

от +80 до -20

12, 25, 50, 100

-

-10…+70


3.2 Расчет элементов компаратора

3.2.1 Выбор транзистора VT2

Выбор транзистора VT2 производится по максимальным напряжению Uкэ и току коллектора Iк , коэффициенту усиления по току β и мощности Рдоп.

Учитывая, что условия работы транзистора соответствуют условиям работы предварительного каскада усиления (малая мощность Рдоп≤ 0,3 Вт, ток коллектора Iк≥ 0,05 А, коэффициент усиления β ≥20),напряжение питания СИФУ (Uп = 24 В) и вид транзистора (p-n-p), выбираем транзистор VT2 из табл.5.

Тип транзи-стора

Максимальное напряжение «коллектор-эмиттер», Uкэ ,В

Максима-льный ток коллектора, Iк , А

Коэффици-ент усиления по току (β)

Мощ-ность, Рдоп , Вт

Макси-мальная частота, мГц

Видтранзи-стора

Мате-риал

КТ361Д

40

0,05

20-90

0,15

100

p-n-p

кремний


3.2.2 Выбор транзистора VT3

Выбор транзистора усилителя сигнала компаратора VT3 производится по максимальным напряжению Uкэ и току коллектора Iк , коэффициенту усиления по току β и мощности Рдоп.

Учитывая, что условия работы транзистора соответствуют условиям работы промежуточного каскада усиления (малая мощность Рдоп≤ 0,3 Вт, ток коллектора Iк≥ 0,1 А, коэффициент усиления β ≥20),напряжение питания СИФУ (Uп = 24 В) и вид транзистора (n-p-n), выбираем транзистор VT3 из табл.5.

Тип транзи-стора

Максимальное напряжение «коллектор-эмиттер», Uкэ ,В

Максима-льный ток коллектора, Iк , А

Коэффици-ент усиления по току (β)

Мощ-ность, Рдоп , Вт

Макси-мальная частота, мГц

Видтранзи-стора

Мате-риал

КТ315В

40

0,1

20-90

0,15

100

n-p-n

кремний


3.2.3 Выбор ограничивающего резистора R3

Резистор R3 ограничивает ток базы транзистора VT3.

Сопротивление резистора R3 определяется по формуле

R3 ≥ (Ом)

3 ≥

где Uп- напряжение питания СИФУ, В;

Iк- максимальный ток коллектора выбранного транзистора VT3, А;

βмин - минимальный коэффициент усиления VT3 из табл.5.

P≥0,12(Вт)

3.2.4 Выбор резистора смещения R4

Резистор R4 подает необходимое напряжение смещения на базу транзистора VT3 для наилучшего усиления выходного напряжения компаратора.

Сопротивление резистора R4 определяется по формуле

4=0,2∙ R3 (Ом).

4=0,2∙ 4800=960(Ом)

P≥0,6(Вт)

МТЛ 1,0

3.2.5 Выбор ограничивающего резистора R5

Резистор R5 ограничивает ток коллектора транзистора VT3.

Сопротивление резистора R5 определяется по формуле

5 ≥ (Ом)

5 ≥

где Uп- напряжение питания СИФУ, В;

Iк- максимальный ток коллектора выбранного транзистора VT3, А.

P≥0,12(Вт)

МДТ 0,125

3.3 Расчет элементов усилителя-формирователя импульсов управления

.3.1 Выбор транзистора VT4

Выбор транзистора VT4 производится по максимальным напряжению Uкэ и току коллектора Iк , коэффициенту усиления по току β и мощности Рдоп.

Учитывая, что условия работы транзистора соответствуют условиям работы выходного каскада усиления (большая мощность Рдоп≥ 3 Вт, ток коллектора Iк≥ 1,5 А, высокий коэффициент усиления β ≥20),напряжение питания СИФУ (Uп = 24 В) и вид транзистора (p-n-p), выбираем транзистор VT4 из табл.5.

Тип транзи-стора

Максимальное напряжение «коллектор-эмиттер», Uкэ ,В

Максима-льный ток коллектора, Iк , А

Коэффици-ент усиления по току (β)

Мощ-ность, Рдоп , Вт

Макси-мальная частота, мГц

Видтранзи-стора

Мате-риал

КТ814В

60

1,5

≥40

10

3

p-n-p

кремний


3.3.2 Расчет формирователя коротких импульсов управления С2, R6

Сначала задаются емкостью конденсатора С2, а затем определяют сопротивление резистора R6 из следующего соотношения:

R6 =

6 =

где tвкл- время включения тиристора, с;

С2 - емкость конденсатора С2, Ф. R6 возьмем 300 Ом.

Рекомендуется выбрать С2=0,25 мкФ, а tвкл указано в табл.4.

Мощность сопротивления R6 определяется по формуле

Р≥ (Вт)

Р≥ (Вт)

где R6 - выбранное номинальное значение резистора.

Тип и номинальная мощность резистора R6 выбирается по табл.7.

МЛТ 1

Тип и номинальное напряжение конденсатора С2 выбирается по табл.8.

Тип

Номинальная емкость, мкФ

Допускаемые отклонения, %

Максимальное напряжение, В

Частота, Гц

Диапазон температур,0С

МБМ

0,25

10,20

160

5…100

-60…+70


3.4 Выбор элементов гальванической развязки импульсов управления

В качестве устройства гальванической развязки рекомендуется импульсный трансформатор типа Т103 (ТИ1). Трансформатор имеет одну первичную и две вторичные обмотки, намотанных на кольцевом ферритовом сердечнике и залитых эпоксидным компаундом. Все обмотки имеют одинаковое количество витков (100), поэтому коэффициент трансформации равен 1. Клеммы первичной обмотки ТИ1 (входные) подключены между выводом «-» источника питания СИФУ и эмиттером транзистора VT4; клемма 1 (3) вторичной обмотки (выходная) подсоединяется к управляющему электроду, а клемма 2 (4) - к катоду тиристора.

Учитывая, что диоды VD2-VD4 должны иметь малое прямое падение напряжение Uпр ≤ 1 В, максимальное напряжение Uобр> 1,41U2 и максимальный прямой ток Iпр ≥ 0,3 А, выбираем диоды из табл.6.

Тип

Максимальный прямой ток, А

Максимальное напряжение, В

Прямое падение напряжения, В

Материал

Диапазон температур,0С

2Д222ЕС

3

40

0,65

Кремний

-60…+125


3.5 Выбор элементов блока питания и задатчика напряжения управления

Принципиальная схема блока питания (БП) и задатчика напряжения управления для системы управления УВ приведена на рис.П1.

Понижающий трансформатор блока питания (TV2) выбирается из табл.2 исходя из следующих условий: напряжение первичной обмотки U =220 В, напряжение вторичной обмотки U = 24 В; СИФУ потребляет ток не более 1 А, номинальная мощность (Sн) рассчитывается по формуле (3).

т = kи ×Iн ×Uн

т = 1,1× 1*2× 24=52,8 (ВА)

Тип

Номинальная мощность (Sт), кВА

Номинальные напряжения обмоток, В

Мощ-ностьКЗ (DPкз), Вт

Uкз, %

ОСМ-0,063-УХЛ3

0,063

220

24

5

12


3.5.2 Выбор выпрямителя и сглаживающего фильтра блока питания

Диоды выпрямительного моста (VD5 - VD8) необходимо выбирать исходя из того, что СИФУ потребляет ток не более 1 А. Расчет и выбор VD5 - VD8 производится по формулам (1) - (2).

 

 

Тип

Максимальный прямой ток, А

Максимальное напряжение, В

Прямое падение напряжения, В

Материал

Диапазон температур,0С

КД203А

10

400

1

Кремний

-60…+125


Величина емкости сглаживающего конденсатора С4 определяется как

С4=1,5∙106

С4=1,5∙106   (мкФ)

где f - частота сети,

U-напряжение вторичной обмотки трансформатора,

Iн -ток нагрузки (ток, потребляемый СИФУ),

КП - допустимый коэффициент пульсаций (допустимый КП =0,2).

В качестве емкости сглаживающего фильтра (С4) рекомендуется конденсатор типа К50-12 *3шт. (табл.8).

Тип

Номинальная емкость, мкФ

Допускаемые отклонения, %

Максимальное напряжение, В

Частота, Гц

Диапазон температур,0С

К50-12

4000

от +80 до -20

25

-

-10…+70


3.5.3 Выбор элементов задатчика напряжения управления

Задатчик напряжения управленияСИФУ состоит из потенциометра R7, ограничивающего резистора R8 и развязывающей емкости С4. Исходя из условий Uгпн =8 В и Uп=24 В, приходим к соотношению R8=2∙R7.

Принимаем значение R7=1 кОм. Тогда R8=2 кОм.

Мощность резистора R7 определяется по формуле

Р≥ (Вт)

Р≥ (Вт)

В качестве резистора R7 рекомендуется использовать переменное сопротивление типа СП-0,5.

Мощность резистора R8 определяется по формуле

Р≥ (Вт)

Тип и номинальная мощность резистора R8 выбирается по табл.7.

Рн, Вт

0,5

Тип

МЛТ


В качестве развязывающей емкости С4 рекомендуется использоватьконденсатор типа К50-12 емкостью 10 мкФ и напряжением 50 В (табл.8).

Тип

Номинальная емкость, мкФ

Допускаемые отклонения, %

Максимальное напряжение, В

Частота, Гц

Диапазон температур,0С

К50-12

10

от +80 до -20

50

-

-10…+70


3.5.4 Выбор выключателей QF1-QF2

 

4. РАСЧЕТ ХАРАКТЕРИСТИК УВ

4.1 Регулировочная характеристика

Uвых = Ud0×(1+cos)/2 вых = Ud0×(1+cos)/2

d0=0,9*260=235(В)

где Ud0 - напряжение преобразователя при нулевом угле управления (В);

угол управления ( 0о£a£ 180о ).

Регулировочная характеристика УВ показана на рис.10.

Рис.10.

4.2 Выходная характеристика

вых = Ud0 - I×Rп,             (18)

Uвых =234-1,8*0,2=233,64 (В)

где I - текущий ток.

Выходная характеристика УВ показана на рис.11.

Рис.11.

ЗАКЛЮЧЕНИЕ

В этой работе по данным двигателя 4ПО80А2 были рассчитаны параметры элементов, которые необходимо использовать в схеме управляемого тиристорного выпрямителя.

Управляемый выпрямитель включает в себя: силовую схему однофазного тиристорного выпрямителя, систему управления выпрямителя, блок питания системы управления.

Результаты расчета показали, что спроектированное устройство удовлетворяет требованиям технического задания.

Библиографический список

1.       Промышленная электроника в электроприводе: Учебное пособие для бакалавров направления 140400. - Иркутск, 2011. 123 с. ЭИ.

2.      М.П.Дунаев. Промышленная электроника в электроприводе: Методические указания по выполнению лабораторных работ. -Иркутск: ИрГТУ, 2011. 30 с.

.        М.П.Дунаев. Промышленная электроника в электроприводе: Методические указания к выполнению практических занятий. -Иркутск: ИрГТУ, 2011. 31 с.

.        М.П.Дунаев. Промышленная электроника в электроприводе: Методические указания к самостоятельной работе.- Иркутск: ИрГТУ, 2011. 7 с.

.        Силовая электроника: учебник по направлению "Электротехника, электромеханика и электротехнологии" / Ю. К. Розанов, М. В. Рябчицкий, А. А. Кваснюк. - 2-е изд., М.: Изд. дом МЭИ, 2009. - 631 с.

.        М.П.Дунаев. Преобразовательная техника / Учебное пособие.- Иркутск: ИрГТУ, 2001. 77 с.

Приложение

Перечень элементов принципиальной схемы УВ

Позиция

Обозначение

Кол.

Примеч.


Резисторы:



R1

МЛТ 0,25 12кОм

2

СИФУ

R2

МЛТ 0,125 30кОм

2

СИФУ

R3

МЛТ 0,125 5,1кОм

2

СИФУ

R4

МЛТ 1,0 1кОм

2

СИФУ

R5

МЛТ 0,125 5,1кОм

2

СИФУ

R6

МЛТ 0,125 0,3кОм

2

СИФУ

R7

СП-0,5 1кОм

1

Задатчик СИФУ

R8

МЛТ-0,25 2кОм

1

Задатчик СИФУ


Конденсаторы:



С1

МБМ 1,0*160В

2

СИФУ

С2

МБМ 0,25*160В

2

СИФУ

С3

К50-12 10,0*25В

1

Задатчик СИФУ

С4

К50-12 4000,0*25В

3

Блок питания СИФУ


Диоды:



VD1

2Д222ЕС

2

СИФУ

VD2...VD4

2Д222ЕС

6

СИФУ

VD5...VD8

КД203А

4

Блок питания СИФУ


Транзисторы:



VT1,VT2

КТ315В

4

СИФУ

VT3

КТ315В

2

СИФУ

VT4

КТ814В

2

СИФУ


Тиристоры:



VS1…VS4

T112-16-3

4

Силовая схема УВ


Трансформаторы



TV1

ОСМ-1,0-УХЛЗ, 220/130

1

На входе УВ

TV2

ОСМ-0,063-УХЛЗ 220/24

1

Блок питания СИФУ

ТИ1

Т103

2

На выходе СИФУ


Измерительные приборы



рV1

М4200, 150В

1

На выходе УВ

рА1

М4200, 10А

1

На выходе УВ


Автоматич. выключатели



QF1

ВА47-29-2С, 6А

1

На входе TV1

QF2

ВА-47-29-2С, 10А

1

На выходе УВ



Не нашли материал для своей работы?
Поможем написать уникальную работу
Без плагиата!
Без нейросетей!