Расчет управляемого выпрямителя
Министерство
науки и образования Украины, молодежи и спорта
Донбасская
государственная машиностроительная академия
Кафедра:
«Электромеханические системы автоматизации и электропривод»
ЗАДАНИЕ
К
курсовой работе
на
тему: «расчет управляемого выпрямителя»
по
дисциплине : «Автоматизация технологических процессов»
ИСХОДНЫЕ ДАННЫЕ
выпрямленное напряжение Ucp = 220 В;
глубина регулирования D = 11;
выпрямленный ток Iср = 1000 А;
напряжение питающей сети Uс = 380 В;
частота тока питающей сети f = 50 Гц.
Завдання видано: 01.02.2012
Дата захисту: 05.03.2012
Керівник роботи: Мотовилов С. А.
_________ (підпис)
Завдання прийняв: Боровской Д.В.
_________ (підпис)
Введение
Преобразование переменного тока в постоянный
является в настоящее время наиболее распространенным видом преобразования
электрической энергии. Полупроводниковые управляемые выпрямители нашли широкое
применение в различных отраслях промышленности: на железнодорожном транспорте,
питания процессов электролиза в цветной металлургии и химической
промышленности, в системах возбуждения крупных электрических генераторов, для
питания систем электропривода постоянного тока различного назначения и
мощности, на тяговых подстанциях и магистральных электровозах и т.д.
При всем разнообразии схем и нагрузок методика
расчета данного класса преобразователей одинакова и может быть сведена к
расчету и выбору элементов одного комплекта управляемого выпрямителя.
. СПОСОБЫ РЕГУЛИРОВАНИЯ
НАПРЯЖЕНИЯ ВЫПРЯМИТЕЛЕЙ
Современные полупроводниковые выпрямительные
устройства, как правило, имеют системы автоматического регулирования выходных
электрических параметров. При использовании для выпрямителей большой мощности
тиристоров системы управления получаются довольно сложными. Кроме того,
надежность управляемых полупроводниковых вентилей ниже, чем диодов, а стоимость
выше. Эти причины заставляют в ряде случаев отказаться от применения тиристоров
и изыскивать возможность регулирования выпрямленного напряжения выпрямителей,
выполненных на диодах.
Выпрямленное напряжение
выпрямителя на диодах можно регулировать: на стороне постоянного тока - при
помощи реостата или потенциометра; на стороне переменного тока: а) изменением
подведенного к выпрямителю переменного напряжения (переключением под нагрузкой
отпаек трансформатора или автотрансформатора, питающего выпрямитель, а также
плавным изменением подводимого к выпрямителю напряжения при помощи
трансформаторов с подвижными катушками или выдвижными сердечниками); б)
использованием дросселей насыщения, подмагничиваемых постоянным током; при этом
дроссели насыщения могут быть выполнены в виде отдельных устройств либо сам
трансформатор может содержать насыщаемый постоянным током сердечник.
Отдельную область представляет
регулирование выпрямленного напряжения с помощью управляемых вентилей -
тиристоров, которое можно осуществить несколькими способами: 1) регулирование
путем изменения параметров вентилей, входящих непосредственно в выпрямитель; 2)
регулирование параметров вентилей, включенных в первичную обмотку трансформатора;
3) широтно-импульсное регулирование на стороне постоянного тока.
Регулирующее устройство
необходимо выбирать, исходя из ряда факторов, важнейшими из которых являются
требования к диапазону регулирования, величине и числу ступеней напряжения или
плавности изменения напряжения, коэффициенту мощности и КПД.
.
. ОПИСАНИЕ И КРАТКИЕ СВЕДЕНИЯ
В качестве объекта используем токарный станок
ТП-130-10-Ф3 с ЧПУ Fagor-8035.
Токарный станок ТП-130-10-Ф3 с ЧПУ Fagor-8035
Предназначен для прецизионной обработки деталей из любых сталей, сплавов,
титана. Высокая точность обеспечивается за счет жесткости конструкции,
механизации производства, качественных комплектующих. Высокая
производительность обеспечивается высокими скоростями шпинделя и суппортов,
быстрым удалением стружки, благодаря наклону станины на 60 градусов. Удобное
управление и пусконаладочные работы благодаря легкому доступу к шпинделю и
инструментам, применению современной системы ЧПУ Fagor-8035 из Испании.
Безопасность эксплуатации обеспечивается защитными приспособлениями,
блокировкой смотровой дверцы во время работы станка, контролем за давлением
воздуха и т.д.
Высокая точность обработки деталей на станке
ТП-130 достигается:
За счет снижения уровня вибрации. Это стало
возможным, во-первых, благодаря применению жесткой конструкции шпиндельного
узла, а во-вторых, за счет использования высокоточных ответственных деталей и
устройств.
Благодаря станине, расположенной с наклоном под
углом 60 градусов, что сделано для отвода стружки
За счет использования тонкой фильтрации
смазочно-охлаждающих жидкостей
Благодаря существенному снижению трения в
механизмах перемещения подвижных узлов.
За счет высокой степени автоматизации
технологического процесса
Токарный станок с ЧПУ ТП-130 способен выполнять
любой тип токарных операций, а именно:
Обточка и расточка поверхностей цилиндрической,
конической или фасонной формы
Подрезка торцов и с их последующей обработкой
Нарезание резьбы резцом
Обработка торцевых, наружных и внутренних
поверхностей деталей прямоугольной формы
Сверление, развертывание и зенкерование
отверстий.
Высокая производительность станка ТП-130
обеспечивается за счет применения высокоскоростного шпинделя и суппорта.
Частота вращения шпинделя: 10 - 2800 об/мин; скорость подачи по оси X и Z: 2 -
2000 мм/мин.
Особенностью данной модели является то, что в
качестве системы ЧПУ используется ЧПУ Fagor-8035, главный привод КЕМТОР, два
привода подач FAGOR MSC-08H.
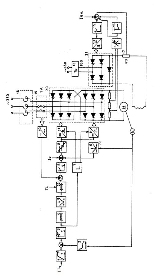
2.1 Общие сведения о главных приводах
Каждый привод состоит основном
из двух частей - двигателя и устройства управления ( рис. 1.). Многократно
возросшие за последние годы возможности электроники привели к
усовершенствованию средств управления электродвигателями, увеличились частота
вращения, мощность приводов, точность регулирования оборотов и ряд других
параметров, что обеспечило условия для создания нового поколения
металлорежущих, деревообрабатывающих и других станков с цифровым программным
управлением, роботов и др.
Каждая из этих машин обладает двумя, тремя или
более самостоятельными движениями, ориентированными по направлению в
пространстве в зависимости от специфики конкретной машины, причем чаще всего
ориентация ортогональная по осям X, У, Z. Привод, который обеспечивает главное
движение станка, принято называть главным. Он состоит в основном из двух частей
- двигателя и устройства управления.
Рис. 1. Схема электрическая принципиальная
привода главного движения
2.2. Блочная схема тиристорного преобразователя серии «КЕМТОР»
Под понятием преобразователь в
этом случае подразумевается средство управления электродвигателем. Тиристорный
преобразователь серии «КЕМТОР» включает в себя два управляемых выпрямителя,
один из которых реверсивный, два трансформатора тока для обратной связи по току
якоря, три небольших трансформатора для питания электроники, шунт обратной связи
по току возбуждения и электронный блок, который охватывает управление
тиристорами, стабилизаторы питающих напряжений, регуляторы скорости и тока,
защиты и сигнализации, преобразователи входных сигналов. Изменение направления
вращения двигателя т.е. реверс, в принципе может осуществляться двумя способами
- посредством смены полярности якорного напряжения и смены полярности
возбуждения, короче говоря, реверсом якоря и реверсом возбуждения. У каждого из
двух способов есть свои преимущества и недостатки, но лучшими динамическими
показателями характеризуется реверс якоря, несмотря на то, что для этой цели
необходимо больше тиристоров мощности, которые дорогие. В тиристорном
преобразователе типа «КЕМТОР» применяется реверс якоря.
Для реверсирования преобразователя
встроены два тиристорных выпрямителя якорной обмотки, питаемые от сети. Схема
выпрямителей - мостовая, пульсации выпрямительного напряжения имеют частоту 300
Гц, что гарантирует равномерный ток двигателя и устраняет необходимость
фильтрации, более того, двигатель обладает немалой индуктивностью, которая
выполняет роль фильтра. Выпрямители подсоединены к клеммам двигателя в
противоположном направлении и в зависимости от того, какой из них работает,
изменяется полярность приложенного напряжения. Одновременная работа двух
выпрямителей недопустима, так как получается короткое замыкание между ними, и
поэтому они управляются раздельно во времени, т.е. если необходимо переключить
управление с одного на другой, следует повременить около 4 мсек с целью запирания
последнего отпертого тиристора. В таком случае управляющие импульсы подаются
тиристорам второго выпрямителя. Это управление называется раздельным.
Электронный блок
преобразователя типа «КЕМТОР» расположен на четырех платах, две из них
закреплены неподвижно, а две другие разворачиваются как тетрадь, что
обеспечивает свободный доступ ко всем узлам и контрольным точкам электроники
при ремонте и настройке преобразователя. Структурная схема преобразователя
приведена на рис. 2.
. Рамп - генератор-узел,
задающий интенсивность вращения и обеспечивающий остановку двигателя, т.е.
время достижения заданной скорости.
Если на входе скачкообразно
подается задающее напряжение скорости (например значение от 0 до ± 10В), на
выходе узла напряжение изменяется линейно до заданного на входе значения как
наклонное, т.е. время достижения этого значения можно, по желанию,
перенастраивать.
. Дифференцирующая цепь
улучшает динамические характеристики регулирования в скоростном контуре.
. Регулятор скорости сравнивает
задание с действительной скоростью, на его выходе получается задание тока.
. Токоограничение -
ограничивает задание тока так, что на выходе регулятора скорости напряжение не
превышает 11,5 В по абсолютному значению
. Модуль задания тока -
независимо от полярности выходного напряжения, на выходе повторяется это
напряжение с той же амплитудой, но всегда с положительным знаком.
. Регулятор тока - задание тока
сравнивается с сигналом действительного якорного тока блока № 10, причем на
выходе получается корректирующее воздействие, что выражается фазовым
управлением новым углом отпирания тиристоров и, соответственно, током,
отвечающим заданному.
. Блок, который определяет
направление вращения, причем его сигналы разрешают или запрещают работу одного
или другого из двух управляемых выпрямителей якорного напряжения.
. Блок задания тока при нулевой
скорости начального тока.
. Преобразователь сигнала
скорости тахогенератора.
. Формирователь сигнала
якорного тока.
. Фазовое управление
управляемым выпрямителем якоря.
. Трансформатор питания обмотки
возбуждения.
. Фазовое управление
тиристорным выпрямителем возбуждения.
. Блок формирования модуля
сигнала якорного напряжения.
. Регулятор тока возбуждения.
. Дифференцирующая цепь -
улучшает динамические характеристики регулирования.
. Коммутационный трехфазный
дроссель сетевого напряжения - не входит в конструкцию преобразователя.
. Трансформаторы тока.
. Реверсивный тиристорный
выпрямитель якоря.
. Нереверсивный выпрямитель
возбуждения.
. Блок ограничения момента
двигателя.
Рис. 2. Структурная схема тиристорного
преобразователя
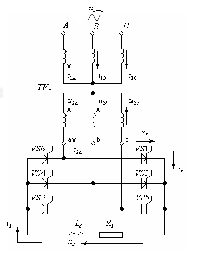
. РАСЧЕТ СХЕМЫ УПРАВЛЯЕМОГО ВЫПРЯМИТЕЛЯ
В соответствии с заданием на проектирование
принимаем к расчету схему на рис. 3.
Исходные данные:
выпрямленное напряжение Ucp = 220 В;
глубина регулирования D = 11;
выпрямленный ток Iср = 80 А;
напряжение питающей сети Uс = 380 В;
частота тока питающей сети f = 50 Гц.
Рис.1. Трёхфазная мостовая схема выпрямления
(Схема Ларионова).
.1 Определение
параметров согласующего трансформатора
,
где m - число фаз выпрямления.
; m=6;

Значение тока вторичной обмотки
трансформатора
:
Коэффициент трансформации равен:
Отсюда определяем действующее
значение тока в первичных обмотках трансформатора:
Мощность обмоток трансформатора:
.2 Определение
параметров фильтра
Для выпрямителей большой мощности (более 10 кВт)
рекомендуется применять индуктивный фильтр, у которых сопротивление нагрузки
имеет небольшое значение.
Коэффициент пульсации схемы Ларионова:
.
Заданный коэффициент пульсации:
.
Коэффициент сглаживания:
.
Сопротивление нагрузки:
.
Индуктивность фильтра:
.
3.3 Расчет
и выбор вентилей
Максимальный средний ток вентиля:
переменный ток
выпрямитель трансформатор
Максимальный ток вентиля:
Максимальное напряжение на вентиле:
Максимальное обратное напряжение на
вентиле:
Выбор вентилей осуществляется в
соответствии с найденными параметрами.
Средний ток берем в 3 раза больше,
так как не предусмотрена система охлаждения вентилей, и при естественном
охлаждении воздухом нагрузочная способность вентиля падает примерно в 3 раза
(Ivcp=1000А).
Выбираем вентиль - Т253-1000.
Параметры вентиля:
· максимальное напряжение вентиля
;
· средний ток через вентиль
;
· ток рабочей перегрузки (максимально допустимый
ток через вентиль в открытом состоянии за пол периода)
;
· критическая скорость нарастания напряжения в
закрытом состоянии
;
· тиристор Т253-1000 применяется вместе с
охладителем О153-150.
3.4 Расчет RC-цепей
вентилей
Находим емкость конденсатора:
, ic=Id;
Ток через тиристор при разряде конденсатора:

Резистор выбирается с запасом:
Рассчитаем мощность резистора:
Энергия, накопленная в конденсаторе:
Мощность, выделяемая на резисторе:
4. Расчёт
регулировочной характеристики
При активно-индуктивной нагрузке схема может
работать в двух режимах: в режиме непрерывного тока и в режиме прерывистого
тока.
Прерывистость тока в цепи нагрузки зависит от
угла управления α и от
соотношения параметров нагрузки Rd и индуктивного фильтра Ld.
При
(
) непрерывный режим тока имеет место
при любых соотношениях Rd и Ld.
При увеличении угла управления α непрерывный
режим тока сохраняется только при значительном увеличении индуктивности Ld. Для
без больших
погрешностей можно считать ток нагрузки идеально сглаженным.
Регулировочные характеристики
пересекают ось угла регулирования α в точках α = 90° и α = 120°
электрических градусов для режимов непрерывного и прерывистого токов
соответственно. Режим прерывистого тока начинается при значении угла
регулирования α = 60°.
Среднее значение выходного
напряжения в режиме непрерывного тока:
;
Среднее значение выходного
напряжения в режиме прерывистого тока:
Регулировочные характеристики
режимов непрерывного (сплошная линия) и прерывистого (штриховая линия) токов
приведены на рисунке.
Рис. 2. Регулировочные
характеристики выпрямителя.
5. Расчет
внешних характеристик преобразователя
Рассчитаем и построим семейство
внешних характеристик при значениях угла управления α=0°, α=30°, α =60° с
учётом коммутации вентилей. При этом реактивную составляющую напряжения
короткого замыкания трансформатора и питающей сети примем равным 10%. Активной
составляющей напряжения короткого замыкании пренебрегаем.
- падение напряжения на анодной
индуктивности
;
Тогда среднее значение на выходе
выпрямителя с учетом коммутации
Так как реактивную составляющую
напряжения короткого замыкания трансформатора и питающей сети принять равной
10%, то
,
Ом.
Тогда семейство внешних
характеристик при α1=0°, α2=30°, α3=60° будут
выглядеть следующим образом:
Рис. 3. Внешние характеристики
выпрямителя.
Из графика внешних характеристик
видно, что с увеличением угла управления значение выходного напряжения
уменьшается. Наклон внешних характеристик обусловлен численным значением
.
6.
Разработка функциональной схемы управления вентилями
Вентильные преобразователи состоят
из силовой части и системы управления. Силовая часть управляемого выпрямителя,
выполненная на управляемых вентилях (тиристорах), может работать только при
подаче на управляющие электроды в определённые моменты времени импульсов,
обеспечивающих включение данных вентилей. Эту функцию выполняет система управления.
Она выполняет две основных задачи:
1. Определение моментов времени, в
которые должны быть включены те или иные конкретные вентили;
2. Формирование управляющих импульсов,
т.е. создание управляющих сигналов, передаваемых в нужные моменты времени на
управляющие электроды тиристоров.
Рис. 4. Функциональная схема системы управления
тиристорами.
На рис.4 приведена функциональная схема системы
управления тиристорами, где:
1. ТV2 - понижающий трансформатор;
2. К1 и К2 - компараторы;
. ГПИ - генератор пилообразного
напряжения;
. ФКИ - формирователь коротких
импульсов;
. ИУ - импульсный усилитель.
С силового трансформатора TV1 снимается значение
линейного напряжения (Uac). Полученный сигнал поступает на понижающий
трансформатор, который обеспечивает гальваническую развязку системы управления
и силовой части выпрямителя, с целью защиты от больших величин напряжения и
тока. С помощью компаратора К1 синусоидальное линейное напряжение
преобразовывается в прямоугольные импульсы такой же продолжительности. Полученные
импульсы с компаратора К1 поступают на генератор пилообразного напряжения ГПН,
где сигналы из импульсов заменяются напряжением пилообразной формы. Компаратор
К2, при заданном управляющем напряжении Uупр и поступающем пилообразном
напряжении, формирует из них сигнал прямоугольной формы, который и определяет
угол управления α. Формирователь
коротких импульсов ФКИ из полученного прямоугольного импульса создает импульс
напряжения значением не менее значения необходимого по продолжительности и
величине для открытия тиристора. Результирующий сигнал после импульсного
усилителя ИУ поступает на управляющий электрод тиристора.
На рис.5 представлены графики работы системы
управления.
Рис. 5. Графическая работа системы управления.
Заключение
Широкое применение в промышленности находят
нереверсивные ведомые сетью преобразователи постоянного напряжения на базе
тиристорных управляемых выпрямителей. Наиболее часто встречающаяся область их
применения - электроприводы постоянного тока, предназначенные для управления
скоростными режимами поточных линий и отдельных машин различных производств.
Преобразователи обеспечивают возможность построения нереверсивных
электроприводов постоянного тока с обратной связью по скорости или ЭДС двигателя.
Управление тиристорами преобразователей
осуществляется посредством системы импульсно-фазового управления (СИФУ),
предназначенной для генерирования и формирования управляющих импульсов
определенной формы и длительности, распределения их по фазам и изменения
момента подачи на управляющие электроды вентилей преобразовательного установки.
В настоящее время проявляется тенденция к унификации СИФУ различных устройств.
Особенно наглядно это прослеживается на примере устройств управления
электроприводами типа УКЭ-Л-3101 и ЭКЛ-3102.
Электропривод ЭКЛ-3102 (электропривод
комплектный для легкой промышленности со статическими преобразователями,
нереверсивный на номинальное выпрямленное напряжение 115 и 230 В) управляет
линиями и отдельными машинами полиграфической, текстильной и легкой
промышленности, а также поддерживает заданное натяжение при обработке и
транспортировании гибкого материала (тканей, нитей, химических волокон).
Устройство УКЭ-Л-3101 (устройство управления
электроприводом комплектное для легкой промышленности со статическими
преобразователями, нереверсивное на номинальное выпрямленное напряжение 230 и
460 В) предназначено для построения индивидуальных и многодвигательных
электроприводов постоянного тока машин и поточных линий текстильной, легкой, полиграфической
промышленности, а также промышленности по производству химических волокон.
Литература
1.
Глух Е.М. Защита полупроводниковых преобразователей / Е.М. Глух, В.Е. Зеленов.
- 2-е изд. - М.: Энергоиздат, 1982. - 152 с.
.
Диоды и тиристоры в преобразовательных установках / М.И. Абрамович, В.М.
Бабайлов, В.Е. Либер и др. - М.: Энергоатомиздат, 1992. - 432 с.
.
Замятин В.Я. Мощные полупроводниковые приборы. Тиристоры: справочник / В.Я.
Замятин, Б.В. Кондратьев, В.М. Петухов и др. - М.: Радио и связь,1987.-576 с.
.
Зимин Е.Н. Электроприводы постоянного тока с вентильными преобразователями /
Е.Н. Зимин, В.Л. Кацевич, С.К. Козырев. - М.: Энергоиздат, 1981. - 190 с.
.
Комплектные тиристорные электроприводы: справочник / И.X. Евзеров, А.С.
Горобец, Б.И. Мошкович и др. ; под ред. В.М. Перельмутера. - М.:
Энергоатомиздат, 1988. - 319 с.
.
Полупроводниковые выпрямители / В.И. Беркович, В.Н. Ковалев, Ф.И. Ковалев и др.
; под ред. Ф.И. Ковалева, Г.П. Мостковой. - 2-е изд. - М.: Энергия, 1978. - 448
с.
.
Руденко В.С. Основы преобразовательной техники: учеб. для вузов / В.С. Руденко,
В.И. Сенько, И.М. Чиженко. - 2-е изд., перераб. и доп. - М.: Высшая школа,
1980. - 424 с.
.
Справочник по преобразовательной технике / под ред. И.М. Чиженко - Киев:
Техника, 1978. - 447с.
.
Управляемый выпрямитель: методические указания к курсовому проектированию для
студентов специальности 200400 / Мин-во общ. и проф. обр. РФ, ИГЭУ, Каф.
электроники и микропроцессорных систем ; сост. В.И. Шишков, ред. Б.П. Силуянов.
- Иваново: Изд-во ИГЭУ, 1998. - 41 с.
.
Характеристики полупроводниковых преобразователей: учеб. пособие / Н.Л.
Архангельский, Б.С. Курнышев ; Мин-во общ. и проф. обр. РФ, ИГЭУ. - Иваново:
Изд-во ИГЭУ, 1993. - 72 с.
.
Чебовский О.Г. Силовые полупроводниковые приборы: справочник / О.Г. Чебовский,
Л.Г. Моисеев, Р.П. Недошивин. - 2-е изд., перераб. и доп. - М.:
Энергоатомиздат, 1985. - 400 с.