Расчет вентильного преобразователя для электропривода постоянного тока
НИЖЕГОРОДСКИЙ
ГОСУДАРСТВЕННЫЙ ТЕХНИЧЕСКИЙ УНИВЕРСИТЕТ
Кафедра
Электропривод и автоматизация промышленных установок
Заведующий
кафедрой
Пояснительная
записка к курсовому проекту
Тема:
Расчет вентильного преобразователя для электропривода постоянного тока
г.
Исходные данные
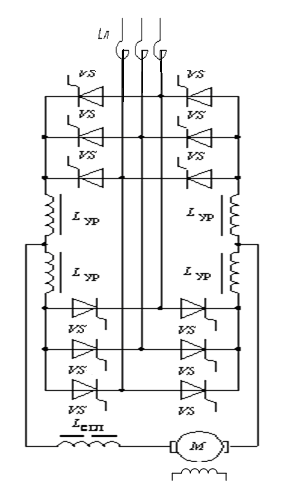
Тип силовой схемы - трёхфазная мостовая
встречно-параллельная. Преобразователь реверсивный с совместным управлением,
соединяется с питающей сетью через токоограничивающие реакторы. Силовая схема
приведена на рисунке 1.
Рис. 1
Электродвигатель постоянного тока типа 4П-355-15
номинальная мощность двигателя Pн = 200 кВт;
номинальное напряжение якоря Udн =440 В;
номинальная скорость nн = 630 об/мин;
номинальный КПД hн = 89 %.
Параметры питающей сети:
номинальное линейное напряжение сети Uн = 380 В;
число фаз сети 3;
частота сети fс = 50 Гц;
отклонение напряжения сети DUс
= 10%
Дополнительные параметры преобразователя:
длительность 100% токовой перегрузки t
= 0,5 с.
способ управления вентильными группами -
совместное
допустимая величина уравнительного тока Iур =
0.1
По имеющимся данным сделаем дополнительные
расчёты
для двигателя.
Номинальный ток двигателя:
. (1.1)
Номинальная угловая скорость:
.(1.2)
Номинальный момент:
Нм (1.3)
Постоянная составляющая машины:
(1.4)
Сопротивление якоря двигателя
(1.5)
1. Общая характеристика
преобразователя
Трёхфазная мостовая
встречно-параллельная схема применяется для питания якорных цепей
электродвигателей постоянного тока малой мощности.
Реверсивный преобразователь имеет
совместное управление.
Силовая схема состоит из линейных
токоограничивающих реакторов, уравнительных реакторов, двух комплектов силовых
вентилей VS1 - VS12, электродвигателя М1, сглаживающего реактора и устройств
защиты от аварийных токов и перенапряжений преобразователя.
Силовые вентили подключают нагрузку
на фазное напряжение сети в соответствии с углом управления и обеспечивают
необходимое значение выпрямленного напряжения на нагрузке.
Устройства защиты предохраняют
преобразователь от аварийных токов и перенапряжений при коммутации вентилей и питающей
сети. К ним относятся предохранители, автоматический выключатель и разрядные
R-C - цепи на каждом силовом вентиле.
2. Расчет линейных
токоограничивающих реакторов
Для линейного токоограничивающего
реактора необходимо определить индуктивность.
Фазное напряжение сети будет равно:
(В) (2.1)
Линейное значение тока
преобразователя рассчитывается по формуле:
А (2,2)
где
- коэффициент схемы;
Индуктивное сопротивление фазы
реактора:
Ом. (2,3)
Индуктивность реактора определяется
по формуле:
Гн. (2,4)
По рассчитанным значениям Lл, I2,а
также величине сетевого линейного напряжения выбираем реактор сухой
токоограничивающий РТСТ-630-0,25/УХЛ 4 , предназначенный для работы в цепях с
напряжением до 1050 В, имеющий следующие параметры имеющий параметры:
Iн=630 А номинальный фазный ток;
Rл=0,25 Ом номинальное индуктивное
сопротивление.
3 Расчёт параметров и выбор силовых
вентилей преобразователя
Выбор вентилей производят по
среднему значению тока, протекающего по ним, и величине приложенного
повторяющегося импульсного напряжения.
Найдём средний рабочий ток вентиля,
по формуле:
(А) (3.1).
где m1 = 3 в трехфазных схемах ВП
Найдём наибольшее расчётное значение
повторяющегося импульсного напряжения на вентилях, по формуле:
(В) (3.2)
где kв = 1,045 - коэффициент схемы
(табл. 1)
По рассчитанным значениям из
справочника №2 выбираем предварительно вентиль Т143-400 Т.к. Idн = 510,725 А
> 300А, то применяем принудительное воздушное охлаждение. Выбираем
охладитель типа О243-150 со скоростью 6 м/с.
где UTO = 1,2 B - пороговое
напряжение вентиля;= 0,95 мОм - дифференциальное сопротивление прямой ветви
вентиля;Ф = 1,73 - коэффициент формы тока вентиля для трёхфазной схемы; -= 125° - максимально допустимая
температура кристалла;= 40°
- максимально допустимая температура охладителя= 0,15 °C/Вт - установившееся
тепловое сопротивление участка «кристалл - охлаждающая среда» для Vа = 6 м/с.t = 0,025 °C/Вт - переходное тепловое
сопротивление «кристалл - охлаждающая среда» для t = 0,5 с.
По паспортнымм данным тиристора
рассчитаем наибольшее допустимое значение прямого тока ITAVm с учётом возможной
100% токовой перегрузки в динамических режимах работы привода в течении
заданного интервала времени t.
(A) (3.3)
где
Потери в номинальном режиме
Потери в вентиле при токовой
перегрузке
(Вт) (3.5)
Для надёжной работы ВП необходимо,
чтобы параметры выбранных приборов удовлетворяли условиям:
ITAVm ³ (2,2 … 2,4)
ITAVр
,(DRM) ³
(1,3 … 1,5) URRM(DRM)p .
Для выбранного вентиля Т143 - 400
4. Расчёт уравнительных реакторов
Предварительно принятые
коэффициенты: 
В - амплитуда фазного напряжения.
Гн - суммарная индуктивность
контура уравнительного контура.
- относительное действующее
значение уравнительного тока.
Гн - индуктивность уравнительного
реактора.
Если уравнительные ректоры
ненасыщающиеся, то индуктивность каждого из них должны быть равна
.
- количество фазных обмоток, по
которым одновременно проходит уравнительный ток;
- индуктивность линейного
токоограничивающего реактора, которую мы используем вместо значения
индуктивности рассеяния трансформатора,так как имеем бестрансформаторную схему
ВП.
Найдём действующее значение статического
уравнительного тока
(А)
По каталогам выбираем 2 ненасыщающих
уравнительных реактора типа РОС-100/08Т со следующими параметрами.
(мГн) - индуктивность
уравнительного реактора.
(А) - действующие значение
уравнительного тока.
(Ом) - активное сопротивление
уравнительного реактора.
5. Расчёт сглаживающего реактора
Для уменьшения пульсаций тока ВП в
якорную цепь двигателя включают сглаживающий реактор.
Амплитуда основной гармоники
выходного напряжения ВП:
В, (3,1)
где m2 = 6 - кратность пульсаций
выходного напряжения;
эл.град - угол управления при
номинальном напряжении.
Индуктивность якорной цепи:
Гн, (3,2)
где
- допустимое относительное
действующее значение основной гармоники выходного тока преобразователя.
Индуктивность обмотки якоря
двигателя:
Гн, (3,3)
где
- коэффициент для не
компенсированных машин;
- число пар полюсов.
Таким образом, индуктивность
сглаживающего реактора определяется разностью индуктивности якорной цепи
нагрузки и индуктивности якорной обмотки и равна
Гн. (3,4)
Так как полученное значение
индуктивности сглаживающего реактора
отрицательное, то необходимости
использовать его нет.
6. Расчёт и выбор элементов защиты
Наиболее чувствительными элементами
силовой части ВП являются полупроводниковые вентили. Они требуют защиты от
токов перегрузки и от перенапряжений, так как имеют относительно небольшую
перегрузочную способность по этим параметрам.
6.1 Защита от аварийных токов
Защита вентильного преобразователя
от внутренних коротких замыканий обеспечивается плавкими предохранителями путем
согласования их амперсекундных характеристик с амперсекундными характеристиками
вентилей. При этом для любого момента времени допустимый ток вентиля IB должен
быть больше тока срабатывания защиты IЗАЩ.
(òi2dt)В >
(òi2dt)защ.
(6.1)
Значение интеграла (òi2dt)В может
быть определено по формуле
òi2dtВ = 0,5∙ITSM2∙tи, (6.2)
где ITSM =8,8кA -ударный ток вентиля
при заданной длительности перегрузки tи,и = 10 мс - длительности токовой
перегрузки,
òi2dtВ = 0,5∙(8,8∙103)2∙0,01 =
387200 А2∙с.
Полученное максимально допустимое
значение интеграла квадрата аварийного тока устройства защиты (по графику)
согласно ГОСТ 17242-86 будут удовлетворять плавкие предохранители с номинальным
током плавкой вставки
По справочнику выбираем
предохранитель ПН2-600/400 А с плавкой ставкой 315А.
Выбор автоматического выключателя
Ток через автоматический выключатель
QF1, установленный между сетью и первичной обмоткой трансформатора, определяю
по формуле
= I1∙1,2= 303 А, (6.5)
где I1 - линейный ток первичной
обмотки трансформатора.
Выбираю трёхфазный автоматический
выключатель типа LZMC2-A300-I
с параметрами:
номинальный ток выключателя Iн = 300
A;
номинальное переменное напряжение
выключателя Uн = 415 В;
Количество силовых полюсов: 3
Тип защиты: IP20
Характеристика срабатывания
электромагнитного расцепителя: В (в
раз больше
)
Номинальная отключающая способность,
(AC): 36 кA
Ток через автоматический выключатель
QF2, установленный между двигателем и преобразователем, определяю по формуле
= Idн1,2 = 600 А. (6.6)
Выбираю автоматический выключатель
типа BA 52 - 39 с параметрами:
номинальный ток выключателя 630 А
номинальное напряжение выключателя
переменное = 660 В, постоянное = 440 В
Количество силовых полюсов: 2
Тип защиты: IP00
Характеристика срабатывания
электромагнитного расцепителя: В (в
раз больше
).
Номинальный ток тепловых
расцепителей (А): 250, 320, 400, 500, 630.
6.3 Расчёт R - C цепи вентиля
Для защиты вентилей от
коммутационных перенапряжений, вызванных накоплением носителей в кристалле,
параллельно вентилям включают защитные последовательные R - C цепочки (рисунок
2).
Сопротивление резистора и ёмкость
конденсатора выбираются предварительно:= 24 Ом, С2 = 0,6 мкФ
Мощность резистора R3 вычисляется по
формуле
(Вт)
Рис. 2
Резисторы (металлооксидные) R1,R3:
МО-200 (С2-23) 2 ВТ 43 Ом 5% Предельное рабочее напряжение 750В. Предназначены
для работы в цепях постоянного, переменного и импульсного токов.
Резисторы (металлодиэлектрические)
R2,R4: С2-33Н 2Вт 51 кОм 5% Предельное рабочее напряжение 750В.
Резисторы (проволочные) R5-R16: ПЭВ
10%, 24Ом 30Вт. Предельное рабочее напряжение постоянного тока 1400 В.,
переменного 1000 В.
Конденсаторы (металлоплёночные)
С3-С14: К73-17 - 0,68мкФ 630В Предназначены для работы в электрических цепях
постоянного, переменного и пульсирующего тока и в импульсных режимах.
Конденсаторы С1,С2: К78-25 - 40 мкф
600 в ±10% Предназначены для работы в цепях постоянного, переменного тока при
частоте сети 50 Гц.
Диоды (кремниевые) VD1-VD12: КД243Е
Iпр = 1А, Uобр = 800 В Fмах = 1 кГц.имп = 6А Uимп = 800 В
Рабочая температура -60…+125̊ С
7. Характеристики преобразователя
.1 Внешние и регулировочные
характеристики
Среднее значение выходного
напряжения ВП является функцией двух переменных: тока нагрузки
и угла
управления
, связь
между которыми устанавливается следующими равенствами (без учета падения
напряжения на вентилях и активных сопротивлениях силовых цепей) по [1]:
в режиме непрерывного тока нагрузки
(7.1)
в граничном режиме
(7.2)
(7.3)
в режиме прерывистого тока нагрузки
(7.4)
(7.5)
где
- приведенное к вторичной обмотке
индуктивное сопротивление рассеяния линейного реактора, берется из [1, c.18];
(8.6)
- индуктивное сопротивление якорной
цепи;
- угол проводимости вентилей на
интервале повторяемости кривой
- амплитуда линейного напряжения
(для мостовых схем ВП).
Поскольку управление исследуемого
вентильного преобразователя совместное, то из-за уравнительного тока,
протекающего между анодной и катодной вентильными группами, режима прерывистого
тока не будет.
Приведенные формулы при условии
представляют
собой аналитические выражения внешних характеристик ВП, а при
-
регулировочных.
Угол управления, соответствующий
номинальному режиму работы
, получим, подставив в формулу (8.1)
номинальное напряжение и ток:
(7.6)
Внешние характеристики строятся по
(7.1) при изменении тока от
до
для значений
и
изображены на (рис.2) и в графической части.
Для Id = 2Idn

Для Id = -2Idn
Таблица 1 - Полученные значения
зависимости выходного напряжения
от тока нагрузки
при
Регулировочные характеристики
строятся по (7.1) при изменении угла управления
от
до
при условии, что
Расчет
производится при холостом ходе
и номинальной нагрузке
Регулировочные
характеристики изображены на (рис. 3) и в графической части.
Для Id = 0
Для Id = Idn

Таблица 2 - полученные значения
зависимости выходного напряжения
от угла управления
при
Рис. 3
Рис. 4
7.2 Электромеханические
характеристики привода
Электромеханические характеристики
системы ВП -
двигатель рассчитываются по формуле
(7,9)
где
- суммарное сопротивление цепи
нагрузки;- число уравнительных реакторов одновременно обтекаемых током
- коэффициент, зависящий от
параметров двигателя;
- магнитный поток двигателя;
Величина произведения
может быть
определена по паспортным данным двигателя из формулы:
(7.10)
Электромеханические характеристики
строятся по (7.9) при изменении тока от
до
, изображены на (рис. 4 ) и в
графической части.
Для Id = 2Idn

Для Id = -2Idn
Таблица 3 - полученные значения для
электромеханических характеристик
Рис. 5
.3 Ограничительная характеристика и
минимальный угол инвертирования
При работе ВП в инверторном режиме
система управления должна ограничивать величину минимального угла
инвертирования для предотвращения опрокидывания инвертора. Это ведет к
ограничению тока нагрузки
в
зависимости от величины напряжения
преобразователя, определяемое
ограничительной характеристикой:
(9.1)
где
- угловая длительность выключения
тиристора, берется из (9.2)
- время выключения тиристора;
- угол, учитывающий асимметрию
импульсов управления.
Ограничительные характеристики
строятся по (9.1) при изменении тока от
до
Минимальное значение угла
инвертирования
,
определяемое путем совместного решения уравнений, описывающих внешнюю и
ограничительную характеристику ВП, с учетом возможного снижения напряжения
питающей сети, рассчитывается по формуле:
(9.3)
Расчёты ограничительной характеристики для
внешних характеристик
Таблица 4 - полученные значения
ограничительной характеристики для внешних характеристик
Расчёты ограничительной характеристики для
электромеханических характеристик

Таблица 5 - Результаты для
электромеханических характеристик.
Рис. 6
8. Расчет относительных значений
полной, активной, реактивной мощностей, мощности искажения и коэффициента
мощности при номинальной нагрузке
.1 Энергетические характеристики
Энергетические характеристики преобразователя -
это зависимости полной S, активной P, реактивной мощности Q, мощности искажений
H и коэффициента мощности от угла управления kM, а также зависимость КПД от
тока нагрузки.
Найдём относительное значение полной мощности
(8,1)
где k1=1,05 и k2=0,159 коэффициенты
схемы (Табл.1)
- угол коммутации и находится по
формуле:
Найдём относительную величину
активной мощности
(8,3)
Найдём относительную величину
реактивной мощности
(8,4)
Найдём относительную величину мощности
искажений
(8,5)
Найдём коэффициент мощности ВП
(8,6)
Энергетические характеристики
строятся по (8.1) - (8.6) при изменении
и изображены на (Рис.5) и в
графической части.
Таблица 6 - Зависимость
энергетических показателей от угла
Рис. 7
8.2 КПД
КПД при
Коэффициент полезного действия
рассчитывается по формуле:
(8.7)
где
- суммарные потери мощности в ВП.
Определяется как сумма потерь в трансформаторе ΔРт, в
линейных реакторах ΔРл, в
уравнительных реакторах ΔРур, в
сглаживающих реакторах ΔРсгл, в
вентилях ΔРв и цепях
защиты ΔРз и
определяется как:
; (8,8)
Где:
ΔРл - потери в линейных
токоограничивающих реакторах
Втя=0,1 Ом.
Сопротивление одного реактора будет
равно
Ом. (8,9)
Поскольку трансформатор в данной
схеме ПЧ не используются то ΔРт = 0 (Вт)
Потери в уравнительных реакторах:
где Iур⃰ = 0.1 (Таблица П.1)
(8.10)
где n1 = 1 - число уравнительных
реакторов одновременно обтекаемых током нагрузки.
Поскольку сглаживающий реактор в
данной схеме ПЧ не используются то ΔРсгл = 0 (Вт)
Потери в вентилях:
(8.11)
(Вт)
где n2 = 6- число обтекаемых током нагрузки
вентилей.
Потери в цепях защиты:
(8.12)
где nЗ - число защитных RC - цепей,
шунтирующих вентили.
Кривые зависимости коэффициента
полезного действия вентильного преобразователя от угловой скорости вращения
якоря двигателя постоянного тока строятся по (8.7) при изменении скорости от
нуля и до номинальной при токе
и изображены на (Рис. 6) и в
графической части.

Таблица 7 - Полученные значения КПД
для Id = Idn
|
00,20,40,60,8
|
|
|
|
|
|
|
|
Idn
|
0.544
|
0.752
|
0.829
|
0.87
|
0.895
|
0.912
Коэффициент полезного действия
рассчитывается по формуле:
(8.7)
где - суммарные потери мощности в ВП.
Определяется как сумма потерь в трансформаторе ΔРт, в
линейных реакторах ΔРл, в
уравнительных реакторах ΔРур, в
сглаживающих реакторах ΔРсгл, в
вентилях ΔРв и цепях
защиты ΔРз и
определяется как:
; (8,8)

Где:
ΔРл - потери в
линейных токоограничивающих реакторах
Вт (8.9)я=0,1 Ом.
Сопротивление одного реактора будет
равно Ом.
Поскольку трансформатор в данной
схеме ПЧ не используются то ΔРт = 0 (Вт)
Потери в уравнительных реакторах:
где Iур⃰ = 0.1 (Таблица П.1)
(8.10)
где n1 = 1 - число уравнительных
реакторов одновременно обтекаемых током нагрузки
Поскольку сглаживающий реактор в
данной схеме ПЧ не используются то ΔРсгл = 0 (Вт)
Потери в вентилях:
(8.11)
где n2 = 6 - число обтекаемых током
нагрузки вентилей.
(Вт)
Потери в цепях защиты:
(8.12)
где nЗ - число защитных RC - цепей,
шунтирующих вентили.
Таблица 8 - полученные значения КПД
для Id = Idn/2
|
00,20,40,60,8
|
|
|
|
|
|
|
|
Idn/2
|
0.374
|
0.708
|
0.81
|
0.859
|
0.888
|
0.907
|
Рис. 8
9. Построение временных диаграмм
преобразователь ток выпрямитель
привод
Временные диаграммы работы преобразователя
строятся в соответствии с рассчитанными параметрами для номинального режима
работы.
Выходное напряжения выпрямительной и инверторной
групп строятся при значении угла управления выпрямителя
a = 26,753 (эл.град.)
Выходное напряжение реверсивных ВП при
совместном согласованном управлении может быть определено по формуле
(9.1)
где и - выходные напряжения нереверсивных
преобразователей, входящих в состав реверсивного ВП, работающих соответственно
в выпрямительном и инверторном режимах;
Уравнительное напряжение строиться
по формуле
(9.2)
Уравнительный ток преобразователя
строиться согласно выражению
(9.3)
Ток вентиля и ток потребления преобразователя
строятся с учётом угла коммутации при номинальном режиме
g = 8,3 (эл.град)
Все временные диаграммы изображены на (рис. 7) в
графической части
Выводы
Курсовая работа выполнена полностью в
соответствии с заданием на проектирование.
Со 2 по 8 пункты мы рассчитали параметры для
выбора трансформатора по каталогу. Произвели расчёт параметров для выбора
тиристоров по справочнику. Рассчитали параметры для выбора уравнительных
реакторов. Произвели расчёт параметров для выбора сглаживающего реактора,
который оказался ненужным в данной схеме при данных условиях. Произвели расчёт
и выбор аппаратуры защиты от аварийных токов и перенапряжений. Рассчитали и
построили внешние, регулировочные, электромеханические, ограничительные
характеристики и энергетические показатели ВП. Определили коэффициент полезного
действия вентильного преобразователя и построили зависимость КПД от угловой
скорости вала электродвигателя. Рассчитали и построили временные диаграммы
работы вентильного преобразователя.
Также мы спроектировали принципиальную
электрическую схему вентильного преобразователя. И СИФУ для трёхфазного
реверсивного вентильного преобразователя с совместным согласным управлением.
Результаты расчетов соответствуют техническим
требованиям с заданной точностью, что позволяет использовать рассчитанный ВП
для данного двигателя.
В графической части приведены электрическая
принципиальная схема вентильного преобразователя и функциональная схема системы
управления преобразователем; внешние, регулировочные, ограничительные,
энергетические характеристики преобразователя, электромеханические
характеристики электропривода; зависимость коэффициента полезного действия от
скорости вращения якоря электродвигателя; временные диаграммы работы
преобразователя.
При работе над курсовым проектом использовалась
рекомендуемая литература, а также дополнительные справочники и программное
обеспечение для построения характеристик и диаграмм машинным методом.
Список используемой литературы
1. Методические
указания к курсовому проекту по дисциплине «Электронные и преобразовательные
устройства» для студентов специальности 21.05 всех форм обучения. /ННПИ. Нижний
Новгород, 1992 - 32 с.
. Чебовский
О.Г. и др. Силовые полупроводниковые приборы. Справочник. - М.: Энергия, 1985.
. Справочник
по проектированию автоматизированного электропривода, и систем управления
технологическими процессами / Под ред. Круповича В.И. и др. - М.: Энергоиздат,
1982.
. Солодухо
Я.Ю. и др. Тиристорный электропривод постоянного тока. - М.: Энергия, 1971.
. Терехов
В.М. Элементы автоматизированного электропривода. - М.: Энергоатомиздат, 1987.
. Справочник
по преобразовательной технике. / Под ред. И.М. Чиженко. - Киев: Техника, 1978.
. Глух
Е.М., Зеленов В.Е. Защита полупроводниковых преобразователей. - М.:
Энергоиздат, 1982.
. Справочник
по автоматизированному электроприводу. / Под ред. В.А. Елисеева,
А.Б.Шинянского. - М.: Энергоатомиздат, 1983.
. Справочник
по электрическим машинам. / Под. ред. И.П. Копылова. -М. : Энергоатомиздат,
1988.
. Резисторы.
Справочник / В.В. Дубровский, - М.: Радио и связь, 1987.
. Электрические
конденсаторы и конденсаторные установки. Справочник / Под общ. ред. Г.С.
Кучинского. - М.: Энергоатомиздат, 1987.
. СТП
I-У-НГТУ-98. Стандарт предприятия. Проекты (работы) дипломные и курсовые. Общие
требования к оформлению пояснительных записок и чертежей /НГТУ, Н. Новгород,
1998.
Приложение
Проектирование функциональной схемы ВП
Наиболее распространенными являются
многоканальные синхронные системы управления (МСУ), построенные по вертикальному
принципу. Особенностью МСУ является то, что формирование и фазовый сдвиг
импульсов осуществляются в отдельном канале для каждого вентильного плеча
многофазного преобразователя, каждый канал, как правило, содержит
последовательно включенные сетевой фильтр, генератор развертки,
синхронизированный с сетью, пороговое устройство, выходной формирователь.
Пороговое устройство сравнивает напряжение
развертки с управляющим напряжением UУПР и при их равенстве выдает импульс на
выходной формирователь. В качестве генератора развертки используют генератор
линейно изменяющегося напряжения или синусоидальное напряжение сети. В
последнем случае при соответствующей фазировке напряжения развертки
относительно моментов естественной коммутации тиристоров результирующая регулировочная
характеристика преобразователя получается линейной:
= f(UУПР) = KUУПР.
Достоинством МСУ является простота структурной
схемы.
Основной недостаток необходимость подстройки
каналов с целью их симметрирования. Асимметрия импульсов по каналам на практике
составляет Δα = 2÷3°.
Недостатком также являются повышенные аппаратурные затраты, увеличивающиеся
пропорционально числу каналов.
С развитием средств интегральной схемотехники
все большее применение находят одноканальные синхронные системы управления.
Рассмотрим систему с сокращенным числом каналов, в которой импульсы для двух
противофазных вентильных плеч сдвигаются в одном канале. При современном
развитии средств микроэлектроники это не является большим усложнением. В такой
системе по-прежнему необходимы настроечные элементы, хотя их число и снижается
в 2 раза (по сравнению с m-канальными системами).
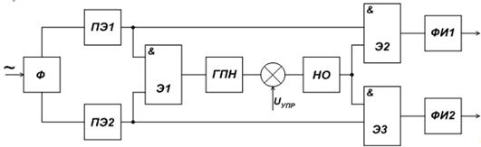
Схема одного канала (для управления двумя
противофазными тиристорами) показана на (Рис. 9).
Рис. 9 - Структурная схема одноканальной системы
управления двумя противофазными тиристорами (СИФУ).
Сетевой фильтр Ф сглаживает импульсные помехи в
напряжении сети. Пороговые элементы ПЭ1 и ПЭ2 формируют из синусоидального
напряжения два ступенчатых напряжения, имеющих взаимный фазовый сдвиг на 180° -
δ
(δ ≈ 3 ÷ 5). Благодаря такому сдвигу на
выходе логической схемы Э1 имеет место совпадение сигналов длительностью τ
= δ / ωС. На выходе Э1, таким образом,
формируются короткие синхронизирующие импульсы, запускающие (синхронизирующие)
генератор пилообразного напряжения ГПН. На входе нуль-органа НО (пороговый
элемент) происходит сравнение напряжения пилообразной развертки и напряжения
управления. С выхода НО импульсы поступают на вход логических схем Э2 и ЭЗ, на
другие входы которых поданы сигналы с выходов пороговых элементов ПЭ1 и ПЭ2.
Формирование импульсов происходит на выходе той
логической схемы, на выходе которой в данный момент времени имеет место
совпадение сигналов. Таким образом, происходит распределение импульсов на противофазные
тиристоры. Формирователи ФИ1 и ФИ2 предназначены для формирования и усиления
выходных импульсов. Такие формирователи-усилители в настоящее время наиболее
перспективны среди многоканальных систем.
Рис. 10 - Функциональная схема управления
вентильного преобразователя
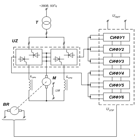
Напряжение на нагрузке (двигателе) M
регулируется преобразователем UZ питающимся от согласующего трансформатора T.
Автоматическое поддержание заданной скорости электродвигателя осуществляется за
счёт тахогенератора (обратной связи по скорости) BR и блока управления
тиристорами, который состоит из 6 СИФУ (система импульсно фазового управления),
структурная схема каждой из которых показана на (Рис. 6.1). СИФУ в свою очередь
питается от напряжения питания сети UПИТ. LУР1 и LУР1 уравнительные реакторы,
которые ограничивают на допустимом уровне уравнительный ток, который протекает
всегда в одном направлении, минуя цепь нагрузки.
Уравнительные реакторы могут быть насыщающиеся и
ненасыщающиеся. Первые легче и насыщаются только током нагрузки, вторые
одновременно выполняют роль сглаживающего дросселя, большие габариты.
При совместном управлении импульсы поступают на
оба комплекта тиристоров.
Причина статических уравнительных токов
заключается в неравенстве мгновенных ЭДС комплектов.
При любом согласовании реверсивных комплектов
ЭДС первого комплекта не должна превышать по модулю ЭДС второго комплекта, в
этом случае в уравнительной ЭДС будет отсутствовать постоянная составляющая и
поэтому ограничение уравнительного тока можно обеспечить за счет включения
только индуктивных элементов.
В каждый момент времени к нагрузке подключен тот
или иной комплект (неработающий в данный момент комплект прогружен только IУР).
Если ЭП в двигательном режиме, то к нагрузке подключен выпрямительный комплект,
если в тормозном режиме, то инвертирующий комплект.
Достоинства: при совместном согласованном
управлении отсутствует зона ПТ, внешние характеристики линейны и однозначны
регулировочные; максимальное быстродействие.
Похожие работы на - Расчет вентильного преобразователя для электропривода постоянного тока
|