Проектирование системы подчиненного регулирования вентильного электропривода постоянного тока
Задание
на курсовое
проектирование по курсу “Системы управления электроприводов”
Спроектировать систему подчиненного регулирования вентильного
электропривода постоянного тока согласно техническому заданию.
Техническое задание:
|
Мощность двигателя……………………………………………………………………
|
200 кВт
|
|
Вид САУ…………………………………………………………………………………
|
Г-Д
|
|
Статическая
точность…………………………………………………………………...
|
8 %
|
|
Вариант пуска…………………………………………………………………………...
|
ЗИ
|
|
Режим работы…………………………………………………………………………...
|
П, Т
|
По заданной мощности выбрать двигатель, вентильный преобразователь,
элементы главной цепи (автоматические выключатели, пускатели и др.)
Выбрать необходимые датчики контролируемых координат.
Выбрать устройства управления, защиты и сигнализации.
Произвести расчет параметров объекта управления как составной части САУ.
Выбрать структуру САУ, обеспечивающую минимально возможное время
переходных процессов в заданных режимах.
Рассчитать параметры регуляторов: коэффициенты передачи, постоянные
времени.
Выполнить расчет статических характеристик разомкнутой и замкнутой САУ.
Рассчитать и построить переходные процессы ω(t) и Iя(t) в заданных
режимах.
Рассчитать параметры управляющего устройства электропривода.
Составить принципиальную схему и подробную спецификацию
электрооборудования.
Дать описание работы схемы, рекомендации по возможному ее применению.
Содержание
Введение
1. Выбор
силовой части электропривода
1.1 Двигатель и
его паспортные данные
1.2 Генератор и
его паспортные данные
2. Расчет
статических параметров ЭП
3. Оптимизация
контуров регулирования
3.1 Оптимизация
контура напряжения
3.2 Оптимизация
контура тока
3.3 Оптимизация
контура скорости
4. Статические
характеристики замкнутой системы
5. Расчет
динамики электропривода
6. Защита и
автоматика
Заключение
Список
литературы
Введение
Современные автоматизированные электроприводы представляют собой сложные
динамические системы, включающие в себя различные линейные и нелинейные
элементы (двигатели, генераторы, усилители, полупроводниковых и другие
элементы), обеспечивающие в своем взаимодействии разнообразные статические и
динамические характеристики.
Электропривод по системе Г-Д с тиристорным возбуждением генератора
находит широкое применение во многих отраслях промышленности.
Достаточно сказать, что большинство мощных электроприводов постоянного
тока различного назначения выполнены по системе Г-Д. Это объясняется рядом ее
важных преимуществ по сравнению с другими приводами;
высокая жесткость механических характеристик;
большой диапазон и плавность регулирования скорости;
отсутствие пусковых сопротивлений и потерь энергии в них;
простота реверса двигателя без переключений в цепи якоря;
простота перевода привода в режимы торможения с рекуперацией энергии в
сеть;
относительная простота схемного решения системы управления приводом, не
требующая высокой квалификации обслуживающего персонала. Наряду с
перечисленными достоинствами система Г-Д не лишена существенных недостатков, к
числу которых относятся:
недостаточное быстродействие привода;
неустойчивая работа двигателя в зоне низких скоростей, ограничивающая
диапазон регулирования;
низкий коэффициент полезного действия, не превышающий 75-80%;
высокая установленная мощность, равная трехкратной мощности регулируемого
двигателя;
большая занимаемая площадь.
1.
Выбор силовой части электропривода
.1
Двигатель и его паспортные данные
По заданной мощности из справочника [1, стр. 389] выбираем двигатель
2ПН315LГУХЛ4 со следующими паспортными
данными:
Таблица 1
Технические данные двигателя 2ПН315LГУХЛ4
|
Параметр
|
Значение
|
|
Номинальная мощность
|
кВт
|
|
Номинальное напряжение
|
В
|
|
Номинальный ток
|
= 999 А
|
|
Напряжение возбуждения
|
В
|
Частота
вращения - номинальная - максимальная
об/мин;
|
об/мин;
|
|
|
КПД
|
Сопротивления
обмоток при 15 °С - якоря - ДП - возбуждения
Ом
Ом
|
Ом
|
|
|
Момент инерции якоря двигателя
|
кг*м2
|
Встроенный тахогенератор типа ТС1 имеет закрытое исполнение. Якорь генератора
жестко закреплен на валу ДПТ, возбуждение от постоянных магнитов.
Крутизна
напряжения тахогенератора
В/(об/мин)
В.с.
1.2
Генератор и его паспортные данные
При выборе генератора должны учитываться следующие условия:
где:
Pг -
мощность генератора, кВт;
Pд - мощность двигателя, кВт;
- КПД
двигателя;
Iнг - номинальный ток якоря генератора, А;
Iнд - номинальный ток якоря двигателя, А.
Скорость
двигателя не является критерием при выборе генератора.
По
мощности из справочника [1, стр. 438] выбираем генератор МП250/1000Т со
следующими паспортными данными:
Таблица 2
Технические данные генератора МП250/1000Т
|
Параметр
|
Значение
|
|
Номинальная мощность
|
кВт
|
|
Номинальное напряжение
|
В
|
|
Напряжение возбуждения
|
В
|
|
Ток возбуждения
|
А
|
|
Частота вращения - номинальная
|
об/мин;
|
|
КПД
|
%
|
Сопротивления
обмоток при 15 °С - якоря - ДП
Ом
|
Ом
|
|
|
Момент инерции якоря генератора
|
кг*м2
|
2.
Расчет статических параметров ЭП
Радианная мера скорости вращения двигателя:
рад/с.
Сопротивление
якорной цепи двигателя, приведенное к рабочей температуре
:
где:
bт = 1,24 -
коэффициент, учитывающий изменение сопротивления обмоток при нагреве на 60 °С.
Номинальное
значение КФ двигателя определяют из уравнения электромеханической
характеристики для номинального режима:
где:
- номинальный ток двигателя.
Передаточный
коэффициент двигателя:
Сопротивление
якорной цепи генератора, приведенное к рабочей температуре
:
Номинальный
ток генератора:
А
Для
измерения тока якоря последовательно с двигателем включен шунт ШС-75-2000-0,5
со следующими данными: номинальный ток
2000 А,
номинальное напряжение 75 мВ. Сопротивление шунта составляет
.
Суммарное
сопротивление якоря:
Индуктивность
якоря генератора:
где:
b = 0,4 - коэффициент для некомпенсированных машин;
р
- число полюсов генератора
Индуктивность
якоря двигателя:
где:
b = 0,4 - коэффициент для некомпенсированных машин; [3]
р
- число полюсов двигателя
Суммарная
индуктивность:
Постоянная
времени якорной цепи:
Электромеханическую
постоянную времени
найдем, приняв момент инерции механизма
равным моменту инерции двигателя
(т.к.
не
определен заданием):
Постоянная
времени генератора:
Передаточный
коэффициент генератора:
где:
- ЭДС генератора;
Ток
короткого замыкания:
Величина
допустимого тока:
Время
переходного процесса:
Время
возбуждения:
Требуемый
коэффициент форсировки:
Требуемое
напряжение возбуждения:
Коэффициент
передачи тиристорного возбудителя:
Коэффициент
обратной связи по напряжению:
Коэффициент
обратной связи по току содержит измерительный шунт с коэффициентом
и стандартную ячейку датчика тока, имеющую коэффициент
. Тогда общий коэффициент канала обратной связи по
току составит:
В/А
В
канале обратной связи по скорости используется тахогенератор с
. ОС по скорости должна обеспечивать напряжение ОС 10В
при номинальной скорости двигателя:
Вс
Следовательно,
после тахогенератора необходимо установить делитель напряжения с коэффициентом
деления:
Для
форсирования переходных процессов в системе Г-Д в многоконтурных системах
подчиненного регулирования необходимо иметь достаточный запас по напряжению
вентильного возбудителя генератора (2 - 4,5-кратный). Поэтому выбираем
комплексный тиристорный электропривод КТЭ-25/440-912-0-УХЛ4 [3, с.8,10,11]:
Таблица 3
Технические данные комплектного тиристорного электропривода КТЭ-25/440-912-0-УХЛ4
|
Параметр
|
Значение
|
|
Номинальный ток
|
|
|
Номинальное напряжение
|
|
Для КТЭ-25/440-912-0-УХЛ4 выбираем трансформатор ТСП-10/0,7-УХЛ4 [3,
с.270] со следующими техническими данными:
Таблица 4
|
Параметр
|
Значение
|
|
Номинальная мощность
|
|
|
Напряжение сетевой обмотки
|
В
|
|
Напряжение вентильной обмотки
|
В
|
|
Напряжение КЗ
|
%
|
3.
Оптимизация контуров регулирования
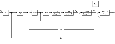
Составим структурную схему с корректирующими звеньями.
В данной 3-х контурной системе подчиненного регулирования контур
регулирования напряжения якоря является внутренним, и по методике расчета таких
систем внутренний контур должен оптимизироваться первым. Затем контур тока и
контур скорости.
3.1
Оптимизация контура напряжения
Рисунок 2 - Структурная схема контура напряжения
Для настройки контура напряжения на модульный оптимум введем
интегрально-пропорциональный регулятор, имеющий передаточную функцию: электропривод контур
электропривод двигатель
параметры
последнего определяются так:
;
, где T0 = Tг;
;
k0 = kпвkгkдн
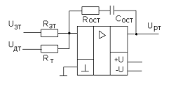
Тогда регулятор напряжения примет вид:
(*)
Передаточная
функция замкнутого контура напряжения:
где:
;
Коэффициент
передачи оптимизированного контура напряжения:
Уравнению
(*) соответствует интегрально-пропорциональный регулятор со схемой реализации,
приведенной на рисунке 4.
Постоянная
времени интегрирования регулятора
Постоянная
времени обратной связи

Тогда,
задавшись емкостью конденсатора
,
определим сопротивления резисторов:
кОм,
кОм.
По
каталожным данным выбираю конденсатор типа К75-24 [5, стр.155], резисторы типа
С2-33 [6, стр.58].
Передаточная
функция замкнутого оптимизированного контура напряжения в этом случае имеет
вид:
В
качестве регулятора тока возьмем ячейку регулятора напряжения типа РН-1АИ [4,
с.217, табл. 7.1], который представляет собой ПИ-регулятор и имеет следующие
параметры:
диапазон изменения постоянной времени интегрирования 2 - 100 мс;
коэффициент усиления пропорциональной части 1 - 50.
3.2
Оптимизация контура тока
Для начала избавимся от перекрестных обратных связей:
Рисунок 4 - Структурная схема контура тока якоря с внутренним контуром
напряжения
Для настройки контура тока на модульный оптимум введем
интегрально-пропорциональный регулятор, имеющий передаточную функцию:
Передаточная функция замкнутого контура тока:
Коэффициент
передачи оптимизированного контура тока:
Уравнению
соответствует интегрально-пропорциональный регулятор со схемой реализации,
приведенной на рисунке 8.
Постоянная
времени интегрирования регулятора
Постоянная
времени обратной связи
Рисунок 5 - Схема ИП-регулятора тока.
Тогда,
задавшись емкостью конденсатора
,
определим сопротивления резисторов:
кОм,
кОм.
По
каталожным данным выбираю конденсатор типа К72-11 [5, стр.155], резисторы типа
МЛТ-0,25 [6, стр.58].
Передаточная
функция замкнутого оптимизированного контура тока в этом случае имеет вид:
3.3
Оптимизация контура скорости
Прежде всего, определимся с видом регулятора скорости - пропорционального
или интегрально-пропорционального типа. В первом случае полученная система
электропривода будет обладать статической ошибкой по скорости, во втором случае
- астатическими свойствами.
Относительная просадка скорости:
где:
- скорость холостого хода двигателя
-
статическая ошибка
Статическая
ошибка по скорости в замкнутой системе меньше заданной (8%). Поэтому применяем
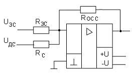
П-регулятор скорости:
Рисунок
6 - Структурная схема контура скорости с внутренним контуром тока
Передаточная
функция регулятора скорости:
Коэффициент
передачи оптимизированного контура скорости:
Определим
параметры элементов в схеме пропорционального регулятора скорости из
соотношения:
предварительно
задавшись, например, величиной Rзс = 3 кОм
.
Рисунок 7 - Схема П-регулятора тока.
4.
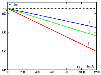
Статические характеристики замкнутой системы
Статизм на естественной характеристике электродвигателя (характеристика
1):
с-1,
%
Статизм в разомкнутой системе электропривода (характеристика 2):
с-1,
%
Статизм
в замкнутой однократно интегрирующей системе уже рассчитывался и составляет
с-1,
%
(характеристика 3).
Рисунок 8 - Статические характеристики системы электропривода.
5. Расчет
динамики электропривода
Задатчик интенсивности (ЗИ), включенный на вход двухконтурной системы
регулирования, преобразует сигнал любой формы (в том числе и ступенчатой) в
линейно изменяющийся с заданной интенсивностью сигнал. Интенсивность изменения
сигнала на выходе ЗИ соответствует заданному ускорению ЭП. Временная
характеристика ЗИ показана на рисунке 9.
Рисунок 9. Характеристика ЗИ
Известно,
что от постоянной интегрирования ЗИ (Т) зависит величина пускового тока. Примем
А, при этом:
с.
Параметры времязадающей RC-цепи
задатчика интенсивности узнаем из формулы:
.
Задавшись
рассчитаем
кОм.
Для
возможности оперативной подстройки используем в качестве
переменный резистор типа СП5-28 [8, cтр.
310] с номинальным сопротивлением 200 кОм. Стандартная ячейка ЗИ-2АИ [2, стр.
214, табл. 7.1] полностью соответствует сформулированным требованиям.
Для построения графиков переходных процессов
воспользуемся программой MATLAB-Simulink. Для этого построим структурную схему замкнутой
системы:
6. Защита и автоматика
Системы управления комплектными тиристорными электроприводами строятся на
типовых элементах унифицированной блочной системы регуляторов УБСР-АИ
аналогового действия, объединенных по принципу единства конструкции, вида
входных и выходных сигналов, напряжений питания. Элементы УБСР-АИ выполняются в
виде двусторонних печатных плат, снабженных штепсельным разъемом, с широким
применением полупроводниковых и гибридных интегральных микросхем и являются наименьшими
сменными модулями системы управления. В номенклатуру аналоговых элементов
УБСР-АИ входят источники питания, задатчики входных сигналов, датчики
регулируемых параметров, усилительные устройства, регуляторы, потенциальные
разделители, компараторы, функциональные устройства, устройства защиты и
коммутации, устройства технологической логики, контролирующие и вспомогательные
устройства, т.е. функционально полный набор, обеспечивающий построение систем
управления любой структуры.
Преобразовательная часть тиристорных электроприводов
снабжается быстродействующей системой защиты, назначение которой - обнаружить
аварию и локализовать ее, уменьшить ее вредные последствия. Большая часть
аварий влечет за собой появление значительных токов в тех или иных элементах
силовой цепи, и поэтому основное назначение защиты - ограничить рост тока в
силовой цепи. Некоторые виды аварий могут вызвать выход из строя элементов
схемы без увеличения тока; например, отключение принудительной вентиляции
вызывает перегрев тиристоров даже при номинальном токе; некоторые элементы
выходят из строя при появлении перенапряжений, в частности, приходящих из
питающей сети. К появлению больших токов приводят короткие замыкания в цепях
переменного и постоянного тока, одновременная подача управляющих импульсов на
тиристоры обоих выпрямительных мостов ТД пробой тиристора, опрокидывание
инвертора, выдача управляющего импульса со значительным опережением по
отношению к требуемому моменту и т.д.
Контакторы серии МК применяются для работы в силовых
электрических цепях и цепях управления при напряжении до 440 В постоянного и до
660 В частотой 50 и 60 Гц переменного тока. В комплектных тиристорных
электроприводах используются контакторы серии МК постоянного тока. Допустимая
частота срабатываний контакторов под нагрузкой в повторно-кратковременном
режиме до 1200 циклов включений-отключений (ВО) в час при ПВ = 40 %.
Собственное время включения контакторов - около 0,08 с, собственное время
отключения 0,06 с. Потребляемая мощность втягивающих катушек 40 Вт при 20 °С.
Заключение
В данной работе была разработана система
генератор-двигатель с обратной связью по скорости, току якоря и напряжению:
выбран тип комплектного тиристорного электропривода, разработана функциональная
схема ЭП, выбрано основное оборудование ЭП, оптимизированы контура тока якоря,
скорости и напряжения, рассчитаны параметры регуляторов, произведен расчет
электромеханических характеристик. Результаты всех произведенных в работе
расчетов подтверждены графиками переходных процессов. Рассмотренная в работе
система ЭП является трехконтурной системой с подчиненным регулированием
параметров: внутренний контур напряжения с ИП-регулятором, контур тока якоря с
ИП-регулятором и внешний контур скорости с фильтром с ИП-регулятором. Характер
переходных процессов соответствует критериям модульного оптимума.
Список
литературы
1. Справочник
по электрическим машинам: В 2-х т. / Под ред. И.П. Копылова и Б.К. Клокова.
Т.1. М.: Энергоатомиздат, 1988.
2. Комплектные
тиристорные электроприводы: Справочник / И.Х. Евзеров, А.С. Горобец, Б.И.
Мошкович и др.; Под ред. В.М. Перельмутера. М.: Энергоатомиздат, 1988.
. Справочник
по проектированию автоматизированного электропривода и систем управления
технологическими процессами / Под ред. В.И. Круповича, Ю.Г. Барыбина, М.Л.
Самовера. 3-е изд., перераб. и доп. М.: Энергоиздат, 1982. - 416с.
. Мощные
полупроводниковые приборы. Тиристоры: Справочник / В.Я. Замятин, Б.В.
Кондратьев, В.М. Петухов. М.: Радио и связь, 1987. 576 с.
. Конденсаторы:
Справочник / И.И. Четвертаков, М.Н. Дьяконов, В.И. Присняков и др.: Под ред.
И.И. Четвертакова, М.Н. Дьяконова - М.: Радио и связь, 1993. - 392 с.
6. Резисторы: Справочник / В.В. Дубровский, Д.М. Иванов, Н.Я. Пратусевич
и др.; Под ред. И.И. Четверткова и В.М. Терехова. - 2-е изд., перераб. и доп. -
М.: Радио и связь, 1991. - 528 с.