Разработка средств автоматизации судовой электростанции

  • Вид работы:
    Курсовая работа (т)
  • Предмет:
    Информатика, ВТ, телекоммуникации
  • Язык:
    Русский
    ,
    Формат файла:
    MS Word
    323,27 Кб
  • Опубликовано:
    2015-07-07
Вы можете узнать стоимость помощи в написании студенческой работы.
Помощь в написании работы, которую точно примут!

Разработка средств автоматизации судовой электростанции

Содержание

Введение

. Общие положения и описание принципа работы

. Выбор элементов

. Выбор микроконтроллера

. Программная реализация

Заключение

Литература


Введение

Человечество издавна стремилось к всеобщей автоматизации и оптимизации окружающей среды. В данной работе рассмотрен пример автоматизации управления судовой электрической станции.

Судовая электрическая станция (СЭС) - это энергетический комплекс, состоящий из источников электроэнергии и главного распределительного щита (ГРЩ), к которому они подключены. В качестве основных источников электроэнергии на современных судах применяют генераторы переменного тока. Но дело не только в аспектах конструкции, но и в автоматизации регулирования таких параметров, как мощность, частота, напряжение и другие. Ведь именно эти параметры в большей степени и определяют эффективность работы СЭС и затраты на поддержание ее работоспособности.


. Общие положения и описание принципа работы

Нормальная работа потребителей электроэнергии СЭС возможна только в том случае, если на электростанции вырабатывается высококачественная электроэнергия, т.е. если напряжение и частота генераторов переменного тока поддерживаются с требуемой точностью. В качестве основных источников электроэнергии на судах используют генераторы с автономным приводом - генераторные агрегаты (ГА), которые состоят из первичного двигателя и генератора и генераторы отбора мощности от главного судового двигателя.

Автоматизация СЭС может осуществляться путем контроля значений напряжения и частоты за счет специального оборудования: блоков стабилизации частоты вращения и напряжения.

Регулирование напряжения осуществляется следующими методами: стабилизация напряжения по возмущению, по отклонению и комбинированная.

В качестве источников регулируемого напряжения используются генератор постоянного тока, либо полупроводниковый выпрямитель. Поддержание неизменной частоты сводится, в свою очередь, к стабилизации частоты вращения вала первичного двигателя ГА. Первичный двигатель загружается только активной нагрузкой, при ее изменении изменяется частота. Стабилизацию частоты вращения вала ГА осуществляют с помощью автоматических регуляторов, которые воздействуют на исполнительные органы, изменяющие подачу топлива (пара) в первичные двигатели.

Принцип действия генератора основан на законе электромагнитной индукции <#"864209.files/image001.gif">

Рис. 1.1. Схема регулирования частотой двигателя судовой электростанции

Здесьзад - заданная оператором частота;ос - частота, измеренная датчиком по цепи обратной связи;р - передаточная функция регулятора;оу - передаточная функция объекта управления;ос - датчик, регистрирующий частоту;- частота на выходе объекта управления.

Полагаясь на данную схему, можно сделать вывод о том, что оптимизация частоты будет происходить по отклонению, где в цепи обратной связи находится датчик, регистрирующий значение частоты на выходе объекта управления. Также можно сказать, что сумматор отвечает за разность частоты, заданной оператором, и частоты, принятой с датчика. Это определяет величину отклонения от заранее заданных оператором значений и ее регулирование в дальнейшем.

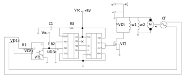
В основе регулирования напряжения лежит тот же принцип с незначительными отличиями в области возмущений рис. 1.2.

Рис. 1.2. Структурная схема

Все элементы данной структурной схемы выбраны обоснованно в связи с необходимостью реализации точного управления и получения качественной энергии для потребителей электростанции. Далее приведен перечень необходимых конструкторских решений.

. Выбор элементов

Оптрон типа МОС8101 применяется для гальванической развязки цепи с малым током коммутации. В качестве коммутирующего элемента используется биполярный транзистор.

Рис. 2.1. Оптрон типа МОС8101

судовой электрический двигатель щит

Двигатель постоянного тока типа ВДМ 200

Характеристики двигателя табл. 2.1:

Таблица 2.1. Характеристики двигателя постоянного тока типа ВДМ 200

Номинальная мощность, кВт

200

Максимальная часовая мощность, кВт

220

Номинальная частота вращения вала двигателя, об/мин

1500

Род тока

постоянный

Номинальная частота тока

50 Гц

Номинальное напряжение, В

400


Рис. 2.2. Двигатель постоянного тока

Генератор переменного тока


Рис. 2.3. Генератор переменного тока

Драйвер типа UCC37322. Напряжение питания драйвера лежит в диапазоне 4÷15 В, поэтому может использоваться напряжение питания микроконтроллера VCC. Управляется драйвер стандартными логическими сигналами микроконтроллера: выходной сигнал ШИМ ОС0 поступает на основной вход IN, через порт PB1 поступает дополнительный сигнал разрешения EI, который позволяет сигналом нулевого уровня отключить выходной силовой транзистор VT2 независимо от сигнала ШИМ. Этот дополнительный сигнал позволяет программно запретить управление выходным ключом. Драйвер обеспечивает задержку переключения сигнала управления OUT не более 70 нс при входной емкости МОП - транзистора до 10 нФ.


Рис. 2.4. Драйвер

Обмотка возбуждения. В количестве двух. Одна из них основный поток возбуждения, а другая за предел скорости вращения ГА. Здесь ток якоря равен сумме тока нагрузки и тока возбуждения: Iя = Iн + Iв.

Рис. 2.5. Обмотка возбуждения

. Выбор микроконтроллера

В соответствии с поставленными задачами и выбранными устройствами для реализации будем использовать микроконтроллер ATtiny2313. ATtiny2313 улучшенный вариант микроконтроллера AT90S2313. Это семейство МК AVR зарекомендовало себя, вследствие простой архитектуры и параметрам, отвечающим общим требованиям.

Общие характеристики:

●          120 инструкций оптимизированных для программирования на языках высокого уровня;

●          32 регистра общего назначения;

●          почти каждая инструкция выполняется за 1 такт генератора, за счет чего быстродействие достигает 20 MIPS;

●          2 килобайта флеш-памяти для программ. Флеш-память может программироваться прямо с контроллера;

●          128 байт EEPROM (энергонезависимая память);

●          128 байт SRAM (оперативная память).

●          один 8 битный таймер/счетчик;

●          один 16 битный таймер/счетчик;

●          четыре ШИМ канала;

●          аналоговый компаратор;

●          Watchdog таймер;

●          USI универсальный последовательный интерфейс;

Для микроконтроллера наиболее удобен режим программирования по последовательному SPI интерфейсу.

Как и все микроконтроллеры AVR серии ATtiny2313 (рис. 3.1) производителен и экономичен. Широко доступен в продаже. Недорог.

Рис. 3.1. Микроконтроллер ATtiny2313


4. Программная реализация

Блок - схема

Суть программной реализации состоит в сравнении эталонного значения исследуемой характеристики (периода) с полученным значением в процессе функционирования устройства. Далее, если полученное значение соответствует эталонному, формируется функция управления, если нет - приведение в исполнение мер по ликвидации ошибки для корректировки управляемых параметров.

Рис. 4.1. Блок - схема управления


Программная реализация

.include "tn13def.inc"

.def temp1=r16

.def count=r17

.def flag=r18

.def sigma=r19

.def lsigma=r20

.def Tint=r21

.def Tdif=r22

.def nupr=r23

.def temp1=r24

.def Tet=200; заданное значение периода

.def diod=r25

.def Kp=r26

.def temp3=r27

.CSEG

.ORG $000reset

.ORG $006

rjmp VEC_PR; вектор прерывания:

ldi temp, low (RAMEND)SPL, temptemp, 0b00000011DDRB, tempflagcounttemp,(1<<TOIE0)TIMSK, temptemp, (1<<ISC01)mcucr, temptemp,(1<<INT0)GIMSK, tempmain:GTCCR, tempTCNT0, temp1TMP_0,(1<<COM0A1)|(1<<WGM01)|(1<<WGM00)TCCR0A,TMP_0OCR0A,temp1OCR0B,temp1TMP_1,(1<<OCF0B)TIFR0, TMP_1TIMSK0,TMP_1TMP_0,(1<<CS00)TCCR0B, TMP_0:temp, 0b00000011TCCR0A, temptemp, 0b00000110TCCR0B,tempr18,0PORTB,r18sigmalsigmaTintTdifnuprdiodcount:r26,TCNT0r27TCNT0, r27r26,Tetoutmin:r26, Tetsigma, r26:PORTB, PBOPORTB, PB0:Tet,r26:Kp,1nupr,Kpnupr, Kpnupr, Kpnupr, siqmanupr,sigmanupr, sigmanupr, sigmaTet, TintTet,Tintnupr, Tetnupr, TetTdif, TetTdif,Tetnupr, Tdifnupr,Tdifsigma,lsigmasigma,lsigmanupr,sigmanupr,sigmatempDDRC, tempPORTC, temptemp,0b00010000TIMSK,tempTIMSK, OC1E1Atemp,0b 00001101TCCR1B,temptemp, high (5760)OCR1AHtemp, low(5760)OCR1Altempnupr

clr temp1


Заключение

В данной работе разработаны методы и устройства для автоматизации параметров судовой электростанции. Реализация их представляется возможным только на программном уровне или уровне модели, ввиду недоступности технологий, либо недостатка мощностей. Но приведенная в работе модель может быть использована для внедрения в судовые электростанции


Литература

1. Иванов Ю. И., Цирулик Д. В., Югай В. Я. "Программно-аппаратная реализация типовых функций в системах управления", ТТИ ЮФУ, 2009.

2. Ткаченко А. Н. Судовые системы автоматического управления и регулирования. Учебное пособие. - Л.: Судостроение, 1984.-288 с., ил.

3. Хайдуков О. П. Эксплуатация энергоэнергетических систем морских судов: Справочник /О. П. Хайдуков, А. Н. Дмитриев, Г. Н. Запорожцев. - М.: Транспорт, 1988. - 223 с.: ил., табл. - Библиогр.: с. 211.

4.Никифоровский Н. Н., Норневский Б. И. Судовые электрические станции, "Транспорт", 1974.

5.Китаенко Г. И. Справочник судового электротехника, "Судостроение", 1980.

Похожие работы на - Разработка средств автоматизации судовой электростанции

 

Не нашли материал для своей работы?
Поможем написать уникальную работу
Без плагиата!
Без нейросетей!