Проект транзисторного фильтра с нагрузкой в цепи эмиттера
Курсовая работа
Проект транзисторного фильтра с
нагрузкой в цепи эмиттера
СОДЕРЖАНИЕ
РЕФЕРАТ
ВВЕДЕНИЕ
. ОБЗОР СУЩЕСТВУЮЩИХ СХЕМ
.1 Обзор схемных решений
.2 Обзор конструктивных исполнений
.3 Постановка задачи
. РАБОТА ТРАНЗИСТОРНОГО ФИЛЬТРА С НАГРУЗКОЙ В
ЦЕПИ ЭМИТТЕРА
. РАСЧЕТ СХЕМЫ ТРАНЗИСТОРНОГО ФИЛЬТРА С НАГРУЗКОЙ В ЦЕПИ
ЭМИТТЕРА
.КОНСТРУКЦИОННОЕ ИСПОЛНЕНИЕ
ВЫВОДЫ
Литература
Приложение А. Справочные данные на полупроводниковые элементы
Приложение Б. Справочные данные конденсаторов
Приложение В. Справочные данные для резисторов
Приложение Г. Справочные данные по вилкам
пульсация нагрузка сглаживание транзистор фильтр
РЕФЕРАТ
ПЗ 25 с., 16 рис., 4 прил., 6 источников
В данной работе проектируется транзисторный фильтр с нагрузкой в цепи эмиттера.
Целью проектирования является проведение расчёта и проектирование
устройства силовой и радиоэлектроники, разработка чертежей и необходимой
документации для дальнейшего применения расчетного объекта на производстве.
Для разработки транзисторного фильтра используется специальная литература
для выбора схемы и дальнейшей конструкции, а также справочники по выбору
необходимых элементов проектирования.
В работе содержится информация о различных видах транзисторных фильтров
их схемы, области применения, обзоры конструктивных и схемных решений.
ФИЛЬТР, ТРАНЗИСТОР, НАГРУЗКА, ЭМИТТЕР, РЕЗИСТОР, КОНДЕНСАТОР
введение
Транзисторные фильтры служат для сглаживания пульсаций как за счет
затухания на пути прохождения переменной составляющей (ослабляющей фильтр), так
и за счет компенсации напряжения пульсации источника встречным напряжением,
получаемым в фильтре. В ослабляющем фильтре транзистор обеспечивает необходимое
затухание.
В курсовом проекте проводится расчет транзисторного фильтра, так как он
обладают низким уровнем пульсаций при импульсном характере нагрузки и допускают
ее изменение на 100%, в то время как индуктивно-емкостные фильтры практически
не обеспечивают работу на такую нагрузку.
Основным параметром транзисторного фильтра является коэффициент сглаживания,
представляющий собой отношение коэффициента пульсации на входе фильтра к
коэффициенту пульсации на его выходе.
Требования к фильтрам:
потери напряжения на фильтре должны быть минимальными;
-фильтр не должен давать опасных для выпрямительного устройства бросков
тока при включении;
-габариты, масса и стоимость фильтра должны быть небольшими;
-максимальное сопротивление для переменной составляющей тока и
минимальное сопротивление для постоянной составляющей [1].
1 ОБЗОР СУЩЕСТВУЮЩИХ СХЕМ
1.1 Обзор схемных решений
Сглаживающие транзисторные фильтры получают питания непосредственно от основного
источника постоянного тока, пульсации которого должны быть ослаблены. На
транзисторы оказывают влияние колебания тока потребителя. В схемах косвенного
питания используются дополнительные элементы (конденсаторы, диоды, и др.),
позволяющие разделить цепи питания по постоянной и переменной составляющим. Эти
элементы и сами дополнительные источники питания усложняют схему, но зато
позволяют применить транзисторный фильтр, как для высоких постоянных
напряжений, так и для низких[2].
Существуют следующие основные типы схем транзисторных фильтров:
последовательного типа, с нагрузкой в цепи эмиттера и с нагрузкой в цепи
коллектора[2].
В начале рассматривается простейшая схема с нагрузкой в цепи эмиттера.
Потребитель включен в цепь эмиттера, и транзистор работает по схеме эмиттерного
повторителя. Эмиттерный повторитель в качестве фильтра имеет два важных
преимущества: выходное сопротивление такой схемы меньше, и его коэффициент
усиления по напряжению немного меньше единицы.
Рисунок 1.1 - Схема фильтра с нагрузкой в цепи эмиттера
Фильтры с нагрузкой в коллекторной цепи применяются при малых нагрузках,
когда ее сопротивление значительно больше выходного сопротивления фильтра. При
больших нагрузках выходное сопротивление становится соизмеримым с
сопротивлением нагрузки и оказывает влияние на режим работы потребителя. В
фильтрах с нагрузкой в цепи коллектора потребитель включен в цепь коллектора,
и, поэтому на потребитель, главным образом, оказывает влияние э.д.с.
Рисунок 1.2 - Схема фильтра с нагрузкой в цепи коллектора и фиксированным
смещением напряжения на базе
В данной схеме показано необходимое смещение напряжения на базе, которое
обеспечивается постоянной составляющей выпрямленного напряжения, не зависящей
от режима работы коллекторной цепи, и её называют схемой с фиксированным
смещением. схема работает при
температуре окружающей среды 45°С . для каждого транзистора
в схеме необходима индивидуальная настройка режима [2].
Рассматривается схема фильтра с автоматическим смещением напряжения на
базе транзистора, которое автоматически изменяется при изменении режима в
коллекторной цепи.
Рисунок 1.3 - Схема фильтра с нагрузкой в цепи коллектора и
автоматическим смещением напряжения на базе
Для уменьшения выходного сопротивления транзисторный фильтр нужно
создавать на основе эмиттерного повторителя, с включением потребителя в
эмиттерную цепь. В результате выходное сопротивление фильтра становится
минимальным, а коэффициент усиления по напряжению практически равен единице. В
таких схемах нет необходимости ослаблять действие ЭДС в коллекторной цепи,
вносимой эмиттерным током. Схема не требует индивидуальной настройки при замене
транзистора.
1.2 Обзор конструктивных исполнений
Сглаживающими фильтрами выпрямителей называют устройства,
предназначенные для уменьшения переменной составляющей выпрямленного напряжения
(пульсаций) до величины, при которой обеспечивается нормальная работа питаемой
электронной аппаратуры.
Для работы выпрямителей принципиальное значение имеет характер фильтра,
включенного на выходе выпрямителя. Выпрямители, нагруженные на фильтр в виде
конденсатора, используются в широком диапазоне выпрямленных напряжений и
мощностей. Недостатком выпрямителей является большая амплитуда тока через
выпрямительный диод в момент включения источника (для выпрямителей с ёмкостным
фильтром ).
Рисунок 1.4 - Функциональная схема фильтров
Выпрямители без сглаживающего фильтра применяются редко, например, когда
пульсации напряжения на нагрузке не имеют существенного значения.
Основным параметром сглаживающего фильтра является коэффициент
сглаживания, представляющий собой отношение коэффициента пульсации на входе
фильтра к коэффициенту пульсации на его выходе.
Требования к фильтрам:
· потери напряжения на фильтре должны быть минимальными;
· фильтр не должен давать опасных для выпрямительного
устройства бросков тока при включении;
· габариты, масса и стоимость фильтра должны быть небольшими;
· максимальное сопротивление для переменной составляющей тока и
минимальное сопротивление для постоянной составляющей [1].
1.3 Постановка задачи
Необходимо рассчитать и спроектировать транзисторный фильтр с нагрузкой в
цепи эмиттера.
Исходные данные для расчета:
-входное напряжение U=30
В;
выходной ток I=0,2 А;
коэффициент пульсации на выходе фильтра Kп=0,02 %;
коэффициент пульсации на входе фильтра K’п=6 %;
выходное сопротивление Zвых=45 Ом;
внутреннее сопротивление выпрямителя Riв=12 Ом;
пределы изменения напряжения на входе DU= ±15 %;
частота пульсации f=350 Гц.
Задание:
выбрать схему фильтра;
выполнить её расчёт;
осуществить подбор элементов для устройства;
спроектировать конструкцию устройства;
сборочный чертёж и чертёж печатной платы.
Учитывая, что фильтр на одиночном транзисторе при однозвенной входной
цепочке не даёт коэффициента сглаживания, мы выбираем схему с двухзвенной
входной цепочкой.
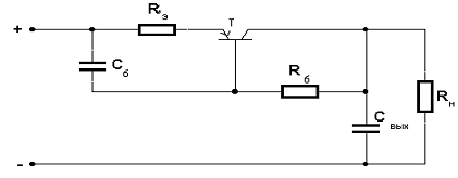
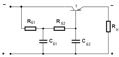
Рисунок 1.5 - Схема фильтра с нагрузкой в цепи эмиттера и двойным
фильтром на входе
2. РАБОТА ТРАНЗИСТОРНОГО ФИЛЬТРА С
НАГРУЗКОЙ ВЦЕПИ ЭМИТТЕРА
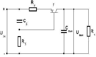
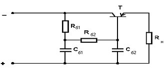
Рисунок 2.1 - Транзисторный фильтр с нагрузкой в цепи эмиттера
Фильтры с потребителем в коллекторной цепи применяют при малых нагрузках,
т. е. когда сопротивление нагрузки значительно больше выходного сопротивления
фильтра. При больших нагрузках выходное сопротивление фильтра становится
соизмеримым с сопротивлением нагрузки.
Для уменьшения выходного сопротивления транзисторный фильтр удобно
строить на основе эмиттерного повторителя, с включением потребителя в
эмиттерную цепь. В результате чего выходное сопротивление становится
минимальным и коэффициент усиления по напряжению практически равен единице.
Схема требует индивидуальной настройки при замене транзистора.
Коэффициент сглаживания рассматриваемого фильтра ниже, чем у фильтра с
нагрузкой в коллекторной цепи. Коэффициент сглаживания можно увеличить, если в
схему последовательно с резистором ввести дроссель, либо применить двухзвенную
фильтрующую цепочку на входе, либо использовать составной транзистор, либо
увеличить число звеньев [1].
3 РАСЧЕТ
СХЕМЫ ТРАНЗИСТОРНОГО ФИЛЬТРА С НАГРУЗКОЙ В ЦЕПИ ЭМИТТЕРА
Согласно исходным данным и выбранной по ним схеме в пункте 1.3 проводится
расчет транзисторного фильтра с нагрузкой в цепи эмиттера. Выбирается фильтр на
основе эмиттерного повторителя, с включением потребителя в эмиттерную цепь. В
таком фильтре выходное сопротивление становится минимальным, и коэффициент
усиления по напряжению равен единице.
Пользуясь исходными данными, находится коэффициент сглаживания фильтра по
формуле [2]:

=

=
=300
Рассчитывается входное напряжение фильтра [2]:
где a и b - относительные изменения входного напряжения,a=0.1,b=0.1;
U’K.H. - напряжение насыщения может быть от 0.5 до 3 В.
Принимаем U’к.н. = 0.5 В.[1]
Фильтр на одиночном транзисторе при одинарной входной цепочке не даёт Kсг=233.3 %, поэтому мы выбираем схему с
двухзвенной входной цепочкой.
Рисунок 3.1 - Схема транзисторного фильтра с двухзвенной RC-цепочкой на входе
Наибольшее напряжение на транзисторе будет в момент включения сетевого
напряжения:[1]
где Iвх»Iср, так как ток, потребляемый
делителями меньше нагрузочного.
Защиту фильтра не предусматриваем, чтобы упростить схему, поэтому
транзистор должен выдерживать напряжение Ukб»40.4В при включении. Рассчитаем допустимый ток в режиме
короткого замыкания:

=
Учитывая это, выбирается транзистор типа П213Б[5]. По справочнику [5]
находим параметры транзистора: обратный ток эмиттера Iэб.об=0,3 мА , постоянное напряжение коллектор - база Ukб max=65 В , постоянное напряжение
коллектор - эмиттер Ukэ
max=45 В , постоянный ток коллектора Ik max=2 А , коэффициент передачи тока b0=20..60 В, рассеиваемая мощность с теплоотводом Pт доп=10 Вт , максимальная температура
окружающей среды Tдоп= +70° С. При повышении температуры окружающей среды на 10° С ток Iко транзистора удваивается. Тогда при tокр=40° С,
Iко=1,2 мА.
Транзистор не следует снабжать радиатором, так как рассеиваемая мощность
в режиме короткого замыкания не превышает Pт доп.
Величина сопротивления:
Принимаем Rб1=Rб2=102,5 Ом,
где
; a0=0,95 - коэффициент передачи по току в схеме с общей
базой.[5] Требуемый коэффициент фильтрации рассчитываем по формуле:
Величины ёмкостей конденсаторов, которые обеспечивают Kф=346:
Выбираются конденсаторы марки К50-29, емкостью 100 мкФ с рабочим напряжением
45 В [2]. КПД фильтра рассчитывается по формулам:
Выходное сопротивление фильтра:
Модуль выходного сопротивления:

=25,7
4 КОНСТРУКТИВНОЕ ИСПОЛНЕНИЕ
Данный транзисторный фильтр относится к числу маломощных преобразователей
напряжения. Поскольку данный прибор фильтр принимается в основном для работы с
выпрямителем, значит, выбирается для устройства встраиваемое исполнение в виде
модуля. Плата привинчивается к передней панели из диэлектрика, на которую с
противоположной стороны крепится ручка. На плату крепится устанавливаемый
транзистор П213Б, с помощью трех винтов.
Выбирается транзистор типа П213Б и конденсатор К50-20 [4]. Транзисторы
применяются для маломощных фильтров с частотой 150 Гц.
Габаритные размеры платы 120´120 мм, толщина 25 мм, материал стеклотекстолит общего
назначения негорючий фильтрованный СОНФ-2 (ДСТУ 12652-74). Масса изделия около
0,2 кг. Элементы паяются ПОС61 ДСТУ 21931-76. Плату после регулировки
необходимо покрыть лаком ЭП-9114 в два слоя[2].
Тип монтажа - печатный, жесткий. Крепеж элементов навесной, вилка
присоединяется гибким монтажным проводом с изоляцией спекаемой из пенки (ТУ
16-505.083-78) диаметром 0,1 мм.
Плата закрепляется болтами на металлической раме внутри шкафа или ящика.
ВЫВОДЫ
Схема включения нагрузки в эмиттерную цепь применяется при больших
нагрузках, так как схема с нагрузкой в цепи коллектора, несмотря на все выше
описанные достоинства, неспособна, работать при больших нагрузках. Она имеет
два важных достоинства: выходное сопротивление такой схемы меньше, чем всех
других известных схем включения транзистора, имеет меньший коэффициент
сглаживания, чем схема с нагрузкой в цепи коллектора.
Транзисторные схемы наиболее просты. Увеличение габаритов фильтров
происходит за счёт необходимости ввода большого радиатора для транзистора,
который является основным элементом фильтра. Полупроводниковые приборы
перегреваются в процессе работы, что приводит к ухудшению характеристик прибора
и снижению быстродействия, а потом к полной негодности, поэтому прибор
нуждается в мощном теплоотводе. Транзисторные фильтры широко распространены
из-за их простоты и относительной дешевизны.
При расчёте фильтра с нагрузкой в цепи эмиттера были подсчитаны такие
основные величины:
коэффициент сглаживания -Ксг=300%
-входное
напряжение фильтра - 
=34,6 В,
величина
сопротивления и ёмкости -
=205 Ом, Cб»84.69мкФ,
КПД
фильтра -


=0.88%,
модуль
выходного сопротивления -
=25,7Ом.
ЛИТЕРАТУРА
1.Векслер Г.С., Штильман В.И. Транзисторные
сглаживающие фильтры. - М.: Энергия, 1978, 176с.
.Исаков Ю.А. и др. Основы промышленной электроники. -
К.: Техника, 1976 - 554с.
.Резисторы: Справочник / Под. ред. Четвертакова И.И. -
М.: Радио и связь, 1991. - 528с.
.Берзан В.П., Геликман Б.Ю. Электрические конденсаторы
и конденсаторные установки: Справочник. - М.: Энергоатомиздат, 1987. - 656с.
.Бережнева К.М. и др. Транзисторы для аппаратуры
широкого применения. - М.: Радио и связь, 1981. - 656с.
.Овищер П.И., Голованов Ю.В., Кобешников В.П. и др.
Несущие конструкции радиоэлектронной аппаратуры. - М.: Радио и связь, 1988. -
232с.
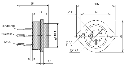
Приложение А. Справочные данные на полупроводниковые
элементы
Рисунок А - Транзистор П213Б
П213Б - транзистор германиевый сплавной структуры p-n-p универсальный. Предназначенный для использования в
переключающих устройствах, выходных каскадах усилителей низкой частоты,
преобразователях постоянного напряжения. Выпускается в металлостеклянном
корпусе с жесткими выводами.
Масса транзистора не более 16,6 г.
Электрические параметры:
-обратный ток эмиттера Ieb.r=0,4
мА,
постоянное напряжение коллектор - база Ukb max=45 В,
постоянное напряжение коллектор - эмиттер Ukе max=30 В,
постоянный ток коллектора Ik max=5 А,
коэффициент передачи тока b0=20..60
В,
рассеиваемая мощность с теплоотводом Pт доп=10 Вт,
максимальная температура окружающей среды Tдоп= +70° С.
При повышении температуры окружающей среды на 10° С ток Iко транзистора удваивается. Тогда при tокр=40° С, Iко=1,2 мА.
Приложение Б. Справочные данные
конденсаторов
Рисунок Б - Конденсатор К50-20
К50-20 - конденсатор алюминиево-электролитический, общего назначения.
К50-20-предназначен для применения в цепях постоянного и пульсирующего
тока также используется в цепях импульсного тока:
номинальная емкость С=100 мкФ;
номинальное напряжение Unom=50 B.
Конденсаторы выпускаются в цилиндрических корпусах с разнонаправленными
проволочными выводами.
Приложение В. Справочные данные для
резисторов
Рисунок В - Резистор С2-33Н
Резистор с металлодиэлектрическим проводящим слоем предназначен для
работы в цепях постоянного, переменного и импульсного тока в качестве элементов
навесного монтажа. Резистор С2-33Н относится к неизолированным, предназначен
для использования в качестве навесного элемента гибридных и интегральных
микросхем.
С2-33Н- резистор постоянный, общего назначения, металлодиэлектрический.
Приложение Г. Справочные данные для
соединителей
Рисунок Г- Вилка РПС1
Вилка РПС1 предназначена для межблочных и кабельных соединений
электрических цепей радиоэлектронной аппаратуры. Для закрепления вилки на
печатной плате(или блоках) в их конструкции предусмотрены скобы.
Износостойкость вилки РПС1 составляет 100 сочленений-расчленений. Срок
сохраняемости в упаковке поставщика, а также встроенных в аппаратуру при
хранении их в складских условиях 12 лет.