|
Импульсные
|
Непрерывные
|
|
маломощные
|
< 10 кВт
|
<10 Вт
|
|
средней
мощности
|
10
кВт - 1 МВт
|
10
Вт - 1 кВт
|
|
мощные
|
1
- 100 МВт
|
1
- 100 кВт
|
|
сверхмощные
|
> 100 МВт
|
>100 кВт
|
По конструктивному оформлению:
· с внутренними резонаторами,
· с внешними резонаторами.
По способу охлаждения:
· с естественным охлаждением,
· с принудительным охлаждением.
По выводу энергии:
· с коаксиальны выводом энергии (в
длинноволновом диапазоне),
· с волноводным выводом (
),
· с коаксиально-волноводным.
По назначению:
· усилительные,
· генераторные,
· умножительные (для умножения
частоты).
По числу резонаторов:
· двухрезонаторные,
· многорезонаторные n
> 2.
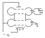
2. Двухрезонаторные клистронные усилители
.1.\ Зависимость выходной мощности от мощности,
поступающей на вход усилителя.\
Эквивалентная схема усилителя изображена на рис.
6.

Резонаторы клистрона моделируются параллельными
колебательными контурами.
Входной резонатор кроме активной проводимости G1
содержит активную проводимость электронной нагрузки Gен1,
обусловленную прохождением через резонатор немодулированного электронного
потока. Элемент связи первого резонатора с входной линией конструируется таким
образом, чтобы обеспечить поступление максимальной мощности от источника
колебаний. Этому соответствует режим критической связи при настройке в резонанс
на рабочей частоте.
Таким образом, мощность входного сигнала,
поступающего в первый резонатор, равна:
Для удобства расчета выразим
величину
через
параметр группирования
Будем считать, что выходной
резонатор настроен на частоту первой гармоники наведенного тока. Тогда
,
- активная проводимость нагрузки,
трансформированная в сечении зазора резонатора.
Выходная мощность усилителя
определяется мощностью, выделяемой в
т.е.
.
.
Максимум выходной мощности
соответствует комплексно-сопряженному согласованию с нагрузкой, когда:
Последняя формула справедлива, когда
. Амплитуда
связана с
наведенным током Iнав законом
Ома. Поэтому на первый взгляд кажется, что уменьшение суммарной активной
проводимости выходного резонатора.
приводит к сколь угодно большому
росту
. Однако,
чтобы электроны в выходном зазоре не отбрасывались назад при максимуме
тормозящего поля должно выполняться условие
.
Выражение для входной и выходной
мощностей связаны с параметром группирования Х соотношениями:
,
описывает в относительных единицах
зависимость
для
двухрезонаторного клистрона.
Рис. 7
Зависимость
называется
амплитудной характеристикой. Начальный прямолинейный участок кривой, постепенно
искривляющийся с ростом Х, соответствует режиму недогруппировки электронного
потока Х<1.8 Дальнейший рост Х>1.84 вызывает перегруппировку пучка, что
приводит к снижению выходной мощности.
Начальный участок характеристики
следует
использовать для получения максимального усиления. Это - область работы входных
усилителей. Если желательно достижение максимальной выходной мощности и
нелинейность характеристики не играет существенной роли, рабочая точка
выбирается вблизи максимальной кривой
. Такой режим желателен для
усилителей мощности.
Оценим предельную величину выходной
мощности и КПД двухрезонаторного клистрона.
Амплитуда наведенного тока
Считая
, при настройке выходного резонатора
в резонансе полная электронная мощность, переносимая электронным потоком
,
где:
- мощность, отбираемая от источника
постоянного тока.
Электронный КПД:
Максимальное значение электронного
КПД:
Полное значение КПД
,
где:
,
- КПД резонаторной системы.
Коэффициент усиления двухрезонаторного
клистрона.
Коэффициент усиления по мощности при
согласовании на входе и выходе на резонансной частоте равен:
,
где для учета разгруппировки под
действием объемного заряда в аргументе
использован вместо Х параметр:
В режиме линейного усиления при
малом сигнале
.
Уравнение указывает, казалось бы, на
возможность достижения сколь угодно высокого коэффициента усиления при
увеличении угла пролета
, т.е.
увеличении длины трубы дрейфа. Однако величина
имеет максимум при
равный
, поэтому
Коэффициент усиления часто
выражается в децибелах:
На практике ограничение предельного
коэффициента усиления двухрезонаторного клистрона проявляется очень резко и К0
дБ обычно не превышает 10-15 дБ.
3. Амплитудно-частотная характеристика (АЧХ)
двухрезонаторного клистрона
До сих пор мы предполагали, что резонаторы
клистрона настроены на частоту усиливаемого сигнала.
В общем случае коэффициент усиления определяется
выражением:
,
,
Qн1 и Qн2 -
нагруженные добротности первого и второго резонаторов
;
Q0 и Qв -
собственная и внешняя добротности резонатора;
- коэффициенты связи резонаторов и
линии передачи;
- относительные расстройки расчеты
сигнала от резонансных частот первого и второго резонаторов;
- резонансные частоты резонаторов.
Коэффициент
имеет
наибольшую величину при критической связи резонаторов и линий, когда
,
совпадающую с
в рамках
кинематической модели
.
Из формулы для коэффициента усиления
видно, что в общем случае ненастроенных резонаторов, когда
частотная
характеристика усилителя
может иметь
вид двугорбой кривой даже при малых сигналах. В случае одинаково настроенных
резонаторов
при малых
сигналах Рвх частотная характеристика будет иметь вид одногорбой
кривой (рис. 8).
При определенной расстройке участка получить
кривую с уплощенной вершиной. При большом уровне входного сигнала при Рвх
> Рвх опт даже при одинаковой настройке контуров на резонансной
кривой за счет перегруппировки электронного потока появляется провал.
Рис. 8
Относительная полоса усиления двухрезонаторных
клистронов обычно не превышает десятых долей процента (%).
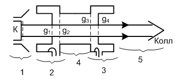
4. Двухрезонаторные клистронные генераторы
Схематически устройство клистронного генератора
имеет вид, изображенный на рис. 9.
Рис. 9
В конструктивном отношении элементы обратной
связи аналогичны устройствам ОС в генераторе на лампе с общей сеткой.
Для самовозбуждения клистрона фаза колебаний во
входном резонаторе должна быть определенным образом связана с фазой колебаний в
выходном резонаторе.
Построим графики напряжений на входном и
выходном зазорах клистрона.
Через
обозначен сдвиг фаз, создаваемый
устройством обратной связи. Электронные сгустки образуются относительно
электронов, прошедших центр первого зазора в момент перехода поля от
тормозящего к ускоряющему. Для отдачи максимальной энергии сгустки должны
проходить выходной зазор в момент максимального тормозящего поля.
Рис. 10
Из рисунка видно, что оптимальный угол пролета в
пространстве дрейфа должен составлять
С другой стороны угол дрейфа равен
Приравнивая эти углы, получим:
Это уравнение при фиксированном
значении n приводит к
виду:
, как для монотрона
.
Через
обозначено оптимальное ускоряющее
напряжение, при котором сгустки попадают в максимальное тормозящее поле
выходного зазора.
Таким образом, при изменении
должен
наблюдаться ряд дискретных зон генерации, соответствующих целочисленным
значениям n. В
промежутках между зонами генерация невозможна, так как сгустки попадают в
ускоряющее поле выходного зазора. Номер зоны генерации тем выше, чем больше
время пролета в трубе дрейфа.
Рис. 11
При слабой связи между резонаторами.
При сильной связи зоны раздваиваются, так как система двух связанных контуров в
этом случае две резонансных частоты. В пределах каждой зоны происходит
изменение частоты - электронная настройка.
Диапазон электронной настройки
невелик (несколько мегагерц), недостатком такой настройки является большое
потребление мощности на настройку.
5. Двухрезонаторный клистрон-усилитель частоты
Конвекционный ток двухрезонаторного клистрона
богат высшими гармониками, поэтому прибор может успешно использоваться для
умножения частоты.
Рис. 12
При умножении частоты оптимальная
величина параметра группирования Х, значительно более критична, чем в случае
усиления на основной гармонике:
Это означает, что клистронный
умножитель частоты обладает повышенной чувствительностью к изменениям входной
мощности, к расстройке входного резонатора, к изменению ускоряющего напряжения.
Схематически конструкция имеет вид
рис 13.
Рис. 13
Клистронные умножители не открывают
принципиально новых возможностей в генерировании более коротких волн, так как
сохраняют все ограничения, присущие усилительным клистронам. Основная область
применения: получение высокостабильных колебаний в сантиметровом диапазоне от
более низкочастотных колебаний, стабилизированных кварцем. В каскадном
умножителе используется несколько ступеней умножения (рис 14)
.
Рис 14
6. Многорезонаторные пролетные усилительные
клистроны
Одним из путей повышения коэффициента усиления
является каскадное включение обычных двухрезонаторных клистронов.
Рис. 15
При рассмотрении такого включения возникает
мысль объединить второй резонатор первого каскада с первым резонатором второго
каскада.
Такой объединенный клистрон должен обладать
следующими преимуществами:
1. Повышение общего коэффициента за счет
уменьшения числа резонаторов и потерь в промежуточном резонаторе.
2. Снижение мощности источника питания за
счет использования одного и того же электронного потока.
. Упрощение настройки за счет меньшего
числа резонаторов.
В дальнейшем мы увидим, что многорезонаторные
клистроны имеют и другие, еще более важные преимущества.
Процесс образования сгустков в промежутках
дрейфа многорезонаторного клистрона принято называть каскадной группировкой,
отличающейся от группировки в двухрезонаторном клистроне.
Рассмотрим для простоты трехрезонаторный
клистрон: (рис 16).
Рис. 16
Предположим, что промежуточный резонатор точно
настроен на частоту входного сигнала и прямая электромагнитная связь между
всеми резонаторами отсутствует. Первый резонатор модулирует электронный поток
по скорости. Если входной сигнал мал, то во второй резонатор поступает слабо
сгруппированный электронный поток. При прохождении электронных сгустков через
второй резонатор в поле появляется наведенный ток. Так как проводимость второго
резонатора определяется только собственными потерями и электронной нагрузкой
зазора даже при малом наведенном токе амплитуда переменного напряжения будет
больше, чем в первом резонаторе. Так как резонатор настроен в резонанс для
момента прохождения сгустков автоматически устанавливается максимум тормозящего
поля. Рассмотрим пространственно-временную диаграмму: (рис. 17)
В двухрезонаторном клистроне сгусток
образовался вокруг электрона «1». Напряжение па втором резонаторе в свою
очередь проводит скоростную модуляцию электронного потока. Эта дополнительная
модуляция во втором зазоре отстает по фазе на
от модуляции, полученной в первом
зазоре. После прохождения через второй зазор электрон типа «1» перестает быть
центром сгустка. Электрон «4», который был наиболее неблагоприятным при
группировке в первом пространстве дрейфа после прохождения второго зазора
приближается к центру сгустка.
Рис. 17
Аналогичные процессы протекают в каждом
промежуточном резонаторе многорезонаторного клистрона. В общем случае все
резонаторы, кроме последнего следует рассматривать как сложный
многорезонаторный группирователь, определяющий конвекционный электронный ток в
выходном зазоре.
Различают два режима работы многорезонаторных
клистронов:
1. Режим максимального
коэффициента усиления, когда все резонаторы настроены точно на усиливаемую
частоту
. При этом
входной сигнал очень мал. При большом входном сигнале сгустки, приходящие в
выходной резонатор оказываются перегруппированными.
. Режим максимальной выходной
мощности и максимального КПД. Соответствует случаю расстройки промежуточных
резонаторов. Рассмотрим усиление слабого сигнала (первый режим синхронной
настройки). В этом случае вместо параметра группирования для двухрезонаторного
клистрона в формулу для коэффициента усиления можно подставить эффективный параметр
группирования, определяемый соотношением
где
- параметр группирования, если
модуляция по скорости происходит в первом резонаторе, а промежуточный второй
резонатор отсутствует;
- параметр группирования, если
модуляция по скорости производится в промежуточном резонаторе;
- углы
пролета между первым и вторым и между вторым и третьим резонаторами
соответственно.
При усилении слабого сигнала
без
промежуточного резонатора параметр
мал и не может быть сделан большим
при увеличении длины клистрона (угла пролета), так как при слабой модуляции по
скорости наиболее резко проявляется ухудшение группирования из-за влияния сил
расталкивания в пучке. Однако при наличии промежуточного резонатора с высокой
добротностью вследствие большой величины
, т.е. группирование практически
происходит в пространстве между вторым и третьим резонаторами, т.е.
.
Максимальная выходная мощность в третьем резонаторе получается при оптимальном
параметре группирования
, как в
двухрезонаторном клистроне используем ранее полученную формулу для коэффициента
усиления по мощности.
,
имеет наибольшую возможную величину
и равен:
.
Таким образом, коэффициент усиления
трехрезонаторного клистрона в
- раз больше, чем у
двухрезонаторного.
Коэффициент усиления трехрезонаторного
клистрона при слабом сигнале составляет 30-35 дБ. Дальнейшее увеличение числа
резонаторов приводит к дополнительному возрастанию
примерно на
20 дБ на каждый добавленный резонатор
Обычно
из-за
паразитных обратных связей, которые могут привести к самовозбуждению усилителя.
Рассмотрим режим максимальной
выходной мощности в многорезонаторном клистроне. Гармоническая форма напряжения
на первом резонаторе двухрезонаторного клистрона соответствует неполному
группированию электронного потока в пространстве дрейфа. Для полного
группирования форма напряжения должна быть пилообразной следующего вида (рис.
18).

Получение такой формы напряжения
невозможно из-за фильтрующих свойств резонатора.
Вернемся к пространственно-временной
диаграмме группирования в трехрезонаторном клистроне. При слабом входном
сигнале электроны приходят ко второму резонатору очень слабо сгруппированными
около невозмущенного электрона «1». Большому сигналу соответствует хорошая
группировка относительно электрона «1» Однако относительно поля второго
резонатора невозмущенным оказывается другой электрон, приходящий позже
электрона «1» на четверть периода
. Таким образом, центр приходящего
ко второму резонатору сгустка сильно смещен относительно электрона, вокруг
которого будет производить группировку второй резонатор. В результате этого
смещения происходит разгруппировка ранее сгруппированных электронов около
электрона «1». Чтобы сохранить электроны в уже имеющемся сгустке, необходимо
каким-то образом совместить сгусток с невозмущенным электроном для второго
резонатора. Это совмещение можно обеспечить расстройкой второго резонатора,
причем его резонансная частота должна быть выше частоты сигнала. Очень большой
расстройке соответствует требуемый сдвиг фазы
между током и напряжением
резонатора. В этом случае центральный электрон прежнего сгустка «1» оказывается
не возмущенным для второго резонатора. Однако сдвиг фазы
невыгоден
из-за сильного уменьшения
и резко
уменьшающегося взаимодействия электронного потока со вторым резонатором.
Следовательно, необходимо установить меньший сдвиг фазы, при котором напряжение
будет
достаточным для эффективного группирования. Зависимость эффективного параметра
группирования Хэф от величины расстройки второго резонатора при
большом сигнале имеет вид рис. 19.
Рис. 19
Величина оптимальной расстройки
составляет десятые доли процента. При малом сигнале
и
группировка определяется исключительно параметром Х23.
Амплитудные характеристики
многорезонаторного клистрона имеют различный вид для режима синхронной
настройки резонаторов (кривая 1) и для режима получения максимальной мощности и
КПД (кривая 2).
Рис. 20
Крутизна начального участка
характеристики 1 велика, так как наибольший коэффициент усиления получается при
малом сигнале и синхронной настройке резонаторов. Участок с большим значением
мощности невелик. Характеристика 2 соответствует расстройке промежуточных
резонаторов. Начальный участок имеет меньшую крутизну (меньший коэффициент
усиления), но область насыщения оказывается широкой. В режиме синхронной
настройки ширина полосы пропускания определяется добротностями резонаторов и
меньше, чем при расстройке резонаторов.
7. Особенности конструкций пролетных клистронов
Разработка мощных усилительных клистронов
требует решения следующих проблем:
1. получение и формирование мощного
прямолинейного электронного пучка, который должен с возможно меньшими потерями
проходить через несколько зазоров и дрейфовых промежутков;
2. обеспечение электрической прочности
межэлектродных промежутков при высоких ускоряющих напряжениях;
. рассеяние высокой средней мощности на
коллекторе;
. вывод большой мощности из последнего
резонатора клистрона;
. создание полых резонаторов с механизмом
настройки.
Клистроны дециметрового диапазона часто
изготавливаются со съемными резонаторами герметизация осуществляется с помощью
керамических труб. В резонаторах относительно маломощных клистронов
используются сетки из тугоплавких металлов и сплавов W
- вольфрам, Mo - молибден.
Рис. 21
клистрон усилитель амплитудный
мощность
Литература
1. Барыбин, А.А. Электроника и
микроэлектроника. Физико-технологические основы / А.А. Барыбин. - М.:
ФИЗМАТЛИТ, 2006. - 424 c.
. Белов, Н.В. Электротехника и
основы электроники: Учебное пособие / Н.В. Белов, Ю.С. Волков. - СПб.: Лань,
2012. - 432 c.
. Белоусов, В.В. Судовая электроника
и электроавтоматика: Учебник / В.В. Белоусов, В.А. Волкогон. - М.: Колос, 2008.
- 645 c.
. Борисенко, В.Е. Наноэлектроника:
теория и практика: Учебник / В.Е. Борисенко, А.И. Воробьева, А.Л. Данилюк, Е.А.
Уткина. - М.: БИНОМ. ЛЗ, 2013. - 366 c.
. Вайнштейн, Л.А. Теория дифракции.
Электроника СВЧ / Л.А. Вайнштейн. - М.: Радио и связь, 1995. - 600 c.
. Велстистов, Е. Все о приключениях
Электроника: Повести / Е. Велстистов. - СПб.: Азбука-Аттикус, 2013. - 592 c.
. Велтистов, Е.С. Победитель
невозможного: третья книга из цикла о приключениях Электроника / Е.С.
Велтистов. - М.: Дет. лит., 2010. - 235 c.
. Воронков, Э.Н. Твердотельная
электроника. Практикум: Учебное пособие для студ. высш. учеб. заведений / Э.Н.
Воронков. - М.: ИЦ Академия, 2010. - 128 c.
. Воронков, Э.Н. Твердотельная
электроника: Учебное пособие для студ. высш. учеб. заведений / Э.Н. Воронков,
А.М. Гуляев, И.Н. Мирошникова. - М.: ИЦ Академия, 2009. - 320 c.
. Гальперин, М.В. Электротехника и
электроника: Учебник / М.В. Гальперин. - М.: Форум, НИЦ ИНФРА-М, 2013. - 480 c.
. Голубева, Н.С. Основы
радиоэлектроники сверхвысоких частот: Учебное пособие / Н.С. Голубева, В.Н.
Митрохин; Под общ. ред. проф. д.т.н. И.Б. Федоров. - М.: МГТУ им. Баумана,
2008. - 488 c.
. Горохов, П.К. Толковый словарь по
радиоэлектронике / П.К. Горохов. - М.: Русский язык, 1993.
. Гусев, В.Г. Электроника и
микропроцессорная техника: Учебник / В.Г. Гусев, Ю.М. Гусев. - М.: КноРус,
2013. - 800 c.
. Джонс, М.Х. Электроника -
практический курс / М.Х. Джонс. - М.: Техносфера, 2013. - 512 c.
. Евстратов, В.А. Радиоэлектроника
прогулочных судов / В.А. Евстратов. - М.: ТрансЛит, 2008. - 128 c.
. Ермуратский, П.В. Электротехника и
электроника / П.В. Ермуратский, Г.П. Лычкина, Ю.Б. Минкин. - М.: ДМК Пресс,
2013. - 416 c.
. Ефимов, И.Е. Основы микроэлектроники
/ И.Е. Ефимов, И.Я. Козырь. - М.: Высшая школа, 1983.
. Жаворонков, М.А. Электротехника и
электроника: Учебное пособие для студ. высш. проф. образования / М.А.
Жаворонков, А.В. Кузин. - М.: ИЦ Академия, 2013. - 400 c.
. Иньков, Ю.М. Электротехника и
электроника: Учебник для студентов учреждений среднего профессионального
образования / Б.И. Петленко, Ю.М. Иньков, А.В. Крашенинников. - М.: ИЦ
Академия, 2013. - 368 c.
. Калашников, В.И. Электроника и
микропроцессорная техника: Учебник для студ. учреждений высш. проф. обр. / В.И.
Калашников, С.В. Нефедов. - М.: ИЦ Академия, 2012. - 368 c.
. Кашкаров, А.П. Новейшие технологии
в электронике: дома, на даче, в автомобиле / А.П. Кашкаров. - Рн/Д: Феникс,
2013. - 172 c.
. Колистратов, М.В. Электротехника и
электроника: электротехника на оборудовании National Instruments: Лабораторный
практикум / М.В. Колистратов, Л.А. Шапошникова; Под ред. Л.А. Шамаро. - М.: ИД
МИСиС, 2012. - 79 c.
. Кузовкин, В.А. Электротехника и
электроника: Учебник для бакалавров / В.А. Кузовкин, В.В. Филатов. - М.: Юрайт,
2013. - 431 c.