Электроснабжение деревообрабатывающего цеха

  • Вид работы:
    Курсовая работа (т)
  • Предмет:
    Электротехника
  • Язык:
    Русский
    ,
    Формат файла:
    MS Word
    470,97 Кб
  • Опубликовано:
    2016-03-27
Вы можете узнать стоимость помощи в написании студенческой работы.
Помощь в написании работы, которую точно примут!

Электроснабжение деревообрабатывающего цеха

ВВЕДЕНИЕ

  В энергетической программе РФ сформулированы важнейшие задачи развития промышленности путём всемирной интенсификации и повышения эффективности производства на базе ускорения научно-технического прогресса.

В области электроснабжения потребителей эти задачи предусматривают повышение уровня проектно- конструкторских разработок, внедрение и рациональную эксплуатацию высоконадёжного электроснабжения, снижение непроизводительных расходов электроэнергии при её передаче, распределений и потреблений.

Развитие и усложнение структуры систем электроснабжения, возрастающие требования к экономичности и надёжности их работы в сочетании с изменявшейся структурой и характером потребителей электроэнергии, широкие внедрение устройств управления распределением и потреблением электроэнергии на базе современной промышленных предприятий, городов и сельского хозяйства».

Темой моего курсового проекта является электроснабжение деревообрабатывающего цеха.




















1.ОСНОВНАЯ ЧАСТЬ

1.1 Характеристика проектируемых промышленных объектов.

Деревообрабатывающий цех (ДЦ) предназначен для изготовления оконных блоков и является составной частью крупного домостроительного комбината.

Весь технологический процесс осуществляется двумя потоками, каждый поток состоит из трёх автоматизированных линий.

Готовая продукция проходит через малярную и идёт к потребителю. Транспортировка деталей по цеху осуществляется электрокарами, для подзаряда аккумуляторов которых имеется зарядная. Кроме этого предусмотрены производственные, вспомогательные и бытовые помещения.

Участок раскроя пиломатериалов и зарядная являются пожароопасными помещениями. Электроснабжение (ЭСН) цех получает от собственной комплектной трансформаторной подстанции (КТП), подключенной к ГПП комбината. По категории надёжности ЭСН - это потребитель 1 категории. Количество рабочих смен-3 (круглосуточно).

Грунт в ДЦ- суглинок с температурой +10 ̊С. Каркас здания сооружен из блоков- секций длиной 6 м. каждый.

Размеры цеха А˟В˟Н= 48˟30˟8 м. Все помещения, кроме технологических участков, двухэтажные высотой 3,6 м.

1.2 Характеристика электроприёмников (потребителей).

Перечень ЭО дан в таблице 1. Мощность электропотребления (Рᵌᵖ) указан для одного электроприёмника.

Расположение основного ЭО показано на плане.

Таблица 1- Перечень ЭО деревообрабатывающего цеха

№ на пане

Наименование ЭО

Рн: кВТ

1,2

Вентиляторы

5,5

3

Компрессор

5

4

Установка окраски электростатической

4,8 1фазные

5,6

Зарядные агрегаты

4,5 1 фазные

7,8

Токарные станки

1,8

9,29

Лифты вертикальные ДБ1

3

10,30,15,35

Загрузочные устройства

2,5

11,31

Торцовочные станки ДС1

2,8

12,32,22,42

Транспортёры ДТ4

2,6

13,33

Многопильные станки ЦМС

5

14,34

Станки для заделки сучков

2,4

16,36

Фуговальные станки

3,5

17,37,20,40

Транспортёры ДТ6

4

18,38

Шипорезные станки ДС35

4,5

21,41

Станки четырёхсторонние ДС38

4

23,24,43,44

Станки для постановки полупетель ДС39

1,4

19,39

Перекладчик ДБ14

4

25,46

Сборочный полуавтомат ДА2

26

28,48

Станок для снятия провесов ДС40

1,4


2.ЭЛЕКТРОСНАБЖЕНИЕ ПРЕДПРИЯТИЙ

1.1 Определение расчётных электрических нагрузок

В качестве основного метода определения электронагрузок принят метод упорядочённых диаграмм.

По этому методу расчётная максимальная нагрузка определяется в следующей последовательности: все электроприемники разбиваются на 3 распределительных пункта

электроприёмники работающие в длительном режиме.

Определяем среднюю активную и реактивную мощности за наиболее загруженную смену

Pсм = Ки × Рн (кВт).

Qсм = Pсм × tgφ (кВар).

Sсм =  (кВ×А).

Определяем среднюю активную и реактивную мощность РП1

Лифты вертикальные ДБ1


. Загрузочные устройства:


. Торцовые станки ДС1:


. Транспортёры ДТ4:


  Многопильные станки ЦМС:


. Станки для заделки сучков:


Определяем среднюю активную и реактивную мощность РП2

Представляет однофазную нагрузку, включенную на линейное напряжение

Эту нагрузку необходимо привести к длительному режиму и к условной трехфазной мощности.

Сначала определяется номинальная мощность, приведенная к длительному режиму работы.

Рисунок 1- Схема включения однофазных нагрузок на линейное напряжение

. Установка окраски электрический:

Рн= 4.8кВт.

К условной трехфазной мощности.

Сначала определяется наиболее загруженная фаза

Рв = Рф.нб = (2Рн + 2Рн) /2 = (2×4,8 + 2×4,8)/2= 9,6 кВт.

Ра = Рс = Рф.нм. = (Рн + 2Рн) /2 = (4,8 + 2×4,8)/2= 7,2кВт.

Неравномерность загрузки фаз составит:

Н=  *  = % > 15% тогда:

Ру = 3Рф.нб = 3 · 9,6 = 28,8 кВт .

Ру = Рн Σ = 28,8 кВт.


. Фуговальные станки:


. Транспортёры ДТ6:


10.         Шипорезные станки ДС35:


. Станки четырёх сторонние ДС38:


. Компрессор:


. Станки для постановки полупетель ДС39:


. Перекладчик ДБ14:


. Сборочный полуавтомат ДА2:


. Станок для снятия провесов ДС40:


Определяем среднюю активную и реактивную мощность РП3

. Зарядные агрегаты:

Рн= 4.5×2=9 кВт.

К условной трехфазной мощности.

Сначала определяется наиболее загруженная фаза

Рв = Рф.нб = (2Рн + 2Рн) /2 = (2×9 + 2×9)/2= 18 кВт.

Ра = Рс = Рф.нм. = (Рн + 2Рн) /2 = (9+ 2×9)/2= 13,5 кВт.

Неравномерность загрузки фаз составит:

Н=  *  = % > 15% тогда:

Ру = 3Рф.нб = 3 · 18 = 54 кВт .

Ру = Рн Σ = 54 кВт.




. Токарные станки:


. Вентиляторы:


Определяем общее количество электроприёмников по цеху;

Ʃn = 44

Определяем суммарную номинальную мощность;

Рн = 257,6 кВт.

Определяем средневзвешенный коэффициент использования;

Ки.с.в. = ƩPсм / ƩРн = 139,12/257,6 = 0,54

сosφср. = РсмΣ / Scм Σ = 139,12 /166,49 = 0,84

tgφср. = QсмΣ / РсмΣ = 89,09 /139,12 = 0.64

m= Рн.нб / Рн.нм. = 54/2,8 = 19,3

nэ = F(n, m, Ки.ср,) =(44: 19,3: 0.54)

 При n>5 m>3 Ки>0,2:


По величине nЭ и Ки.с.в. определяем по таблице коэффициент максимума:

Км = 1, 34

Максимальный ток:























Таблица 2-Сводная ведомость нагрузок по цеху

Наименование распредустройства и электроприемнмков

Установленные нагрузки

Средние нагрузки за смену

Максимальные нагрузки

pH*,

кВт

n*,

шт

РH,

кВт

Ки

cosj

tgj

m

Рсм,

кВт

Qсм,

кВар

Sсм,

кВА

nэф,

шт

Км

Км`

Рм,

кВт

Qм,

кВар

Sм,

кВА

Iм,

А

Вентилятор

5,50

2,00

11,00

0,80

0,90

0,48


8,80

4,26

9,78

2,00

1,90

1,10

16,75

4,69

17,39

4,69

Компрессор

5,00

1,00

5,00

0,40

0,77

0,83


2,00

1,66

2,60

1,00

2,28

1,10

4,55

1,82

4,91

1,82

Установка электростатической окраски

28,80

1,00

28,80

0,30

0,80

0,75


8,64

6,48

10,80

1,00

2,28

1,10

19,68

7,13

20,93

7,13

Зарядный агрегат

27,00

2,00

54,00

0,30

0,80

0,75


16,20

12,15

20,25

2,00

1,90

1,10

30,83

13,37

33,61

13,37

Токарный станок

1,80

2,00

3,60

0,70

0,75

0,88


2,52

2,22

3,36

2,00

1,90

1,10

4,80

2,44

5,38

2,44

Лифт вертикальный ДБ1

3,00

2,00

6,00

0,80

0,88

0,54


4,80

2,59

5,45

2,00

1,90

1,10

9,14

2,85

9,57

2,85

Загрузочное устройство

2,50

4,00

10,00

0,90

0,90

0,48


9,00

4,36

10,00

4,00

1,10

14,75

4,79

15,51

4,79

Торцовочный станок ДС1

2,80

2,00

5,60

0,90

0,77

0,83


5,04

4,18

6,55

2,00

1,90

1,10

9,59

4,59

10,64

4,59

Транспортер ДТ4

2,60

4,00

10,40

0,80

0,77

0,83


8,32

6,89

10,81

4,00

1,64

1,10

13,63

7,58

15,60

7,58

Многопильный станок

5,00

2,00

10,00

0,60

0,88

0,54


6,00

3,24

6,82

2,00

1,90

1,10

11,42

3,56

11,96

3,56

Станок для заделки сучков

2,40

2,00

4,80

0,60

0,88

0,54


2,88

1,55

3,27

2,00

1,90

1,10

5,48

1,71

5,74

1,71

Фуговальный станок

3,50

2,00

7,00

0,40

0,50

1,73


2,80

4,85

5,60

2,00

1,90

1,10

5,33

5,33

7,54

5,33

Транспортер ДТ6

4,00

4,00

16,00

0,70

0,87

0,57


11,20

6,35

12,87

4,00

1,64

1,10

18,35

6,98

19,64

6,98

Шипорезный станок ДС 35

4,50

2,00

9,00

0,60

0,88

0,54


5,40

2,91

6,14

2,00

1,90

1,10

10,28

3,21

10,77

3,21

Четырехсторонний станок ДС38

4,00

2,00

8,00

0,60

0,90

0,48


4,80

2,32

5,33

2,00

1,90

1,10

9,14

2,56

9,49

2,56

Станок для постановки полупетель  ДС 38

1,40

4,00

5,60

0,40

0,77

0,83


2,24

1,86

2,91

4,00

1,64

1,10

3,67

2,04

4,20

2,04

Перекладчик ДБ 14

4,00

2,00

8,00

0,70

0,85

0,62


5,60

3,47

6,59

2,00

1,90

1,10

10,66

3,82

11,32

3,82

Сборочный полуавтомат ДА 2

26,00

2,00

52,00

0,60

0,88

0,54


31,20

16,84

35,45

2,00

1,90

1,10

59,38

18,52

62,21

18,52

Станок для снятия провесов ДС 40

1,40

2,00

2,80

0,60

0,88

0,54


1,68

0,91

1,91

2,00

1,90

1,10

3,20

1,00

3,35

1,00

Итого


44

257,60

0,54

0,84

0,64


139,12

89,09

166,49




260,63

98,00

279,74

425,03

3. .ВЫБОР И ОБОСНОВАНИЕ ОБЩЕЙ СХЕМЫ И ОПТИМАЛЬНЫХ НАПРЯЖЕНИЙ ВНЕШНЕГО ЭЛЕКТРОСНАБЖЕНИЯ

Деревообрабатывающий цех является электроприёмником I категории электроснабжения. Прерыв в электроснабжении приведёт к массовому недоотпуску продукции, массовому простою рабочих, механизмов. Цех обеспечивается ЭЭ от ГПП завода.

Прерыв электроснабжения допустим на время для включения резервного питания, действиями дежурного персонала.

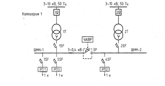
Для электроснабжения автоматизированного цеха выбрана радиальная схема электроснабжения. В целях повышения электроснабжения мы применяем двух трансформаторную подстанцию.

Радиальная схема электроснабжения

Рисунок 2- Радиальная схема электроснабжения

3.1 Электрический расчёт и выбор ЛЭП,  КЛ.

Требуется рассчитать и выбрать кабельные линии электроснабжения.

Ток в линии составит:


Исходя из условий прокладки, характера среды помещений, схемы распределительных сетей выбирается марка кабеля, провода, шинопровода.

Сечение провода, кабеля выбирается по допустимому току (по нагреву), проверяется по потере напряжения, по экономической плотности тока, на соответствие защитным аппаратам.

Iуст =Iкз

Сечение проводника выбирается по Iуст:

Iдоп = Iуст × Кс

Кс-коэффициент снижения (для 4-х жильных кабелей 0,92)


Таблица 3-Выбор КЛ

№ на плане

Наименование ЭО

Iдоп = Iуст * Кс

Кабель

1,2

Вентиляторы

12,2

ВВГнг LS 4x2,5

3

Компрессоры

6,9

ВВГнг LS 4x2,5

4

Установки окраски электростатической

29,3

ВВГнг LS 4x6

5,6

Зарядные агрегаты

23,5

ВВГнг LS 4x4

7,8

Токарные станки

3,8

ВВГнг LS 4x2,5

9,29

Лифты вертикальные ДБ1

6,7

ВВГнг LS 4x2,5

10,30,

15,35

Загрузочные устройства

5,4

ВВГнг LS 4x2,5

11,31

Торцовочные станки ДС1

7,4

ВВГнг LS 4x2,5

12,32,

22,42

Транспортеры ДТ4

5,5

ВВГнг LS 4x2,5

13,33

Многопильные станки ЦМС

8,4

ВВГнг LS 4x2,5

14,34

Станки для заделки сучков

4,0

ВВГнг LS 4x2,5

16,36

Фуговальные станки

5,3

ВВГнг LS 4x2,5

17,37,

20,40

Транспортеры ДТ6

6,9

ВВГнг LS 4x2,5

18,38

Шипорезные станки ДС35

7,5

ВВГнг LS 4x2,5

21,41

Станки четырехсторонние ДС38

6,6

ВВГнг LS 4x2,5

23,24,

43,44

Станки для постановки полупетель ДС39

1,5

ВВГнг LS 4x2,5

19,39

Перекладчики ДБ14

7,9

ВВГнг LS 4x2,5

26,46

Сборочный полуавтомат ДА2

43,5

ВВГнг LS 4x16

28,48

Станок для снятия провесов ДС40

2,3

ВВГнг LS 4x2,5



Согласно ПУЭ от перегрузок необходимо защищать:

Силовые и осветительные сети, выполненные внутри помещений, открыто проложенными изолированными незащищенными проводниками с горячей изоляцией.

Силовые сети, в которых могут возникать длительные технологические перегрузки.

Сети взрывоопасных помещений и взрывоопасных наружных установок.

Применение кабеля ВВГ:

Кабель ВВГ силовой с медными жилами на номинальное напряжение 0,66 кВ и 1,0 кВ. предназначен для передачи и распределения электрической энергии в стационарных установках на номинальное переменное напряжение 1,0 кВ частотой 50 Гц. Кабель ВВГ применяется на электростанциях, в местных сетях, в промышленных, распределительных, осветительных устройствах, а также в качестве электропроводки в жилых и хозяйственных помещениях.

Прокладка кабеля марки ВВГ осуществляется без предварительного подогрева, при температуре не ниже 15°С с неограниченной разницей уровней на трассе прокладки кабеля. Электрический кабель ВВГ прокладывают в земле, в кабельных каналах, в помещениях, под открытым небом - во всех случаях должна быть исключена возможность механического повреждения и больших растягивающих усилий.

Описание кабеля ВВГ:

Кабель ВВГ изготавливают 2-, 3-, 4-жильным, с заземляющей, с нулевой жилами или без них. Изолированные жилы многожильного кабеля имеют отличительную расцветку. Изоляция нулевых жил выполняется ГОЛУБОЙ или СВЕТЛО-СИНЕЙ, изоляция жил заземления выполняется двухцветной - ЗЕЛЕНО-ЖЕЛТОЙ.

ТПЖ - одно проволочная медная жила круглого профиля, I класса по ГОСТ 22483-77.

Изоляция жил - ПВХ пластикат изоляционный.

Сердечник кабеля ВВГ - концентрическая скрутка изолированных жил разной расцветки.

Оболочка - ПВХ пластикат шланговый. Оболочка кабеля устойчива к солнечному излучению и не распространяет горение.

Технические характеристики кабеля ВВГ:

Кабель ВВГ предназначен для эксплуатации в стационарном состоянии при температуре окружающей среды от - 50° С до + 50° С, относительной влажности воздуха до 98% ( при температуре + 35° С).

Длительно допустимая температура нагрева жил - не более + 70° С. Максимальная допустимая температура нагрева жил при коротком замыкании (до 4 сек) - не более 160° С.

Радиус изгиба кабеля - 7,5 Dн, где Dн - наружный диаметр кабеля ВВГ.

Испытательное напряжение - 3 500 В.

Электрическое сопротивление изоляции силового кабеля ВВГ, пересчитанное на 1км длины при температуре 20°С для жил сечением:

1,0 - 1,5 мм2 не менее 12 МОм;

2,5 - 4,0 мм2 не менее 10 МОм;

6 мм2 не менее 9 МОм;

10 - 240 мм2 не менее 7 Мом.

LS обозначает, что кабель не распространяющий горение с пониженным газо- и дымовыделением.

Выбор распределительных пунктов производится на основании и количестве подключаемых электрических потребителей и значении расчётной нагрузки.

Iрп1= 104,9 А.

Iрп3= 85,7 А.

Наиболее подходящими являются распред пункты типа ПР-85 с одно и трех полюсными линейными выключателями.

Таблица 4 -Выбранные распределительные пункты

Номер схемы

Iн А

Рабочий  Iн А

Количество ВА 51-31 линейных

IP21

IP54

1-полюс.

3-полюс.

РП1

020

250

200

183

-

18

РП2

034

400

320

300

-

24

РП3

010

160

120

120

6

6


Составляем расчётную схему ЭСН для приёмникок, подключенных к РП1.  К нему подключена группа ЭД.

Автоматический выключатель 1SF выбирается по условию:

Iн.р.≥ 1,1 Iм.;

Iо.≥ 1,25 Iпик.;

Так как на РП1 количество ЭП более 5, а наибольшим по мощности является транспортер, то:


Номинальный ток расцепителя: Iн.р ≥ 1,1 Iм = 1,1 × 23,7 = 26,07 А.

Ток отсечки: Iо.≥1,25×( Iпуск нб+ Iмгр-×Ки)=139,2 А.

Выбран автоматический выключатель для РП2

* ВА 51-29-3

Таблица 5-Технические характеристики автомата ВА 51-29-3

Vн.а., В.

Iн.а., А.

Iн.р., А.

Iу(п), А.

Iу(кз), А.

Iоткл, В.×А.

380

63

63

1,35

3,7,10

7


По таблице для прокладки в помещении с нормальной зоной опасности при отсутствии механических повреждений выбирается кабель марки ВВГнг LS 4x50 Сечение провода 50 мм.

Составляем расчётную схему ЭСН для приёмникок, подключенных к РП2.  К нему подключена группа ЭД.

Автоматический выключатель 2SF выбирается по условию:

Iн.р.≥ 1,1 Iм.;

Iо.≥ 1,25 Iпик.;

Так как на РП1 количество ЭП более 5, а наибольшим по мощности является транспортер, то:


Номинальный ток расцепителя: Iн.р ≥ 1,1 Iм = 1,1 ×47,2 = 51,9 А.

Ток отсечки: Iо.≥1,25×( Iпуск нб+ Iмгр-×Ки)=304,8 А.

Выбран автоматический выключатель для РП2

* ВА 51Г-31-3

Таблица 6-Технические характеристики автомата ВА 51-29-3

Vн.а., В.

Iн.а., А.

Iн.р., А.

Iу(п), А.

Iу(кз), А.

Iоткл, В.×А.

380

100

100

1,25

10

7


По таблице для прокладки в помещении с нормальной зоной опасности при отсутствии механических повреждений выбирается кабель марки ВВГнг LS 4x150 Сечение провода 150 мм.

Составляем расчётную схему ЭСН для приёмникок, подключенных к РП3.  К нему подключена группа ЭД.

Автоматический выключатель 3SF выбирается по условию:

Iн.р.≥ 1,1 Iм.;

Iо.≥ 1,25 Iпик.;

Так как на РП1 количество ЭП более 5, а наибольшим по мощности является транспортер, то:


Номинальный ток расцепителя: Iн.р ≥ 1,1 Iм = 1,1 ×51,06 = 56,2 А.

Ток отсечки: Iо.≥1,25×( Iпуск нб+ Iмгр-)=65,1 А.

Выбран автоматический выключатель для РП2

* ВА 51Г-31-3

Таблица 7-Технические характеристики автомата ВА 51-29-3

Vн.а., В.

Iн.а., А.

Iн.р., А.

Iу(п), А.

Iу(кз), А.

Iоткл, В.×А.

380

100

100

1,25

10

7


По таблице для прокладки в помещении с нормальной зоной опасности при отсутствии механических повреждений выбирается кабель марки ВВГнг LS 4x35 Сечение провода 35 мм.

3.2 Выбор числа, мощности и типа трансформаторов для питания потребителей

Выбор мощности силового трансформатора

Потери активной мощности;

ΔРт = 0,02 × Sм = 0,02×279,74 = 5,6 кВт.

Потери реактивной мощности;

ΔQт = 0,1× Sм = 0,1×279,74 = 27,9 кВар.

Полные потери в трансформаторе;

ΔSт = =  = 28,5 кВА.

Определяется расчетная мощность трансформатора с учетом потерь, но без компенсации реактивной мощности

Sр = 0,7 × Sм= 0,7×(279,8+28,5)= 215,8 кВА.

Выбран трансформатор:  ТМ 250-10/0,4

Определяется коэффициент загрузки трансформатора:

К3 = Sнн /n × Sном.т = 215,8 / 2×250 = 0,4

Таблица 8- Параметры трансформатора

U.кВ

Потери, кВт

Uкз,%

Iхх,%

Sном, кВА

ВН

НН

ХХ

КЗ




10

0,4

0,6

3,7

4,5%

1,9%

250











































4.ВЫБОР КОММУТАЦИОННОГО ОБОРУДОВАНИЯ ДЛЯ КТП

Выбор  выключателей

Выключатели высокого напряжения при одних и тех же параметрах могут быть выбраны масляные малообъемные, воздушные, элегазовые, вакуумные и т.д.                             

При выборе по номинальному напряжению должно выполняться условие:

Uап.уст  £ Uуст ном,

где     Uап.уст – номинальное напряжение аппарата;

           Uуст ном – номинальное напряжение установки.

При выборе по номинальному току требуется соблюсти условие:

Iраб.max £ Iап.ном ,

где    Iраб.max – максимально возможный рабочий ток присоединения.

Для большинства аппаратов должно выполняться следующее условие динамической устойчивости:

iу £ imax,

где  imax – максимально допустимое амплитудное значение сквозного тока аппарата.

Как видно из результатов выключатель соответствует данным условиям и может быть принят к установке.

Для КРУ 10 кВ применяются выключатели обычной конструкции, а вместо разъединителей втычные контакты.

В нашем курсовом проекте рационально принять КРУ серии                    K-ХХУ1М 10кВ. Шкаф КРУ состоит из жесткого металлического корпуса, внутри которого размещена вся аппаратура. Для безопасного обслуживания и локализации аварий корпус разделен на отсеки с металлическими перегородками и автоматически закрывающимися металлическими шторками. Выключатель с приводами установлен на выкатной тележке. В верхней и нижней частях тележки расположены подвижные разъединяющие контакты, которые при вкатывании тележки в шкаф замыкаются с шинным и линейным неподвижными контактами. При выкатывании тележки с предварительно отключенным выключателем разъемные контакты отключаются, и выключатель при этом будет отсоединен от сборных шин и кабельных вводов. 

Размещение выключателя на выкатной тележке позволяет значительно уменьшить размеры шкафа по сравнению со сборными РУ, где камера выключателя должна предусматривать возможность доступа к аппаратам и ремонт их на месте.

Выкатная тележка может занимать три положения: рабочее (тележка находится в корпусе шкафа, первичные и вторичные цепи замкнуты); испытательное (тележка в корпусе шкафа но первичные цепи разомкнуты, а вторичные замкнуты); ремонтное (тележка находится вне корпуса шкафа, первичные и вторичные цепи разомкнуты). На выкатной тележке монтируются трансформаторы напряжения, разрядники, силовые предохранители, разъемные контакты соединений главной цепи.

Отсек сборных шин устанавливается  на корпусе шкафа. Верх отсека имеет поворотную крышку для монтажа сборных шин сверху (после полной установки всех шкафов). Сборные шины связаны с разъединяющим контактом шинами через проходные изоляторы.

На низкой стороне выбрал КРУ внутренней установки 10 кВ марки        K-ХХУ1М 10кВ для них выбираем элегазовый выключатель марки VF.

Выбираем на вводе элегазовй выключатель VF 12.12.31.

5. .ПОКАЗАТЕЛИ ОПРЕДЕЛЯЮЩИЕ КАЧЕСТВО ЭЛЕКТРОСНАБЖЕНИЯ

Под термином "качество электрической энергии" понимается  соответствие основных  параметров  энергосистемы   установленным   нормам   производства, передачи и распределения электрической энергии.

Количественная  характеристика  качества  электроэнергии   выражается  отклонениями  напряжения  и  частоты,  размахом   колебаний   напряжений   и частоты,   коэффициентом   несинусоидальности   формы   кривой   напряжения, коэффициентом несимметрии напряжения основной частоты.

5.1 Проверка электрической сети по допустимым потерям

Потери активной мощности на участке обусловлены активным сопротивлением проводов и кабелей, а также несовершенством их изоляции. Мощность, теряемая в активных сопротивлениях трехфазной ЛЭП и расходуемая на ее нагрев, определяется по формуле:


Исходя из потоков мощности можем вычислить ток:



U – линейное напряжение;

R – активное сопротивление одной фазы.

При проектировании потери мощности на корону стремятся свести к нулю, выбирая такой диаметр провода, когда возможность возникновения короны практически отсутствует.

Потери реактивной мощности на участке обусловлены индуктивными сопротивлениями проводов и кабелей. Реактивная мощность, теряемая в трехфазной, рассчитывается аналогично мощности, теряемой в активных сопротивлениях:

 


X-индуктивная сопротивление линии

6. .РЕГУЛИРОВАНИЕ НАПРЯЖЕНИЙ

Протекание тока по элементам электрической сети сопровождается потерями напряжения. В результате по мере удаления от источника питания напряжение уменьшается. В то же время для нормальной работы электроприемников подводимое к ним напряжение может только незначительно отличаться от номинального напряжения и должно находиться в допустимых пределах. Согласно ГОСТ 13109-97 на качество электроэнергии для большинства электроприемников отклонение напряжения от номинального значения не должно превышать ±5 %. В послеаварийных режимах работы, длительность которых сравнительно невелика, допустимое отклонение напряжения увеличивается еще на 5 %. В электрических сетях высокого напряжения, к которым электроприемники непосредственно не присоединяются, также существуют допустимые пределы изменения напряжения. В частности, в установках высокого напряжения максимальное рабочее напряжение определяется условиями надежной работы изоляции и составляет от 105 до 120 % номинального значения, увеличиваясь по мере уменьшения номинального напряжения. Допустимые снижения напряжений в ЭЭС определяются условиями устойчивости параллельной работы генераторов электростанций и узлов нагрузки. В питающих сетях нижние допустимые отклонения напряжений достигают 10—15 %. При оценке уровней напряжения следует иметь в виду, что нагрузки в течение суток непрерывно изменяются и, следовательно, изменяются потери напряжения и уровни напряжений у электроприемников.

В основном регулирование напряжение осуществляется с помощью трансформаторов.

Трансформаторы выполняются двух типов: с переключением регулировочных ответвлений без возбуждения, т.е. с отключением от сети (трансформаторы с ПБВ); с переключением регулировочных ответвлений под нагрузкой (трансформаторы с РПН). Трансформаторы первой группы имеют сравнительно небольшой регулировочный диапазон (±2x2,5 %), применяются в распределительных электрических сетях напряжением 6—35/0,4 кВ, и с их помощью осуществляется сезонное регулирование напряжения, так как выполнение переключения требует отключения потребителей на это время. Трансформаторы второй группы снабжены специальным переключательным устройством, позволяющим осуществлять переключения по мере необходимости без отключения потребителей. Такие трансформаторы имеют большее число регулировочных ответвлений и больший диапазон регулирования напряжения. На нашей КТП установлен трансформатор с устройством ПБВ, что и будет использоваться для регулирования напряжения.

Другая возможность — изменение мощности. Уменьшение активной мощности связано с ее недоотпуском потребителям и поэтому не может быть использовано. Уменьшить потоки реактивной мощности можно, как было показано выше, с помощью установки у потребителей источников реактивной мощности. При полной КРМ можно достичь нулевого потока реактивной мощности по элементу сети, хотя экономически это делать нецелесообразно.







7. .МЕРОПРИЯТИЯ ПО СНИЖЕНИЮ ПОТЕРЬ ЭЛЕКТРОЭНЕРГИИ НА ПРЕДПРИЯТИИ

Все меры подразделяются на три группы:

- Организационные, к которым относятся мероприятия по совершенствованию эксплуатационного обслуживания электрических сетей и оптимизации их схем и режимов. Эти меры являются практически без затратными.

- Технические мероприятия, направленные на реконструкцию, модернизацию и строительство сетей. Эти мероприятия требуют дополнительных капитальных вложений.

- Мероприятия по совершенствованию учета электроэнергии, которые могут быть без затратными и затратными.

Для без затратных мероприятий эффект выражается размером снижения потерь электроэнергии или соответствующего ему снижение затрат При оценке эффективности технических мероприятий необходимо дополнительно учитывать и необходимые капиталовложения.

Одним из основных мероприятий по снижению потерь мощности является установка компенсируя устройств (КП) в сетях потребителей электроэнергии. Примерно 60% всего необходимого снижения достигается с ее помощью. Около 20% дает установка КП в сетях 35-110 кВ энергосистем и сельских сетей. Примерно 10% - другие технические мероприятия.

Организационные мероприятия.

Рассмотрим режимные мероприятия, которые являются составной частью организационных мероприятий. К режимных мероприятий относятся следующие:

- Оптимизацию законов регулирования напряжения в центрах питания разомкнутых сетей 36-150 кВ;

- Оптимизацию установившихся режимов замкнутых сетей по реактивной мощности и коэффициентам трансформации;

- Уровень напряжения источников питания в сети;

- Перевод генераторов в режим работы СК при дефиците реактивной мощности

- Оптимизацию мест размыкания контуров сетей 110 кВ и выше с несколькими номинальными напряжениями;

- Оптимизацию мест размыкания сетей 6-35 кВ с двусторонним питанием;

- Оптимальное включения трансформаторов на подстанциях в режиме малых нагрузок (отключение части трансформаторов; экономические режимы работы трансформаторов;

- Выравнивание графика нагрузки сети;

-Выравнивание нагрузок фаз низковольтных сетей.

Другие организационные мероприятия это сокращение продолжительности технического обслуживания и ремонта основного оборудования электрических станций и сетей за счет улучшения организации труда, совмещение ремонтов последовательно включенных элементов сети, проведением их по оптимальному графику, выполнением пофазно ремонтов, ремонтов без снятия напряжения и т.д.

Технические мероприятия.

К техническим мерам относят мероприятия по реконструкции, модернизации и строительства сетей. Большинство из них связано с установкой дополнительного оборудования и предусматривается на стадии проектирования сетей. В условиях эксплуатации рассматриваются, как правило, мероприятия с незначительными капитальными вложениями. К ним относят

- Внедрение КП 6-10 кВ,

- Замену трансформаторе что недогружены и перегруженных трансформаторов из имеющегося фонда или путем перемещения с одной подстанции на другую;

- Внедрение в работу устройств автоматического регулирования напряжения на трансформаторах и КП;

- Внедрение ВДА.

Совершенствование технического учета.

Сейчас создаются системы автоматизированного учета электроэнергии. Задача: упорядочение балансов электроэнергии по подстанции, разомкнутой сети, района и разработка мероприятий по снижению коммерческих потерь в случае несоответствия суммы показаний приборов учета электроэнергии, установленных у потребителей, и приборов технического учета, обеспечение расчетов потерь мощности и энергии в сетях и выбора мер по снижению потерь достоверной информацией.

Мероприятия по повышению надежности работы электрических сетей.

Перерыва питания электроснабжения потребителей нежелательны, а в ряде случаев недопустимы. Они могут вызвать нарушение нормального функционирования установок связи, транспорта, технологических процессов промышленных предприятий, нормальных условий жизни и деятельности населения. Могут возникнуть аварии, порчи оборудования, брак продукции и т.д. Вопросы обеспечения надежности электроснабжения регламентируются Правилами устройства электроустановок. Под надежностью в энергетике понимают свойство оборудование, установки, схемы или системы сохранять свою работоспособность, т.е. выполнять свои функции, сохраняя свои эксплуатационные показатели в заданных условиях. Основными показателями надежности являются:

- Параметр потока отказов - среднее число отказов ремонтируемого изделия в год;

- Время восстановления после отказа TВ - среднее время вынужденного простоя, необходимого для поиска и устранения одного отказа;

- Коэффициент вынужденного простоя, определяет возможность нахождения элемента или установки в вынужденном простое;

- Частота плановых ремонтов;

- Средняя длительность одного планового ремонта;

- Коэффициент технического использования (характеризует возможность пребывания установки в работоспособном состоянии).

При эксплуатации выделяют следующие мероприятия по повышению надежности работы электрических сетей:

1. Контроль за состоянием оборудования. Создаются экспертные системы диагностики. Очень важен контроль или профилактические испытания изоляции.

2. Ремонтные работы. Планово-предупредительный и капитальный ремонт.

3. Диспетчерские службы и ликвидация аварий.
Эксплуатационный персонал выполняет надзор за сетевыми сооружениями и их ремонт.
Персонал диспетчерских служб управляет режимами работы системы, в том числе и ликвидирует аварийные ситуации при повреждениях линий и оборудования подстанций и электрических станций.

8. .АВТОМАТИЗИРОВАННЫЕ СИСТЕМЫ УПРАВЛЕНИЯ

При проектировании нужно стремиться к уменьшению потерь электроэнергии на всех участках энергосистемы, поскольку потери электроэнергии ведут к увеличению мощности электростанций, что в свою очередь влияет на стоимость электроэнергии.

В сетях до 10кВ потери мощности в основном обусловлены нагревом проводов от действия тока.

Потери мощности в трансформаторах.

Потери мощности в силовых трансформаторах состоят из потерь, не зависящих и зависящих от нагрузки. Потери активной мощности (кВт) в трансформаторе можно определить по следующей формуле:


Потери активной мощности в трансформаторе

где ΔРст – потери активной мощности в стали трансформатора при номинальном напряжении. Зависят только от мощности трансформатора и приложенного к первичной обмотке трансформатора напряжения. 

ΔРст приравнивают ΔРх;

ΔРх— потери холостого хода трансформатора;

ΔРоб – потери в обмотках при номинальной нагрузке трансформатора, кВт; ΔРоб приравнивают ΔРк.

ΔРк– потери короткого замыкания;

β=S/Sном – коэффициент загрузки трансформатора равен отношению фактической нагрузки трансформатора к его номинальной мощности;

Потери реактивной мощности трансформатора (кВАр) можно определить по следующей формуле:



где ΔQст – потери реактивной мощности на намагничивание, кВАр. ΔQстприравнивают ΔQх.

ΔQх – намагничивающая мощность холостого хода трансформатора; 

ΔQрас – потери реактивной мощности рассеяния в трансформаторе при номинальной нагрузке.

Значения ΔРст(ΔРх) и ΔРоб(ΔРк) приведения в каталогах производителей силовых трансформаторов. Значения ΔQст(ΔQх) и ΔQрас  определяют по данным каталогов из следующих выражений:



где  – ток холостого хода трансформатора, %;

 – напряжение короткого замыкания, %;

Sном – номинальная мощность трансформатора, кВА.

Расчет потерь электроэнергии.

На основании потерь мощности можно посчитать потери электроэнергии. Здесь следует быть внимательными. Нельзя посчитать потери электроэнергии умножив потери мощности при какой либо определенной нагрузке на число часов работы линии. Этого делать не стоит, т.к в течение суток или сезона потребляемая нагрузка изменяется и таким образом мы получим необоснованно завышенное значение.

Чтобы правильно посчитать потери электроэнергии используют метод, основанный на понятиях времени использования потерь и времени использовании максимума нагрузки.

Время максимальных потерь  – условное число часов, в течение которых максимальный ток, протекающий в линии, создает потери энергии, равные действительным потерям энергии в год.

Временем использования максимальной нагрузки или временем использования максимума Тмах называют условное число часав, в течение которых линия, работая с  максимальной нагрузкой, могла бы передать потребителю за год столько энергии, сколько при работе по действительному переменному графику. Пусть W(кВт*ч) – энергия  переданная по линии за некоторый промежуток времени,  Рмах(кВт) -максимальная нагрузка, тогда время использования  максимальной нагрузки:

Тмах=W/Рмах

На основании статистических данных для отдельных групп электроприемников были получены следующие значения Тмах:

Для внутреннего освещения – 1500—2000 ч;

Наружного освещения – 2000—3000 ч;

Промышленного предприятия односменного – 2000—2500 ч;

Двухсменного – 3000—4500 ч;

Трехсменного   – 3000—7000 ч;

Время потерь  можно найти по графику, зная Тмах и коэффициент мощности.

С учетом того что график работы цеха трехсменный примем Тмах=7000 часов и   так как получим:

Потери энергии в трансформаторе:




Суммарные потери активной мощности определим, как:

Где -экономический коэффициент, для КТП равен 0,1


 РИС.№3 Зависимость времени максимальных потерь от продолжительности использования максимума нагрузки

Стоимость потерь электроэнергии в трансформаторе при цене 1кВт*ч=4 рубля,

С=×N


 Рассчитаем количество энергии потребляемой электрооборудованием цеха


кВт×ч

Стоимость потерь в трансформаторе при передаче 1 кВт*ч определится по формуле:

9. .ЭКСПЛУАТАЦИЯ ЭЛЕКТРООБОРУДОВАНИЯ ПОТРЕБИТЕЛЕЙ ДО 1000 В.

Главной задачей промышленности являются более полное удовлетворении потребностей народного хозяйства и высококачественной продукции. Для этого предусматривается расширение выпуска наиболее экономических видов машин, электрооборудования, систематическое обновление выпускаемой продукции, повышение ее технического уровня и качества, улучшение эксплуатационных и потребительских свойств изделий. Дальнейшее повышение производительности труда во многом зависит от роста вооруженности труда. Для решения вопросов технического совершенствования производства предусмотрено повышение уровня электрификации производства и эффективности использования электроэнергии, в этом экономика играет большую роль. Рост производительности труда и снижение себестоимости продукции являются необходимыми условиями экономического прогресса общества, а также динамического и пропорционального развития единого народно-хозяйственного комплекса страны. Эффективность производства и качество продукции во многом определяются надежностью средств производства и в частности электрооборудования. Основной задачей персонала, обслуживающего электроустановки, является обеспечение высокой надежности и бесперебойности производственных процессов, длительной сохранности электрооборудования и экономичного расходования электроэнергии. Организация энергетического хозяйства Национальная энергосистема создает оптовый рынок электроэнергии за счет производства ее на базовых электростанциях, дополнительной закупки за рубежом, последующей транспортировке и продажи ее территориальным энергокомпаниям, а также отдельным потребителям, имеющим глубокие вводы высокого напряжения. Организация планово-предупредительных работ Организация планово-предупредительных работ включает в себя подготовку оборудования к эксплуатации и предназначена для обеспечения планомерного ремонта и обслуживания электрооборудования, чтобы исключить возможные неисправности, которые могут привести к остановке технологического процесса и потере прибыли. График ППР является техническим документом, на основе которого разрабатывается порядок проведения ремонта и обслуживания оборудования и стоимости затрат на эти работы. Техническое обслуживание совокупность технических мер по обслуживанию, наладке, диагностике оборудования для избежание поломок.

Ремонтная служба занимается ремонтами в случае выхода электрооборудования из строя. Проводит разборку, наладку и пуск в эксплуатацию технологического оборудования. Трудоемкость ремонта электрооборудования представляет собой количество времени и людей, задействованных при проведении текущего и капитального ремонтов. Зависит от мощности двигателя и числа ремонтов в год. Основные понятия системы ППР. Ремонтный цикл (РЦ) – это число лет между двумя капитальными ремонтами. Межремонтный период (МРП) – это число месяцев между двумя текущими ремонтами. Структура ремонтного цикла (СРЦ) – это число текущих ремонтов между двумя капитальными

Разрывы между штабелями и группами штабелей должны соответствовать предусмотренным нормам. Склад должен быть оборудован противопожарным водопроводом, водоемами. Небольшие склады должны иметь чаны с водой, огнетушители. В деревообрабатывающих цехах нужно следить за состоянием электрооборудования, пусковой аппаратуры, силовой и осветительной сети. Обтирочные материалы следует хранить в специальных закрытых металлических ящиках и периодически их очищать. Необходимо систематически смазывать подшипники, не допуская их перегрева. Хранить сверхнормативные запасы пиломатериалов, заготовок и деталей в цехах не допускается. Все проходы и подходы к пожарным кранам должны быть всегда свободными и доступными. В малярных цехах нельзя работать без надежно действующей вентиляции, чтобы не образовалась взрывоопасная концентрация паров лакокрасочных материалов. Цехи, кроме пожарного водопровода, должны быть обеспечены средствами пожаротушения, расположенными в удобных местах. Для подачи сигналов о пожаре в цехе, в мастерской должна быть установлена пожарная сигнализация

10. .ОХРАНА ТРУДА

Провод, соединяющий нулевую точку фаз генератора, трансформатора с нулевой точкой нагрузки, называют нулевым или нейтральным.

Его называют нулевым потому, что в некоторых случаях ток в нем равен нулю, и нейтральным исходя из того, что он одинаково принадлежит любой из фаз.

Назначение нулевого провода в том, что он необходим для выравнивания фазных напряжений нагрузки, когда сопротивления этих фаз различны, а также для заземления электрооборудования в сетях с глухозаземленной нейтралью.

Благодаря назначению нулевого провода напряжение на каждой фазе нагрузки будет практически одинаковым при неравномерной нагрузке фаз. Осветительная нагрузка, включенная звездой, всегда требует наличия нулевого провода, так как равномерная нагрузка фаз не гарантируется.

Сечение нулевого провода трехфазных линий, в которых нулевые провода не используют для заземления (специальные или реконструируемые сети освещения), принимают близким к половине сечения фазных проводов.

 Если, например, фазные провода имеют сечение 35 мм2, нулевой провод берется 16 мм2.

Сечение нулевого провода трехфазной системы с глухозаземленной нейтралью, в которой нулевой провод используется для заземления, должно быть не менее половины сечения фазных проводов, а в некоторых случаях равно им.

Нулевой провод воздушных линий 320/220 В должен иметь одинаковую марку и сечение с фазными проводами:

Поскольку в одно- и двухфазных линиях по нулевому и фазному проводам протекает ток одинаковой величины, то для этих линий сечение нулевых и фазных проводов берут одинаковым.

ПРЕДОХРАНИТЕЛЬ - это коммутационный электрический аппарат, предназначенный для отключения защищаемой цепи посредством разрушения специально предусмотренных для этого токоведущих частей под действием тока, превышающего определенное значение.
Простота устройства и обслуживания, малые размеры, высокая отключающая способность, небольшая стоимость обеспечили очень широкое их применение.
Предохранители низкого напряжения изготавливаются на токи от миллиампер до тысячи ампер и на напряжение до 660 В, а предохранители высокого напряжения – до 35 кВ и выше.

Широкое применение предохранителей в самых различных областях народного хозяйства и в быту привело к многообразию их конструкций. Однако, несмотря на это, все они имеют следующие основные элементы: корпус; плавкую вставку; контактное присоединительное устройство; дугогасительное устройство или дугогасящую среду.
Процесс срабатывания предохранителя делится на несколько стадий: нагревание вставки до температуры плавления, плавление и испарение вставки, возникновение и гашение электрической дуги с восстановлением изоляционных свойств образующегося изоляционного промежутка.

Времятоковая характеристика предохранителя (зависимость времени перегорания плавкой вставки от тока) должна проходить ниже, но возможно ближе к времятоковой характеристике защищаемого объекта (это важнейшая характеристика).

Времятоковая характеристика предохранителя

Рис№4 Характеристика срабатывния предохранителей.

Время срабатывания предохранителя при К.З. должно быть минимально возможным, особенно при защите полупроводниковых приборов.

При К.З. в защищаемой цепи предохранители должны обеспечивать селективность (избирательность) защиты.

Характеристики предохранителя должны быть стабильными, а технологический разброс их параметров не должен нарушать надежность защиты.

В связи с возросшей мощностью уставок предохранители должны иметь высокую отключающую способность.

Конструкция предохранителя должна обеспечивать возможность быстрой и удобной замены плавкой вставки при ее перегорании.

Рассчитаем минимальное сечение нейтрального провода, для этого определеим ток срабатывания плавкой вставки, длина линии к двигателю равна примерно 50 метров, используется кабель с медными жилами сечением 2,5 мм2 .

Определим длятельный ток линии:

Выбираем предохранитель ПР-2-15 с Iном=10 А и Iпред.откл=8 кА.

Определим ток КЗ, он должен быть больше значения:

Сопротивление фазного провода:

Где, L- длина провода, М.

 удельная плотность меди.

 плотность сечения, мм2

Сопротивление нейтрального провода:

- 

Сечение нейтрального провода, считая что зануление выполнено медным проводом определим по выражениею:

 (40)


ЗАКЛЮЧЕНИЕ

В ходе работы над данным курсовым  проектом был выполнен следующий объем работ:

1. Произведена характеристика промышленного объекта.

2. Расчёт электрических нагрузок.

3. Выбрана общая схема эл снабжения, выбраны КЛ и коммутационные аппараты.

4.Проверка системы электроснабжения и расчет системы АСДУ

5. Выполнены расчеты по определению сечения нейтрального провода компрессора








































СПИСОК ЛИТЕРАТУРЫ

1) Батхон И.С. «Справочник по электрическим установкам высокого напряжения». М.,Энегия,1974.

2) Васильев А.А. и др. «Электрическая часть станций и подстанций; - М.:Энергия,1980.

3) Кабышев А.В., Обухов С.Г.Расчет и проектирование систем электроснабжения: справочные материалы по электрооборудованию. Федеральное агентство по образованию. Томский политехнический университет. Учебное пособие. Томск 2005.

4) Конюхова Е.А «Электроснабжение объектов.. М.Издательство «Мастерство» 2001.

5) Крючков И.П., Неклепаев Б.Н. «Электрическая часть электростанций и подстанций» М.:Энергия.1978г.

6) Липкин Б.Ю., «Электроснабжение промышленных предприятий и установок» «Высшая Школа»1975г

7) Рожкова Л.Д.и др. «Электрооборудование электрических станций и подстанций». М.: Издательский центр «Академия» 2007.

8 )Воронина А.А., Шибенко Н.Ф. Безопасность труда в электроустановках:

Учеб. пособ. для сред. ПТУ. - 4-е изд., перераб. и доп. - М.: Высш. шк., 1987

9)Под ред. Рокотяна С.С. и Шапиро И.М. «Электротехнический справочник» том 3

Похожие работы на - Электроснабжение деревообрабатывающего цеха

 

Не нашли материал для своей работы?
Поможем написать уникальную работу
Без плагиата!
Без нейросетей!