Информационная система коммерческой фирмы 'Эксповест'. Отдел маркетинга
Оглавление
Введение
. Описание и исследование предметной области
.1 Задачи, цели и функции коммерческого предприятия
«Эксповест»
.2 Схема процесса и функции системы
.3 Проблемы и способы их решения
.4 Выработка критериев для проектирования ИС
.5 Обзор существующих информационных систем
.5.1 Microsoft Dynamics CRM
.5.2 Naumen CRM
.5.3 ИНТАЛЕВ: Корпоративный CRM
. Моделирование информационной системы отдела
маркетинга коммерческого предприятия «Эксповест»
.1 Организационная модель
.2 Математическое моделирование работы с клиентами
отдела маркетинга
.3 Функциональная модель
.3.1 Анализ и выбор CASE-средства моделирования
информационной системы
.3.2 Моделирование бизнес процессов
.3.3 Информационная модель «как есть» отдела маркетинга
.3.4 Модель информационной системы «Как надо»
. Проектирование информационной системы
.1 Выбор архитектуры информационной системы
.2 Архитектура клиент-сервер
.3 Выбор CASE-средства проектирования базы данных
информационной системы
.4 Выбор системы управления базой данных
.4.1 Visual FoxPro
3.4.2 Microsoft Access
.4.3 MS SQL Server
.5 Разработка базы данных информационной системы отдела
маркетинга коммерческого предприятия «Эксповест»
. Спецификация для создания информационной системы
отдела маркетинга коммерческого предприятия «Эксповест»
.1 Состав и принципы информационного обеспечения
.2 Виды и методы контроля в маршрутах обработки данных
.3 Перечень источников информации (входная и выходная
информация)
.4 Общие требования к организации сбора, передачи,
контроля и корректировки информации
.5 Описание построения информационной базы, ее
характеристики
.6 Программные и аппаратные требования
.7 Выбор языка программирования
.8 Описание интерфейса пользователя
. Социальный аспект разработки
. Оценка технико-экономической эффективности проекта
.1 Расчет интегрального показателя качества
.2 Капитальные вложения и эксплуатационные расходы
.3 Расчет экономии от увеличения производительности
труда пользователя
.4 Определение цены, рентабельности и срока окупаемости
программного продукта
. Безопасность и экологичность работы
.1 Анализ безопасности процесса эксплуатации
разрабатываемой ИС.
.1.1 Особенности функционального назначения ИС
.1.2 Системный анализ безопасности эксплуатации ИС
.1.3 Анализ условий труда оператора при эксплуатации разрабатываемой
ИС
.2 Анализ экологичности проекта
.3 Разработка мероприятий по улучшению условий труда
.3.1 Длительность сосредоточенного наблюдения за монитором
.3.2 Неподвижная деятельность оператора
.3.3 Пожарная безопасность на рабочем месте оператора
.3.4 Электробезопасность при работе оператора с ПЭВМ
Заключение
Введение
Данная тема является актуальной на сегодняшний день, так как без
современных систем обработки данных трудно представить сегодня передовые
производственные технологии, управление экономикой на всех ее уровнях, научные
исследования, образование, издательское дело, функционирование средств массовой
информации, проведение крупных спортивных состязаний. Создание современных
электронных вычислительных машин позволило автоматизировать обработку данных во
многих сферах человеческой деятельности.
Одним из наиболее распространенных классов систем хранения, поиска и
обработки данных являются информационные системы. Одним из основных видов ИС
являются ИС, построенные на основе баз данных. Основными функциями
информационных систем являются следующие:
· сбор и регистрация информационных ресурсов;
· хранение информационных ресурсов;
· актуализация информационных ресурсов;
· обработка информационных ресурсов;
· предоставление информационных ресурсов пользователям;
· и др.
С каждым годом растут объемы данных, с которыми приходится иметь дело в
различных сферах человеческой деятельности, поэтому предъявляются все более
высокие требования к ИС по эффективности выполнения своих функций. Многое из
того, что считалось нормой еще около 10 лет назад, сейчас является устаревшим,
не отвечающим современным требованиям. Сегодня создание ИС на основе БД
немыслимо без эффективного использования современных средств СУБД.
История СУБД как особого вида программного обеспечения неразрывно связана
с историей начала использования ЭВМ для организации хранения и обработки
информации. Именно в то время (конец 60-х, начало 70-х годов) были разработаны
основы программного обеспечения для создания и эксплуатации фактографических информационных
систем. В конце 70-х, начале 80-х годов направление программного обеспечения
под общим названием «СУБД» превратилось в одну из наиболее бурно развивающихся
отраслей программной индустрии.
Одними из важнейших этапов создания ИС являются этапы анализа,
моделирования и проектирования. На этих этапах жизненного цикла ИС следует
применять современные средства, позволяющие автоматизировать данные процессы.
Использование CASE-средств, дает возможность
разработчикам сократить сроки начальных этапов создания ИС. Применение таких
программных продуктов, как BPWin
и ERWin, является достаточным для
моделирования и проектирования информационной системы отдела
маркетингакоммерческого предприятия «Эксповест». Эти средства являются мощными
инструментами моделирования и проектирования небольших ИС или крупных ИС с
разбиением на подсистемы.
Основной целью данной работы является разработка автоматизированной
системы, более современной, быстродействующей и более эффективной по сравнению
с системой, применяемой в последнее время.
1.
Описание и исследование предметной области
В данной дипломной работе предполагается рассмотреть принципы работы
отдела маркетингакоммерческого предприятия «Эксповест» и произвести
усовершенствования структурной схемы внутри организации. Понятие
«совершенствование» в широком смысле - это закономерное, качественное изменение
какого-либо объекта, направленное на улучшение его состояния и на придание ему
новых свойств, необходимых для более полного соответствия целям его
функционирования и окружающим условиям. Совершенствование системы продаж - это
непрерывный процесс обоснования и реализации наиболее рациональных форм,
методов, способов и путей ее создания (реструктурирования) и развития;
рационализация ее отдельных сторон, контроль и выявление «узких мест» на основе
непрерывной оценки соответствия системы контроля внутренним и внешним условиям
функционирования организации. В каждой отдельно взятой организации можно
по-своему рационализировать систему продаж исходя из внутренних и внешних условий
и степени ее развития (эффективности). Но существуют общие закономерности и
методы повышения эффективности функционирования системы продаж, подходящие для
большинства средних и крупных коммерческих организаций. В небольших
организациях, как правило, недостаточно ресурсов для построения эффективной
системы внутреннего контроля. Однако отдельные из нижеперечисленных
рекомендаций полезны и для малых организации.
Компания «Эксповест», крупнейший дистрибьютор
промышленных материалов на Юге России. В данной дипломной работе будет
рассмотренотдел маркетингакоммерческого предприятия «Эксповест», так как этот
отдел работает с большой массой клиентов и приходиться обрабатывать и хранить
соответственно большой объем информации о клиентах и их покупках.
При этом главным критерием деятельности отдела маркетинга «Эксповест»
является полнота, качество и своевременность обслуживания (продавца, клиента,
других подразделений и т. д.).
1.1 Задачи,
цели и функции коммерческого предприятия «Эксповест»
Выделим задачи, цели и функции отдела маркетинга коммерческого
предприятия «Эксповест».
Цели организации:
1. Привлечение большего числа людей к потреблению продукции и услуг;
2. Завоевание как можно большего сектора на рынке;
. Получение максимально возможной прибыли от реализации продукции и
услуг.
Задачи организации:
. Обеспечение качественного обслуживания клиентов;
2. Обеспечение наиболее эффективного распределения работ между
сотрудниками;
3. Обеспечение клиентов своевременной и корректной информацией об
оплате товаров и услуг;
. Обеспечение эффективного взаимодействия с отделом бухгалтерского
учета.
Функциями организации являются услуги, ежедневно предоставляемые
клиентам.
В данном случае отдел маркетинга«Эксповест» занимается предоставлением
услуг в области развития продаж и каналов сбыта, абонентского обслуживания,
развития каналов приема платежей. Сотрудники проводят различные участия в
разработке стратегий и функциональных планов в области: продаж и обслуживания,
управления взаимоотношениями с клиентами и управления оттоком.
Обслуживают клиента по следующим направлениям предоставления услуг:
- продажа техники (промышленные материалы, станки, насосы,
инструменты, строительное оборудование, спецодежда и т.п.);
- продажа различных аксессуаров для предлагаемого оборудования;
различные виды консультаций и установки оборудования;
предполагает наличие функции товарного кредита с возможностью
расчета годовых процентов за отпущенный товар;
учет и списание товаров;
оформление покупок непосредственно с “витрин” магазина;
формирование запроса на доставку отсутствующего товара;
составление товарных отчетов за произвольно выбранный период
времени;
оформление документов на возврат товара от покупателей;
полный цикл автоматизации оптовой и розничной торговли;
позволяет варьировать отпускную цену в зависимости от
количества закупаемых товаров;
- присутствует возможность организации
оперативного заказа по предварительным заказам клиентов;
- ведет
полный учет товаров, согласно способу продажи (товарный кредит, реализация,
консигнация).
1.2 Схема процесса и функции системы
Все процессы, проходящие в данномпредприятии, очень сильно связанны и
отсюда следует, что вся система является одним целым. Описывая деятельность
организации можно выделить в качестве входящей информации: «Заказы клиентов»,
«Сопроводительную документацию», «денежные средства». И выходящей информации
она выражается в «Отчетной информации».
Отдел маркетинга является основным подразделением
коммерческогопредприятия. Этот тезис не умаляет роль других подразделений,
особенно в современных условиях, когда коммерческий успех все больше зависит от
результатов “командной” работы коллектива. Однако подразделением, приносящим
деньги, отделом - “забойщиком” является именно отдел маркетинга. Это нельзя
забывать. Этим обусловлены разнообразные практические выводы в работе компании.
В частности, внимание руководства, организация системы
информационно-аналитической обратной связи, мотивация сотрудников.
На рисунке 1.1 показана организационно-управленческая структура отдела
маркетингакоммерческого предприятия «Эксповест».
Рис. 1.1 Организационно-управленческая структура отдела маркетинга
коммерческого предприятия
Для простоты руководители структурных подразделений отдела названы
ведущими менеджерами. Это форма. Суть - каждое подразделение имеет своего
руководителя, отвечающего за эффективную работу подразделения. Возможные
варианты в названии должности, обусловленные конкретными условиями компании -
начальник регионального отдела, руководитель отдела телемаркетинга, старший
менеджер торгового зала, руководитель сектора работы с VIP клиентами
(заместитель начальника отдела маркетинга) и т.д.
Информационная система должна выполнять функции, соответствующие всем этапам
процесса оказания услуги-от заявки до получения отчетных документов.
Эти функции перечислены ниже. ИС должна состоять из подсистем,
объединенных единым информационным обеспечением и в совокупности реализующих
следующие основные функции:
сбор, обработка и ввод в базу данных первичной информации о
предоставленных товарах; услугах и их оплате;
абонентский учет;
регистрация и контроль платежей;
ведение нормативно-справочной информации по услугам и пр.
тарификация и расчет платежей по предоставленным услугам;
информационно-справочное обслуживание клиентов;
формирование документов статистической отчетности и
информационно-аналитических документов по оказанным услугам проданным товарам;
администрирование системы;
1.3 Проблемы
и способы их решения
Рынок информационных технологий развивается на данный момент небывалыми
темпами, уже невозможно представить себе предприятие или даже частного
предпринимателя, занимающегося торговлей или предоставляющего какие-либо услуги
в различных сферах деятельности людей, и не имеющих какой-либо информационной
системы для учета документооборота, информации о клиентах.
Влияние нарастающей информатизации общества заметно во многих сферах
деятельности и затрагивает многие слои социума - даже от сотрудников низшего
звена все чаще требуется знание навыков работы с ПК. Таким образом, проявляется
требование настоящего времени, основанное на прагматических соображениях и на
научном прогрессе - прикладное использование современных информационных
технологий в различных общественных институтах, в том числе и в торговой
области.
Еще один аспект влияния проекта на социум - увеличение качества
обслуживания клиентов в салонах продаж. Для них значимость проекта выражается в
сокращении сроков выдачи необходимых документов и суммы к оплате.
Внедрение информационной системы в торговой области позволит показать
высокую эффективность работы ИС, удобство эксплуатации и хранения информации.
В последнее время добавились две основных проблемы, которые мешают
розничной торговле - это большое количество конкурентов и оборудования в
обиходе, которые в малых количествах идут на утилизацию.
Для лучшего решения поставленных нами задач лучше всего рассмотреть их в
индивидуальном порядке.
информационные технологии.
Полная автоматизация рабочих мест
продавцов-консультантов. Ознакомительные курсы в информационном направлении,
для повышения квалификации. Полный перевод документооборота в электронный вид.
- конкуренция.
Заключение договоров с конкурентами о не большой разнице идентичных
товаров.
Заключение договоров на более обширный список товаров, предоставляемый
поставщиками в данные торговые точки.
Улучшение работы продавцов с клиентами. Упрощение процесса покупки
товаров.
наличие оборудования в обиходе.
Сотрудничать с производителями в области разработки новых технологий и
стандартов промышленного оборудования.
1.4 Выработка
критериев для проектирования ИС
Для того чтобы правильно и рационально организовать процесс продаж,
необходимо соблюсти следующие критерии:
• сбор, обработка и ввод в базу данных первичной информации о проданных
товарах, предоставленных услугах и их оплате;
• абонентский учет; регистрация и контроль платежей;
• ведение нормативно-справочной информации по услугам, товарам и пр.
• информационно-справочное обслуживание абонентов;
• формирование документов статистической отчетности и
информационно-аналитических документов по оказанным услугам и проданным
товарам;
• администрирование системы, сопровождение и тех. поддержка.
• соблюдение схемы отпуска товаров, способствует правильному, четкому и
быстрому выполнению заказов покупателей, а значит и повышению престижа самой
организации. При выборе или создании ИС необходимо обращать внимание не только
на функциональность, но и на технологии, используемые при разработке.
Масштабируемость.Программная часть системы не должна требовать переделок
и доработок при увеличении нагрузки на систему. Увеличение возможностей должно
достигаться расширением аппаратной части (добавлением задействованных
процессоров, расширением дискового пространства). При этом между нагрузкой и
быстродействием системы должна быть обеспечена зависимость, которую можно
спрогнозировать. Принципы построения масштабируемых систем таковы:
использование СУБД, рассчитанных на большие объемы данных;
совместимость СУБД с различными компьютерными платформами;
поддержка многопроцессорного режима работы;
централизация основных расчетов и процедур доступа к данным на сервере
баз данных;
увеличение нагрузки должно ложиться в основном на серверную часть.
Надежность. Надежность системы обеспечивается надежностью базовых
программных средств: СУБД, средств разработки и применяемых технологий. Особую
важность имеет надежность данных, а именно: их актуальность, целостность и
достоверность. В систему должны быть заложены механизмы, которые бы
обеспечивали эти свойства. Для достижения этой цели необходимо:
создание непротиворечивой модели данных;
возможность отката транзакций при ошибке или невозможности закончить
транзакцию корректно.
Отказоустойчивость. Система должна иметь средства для быстрого
восстановления работоспособности при авариях, сбоях, потери данных. Основными
методами обеспечения отказоустойчивости
являются:
резервирование и копирование данных;
наличие резервирующих серверов;
распределенная структура базы данных;
Гибкость. Система должна иметь возможность настраиваться, дорабатываться,
адаптироваться для решения задач организации, которые, в частности, могут быть
не совсем ясны на момент разработки. Обеспечить гибкость можно с помощью таких
качеств системы как настраиваемость, модульность и открытость.
Настраиваемость - это возможность увеличения функциональности системы без
ее доработки.
Модульность обеспечивается выделением в системе подсистем с четко
описанными интерфейсами между ними. Модульность более низкого уровня
обеспечивается выделением в модулях функций или иных программно-информационных
единиц. Разделение системы на функциональные модули позволяет развивать,
наращивать или изменять функции системы, поддерживающие любой этап процесса
обслуживания, независимо от остальных. Модульность является основой для
создания переносимой системы, преимущество которой заключается в возможности
использовать технологию разделенных серверов.
Открытость системы заключается в том, что форматы данных и интерфейсы
удовлетворяют неким специфицированным стандартам. Это свойство позволяет
заменять одни модули системы другими, а также подключать внешние системы по
стандартным протоколам.
Переносимость. Система должна иметь возможность работать на различных
платформах, с разными СУБД. Это, во-первых, делает ее более масштабируемой
(система будет устойчиво работать при использовании более мощного сервера,
более производительной СУБД), во-вторых, более гибкой (работать на том
оборудовании и с тем программным обеспечением, которое уже есть у оператора).
Переносимость системы может также косвенным образом влиять на повышение ее
отказоустойчивости (распределение функций по разным машинам, использование
распределенных или реплицированных баз данных).
1.5 Обзор
существующих информационных систем
(Customer Relationship Management) система управления отношениями с
клиентами - инструмент для решения задач вашего бизнеса, связанных с
отношениями с клиентами, деятельностью отдела маркетинга, маркетингом и
финансами. Предками crm-систем можно считать записные книжки c телефонами
партнеров и заказчиков, тетради, в которых отмечалась каждая проданная вещь и
даже обыкновенные деревянные счеты, с помощью которых в магазине подсчитывается
сумма покупки. CRM - это
бизнес-стратегия, при которой центром всей философии бизнеса является
клиентоориентированный подход, а основными направлениями деятельности являются
меры по поддержке максимально эффективного персонифицированного обслуживания
клиентов. CRM системы позволяют реализовать такую бизнес-стратегию, а также
предоставляют всю необходимую для этого инфраструктуру. CRM-идеология
предполагает такую организацию обслуживания клиентов, при которой
взаимодействие различных служб компании с потребителем четко скоординировано и
базируется на максимально полной информации о клиенте, его потребностях и
истории работы с ним. Цель такой стратегии - выстроить долгосрочные отношения с
клиентами, обеспечить их лояльность компании и ее продуктами, услугами.
Постоянные клиенты - гарантия стабильных продаж и устойчивости бизнеса.
Рассмотрим более подходящие по критериям CRM- системы: MicrosoftDynamicsCRM, NaumenCRM,ИНТАЛЕВ: Корпоративный CRM.
1.5.1 Microsoft
Dynamics CRM
Microsoft Dynamics CRM - система для управления отношениями с клиентами -
удобный инструмент с хорошо знакомым интерфейсом Microsoft Outlook, позволяющий
эффективно управлять процессами продаж, маркетинга и обслуживания
клиентов.Dynamics CRM - это профессиональное решение задач управления
отношениями с клиентами в компании, которое позволяет:
· Повысить эффективность продаж:
Microsoft Dynamics CRM позволяет сделать процесс продаж предсказуемым,
сократить цикл продаж и увеличить число успешно закрытых сделок. Достигается
это благодаря функциональности для управления работой с потенциальными сделками
и оптимизации процесса продажи, создания коммерческих предложений и доступу к
информации о заказах клиентов.
Использование простого доступа черезMicrosoft Outlook и InternetExplorer
ко всей централизованной информации о клиентах и истории взаимодействий с ними,
включая все виды коммуникаций: телефонные звонки, факсимильные сообщения,
электронная и обычная почта, позволяет сотрудникам быстрее и качественнее
выполнять текущие задачи.
Полная информация о заказах, счетах и коммерческих предложениях созданных
с использованием каталога продукции и настраиваемых прайс-листов делает процесс
продаж более прозрачным и эффективным.
Построение и использование сценариев продаж, как в автоматическом, так и
в ручном режиме помогает компании сократить цикл продаж и четко видеть состояние
текущих сделок.
Использование встроенной отчетности и аналитики позволяет быстро и точно
прогнозировать продажи, результаты маркетинговых кампаний и эффективность
обслуживания клиентов. Встроенные инструменты Microsoft SQL Reporting Services
дают возможность построить необходимую отчетность, и представить информацию,
например, в сводных таблицах Microsoft Excel для последующего анализа.
· Управлять работой маркетинга:
Замкнуть цикл работы с клиентами в компании, отслеживать взаимодействие
от первого контакта и до формирования новых возможностей для последующих продаж
позволит модуль Маркетинг системы Microsoft Dynamics CRM. В этой версии
маркетинговая составляющая системы выделена в отдельный модуль, что позволяет
сотрудникам использовать эту функциональность более эффективно.
Система позволяет сегментировать клиентов по различным критериям,
планировать, проводить и четко отслеживать результаты маркетинговых кампаний,
анализировать историю взаимодействий с клиентами для более четкого понимания их
потребностей для своевременного предложения дополнительных продуктов и услуг.
Интеграция Microsoft Dynamics CRMс почтовой системой и настраиваемые
шаблоны позволяют проводить персональные рассылки клиентам по электронной
почте. Эта операция полностью автоматизирована, а распределение потенциальных
сделок между сотрудниками позволит автоматизировать рутинные процессы передачи
потенциальных клиентов из маркетинга в отдел маркетинга.
· Обеспечить качественное обслуживание клиентов, включая
сервисное обслуживание и управление ресурсами:
Обеспечение качественного и гарантированного обслуживания клиентов -
основная задача компании. Важно сделать так, что бы ни один запрос клиента не
был потерян, а возникший вопрос был решен в приемлемое время.
1.5.2 Naumen
CRM
Полнофункциональное CRM-решение, предназначенное для повышения
эффективности процессов продаж и маркетинга в компании, обеспечения высокого
уровня лояльности клиентов и партнеров, предоставления всем сотрудникам
фронт-офиса компании IT-инструментов для реализации клиентоориентированной
стратегии.
Наличие встроенного механизма workflow позволяет реализовывать сложные
бизнес-процессы, сопровождаемые различным действиями, происходящие в самой
CRM-системе или в связанных системах.CRM - система для управления отношениями с
клиентами, обеспечивает решение следующих задач:
· оперативное ведение клиентской базы, включая возможность
группировки клиентов по любому количеству произвольных атрибутов;
· создание единых справочников на уровне компании, построение
на их основе удобной системы сбора разнородных данных по клиенту;
· планирование и проведение работ по каждому клиенту с
возможностью назначения ответственных менеджеров на уровне событий - встреч,
телефонных звонков, обращений по электронной почте и пр.;
· поддержкапроведения массовых мероприятий: презентаций,
анкетирования потенциальных клиентов, массового обзвона клиентов;
· формирование целевых групп для почтовой рассылки, поддержка
шаблонов электронных писем любой сложности, проведение рассылки прямо из
системы;
· ведение истории отношений с клиентом, от истории заказов до
истории привлечения персонала для работы по запросам клиента;
· заключение контрактов с клиентами и их выполнение:
автоматическое формирование стоимости контракта на основе заявок и заказов
клиента, контроль выполнения всех этапов работ по клиенту, планирование и учет
всех платежей по контрактам;
· организация участия клиента в процессе выполнения заказа:
любой представитель клиента может иметь доступ в систему, контролировать
выполнение работ, поднимать проблемы;
анализ процесса продаж: формирование различных отчетов по клиентам,
контрактам и динамике продаж.
1.5.3 ИНТАЛЕВ:
Корпоративный CRM
«ИНТАЛЕВ: Корпоративный CRM» - программно-методический комплекс класса
управления взаимоотношениями с клиентами (Customer Relationship Management).
Основные преимущества «ИНТАЛЕВ: Корпоративный CRM» перед другими CRM- системами:
• Интеграция с финансовыми системами. «ИНТАЛЕВ: Корпоративный CRM»
интегрируется со сторонними учетными системами, в частности решениями компании
«1С».
• Наличие функций документооборота и процессов, позволяющих в разы
сократить ручной труд и зависимость от человеческого фактора, в сравнении с
просто системами ведения баз данных по клиентам.
• Экстремальная гибкость настроек, позволяющая реализовать практически
любые задачи управления отношениями с клиентами и гибко модифицировать их
вместе с ростом запросов пользователей.
• Визуальный способ настроек. Визуальный метод настройки учетной политики
(без кодирования) позволяет значительно сократить сроки и гарантировать успех
внедрения. Снижаются затраты на реализацию проекта за счет исключения целых
этапов (кодирование, отладка кода). Это позволяет избежать чрезмерного
расходования ресурсов компании.
• Интеграция всех каналов взаимодействия с клиентами (телефон, e-mail,
обращения с веб-сайта, факс, SMS).
• Оперативность и достоверность отчетности.
• Наличие готовых отраслевых конфигураций.
• Наличие проверенной методики внедрения.
«ИНТАЛЕВ: Корпоративный CRM» - система для управления отношениями с клиентами,
обеспечивает решение следующих задач:
• Управление базой клиентов (Предоставление все контактной, деловой
информации, история взаимоотношений, особенности клиента, взаимоотношения
клиентов, маркетинговые воздействия, источники возникновения продаж , статус
клиентов и многое другое ).
• Управление контактами (Синхронизация с Microsoft Outlook, Microsoft
Exchange online и offline. возможность использования функций работы с e-mail
непосредственно в CRM -системе, получение и отправка факсов в CRM-системе)
• Управление продажами (Определение планов работы менеджеров,
формирование продаж на основании заявок на определенную продукцию или услуги,
фиксация заявленных потребностей клиентов, определение незаявленных
потребностей, кросс-продажи, фиксация заявленных потребностей клиентов,
определение незаявленных потребностей, оценка возможностей продаж на разных
циклах процессов продаж, быстрая генерация предложений, договоров, финансовых
документов на основе шаблонов MS Word, встроенная подсистема планирования,
графического представления и управления контактами, действиями.)
• Управление маркетингом (сегментация клиентов, маркетинговые компании,
телефонные опросы, маркетинговые мероприятия)
• Управление сервисом (Базы знаний о проблемных случаях, отчеты о проделанной
работе, оповещение по просроченным или отложенным документам).
Решение обладает большим набором готовых функций, объектов и процессов,
поставляемых системой; имеет обширные возможности по настройке их реквизитов.
Обеспечивается разделение прав пользователей (администратора, менеджера,
брокера, оператора, клиента) на основе частичного доступа к информации и
операциям с ней.
Возможен поиск по всем доступным пользователю реквизитам объекта, в том
числе по множественным критериям и добавленным реквизитам. Развита система
экспорта, предполагающая создание наборов экспортируемых полей с учетом
сортировки, группировки, фильтрации. Обеспечивается интеграция с веб-сайтом,
другими учетными системами.
Решение позволяет аккумулировать детальную информацию о клиентах,
партнерах и контрагентах, фиксировать все контакты, учитывать неудовлетворенные
запросы. Таким образом, компания всегда имеет в наличии актуальную статистику и
достоверную отчетность (по агентам, операторам, объектам и др.).
На основе представленных характеристик, проведем сравнительный анализ и
выявим отклонения существующих систем. Таким образом, выясним, какая система в
наибольшей степени удовлетворяет потребностям.
Таблица 1.1 Сравнение информационных систем
|
Системы
|
Naumen CRM
|
Microsoft Dynamics CRM
|
ИНТАЛЕВ: Корпор. CRM
|
Разрабаты- ваемая система
|
|
Функции
|
|
|
|
|
|
Удаленное администрирование
|
нет
|
есть
|
есть
|
есть
|
|
Сопровождение и тех.
Поддержка
|
нет
|
нет
|
есть
|
По требованию
|
|
система офисного
документооборота
|
нет
|
есть
|
есть
|
есть
|
|
Открытость системы
|
есть
|
есть
|
нет
|
есть
|
|
организация участия клиента
в процессе выполнения заказа
|
есть
|
нет
|
нет
|
нет
|
|
Справочная система
|
нет
|
есть
|
есть
|
есть
|
|
Отчётность
|
нет
|
есть
|
нет
|
есть
|
|
Стоимость (руб.)
|
34 000
|
42 000
|
50 000
|
44 000
|
Теперь проведем количественное сравнение рассматриваемых информационных
систем. В качестве инструмента сравнения используем метод анализа иерархий.
Из перечисленных в Табл. 1.1. критериев сравнения оставим пять наиболее
важных с нашей точки зрения: удаленное администрирование, система офисного документооборота,
открытость системы, организация участия клиента в процессе выполнения заказа,
отчётность.
Начнем с построения матрицы попарных сравнений для критериев, т.е. со
второго уровня иерархии (на первом уровне наша цель - выбор наиболее подходящей
нам ИС, на третьем - альтернативы). Для этого строим матрицу размерностью 5х5
(по числу критериев) и подпишем строки и столбцы наименованиями сравниваемых
критериев (Табл. 1.2.).
Таблица 1.2. Матрица попарных сравнений критериев
|
Организация Участия клиента
в процессе выполнения заказа
|
Удале- нное админист-
рирование
|
Откры- тость системы
|
Система офисного докумен-
тооборота
|
Отчёт- ность
|
Оценки компонент
собственного вектора
|
Нормализо- ванные оценки
вектора приоритета
|
|
Организация участия клиента
в процессе выполнения заказа
|
1
|
3
|
1/5
|
1/6
|
1/8
|
0,41628
|
0,05194
|
|
Удаленное администрирование
|
1/3
|
1
|
1/6
|
1/8
|
1/9
|
0,23849
|
0,02976
|
|
Открытость системы
|
5
|
6
|
1
|
1/3
|
1/5
|
1,14870
|
0,14331
|
|
Система офисного
документооборота
|
6
|
8
|
3
|
1
|
1/3
|
2,16894
|
0,27060
|
|
Отчётность
|
8
|
9
|
5
|
3
|
1
|
4,04282
|
0,50439
|
|
Сумма:
|
8,01524
|
|
Сначала определяем оценки компонент собственного вектора. Так для
критерия "Открытость системы" это будет:
(5 x 6 x 1 x 1/3 x 1/5)1/5 = 1,14870
Получив сумму оценок собственных векторов ( = 8,01524 ), вычисляем
нормализованные оценки вектора приоритета для каждого критерия, разделив
значение оценки собственного вектора на эту сумму. Для того же критерия "
Открытость системы " имеем:
,14870 / 8,01524 = 0,14331
Сравнивая нормализованные оценки вектора приоритета можно сделать вывод,
что наибольшее значение при выборе информационной системы я придаю критерию
"Отчетность".
|
Организация участия клиента
в процессе выполнения заказа
|
|
0,05194
|
|
Удаленное администрирование
|
|
0,02976
|
|
Открытость системы
|
|
0,14331
|
|
Система офисного
документооборота
|
|
0,27060
|
|
Отчетность
|
|
0,50439
|
Но это еще не все с оценкой критериев. Необходимо проверить, насколько
наши суждения были непротиворечивыми при составлении матрицы попарных сравнений
критериев. Для этого необходимо рассчитать индекс согласованности для этой
матрицы. Разделив его на число, соответствующее случайной согласованности
матрицы пятого порядка, равного 1,12 получим отношение согласованности ( ОС ).
В данном случае:= 7,72% < 10%, т.е. пересматривать свои суждения нет нужды.
Заполняем таблицу 1.3. для определения прототипа информационной системы:
в самую верхнюю строку вносим значения вектора приоритета для каждого
критерия;
для каждой из альтернатив заполняем столбцы критериев значениями
локальных векторов приоритета.
Подсчитываем значения глобального приоритета для каждой из альтернатив
как сумму произведений значения вектора приоритета для критерия и значения
вектора локального приоритета этой альтернативы в отношении данного критерия,
т.е. для альтернативы Naumen CRM это будет:
,051936 * 0,076923 + 0,029755 * 0,038950 + 0,143314 * 0,121237 + 0,270603
* 0,244138 + 0,504392 * 0,158835 = 0,168709
Таблица 1.3. Выбор прототипа ИС
|
Альтернативные ИС
|
Организация участия клиента
в процессе выполнения заказа
|
Удале- нное админист-
рирование
|
Откры- тость системы
|
Система офисного докумен-
тооборота
|
Отчёт- ность
|
Глоба- льные приори- теты
|
|
Численное значение вектора
приоритета
|
|
|
0,051936
|
0,029755
|
0,143314
|
0,270603
|
0,504392
|
|
|
Naumen CRM
|
0,076923
|
0,038950
|
0,121237
|
0,244138
|
0,158835
|
0,168709
|
|
ИНТАЛЕВ: Корпор. CRM
|
0,076923
|
0,196163
|
0,230487
|
0,075334
|
0,116678
|
|
Microsoft Dynamics CRM
|
0,692308
|
0,615348
|
0,640516
|
0,406878
|
0,363760
|
0,439640
|
Выбранной альтернативой считается ИС с максимальным значением глобального
приоритета.
|
Naumen CRM
|
|
0,168709
|
|
ИНТАЛЕВ: Корпор. CRM
|
|
0,116678
|
|
Microsoft Dynamics CRM
|
|
0,439640
|
В данном случае это Microsoft Dynamics CRM, который мы будет использовать
как основу для выработки требований к проектируемой ИС.
Рассмотрев параметры и функциональные возможности существующих
корпоративных информационных систем, можно сделать вывод, что все эти системы
имеют широкие возможности в плане автоматизации бизнес-процессов в области
продаж. Внедрение системы в отделе продаж компании, в свою очередь, позволит в
полной мере управлять продажами от распределения потенциальных клиентов до
подготовки контрактов. Внедрение информационной системы позволяет не только
расширить клиентскую базу, но и сделать сбыт прогнозируемым, а информацию о
клиенте без потерь передать сервисному подразделению. Говоря о хорошем
послепродажном обслуживании, я в первую очередь имел в виду профессионализм и
своевременность отклика на обращение клиентов. Сервисное обслуживание высокого
уровня обеспечивает удержание и лояльность клиентов, а информационная система
поможет наладить бесперебойную и качественную работу обслуживающего
подразделения.
Все это говорит о том, что внедрение информационной системы не только
повышает эффективность отдельных подразделений в компании, но способствует
налаживанию четкого взаимодействия между ними.
2.
Моделирование информационной системы отдела маркетинга коммерческого
предприятия «Эксповест»
2.1 Организационная модель
Все процессы, проходящие в данной организации, очень сильно связанны и
отсюда следует, что вся система является одним целым. Рассмотрим модель
взаимодействия отдела маркетинга (организации) с клиентом и роль, которую
играет в этих отношениях информационная система.
Клиент (клиент - частное или юридическое лицо, заключившее с организацией
договор на обслуживание и пользующееся услугами, предоставляемыми оператором.)
в той или иной форме регистрируется в базе организации (организация - лицо,
предоставляющая услуги своим клиентам в соответствии с лицензией). Это может быть
заключение договора на обслуживание, разовая покупка и т.п. Далее происходит
подписка клиента на одну или несколько услуг организации. Эта подписка может
осуществляться на основе наличной валюты или в кредит в зависимости от типа
клиента и типа услуги по решению организации и в соответствии с договором.
Информационная система должна обеспечить возможность предоставления подписки и
контролировать получение клиентом услуги в рамках его оплаты и в соответствии с
условиями предоставления услуги.
В случае отказа услуги система должна сообщить клиенту о причинах отказа
в предоставлении запрашиваемой услуги. Внесение клиентом авансовых платежей
(кредит), наличностью, по карточкам, доплат и внесение денег другим способом
должны отражаться в системе.
В системе должны быть предусмотрены возможности для введения новых услуг,
цен, платежных планов.
На рисунке 2.1 отражены основные этапы взаимоотношений организации с
клиентами. Направление стрелок указывает последовательность этапов; пунктирные
линии обозначают необязательные связи; объекты, выделенные темными полями,
представляют многократно повторяющиеся этапы.
Рисунок 2.1Этапы взаимодействия отдела маркетинга (организация) и клиента
Информационная система должна выполнять функции, соответствующие всем
этапам процесса оказания услуги-от заявки до получения отчетных документов.
Эти функции перечислены ниже. ИС должна состоять из подсистем,
объединенных единым информационным обеспечением и в совокупности реализующих
следующие основные функции:
сбор, обработка и ввод в базу данных первичной информации о
предоставленных услугах электросвязи и их оплате;
абонентский учет;
регистрация и контроль платежей;
ведение нормативно-справочной информации по услугам и пр.
тарификация и расчет платежей по предоставленным услугам связи;
информационно-справочное обслуживание абонентов;
формирование документов статистической отчетности и
информационно-аналитических документов по оказанным услугам;
администрирование системы;
2.2 Математическое
моделирование работы с клиентами отдела маркетинга
С точки зрения теории массового обслуживания отдел
маркетинга можно рассматривать как систему массового обслуживания, согласующую
такие процессы как спрос и предложение на товар(услугу). При этом от клиентов
поступает простейший поток требований. Интенсивностью системы является
интенсивность поступления требований от клиентов. Моделирование отдела
маркетинга позволяет оценить спрос на товар(услугу), предложения
товара(услуги), а также согласование спроса и предложения на рынке сбыта. На
основании полученных в процессе моделирования данных можно прогнозировать
продажи.
Основной задачей моделирования является изучение
режима функционирования обслуживающей системы и исследование явлений,
возникающих в процессе обслуживания. Любое описание системы в математических
терминах неизбежно упрощает практическую ситуацию вследствие того, что
используются идеализированные понятия. При этом возникают задачи оптимизации:
каким образом достичь определенного уровня обслуживания (максимального
сокращения очереди или потерь требований) при минимальных затратах, связанных с
простоем обслуживающих устройств.
Оптимизацию работы отдела маркетинга можно проводить с
двух точек зрения: с точки зрения продавца или с точки зрения клиентов. Построение
математических моделей отдела маркетинга позволит решить оптимизационную задачу
выбора рациональной структуры системы массового обслуживания с учетом всех
обстоятельств и особенностей условий функционирования.
Отдел маркетинга можно интерпретировать как некоторую
систему массового обслуживания (СМО) с ожиданием (очередью): отдел маркетинга -
канал СМО, поток требований от клиентов - поток требований в СМО, очередь -
очередь требований в СМО и т.д.
Поток требований в такой СМО обладает свойствами стационарности,
ординарности, без последействия интенсивности
а следовательно, является
простейшим. Время обслуживания одного требования Тоб - показательное, с
параметром
=const определяемым для рассматриваемой системы выражением
(2.1), где
- величина, обратная среднему времени обслуживания одного
требования:
(2.1)
Требование от клиента становится в очередь и ожидает
обслуживания. Время ожидания ограничено некоторым сроком Тож; если до истечения
этого срока требование не будет принято к обслуживанию, то оно покидает
очередь. Срок ожидания Тожбудем считать случайным и распределенным так же по
показательному закону, с параметром v = const, определяемым для рассматриваемой
системы выражением, где параметр v-
величина, обратная среднему времени ожидания в очереди:
(2.2)
Так как количество клиентов, стоящих в очереди за
покупкой, значительно, то в первом приближении будем считать его бесконечно
большим.
При показательном законе распределения срока ожидания
пропускная способность отдела маркетинга не зависит от того, в каком порядке
обслуживаются требования.
Найдем вероятностные характеристики функционального
состояния отдела маркетинга:
) Pk -
вероятность нахождения отдела маркетинга в момент времени tв состоянии хК(занято ровно котделов,
очереди нет):
для любого
(2.3)
) рп - вероятность нахождения отдела маркетинга в
момент времени tв состоянии х„
(занято ровно nотделов, очереди нет):
для любого
(2.4)
) Pn+s - вероятность нахождения отдела
маркетинга в момент времени tв
состоянии xn+s(заняты все n отделов,
sтребований стоят в очереди):
для
при любом
(2.5)
Математическое ожидание числа требований, находящихся
в очереди, ms, определяется из соотношения:
(2.6)
Вероятность того, что требование покинет отдел
необслуженным, Рн, определяется из соотношения:
(2.7)
Относительная пропускная способность отдела, q, определяется из соотношения:
q = 1 - Рн- (2.8)
В случае неустойчивого состояния рынка сбыта отдел
маркетинга можно интерпретировать как чистую систему с ожиданием
, так как увеличение количества
требований от клиентов повлечет за собой увеличение времени ожидания.
Вероятность того, что требование покинет СМО необслуженным Рн = 0, т. е. клиент
обязательно дождется обслуживания.
Моделирование деятельности отдела маркетинга имеет
практическое применение. К примеру, актуальный для отдела маркетинга запрос -
сколько продавцов-консультантов, обслуживающих посетителей, необходимо, чтобы
все обратившиеся были обслужены. Или другими словами, необходимо определить
необходимое количество каналов обслуживания для отдела маркетинга, обладающих
пропускной способностью, при которой вероятность получения посетителем отказа в
обслуживании не превосходило бы 0.01. Поток требований от клиентов
характеризуется плотностью
требований в час, а средняя продолжительность обслуживания -
0.25 часа.
1. Исходные данные: 1 = 0.5;
; Роткдолжно быть не более 0.01.
2. Аналитические выражения, используемые для
расчета (см.формулу 2.7)
. Определяется вероятность отказа для
количества линий k = 1, 2, 3, ..,
пока Роткне станет меньшей или равной 0.01.
Таблица 2.1- Результаты экспериментов
|
Число каналов обслуживания
|
1
|
2
|
3
|
4
|
|
Вероятность отказа
|
0.37727
|
0.051095
|
0.01028
|
0.00273
|
Анализ таблицы 2.1 показывает, что для удовлетворения
предъявляемым требованиям отдел должен иметь 4 канала обслуживания, тогда
Р0бслуж = 1 -Р0тказа= 0.99727, т.е. 99% требований
будет обслужено.
Целью имитационного моделирования отдела маркетинга
является сбор и анализ основных характеристик процессов, протекающих в ней, а
именно:
· времени обслуживания одного
требования от клиентов;
· времени ожидания обслуживания;
· пропускной способности отдела;
· эффективности функционирования
отдела.
В соответствии с целью имитационного моделирования
рассмотрим следующие варианты:
· расширение или сокращение ресурсов
отдела маркетинга;
· создание новых отделов продаж;
· распределение функций между отделами;
· использование в процессе работы
отделов телекоммуникационных сетей.
На основе анализа для оптимизации моделируемых решений
рассмотрим параметры:
· интенсивности обращения клиентов в
отдел маркетинга;
· количества и типов отделов продаж.
Построенная имитационная модель отдела маркетинга
способствует получению и анализу статистики использования ресурсов, на которые
существенное влияние оказывают характеристики потоков поступления требований от
посетителей.
В исследуемой имитационной модели работы отдела
маркетинга введем следующие характеристики:
· интенсивность поступления требований
клиентов;
· время ожидания обслуживания;
· время обслуживания требования от
клиента;
· распределение ресурсов между отделами
продаж для выполнения соответствующих функций;
В отдел маркетинга с несколькими каналами обслуживания
поступают требования от клиентов. Поступающие требования от посетителей
образуют простейший поток. Интервалы времени поступлениятребований распределены
по экспоненциальному закону. Время обслуживания требования
продавцом-консультантом отдела также распределено по экспоненциальному закону.
Обслуживание требований от посетителей производится по мере поступления: первым
пришел - первым обслужился. Под обслуживанием требования от клиента понимается
обслуживание его продавцом или менеджером зала, в зависимости от ситуации.
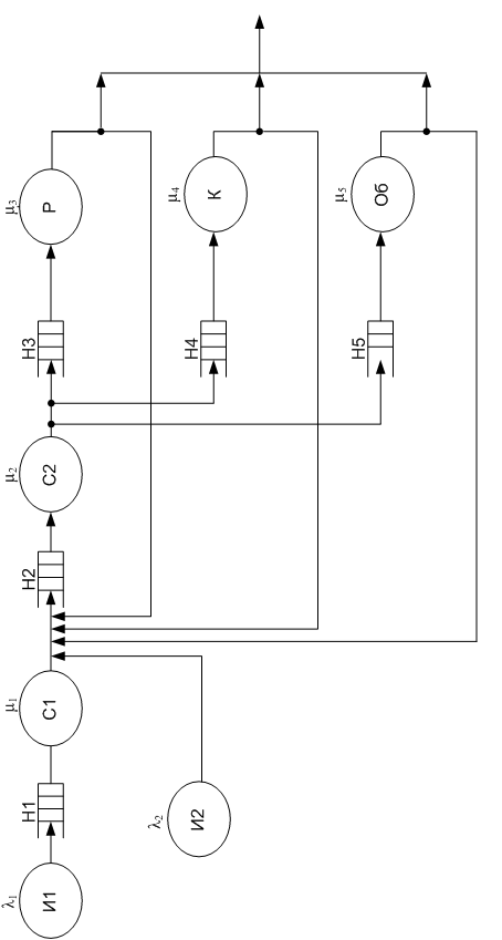
Отдел маркетинга представляет собой многоканальное
устройство. Схема отдела маркетинга(см. рис. 2.2) состоит из источника И1,
канала С1 и накопителя для хранения требований первой фазы HI, источника И2, канала С2 и
накопителя для хранения требований второй фазы Н2. Источник И1 имитирует
первичное поступление требований от клиентов, а источник И2 - повторное
поступление требований от клиентов. Также имеются накопители для хранения
требований НЗ, Н4, Н5, которые стоят в местах возникновения очереди. Канал С1
служит для предварительной обработки требований, поступающих от посетителей,
каналы С2, Р, К, Об, обслуживают требования от клиентов в модели. Каналы Р, К,
Об представляют собой параллельно работающие одноканальные устройства.
Интенсивность входного потока требований от посетителей равна
повторного потока требований от
клиентов равна
, интенсивность обслуживания в каждом из отделов С1, С2, Р,
К, Об соответственно равна
Для того чтобы модель была стационарна, каждая система
модели должна быть стационарна, т.е. должно выполняться следующее условие:
где N- количество систем,
·
- интенсивность входного потока
требований в i-ю систему;
·
- число каналов обслуживания в i-й
системе;
·
- интенсивность обслуживания одного
канала в i-й системе.
Если хотя бы для одной системы условие не выполняется,
то модель не справится с потоком требований. В этом случае необходимо
увеличивать число каналов обслуживания для соответствующей системы, либо
перераспределить поток требований от клиентов. Например, если создается очередь
в тот или иной отдел, то в целях разгрузки потока требований можно подключить к
работе другой отдел.
Рисунок 2.2 - Представление отдела маркетинга как
системы массового обслуживания
2.3 Функциональная
модель
2.3.1 Анализ
и выбор CASE-средства моделирования
информационной системы
После краткого обзора управленческих задач организационного менеджмента,
содержащего также наиболее важные требования к применяемым инструментам его
информационной поддержки, раскроем более подробно параметры сравнения различных
систем и факторы, влияющие на их выбор, которые можно разбить на две группы:
1. Номенклатура решаемых задач бизнес-моделирования,
функциональность и реализуемые методологии;
2. Основные пользовательские характеристики (интерфейс
моделирования, средства визуализации, средства организации работы, интеграция с
другими продуктами и т.п.), а также прочие факторы, влияющие на выбор (цена,
качество сопровождения и т.п.)
Существует более 20 технологий проектирования организационно-технических
систем и несколько сотен специальных инструментов, предназначенных для
автоматизации этого процесса. Существуют также средства моделирования, входящие
в состав комплексных систем управления предприятиями (SAP/R3, BAAN, Oracle
Application и др.). Тем не менее, сравнительный анализ был ограничен тремя наиболее
популярными на российском рынке специализированными программными продуктами:
прежде всего ARIS (Scheer AG), затем - BP-Win/Erwin (Platinum Technology) и,
частично, Rational Rose (Rational Software Corporation).
С моей точки зрения, первый из приведенных выше факторов (задачи
организационного моделирования на которые ориентирован продукт), практически
определяет все остальные - т.к. он формирует набор свойств и требований к
продукту, направленных на решение тех целей и задач для решения которых он и
был создан.
Какие задачи являются для системы приоритетными можно в общих чертах
понять из нижеследующих самоопределений продуктов данных их авторами:
· Пакет ARIS ToolSet - многопользовательская среда описания и
анализа рабочих процессов предприятий, поддерживающая разработку сложных
гетерогенных информационных систем (ARIS, АРИС - Архитектура Интегрированных
Информационных Систем) и сопровождающая весь цикл разработки(анализ -
проектирование - реализация). Система предназначена для поддержки работы специалистов,
анализирующих и выстраивающих (оптимизирующих) рабочие процессы на
предприятиях, внедряющих системы управления предприятиями, и сопровождающих эти
системы.
· BP-Win - средство функционального моделирования, реализующее
методологию IDEF0-IDEF3 и ERwin - средство концептуального моделирования Баз
Данных, использующее стандарт IDEF1X.
· Rational Rose 98 - предназначено для автоматизации этапов
анализа и проектирования ПО, а также для генерации кодов на различных языках и
выпуска проектной документации.
При дальнейшем анализе будут рассматриваться только характеристики
программ ARIS ToolSet (далее, ARIS), BP-Win - Erwin (далее, BP-Win). Программу
Rational Rose - как в наибольшей степени ориентированную на построение чисто
программных, а не организационных систем, чтобы упростить изложение мы исключим
из рассмотрения, тем более что лежащая в ее основе методология UML реализована
сейчас в АРИС.
При сравнении различных средств моделирования бизнес-систем целесообразно
рассматривать их особенности по следующим группам функциональных возможностей:
· средства построения моделей бизнес-систем;
· средства анализа моделей;
· средства оптимизации моделируемых систем по их моделям;
· поддержка библиотек типовых моделей;
· оформление регламентов и документации;
· поддержка разработки моделей баз данных и программных
средств;
· интеграция с другими программными продуктами
(CASE-средствами, ERP-системами, прикладными программами).
С точки зрения возможностей построения моделей бизнес-систем,обычно
учитываются такие свойства средств и методологий моделирования как:
· универсальность(возможность и способы представления различных
аспектов моделируемой системы для разных классов систем);
· открытость (возможность моделирования новых, первоначально не
рассматривавшихся сторон бизнес-системы, учета развития моделируемой системы и
т.п.).
Все сравниваемые методологии (ARIS и BP-Win) позволяют строить модели
бизнес-систем, отображающие различные стороны систем. В этих моделях
представляются реализуемые в бизнес-системах функции, их структура, протекающие
в них процессы, а также циркулирующие в них данные (в том числе планы, проекты,
регламенты, первичные документы и отчеты).
Но так как BP-Win уже является знакомым программным
продуктом, то превосходство по данным критериям за ним.
Средства анализа моделей должны обеспечивать возможности оценить
следующие характеристики и свойства системы:
· общую организацию бизнес-процессов и порядок взаимодействия
оргзвеньев (исполнителей);
· распределение ответственности за реализацию отдельных функций
и расходование ресурсов системы;
· загрузку оргзвеньев, исполнителей и инструментальных ресурсов
в системе;
· основные временные и стоимостные параметры моделируемой
системы;
· требования по ресурсному обеспечению протекающих в системе
процессов.
Модели бизнес-процессов в ARIS и BP-Win строятся непосредственно, а
существующие взаимосвязи компонент процесса должны подготавливаться для
проведения анализа, в результате соответствующих процедур.
В ARIS и BP-Win необходимо либо вручную проследить все связи по
диаграммам бизнес-процессов, либо специально строить соответствующие списки или
отчеты.
Для решения задачи о загрузке исполнителей и инструментальных ресурсов в
системе, а также получение оценок по основным временным параметрам моделируемой
системы необходимо тем или иным способом ввести в систему такие данные, а также
предусмотреть средства получения сводных оценок. Поддержка методологии IDEF3 (в
BP-Win), ABC-методов в ARIS и BP-Win, а также средств имитационного
моделирования в ARIS (и, частично, в BP-Win) предусматривает определенную
обработку этих оценок.
Поддержка библиотек типовых моделей позволяет использовать ранее
созданные наработки в процессе построения новых моделей. Такая возможность
обеспечивается во всех рассматриваемых инструментальных средствах.
Оформление, в соответствии с построенными моделями,
регламентовдеятельности компании представляется весьма важной возможностью,
обеспечивающей целостность и непротиворечивость документального описания
бизнес-системы.
Кроме того, должна обеспечиваться возможность создания специальных
отчетных форм, для создания документов в различных функциональных областях.
В среде ARIS должностные инструкции и описания процессов основываются на
событийных диаграммах процессов и, в принципе, различные текстовые документы
можно попытаться построить, анализируя модели процессов и структуры
организации.
В BP-Win прямая возможность получения различных регламентов не оговорена.
В части документации для разработки информационной системы наиболее
традиционные возможности предусматривает среда BP-Win/ERwin, которая,
собственно, для этого и создавалась.
Поддержка разработки моделей баз данных и программных средств обычно
относится к возможностям средств типа CASE или близким к ним средств настройки
информационных систем управления предприятием.
Интеграция с другими программными продуктами предполагает расширение
области применения рассматриваемого средства и может проводиться как в рамках
разработки семейства совместимых программных средств или с программными
средствами других разработчиков.имеет интерфейсы с некоторыми CASE-средствами,
а также является средством создания моделей для непосредственной настройки
таких систем управления предприятиями, прежде всего SAP R/3.
Система BP-Win поддерживает систему обозначений IDEF0 для описания
представляемых бизнес-процессов. В принципе, это является некоторым связующим
звеном как между этими средствами, так и для связи с другими программными
продуктами, использующими эту методологию.
Основные функциональные возможности сравниваемых инструментов
представлены в таблице, где по пятибалльной шкале обозначены оценки степени
реализации функций или свойств.
Таблица 2.1Сравнителная таблица CASE-средств моделирования
|
Функциональные возможности
|
Вес
|
ARIS
|
BP-Win/ ER-Win
|
|
Универсальность
|
5
|
4
|
20
|
5
|
25
|
|
Открытость
|
4
|
4
|
16
|
4
|
16
|
|
Общая организация, порядок
взаимодействия, распределение ответственности, качественный анализ загрузки
|
5
|
4
|
20
|
4
|
20
|
|
Имитационное,
событийно-управляемое моделирование (оценка временных параметров)
|
2
|
4
|
8
|
3
|
6
|
|
Оценка стоимостных параметров
процессов (функционально-стоимостной анализ)
|
3
|
4
|
12
|
4
|
12
|
|
Средства оптимизации
бизнес-систем
|
2
|
2
|
4
|
2
|
4
|
|
Организационная
документация
|
4
|
3
|
12
|
3
|
12
|
|
Документация СМК (систем
менеджмента качества)
|
3
|
4
|
12
|
3
|
9
|
|
Проектная документация для
создания ИС
|
4
|
4
|
16
|
5
|
20
|
|
Поддержка разработки баз
данных и программных средств
|
5
|
4
|
20
|
5
|
25
|
|
Интеграция с CASE
средствами
|
4
|
4
|
16
|
5
|
20
|
|
Интеграция с прикладными
программами и системами
|
3
|
3
|
9
|
4
|
12
|
|
Итого
|
|
44
|
165
|
47
|
181
|
Более того, сами средства, различающиеся по функциональной
направленности, получили близкие оценки за счет того, что различающиеся сильные
и слабые стороны разных средств при прямом подсчете компенсируют друг друга.
Однако в ходе обсуждения функциональных возможностей подчеркивалось, что
непосредственно для решения задач бизнес инжиниринга, отдельные группы
функциональных возможностей имеют различное значение. Этот факт отражен
коэффициентами, записанными в графе “Bес” Таблицы. Представление комплексного
показателя конкурентоспособности продукции (К) суммой вида:
где
Кi - единичные показатели конкурентоспособности продукта
Для
оценки конкурентоспособности продукта менеджеры составляют список ключевых
факторов успеха данной отрасли и конкурентных преимуществ либо недостатков
(6-10 показателей). Затем проводится оценка продукта по всем показателям
(желательно использовать оценки от 1 до 5), и эти оценки суммируются для
получения оценки комплексного показателя конкурентоспособности организации.
Но
опять же, это может быть следствием разных предпочтений и приоритетов в целевом
использовании продукта. Например, за счет более низкой оценки значимости
существующих средств количественного анализа моделей (имитационного и
событийного моделирования), а также средств оптимизации, которые, впрочем,
слабо представлены во всех рассматриваемых системах.
В
целом при оценке и выборе средства моделирования рекомендуется самостоятельно
решать какие из средств систем наиболее важны при решении конкретной задачи его
применения и соответственно проставлять «веса».
В
нашем случае предпочтение отдано BP-Win, так как он в наибольшей степени удовлетворяет
требованиям аналитика. И веса в таблице расставлялись в соответствии с ними. Не
малую роль в выборе сыграло и то, что данный программный продукт уже освоен и
имеется опыт работы с ним. А это в свою очередь приводит к экономии времени.
2.3.2 Моделирование
бизнес процессов
Моделирование - один из наиболее эффективных методов для понимания и
установления связи между правилами деятельности и процессами, происходящими в
организации. В процессе моделирования устраняются посторонние детали, а важная
информация выдвигается на первый план для упрощения изучения системы.
Графика (блоки и стрелки) используется для улучшения понимания структуры
модели, поэтому большинство людей думают о моделях как об иллюстрированных
представлениях. С использованием моделирования бизнес-процессов можно оценить
систему так широко, чтобы все аспекты работы организации могли быть
проанализированы, поняты и, возможно, что наиболее важно, сообщены другим.
С использованием BPWin
строятся диаграммы бизнес-процессов, ясно показывающие бизнес-процессы (блоки),
результаты их работы и ресурсы, необходимые для их функционирования. BPWin поддерживает три методологии
моделирования:
· функциональное моделирование (IDEFO);
· описание бизнес-процессов (IDEF3);
· диаграммы потоков данных (DFD).
Поддержкой трех методологий моделирования в одной программе BPWin объединяет три ключевых подхода к
моделированию бизнес-процессов, что вполне удовлетворяет потребности как
системных аналитиков, так и специалистов-технологов.
При моделировании деятельности отдела маркетинга коммерческого
предприятия «Эксповест» используем две методологии моделирования: IDEF0 и DFD.
Функциональное моделирование (IDEFO) является технологией анализа системы в целом как набора связанных между
собой действий или функций. Действия системы анализируются независимо от
объекта(ов), который обеспечивает их исполнение. Моделировать деловой процесс
можно исходя из различных перспектив и временных рамок.
Методология функционального моделирования IDEFO - это технология описания системы в целом как
множества взаимозависимых действий, или функций. IDEFO имеет функциональную направленность. IDEFO - функции системы исследуются
независимо от объектов, которые обеспечивают их выполнение. IDEFO обеспечивает удобный язык обмена
информацией о моделируемой системе.
Диаграммы потоков данных (DFD)
моделируют системы как взаимосвязанный набор действий, которые обрабатывают
данные в "хранилище" как внутри, так и вне границ моделируемой
системы. Диаграммы потоков данных обычно применяются при моделировании
информационных систем.
Стрелки в DFD показывают,
как объекты (данные) фактически взаимодействуют между собой. Это представление,
объединяющее хранимые в системе данные и внешние для системы объекты, дает DFD-моделям большую гибкость для
отображения физических характеристик системы, таких, как проблемы обмена
данными, разработка схем их хранения и обработки.
2.3.3 Информационная
модель «как есть» отдела маркетинга
В результате обследования предметной области, с помощью CASE-средства BPWin была построена модель разработки бизнес-плана "Asis"("как есть"). Данная
модель отражает входящую информацию: «Заказы клиентов», «Сопроводительную
документацию» и исходящие данные: «Отчетной информации», «договором о
заключенной услуге» и «предоставленными услугами». Контекстная диаграмма модели
представлена на рисунке 2.3
Рисунок 2.3 Организация работы отдела маркетинга коммерческого предприятия
«Эксповест»
Далее была произведена декомпозиция контекстной диаграммы на один
уровень, чтобы показать основные функции системы. На данной диаграмме показаны
входные, необходимые для деятельности данного отдела маркетинга данные. Потоки
информации на диаграмме представлены следующими данными:
1. Входящая информация "договор" и "информация об
услугах" входит в блок "работа с бумажными документами" там
обрабатывается и по требованию клиента или продавца выводиться;
2. Занесение в реестр данных о выполнении услуг, в этот блок
заносятся данные для учета там хранятся и распечатывается счет-фактура
"Счет СЧФК"(чек с указанием наименованием товара или услуги,
стоимости, датой покупки);
. Информация об услугах поступает в блок "учет реализации
услуг" где формируются разного вида отчеты и выводятся в виде отчетной
документации.
Эта диаграмма представлена на рис.2.4
Рисунок 2.4 Декомпозиция контекстной диаграммы “ASIS”.
.3.4 Сценарий функционирования отдела маркетинга
Для более полного представления о работе отдела маркетинга, требуется
описать сценарии его функционирования.
В сценариях опишем обязанности работников отдела и организацию работы с
клиентами.
В обязанности начальника отдела маркетинга входит:
· Работа с персоналом;
· Контроль за поступлением товара, предоставлением услуг;
· Осуществление организации, планирования и координации
деятельности отдела;
· Контроль продаж.
В обязанности менеджеров торгового зала входит:
· Организация работы отдела(утверждение) график работы,
нагрузки, премии;
· Работа с клиентами;
· Разрешение конфликтных ситуации с клиентами;
· Информация о количестве продаж;
· Просмотр отчетов и аналитики;
· Прохождение курса повышения квалификации.
В обязанности продавца - консультанта входит:
· Работа с клиентами;
· Оказание услуг;
· Продажа товара;
· Ведение отчетности;
· Мотивирование клиента на покупку услуги или товара.
Для более наглядного представления о функциях каждого сотрудника отдела
маркетинга представлена схема управления отдела маркетинга(Рисунок 2.5)
Рисунок
2.5 Управление отделом продаж
Рассмотрим
организацию работы с клиентами в самом отделе розничных продаж.
Клиент
подает заявку на предоставление ему услуги или товара. Далее его услуга
рассматривается продавцом, если услуга или покупка товара возможна, то он
заключает договор и осуществляет продажу товара или оказание услуги. Но в
некоторых случаях товар или услуга не могут быть оказаны в данный момент, по
этой причине продавец передает заявку менеджеру торгового зала, если менеджер
не смог удовлетворить услугу или покупку, то клиент получает отказ. Если
менеджер определил возможным осуществление покупки товара или услуги, то он
сообщает продавцу и тот в свою очередь заключает договор и оказывает
услугу(покупку товара). В процессе работы у продавцов формируются отчеты по
предоставленным услугам, он передает их менеджеру торгового зала и тот
просматривает их и составляет итоговый отчет, итоговый отчет предоставляет
начальнику отдела.
Рисунок
2.6 Организация работы с клиентами
2.3.4 Модель
информационной системы «Как надо»
Затем, в результате проведенного системного анализа и оптимизации работы
отдела маркетинга, была построена модель информационной системы отдела
маркетингакоммерческого предприятия "Эксповест". Эта модель
отображает функции, которые выполняются сотрудниками "Эксповест" и
они будут автоматизированы с внедрением информационной системы. Модель
представлена на рисунке 2.7
Эта модель отражает функции и модули информационной системы, с помощью
которых будет производится работа отдела маркетинга.
Описание модели
Модель состоит из 4 блоков:
· Модуль занесения и обработки информации о клиенте и
составлении договоров;
· Модуль занесения и обработки информации об услугах;
· Модуль составления отчетной документации;
· Модуль хранения и обработки информации.
Далее была произведена декомпозиция вышеприведенных блоков, для
отображения выполняемых ими функций.
Рисунок 2.7 Организация работ отдела розничных продаж
"Эксповест"
Рисунок 2.8 Блок "Модуль занесения и обработки информации о клиенте
и составлении договоров"
Блок модуль занесения и обработки информации о клиенте и составлении
договоров содержит 3 функции, описывающих выполняемые информационной системой
действия, когда в нее поступает начальная информация для оформления договоров.
После выполнения функций, система выдает перечень документов, необходимых для
дальнейшей отчетности, и передает его в модуль составления отчетной
документации и модуль хранения и обработки информации. Блок отображен на
рисунке 2.8
Блок Модуль занесения и обработки информации об услугах имеет 4
подфункции, описывающих внесение услуги и формирования списка услуг данного
отдела маркетинга. Сперва происходит занесение поступившей информации, затем
если это данные об услуге, то происходит их обработка и добавление в список
услуг. Если это заявка, то сперва обрабатывается заявка на услугу, если эта
услуга выполнима, то заявка одобряется. А после отчет о предоставленных услугах
передается в модуль отчетной документации, а список сформированных услуг в
модуль хранения и обработки информации. Данный блок представлен на рис. 2.9
Рис. 2.9 Блок "Модуль занесения и обработки информации об
услугах"
информационный система маркетинг клиент
Модуль составления отчетной документации содержит 3 подфункции: занесение
в ИС данных о заключенных договорах, занесение в ИС данных списка
предоставленных услуг и составление отчетов. С занесенных данных происходит
составление отчетов и передача уже готовых отчетов в модуль хранения и
обработки информации. Структура данного блока представлена на рис. 2.10
Рисунок 2.10 Блок “Модуль составления отчетной документации”
Модуль хранения и обработки информации состоит из 2 подфункций:
занесение данных в информационную базу и вывод на печать документов. При
поступлении информации из внешних блоков в данный модуль происходит занесение
информации в базу данных и осуществляется выборка информации из базы данных и
отправка ее на печать, либо на запись на съемный носитель информации.
Данный блока представлен на рисунке 2.11
Рисунок 2.11 Блок “Модуль хранения и обработки информации”
Все операции производятся оператором персонального компьютера при
использовании программного обеспечения, базы данных и системы управления базой
данных.
Проанализировав модель системы организации можно заметить, что модель в
некотором смысле является универсальной и может использоваться (при небольшой
модификации) и во многих других областях человеческой деятельности, в которых
существуют отношения «продавец-покупатель».
3. Проектирование
информационной системы
3.1 Выбор архитектуры информационной системы
Архитектура информационной системы представляет собой набор общих
принципов построения информационной системы. При выборе архитектуры
информационной системы рассматриваются три основных момента: передаваемые
данные, функции и сеть.
Под данными, в данном случае, понимается информация в виде документов,
электронных файлов и сообщений с которой работают пользователи ИС.
Функции - задачи, решаемые каждым элементом системы, т.е. назначение
каждой из подсистем ИС. Эти функции также определяются задачами пользователей,
работающих с данной подсистемой.
Под сетью понимается логическая структура вычислительной сети (локальной
и глобальной), состав и характеристики серверной группы и клиентской части
системы.
Существует несколько видов архитектур ИС:
· архитектура файл-сервер;
· архитектура клиент-сервер;
· многоуровневая архитектура;
· распределенная архитектура.
Для организации базы данных необходимо остановить свой выбор на
клиент-серверной архитектуре, т.к. на мой взгляд она проста в реализации,
поддерживает язык SQL, а также
существует много СУБД работающих с такой архитектурой.
3.2 Архитектура клиент-сервер
Архитектура клиент-сервер предназначена для разрешения проблем
файл-серверных приложений путем разделения компонентов приложения и размещения
их там, где они будут функционировать наиболее эффективно. Особенностью
архитектуры клиент-сервер является использование выделенных серверов баз
данных, понимающих запросы на языке структурированных запросов SQL (Structured QueryLanguage) и выполняющих поиск, сортировку и
агрегирование информации. Отличительная черта серверов БД - наличие справочника
данных, в котором записана структура БД, ограничения целостности данных,
форматы и даже серверные процедуры обработки данных по вызову или по событиям в
программе. Объектами разработки в таких приложениях помимо диалога и логики
обработки являются, прежде всего, реляционная модель данных и связанный с ней
набор SQL-операторов для типовых запросов к базе данных.
Большинство конфигураций клиент-сервер использует двухуровневую модель, в
которой клиент обращается к услугам сервера. Предполагается, что диалоговые
компоненты PS и PL размещаются на клиенте, что позволяет обеспечить графический
интерфейс. Компоненты управления данными DS и FS размещаются на сервере, а
диалог (PS, PL), логика BL и DL - на клиенте. Двухуровневое определение
архитектуры клиент-сервер использует именно этот вариант: приложение работает у
клиента, СУБД - на сервере. Архитектура представлена на рисунке 3.1.
Рисунок 3.1 Архитектура клиент-сервер
Поскольку эта схема предъявляет наименьшие требования к серверу, она
обладает наилучшей масштабируемостью. Однако сложные приложения, вызывающие
большое взаимодействие с БД, могут жестко загрузить как клиента, так и сеть.
Результаты SQL-запроса должны вернуться клиенту для обработки, потому что там
находится логика принятия решения. Такая схема приводит к дополнительному
усложнению администрирования приложений, разбросанных по различным клиентским
узлам.
Для сокращения нагрузки на сеть и упрощения администрирования приложений
компонент BL можно разместить на сервере. При этом вся логика принятия решений
оформляется в виде хранимых процедур и выполняется на сервере БД. Хранимая
процедура - процедура с операторами SQL для доступа к БД, вызываемая по имени с
передачей требуемых параметров и выполняемая на сервере БД. Хранимые процедуры
могут компилироваться, что повышает скорость их выполнения и сокращает нагрузку
на сервер.
Хранимые процедуры улучшают целостность приложений и БД, гарантируют
актуальность коллективно используемых операций и вычислений. Улучшается
сопровождение таких процедур, а также безопасность (нет прямого доступа к
данным).
Создание архитектуры клиент-сервер возможно и на основе многотерминальной
системы. В этом случае в многозадачной среде сервера приложений выполняются
программы пользователей, а клиентские узлы вырождены и представлены
терминалами. Подобная схема информационной системы характерна для UNIX. В
настоящее время архитектура клиент-сервер получила признание и распространение
как способ организации приложений для рабочих групп и информационных систем
корпоративного уровня. Подобная организация работы повышает эффективность выполнения
приложений за счет использования возможностей сервера БД, разгрузки сети и
обеспечения контроля целостности данных.
3.3
Выбор CASE-средства проектирования базы данных
информационной системы
Так как при моделировании был использован пакет программ ComputerAssociatesAllFusionProcessModeler, содержащий как CASE-средство моделирования BPWin, так и CASE-средство проектирования ERWin, то для проектирования ИС
целесообразно использовать программу из этого пакета, а именно ERWin.
ComputerAssociates ERWin - мощное
и простое в использовании средство конструирования баз данных завоевавшее
широкое признание и популярность. Оно обеспечивает высочайшую продуктивность
труда при разработке и сопровождении приложений с использованием баз данных. На
протяжении всего процесса - от логического моделирования требований к
информации и бизнес-правил, которые определяют базу данных, до оптимизации
физической модели в соответствии с заданными характеристиками - ERWin позволяет наглядно отобразить
структуру и основные элементы вашей БД.Win - это не просто мощное средство проектирования, но и
инструмент разработки, способный автоматически создавать таблицы и генерировать
тысячи строк текста хранимых процедур и триггеров для всех популярных СУБД.Win поддерживает следующие СУБД: Oracle,
Microsoft SQL Server, Sybase, DB2 и Informix. Одна и та же модель может быть
использована для создания нескольких баз данных или для переноса приложения с
платформы одной СУБД на другую.
3.4 Выбор
системы управления базой данных
Существует очень простое понятие БД как большого по объему хранилища, в
которое организация помещает все используемые ею данные и из которого различные
пользователи могут их получать, используя различные приложения. Такая единая
база данных представляется идеальным вариантом, хотя на практике это решение по
различным причинам труднодостижимо. Поэтому чаще всего под базой данных
понимают любой набор хранящихся в компьютере взаимосвязанных данных.
В основу проектирования БД должны быть положены представления конечных
пользователей конкретной организации - концептуальные требования к системе.
Именно конечный пользователь в своей работе принимает решения с учетом
получаемой в результате доступа к базе данных информации. От оперативности и
качества этой информации будет зависеть эффективность работы организации.
Данные, помещаемые в базу данных, также предоставляет конечный пользователь.
При рассмотрении требований конечных пользователей необходимо принимать
во внимание следующее:
База данных должна удовлетворять актуальным информационным потребностям
организации. Получаемая информация должна по структуре и содержанию
соответствовать решаемым задачам.
База данных должна обеспечивать получение требуемых данных за приемлемое
время, то есть отвечать заданным требованиям производительности.
База данных должна удовлетворять выявленным и вновь возникающим
требованиям конечных пользователей.
База данных должна легко расширяться при реорганизации и расширении
предметной области.
База данных должна легко изменяться при изменении программной и
аппаратной среды.
Загруженные в базу данных корректные данные должны оставаться
корректными. Данные до включения в базу данных должны проверяться на
достоверность.
База данных должна иметь дружественный интерфейс к пользованию.
Рассмотрим средства разработки, которые предлагает Microsoft.
Эта компания в настоящий момент предлагает три пакета программ, которые
могут быть использованы для создания пользовательского приложения по обработке
данных: Access, SQL Server,и Visual FoxPro. Эти средства могут быть
использованы, так по отдельности - для решения конкретно поставленной задачи,
как и в качестве интегрированного набора, каждый компонент которого может быть
применен при разработке больших проектов масштаба предприятия.
Все СУБД, как правило, имеют сходный функциональный состав, в который
входят диалоговые средства для работы с данными - назовем их пользовательскими
средствами, средства разработчика, обеспечивающие возможность создания
пользовательского приложения, и дополнительные средства, от состава которых,
как правило, зависят функциональные возможности и мощность разрабатываемых
программ. В зависимости от назначения средства разработки, о чем уже говорилось
выше, состав различных средств в конкретной СУБД может значительно отличаться.
3.4.1 Visual
FoxPro
Visual FoxPro - не просто следующая версия одной из наиболее быстрых СУБД
для персональных компьютеров. Это совершенно новая программа, которая легко позволяет
сделать то, что в предыдущих версиях давалось с величайшим трудом или было
просто недоступно.
Интерфейс Visual FoxPro отвечает представлениям о современной графической
среде, напоминая интерфейс иных программ Microsoft. Здесь основная работа с
данными выполняется с помощью различных инструментальных средств, поэтому
команды меню часто имеют вспомогательный характер и их состав гибко меняется в
зависимости от того, какое средство активно в данный момент.
Отличительные черты Visual FoxPro можно описать следующим образом:
. Обеспечение возможности быстрой разработки прикладной программы
базируется на включении средств, которые позволяют повысить скорость работы
программиста. В первую очередь это средства объективно-ориентировочного
программирования, позволяющие пользователю формировать компоненты своего
проекта (объекта), которые затем могут многократно использоваться. В связи с
этим традиционный Xbase язык в Visual FoxPro значительно расширен, что
позволяет создавать истинные объекты, классы и подклассы. Кроме того, объекты
могут быть созданы с помощью визуальных средств и визуально использоваться в
любое время.
. Обеспечение полного набора средств для управления событиями.
Традиционно в Xbase от программиста требовалось написать собственный драйвер
для обработки необходимого набора событий или положиться на READ-состояние
ожидания, которое моделирует обработку события системой. В WINDOWS, число
событий, к которым может обращаться пользователь, весьма велико, и ,
следовательно, обработка событий является непростой задачей. Visual FoxPro
имеет истинно управляемую событиями модель, так что по умолчанию система
раньше, чем пользователи обрабатывает объектные события. Кроме того,
программист теперь имеет полный доступ к набору стандартных на функционировании
WINDOWS событий (например, движение мыши, которые допускают перетаскивание
объектов).
. Обеспечение мощного набора инструментальных средств для программиста.
Разработчики систем автоматизации обработки данных, кроме мощного набора
визуальных средств проектирования могут использовать широкие возможности по
интеграции систем хранения данных и доступа к серверам данных с помощью
технологии ODBC. Основные новшества - это расширение встроенного языка SQL,
возможность обновления данных на сервере через редактирование курсоров,
встроенный механизм обеспечения транзакций, возможность обращения к серверу на
том диалекте SQL, который поддерживает сервер. Наличие словаря данных делает
более быстрой разработку структуры баз данных и облегчает ее дальнейшую
эксплуатацию и поддержку.
. Обеспечение полной интеграции Visual FoxPro в семейство прикладных
программ Micrоsoft. Единый интерфейс с наиболее популярными прикладными
программами Microsoft делает работу в интерактивном режиме интуитивно понятной.
Поддержка правой кнопки мыши позволяет избежать долгих путешествий по системе
меню и значительно облегчает изучение новых возможностей СУБД. Просто выберите
курсором объект и нажмите правую кнопку мыши.
3.4.2 Microsoft
Access
Microsoft Access - это самая популярная сегодня настольная система
управления базами данных. Ее успех можно связывать с великолепной рекламной
компанией, организованной Microsoft, или включением ее в богатое окружение
семейства Microsoft Office. Вполне возможно, что это так. Но корень успеха,
скорее всего, заключается в прекрасной реализации продукта, рассчитанного как
на начинающего, так и на квалифицированного пользователя. Не будем сейчас
вдаваться в подробности сравнения отдельных характеристик Access, и его
основных конкурентов, например Paradox for Windows или Lotus Approach. Эта
система прекрасно освещена в периодической компьютерной печати.
СУБД Access для работы с данными использует процессор баз данных
Microsoft Jet, объекты доступа к данным и средства быстрого построения
интерфейса - Конструктор форм. Для получения распечаток используются
Конструкторы отчетов. Автоматизация рутинных операций может быть выполнена с
помощью макрокоманд. На тот случай, когда не хватает функциональности
визуальных средств, пользователи Access могут обратиться к созданию процедур и
функций. При этом как в макрокомандах можно использовать вызовы функций, так и
из кода процедур и функций можно выполнять макрокоманды.
Несмотря на свою ориентированность на конечного пользователя в Access
присутствует язык программирования Visual Basic for Application, который
позволяет создавать массивы, свои типы данных, вызывать DLL-функции, с помощью
OLE Automation контролировать работу приложений, которые могут функционировать
как OLE -серверы. Можно целиком создавать базы данных с помощью кодирования,
когда в этом появляется необходимость.Access из всех рассматриваемых средств
разработки имеет, пожалуй, самый богатый набор визуальных средств. Тем не
менее, кодировать в Access приходится. Так как ни одно приложение не
предназначенное для себя лично, создать хотя бы без одной строчки кода
невозможно. Для коммерческого распространения приложений, разработанных на
Access, как мы уже писали, предназначен пакет Access Developer Toolkit, вместе
с которым поставляются и несколько дополнительных объектов ActiveX.
Главное качество Access, которое привлекает к нему многих пользователей,
- тесная интеграция с Microsoft Office. К примеру, скопировав в буфер
графический образ таблицы, открыв Microsoft Word и применив вставку из буфера,
мы тут же получим в документе готовую таблицу с данными из БД.- это типичная
настольная база данных. В то же время на небольшом предприятии с количеством
компьютеров не больше десяти, ресурсов Access вполне может хватить для
обслуживания всего делопроизводства, естественно в связке с Microsoft Office.
То есть все пользователи могут обращаться к одной базе данных, установленной на
одной рабочей станции, которая не обязательно должна быть выделенным сервером.
Для того чтобы не возникли проблемы сохранности и доступа к данным, имеет смысл
воспользоваться средствами защиты, которые предоставляет Access. При этом вы
можете воспользоваться мастером, если не уверены, что сами правильно установите
права и ограничения для пользователей.
В отличие от других рассмотренных средств разработки, СУБД Access имеет
русифицированный интерфейс и частично переведенный на русский язык файл
контекстной помощи.
А также Access обладает лучшей встроенной системой защиты среди всех
настольных приложений СУБД. Вы можете создавать группы, пользователей, присваивать
права доступа ко всем объектам, в том числе и модулям. Кстати, это решает
вопрос закрытия ваших процедур и функций от чужих глаз. Так как для Access нет
компилятора, то необходимость защиты становится очень актуальной для
разработчиков. Система защиты доступна только при открытой базе данных. Каждому
пользователю можно предоставить индивидуальный пароль. Система защиты доступна
как с помощью визуальных средств, так и программным путем. Если вы хотите
защитить вашу базу данных даже от пользователя с именем Admin, то пользуйтесь
услугами настройки Sequrity, которая поставляется вместе с Access Developer
Toolkit. Помимо этого вы можете закрыть вашу базу данных от просмотра внешними
программами.
3.4.3 MS
SQL Server
Microsoft SQL Server - одна из наиболее мощных СУБД архитектуры
клиент-сервер. Эта СУБД позволяет удовлетворять такие требования, предъявляемые
к системам распределенной обработке данных, как тиражирование данных,
параллельная обработка, поддержка больших баз данных на относительно не дорогих
аппаратных платформах при сохранении несмежного управления.SQL Server
представляет собой систему, конечно, плохо сравнимую с рассмотренными выше
СУБД. Он не предназначен непосредственно для разработки пользовательских
приложений, а выполняет функции управления базой данных. Для пользовательского
приложения SQL Server является мощным источником генерации и управления нужными
данными.
Сервер имеет средства удаленного администрирования и управления
операциями, организованные на базе объектно-ориентированной распределенной
среды управления. Microsoft SQL Server входит в состав семейства Microsoft
BackOffice, объединяющего 5 серверных приложений, разработанных для совместного
функционирования в качестве интегрированной системы.SQL Server предназначен
исключительно для поддержки систем, работающих в среде клиент-сервер. Он
поддерживает широкий спектр средств разработки и максимально прост в интеграции
с приложениями, работающими на ПК.Server имеет новую масштабируемую архитектуру
блокировок, называемую Динамической блокировкой (Dinamic Locking), которая
комбинирует блокировку на уровне страницы и записи для достижения максимальной
производительности и подключения максимального числа пользователей.Server может
тиражировать информацию в БД иных форматов, включая Oracle, BM DB2, Sybase,
Microsoft Access и другие СУБД (при наличии ODBC драйвера, отвечающего
определенным требованиям).SQL Server содержит Ассистент администратора. Этот
инструмент позволяет назначать основные процедуры сопровождения базы данных и
определять для них график выполнения. Операции по сопровождению баз данных
включают проверку распределения страниц, целостности указателей в таблицах
(включая системные) и индексах, обновления информации, необходимой
оптимизатору, реорганизацию страниц в таблицах и индексах, создание
страховочных копий таблиц и журналов транзакций. Все эти операции могут быть
установлены для автоматического выполнения по заданному администратором
графику.
Пакет Enterprise Manager включает утилиту, позволяющую переносить
некоторые или все объекты из одной базы данных в другую. Используя эту утилиту
разработчик или администратор может:
· выполнять копирование объектов любого типа с указанием,
какого типа объекты подлежат копированию (или копировать все объекты всех
типов);
· переносить схему базы данных вместе с данными или без них;
· дополнять или замещать существующие данные;
· уничтожать объекты в базе-приемнике перед копированием схемы;
· для копируемого объекта включать объекты от него зависящие;
· использовать стандартные настройки генерации кода
создания/удаление объектов или использовать собственные;
· определять момент выполнения переноса объектов: немедленно
однократно в определенный момент времени, многократно по определенному
графику.Server предоставляет возможность создания страховочных копий и
восстановления индивидуальных таблиц. Загрузка таблицы может быть выполнена
либо из копии индивидуальной таблицы, либо из копии базы данных. Загрузка
индивидуальных таблиц может оказаться хорошим решением при необходимости
восстановления данных после сбоя, когда загрузка всей базы данных неэффективна.
С этой точки зрения характеристика всех трёх продуктов приведена в
следующей таблице 3.1.
Таблица 3.1. - Сравнительная характеристика СУБД
|
Название продукта
|
Основные преимущества
|
Основное назначение
|
|
Access
|
Простота освоения.
Возможность использования непрофессиональным программистом. Имеет мощные
средства подготовки отчетов из БД различных форматов.
|
Создание отчетов
произвольной формы на основании различных данных. Разработка не коммерческих
приложений.
|
|
SQL-Server
|
Высокая степень защиты
данных. Мощные средства работы с данными. Высокая производительность.
|
Хранение больших массивов
данных. Хранение данных, требующих соблюдения режима секретности или при не
допустимости их потери.
|
|
Visual FoxPro
|
Высокий уровень объектной
модели. Высокая скорость обработки данных. Интеграция
объектно-ориентированного языка программирования с Xbase и SQL.
Многоплатформенность.
|
Создание приложений
масштаба предприятия. Создание приложений для работы на различных платформах
(Windows 3.x, Windows 95, Macintosh и т. д.)
|
Вывод: На основании проведенного анализа СУБД можно сказать, что самой
подходящей системой управления БД является Microsoft SQL Server. Это
объясняется тем, что он предназначен исключительно для поддержки систем,
работающих в среде клиент-сервер, а именно на такой архитектуре построена
разрабатываемая информационная система. SQL Server поддерживает широкий спектр
средств разработки и максимально прост в интеграции с приложениями, работающими
на ПК.
3.5 Разработка
базы данных информационной системы отдела маркетинга коммерческого предприятия
«Эксповест»
Реализация моделирования в ERwin базируется на теории реляционных баз
данных и на методологии IDEF1х.
Методология IDEF1х была разработана для ВВС США и теперь используется, в
частности, в правительственных, аэрокосмических и финансовых учреждениях, а
также в большом числе частных компаний.
Методология IDEF1х определяет стандарты терминологии, используемой при
информационном моделировании, и графического изображения типовых элементов на
диаграммах.
Возможны две точки зрения на информационную модель и, соответственно, два
уровня модели. Первый - логический (точка зрения пользователя) - описывает
данные, задействованные в бизнесе предприятия. Второй - физический - определяет
представление информации в БД. ERwin объединяет их в единую диаграмму, имеющую
несколько уровней представления.
Физическая модель данных зависит от конкретной СУБД, фактически являясь
отображением системного каталога. В физической модели содержится информация обо
всех объектах БД. Поскольку стандартов на объекты БД не существует (например,
нет стандарта на типы данных), физическая модель зависит от конкретной
реализации СУБД. Следовательно, одной и той же логической модели могут соответствовать
несколько разных физических моделей. Если в логической модели не имеет
значения, какой конкретно тип данных имеет атрибут, то в физической модели
важно описать всю информацию о конкретных физических объектах - таблицах,
колонках, индексах, процедурах и т.д. Разделение модели данных на логические и
физические позволяет решить несколько важных задач.
Связь многие-ко-многим возможна только на уровне логической модели
данных, поэтому при переходе к физическому уровню ERWin автоматически преобразует связь многие-ко-многим, добавляя
новую, ассоциативную сущность и устанавливая две новые связи один-ко-многим от
старых к новой сущности.
При подробном изучении предметной области мною были выявлены следующие
ограничения:
· при разработке используется много различной информации;
· коды информации, продукции, предприятия, проекта неизменны и
уникальны;
· один клиент может заключить много договоров.
На рисунке 3.2 представлена логическая модель. На ней представлен общий
вид потоков информации. На диаграмме имеются 5 сущностей:
· "Клиент"
· "Договор"
· "Отдел прордаж"
· "Хранилище данных"
· "Отчётность"
В левом нижнем углу изображена главная сущность - «хранилище данных», в
которую стекается информация о клиентах, их договорах и предоставляемых услугах
.
Из сущности «клиент» поступают вся информация о клиенте( ФИО клиента, его
адрес, контактный телефон, паспортные данные). Из сущности «отдела маркетинга»
поступает информация о том, кто из клиентов заключил договор, какие услуги в
данный момент может предоставить отдел маркетинга и по какой стоимости
предоставляется каждая услуга. Из сущности «договор» поступает информация о
договоре клиента с организацией.
В свою очередь сущность «отчётность» формирует разные типы отчётов(список
отчетов, товарный отчет, учет услуг, итоговый отчет), которые потом
предоставляет начальнику отдела маркетинга и вышестоящим подразделениям
организации.
Рис 3.2 Логическая модель
Физическая модель базы данных проектируемой информационной системы представлена
на рисунке 3.3.
Рис. 3.3 Физическая модель
Разработанная структура позволит хранить всю необходимую информацию для
корректной работы моделируемой информационной системы. В ней имеется вся
необходимая информация для автоматизации работы отдела розничных продаж,
оформления документов и расчетов.
4.
Спецификация для создания информационной системы отдела маркетинга
коммерческого предприятия «Эксповест»
4.1 Состав
и принципы информационного обеспечения
Основу информационного обеспечения ИС составляет централизованная база
данных (ЦБД). Централизованная база данных содержит полную информацию для
организации отдела маркетинга. В ЦБД хранятся данные о ходе работы отдела,
позволяющие вести учет и статистику, формировать разнообразные формы
отчетности, а также архив готовых документов.
Объем инициируемых исходных данных составляет 10 Мб.
Ядром системы является централизованная база данных реляционного типа,
содержащая всю информацию для оперирования в различных модулях системы.
Принципы построения информационного обеспечения ИС:
· Интеграция. Система построена по модульному принципу на единой базе
данных, имеет общесистемные справочники и классификаторы.
· Функциональная полнота. Система обеспечивает информационные
потребности пользователей, обеспечивает поддержку процессов работы отдела
розничных продаж.
· Целостность. Система поддерживает целостность данных за счет
транзакционности ведения данных.
· Целенаправленность и разграничение доступа. Система включает
автоматизированные рабочие места(АРМ) пользователей, в рамках АРМ
обеспечивается разграничение доступа к данным и функциям системы, система
поддерживает гибкие средства настройки АРМ и полномочий доступа.
· Открытость. Система поддерживает стандартные протоколы доступа
к данным. Регламентация доступа к отдельным информационным ресурсам
осуществляется с использованием встроенного механизма проверки полномочий.
ИС имеет модульную структуру и построена в двухуровневой архитектуре
клиент-сервер. Информационная система поддерживает уровни представлений и
хранения данных.
Нижним уровнем информационного обеспечения является уровень базы данных
(БД). На уровне БД данные управляются с помощью системы управления реляционной
базой данных MicrosoftSQLServer 2005.
Верхний уровень - это уровень представления. Этот уровень содержит
пользовательский интерфейс, с помощью которого конечный пользователь получает
доступ к приложениям, может вводить новые данные и получать результаты.
4.2 Виды и
методы контроля в маршрутах обработки данных
В системе ИС реализованы различные виды и методы контроля в маршрутах
обработки данных, а именно:
· контроль входных данных с выдачей информационного
предупреждающего сообщения (мягкий контроль), позволяющего пользователю
продолжить выполнение процесса;
· контроль входных данных с блокировкой (жесткий контроль),
запрещающий дальнейшее выполнение процесса;
· контроль логики выполнения процесса - также с выдачей
информационного предупреждающего сообщения или блокировкой дальнейшего
выполнения.
Форма контроля для конкретной операции в большинстве случаев задается
настройками системы и может быть изменена с учетом опыта эксплуатации системы
по требованию пользователя.
4.3
Перечень источников информации (входная и выходная информация)
Данные в систему вводятся на основании документов, являющихся основанием
для выполнения операций в организации работы отдела маркетинга.
К таким документам могут относиться финансовые документы,
нормативно-правовые акты, описания продукции(услуги), описания торгового
предприятия и другие документы.
Интенсивность и объем потоков информации определяется регламентами ввода
информации в систему, которые в свою очередь определяются графиком проекта
также нормативными документами по предоставлению отчетности в вышестоящие
органы, и количеством АРМ.
Система является масштабируемой, то есть сохраняется работоспособность
системы при наращивании информационных потоков.
Выходная информация ИС представляет собой готовые бизнес-планы, а также
документы для предоставления в кредитный отдел. Формы отчетности соответствуют
утвержденным документам.
Формирование отчетов производится пользователем ИС, обладающим
соответствующими правами, со своего автоматизированного рабочего места при
помощи «мастера отчетов». Некоторые типы отчетов предусматривают возможность
вывода в графической форме (в виде диаграмм, графиков и таблиц).
4.4 Общие
требования к организации сбора, передачи, контроля и корректировки информации
Ввод информации в систему осуществляется с рабочих мест пользователей, в
рамках выполняемых ими должностных обязанностей. Заполнение полей выполняется с
использованием системных справочников и вручную с клавиатуры.
Конкретный перечень вводимых данных по операциям и формы экранов ввода
представлены в Руководствах пользователей на каждое АРМ.
Информационный обмен между сервером системы и рабочими станциями
осуществляется по локальной сети. На транспортном уровне для взаимодействия
компонентов системы используется стек протоколов TCP/IP.
Корректировка информации выполняется пользователем через АРМ с
конкретными полномочиями доступа. При корректировке используются те же методы
контроля, что и описанные выше. В системе реализованы механизмы хранения
истории данных.
4.5 Описание
построения информационной базы, ее характеристики
Информационная база ИС построена по принципу реляционной базы данных.
Каждый объект системы представлен отдельной сущностью в базе данных и имеет
уникальный идентификатор.
Пользователи системы и их права доступа к информации определяются на
уровне СУБД.
Записи базы данных после утраты актуальности не удаляются, а получают
неактивный статус и остаются в базе данных в качестве архива. Объем информации
в информационной базе, с учетом постоянно пополняющегося архива, определяется
объемом инициализируемых данных системы и линейно возрастает с течением
времени.
Все функции ИС при реализации используют централизованную базу данных,
которая имеет структуру, описанную в предыдущем разделе дипломной работы. В
централизованной базе данных содержатся вся информация по всем объектам и
документам системы. Для всех объектов системы принято автоматическое присвоение
сквозного уникального идентификатора. Связи объектов реализованы средствами
реляционной базы данных.
Централизованная база данных ИС создается автоматически из образа базы (back-up) при установке системы с помощью программы-инсталлятора. В
созданной базе данных изначально введен пользователь с правами всех сотрудников
(логин admin, пароль admin). Дальнейшее заполнение ЦБД производится
пользователями системы с соответствующих АРМ.
В СУБД Microsoft SQL Server (2005) Enterprise Edition создается
специальный пользователь, которому предоставляются все права для работы с ЦБД.
В дальнейшем все подключения к СУБД со стороны производятся только посредством
данного пользователя. Для защиты информации от несанкционированного доступа в
системе предусмотрены также:
· аутентификация пользователей ИС путем проверки их логина и
пароля условно-постоянного действия;
· контроль доступа пользователей путем регистрации даты и
времени начала и завершения их работы в системе.
4.6 Программные
и аппаратные требования
Система должна быть выполнена на языках объектно-ориентированного
программирования PHP, с соблюдением
требований изложенных выше, наличием комментариев в каждом модуле и соблюдением
норм удобочитаемости.
Требования к аппаратной части вытекают из требований к СУБД и пакету MSOffice и изложены в таблице 4.1.
Таблица 4.1 Требования к аппаратной части
|
Параметр
|
Системные требования
|
|
Минимальные
|
Рекомендуемые
|
|
Операционная система
|
Windows XP,
Windows Vista
|
|
Процессор
|
Intel Pentium
III 750 Mhz
|
Intel Pentium IV 1500
Mhz
|
|
Оперативная память
|
512 Mb
|
1024 Mb
|
|
Видеопамять
|
32 Mb
|
64 Mb
|
|
Жесткий диск
|
20Gb
|
40Gb
|
|
ЛВС
|
100 Mbit
|
Для сетевой работы информационной системы при поддержки протокола TCP/IP.
Конфигурация сервера зависит от количества пользователей и объема базы. При
среднем объеме базы для выбора конфигурации сервера можно воспользоваться
таблицей 4.2
Таблица 4.2 Аппаратные требования к серверу баз данных
|
Среднее количество активных
пользователей (соединений)
|
Рекомендуемые
характеристики
|
|
Процессор
|
Память
|
|
10 - 50
|
1-2 Xeon 2400 - 2600 МГц
|
1024 Мб - 2048 Мб
|
|
50 - 100
|
2-4 Xeon 2600 - 2800 МГц
|
2048 Мб - 4096 Мб
|
|
100 - 200
|
4 Xeon 2800 - 3000 МГц
|
4096 Мб и выше
|
4.7 Выбор
языка программирования
ИС разрабатывается в среде php.
Для ответа обоснования выбора было произведено сравнение РНР с другими языками
программирования Web-приложений. Это его основные конкуренты - Perl, ASP.NET,
ColdFusion и Java.
. РНР и Perl
Язык Perl был создан программистом Ларри Уоллом (Larry Wall) и
расшифровывается как Practical Extraction and Report Language. Перевести это
можно как "язык для практического извлечения данных и составления отчетов.
Perl является интерпретатором и появился намного раньше, чем Web. С появлением
интернета язык Perl оказался удобным инструментом для создания динамических
Web-страниц. Большое распространение Perl получил потому, что был доступен на
каждом Web-сервере, поскольку практически все они работали под управлением
UNIX, и альтернативой ему являлся лишь более сложный язык С.проигрывает РНР в
изяществе, притом, что РНР предлагает функциональность, аналогичную Perl при
значительно меньшей избыточности и сравнительной простоте синтаксиса.
Избыточность языка Perl связана с тем, что он разрабатывался для самых
разнообразных приложений, что не могло не сказаться на его синтаксисе, в то
время как РНР изначально разрабатывался для Интернета. По мнению очень многих
пользователей, не знавших изначально ни РНР, ни Perl, выучить РНР намного проще.
. РНР и Java
Вообще говоря, различают язык Java и технологию Java. Язык Java
представляет собой С-подобный язык, который разрабатывался как "улучшенный
C++". Технология Java включает в себя клиентскую и серверную часть, а
также доступ к базам данных, поэтому наиболее корректно проводить сравнение
технологии Java со связкой Apache/PHP/MySQL. Технология Java разрабатывалась
как межплатформенная технология, позволяющая создавать Web-приложения
корпоративного масштаба. Основными достоинствами этой технологии являются
межплатформенная переносимость и объектно-ориентированный язык, что позволяет
создавать сложные и объемные приложения. К числу недостатков можно отнести
медленное выполнение, потребление большого количества памяти (плата за
межплатформенную переносимость) и сложность разработки Web-приложений по
сравнению с РНР. Между тем РНР почти не уступает Java в гибкости и
масштабируемости созданных приложений. Кроме того, использование Java для
разработки достаточно простых приложений вряд ли оправдано, а при работе над
серьезными задачами Java обходится дороже.
3. РНРи ASP.NET(Active Server
Pages) - языксценариевот Microsoft. Если язык ASP значительно уступал РНР
по многим параметрам, в первую очередь, по времени выполнения сценариев, то с
появлением технологии ASP.NET ситуация изменилась.
Основное достоинство ASP.NET заключается в возможности применения всей
мощи интерфейса Windows для разработки Web-приложений. Это позволяет
разрабатывать страницы со сложным интерфейсом, не заботясь о сохранении,
шифровании и передаче переменных, используемых на динамических страницах..NET
тесно интегрирован в новую технологию NET компании Microsoft. Главной
особенностью разработки Web-приложений при помощи ASP.NET является возможность
использовать любой язык программирования среды исполнения NET. Это может быть
как модифицированный вариант Visual Basic - Visual Basic.NET, так и новый язык
С# или клон Java - J#. Более того, в рамках одного Web-приложения могут быть
использованы несколько языков программирования. Все это позволяет объединять в
рамках одного проекта программистов, владеющих разными языками
программирования. Код Web-приложения на ASP.NET компилируется в промежуточный
язык MSIL (Microsoft Intermediate Language), иногда просто называемый IL.
Аппаратно-независимый код на языке IL помещается в кэш Web-сервера для
повышения производительности, по аналоги с байт-кодом Java. Но в отличие от
технологии Java, обеспечивающей платформенную независимость, NET обеспечивает
независимость от языка разработки. Выполнение Web-приложений ASP.NET на
серверах, работающих не под Windows, практически невозможно. Более того, если
Web-приложение интенсивно использует компоненты NET, просмотр динамической
страницы будет возможен только под Windows и только с помощью браузера Internet
Explorer. Поэтому в смысле переносимости РНР, безусловно, отличается от ASP.NET
в лучшую сторону. Другой крайне немаловажный довод в пользу РНР заключается в
быстром исправлении обнаруженных ошибок. Теоретически исправить их можно
самостоятельно, если обладаете достаточной квалификацией. Также можно написать
письмо разработчикам, и с большой долей вероятности, в следующей версии ошибка
будет исправлена. А версии РНР выходят очень часто. С другой стороны,
попробуйте написать об ошибке в Microsoft и попросить ее исправить. Если вы не
глава Пентагона, вам это вряд ли удастся. Еще одним плюсом РНР, особенно важным
для начинающих, является то, что его легче использовать для построения
Web-приложений.
Выбрав среду реализации PHP,
можно без проблем решить следующие задачи:
· универсальность доступа к системе;
· независимость от платформы;
· простота реализации;
· привычность интерфейса для конечного пользователя.
4.8 Описание
интерфейса пользователя
Обмен данными между пользователями и информационной системой организуется
в виде набора пользовательских интерфейсов.
Регистрация клиентов, занесение платежей, получение статистики и все
остальные функции информационной системы, требующие человеческого участия,
должны быть реализованы в интуитивно понятных интерактивных формах, следующих
логике соответствующего процесса.
Интерфейсы должны иметь различные уровни авторизации, например, клиент
может запросить информацию об услугах, о своих договорах, дилер-по своим
продажам, коммерческий директор-динамику продаж, кредитов, роста клиентов в
целом. Статистические данные могут быть представлены в графическом, табличном,
текстовой виде. Интерфейсы должны быть оснащены системой подсказок, а также
фильтрации и диагностики ошибок ввода.
Этот модуль плохо формализуется, поскольку более всего связан с
человеческим фактором, и требования к нему формируются практикой ведения
соответствующих процессов и представлениями специалистов о характере и удобном
способе получения той или иной информации. Однако некоторые атрибуты, например,
стиль интерфейса, могут быть определены как часть базы данных.
Для получения специализированных отчетов или создания форм определенного
дизайна можно использовать шаблоны, в которые подставляются нужные значения из
базы данных.
Для некоторых форм отчетов удобно определить новые объекты, содержащие
наиболее часто используемые агрегированные данные, чтобы вычислять их не при
каждом запросе, а один раз.
Поскольку этот модуль не вносит никаких изменений в ядро и не является
принципиально важным для работы системы, а только вносит удобство и сокращает
рабочее время исполнения запросов, то его тоже можно считать дополнительным.
Рассмотрим примерное оформление интерфейса информационной системы.
Окно «Информационные базы» содержит список баз данных. Каждая запись
связана с каким-либо каталогом, содержащим файлы базы данных информационной
системы. Кнопка «Добавить» добавляет базу данных в список. Окно добавления базы
данных выглядит следующим образом:
рис. 4.1 Пример окна "добавления баз данных"
Название базы - строка символов, которая будет отображаться в списке баз
данных. Путь к базе - имя каталога, содержащего базу данных или настройки
подключения к SQL-серверу (версия SQL). Если такой каталог не существует, он
будет создан. Для входа в программу выберите в списке баз данных необходимую
базу и нажмите ОК. Появится окно выбора пользователя. При создании новой базы
автоматически создается пользователь Admin. Этот пользователь имеет пустой
пароль и все права. В дальнейшем для работы каждому пользователю программы
необходимо создать свою учетную запись и назначить необходимые права доступа.
Выберите пользователя, укажите пароль и нажмите ОК. Программа будет запущена.
Рис. 4.2 Пример окна "Вход в информационную систему"
Открыть любой блок программы (справочник, реестр, модуль, раздел
администрирования) можно, кликнув мышью нужный пункт меню (например,
«Справочники») и далее кликнув в открывшемся перечне на необходимый блок.
Рис. 4.3 Пример главного окна программы
5.
Социальный аспект разработки
Целью дипломной работы является разработка автоматизированной системы
отдела маркетинга коммерческого предприятия «Эксповест». На сегодняшний день
уже существует и достаточно длительное время используется подобная система. Но
в этой системе много недоработок. Например, несовершенство логической модели
данных, неудобство интерфейса и необходимость при ее использовании многие
операции выполнять вручную. Сейчас эта система перестала удовлетворять
требованиям организации, является морально устаревшей и нуждается в
усовершенствовании.
Объем информации, с которой приходится иметь дело организации постоянно
растет, поэтому увеличивается время необходимое для выполнения основных
операций над данными, например, операции поиска необходимой информации и
составления отчета на ее основе. Из вышесказанного следует, что необходимо
использование более совершенных технологий при создании ИС, позволяющих
повысить ее быстродействие. Это, в свою очередь, ускорит работу
продавцов-консультантов, ведь как важно для клиентов время обслуживания. Многие
данные, например такие как, договор на оказание услуг, ранее хранились только в
бумажном виде. Новая система предоставляет возможности совместной работы с
другими приложениями, и теперь подобные данные могут храниться в системе в виде
гиперссылок. Таким образом, чтобы просмотреть договор или создать заново его
бумажную копию уже не нужно перерывать горы бумаг в поисках его оригинала,
теперь это можно сделать простым нажатием кнопки на соответствующем поле в
оконной форме. Данный факт в определенной степени упрощает и ускоряет работу
сотрудников отдела розничных продаж.
Новая система имеет более удобный и простой для понимания его логики
интерфейс и более привлекательный дизайн. Созданная система в некотором смысле
является универсальной и может использоваться (при небольшой модификации) и во
многих других областях человеческой деятельности, в которых существуют
отношения «продавец-покупатель».
6.
Оценка технико-экономической эффективности проекта
Темой дипломного проекта является разработка информационной системы(ИС)
отдела маркетинга коммерческого предприятия «Эксповест». Данная система должна
служить для регистрации, хранения, поиска и обработки данных, поступающих в
отдел маркетинга. Основной задачей при разработке ИС является получение
эффективной, быстродействующей, правильно логически построенной и обладающей
удобным для пользователя интерфейсом программы. База данных ИС позволит
собирать данные по сети хранить всю необходимую информацию, требуемую для
оперативного решения многих задач, своевременно подготавливать необходимые
документы и отчеты.
Потребителем является крупная организация. В результате исследования,
проведенного в данной организации, было выявлено, что на сегодняшний день отдел
маркетинга нуждается в новой информационной системе. Старая система практически
не в состоянии удовлетворить современным требованиям, так как за последнее
десятилетие объемы информации, с которыми приходится иметь дело, выросли в
несколько раз. А значит, необходимо создать более быстродействующую систему с
использованием современных средств проектирования и разработки. Таким образом,
данный программный продукт первоначально предназначен для продажи определённому
заказчику.
Важным фактором, влияющим на процесс формирования цены, является
конкуренция на рынке, которую необходимо учитывать. Для повышения
конкурентоспособности продукта можно снизить его цену. Однако целям повышения
конкурентоспособности служит не только снижение цены, но, также, и улучшение
качества товара и его преимущества для потребителей по сравнению с аналогичным
товаром конкурентов. Поскольку данное программное изделие делается на заказ, то
конкуренция сведена к минимуму. Однако, данная ИС впоследствии может быть
тиражирована и продана еще некоторому числу организаций, занимающихся
аналогичным видом деятельности.
Можно выделить множество систем в качестве аналогов. например, система
для учета любых видов торговых операций 1С: Торговля и склад компании 1С,
система AVACCO корпоративное управление, разработанная компанией AVACCO Soft,
система для управления отношениями с клиентамиMicrosoft Dynamics CRM 3.0,
разработанная компанией ИТ-сервис и т.д.
Основной планируемый вид продаж разработанного ПО - штучный. У такого
товара как программный продукт имеется ряд особенностей. Это продукт
интеллектуального труда, не требующий для своего создания никаких затрат на
материалы и т.п. Затраты на создание ПО подобного типа весьма невелики, а
эффект от внедрения может оказаться довольно значительным.
Также при образовании цены мы имеем некоторые преимущества. Во-первых, мы
получили заказ на разработку программного изделия, что практически полностью
избавляет нас от конкурентов, а во-вторых финансовые возможности организации
выше, чем возможности частных лиц. Однако, это организация, не обладающая
неограниченными возможностями. Поэтому мы можем установить среднюю цену на
разработанное программное обеспечение.
6.1 Расчет
интегрального показателя качества
Будем производить расчёт аддитивным методом.
Расчёт интегрального показателя качества аддитивным методом производится
по формуле:
,
где
- коэффициент весомости i - го
параметра;
-
показатель качества по этому параметру;
n - число
параметров, по которым производится сравнение.
Показатель
качества
будем оценивать в баллах по пятибалльной шкале: 4 -
отлично, 3 - хорошо, 2 - удовлетворительно, 1 - предельно допустимо, 0 -
неприемлемо.
Таблица
6.1 Расчет интегрального показателя качества
|
Показатель
|
Коэф. весомости показателя ПроектАналог
|
|
|
|
|
  
|
|
|
|
|
Скорость обработки данных
|
0,3
|
5
|
0,15
|
4
|
0,12
|
|
Переносимость
|
0,15
|
4
|
0,6
|
0
|
0
|
|
Наращиваемость
|
0,2
|
5
|
1
|
3
|
0,6
|
|
Удобство интерфейса
|
0,1
|
4
|
0,4
|
3
|
0,3
|
|
Надежность
|
0,25
|
4
|
1
|
4
|
1
|
|
Интегральный технический
показатель качества
|
1
|
|
3,15
|
|
2,02
|
.
Так
как относительный показатель качества больше единицы, следовательно,
разрабатываемый программный продукт превосходит аналог.
Под
разработкой информационной системы отдела маркетинга будем понимать
совокупность работ, которые необходимо выполнить, чтобы разработать программный
продукт, выполняющий все описанные на этапе моделирования функции.
Для
расчета затрат на этапе проектирования необходимо определить продолжительность
каждой работы (начиная с составления технического задания (ТЗ) и до оформления
документов включительно).
Продолжительность
работ рассчитывается по экспертной формуле:
где
- ожидаемая длительность работы;
и
-
соответственно наименьшая и наибольшая, по мнению эксперта, длительность
работы.
Рассчитаем
длительность работы для этапа «Выявление целей и ограничений проекта», получим
следующий результат:
(дн.)
Расчеты
для остальных этапов проводятся аналогично. Результаты вычислений сведены в
таблице 6.2:
Таблица
6.2 Определение капитальных затрат на проектирование программного продукта (ПП)
|
№
|
Этапы проектирования
|
Длительность работ, дней
|
|
|
 
|
|
|
|
Анализ ТЗ
|
2
|
3
|
2,4
|
|
*
|
Изучение справочной
литературы
|
12
|
20
|
15,2
|
|
*
|
Разработка основных этапов
работы
|
2
|
4
|
2,8
|
|
*
|
Разработка приложения
|
8
|
10
|
8,8
|
|
*
|
Отладка программы
|
3
|
5
|
3,8
|
|
Обоснование БЖ и
экологичности разработки
|
2
|
3
|
2,4
|
|
Технико-экономическое
обоснование
|
3
|
5
|
3,8
|
|
*
|
Оформление пояснительной
записки
|
10
|
14
|
11,6
|
|
*
|
Выполнение презентации
|
3
|
6
|
4,2
|
|
Итого:
|
45
|
70
|
55
|
Капитальные затраты на проектирование программного продукта можно
определить по формуле:
=Z+M+H, где
Z
-затраты на заработную плату разработчиков;
М -машинное время;
Н - накладные расходы.
Затраты на заработную плату разработчиков определяются по формуле:
,
где
- длительность всех этапов проектирования (из
таблицы), дн;
- процент отчислений на социальные нужды (26.5%);
- процент премий (10%).
,
Z0 - зарплата
без премий и отчислений на социальные нужды (за 1 месяц).
Z0=8000 руб.,
т.о. Zдн = 8000/24 = 333 руб.
Найдем
затраты на зарплату :
Z = 333 * 55*
(1+26.5% / 100%)*(1+10% / 100%)= 25 560 руб.
Машинное
время можно определить как
=C*tчас
,
где
С - стоимость единицы энергии (С=1,3 руб.),
а
tчас=4 * Т*=4*46,4=185,6 , час. Т* - длительность
этапов, в которых используется ПК.
Получаем,
что М=1,3*185,6=241,3 руб.
Н
- накладные расходы вычисляются в процентах от Z (20%).
Таким
образом, капитальные затраты составляют:
К=
25 560 + 241,3 + 25 560*20%= 30 913.3 руб.
6.2 Капитальные
вложения и эксплуатационные расходы
Капитальные вложения можно определить по следующей формуле:
К.вл. = Стоимость системы + Затраты на установку
В данном случае себестоимость системы будет определяться затратами на
проектирование. А цену системы можем найти как сумму себестоимости и прибыли,
которая выражается в процентах от себестоимости (обычно это примерно 40%).
Таким образом, стоимость системы определится в размере 140% от затрат на
проектирование. А процесс установки системы настолько прост, что любой из
имеющихся в штате информационных сотрудников сможет осуществить его без особых
усилий. Также установка системы не требует приобретения какого-либо
дополнительного оборудования или программного обеспечения, поэтому затраты на
установку будут равны нулю.
К.вл. = 1,4*(Затраты на проектирование)=1,4*30 913.3=43 278.62 руб.
Эксплуатационные расходы можно определить по следующей формуле:
Э.р. = Содержание информационных работников + Содержание персонала по
обслуживанию тех.средств + Расходы на функционирование программы + Накладные
расходы + Прочие расходы
Затраты на содержание информационных работников.
Затраты на зарплату одного работника за год:
,
где
=24(рабоч.дни)*12(месяцы)=288, дн;
- процент отчислений на социальные нужды (26,5%);
- процент премий (10%).
,
Z0 - зарплата
без премий и отчислений на социальные нужды (за 1 месяц).
Z0=8000 руб.,
т.о. Zдн = 8000/24 = 333 руб.
Для
новой информационной системы:
Найдем
затраты на зарплату (с учетом того, что с системой будут работать 2
информационных работника) :
Z =
2*333*288*(1+26.5% / 100%)*(1+10% / 100%)= 267 702.4 руб
Для
старой системы:
Найдем
затраты на зарплату (с учетом того, что с системой работают 3 информационных
работника) :
Z =
3*333*288*(1+26.5% / 100%)*(1+10% / 100%)= 401 553.6 руб.
Затраты
на содержание персонала по обслуживанию технических средств.
Затраты
на зарплату одного работника за год:
,
где
=52, дня (данный сотрудник работает 2 раза в неделю по
4 часа, значит, в году он работает 52 полных рабочих дня);
- процент отчислений на социальные нужды (26,5%);
- процент премий (10%).
,
Z0 - зарплата
без премий и отчислений на социальные нужды (за 1 месяц).
Z0=8000 руб.,
т.о. Zдн = 8000/4 = 2000 руб.
Найдем
затраты на зарплату :
Z=
2000*52*(1+26.5% / 100%)*(1+10% / 100%)= 144 716 руб.
Как
для старой, так и для новой ИС требуется 1 человек для обслуживания технических
средств.
Расходы
на функционирование программы.
М
= С*Т,
где
С - стоимость электроэнергии (1,5 руб), Т - время работы ПК, в часах.
М=1,3*24*365=11388,
руб.
Накладные
расходы равны 10% от суммы вышеперечисленных расходов, а прочие расходы
составляют 1% от той же суммы.
Для
старой информационной системы:
Р1=401
553.6+144716+11388+(401 553.6 +144716+11388)*(0,1+0,01)=631640.6
Для
новой информационной системы:
Р2=
267702.4+144716+11388+(267702.4+144716+11388)*(0,1+0,01)=483065.8
Ожидаемый
экономический эффект определяется по формуле;
Э0=Эг
- Ен Кп
где
Эг - годовая экономия
Кп
- капитальные затраты на проектирование
Ен
- нормативный коэффициент (Е=0,15)
Годовая
экономия Эг складывается из экономии эксплуатационных расходов и экономии в
связи с повышением производительности труда пользователя. Таким образом,
получаем
Эг
= (Р1 - Р2) +DРп,
где
Р1 и Р2 - соответственно эксплуатационные расходы до и после внедрения: DРп - экономия от повышения производительности труда пользователя.
рj =(D Тj /(tj -DТj))100
где tj - время, которое планировалось пользователю для выполнения работы
j-го вида до внедрения разработанных программ (час).
При использовании формулы следует иметь в виду, что DТj и tj должны быть определены в
среднем за год.
Экономия связанная с повышением производительности труда DРп пользователя определяется по
формуле:
DРп = ZпS Рj/100
где Zп - среднегодовая заработная плата пользователя.
Рассмотрим работы, время выполнения которых изменяется при внедрении
системы.
. поиск информации
t1=864
ч, Δ Т1=57.6 ч,
р1 =(D Т1 /(t1 -DТ1))100= (57.6/(864-57.6))100=7,1%
. Запись (модификация данных)
t2=576
ч, Δ Т2=28.8 ч,
р2 =(D Т2 /(t2 -DТ2))100= (28.8/(576-28.8))100=5,3%
. Формирование документов и отчетов
t3=432
ч, Δ Т3=28.8 ч,
р3 =(D Т3 /(t1 -DТ3))100= (28.8/(432-28.8))100=7.1%
DРп = ZпS Рj/100= 144716
* (7.1% + 5.3% +7.1%) / 100 = 28267,4 руб.
Таким образом, получаем
Эг = (Р1 - Р2) +DРп
=(631640.6- 483065.8) + 28267,4= 176842.2 руб.
Ожидаемый экономический эффект составит:
Э0=Эг - Ен Кп = 176842.2 - 0,15*30 913.3 =172205,205 руб.
6.4
Определение цены, рентабельности и срока окупаемости программного продукта
В данном случае мы имеем некоторые преимущества при установлении цены,
связанные с тем, что продукт изготавливается под заказ и финансовые возможности
организации больше, чем у физических лиц. Однако, это организация, не
обладающая неограниченными средствами, поэтому установим среднюю цену,
включающую 40% прибыли.
Ц = К + 40%*К = 30 913.3 + 30 913.3 * 40% = 43278.62 руб.
Расчетная рентабельность (бухгалтерская норма рентабельности) капитальных
вложений оцениваются соотношением
где К2, К1 - абсолютная величина капитальных вложений для новой и старой
системы;
Р2, Р1 - абсолютная величина эксплуатационных расходов для новой и старой
системы;
Rk
=(631640.6- 483065.8)/43278.62-20000=6.38
Срок окупаемости рассчитывается как величина обратная расчетной
рентабельности (бухгалтерской нормы рентабельности):
=1/Rk=1/6.38=0.156
Таким образом, видим, что затраты на приобретение нового программного
продукта окупятся примерно за 2 месяца.
7.
Безопасность и экологичность работы
7.1 Анализ
безопасности процесса эксплуатации разрабатываемой ИС
В данном дипломном проекте проведен анализ безопасности и экологичности
эксплуатации разрабатываемой информационной системы отдела маркетинга
коммерческого предприятия «Эксповест».
7.1.1 Особенности
функционального назначения ИС
Разрабатываемая информационная система предназначена для автоматизации
функций исследуемой организации. Использование данной технологии позволит
улучшить обслуживание прикрепленного контингента, сократить время ожидания, а
также способствовать более качественному функционированию предприятия.
Автоматизированная информационная система помогает существенно повысить
эффективность работы рассматриваемого коммерческого предприятия, облегчая и
ускоряя процесс работы с документацией и оформления факта продаж.
Работа пользователя с системой описана в разделе 4 «Интерфейс
информационной системы».
7.1.2 Системный
анализ безопасности эксплуатации ИС
Цель системного анализа безопасности состоит в том, чтобы максимально
полно выявить причины, влияющие прямо или косвенно на появление нежелательных
событий в работе ИС, которые могут как-то сказаться на здоровье человека.
Выявление и устранение таких причин позволяет в значительной степени снизить
вероятность появления таких событий.
Информационная система состоит из 4-х элементов: люди, инструкции,
аппаратура (вычислительная техника), программы.
Таким образом, возможно 3 причины сбоя: ошибка в программе (внешней или
внутренней), аппаратная ошибка, ошибка человека. 80% сбоев происходят из-за
ошибки человека из-за отсутствия инструкции.
Изобразим причины сбоя информационной системы в виде дерева отказов,
представленного на рисунке 7.2.1.
Рис. 7.2.1 Дерево отказов ИС
На представленной выше диаграмме пронумерованные блоки имеют следующие
значения:
Ошибка SQL-сервера:
А1 - сбой в работе;
А2 - неверная конфигурация;
Ошибка настройки WAN/LAN. Необходимо рассмотреть причины
возникновения этих ошибок, так как предполагается, что разрабатываемая ИС будет
функционировать в качестве подсистемы и, как следствие, взаимодействовать с
другими подсистемами с помощью локальной вычислительной сети. Причины ошибок в
настройке глобальной сети необходимо рассмотреть с расчетом на будущее
(регистрация пациентов через Интернет и прочее). Итак:
А3 - ошибки в указании домена/шлюза,
А4 - ошибки в указании адреса сервера DNS;
А5 - неверный статический IP-адрес;
Ошибка ОС:
А6 - недостаток ресурсов;
А7 - конфликт ресурсов;
А8 - деструктивные действия вирусных программ;
Ошибки разработчика:
A9 -
ошибки при программировании;
А10 - ошибки при проектировании;
Ошибки системной безопасности:
А11 - хранение пароля в открытом виде;
А12 - ошибки в разграничении прав доступа;
А13 - действия вирусов;
А14 - действия хакеров;
Невнимательность:
А15 - неподходящая рабочая обстановка;
А16 - утомление;
А17 - низкая стрессоустойчивость;
А18 - отсутствие интереса к работе
Аварийное отключение электроснабжения:
А19 - Повреждение в сети связанные с перепадами напряжения, грызунами и
прочими внешними факторами;
А20 - Экстремальные погодные условия;
Ошибки оборудования:
А21 - полный отказ оборудования;
А22 - ошибки несовместимости;
Таким образом, с помощью дерева отказов были выявлены основные причины
сбоев в работе информационной системы, в том числе и опасные для человека.
Следует отметить, что блок А16 «Утомляемость» является недостаточно
детально рассмотренным, т.к. факторов, влияющих на утомляемость человека, может
быть очень много.
7.1.3 Анализ
условий труда оператора при эксплуатации разрабатываемой ИС
Несоблюдение гигиенических норм и правил на рабочем месте может привести
к возникновению умственного переутомления, нервного возбуждения и как следствие
снижению работоспособности. К этому могут привести такие характеристики
трудового процесса, как значимость работы, ответственность за конечный
результат, а также факторы монотонности труда: число элементов и
продолжительность простых заданий и повторяющихся операций, число объектов
наблюдения и другие. Для продуктивной работы человека любой профессии, имеющего
дело с информационными системами различной степени сложности, необходимы:
правильный режим питания, режим дня, режим труда и отдыха, правильная
организация рабочего места.
При оценке напряженности трудовой деятельности, которую предстоит
осуществлять оператору в процессе эксплуатации разрабатываемой ИС,
использовалось руководство P 2.2.2006 - 05 «Гигиенические критерии оценки
условий труда по показателям вредности и опасности факторов производственной
среды, тяжести и напряженности трудового процесса».
В соответствии с руководством труд классифицируется по четырем классам: оптимальные
условия труда (класс 1.0); допустимые условия труда (класс 2.0); вредные
условия труда (класс 3). Вредные условия труда по степени превышения
гигиенических нормативов и выраженности изменении в организме работающих,
подразделяются на 4 степени вредности: 1 степень 3 класса (3.1); 2 степень 3
класса (3.2); 3 степень 3 класса (3.3); 4 степень 3 класса (3.4). Опасные
(экстремальные) условия труда (класс 4.0).
Оценка напряженности труда проводилась по двадцати трем предложенным
факторам, каждому выбранному фактору была дана оценка от 1.0 до 3.2, а затем по
предложенному алгоритму производился расчёт общей напряжённости труда.
Результаты оценок воздействующих факторов приведены в таблице 7.3.1.
Таблица 7.1.3.1 - Оценка напряженности труда
|
Наименование показателя
|
Заключение
|
Оценка
|
|
1. Нагрузки
интеллектуального характера:
|
|
1.1. Содержание работы
|
Решение простых задач по
инструкции
|
2.0
|
|
1.2. Восприятие сигналов
(информации) и их оценка
|
Восприятие сигналов с
последующей коррекцией действий и операций
|
2.0
|
|
1.3. Распределение функций
по степени сложности задания
|
Обработка, выполнение
задания и его проверка
|
2.0
|
|
1.4. Характер выполняемой
работы
|
Работа выполняется по
графику
|
2.0
|
|
2. Сенсорные нагрузки
|
|
2.1. Длительность
сосредоточенного наблюдения (% времени смены)
|
26 - 50
|
2.0
|
|
2.2.Плотность сигналов
(световых, звуковых) и сообщений в среднем за 1 час работы
|
до 75
|
1
|
|
2.3. Число производственных
объектов одновременного наблюдения
|
Нет
|
1
|
|
2.4. Размер объекта
различения (при расстоянии от глаз работающего до объекта различения не более
0,5 м) в мм при длительности сосредоточенного наблюдения (% времени смены)
|
2 - 5 мм Более 50%
|
2
|
|
2.5. Работа с оптическими
приборами (микроскопы, лупы и т.п.) при длительности сосредоточенного
наблюдения
|
Не ведется
|
1
|
|
2.6. Наблюдение за экранами
видеотерминалов(часов в смену):
|
до 3
|
2
|
|
2.7. Нагрузка на слуховой
анализатор (при производственной необходимости восприятия речи или
дифференцированных сигналов)
|
Разборчивость слов и
сигналов от 100 до 90 %. Помехи отсутствуют
|
1
|
|
2.8. Нагрузка на голосовой
аппарат (суммарное количество часов, наговариваемое в неделю)
|
До 20
|
2
|
|
3. Эмоциональные нагрузки
|
|
З.1.Степень ответственности
за результат собственной деятельности. Значимость ошибки
|
Несет ответственность за
выполнение отдельных элементов заданий. Влечет за собой дополнительные усилия
в работе со стороны работника
|
1
|
|
3.2. Степень риска для
собственной жизни
|
Исключена
|
1
|
|
3.3. Степень
ответственности за безопасность других лиц
|
Исключена
|
1
|
|
3.4. Количество конфликтных
ситуаций, обусловленных профессиональной деятельностью, за смену
|
1 - 3
|
2
|
|
4. Монотонность нагрузок
|
|
4.1. Число элементов
(приемов), необходимых для реализации простого задания или в многократно
повторяющихся операциях
|
9 - 6
|
2
|
|
4.2. Продолжительность (в
сек) выполнения простых заданий или повторяющихся операций
|
100 - 25
|
2
|
|
4.3. Время активных
действий (в % к продолжительности смены). В остальное время - наблюдение за
ходом производственного процесса
|
Более 20 %
|
1
|
|
4.4. Монотонность
производственной обстановки (время пассивного наблюдения за ходом техпроцесса
в % от времени смены)
|
менее 75
|
1
|
|
5. Режим работы
|
|
5.1. Фактическая
продолжительность рабочего дня
|
6-7 ч
|
1
|
|
5.2. Сменность работы
|
Односменная работа (без
ночной смены)
|
1
|
|
5.3. Наличие
регламентированных перерывов и их продолжительность
|
Отсутствие
регламентированных перерывов
|
3.2
|
|
|
|
|
|
Поскольку имеется один единственный фактор с оценкой >3, то условия
труда оператора ИС при эксплуатации разрабатываемой информационной системы
будем считать допустимыми. Под «допустимыми условиями труда» понимаются
условия, характеризующиеся такими уровнями факторов среды и трудового процесса,
которые не превышают установленных гигиенических нормативов для рабочих мест, а
возможные изменения функционального состояния организма восстанавливаются во
время регламентированного отдыха или к началу следующей смены и не должны
оказывать неблагоприятного действия в ближайшем и отдаленном периоде на
состояние здоровья работающих и их потомство. Допустимые УТ условно относят к
безопасным.
7.2 Анализ
экологичности проекта
Экологическая экспертиза, в соответствии с Федеральным законом «Об
экологической экспертизе», - это установление соответствия, намечаемое
хозяйственной или иной деятельности экологическим требованиям и определение
допустимости реализации объекта экологической экспертизы в целях предупреждения
возможных неблагоприятных воздействий этой деятельности на окружающую природную
среду и связанных с ними социальных, экономических и иных последствий.
В отличие от любого технологического процесса и промышленного оборудования,
само по себе программное обеспечение не может нести прямую экологическую угрозу
окружающей среде, т.к. это всего лишь набор кодов загруженных в оперативную
память ЭВМ.
При использовании разработанной системы происходит сбережение природных
(лес), человеческих и временных ресурсов, чему способствуют возможности
системы. Хранение всей информации осуществляется при помощи жестких дисков, в
то время как до момента использования системы, в процессе расчетов, а также для
хранения информации тратилось большое количество бумаги, а соответственно леса,
из которого бумага производится. Кроме того, скорость обработки информации в
программе на порядок превосходит скорость «ручной» обработки и подсчета, что
экономит время и сокращает количество операторов, задействованных для решения
поставленной задачи.
Однако, следует отметить, что с внедрением ИС становится необходимы
использование компьютерной техники, которую, в случае прихода в негодность,
следует утилизировать по всем правилам.
Учитывая рассмотренные аспекты можно сделать вывод, что разработанная
информационная система является безопасным и экологичным продуктом.
7.3 Разработка
мероприятий по улучшению условий труда
7.3.1 Длительность
сосредоточенного наблюдения за монитором
Большую часть времени оператору придется наблюдать за объектами на
сравнительно небольшой площади (экрана). Это может привести к развитию
значительного утомления в сфере зрительного анализатора. Причиной этого
являются фиксация близко расположенных, объединенных объектов, рассматривание
мелких деталей, постоянный перевод взора с одного объекта на другой, частые
резкие переходы от света к тени и обратно, пульсация освещенности и др. Все это
через определенный период времени может привести к патологическим изменениям
органа зрения. Работа за монитором требует большого нервно-психического
напряжения, связанного с необходимостью длительного наблюдения, концентрации
внимания.
При работе в условиях зрительного напряжения происходят существенные
изменения рефракции и аккомодационной способности глаз, ухудшается контрастная
чувствительность, снижается устойчивость хроматического и ахроматического
зрения, сокращаются границы поля зрения, снижаются острота зрения и скорость
восприятия переработки информации. Весь этот комплекс изменений в сфере зрительного
анализатора свидетельствует о развитии зрительного утомления. При чрезмерной
продолжительности или интенсивности напряжения органа зрения утомление может
накапливаться, приводить к развитию перенапряжения, возникновению патологии
зрительного аппарата.
Для защиты зрения от влияния монитора необходимо:
) сделать выбор в пользу TFT-монитора или плазменной панели. Дело в том,
что обычные мониторы и телевизоры ежесекундно мигают. Поэтому лучше
использовать высокочастотные мониторы (с частотой регенерации не менее 75 Гц и
размером зерна не более 0,28 мм) и плазменные панели, они несут гораздо меньшую
нагрузку на зрительный анализатор.
) сделать изображение максимально четким. При постоянном и частом
использовании компьютера необходимо выбирать видеокарту, не искажающую реальное
изображение. Нужно также обратить внимание на VGA-кабель монитора, именно он
может быть источником дополнительных помех.
) работая за компьютером в вечернее время, включить искусственное
освещение, лучше всего люминесцентную лампу, свет которой максимально приближен
к естесственному дневному.
) выбирать правильное расстояние до монитора. Оно должно составлять не
менее 45 см, а глаза должны находиться приблизительно на уровне верхнего края
монитора. Кроме этого наклон монитора должен быть таким, чтобы его нижняя часть
была ближе к медрегистратору, чем верхняя.
) использовать специальные защитные очки с линзами-светофильтрами. Такие
очки подбираются врачом-офтальмологом только индивидуально в соответствии со
специальными методиками Минздрава РФ.
) время от времени отвлекать взгляд на посторонние предметы, находящиеся
в комнате, а каждый час делать небольшой перерыв, на пять-десять минут.
) принимать витамин A. Он отвечает за чувствительность глаз к яркому
свету и резкой смене изображения.
7.3.2 Неподвижная
деятельность оператора
Для снижения нагрузки на позвоночник на опорно-двигательный аппарат при
работе за компьютером оператор должен:
) поддерживать спину - стул обязательно должен иметь удобную спинку, с
естественным изгибом. Между спинкой стула и вашей спиной не должно быть зазора
- такой стул берет часть нагрузки на позвоночник на себя.
) сохранять удобное положение ног - ноги должны стоять на полу так, чтобы
ступни были параллельно полу.
) минимизировать движения - не располагать нужные предметы так, чтобы
надо было постоянно за ними тянуться, наклоняться и оборачиваться. Пусть все
будет на расстоянии вытянутой руки.
) соблюдать правильное положение плеч и рук - клавиатура и мышь должны
располагаться на уровне локтя.
) соблюдать правильное положение запястий - запястья должны быть прямые,
не отклоняться ни вверх, ни вниз, ни в стороны (клавиатура с опорой для рук).
Необходимо также расслаблять пальцы при печатании. Ненужное напряжение вызывает
преждевременную усталость. Пользуясь мышью, следует расслаблятькисть. Двигая
мышью, перемещать всю руку, а не только запястье.
) поддерживать шею в правильном положении - расположить монитор и окна на
нем непосредственно перед собой. Можно использовать подставки под монитор.
7.3.3
Пожарная безопасность на рабочем месте оператора
Рис. 7.3.3.1 Возникновение пожара
Вероятность воспламенения при эксплуатации приборов автоматики зависит от
их типа. В ЭВМ пожарную опасность создают элементы электронной схемы и соединительные
провода. Действующие радиотехнические детали разогреваются электрическим током,
в результате нагреваются окружающий их воздух и соседние детали. В качестве
метода снижения температуры используется принудительное охлаждение (путем
циркуляции воздуха), тем самым предотвращается нагрев и излучение тепла
деталями из легковоспламеняющиеся материалов, а также снижается вероятность их
воспламенения.
Используемая электросеть должна иметь плавкие предохранители. Поскольку
плавкие предохранители и автоматические выключатели могут быть источниками
искрообразования, они помещаются в закрываемые шкафы из несгораемых материалов,
здесь также предусмотрены рубильники для отключения от источника
электроснабжения после окончания работы и при возникновении пожара.
Электроустановки и оборудование, находящееся под напряжением, относится к
классу пожара Е, и основными огнетушащими средствами являются газовые составы -
хладоны, инертные разбавители порошки.
7.3.4 Электробезопасность
при работе оператора с ПЭВМ
Опасность поражения электрическим током существует всегда, если имеется
контакт с устройством, питаемым напряжением 36 В и выше, тем более от
электрической сети 220 В. Это может произойти по оплошности в случае
прикосновения к открытым токоведущим частям, но чаще всего из-за различных
причин (перегрузки, не совсем качественная изоляция, механические повреждения и
др.). В процессе эксплуатации может ухудшиться изоляция токоведущих частей, в
том числе шнуров питания, в результате чего они могут оказаться под напряжением,
и случайное прикосновение к ним чревато электротравмой, а в тяжелых случаях - и
гибелью человека.
Зоной повышенной электроопасности являются места подключения
электроприборов и установок. Нередко подключающие розетки располагают на полу,
что недопустимо. Часто совершается другая ошибка - перегрузка розеток по
мощности, и, как следствие, происходит нарушение изоляции, приводящее к
короткому замыканию.
Для исключения, а точнее - для сведения к минимуму потенциальной
опасности электротравмирования необходимо придерживаться требований,
установленных "Правилами эксплуатации электроустановок потребителей"
и "Правилами техники безопасности при эксплуатации электроустановок
потребителей" (ПЭ и ПТБ электроустановок потребителей), а также
"Правилами устройства электроустановок (ПУЭ)".
Для предотвращения поражений электрическим током при работе с компьютером
следует установить дополнительные оградительные устройства, обеспечивающие
недоступность токоведущих частей для прикосновения; с целью уменьшения
опасности можно использовать разделительный трансформатор для развязки с
основной сетью, и обязательным во всех случаях является наличие защитного
заземления или зануления (защитного отключения) электрооборудования. Для
качественной работы компьютеров создается отдельный заземляющий контур.
В процессе обслуживания ПЭВМ возникает необходимость ремонтных, монтажных
и профилактических работ. Согласно СанПиН 2.2.2.542-96, запрещено проводить
ремонт ВДТ и ПЭВМ непосредственно в рабочих, учебных и дошкольных помещениях.
Во время работы с электроустановками наряду с безусловным соблюдением
определенных организационных мер, установленных ПЭ и ПТБ электроустановок
потребителей, следует строго выполнять все технические мероприятия,
обеспечивающие безопасность работ со снятием напряжения, а именно: отключение
оборудования на участке, выделенном для производства работ, и принятие мер
против ошибочного или самопроизвольного включения; ограждение при необходимости
рабочих мест и оставшихся под напряжением токоведущих частей; вывешивание
предупредительных плакатов и знаков безопасности; проверка отсутствия
напряжения; наложение заземления.
При выполнении электромонтажных и ремонтных работ необходимо также все
виды обслуживания ЭВМ производить одновременно не менее чем двум специалистам,
чтобы в случае электротравмы было кому отключить ток и оказать первую
доврачебную помощь. При этом наладчик должен находиться на резиновом коврике и
проверять электрическую схему, не касаясь корпуса и токоведущих цепей.
Определенные проблемы возникают для устройств, блоки питания которых
имеют шнуры с двухполюсной вилкой и снабжены сетевым фильтром. У этих фильтров
конденсаторы малой емкости, поэтому ток короткого замыкания относительно
небольшой - несколько миллиампер.
Проблемы безопасности при подключении решаются использованием сетевых
фильтров типа Pilot и им подобных, которые включаются в трехполюсную розетку с
заземлением (занулением)- При этом решается также проблема разности
потенциалов, если осуществлять питание всех устройств, соединяемых интерфейсами,
с помощью одного такого фильтра или их цепочки, связанной трехполюсными вилками
и розетками.
Для защиты компьютеров от некачественного электропитания (повышенного или
пониженного напряжения, провалов и бросков напряжения, отклонения частоты и
формы кривой напряжения), являющегося основной причиной сбоев электроники во
время работы (зависания, ошибки при записи или чтении диска и т. п.), в
настоящее время применяют бесперебойные источники питания (БИП). Их основное
назначение - обеспечение нагрузки электроэнергией при аварии в основной сети.
При использовании БИП необходимо, чтобы защитный контур (земля) и нейтральный
провод прокладывались отдельно. Помимо всего прочего, некачественное заземление
снижает защиту от электромагнитных помех, наводимых источником на оборудование
(монитор). Кроме того, не рекомендуется включать в БИП лазерные принтеры, так
как во время разогрева принтера потребляемый ток значительно превышает
номинальное значение, что может привести к выходу БИПа из строя.
Выводы по разделу
В данном разделе был проведен анализ безопасности эксплуатации и
экологичности информационной системы, который показал, что условия труда
оператора ИС при эксплуатации данной системы являются допустимыми, т.е. условно
безопасными. Также было выявлено, что данная ИС никакой экологической опасности
не несет. Был разработан перечень мероприятий по снижению воздействия факторов,
связанных со спецификой работы с ПЭВМ, на оператора. Выполнение изложенных
инструкций позволит сохранить здоровье пользователя ИС при длительной
эксплуатации.
Заключение
В результате выполнения данной дипломной работы удалось спроектировать
автоматизированную информационную систему отдела маркетингакоммерческого
предприятия «Эксповест» анализировать и контролировать эффективность его
использования.
Использование таких информационных систем делает любую компанию и
предприятие более конкурентоспособной за счет повышения ее управляемости и
адаптируемости к изменениям рыночной конъюнктуры.
С использованием программного продукта BPwi\ErWin
была построена модель для наглядного представления разработанной системы и
организация работ отдела маркетинга коммерческого предприятия «Эксповест».
Следует отметить, подобная автоматизация позволяет:
· Повысить эффективность управления компанией за счет
обеспечения руководителей и специалистов максимально полной, оперативной и
достоверной информацией.
· Улучшить делопроизводство при помощи оптимизации и
стандартизации документооборота, автоматизации наиболее трудоемких его
процедур.
· Снизить расходы на ведение дел за счет автоматизации
процессов обработки информации. Изменить характер труда сотрудников, избавляя
их от выполнения рутинной работы и давая возможность сосредоточиться на
профессионально важных обязанностях.
Все это в целом приводит к слаженной работе сотрудников организации и во
много раз увеличивает эффективность функционирования организаций в целом.