Изучение и математический анализ автоматической системы управления
Белорусский
национальный технический университет
Энергетический
факультет
Контрольная
работа
По
дисциплине: «Теория автоматического управления»
Вариант -
381
Минск 2014
г.
1. Что такое теория автоматического управления?
Ответ:
Понятие ТАУ аккумулирует входящие в ее название
термины:
·
теория
- совокупность знаний, позволяющих при определенных условиях получать
достоверный результат
·
управление
- воздействие, оказываемое на объект, для достижения определенной цели;
·
автоматическое
управление - управление без вмешательства человека с помощью технических
средств.
ТАУ - совокупность знаний, позволяющих создавать
и вводить в действие автоматические системы управления технологическими
процессами с заданными характеристиками.
Объект изучения ТАУ - автоматическая система
управления (АСУ).
Предмет изучения ТАУ - процессы, протекающие в
АСУ.
Цель изучения ТАУ - учет приобретенных знаний в
практической деятельности при проектировании, производстве, монтаже, наладке и
эксплуатации АСУ.
При изучении процессов управления в ТАУ
абстрагируются от физических и конструктивных особенностей АСУ и вместо
реальных АСУ рассматривают их адекватные математические модели. Поэтому
основным методом исследования в ТАУ является математическое моделирование.
Изучение и математический анализ АСУ существенно
облегчаются, если ее предварительно мысленно расчленить на типовые элементы,
выявить физические взаимосвязи между ними и отобразить эти взаимосвязи
схематично в какой-либо условной форме.
АСУ может быть разделена на части по различным
признакам: назначению частей, алгоритмам преобразования информации,
конструктивной обособленности. Соответственно различают следующие структуры и
структурные схемы АСУ:
·
функциональную;
·
алгоритмическую;
·
конструктивную.
При этом будем понимать, что:
структура - совокупность связанных между собой
частей чего-либо целого;
структурная схема - графическое изображение
структуры.
В теории автоматического управления чаще всего
имеют дело с функциональной и алгоритмической структурами (схемами). Поэтому
рассмотрим их более подробно.
Функциональные и алгоритмические схемы состоят
из условных изображений элементов и звеньев (обычно в виде прямоугольников) и
различных связей, изображаемых в виде линий со стрелками, показывающих
направление передачи воздействий. Каждая линия соответствует обычно одному
сигналу или одному воздействию. Около каждой линии указывают физическую
величину, характеризующую данное воздействие.
Обычно вначале составляют функциональную схему АСУ,
а затем - алгоритмическую.
Структурные схемы могут составляться с большей
или меньшей степенью детализации. Схемы, на которых показаны лишь главные или
укрупненные части АСУ, называются обобщенными.
Функциональная структура (схема) -
структура (схема), отражающая функции (целевые назначения) отдельных частей
АСУ.
Такими функциями могут быть:
·
получение
информации о состоянии объекта управления;
·
преобразование
сигналов;
·
сравнение
сигналов и т.п.
В качестве частей функциональной структуры
(схемы) АСУ рассматриваются функциональные устройства. Названия устройств
указывают на выполнение определенной функции. Например:
·
датчик;
·
усилитель;
·
блок
сравнения;
·
управляющий
блок;
·
исполнительное
устройство и т.п.
На рис. 1.1 приведен пример функциональной схемы
АСУ, где изображены следующие функциональные устройства:
Д - датчик - предназначен для получения сигнала,
пропорционального определенному воздействию;
ЭС - элемент сравнения - служит для получения
сигнала, пропорционального отклонению управляемой величины x(t) от задающего
воздействия xз(t);
КУ - корректирующее устройство -
предназначено для улучшения качества управления;
УПБ - усилительно-преобразующий блок - служит
для усиления сигнала и придания ему определенной формы;
РО - регулирующий орган - служит для
непосредственного воздействия на регулируемую среду (примеры РО: вентиль,
задвижка, тиристор и т.п.);
ИУ - исполнительное устройство - предназначено
для приведения в действие регулирующего органа (примеры ИУ: электродвигатель,
электромагнит и т.п.).
Алгоритмическая структура (схема) - структура
(схема), представляющая собой совокупность взаимосвязанных алгоритмических
звеньев и характеризующая алгоритмы преобразования информации в АСУ.
автоматический управление алгоритмический
Рис. 1. Функциональная схема АСУ
При этом, алгоритмическое звено - часть
алгоритмической структуры АСУ, соответствующая определенному математическому
или логическому алгоритму преобразования сигнала.
Если алгоритмическое звено выполняет одну
простейшую математическую или логическую операцию, то его называют элементарным
алгоритмическим звеном. На схемах алгоритмические звенья изображают
прямоугольниками, внутри которых записывают соответствующие операторы
преобразования сигналов. Иногда вместо операторов в формульном виде приводят
графики зависимости выходной величины от входной или графики переходных
функций.
Различают следующие виды алгоритмических
звеньев:
·
статическое;
·
динамическое;
·
арифметическое;
·
логическое.
Статическое звено - звено, преобразующее входной
сигнал в выходной мгновенно (без инерции).
Связь между входным и выходным сигналами
статического звена описывается обычно алгебраической функцией. К статическим
звеньям относятся различные безинерционные преобразователи, например,
резистивный делитель напряжения. На рис. 2а показано условное изображение
статического звена на алгоритмической схеме.
Динамическое звено - звено, преобразующее
входной сигнал в выходной в соответствии с операциями интегрирования и
дифференцирования во времени.
Связь между входным и выходным сигналами
динамического звена описывается обыкновенными дифференциальными уравнениями.
К классу динамических звеньев относятся элементы
АСУ, обладающие способностью накапливать какой-либо вид энергии или вещества,
например, интегратор на основе электрического конденсатора.
Арифметическое звено - звено, осуществляющее
одну из арифметических операций: суммирование, вычитание, умножение, деление.
Наиболее часто встречающееся в автоматике
арифметическое звено - звено, выполняющее алгебраическое суммирование сигналов,
называют сумматором.
Логическое звено - звено, выполняющее какую-либо
логическую операцию: логическое умножение («И»), логическое сложение («ИЛИ»),
логическое отрицание («НЕ») и т.д.
Входной и выходной сигналы логического звена
являются обычно дискретными и рассматриваются как логические переменные.
На рис. 2 показаны условные изображения
элементарных алгоритмических звеньев. Конструктивная структура (схема) - структура
(схема), отражающая конкретное схемное, конструктивное и прочее исполнение АСУ.
К конструктивным схемам относятся: кинематические схемы устройств,
принципиальные и монтажные схемы электрические соединений и т.д. Так как ТАУ
имеет дело с математическими моделями АСУ, то конструктивные схемы интересуют в
значительно меньшей степени чем функциональные и алгоритмические.
Рис 2. Условные изображения элементарных
алгоритмических звеньев: а - статическое; б - динамическое; в - арифметическое;
г - логическое
Ответ:
Оператор системы может быть стационарным и
нестационарным. В первом случае свойства оператора не зависят от времени, во
втором случае он может менять во времени свои свойства и структуру. Если
оператор системы стационарен, то такая система называется стационарной. Если
динамическая система описывается уравнением, то характерным признаком
стационарности системы является постоянство всех параметров (коэффициентов)
уравнения. В противном случае система является нестационарной.
Системы уравнения и их операторы могут быть
непрерывными и дискретными - эти системы могут быть линейными и нелинейными.
Большинство систем в целом
можно отнести к системам сосредоточенными или распределенными параметрами.
3. Типовые динамические звенья. Определение.
Классификация
Ответ:
Любую систему автоматики можно рассматривать с
двух точек зрения:
- качественной;
- количественной
При качественном анализе автоматической системы
мы рассматриваем ее как совокупность взаимодействующих между собой
функциональных элементов (датчики, усилители, задающее устройство, объект
регулирования и т.п.), которые различаются между собой по конструкции и по
принципу действия.
Для количественного анализа процессов, происходящих
в системе (т.е. математического ее описания), систему разделяют не на
функциональные, а на динамические элементы - звенья.
Динамическим звеном называется часть системы,
описываемая дифференциальным уравнением определенного вида. Например, зубчатая
передача, делитель напряжения - имеют одинаковое математическое описание
(формулу работы). Динамическим звеном может быть функциональный элемент, его
часть, несколько функциональных элементов или даже вся система автоматики в
целом. У каждого динамического звена может быть только одна входная и одна
выходная величина. Причем выходная величина не должна оказывать на это звено
обратного влияния, т.е. при соединении звеньев любое воздействие
распространяется только от входа к выходу. О свойство динамических звеньев
называется свойством однонаправленности.Кроме того, подключение каждого
последующего звена не должно влиять на процессы, происходящие в предыдущем
звене. Это свойство динамического звена называется независимостью звеньев.
Любое динамическое звено математически может
быть изображено следующим образом:
Рис. 3
где W(p)
- передаточная функция - отношение изменения во времени сигнала на выходе звена
Хвых(t) к
изменению сигнала на входе того же звена Хвх(t)
при нулевом начальном условии.
Математически звенья описываются линейными
дифференциальными уравнениями первого или второго порядка:
Хвх(t)
= an (dn Хвх(t)
/ dtn) + an-1 (dn -1 Хвх(t)
/ dtn-1) + … + a0 Хвх(t)
где d - дифференциал;
Хвых(t)
= bm (dm Хвых(t)
/ dtm) + bm-1 (dm -1 Хвых(t)
/ dtm-1) + … + b0
Хвых(t)
Для удобства расчетов введем оператор
дифференцирования (D) или (p)
= d / dt
Тогда передаточная функция звена будет иметь
вид:
W(p) = (bm pm
+ bm-1 pm-1+ … + b0) / (anpn
+ an-1 pn-1 + … + a0)
Это выражение и вписывается в прямоугольник для
каждого конкретного звена.
Например, если звено описывается
дифференциальным уравнением
T(dXвых/dt)
+Xвых = K
Xвх,
а оператор p
= d/dt,
то в операторной форме это уравнение будет иметь вид:
(Tp
+ 1) Xвых(p)
= KXвх (p);
Передаточная функция такого звена будет иметь
вид:
W(p)
= (Tp + 1) / K
Из электротехники известно, что гармонический
сигнал (колебание) - синусоида имеет следующие параметры: амплитуда, фаза,
частота.
Если на вход звена подать сигнал Хвх (t)
= Хвх sin ωt,
то на выходе этого звена будем иметь сигнал Хвых (t)
= Хвых sin (ωt
+ φ), где φ - угол
сдвига фаз между входными и выходными колебаниями.
График синусоидального сигнала на входе и выходе
динамического звена.
Комплексный коэффициент передачи показывает, как
изменяется амплитуда и фаза входного гармонического сигнала при его прохождении
через данное звено или систему в зависимости от частоты.
Для удобства расчетов комплексный коэффициент
передачи записывается в показательной форме
Хвх = Хвх е jωt
Хвых
= Хвых е jωt+φ
где j - мнимая единица.
Тогда комплексный коэффициент передачи имеет вид
W(jω)
= Хвых / Хвх = Хвых е jωt+φ
/ Хвх е jωt
= К (ω)
еjφ(ω)
где К (ω) = Хвых
/ Хвх = | W(jω)|
-действительная часть (амплитудно-частотная характеристика звена)
еjφ(ω)
=
arctg W(jω)
- мнимая часть (фазо-частотная характеристика звена)
Комплексный коэффициент передачи может быть
представлен графически в виде вектора длиной К (ω), наклоненного
к горизонтальной оси под углом φ(ω). Так
как W(jω)
- комплексное число, оно может быть представлено в виде суммы вещественной Р(ω)
и
мнимой jQ(ω) частей
Рис. 4
На системы автоматики всегда воздействуют
различные внешние возмущения, непрерывно или случайно изменяющиеся. Они, эти
возмущения, приводят к изменению входной и выходной величин во всех звеньях
системы.
Процесс перехода системы автоматики из одного
состояния в другое называется переходным процессом.
Для оценки работы звеньев в динамическом режиме
используют динамические характеристики:
- переходную;
- частотные (амплитудно-частотные и
фазочастотные)
Амплитудно-частотная характеристика - АЧХ -
выражает отношение амплитуды колебаний на выходе звена к его амплитуде на входе
в зависимости от частоты входного сигнала.
Так как в расчетах используются широкие
диапазоны частот, все эти характеристики целесообразно строить в
логарифмическом масштабе. Тогда обе характеристики будут называться частотными
логарифмическими характеристиками, соответственно ЛАЧХ и ФЧХ
В зависимости от характера протекания
переходного процесса, различают следующие типовые динамические звенья:
- усилительное;
- дифференцирующее;
интегрирующее;
апериодическое;
колебательное
Усилительным (безинерционным, пропорциональным)
звеном называют такое динамическое звено, у которого выходная величина в каждый
момент времени пропорциональная входной величине, т.е. выходная величина
воспроизводит без искажений и запаздываний входную величину. Примеры
усилительного звена: потенциометр, система рычагов, усилители, зубчатая передача
и т.п.
Дифференцирующим звеном называется такое звено,
в котором выходная величина пропорциональна производной во времени входной
величине, т.е. выходная величина пропорциональна скорости изменения входной
величине.
Т - постоянная времени звена, характеризует
инертность звена, зависит от его конструктивных особенностей.
Примеры дифференцирующего звена: тахометр,
спидометр, цепи RC
и RL, трансформаторы.
Интегрирующее звено - такое звено, у которого
выходная величина пропорциональна интегралу во времени входной величины. После
прекращения действия сигнала на входе, выходной сигнал остается на том же
уровне, на котором он был в момент исчезновения входного сигнала, т.е. это
звено обладает памятью. Примеры интегрирующего звена: электродвигатель
постоянного тока с независимым возбуждением, конденсатор, поршневой
гидродвигатель и т.п.
Апериодическое (инерционное) - звено, в котором
при подаче на вход скачкообразного сигнала, выходная величина апериодически (по
экспоненте) стремиться к новому установившемуся значению. Выходной сигнал
всегда запаздывает по отношению к входному. Примеры апериодического звена: цепи
LR и LC,
термопары, термостаты, магнитные усилители.
Колебательное звено - звено, у которого при
ступенчатом (скачкообразном) изменении входной величины, выходная величина
стремиться к новому установившемуся значению, совершая при этом затухающие и
незатухающие колебания. Примеры: контур RLC,
масса, подвешенная на пружине, маятник, поплавковый уровнемер.
Для упрощения математического описания, сложные
автоматические системы обычно разделяют на простейшие звенья, которые могут
быть соединены между собой по - разному.
Различают три вида соединения динамических
звеньев:
- последовательное;
- параллельное;
встречно - параллельное
Последовательным называется такое соединение
типовых динамических звеньев, когда выходная величина одного из них является
входной величиной для последующего. При этом передаточная функция всей системы
определяется уравнением
При параллельном соединении типовых динамических
звеньев входная величина является общей для всех звеньев, а выходные величины
суммируются. Передаточная функция всей системы имеет вид
W(p)
= W1(p)
+ W2(p)
+ …+ Wn(p)
При встречно - параллельном соединении типовых
динамических звеньев выходная величина первого звена подается на вход второго,
а его выходная величина суммируется с общей входной величиной и подается на
вход первого звена. Передаточная функция этого соединения звеньев имеет вид
W(p)
=W 1(p)
/ (1 ± W1(p)
* W2(p))
где «+» принимается отрицательная обратная
связь;
«-» -при положительной обратной связи
4. Запас устойчивости по модулю
и фазе. Показатель колебательности
Ответ:
Запасом устойчивости по модулю (с)
называют длину отрезка, равную расстоянию от точки пересечения АФХ разомкнутой
системы с отрицательной вещественной полуосью комплексной плоскости до точки с
координатами (-1;
).
Рис. 5
Запасом устойчивости по фазе (g) называют угол, образованный
отрицательной вещественной полуосью комплексной плоскости и вектором АФХ
разомкнутой системы, модуль которого равен единице.
Частотный показатель колебательности
Степень удаления АФХ разомкнутой
системы от критической точки (-1;
) может быть оценена также величиной
максимума АЧХ замкнутой системы.
Рис. 6
АЧХ замкнутой системы определяется
через
как:
В соответствии с рисунком 31.2 для
-ой частоты
можно записать:
,
,
Если в АСР имеется интегрирующее
звено, то модуль АФХРС уходит в бесконечность при
, например,
рисунок 31.2. В этом случае отношение длин отрезков ОАi и ВАi
при
равно
единице. Если система статическая, то это отношение при
близко к
единице
При повышении частоты точка
перемещается
вверх по характеристике. При этом, если АФХРС располагается достаточно далеко
от точки (-1;
), то длина
отрезка ВАi будет все время больше длины отрезка ОАi и
при
стремится к
единице. Одновременно длина отрезка ОАi, уменьшаясь, стремится к
нулю. Поэтому при изменении частоты
АЧХЗС монотонно убывает от единицы
до нуля (рис. 31.3, кривая 1).
Если АФХРС расположена близко к
точке (-1;
), то длина
отрезка ВАi при некоторых значениях частот меньше длины отрезка ОАi.
Поэтому в некотором диапазоне частот
. АЧХЗС возрастает от единицы до
некоторого максимума, затем (вследствие того, что ОАi
при
, а ВАi
) стремится
к нулю (рис. 31.3, кривая 2).
Чем ближе АФХРС к точке (-1;
), тем
больше максимум АЧХЗС, и, если АФХРС проходит через точку (-1;
), то
, т.е. в
точке, соответствующей
АЧХЗС
терпит разрыв.
Рис. 7
Таким образом, чем больше максимум
АЧХЗС, тем ближе АФХРС к точке (-1;
), т.е. тем меньше запас
устойчивости замкнутой АСР. Частоту, соответствующую максимуму АЧХЗС, называют
резонансной.
Величину максимума АЧХЗС называют
частотным показателем колебательности (М). Между показателем колебательности М,
запасом устойчивости по модулю С и запасом устойчивости по фазе g имеются однозначные
зависимости:
.
. ПИ-регулятор
Ответ:
Пропорционально - интегральные регуляторы.
Для комплексного использования преимуществ
законов П- и И-регулирования в автоматических системах широко применяются
регуляторы, формирующие законы как П,так и И одновременно. Такие регуляторы
называют ПИ-регуляторами.
ПИ-регуляторы оказывают воздействие на
регулирующие органы пропорционально отклонению и интегралу от отклонения
регулируемой величины:
Передаточная функция ПИ-регулятора
По структуре ПИ-регулятор
эквивалентен параллельному соединению П-регулятора с передаточной функцией
и И-
регулятора с передаточной функцией
.
Рис. 8
Если при настройке ПИ-регулятора
установили очень большое значение постоянной времени
, то он
превратится в П- регулятор. Если же при настройке установить очень малое
значение
то получим
П- регулятор.
Переходная характеристика ПИ-регулятора с
передаточной функцией представлена.
Рис. 9
При скачкообразном изменении
регулируемой величины на значение
идеальный ПИ-регулятор сначала
мгновенно перемещает исполнительный механизм на величину
пропорциональную
отклонению _
регулируемой величины, после чего исполнительный механизм регулятора
дополнительно перемещается в ту же сторону со скоростью
,
пропорциональной отклонению регулируемой величины.
ПИ-регулятор со структурной схемой
приведенной выше имеет не зависящие друг от друга параметры настройки
и
.
Кроме приведенной схемы на практике
широко применяется структурная схема ПИ-регулятора представлена ниже
Рис. 10
Эта схема реализует закон
регулирования
Постоянную времени
принято
называть (по терминологии заводов изготовителей) постоянной времени изодрома
или просто временем изодрома.
Передаточная функция регулятора
Таким образом, ПИ-регулятор этого
типа имеет взаимосвязанные параметры настройки статической и астатической
частей по коэффициенту усиления
. При настройке
будет
изменяться и постоянная времени интегрирования
Рассмотрим физический смысл
постоянной времени изодрома
.
Предположим, что на вход регулятора
поступил постоянный сигнал
, то выражение можно переписать в
виде
При поступлении на вход регулятора
постоянного сигнала
в начальный
момент (t=0) мгновенно срабатывает пропорциональная составляющая и на выходе
регулятора появляется сигнал
.
Таким образом, постоянной времени
изодрома регулятора с ПИ-законом регулирования называется время, в течение
которого от действия интегральной (астатической) части регулятора удваивается
пропорциональная (статическая) составляющая закона регулирования.
На рисунке ниже показан закон
регулирования при различных значениях коэффициенты усиления
регуляторов
(
.
Рис. 11
Из рисунка "а" видно, что
скорость нарастания интегральной составляющей на выходе регулятора при
изменении
не
изменяется. А при законе регулирования (рис. "б") в случае изменения
пропорционально
изменяется и скорость нарастания интегральной составляющей на выходе
регулятора.
. Как получить передаточную функцию из
соответствующего дифференциально-интегрального уравнения ПИД-регулятора?
Ответ:
Для элемента АСУ (четырехполюсника), схема и
параметры которого приведены на рис. 12, найдем следующие статические и
динамические характеристики:
переходную функцию;
передаточную функцию;
передаточный коэффициент;
частотные (амплитудно-фазовую, амплитудную,
фазовую, логарифмическую амплитудную) характеристики
Рис.
12. Схема и параметры элемента
Составление
дифференциального уравнения элемента
В соответствии с законами линейных электрических
цепей записываем следующие уравнения:
r i+ uc = e;
Подставляя значение тока i из
выражения в уравнение получаем дифференциальное уравнение
Подставляя параметры r и c
четырехполюсника в уравнение получаем искомое дифференциальное уравнение
элемента
Нахождение
переходной функции элемента
Полагаем входной сигнал четырехполюсника равным
единичному ступенчатому воздействию e = 1(t). Тогда его выходной сигнал будет
равен переходной функции uc = h(t).
Учитывая сказанное в уравнении, приводим его к
виду:
1(t)
Вынужденную составляющую переходной
функции находим из уравнения, полагая в нем производную dh(t) /dt)= 0,
в(t)
= 1.
Составляем характеристическое уравнение,
соответствующее дифференциальному уравнению
,1p + 1 = 0
Корень характеристического уравнения p = -10.
Свободную составляющую переходной функции
находим по выражению при n = 1 и p1 =-10
Находим переходную функцию, суммируя
ее вынужденную и свободную составляющие,
(t) = hв(t) +
hс(t) =
Из уравнения при нулевых начальных
условиях (h(0) = 0) определяем коэффициент C1 = -1.
Подставляя значение этого
коэффициента в выражение (51.9), находим искомую переходную функцию элемента
График переходной функции элемента приведен на
рис. 13.
Рис. 13. График переходной функции элемента
Нахождение
передаточной функции элемента
В дифференциальном уравнении (51.4) степени
полиномов правой и левой частей соответственно m = 0 и n = 1. Тогда
коэффициенты этого уравнения b0 = 1; a0 = 0,1; a1
= 1.
При этих коэффициентах находим искомую
передаточную функцию элемента
Нахождение
передаточного коэффициента элемента
Искомый передаточный коэффициент элемента при b0
= 1 и a1 = 1
или из выражения (51.11) при p=0
Определение
частотных характеристик элемента
Амплитудно-фазовую частотную характеристику
(АФЧХ) элемента находим путем подстановки в него передаточной функции при p = jw:
Вид АФЧХ на комплексной плоскости
приведен на рис. 2.16, а.
Из выражения находим действительную
и мнимую частотные характеристики
Подставляя значения этих характеристик, находим
искомые выражения соответственно для амплитудной и фазовой частотных
характеристик:
Графики амплитудной и фазовой
частотных характеристик приведены на рис. 14.
Рис. 14. Частотные характеристики элемента: а -
амплитудно - фазовая, б - амплитудная, в - фазовая.
. Понятие АСУ ТП. Состав информационных и
управляющих функций АСУ ТП
Ответ:
АСУ ТП - автоматизированная система управления
технологическими процессами, имеющая 2 или 3 уровня и выполняющая следующие
функции:
сбор информации;
поддержание технологических параметров на
заданных значениях;
контроль за технологическими параметрами, для
которых не выполняются функции регулирования;
сигнализация;
блокировка управлений, являющихся результатом
ошибочных действий технологического персонала;
противоаварийная защита (ПАЗ) при возникновении
аварийных ситуаций.
Упрощенно структуру АСУТП можно представить в
следующем виде (см. рисунок 15).
Рисунок 15 - Структура информационных потоков
АСУ ТП
Первый (нижний) уровень АСУТП является уровнем
датчиков, исполнительных механизмов и контроллеров, которые устанавливаются
непосредственно на технологических объектах. Их деятельность заключается в
получении параметров процесса, преобразовании их в соответствующий вид для
дальнейшей передачи на более высокую ступень (функции датчиков), а также в
приеме управляющих сигналов и в выполнении соответствующих действий (функции
исполнительных механизмов).
Задачами уровня являются:
сбор информации об измеряемых технологических
параметрах процесса;
сигнализация о выходе их за заданные пределы;
блокировка ошибочных действий персонала и
управляющих устройств;
противоаварийная защита (ПАЗ) процесса по факту
аварийных событий.
Подсистемы этого уровня поддерживают параметры
технологического процесса на заданных значениях и могут быть реализованы с
использованием «традиционных» методов регулирования динамическими объектами.
Второй (средний) уровень - уровень
производственного участка (цеха). Его функции:
сбор информации, поступающей с нижнего уровня,
ее обработка и хранение;
выработка управляющих сигналов на основе анализа
информации;
передача информации о производственном участке
на более высокий уровень;
вычисление неизмеряемых параметров, в частности,
показателей качества (ПК) продуктов, технико-экономических показателей;
сведение материальных балансов;
архивирование информации;
генерация отчетов;
диагностика и защита от сбоев в элементах
подсистем нижнего уровня;
определение настроек управляющих устройств (УУ)
и уставок локальных регуляторов подсистем I
уровня;
изменение структуры локальных подсистем
(переконфигурирование, включение/выключение, переход в ручное управление и
т.д.).
На данном уровне производится оптимизация
технологических процессов по технологическим показателям.
Третий (верхний) уровень в системе автоматизации
занимает т.н. уровень управления и относится к системе управления предприятием
(АСУП). На этом уровне осуществляется контроль за производством продукции и
оптимизация по технико-экономическим и экономическим показателям. Этот процесс
включает в себя сбор поступающих с производственных участков данных, их
накопление, обработку и выдачу руководящих директив нижним ступеням. Задачи
управления данного уровня:
оптимизация экономических показателей
производства;
управление по экономическим и
технико-экономическим показателям;
сведение материальных балансов;
архивирование информации;
составление производственных планов и т.д.
Следует отметить, что некоторые задачи второго и
третьего уровней перекрываются и в ряде случаев эти два уровня объединяются в
один.
Атрибутом этого уровня является центр управления
производством, который может состоять из трех взаимопроникающих частей:
) операторской части,
) системы подготовки отчетов,
) системы анализа тенденций.
Операторская часть отвечает за связь между
оператором и процессом на уровне управления. Она выдает информацию о процессе и
позволяет в случае необходимости вмешательство в ход автоматического
управления. Обеспечивает диалог между системой и операторами.
Система подготовки отчетов выводит на экраны,
принтеры, в архивы и т.д. информацию о технологических параметрах с указанием
точного времени измерения, выдает данные о материальном и энергетическом
балансе и др.
Рисунок 16 - Развернутая структура современной
АСУТП
Система анализа тенденций дает оператору
возможность наблюдать за технологическим параметрами и делать соответствующие
выводы.
На верхнем уровне АСУ ТП размещены мощные
компьютеры, выполняющие функции серверов баз данных и рабочих станций и
обеспечивающие анализ и хранение всей поступившей информации за любой заданный
интервал времени. а также визуализацию информации и взаимодействие с
оператором. Основой программного обеспечения верхнего уровня являются пакеты SCADA
(Supervisory
Control And
Data Acquisition
- системы управления и доступа к данным).
Устройства связи с объектом
Почти все технологические параметры,
присутствующие в реальном промышленном объекте, имеют аналоговый или дискретный
вид. Существует много датчиков, которые могут преобразовывать измеряемые
величины только в аналоговый вид, а также много исполнительных механизмов,
имеющих только аналоговые входные сигналы. С другой стороны, новейшие средства автоматизации,
которые находят все большее применение в системах управления, используют
цифровое представление обрабатываемых величин. Для того, чтобы связать между
собой параметры, представленные в аналоговом/дискретном и цифровом виде,
используются устройства связи с объектами (УСО). Таким образом, УСО являются
неотъемлемой частью любой системы управления, в том числе использующей цифровые
устройства (промышленные компьютеры, вычислительные сети и т.д.). Для
представления места УСО в процессе автоматизации производства подобные системы
можно теоретически изобразить в виде схемы (см. рисунок 17).
Рисунок 17
Датчики, устанавливаемые на объекте,
предназначены для первичного преобразования параметров в выходной сигнал для передачи
в УСО. Исполнительные механизмы принимают управляющие сигналы, прошедшие через
УСО, для воздействия на процесс. Связь между датчиками, исполнительными
механизмами и УСО может быть аналоговой, дискретной или цифровой.
Промышленный компьютер (РС) в системе играет
роль управляющего элемента, принимающего цифровую информацию от УСО и
вырабатывающего управляющие сигналы. Для связи между ним и УСО используется
любой из цифровых интерфейсов (ЦИ), к числу которых относятся RS-232,
RS-422, RS-485
и др.
Данная схема является условной, поскольку в
реальных системах модули УСО могут не присутствовать в виде самостоятельного
устройства, а входить в состав датчиков или промышленных компьютеров. Примером
служат датчики, которые осуществляют двойное (тройное и т.д.) преобразование
измеряемой величины и выдающие на вход готовый цифровой сигнал. В этом случае
граница между собственно первичным преобразователем и УСО проходит где-то
внутри него. С другой стороны, УСО могут быть выполнены в виде АЦП/ЦАП-платы,
вставляемой в ISA-слот
компьютера. В этом случае аналоговые сигналы могут быть введены прямо в
компьютер, где и преобразуются в цифровой код.
В дальнейшем в качестве УСО будем рассматривать
модули, платы и другие устройства, предназначенные для приема аналоговых и
дискретных сигналов от объекта (независимо от того, сколько раз они были
преобразованы внутри него), преобразования его в цифровой вид для передачи в
компьютер (контроллер), а также для приема цифровых управляющих данных от РС и
преобразования их в вид, соответствующий исполнительным механизмам объекта.
Задача №1
Рассмотрите одно из типовых
(элементарных) динамических звеньев на примере одного из элементов промышленной
АСР теплоэнергетических (тепловых) процессов.
Приведите дифференциальное
уравнение, передаточную функцию, амплитудно-частотную, фазочастотную и
амплитудно-фазовую характеристики рассматриваемого звена (аналитическими
выражениями и графиками). Постройте динамическую характеристику звена (кривую
переходного процесса) и определите значение его динамических параметров.
Инерционное звено 2-го порядка.
Ответ:
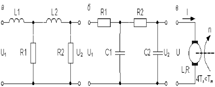
Примеры инерционных звеньев второго порядка
приведены на рис. 6, где а - две последовательно соединенные RL-цепи, б - две
RС-цепи, в - двигатель постоянного тока.
Рис. 18
Переходная функция получается путем
решения дифференциального уравнения при x1 = 1(t) и нулевых
начальных условиях, то есть при t = 0; x2 = 0 и
.
.
Функция веса
.
На переходной характеристике показано
построение, позволяющее по экспериментальным данным определять постоянные
времени Т3 и Т4.
Рис. 19
Переходная функция (а) и дельта-функция (б)
апериодического звена второго порядка
Частотная передаточная функция, её модуль и фаза
соответственно равны
;
.
Амплитудная, фазовая и
амплитудно-фазовая характеристики показаны на рис. 8. На
амплитудно-фазовой характеристике отмечены три характерные точки: w = 0;
.
Построим теперь логарифмические характеристики.
Для этой цели проведем вертикальные пунктирные прямые при сопрягающих частотах w3
= 1 / T3
и w4
= 1 / T4.
Будем считать, что T3
> T4
и w3
< w4.
Рис. 20
АФЧХ (а), АЧХ (б) и ФЧХ (в) апериодического
звена второго порядка
ЛАХ определяется выражением
.
Для частот, меньших, чем сопрягающая
частота w3 (а значит и
меньших, чем частота ω4), будет
справедливым
и
. Поэтому в
этой области можно допустить L(w) » 20
lgk.
Этому выражению соответствует прямая а-b на рис. 4.10.
Для частот w3< w< w4 будет
справедливым
и
. Поэтому в
этой области можно принять L(w) » 20
lg(k
/ wT3), чему
соответствует прямая с отрицательным наклоном 20 дБ/дек.
Ломаная линия а-b-с-d
представляет собой асимптотическую ЛАХ. Действительная ЛАХ показана пунктиром.
Она будет расходиться с асимптотической ЛАХ в местах изломов на 3 дБ.
Рис. 21
ЛАХ и ЛФХ апериодического звена второго порядка
ЛФХ получается суммированием двух
слагаемых. Каждое слагаемое дает фазовую характеристику, совпадающую с ЛФХ
апериодического звена первого порядка. В результате суммирования получаем ЛФХ,
ордината которой соответствует
при
и
.
Задача №2
Исследуемая автоматическая
система регулирования режимом работы одного из тепловых объектов задана в виде
структурной схемы, передаточных функций звеньев, входящих в систему, а также
цифровых данных, характеризующих параметры каждого звена.
Необходимо составить
передаточную функцию автоматической системы регулирования: исследовать систему
на устойчивость одним из известных методов; пользуясь методом частотных
характеристик, рассчитать и построить кривую переходного процесса замкнутой
системы регулирования при единичном ступенчатом входном воздействии; сделать
выводы о качестве процесса регулирования системы.
Таблица
|
Варианты
|
W1(p)
|
W2(p)
|
W3(p)
|
W4(p)
|
|
8
|
  
|
|
|
|
|
Варианты
|
k1
|
T1, с
|
k2
|
T2, с
|
k3
|
T3, с
|
t, с
|
k4
|
T4, с
|
|
3
|
1
|
3,0
|
5,0
|
15,0
|
2,0
|
10,0
|
10,0
|
0,3
|
30,0
|
|
|
|
|
|
|
|
|
|
|
|
|
|
|
Передаточные функции:
Методом критерия устойчивости
Рауса-Гурвица определим систему на устойчивость:
;
;
;
;
Заполняем таблицу:
|
Значения
r
|
Номер
строки
|
Номер
столбца
|
|
|
1
|
2
|
|
-
|
1
|

|
|
|
-
|
2
|

|
|
|
3
|
|
|
|
В ходе расчетов мы получили,
что все коэффициенты первого столбца положительны. Это означает, что нулевое
решение уравнения устойчиво.
Кривая переходного процесса
замкнутой системы регулирования при единичном ступенчатом входном воздействии.
Рис. 22
Литература
1. Иванова Г.М.,
Кузнецов Н.Д., Чистяков В.С. Теплотехнические измерения и приборы: Учебник для
вузов. - М.: Энергоатомиздат, 1984. - 232с.
2. Преображенский
В.П. Теплотехнические измерения и приборы. - М.: Энергия, 1978.
. По второй части
курса «Основы теории автоматического регулирования»
. По первой части
курса "Теплотехнические измерения"
. По второй части
курса «Основы теории автоматического регулирования
7. Яшугин Е.А.
Теория линейных непрерывных САУ в вопросах и ответах: Справочное пособие. -
Мн.: Выш. школа, 1986. - 224с.