Разработка технологического процесса изготовления детали 'Червяк'
Дипломная работа
Разработка технологического процесса
изготовления детали «Червяк»
Содержание
Аннотация
. Технологическая часть
.1 Назначение и описание условий работы детали, технические
требования при изготовлении, материал и его характеристика
.1.1 Назначение и описание условий работы детали
.1.2 Технические требования
.1.3 Материал и его характеристика, термообработка и ее
режимы
.1.4 Выбор и обоснование типа производства
.2 Анализ технологичности конструкции детали
.3 Обоснованный выбор метода получения заготовки
.4 Определение операционных припусков и операционных размеров
(на одну поверхность табличным методом и на одну - расчетно-аналитическим)
.5 Краткая характеристика разрабатываемого техпроцесса
.5.1 Краткая характеристика разработанного технологического
процесса, подбор типового технологического процесса
.5.2 Выбор технологических баз
.5.3 Обоснование принятой последовательности обработки и
содержание операций
.5.4 Обоснование выбора и технические характеристики
выбранног оборудования
.5.5 Обоснование выбора станочных приспособлений
.5.6 Обоснование выбора режущих и вспомогательных
инструментов
.6 Определение режимов резания и технических норм времени на
2 операции
.7 Разработка управляющем программы
. Экономическая часть
.1 Определяется цеховая себестоимость изготовления детали
. Организационная часть
.1 Организация рабочего места:
.2 Охрана труда и техника безопасности на рабочем месте
.Реальная часть
.1 Назначение и цель спроектированного и изготовленного
объекта
Литература
Аннотация
Темой дипломного проекта является разработка технологического процесса
изготовления детали «Червяк». Содержится расчетно-пояснительная записка,
комплект технологических и графических документов.
В пояснительной записке изложен анализ данной детали, её материала,
обоснование метода получения заготовки и последовательность механической
обработки, характеристика металлообрабатывающего оборудования.
Выбор режущих, мерительных и вспомогательных инструментов, станочных
приспособлений, а так же расчет операционных припусков и режимов резания - все
это обосновано в данном курсовом проекте.
Приложение содержит полный маршрут обработки детали и операционное
описание с эскизами на каждую операцию.
Цель проекта - получение навыков разработки технологического процесса на
изготовление деталей.
Дипломный проект дает возможность установить степень освоения учебного
материала и умение студента применять знания, полученные при прохождении
учебной, технологической, производственной практик, а так же подготовить студента
к выполнению дипломного проекта.
заготовка деталь
припуск резание червяк
1. Технологическая часть
1.1 Назначение и описание условий
работы детали, технические требования при изготовлении, материал и его
характеристика
1.1.1 Назначение и описание условий
работы детали
«Червяк » входит в состав механизма в котором вращение передается через
систему зубчатых колес. «Червяк» имеет многоступенчатую цилиндрическую форму с
наружными фасками, двумя шпоночными пазами, лыской и резьбой на центральной
цилиндрической части детали.
Деталь относится к особо точным, так как все наружные поверхности и
шпоночные пазы выполняются по повышенным требованиям шероховатости и точности
размеров.
1.1.2 Технические требования
1. 50…52НRC
2. Размер обеспечить инструментом.
3.
Неуказанные предельные отклонения отверстий Н14; валов h14; прочие ±
1.1.3 Материал и его характеристика,
термообработка и ее режимы
Для изготовления детали применяется сталь 40Х ГОСТ 4543-88.
Сталь конструкционная легированная, хромистая.
Применяется
для изготовления различных деталей
<#"810932.files/image002.gif">
элемент
- НЦП Ø30мм
элемент
- НЦП Ø30мм с лыской
4
элемент - канавка 28х2мм (2шт)
элемент
- канавка 35х2мм (2шт)
элемент
- НЦП Ø38мм (2шт).
элемент
- НЦП Ø45мм (2шт) .
элемент
- НЦП с зубьями
элемент
- фаска 1.5х45º
(2шт)9 =
элемент
-шпоночный паз (2шт)
общ= (V1
+…+V9)-V10 = 364.15см3
Мд=
364.15х7.85= 2859гр= 2кг 859гр
Таблица 3 - Определение типа производства
|
Масса детали, кг
|
Тип производства
|
|
Единичный
|
Мелкосерийный
|
Среднесерийный
|
Крупносерийный
|
Массовый
|
|
< 1,0
|
< 10
|
10 - 2000
|
1500 - 100000
|
75000 - 200000
|
≥ 200000
|
|
1,0 - 2,5
|
< 10
|
10 - 1000
|
1000 - 50000
|
50000 - 100000
|
≥ 100000
|
|
2,5 -5,0
|
< 10
|
10 - 500
|
500 - 35000
|
35000 - 75000
|
≥ 75000
|
|
5 - 10
|
< 10
|
10 - 300
|
300 - 25000
|
25000 - 50000
|
≥ 50000
|
|
> 10
|
< 10
|
10 - 200
|
200 - 10000
|
10000 - 25000
|
≥ 25000
|
Годовая программа выпуска деталей - 500 штук.
Серийное
производство - тип производства
<#"810932.files/image012.gif"> (1)[2c.23]
где mд - масса детализ - масса заготовки
коэффициент
точности обработки:
Кт.о.=
(2)[2c.23]
где: Qр.н.т - число размеров необоснованной точности;р -общее
число размеров;
коэффициент
шероховатости:
Кш.=
(3)[2c.23]
где: Qр.н.ш - число поверхностей необоснованной шероховатостип
- общее число поверхностей
Коэффициент
унификации:
Унифицированным
называется такой элемент, который получен на универсальном оборудование с
использованием универсально режущего и
контролируемый
универсальным измерительным инструментом.
Деталь
имеет 35 конструктивных элементов:
элемент(2)
- НЦП Ø30к6мм - унифицированный элемент
элемент(2)
- фаска 1.5х30°- унифицированный элемент
элемент
(2)- радиусная канавка- неунифицированный элемент
элемент(2)
- канавка Ø45х2мм - унифицированный элемент
элемент
(2)- НЦП Ø38к6мм - унифицированный элемент
элемент(2)
- шпоночный паз 10х36х5мм - унифицированный элемент
элемент
(2)- НЦП Ø45мм - унифицированный элемент
элемент(18)
- зубья - неунифицированный элемент
элемент
- лыска- унифицированный элемент
элемент(2)
- фаска 2х30°- унифицированный элемент
Из
35 элементов 20 элемент -зубья и радиусные канавки являются неунифицированными,
т.к. оно должны быть получены при помощи спец. инструмента.
Ку=
=
= 0,43 (4)[2c.22]
где Qэ - общее число элементов Qу.э - число
унифицированных элементов Вывод: По всем расчетным коэффициентам и по
проведению анализа унифицированных инструментов видим, что деталь является
технологичной ,т.к. 3 коэффициента из 4-х > 0.6
Вторым методом оценки технологичности является качественный метод. В
этом методе оценка указывается словами «хорошо - плохо»
1. Так как детали имеет вес 2.859кг , а заготовка 4.289кг, то вес отходов
составляет 1.43кг,а это меньше половины массы заготовки - «хорошо»
2. Деталь имеет пазы и зубья при обработке которых режущий
инструмент заходит внутрь заготовки и сталкивается с сопротивлением, которое
оказывает материал детали, что может привести к излому инструмента - «плохо»
. Коэффициент унификации = 0.43 - «плохо».
По этому методу оценки деталь нетехнологична, т.к. 2 показателя
оцениваются «плохо».
1.3 Обоснованный выбор метода
получения заготовки
Определение общих припусков на заготовку, ее размеров и КИМ
Из стали 40Х ГОСТ 4543-88 заготовка может быть выполнена двумя методами -
методом проката и методом штамповки(поковки). Для определения наиболее выгодного
варианта необходимо провести расчет КИМ и сравнить. Выбирается тот метод, у
которого коэффициент выше.
«Вал-шестерня » имеет многоступенчатую цилиндрическую форму с
незначительной лыской, шпоночными пазами и зубьями конфигурация которых не
может быть отражена при получении заготовки.
Если в качестве заготовки применить прокат, то с учетом наибольшего
диаметра детали Ø56мм и Ra3.2, он должен быть назначен Ø60мм, а длиной 280мм.
Мпр = Vпр х ρ (5)
где Vпр - обьем заготовки из проката
ρ -плотность материала ( для стали
=7.85кг/см3)
Мпр = (πR2l)х7.85
= (3.14х 32 х 28)х7.85 = 6.214кг (6)
КИМпр
=
Рассмотрим
второй метод получения заготовки - поковка, полученной на ГКМ
(горизонтально-ковочной машине). Это позволит получить заготовку формой
приближенной к форме детали, что снизит расходы материала на отходы при
обработке и тем самым повысит КИМ.
Для
определения припусков и допусков необходимо по ГОСТ 7805-70 определить точность
заготовки, группу стали, степень точности и исходный индекс
Точность
заготовки Т4 (ГОСТ 7505-89 с.28 табл.19)
Степень
сложности С3 (ГОСТ 7505-89 с.30)
Группа
стали М2 (ГОСТ 7505-89 с.8 табл.1)
Исходный
индекс 10 (ГОСТ 7505-89 с.10 табл.2)
Предварительный
расчет массы заготовки определяется по формуле
Мшт=МдхКр (7)
Кр - расчетный коэффициент (для деталей типа вал 1.35-1.5)
Мшт = 2.859х1.5 = 4.289кг
Вывод: Сравнивая, КИМ проката и КИМ штамповки видим, что выгоднее
применять заготовку, полученную штамповкой, так как КИМ шт выше
КИМ пр (0.67>0.46).
Рисунок 1 - Эскиз заготовки-штамповки.
1.4 Определение операционных
припусков и операционных размеров (на одну поверхность табличным методом и на
одну - расчетно-аналитическим)
Табличный метод.
Этот метод определения припусков и операционных размеров состоит в том,
что по ГОСТ выбирается общий припуск на обработку поверхности, а затем по
таблицам соответствующих видов обработки устанавливаются размеры промежуточных
припусков и определяются промежуточные размеры заготовки.
2Zmax = 2Zmin + δi-1 (8) [2c.59]
2Zmaxчерн.= 2000 + 2500 = 4500мкм
Zmax получист.= 1400 + 740 = 2140мкм
Zmaxчист.= 600 + 190 = 790мкм
Для валов расчетный размер Dmin
Dmin = Dmin + 2Z min (9) [2c.62]
Dmin получист = 54.926 + 0.6 = 55.526ммчерн = 55.526 + 1.4 = 56.926ммзаг
= 56.926 + 2 = 58.926мм
= Dmin + δ (10) [2c.62]
получист = 55.526 + 0.19 = 55.716ммчерн = 56.926 + 0.74 = 57.666ммзагот =
58.926 + 2.5 = 61.426мм
Расчетный
размер для заготовки Ø59.826
мм
Определяем
операционный припуски и операционные размеры на НЦП Ø56h11 (-0.19)
Таблица 4 Расчет качественным методом
|
Наименование операции
|
Ra, мкм
|
Наименьшее значение Z
min , мкм
|
Расчетный размер, мм
|
Допуск, δ, мкм
|
Предельный размер, мм
|
Предельный припуск, мкм
|
|
|
|
|
|
d max
|
d min
|
2Z max
|
2Z min
|
|
Заготовительная (прокат)
|
80
|
1700
|
59.41
|
2200
|
61.61
|
59.41
|
-
|
-
|
|
Черновое точение ( h14)
|
6.3
|
1000
|
57.21
|
740
|
57.95
|
57.21
|
4200
|
2000
|
|
Чистое точение (h11)
|
3,2
|
700
|
55.84
|
190
|
56
|
55.81
|
2140
|
1400
|
2Zmax = 2Zmin+δi-1
2Zmax =1400+740=2140мкм
Zmax = 2000+2200=4200 мкм
Расчетный размер для вала dmin= dmin + 2Zmin= 55.81 + 1.4=57.21мм= 55.81
+ 2.2 = 59.41мм
dmax = dmin + δ= 57.21 + 0.74 = 57.95мм= 59.41 + 2.2
= 61.61мм
Расчетный
размер для заготовки Ø60.21
Рисунок 2 - Графическое расположение припусков, допусков и
межоперационных размеров.
Расчет
припусков и операционных размеров аналитическим методом на НЦП Ø30к6(
)
2Zmin = 2( Rz +h +√ ∆о 2+εу 2) (11) [2c.57]
где Rz - высота микронеровностей поверхности, оставшейся после выполнения
предшествующего перехода, мкм.- глубина дефектного слоя, оставшегося при
выполнения предшествующего перехода
∆о - суммарное отклонение расположения, возникшее на
предшествующих переходах.
εу - погрешность установки на заготовку.
2Zmax = 2Zmin + δi-1 (12)[2c.59]
где δi-1 - допуск на размер на предшествующем переходе
Величина отклонения расположения заготовки
∆ о = √∆см 2 + ∆кор2
(13) [2c.65]
где ∆см - погрешность штамповки по смещению =1000 мкм/мм
∆кор- погрешность штамповки по короблению = 500мкм/мм
∆о = √1000 2 + 500 2 =
1118мм
Величина остаточного суммарного отклонения расположение заготовки после
выполнения переходов определяется:
∆ ост = Ky* ∆о (14) [2c.64]
о∆ст
- величина остаточного суммарного расположения заготовки после выполнения
перехода
КУ - коэффициент уточнения [2c.61]
∆ о - суммарное отклонение расположения заготовки, мкм
∆ост черн= 0,06 * 1118 = 67.08 мкм
∆ост чист. =0,05 * 1118 = 55.9мкм
∆ост чр.шл. = 0,04 * 1118 = 44.72мкм
∆ост ч.шл. = 0,03 * 1118 = 33.54мкм
εу - погрешность установки на заготовку.
εу= 0.25δз (15) [2c.60]
δз- допуск заготовки = 2000мм
εу= 0.25х1000=250мкм
Остаточная погрешность установки заготовки после выполнения переходов
εзк ост =
εзк х КУ (16) [2c.62]
КУ - коэффициент уточнения [табл.3.19;2c.61]
εзк ост = 250х0.06=16мкм εзк ост =250 х 0.05 = 12.5мм εзк ост = 250 х 0.04 = 10мм Припуски на
черновое точениечерн. = 2(150 + 250 + √11182+250 2)
= 3091мкмчерн. = 3091 + 2000 = 5091мкм
Припуски на получистовое точениеполучист = 2(50 + 50 + √67.08 2+162)
= 337.9мкмполучист = 337.9 + 520 = 857.9мкм
Припуски на чистовое точениечист = 2(30 + 30 + √55.9 2 +
12.5 2) = 234.6мкмчист = 234.6 + 130 = 364.6мкм Припуски на тонкое
точениет.точ = 2(10 + 15 + √44.72 2 + 10 2) =
161.6мкмт.точ = 161.6 + 33 = 194.6мкм
1.5 Краткая характеристика
разрабатываемого техпроцесса
1.5.1 Краткая характеристика
разработанного технологического процесса, подбор типового технологического
процесса
Так как обрабатываемая деталь имеет форму вала, на 2-х наружных
поверхностях которого расположены два шпоночных паза, размеры которых заданы
относительно обработанных поверхностей вала, на одной из ступеней расположена
лыска , размер которой тоже задан от обработанного торца и обработанной
поверхности, , а на центральной, имеющей наибольший диаметр НЦП, расположены
зубья, размер которых заданы от оси детали, и то что по правилам обработки
валов вначале обрабатываются НЦП, то после проведения фрезерно-центровальной
операции (обработка торцев и центровочных отверстий, необходимых для точного
базирования детали при дальнейшей обработке) проводится обработка наружного
контура детали. После обрабатывается лыска и шпоночные пазы.
Следующей операцией производится фрезерование резьбы червяка.
После проведения закалки выполняется шлифовка вначале резьбы и
цилиндрических ступеней вала, а затем НЦП.
Заготовительная
Фрезерно-центровальная
Станок: фрезерно-центровальный 2Г942
.Фрезеровать 2 торца, выдерж. разм. 275-1
РИ: Фреза концевая насадная Ø40мм с пл. Т15К6 ГОСТ 26596-91
МИ: ШЦ-I-350-0.05
. Центровать торцы, выдерж. разм.Ø3+0.3 ; 4.5±0.15
РИ: Сверло центровочное Ø3 Р6М5 ГОСТ14952-75
МИ: калибр-пробка Ø3 +0.3; ШЦ-I-125-01
опер. Токарная с ЧПУ
Станок: токарно-винторезный с ЧПУ 1Н63РФ3
Приспособление: Патрон трехкулачковый ГОСТ 2675-81 ; центр вращающийся,
центр не вращающийся
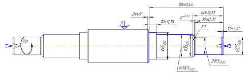
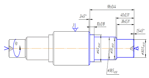
. Точить НЦП и фаски , выдерж. разм. Æ38.5-0.52; Æ45-0.62 ; 98±0.44; Æ56-0.19 ;
Æ35-0.52 ;40 ±0.31; Æ30.5-0.52 ;
38±0.31; 10±0.18; 1.5х45º; 2х45º
РИ: резец проходной упорный с пл. Т15К6 ГОСТ 18879-73
МИ: Калибр-скоба Æ38.5-0.52 ; Калибр-скобаÆ45-0.62 ; Калибр-скоба Æ56-0.19 ;
Калибр-скоба Æ35-0.52 ; Калибр-скоба Æ30.5-0.52
ШЦ-I-125-0.1 ; фаскомер М5-205а ГОСТ1364-74
. Точить канавку , выдерж. разм. Æ28.5 -0. 52; 38±0.31; 2+0.52
; R1
РИ: резец канавочный спец. Р6М5
МИ: Калибр-скоба Æ28.5 -0. 52 ; ШЦ-I-125-0.1
Переустановить деталь в патроне и центрах.
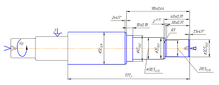
. Точить НЦП и фаски , выдерж. разм. Æ38.5-0.52; Æ45-0.62 ; 88±0.44; 98±0.44;
Æ35-0.52 ;40 ±0.31; Æ30.5-0.52 ;
38±0.31; 10±0.18; фаски 1.5х45º; 2х45º
РИ: резец проходной упорный с пл. Т15К6 ГОСТ 18879-73
МИ: Калибр-скоба Æ38.5-0.52 ; Калибр-скобаÆ45-0.62 ;
Калибр-скоба Æ35-0.52 ; Калибр-скоба Æ30.5-0.52
ШЦ-I-125-0.1; фаскомер М5-205а ГОСТ1364-74
. Точить канавку , выдерж. разм. Æ28.5 -0. 52; 38±0.31; 2+0.52
; R1
РИ: резец канавочный спец. Р6М5
МИ: Калибр-скоба Æ28.5 -0. 52 ; ШЦ-I-125-0.1
Вертикально-фрезерная
Станок : вертикально-фрезерный 6Р12
Фрезеровать лыску, выдерж. разм. 25-0.52 ; 25±0.26
РИ: Фреза торцовая насадная Ø30мм Т14К8 ГОСТ 26596-91
МИ: ШЦ-I-125-0.1
Слесарная
Шпоночно-фрезерная
Станок : Шпоночно-фрезерный мод. 692Д
Фрезеровать , послед. 2 шпоночных паза , выдерж. разм. 36+0.62
; 7±0.18; 9.5+0.36 ; 5+0.2
РИ: Фреза шпоночная Ø9.5мм Т14К8 ГОСТ 9140-78
МИ: ШЦ-I-125-0.1
Шпоночно-фрезерная
Станок : Шпоночно-фрезерный мод. 692Д
Чистовое
фрезерование , послед. 2 шпоночных паза , выдерж. разм. 36+0.62 ;
7±0.18; 10
; 5+0.2
РИ:
Фреза шпоночная Ø10мм Т14К8 ГОСТ 9140-78
МИ:
ШЦ-I-125-0.1
Контрольная
Зубофрезерная
Оборудование:
станок зубофрезерный 5К310
Приспособление:
специальное оснащенное поворотной делительной головкой
Фрезеровать
резьбу, на проход, выдерж разм. Ø56+0.74; делительный диаметр Ø 51мм
РИ:
Фреза фасонная Ø80
Р6М5ГОСТ 9305-93
МИ:
калибр профиля зуба; ШЦ-I-125-0.1
Слесарная
Контрольная
Термическая
Провести
закалку и отпуск 50…52 HRC.
МИ
Твердомер УД3
опер.
Зубошлифовальная
Станок:
Зубошлифовальный мод. 5В833
Шлифовать
резьбу, выдерж.разм. Ø56+0.74;
делительный
диаметр Ø
51-0.19мм; Ra0.8
РИ:
Шлифовальный круг 12 100х10х20 25А 10-П С2 7 К1А 1кл ГОСТ2424-78
МИ:
Образцы шероховатости ГОСТ 9378-93
опер
Круглошлифовальная с ЧПУ
Станок:
круглошлифовальный с ЧПУ Supertec Machinery
Приспособление:
Патрон трехкулачковый ГОСТ 2675-81; оправка, центр вращающийся.
.
Шлифовать, послед., 4 НЦП, выдерж разм. Æ30
; Æ38
; Ra0.8
РИ
Шлифовальный круг 1 100х45х80 25А 10-П С27 К1А 35м/с А 1кл ГОСТ 2424 - 83
МИ:Калибр-скоба
Æ30
;Калибр-скобаÆ38
;
Образцы
шероховатости ГОСТ 9378-93
опер.
Моечная
опер.
Контрольная
1.5.2 Выбор технологических баз
При выборе технологических баз следует учитывать основные правила:
для первой операции, когда ещё нет обработанных поверхностей, в качестве
технологических баз следует принимать те поверхности, которые в готовой детали
остаются необработанными или имеют наименьший припуск под обработку, они должны
быть наиболее ровными;
в качестве чистовых технологических баз надо принимать поверхности,
являющиеся измерительными и конструктивными базами, т. е. должен соблюдаться принцип
единства баз;
обработку следует проводить с соблюдением принципа постоянства баз, т. е.
обрабатывать максимальное число поверхностей на одних и тех же чистовых базах;
выбранные технологические базы не должны допускать деформацию деталей,
которая может быть вызвана действием силы зажима или резания.
При выборе баз также учитываются: удобство установки и снятия заготовки,
надежность и удобство ее закрепления в выбранных местах приложения зажима,
возможность подвода режущего инструмента с различных сторон заготовки. В
операции 010 (фрезерно-центровальной)при обработке торцев и центровочных
отверстий базовой поверхностью является НЦП. Центровочные отверстия являются
базовыми при выполнении последующих операций.
Рисунок 4 - Схема базирования в операции 010
При выполнении переходов на операции 015 (токарно-винторезной с ЧПУ)
базовыми поверхностями являются центровочные отверстия и последовательно НЦП то
с одной стороны детали, то со второй.
Рисунок 5 - Схема базирования в операции 015 1 установ

На операции 020,030,035 (вертикально-фрезерной и фрезерно-шпоночной) по
обработке лыски и двух шпоночных пазов, базовыми поверхностями являются НЦП, и
ТП,
Рисунок 7 - Схема базирования в операции 020,030 и 035
При выполнении опер.045 и 065 «зубофрезерной» и зубошлифовальной базовыми
поверхностями являются ТП, ось детали и НЦП Ø38.5-0.62
Рисунок 8 - Схема базирования в операции 045 и 065
При выполнении операциях 070 круглошлифовальной с ЧПУ -для обеспечения
подвода шлифовального круга ко всем обрабатываемым поверхностям заготовка
устанавливается в центра и поводковый патрон. При этом базовыми поверхностями
являются центровые отверстия (ось детали) и НЦП Ø56мм.
Рисунок 9 - Схема базирования в операции 070
После анализа выбора базовых поверхностей при выполнении технологического
процесса в операциях базовыми принимаются одни и те же поверхности и ось
детали, что приведет к снижению погрешностей при получении заданных размеров.
1.5.3 Обоснование принятой
последовательности обработки и содержание операций
При определении последовательности и содержания технологических операций
необходимо выполнять следующие условия:
. Наметить базовые поверхности, которые обрабатываются в самом начале
техпроцесса.
. Выполнить операции черновой обработки, при которых снимаются наибольшие
слои металла, что позволяет сразу же выявить дефекты заготовки, и освободиться
от внутренних напряжений, вызывающих деформации.
.Обработать вначале те поверхности, которые не требуют высокой точности и
качества.
.Необходимо учитывать целесообразность концентрации (обработка в операции
максимально возможного числа поверхностей) и дифференциации (разделение
операции на более простые). Необходимо также учитывать, на каких стадиях
техпроцесса целесообразно производить механическую обработку, гальванопокрытие,
термообработку и другие методы обработки в зависимости от требований чертежа.
. Отделочные операции следует выносить к концу техпроцесса обработки, за
исключением тех случаев, когда поверхности служат базами для последующей обработки.
В опер 010 обрабатываются торцевые поверхности и центровые отверстия,
которые в дальнейшем будут являться базовыми при выполнении токарной обработки
наружного контура.
В 020 операции - обрабатываются наружные поверхности, так как в
последующих операциях проводится обработка лыски -опер.020, шпоночных пазов
-опер.030и 035глубина которых задана от НЦП (обработанной предварительно).
Последней, после термообработки, выполняются - зубошлифовальная и
круглошлифовальная операции по окончательной обработке зубьев и наружных
поверхностей.
1.5.4 Обоснование выбора и
технические характеристики выбранного оборудования
На опер.010 Фрезерно-центровальная выполняется на фрезерно -
центровальном станке 2Г942:
Станок предназначен для фрезерования торцов и центрования отверстия в
качестве предварительной обработки в условиях индивидуального и серийного
производства.
Техническая характеристика станка.
Диаметры расточного шпинделя в мм_ _ _ _ _ _ _ _ _ _ _ _ _ _ _ _ _ _ 50
Наибольшее перемещение шпинделя в мм
Осевое_ _ _ _ _ _ _ __ _ _ _ _ _ _ _ _ _ _ _ _ _ _ _ _ _ _ _ _ _ _ _ _ _
_ 250
Вертикальное_ _ _ _ _ _ _ _ _ _ _ _ _ _ _ _ _ _ _ _ _ _ _ _ _ _ _ _ _ _ _
200
Рабочая поверхность стола в мм_ _ _ _ _ _ _ _ _ _ _ _ _ _ _ _ _ _ 300х500
Наибольший вес обрабатываемой детали в кг_ _ _ _ _ _ _ _ _ _ _ _ _ _30
Число скоростей вращения расточного шпинделя_ _ _ _ _ _ _ _ _ _ _ 10
Пределы чисел оборотов шпинделя в мм_ _ _ _ _ _ _ _ _ _ _ 12,5 - 1250
Пределы скоростей осевых подач шпинделя в мм / мин_ _ _ _ 2,2 - 1500
Пределы скоростей подач суппорта в мм / мин _ _ _ _ _ _ _ _ 0,88 - 700
Мощность гл.эл. двигателя в кВт_ _ _ _ _ _ _ _ _ _ _ _ _ _ _ _ _ _7,5 /
10
Опер. 015 выполняется на токарно-винторезном станке с ЧПУ 1Н63РФ3
Станок 1Н63РФ3 предназначен для тонкой обработки деталей типа тел
вращения в замкнутом полуавтоматическом цикле.
Станок выполняет разнообразные токарные работы, в том числе нарезание
метрических, модульных и дюймовых резьб с широким диапазоном шагов. Современные
технические характеристики позволяют использовать при обработке деталей
прогрессивные режимы резания и инструмент.
Техническая характеристика:
Наибольший диаметр обрабатываемого материала, мм:
над станиной _ _ _ _ _ _ _ _ _ _ _ _ _ _ _ _ _ _ _ _ _ _ _ _ _ _ _ _ _ _
200
над суппортом_ _ _ _ _ _ __ _ _ _ _ _ _ _ _ _ _ _ _ _ _ _ _ _ _ _ _ _ _
320
Наибольшая длина обрабатываемого изделия, в зависимости от применяемой
инструментальной головки, мм
при 6-позиционной головке _ _ _ _ _ _ _ _ _ _ _ _ _ _ _ _ _ _ _750 - 900
Наибольший ход суппорта, мм
поперечный _ _ _ _ _ _ _ _ _ _ _ _ _ _ _ _ _ _ _ _ _ _ _ _ _ _ _ _ _ _
_905
продольный_ _ _ _ _ _ _ _ _ _ _ _ _ _ _ _ _ _ _ _ _ _ _ _ _ _ _ _ _ _ _
_210
Максимальная рекомендуемая скорость рабочей подачи, мм
продольной _ _ _ _ _ _ _ _ _ _ _ _ _ _ _ _ _ _ _ _ _ _ _ _ _ _ _ _ _ _ _
1000
поперечной_ __ _ _ _ _ _ _ _ _ _ _ _ _ _ _ _ _ _ _ _ _ _ _ _ _ _ _ _ _
_2000
Количество управляемых координат_ __ _ _ _ _ _ _ _ _ _ _ _ _ _ _ _ _ _ 2
Количество одновременно управляемых координат_ _ _ __ _ _ _ _ 2
Пределы частот вращения шпинделя, об/мин_ _ _ _ _ _ _ _ _ _20…2500
Мощность электродвигателя главного движения, кВт_ _ _ _ _ _ _ __ 11
Габаритные размеры, мм_ _ _ _ _ _ _ _ _ _ _ _ _ _ _ _ _3700х2260х1650
Масса, кг _ _ _ _ _ _ _ _ _ _ _ _ _ _ _ _ _ _ _ _ _ _ _ _ _ _ _ _ _ _ _ _
_4000
Дата выпуска_ _ _ _ _ _ _ _ _ _ _ _ _ _ _ _ _ _ _ _ _ _ _ _ _ _ _ _ _ _
1988
На опер.020 вертикально-фрезерная выполняется на станке 6Р12
Станок предназначен для скоростного фрезерования разнообразных деталей
средних размеров и веса из черных и цветных металлов, а также из пластмасс.
Обработка деталей на станке в основном производится торцовыми,
хвостовыми, пальцевыми, концевыми фрезами и фрезерными головками в условиях
индивидуального и серийного производства.
Техническая характеристика.
Рабочая поверхность стола в мм _ _ _ _ _ _ _ _ _ _ _ _ _ _ _ _320 х 1250
Максимальное перемещение стола в мм:
продольное _ _ _ _ _ _ _ _ _ _ _ __ _ _ _ _ _ _ _ _ _ _ _ _ 700
поперечное _ _ _ _ _ _ _ _ _ _ _ _ _ _ _ _ _ _ _ _ _ _ _ _ _ 260
вертикальное _ _ _ _ _ _ _ _ _ _ _ _ _ _ _ _ _ _ _ _ _ _ _ _370
Пределы поворота шпиндельное головки в рад _ _ _ _ _ _ _ _ _ _ _ ±45
Максимальное перемещение гильзы шпинделя в мм _ _ _ _ _ _ _ _ _ 70
Число скоростей вращения шпинделя _ _ _ _ _ _ _ _ _ _ _ _ _ _ _ _ _ _18
Пределы чисел оборотов шпинделя в минуту _ _ _ _ _ _ _ _ __63 х 3150
Мощность главного электродвигателя в кВт _ _ _ _ _ _ _ _ _ _ _ _ _ 10
Количество величин подач стола в мм/мин _ _ __ _ _ _ _ _ _ _ _ _ _ _ 18
Пределы величин подач стола в мм/мин
продольных _ _ _ _ _ _ _ _ _ _ _ _ _ _ _ _ _ _ _ _ _ 40 - 2000
поперечных _ _ _ _ _ _ _ _ _ _ _ _ _ _ _ _ _ _ _ _ _ 27 - 1330
вертикальных _ _ _ _ _ _ _ _ _ _ _ _ _ _ _ _ _ _ _ _ 13 - 665
Скорость быстрого продольного перемещения стола в мм/мин _ _4000
Мощность электродвигателя привода подач в кВт _ _ _ _ _ _ _ _ _ _ 1,7
На опер.030 и 035 Шпоночно-фрезерная выполняется на шпоночно-фрезерном
станке 692М
Предназначен для обработки шпоночных пазов мерными и немерными концевыми
фрезами шириной от 4 до 25 мм и глубиной до 26 мм
Таблица 5 Технические характеристики станка 692М
|
Масса
|
1250
|
|
Размер
|
1520-1400-1750
|
|
Мощность
|
1,6
|
|
Макс. скорость шпинделя
|
3750
|
|
Мин. скорость шпинделя
|
375
|
|
Наибольшая длина
обрабатываемой детали, мм
|
200
|
|
Наибольший диаметр
обрабатываемой детали, мм
|
800
|
Операция 045 - зубофрезерная выполняется с применением зубофрезерного
станка 5К310
Вертикальный зубофрезерный станок является широкоуниверсальным и
предназначен для нарезания цилиндрических колес с прямыми и винтовыми зубьями,
а также червячных колес методом радиальной и тангенциальной (осевой) подач на
станке методом обкатки можно также фрезеровать шлицевые валики, многогранники,
нарезать зубья на цепных звездочках, храповых колесах и т.д. Для изготовления
всех указанных деталей применяют червячные фрезы соответствующих профилей. Цикл
работы станка автоматизирован. Быстрый подвод инструмента к заготовке,
зубонарезание, быстрый отвод инструмента в исходное положение и остановка
станка осуществляются автоматически после пуска станка. Для уборки стружки
станок имеет шнековый транспортер.
Техническая характеристика
Наибольший диаметр нарезаемых колес_ _ _ _ _ _ _ _ _ _ _ _ _ _500мм
Наибольший модуль зубьев нарезаемых колес _ _ _ __ _ _ _ _ _ _ _8мм
Наибольший угол наклона зубьев нарезаемых колес _ _ _ _ _ _ _ _ ± 60°
Наибольший вертикальных ход фрезы _ _ __ _ _ _ _ _ _ _ _ _ _ _360мм
Наибольший диаметр фрезы, устанавливаемый в суппорте _ _ _ _180мм
Осевое перемещение фрезы _ _ _ _ __ _ _ _ _ _ _ _ _ _ _ _ _ _ _ _ 100мм
Частота вращения шпинделя фрезы _ _ _ _ _ _ _ _ _ _ 50 - 310 об/мин
Подача:
вертикальная _ _ _ _ _ _ _ _ _ _ _ _ _ _ _ _ _ _ _ _ _ _ _ _ _0,8 - 5
мм/об
радиальная_ _ _ _ _ _ _ _ _ _ _ __ _ _ _ _ _ _ _ _ _ _ _ _0,35 - 2,2
мм/об
осевая _ _ _ _ _ _ _ _ _ _ _ _ _ _ _ _ _ _ _ _ _ _ _ _ _ _ _ 0,25 - 1,6
мм/об
Мощность главного эл. двигателя _ _ __ _ _ _ _ _ _ _ _ _ _ _ _ _ _ _ 7кВт
Габаритные размеры _ _ _ _ _ _ __ _ _ _ _ _ _ _ _ _2500 х 1380 х 2000мм
Для выполнения зубошлифовальной операции применяется станок мод. 3В833
Техническая характеристика
Точность полуавтомата по ГОСТ 8-82 В
Наибольший наружный диаметр зубчатых колес, мм. 320
Наименьший наружный диаметр зубчатых колес, мм. (При диаметре круга
400мм) 40
Число зубьев шлифуемых колес
наименьшее 12
- наибольшее 200
Наибольшая ширина обода шлифуемых зубчатых колес, мм
- прямозубых 150
- косозубых См. руковод
Нормальный модуль зубчатых колес, мм.
- наименьший 0,5
наибольший 4
Угол зацепления зубчатых колес, градус 14…30
Наибольший угол наклона зубьев обрабатываемой заготовки, градус. ±45
Наибольший ход суппорта, мм 180
Конус шпинделя изделия Морзе 3
Конус верхней бабки Морзе 3
Диаметр шлифовального круга, мм
наименьший 330
наибольший 400
Ширина шлифовального круга, мм 63, 80
Диаметр отверстия шлифовального круга, мм 203
Ручное перемещение стойки вдоль оси шпинделя, мм 120
Расстояние между осями накатника и шлифовального круга, мм
наименьший 200
наибольший 300
Диаметр накатника, мм 100
Ход механизма правки, мм 100
Число оборотов абразивного червяка при правке, мин-1
рабочий ход 25
- ускоренный ход 50
Расстояние между центрами суппорта, мм.
наименьшее 215
наибольшее 335
Частота вращения шпинделя червячного круга при шлифовании, мин-1 1500
Диаметр отверстия цанги, мм . 30
Габаритные размеры станка без выносного оборудования, мм.
длина 2400
- ширина 2500
высота 2040
Масса станка, кг 7000
Опер.070 выполняется на круглошлифовальном станке с ЧПУ Supertec
Максимальный диаметр вращения: 220 - 450 мм
Максимальный диаметр шлифовки: 200 - 420 мм
Расстояние между центрами: 500 - 2000 мм
Общая информация
Универсальный шлифовальный цилиндрический станок SUPERTEC был создан для
шлифования деталей, установленных между центрами и обработке в патроне.
Доступны следующие модели (М. модели) или с автоматический подачей (модель NC),
машина используется в диапазоне от 200 до 2000 мм между центрами.
Общие использование шлифовки для этих моделей включают, коническую
шлифовку, горизонтальное шлифование, и врезное шлифование. Увеличение функций
шлифовального станка происходит за счет добавления опции внутреннего шлифования.
Модели NC выпускается с автоматической подачей и с сенсорным экраном
Mitsubishi PLC, который легко читается, легок в управлении, подачи при чистовом
управлении, сигнализирует об окончании прохода, исходное положение, направлении
подачи, возвратный зазор, начала цикли и окончание цикла.
Станок предназначен для наружного шлифования в центрах цилиндрических,
пологих конических и торцевых поверхностей.
Техническая характеристика
Наибольший диаметр шлифуемого изделия в мм _ _ _ _ _ _ _ _ _ _ _200
Наибольшее расстояние между центрами в мм _ _ _ _ _ _ _ _ _ _ _ _ 750
Наибольшее перемещение стола в мм _ _ _ _ _ _ _ _ _ _ _ _ _ _ _ _ _780
Наибольший угол поворота стола в град _ _ __ _ _ _ _ _ _ _ _ _ __ _ _ ±6
Наибольшее поперечное перемещение шлифовальной бабки в мм _ 200
Число оборотов шлифовального круга в минуту _ _ _ _ _ _ _ _ _ _ 1050
Число скоростей вращения патрона бабки изделия _ _ _ _ _ _ _ _ _ _ _ 3
Числа оборотов патрона бабки изделия в минуту
наибольшее _ _ _ _ _ _ _ _ _ _ _ _ _ _ _ _ _ _ _ _ _ _ _ _ _ _ _ _ _ _
_300
наименьшее _ _ _ _ _ _ _ _ _ _ _ _ _ _ _ _ _ _ _ _ _ _ _ _ _ _ _ _ _ _ _
_ 75
Наибольшая скорость продольного перемещения стола в м/мин _ _ _ 10
Наименьшая скорость продольного перемещения стола в м/мин __ _ 0,1
Величина радиальной подачи шлифовальной бабки на ход стола в мм
наибольшая _ _ _ _ _ _ _ __ _ _ _ _ _ _ _ _ _ _ _ _ _ _ _ _ _ _ _ _ _ _
0,03
наименьшая _ _ _ _ _ _ _ _ _ _ _ _ _ _ _ _ _ _ _ _ _ _ _ _ _ _ _ _ _ _ _
0,01
Мощность главного электродвигателя в кВт _ _ _ _ _ _ _ _ _ _ _ _ _ _ _ 7
1.5.5 Обоснование выбора станочных
приспособлений
Выбор приспособлений зависит от ряда факторов, в первую очередь от типа
производства. Правильно выбранное приспособление должно способствовать
повышению производительности труда и точности обработки и выверки при установке
на станке.
Для выполнения опер. 020 токарной и 060 круглошлифовальной - для
крепления детали применяются - патрон трехкулачковый ГОСТ 2675-81 оснащенный
кулачками с упором и центра - вращающийся и невращающийся.
Самоцентрирующий трехкулачковый патрон наиболее распространен в
применении. Кулачки перемещаются одновременно при помощи диска с архимедовой
спиралью. В витки этой спирали входят нижними выступами кулачки. На обратной
стороне диска нарезано коническое колесо, с которым соединены три конических
зубчатых колеса. При повороте ключом одного из них поворачивается и коническое
колесо диска и посредством спирали перемещает по пазам корпуса патрона
одновременно и равномерно все три кулачка; в зависимости от вращения в ту или
иную сторону кулачки приближаются или удаляются от центра, соответственно
зажимая или освобождая деталь. Кулачки изготовляют обычно трехступенчатыми, для
повышения износостойкости их закаливают.
При выполнений вертикально -фрезерной, фрезерно-шпоночной, зубофрезерной
и зубошлифовальной операции для установки и закрепления детали применяются
специальное приспособления оснащенные пневмозажимом.
Приспособления разработаны для заданных операций для обработки данной
детали.
Приспособления, оснащенные пневмозажимами обладают быстротой действия
(зажима-разжима) и высоким усилием зажима, а также его постоянством.
1.5.6 Обоснование выбора режущих и
вспомогательных инструментов
010 Фрезерно-центровальная
РИ: Фреза торцевая насадная с пл. Т15К6 ГОСТ 26596-91
РИ: Сверло центровочное Ø3 Р6М5 ГОСТ14952-75
опер. Токарная с ЧПУ
РИ: резец проходной упорный с пл. Т15К6 ГОСТ 18879-73
РИ: резец канавочный спец. Р6М5
Вертикально-фрезерная
РИ: Фреза торцовая насадная Ø30мм Т14К8 ГОСТ 26596-91
Шпоночно-фрезерная
РИ: Фреза шпоночная Ø9.5мм Т14К8 ГОСТ 9140-78
Шпоночно-фрезерная
РИ: Фреза шпоночная Ø10мм Т14К8 ГОСТ 9140-78
Зубофрезерная
РИ: Фреза концевая Ø80 Р6М5ГОСТ 9305-93
опер. Зубошлифовальная
РИ: Шлифовальный круг 4 250х16х76 25А 10-П С2 7 К1А 1кл ГОСТ2424-78
опер Круглошлифовальная с ЧПУ
РИ Шлифовальный круг 1 100х45х80 25А 10-П С27 К1А 35м/с А 1кл ГОСТ 2424 -
83
1.5.7 Обоснование выбора
измерительных инструментов, приборов, приспособлений
010 Фрезерно-центровальная
МИ: ШЦ-I-350-0.05
МИ: калибр-пробка Ø3 +0.3; ШЦ-I-125-01
опер. Токарная с ЧПУ
Станок: токарно-винторезный с ЧПУ 1Н63РФ3
МИ: Калибр-скоба Æ38.5-0.52 ; Калибр-скобаÆ45-0.62 ; Калибр-скоба Æ56-0.74 ;
Калибр-скоба Æ35-0.52 ; Калибр-скоба Æ30.5-0.52
ШЦ-I-125-0.1 ; фаскомер М5-205а ГОСТ1364-74
МИ: Калибр-скоба Æ28.5 -0. 52 ; ШЦ-I-125-0.1
Вертикально-фрезерная
МИ: ШЦ-I-125-0.1
Шпоночно-фрезерная
МИ: ШЦ-I-125-0.1;
МИ: калибр-пробка 9.5+0.36
Фрезерно-шпоночная
МИ: ШЦ-I-125-0.1
МИ:
калибр-пробка 10
Зубофрезерная
МИ:
калибр профиля зуба;
МИ:ШЦ-I-125-0.1
Термическая
МИ
Твердомер УД3
опер.
Зубошлифовальная
МИ:
Образцы шероховатости ГОСТ 9378-93
опер
Круглошлифовальная с ЧПУ
МИ:Калибр-скоба
Æ30
;
МИ:
Калибр-скобаÆ38
;
МИ:
Образцы шероховатости ГОСТ 9378-93
1.6 Определение режимов резания и
технических норм времени на 2 операции
Операция 015
Станок: токарно-винторезный 1Н63РФ3
Приспособление: Патрон трехкулачковый ГОСТ 2675-81; центр вращающийся
ГОСТ8742-75; центр невращающийся
переход: Точить НЦП и фаски , выдерж. разм. Æ38.5-0.52; Æ45-0.62 ;
98±0.44; Æ56-0.74
; Æ35-0.52 ;40
±0.31; Æ30.5-0.52 ;
38±0.31; 10±0.18; 1.5х45º; 2х45º
РИ: резец проходной упорный с пл. Т15К6 ГОСТ 18879-73
Рисунок 10 - Эскиз обработки на переходе 1 опер.015
Определение длины рабочего хода
Lр.х = Lр + Lп +Lв (19) [1, с.11]
где Lр - длина резанияв - длина врезания [1,с.417]длина подвода и
перебега [1,с.418]р.х. =193+3+6 =202мм,
Определение глубины резания = 1.3мм
Определение стойкости инструмента [1,с.18]
Тр = Тм х λ, (20)
где Тм - стойкость в минутах машинной работы станка;
λ - коэффициент времени резания.
λ =
=
(21)
Тм = 60 мин
Если λ > 0.7, то Тр = Тм
Тр = Тм = 60мин
Назначение подачи на оборот шпинделя [1,с.15,к.Т-2] = 0,3-0,6 мм/ об
принимаем So =0,45 мм/об
Назначение скорости резания [1,с.23]
V = Vтабл х К1 х К2 х К3 , (22)[1с.19]
где Vтабл - скорость резания по таблице =150м/мин [1с.19]
К1 - коэффициент зависящий от обрабатываемого материала
К1 = 0.9 [1с.20]
К2 - коэффициент зависящий от отношения принятой подачи к
подаче рекомендуемой К2 = 1 [1с.21]
К3 - коэффициент зависящий от стойкости инструмента К3
= 1 [1с.21] = 150 х 0.9 х 1 х 1 = 135 м/мин
Определение частоты вращения шпинделя
n
=
(23) [1,с.67]
n
=
= 767мин-1
принимается
n = 750 мин-1
Определение
минутной подачи
Sм = So х n (24) [1,с.12]
Sм = 0,45 х 750 = 337.5 мм/мин
Определение силы резания и мощности оборудования
Рz = Рz табл. х t (25) [1,с.26]
где Ро табл - сила резания табличная
Кр - коэффициент зависящий от обрабатываемого материала
Рz табл = 1.15 кН
Рz = 1.15 х 1.3 = 1.5кН
Nр
=
=
= 3.4кВт
(26)
N рез < Nдв х КПД
Nдв х КПД = 5,5 х 10 = 55 кВт.
.4 кВт < 55 кВт
Определение основного машинного времени
То
=
(27) [7,с.13]
То
=
= 0,6мин
переход:
Точить канавку, выдерж. разм. Æ28.5 -0. 52;
38±0.31; 2+0.52 ; R1
РИ:
резец канавочный спец. Р6М5
Рисунок 11 - Эскиз обработки на переходе 2 опер.015
Определение длины рабочего хода
Lр.х = Lр + Lп (28) [1, с.11]
где Lр - длина резанияподвода и перебега = 3мм р.х. = 2 + 3 = 5 мм,
Определение глубины резания
t
=
=0.75 мм
Определение
стойкости инструмента [7,с.18]
Тр
= Тм х λ, (29)
где Тм - стойкость в минутах машинной работы станка;
λ - коэффициент времени резания.
λ =
=
(30)
Тм = 60 мин
Тр = Тм = 60х0.4= 24мин
Назначение подачи на оборот шпинделя [7,с.15,к.Т-2]= 0,05-0.15 мм/ об
принимаем So = 0,1 мм/об [1с.17]
Назначение скорости резания
V = Vтабл хК1хК2хК3 , (31)[1с.19]
где Vтабл - скорость резания по таблице = 120м/мин [1с.20]
К1 - коэффициент зависящий от обрабатываемого материала К1
= 0,9 [1с.20]
К2 - коэффициент зависящий от отношения принятой подачи к
подаче рекомендуемой К2 = 1 [1с.21]
К3 - коэффициент зависящий от стойкости инструмента К3
= 1 [1с.21] = 120 х 0,9 х 1 х 1 = 108 м/мин
Определение частоты вращения шпинделя
n
=
(32) [7,с.67]
n
=
= 1206мин-1
принимается
n = 1200мин-1
Назначение
минутной подачи
Sм = So х n (33) [7,с.12]
Sм = 0,1 х 120 = 120мм/мин
Определение силы резания и мощности оборудования
Рz = Рz табл. х t (34) [7,с.26]
где Ро табл - сила резания табличная
Кр - коэффициент зависящий от обрабатываемого материала
Рz табл = 0.32 кН
Рz =0.32 х 0.75 = 0.24 кН
Nр=
=
= 3.4кВт
(35)
N рез < Nдв х КПДдв х КПД = 5,5 х 10 = 55 кВт
.4кВт < 55 кВт
Определение основного машинного времени
То
=
(36) [7,с.13]
То
=
= 0,04 мин
переход:
Точить НЦП и фаски , выдерж. разм. Æ38.5-0.52;
Æ45-0.62 ; 98±0.44; Æ35-0.52 ;40 ±0.31; Æ30.5-0.52 ; 38±0.31; 10±0.18;
1.5х45º;
2х45º
РИ:
резец проходной упорный с пл. Т15К6 ГОСТ 18879-73
Рисунок
12 - Эскиз обработки на переходе 3 опер.015
Определение длины рабочего хода
Lр.х = Lр + Lп +Lв (37) [1, с.11]
где Lр - длина резанияв - длина врезания [1,с.417]длина подвода и
перебега [1,с.418]р.х. =100+3+6 =106мм
Определение глубины резания = 1.3мм
Определение стойкости инструмента [1,с.18]
Тр = Тм х λ, (38)
где Тм - стойкость в минутах машинной работы станка;
λ - коэффициент времени резания.
λ =
=
(39)
Тм
= 60 мин
Если
λ
> 0.7, то Тр = Тм
Тр
= Тм = 60мин
Назначение
подачи на оборот шпинделя [1,с.15,к.Т-2] = 0,3-0,6 мм/ об принимаем So =0,45
мм/об
Назначение
скорости резания [1,с.23]
V = Vтабл х К1 х К2 х К3 , (40)[1с.19]
где Vтабл - скорость резания по таблице =150м/мин [1с.19]
К1 - коэффициент зависящий от обрабатываемого материала
К1 = 0.9 [1с.20]
К2 - коэффициент зависящий от отношения принятой подачи к
подаче рекомендуемой К2 = 1 [1с.21]
К3 - коэффициент зависящий от стойкости инструмента К3
= 1 [1с.21] = 150 х 0.9 х 1 х 1 = 135 м/мин
Определение частоты вращения шпинделя
n
=
= 1130.8мин-1
принимается n = 1100мин-1
Определение минутной подачи
Sм = So х n (42) [1,с.12]
Sм = 0,45 х 1100 = 495 мм/мин
Определение силы резания и мощности оборудования
Рz = Рz табл. х t (43) [1,с.26]
где Ро табл - сила резания табличная
Кр - коэффициент зависящий от обрабатываемого материала
Рz табл = 1.15 кН
Рz = 1.15 х 1.3 = 1.5кН
Nр
=
=
= 3.4кВт
(44)
N рез < Nдв х КПДдв х КПД = 5,5 х 10 = 55 кВт.
.4 кВт < 55 кВт
Определение основного машинного времени
То
=
(45) [7,с.13]
То
=
= 0,2мин
переход:
Точить канавку, выдерж. разм. Æ28.5 -0. 52;
38±0.31; 2+0.52 ; R1
РИ:
резец канавочный спец. Р6М5
Рисунок 13 - Эскиз обработки на переходе 4 опер.015
Определение длины рабочего хода
Lр.х = Lр + Lп (46) [1, с.11]
где Lр - длина резанияподвода и перебега = 3мм р.х. = 2 + 3 = 5 мм,
Определение глубины резания
t
=
=0.75 мм
Определение
стойкости инструмента [7,с.18]
Тр = Тм х λ, (47)
где Тм - стойкость в минутах машинной работы станка;
λ - коэффициент времени резания.
λ =
=
(48)
Тм = 60 мин
Тр = Тм = 60х0.4= 24мин
Назначение подачи на оборот шпинделя [7,с.15,к.Т-2]= 0,05-0.15 мм/ об
принимаем So = 0,1 мм/об [1с.17]
Назначение скорости резания
V = Vтабл хК1хК2хК3 , (49)[1с.19]
где Vтабл - скорость резания по таблице = 120м/мин [1с.20]
К1 - коэффициент зависящий от обрабатываемого материала К1
= 0,9 [1с.20]
К2 - коэффициент зависящий от отношения принятой подачи к
подаче рекомендуемой К2 = 1 [1с.21]
К3 - коэффициент зависящий от стойкости инструмента К3
= 1 [1с.21] = 120 х 0,9 х 1 х 1 = 108 м/мин
Определение частоты вращения шпинделя
n
=
(50) [7,с.67]
n
=
= 1206мин-1
принимается
n = 1200мин-1
Назначение
минутной подачи
Sм = So х n (51) [7,с.12]
Sм = 0,1 х 120 = 120мм/мин
Определение силы резания и мощности оборудования
Рz = Рz табл. х t (52) [7,с.26]
где Ро табл - сила резания табличная
Кр - коэффициент зависящий от обрабатываемого материала
Рz табл = 0.32 кН
Рz =0.32 х 0.75 = 0.24 кН
Nр=
=
= 3.4кВт
(53)
N рез < Nдв х КПДдв х КПД = 5,5 х 10 = 55 кВт
.4кВт < 55 кВт
Определение основного машинного времени
То
=
(54) [7,с.13]
То
=
= 0,04 мин
Машинное время на операцию
То = 0.6+0.2+0,4+0.4= 1.6мин
Тшт = (Та + Тв + К) х (1 + (Кобс + Котл) /100), (55) [6c.120]
где К - коэффициент серийности, К =1;
Тв - вспомогательное время, мин;
Кобс - время на обслуживание рабочего места;
Котл - время на отдых и личные надобности.
Та = То + Т ва (56)
Тва
=
+
+ t
см.ин. х i (57)
Sуск.Х = 360мм/обуск.Z = 720мм/обуск.z = 1629 мм/мин. уск.х =
1434мм/мин.см.ин. = 0.1 мин.- кол-во инструментов
Тва
=
+
+0.4 =
6.64 мин.
Та
= 1.6 + 6.64 = 8.24 мин.
Определение
вспомогательного времени на операцию [6,с.28]
Время,
связанное с выполнением операции
Установить заданное взаимное положение детали и инструмента по
координатам Х, Y, Z и в случае необходимости произвести подналадку, Тв = 0,32
мин.
Установить программоноситель в считывающее устройство и снять, Тв = 0,31
мин.
Проверить приход детали или инструмента в нулевые точки после обработки,
Тв = 0,15 мин.
Установить щиток от забрызгивания эмульсией
Тв = 0,03мин.
Проверить работоспособность считывающего устройства и программоносителя
Тв = 0,05мин
Тв1 = 0,32 +0,31+0,15 +0,03+0,05 = 0,86 мин
Время на установку и снятие детали Тв2 = 0.15х2=0.3мин
Время на измерение
Измерение получаемых размеров выполняется калибр - скобами ,
штангенциркулем и фаскомером
Тв3= (0,09 х11)+(0,23х10)+(0,4х2) = 4.09 мин
Тв = Тв1 + Тв2 +Тв3 = 0,86+0,3+4.09=
5.25 мин (58)
Время на обслуживание рабочего места К1 = 4% Топ ( Топ - время
операционное)
Время на отдых и личные надобности К2 =4% Топ
Тшт
= (8.24 + 5.25 +1) х (1 +
) = 14.57 мин
Определение
подготовительно - заключительного времени. Время на организационную
подготовку. [6,с.43] Подбор режущего инструмента, приспособления до начала
работы и сдача их после окончания обработки партии деталей исполнителем на
рабочем месте Тп-з = 4мин
Ознакомиться
с работой, чертежом, техдокументацией, осмотреть заготовки
Тп-з
= 2мин
Инструктаж
мастера Тп-з = 2мин
Время
на наладку станка, приспособлений, инструмента, программных устройств
Сместить
заднюю бабку рукояткой Тп-з = 0.3 мин
Установить
исходные режимы работы станка Тп-з = 0.3 мин
Ввести программу в память систему ЧПУ с программоносителя Тп-з = 1мин.
Установить исходные координаты Х и Z Тп-з = 2 мин
Настроить устройство СОЖ Тп-з = 0.2мин
Время на пробную обработку детали Тп-з = 5.4 мин
Тп-з = 4 + 2 + 2 + 0,3 + 0,3 + 1 + 2 + 0,2 + 5,4 = 17,2 мин.
Определение штучно-калькуляционного времени
Тшт-к
= Тшт +
= 14.57 +
= 14.58
мин
Опер.020
Вертикально-фрезерная
Станок:
Вертикально-фрезерный 6Р12
Фрезеровать
лыску, выдерж. разм. 25-0.52 ; 25±0.26
РИ:
Фреза торцовая насадная Ø30мм Т14К8 ГОСТ 26596-91
МИ:
ШЦ-I-125-0.1
Рисунок 14 - Эскиз обработки в опер.020
Определение длины рабочего хода
Lрх = Lрез + у + Lдоп, (59) [2 c.45]
где Lрез - длина резания = 20ммп - длина перебега = D+(2…5) = 30+5=35мм
(60) [2 c.417]
Lв
- врезания =
(61) [2 c.417]рх = 20 + 35 +6.7= 61.7 мм
Назначение
подачи на зуб фрезы
По
карте Ф2 при z = 5 = 0,035-0.07 мм/зуб [2 c.48]
Принимается
Sz = 0,05 мм/зуб
Подача
но оборот определяется по формуле
Sо = Sz х z = 0,05 х 5 = 0.25мм/об (62) [2 c.45]
Определение стойкости инструмента
Тр =Тм х λ х К (63) [2 c.51]
где Тм-стойкость по карте Ф3
Тм = 40 мин
Тм -коэффициент времени резания
λ = Lрез/Lр.х. = 20/ 61.7 = 0.3 (64) [2
c.51]
К- коэффициент, учитывающий неравномерность загрузки инструмента. К=1
Тр = 40 х 0.3 х 1 = 12мин
Назначение скорости резания
По карте Ф4
V = Vтабл. х К1 х К2 х К3 (65)
где Vтабл. - табличная скорость резания;
К1 - коэффициент, зависящий от обрабатываемого материала;
К2 - коэффициент, зависящий от стойкости инструмента;
К3 - коэффициент, зависящий от отношения длины резания к
диаметру
Vтабл = 26м/мин
К1 = 0.9 при обработке стали
К2 =1 при обработке инструментом из Р6М5
К3 = 1 = 29 х 0.9 х 1 х 1 = 26.1 м/мин
Определение частоты вращения шпинделя
n
=
(66) [2 c.45]
n
=
= 276.3об/мин
Корректировка
по паспорту станка= 250об/мин
Корректируем
значение Vр
Vр
=
=
=
23.6м/мин (67) [2 c.45]
Определение минутной подачи
Sмин = So х n = 0.25 х 250 = 62.5мм/мин (68) [2 c.45]
Определение основного машинного времени
То = (Lрх / Sмин) х I (69) [2 c.45]
То = 61.7 / 62.5 = 0.99мин
Определение штучного и штучно - калькуляционного времени
Тшт = (То + Тв + К) х (1 + (Кобс + Котл) /100), (70) [7c.34]
где К - коэффициент серийности, К =1
Тв - вспомогательное время, мин
Кобс - время на обслуживание рабочего места
Котл - время на отдых и личные надобности
То-основное машинное время, мин
Определение вспомогательного времени на операцию [7,с.28]
Время, связанное с выполнением операции
Установить заданное взаимное положение детали и инструмента и произвести
подналадку, Тв = 0,32 мин.
Проверить подход и отвод инструмента после обработки,
Тв = 0,15 мин
Установить щиток от забрызгивания эмульсией
Тв = 0,03мин.
Проверить работоспособность приспособления
Тв = 0,05мин.
Тв1 = 0,32 +0,15 +0,03+0,05 = 0,55 мин.
Время на установку и снятие детали Тв2 = 0.15
Время на измерение Тв3= 0,23мин.
Тв = Тв1 + Тв2 +Тв3
=0,55+0,15+0.23=0.93мин.
Время на обслуживание рабочего места К1 = 4% Топ [7 c.34]
( Топ - время операционное)
Время на отдых и личные надобности К2 =4% Топ
Тшт
= (0.99 + 0.93 +1) х (1 +
) = 3.15 мин
Определение
подготовительно - заключительного времени
Время
на организационную подготовку. [7 с.43] Подбор режущего инструмента,
приспособления до начала работы и сдача их после окончания обработки партии
деталей исполнителем на рабочем месте
Тп-з
= 4мин.
Ознакомиться
с работой, чертежом, техдокументацией, осмотреть заготовки
Тп-з
= 2мин.
Инструктаж
мастера Тп-з = 2мин.
Время
на наладку станка, приспособлений, инструмента
Установить
приспособление на столе станка и закрепить
Тп-з
= 10 мин.
Установить
исходные режимы работы станка
Тп-з
= 0.3 мин.
Настроить
устройство СОЖ Тп-з = 0.2мин.
Время
на пробную обработку детали Тп-з = 5.4 мин.
Тп-з
= 4 + 2 + 2 + 10 + 0,3 + 0,2 + 5,4 = 15.9мин.
Определение
штучно-калькуляционного времени
Тшт-к
= Тшт +
= 3.15 +
= 3.17
мин (71) [7 c.53]
1.7 Разработка управляющем программы
N001 Т1 S1 0.45 F 135 (подготовка программы)
z200 x200 Е М8 (координирование инструмента в нулевой точке)G10 (вкл. уск.
перемещения).L01 A0 Р1.175 (выбор инструмента)z1 х13.5 Е (подвод инструмента к
началу обработки на ускоренном перемещении)F10 (вкл. поперечного
перемещения)G11 (вкл.рабочей подачи).z-1.5 х15 (точение фаски)F01 (вкл.
продольного перемещения)z-38 х 15 (точение НЦП) F10 z-38 х17.5F01 z-40 х17.5F10
z-40 х19.25F01 z-88 х19.25F10 z-88 х22.5F01 z-98 х22.5F10 z-98 х26F01 z-100
х28F10 z-177 х28F01 z-177 х35 z200 x200 Е М8(координирование инструмента в
нулевой точке)L01 F1.5 W 12 А0 Р0.5 С0 ( смена инструментов, отключение режимов
резания)Т2 S1 0.1 F108 (подготовка программы) z200 x200 Е М8 (координирование
инструмента в нулевой точке)G10 (вкл. уск. перемещения).L01 A0 Р1.175 (выбор
инструмента)z1 х18 z-38 Е (подвод инструмента к началу обработки на ускоренном
перемещении)F10 (вкл. поперечного перемещения)G11 (вкл.рабочей подачи).z-38
х14.25 (точение канавки)z-38 х 18 Е z200 x200 Е М8(координирование инструмента
в нулевой точке)L01 F1.5 W 12 А0 Р0.5 С0 ( смена инструментов, отключение
режимов резания)Т1 S1 0.45 F 135 (подготовка программы) z200 x200 Е М8
(координирование инструмента в нулевой точке)G10 (вкл. уск. перемещения).L01 A0
Р1.175 (выбор инструмента)z1 х13.5 Е (подвод инструмента к началу обработки на
ускоренном перемещении)F10 (вкл. поперечного перемещения)G11 (вкл.рабочей
подачи).z-1.5 х15 (точение фаски)F01 (вкл. продольного перемещения)z-38 х 15
(точение НЦП) F10 z-38 х17.5F01 z-40 х17.5F10 z-40 х19.25F01 z-88 х19.25F10
z-88 х22.5F01 z-98 х22.5F10 z-98 х26F01 z-100 х28z200 x200 Е М8(координирование
инструмента в нулевой точке)L01 F1.5 W 12 А0 Р0.5 С0 ( смена инструментов,
отключение реж.рез.)Т2 S1 0.1 F108 (подготовка программы) z200 x200 Е М8
(координирование инструмента в нулевой точке)G10 (вкл. уск. перемещения).L01 A0
Р1.175 (выбор инструмента)z1 х18 z-38 Е (подвод инструмента к началу обработки
на ускоренном перемещении)F10 (вкл. поперечного перемещения)G11 (вкл.рабочей
подачи).z-38 х14.25 (точение канавки)z-38 х 18 Е z200 x200 Е М8(координирование
инструмента в нулевой точке)L01 F1.5 W 12 А0 Р0.5 С0 ( смена инструментов,
отключение реж. рез.)М09М02 (остановка программы обработки)
2. Экономическая часть
2.1 Определяется цеховая
себестоимость изготовления детали
Дано:
плановая прибыль = 21 %
деталь - держатель
годовая программа - 500 штук
материал детали - Сталь 45
вид заготовки - круглый прокат
вес заготовки, кг - 1,53
вес отходов, кг - 0,14
Процентные расходы для калькуляции себестоимости: транспортные расходы
1,6 %
премии 65%
дополнительная зарплата 20%
отчисления во внебюджетные фонды 31,41%
общезаводские расходы 330%
цеховые расходы 60%
цена исходного материала за 1 кг 24 рублей
цена отходов за 1 кг 2,4 рублей
Таблица 6 Экономический расчет
|
№ операции
|
Наименование операции
|
t шт.к мин
|
Разряд
|
Станок
|
|
010
|
Фрезерно-центр.
|
2,56
|
3
|
2Г942
|
|
015
|
Токарная с ЧПУ
|
15,52
|
3
|
1Н63РФ3
|
|
020
|
Вертикально-фрез.
|
4,24
|
4
|
6Р12
|
|
030
|
Шпоночно-фрезер.
|
3,6
|
4
|
692Д
|
|
035
|
Шпоночно-фрезер
|
3,6
|
4
|
692Д
|
|
045
|
Зубофрезерная
|
4,3
|
4
|
5К310
|
|
065
|
Зубошлифовальная
|
2,52
|
4
|
5В883
|
|
070
|
Круглошлиф. С ЧПУ
|
1,3
|
4
|
Supertec Machinery
|
1) Определяются затраты на материал определяются по формуле
(руб)
где
- затраты
на материал, руб;
-
коэффициент, учитывающий транспортно-изготовительные расходы;
-вес
исходной заготовки;
- вес
реализуемых отходов;
- цена за
1 кг исходной заготовки;
- цена за
1 кг реализуемых отходов;
2) Определяется прямая заработная плата основных производственных
рабочих
гдесд - сдельная расценка;
Счас - часовая тарифная ставка соответствующего разряда работы,
руб;шт.к - норма штучно-калькуляционного времени;
=49,36
руб/дет
3) Определяется премия
,
где
%Пр - процентное начисление на премии;
4) Определяется дополнительная заработная плата
,
где
-
процентное начисление на дополнительную зарплату
5) Определяется отчисление во внебюджетные фонды
,
где
-
основная зарплата которая складывается из прямой зарплаты и премий;
-
процентное начисление на отчисления во внебюджетные фонды
6) Общезаводские расходы
,
где
-
процентное начисление на общезаводские расходы;
7) Определяется цеховые расходы - расходы, возникающие на уровне
цеха;
,
где
%Цр - процентное начисление на цеховые расходы;
Цеховая
себестоимость составит 320,94 руб
Заводская
себестоимость составляет 397 руб
Из
данного расчета следует, что измененных технологический процесс изготовления
детали «Держатель» экономически выгоднее заводского технологического процесса,
т.к. снижается себестоимость изготовления детали.
3. Организационная часть.
3.1 Организация рабочего места
Организация рабочего места представляет собой комплекс мероприятий,
направленных на создание всех необходимых условий для высокопроизводительного
труда, повышения его содержательности и охраны здоровья рабочего. Она включает:
специализацию рабочего места, рациональную планировку рабочего места, оснащение
рабочего места оборудованием, инвентарем и оснасткой, бесперебойное обеспечение
рабочего места энергоносителями, транспортом и т.п., создание комфортных
условий труда. Рабочее место является первичным звеном
производственно-технологической структуры предприятия, в которой осуществляется
процесс производства, его обслуживание и управление. Именно здесь происходит
соединение трех основных элементов этого процесса и достигается его главная
цель - производства предметов труда, оказание услуг либо технико-экономическое
обеспечение и управление этими процессами. От того, как организованы рабочие
места, во многом зависит эффективность использования самого труда, орудий и
средств производства и, соответственно, производительность труда, себестоимость
выпускаемой продукции, ее качество и многие другие экономические показатели
функционирования предприятия.
Внешняя планировка рабочего места - это размещение основного оборудования
организационной оснастки, подъемно-транспортных средств, приспособлений,
заготовок и готовых деталей. Внутренняя планировка рабочего места включает
размещение в инструментальных шкафах и ящиках инструмента, приспособлений и
предметов по уходу за оборудованием и поддержанию чистоты на рабочем месте.
Рабочее место состоит из следующих элементов:
1. производственной
площади;
2. основного оборудования;
3. устройств для хранения материалов, заготовок, готовой продукции, отходов
и брака;
4. устройства для хранения инструментов, оснастки и приспособлений;
5. подъемно-транспортных устройств;
Рабочее место представляет собой закрепленную за отдельным рабочим или
группой рабочих часть производственной площади, оснащенную необходимыми
технологическим, вспомогательным, подъемно-транспортным оборудованием,
технологической и организационной оснасткой, предназначенными для выполнения
определенной части производственного процесса.
Каждое рабочее место имеет свои специфические особенности, связанные с
особенностями организации производственного процесса, многообразием
форм конкретного труда. Состояние рабочих мест, их организация напрямую
определяют уровень организации труда на предприятии. Кроме этого организация
рабочего места непосредственно формирует обстановку, в
которой постоянно находится работник на производстве, что влияет на его
самочувствие, настроение, работоспособность и, в конечном итоге, на
производительность труда.
Организация рабочего места представляет собой материальную основу,
обеспечивающую эффективное использование оборудования и рабочей силы. Главной
ее целью является обеспечение высококачественного и эффективного выполнения
работы в установленные сроки на основе полного использования оборудования,
рабочего времени, применения рациональных приемов и методов труда, создания
комфортных условий труда, обеспечивающих длительное сохранение
работоспособности работников. Для достижения этой цели к рабочему месту
предъявляются технические, организационные, экономические требования.
1. С
технической стороны
рабочее место должно быть оснащено прогрессивным оборудованием, необходимой
технологической и организационной оснасткой, инструментом, контрольно-измерительными
приборами, предусмотренными технологией, подъемно-транспортными
средствами.
2. С
организационной стороны имеющееся на рабочем месте оборудование должно быть
рационально расположено в пределах рабочей зоны; найден вариант оптимального
обслуживания рабочего места сырьем, материалами, заготовками, деталями,
инструментом, ремонтом оборудования и оснастки, уборкой отходов; обеспечены
безопасные и безвредные для здоровья рабочих условия труда.
3. С экономической стороны организация рабочего места должно обеспечить
оптимальную занятость работников, максимально высокий уровень
производительности труда и качество работы.
Таким образом, задачи организации труда в области организации рабочих
мест направлены на достижение рационального сочетания вещественных элементов
производственного процесса и человека, обеспечение на этой основе высокой
производительности и благоприятных условий тру
Таблица 7 Обслуживание рабочего места и условия труда
|
Предприятие
|
Карта организации труда на
рабочем месте
|
Цех, участок. Рабочее место
|
|
|
|
|
Исходные данные
|
Предмет труда и технологии
обработки
|
Форма организации труда
|
Форма оплаты труда
|
|
|
|
|
|
Деталь-представитель -
пробка
|
Индивидуальная
|
Сдельно Премиальная
|
|
Материал - сталь Ст40х
|
|
|
|
Вид заготовки - штамповка
|
|
|
|
Масса заготовки, в кг - 6,7
|
|
|
|
Операция 010 Токарная с ЧПУ
|
|
|
|
№ технологической карты
|
|
|
|
Трудовой
|
Элементы процесса труда
|
График многостаночного
обслуживания
|
|
Взять заготовку, установить
в приспособлении и закрепить ее. Обработать деталь согласно документации.
Проверить размеры и снять заготовку, уложить в тару
|
-
|
|
|
|
|
|
|
|
|
|
|
Оснастка
|
Габарит размеры
|
Количество
|
|
Рабочие место
|
Тех. оборудование
|
2270x1100
|
1
|
16Е20Ф1-02
|
|
Токарно-винторезный с ЧПУ
|
|
|
ГОСТ 166-88
|
|
Техоснастка
|
|
|
|
|
Штангенциркуль
|
|
1
|
|
|
Орг. оснастка:
|
|
|
|
|
- решетка под ноги
|
|
1
|
|
|
- столик приёмный
|
|
1
|
|
|
|
|
|
|
|
|
Таблица 8 Планировка рабочего места
|
Пространственная
организация рабочего места (планировка) оператора на станке с ЧПУ
|
|
1. столик с инструментальными ящиками; 2. - стол приемный С8705.23; 3. - стеллаж-подставка СД3702.10А; 4. - тара производственная; 5. - планшет для чертежей СД3750.04; - решетка под
ноги рабочему
|
Таблица 9
|
Функции обслуживания
|
Исполнители, способы и
режим обслуживания
|
|
Обслуживание рабочего места
|
Обеспечение технической
документацией, заготовками, транспортом
|
Производственно-диспетчерский
отдел
|
|
Выдача задания и
систематический инструктаж рабочего
|
Мастер
|
|
Обеспечение чертежами,
инструментом, приспособлением
|
Инструментально-раздаточная
кладовая
|
|
Обеспечение наладки
оборудования и оснастки
|
Наладчик
|
|
Обеспечение ремонта и
ремонтного обслуживания технологического и энергетического оборудования
|
Ремонтно-энергетическая
служба
|
|
Обеспечение контроля
качества обработки детали
|
Отдел технического контроля
|
|
Условия труда
|
Факторы
|
Нормы
|
|
Температура ГОСТ 12.1005-88
|
18-25 °С
|
|
Влажность ГОСТ 12.1005-88
|
40-60%
|
|
Уровень шума ГОСТ
12.1003-83
|
до 70 ДБ
|
|
Освещенность ГОСТ 1003-83
|
200-500 пк
|
|
Требования к исполнителю
|
Профессия - оператор станка
с ЧПУ
|
|
Тарифный разряд - 4
|
3.2 Охрана труда и техника
безопасности на рабочем месте
Охрана труда и соблюдение правил техники безопасности очень важны.
Правильно организованная работа по обеспечению безопасности труда
повышает дисциплинированность работников, что, в свою очередь, ведет к
повышению производительности труда, снижению количества несчастных случаев,
поломок оборудования и иных нештатных ситуаций, то есть повышает в конечном
итоге эффективность производства.
Охрана труда подразумевает обеспечение безопасности работников во время
исполнения ими служебных обязанностей. Правильный подход к организации охраны
труда на предприятии, грамотное использование различных нематериальных способов
стимулирования работников дают последним необходимое чувство надежности,
стабильности и заинтересованности руководства в своих сотрудниках.
Требования технике безопасности до начала работы:
1.
Необходимо проверить и подготовить к работе необходимый инструмент и
приспособление, убедиться в их исправности.
2. Проверить исправность станка, наличие заземления, действие рукояток и
кнопок.
3. Проверить надежность закрепления заготовки.
4. Обо всех замеченных неисправностях станка необходимо немедленно сообщить
мастеру и без его разрешения не приступать к работе.
5. Требования технике безопасности во время работы:
6. Не работать на станке в рукавицах.
7. Необходимо проверить, чтобы режущие инструменты были правильно заточены и
не имели трещин.
8. При работе на станке, его рабочая зона должна быть защищена защитным устройством
и в случае неисправности обращаться к мастеру.
Охрану предприятия осуществляют пожарные части, расположенные на
участках, примыкающих к дорогам общего пользования. Задачами пожарных
подразделений по охране объектов являются: проведение профилактической работы
по контролю за соблюдением противопожарной безопасности, своевременному
устранению выявленных противопожарных недочетов и предупреждению пожаров, а так
же созданию условий для безопасности людей и быстрой эвакуации людей,
оборудование и материалов в случае пожаров и успешное их тушение.
Так же ответственность за обеспечение пожарной безопасности на
предприятии несут руководители этих объектов, а на участках, складах, отделах,
цехах руководители этих подразделений. Это работники обязаны:
· проводить повседневный контроль выполнения противопожарного
режима;
· устанавливать четкий режим проведения сварочных и
других огневых работ;
· организовать специальную уборку помещений в период
работы и перед окончанием смены;
· определять помещения для хранения сырья, а также
количество единовременного совместного хранения в них сырья.
Правила и инструкции по охране труда Министерство труда Российской
Федерации от 17.12. 2002 года постановлением № 80 утвердило Методические
рекомендации по разработке государственных нормативных требований охраны труда.
Данным документом установлен порядок разработки, согласования, утверждения,
учета, издания, распространения, отмены правил и инструкций по охране труда,
установлены требования к их построению, содержанию, оформлению и обозначению,
порядок их проверки, пересмотра и обеспечения ими предприятий, а также надзор и
контроль за их соблюдением. Правила по охране труда не исключают действия
стандартов Системы стандартов безопасности труда (ССБТ), строительных и
санитарных норм и правил, а также правил, норм безопасности, утвержденных
федеральными надзорами России, и не должны противоречить этим документам.
Правила по охране труда - нормативный акт, устанавливающий требования по охране
труда, обязательные для исполнения при проектировании, организации и
осуществлении производственных процессов, отдельных видов работ, эксплуатации
производственного оборудования, установок, агрегатов, машин, аппаратов, а также
при транспортировании, хранении, применении исходных материалов, готовой
продукции, веществ, отходов производств и т. д. Правила по охране труда могут
быть межотраслевого и отраслевого назначения. Межотраслевые правила по охране
труда утверждаются Министерством труда Российской Федерации, а отраслевые
правила - соответствующими федеральными органами исполнительной власти по
согласованию с Министерством труда Российской Федерации. Правила по охране
труда утверждаются на определенный срок действия или без ограничения этого
срока. Инструкция по охране труда - нормативный акт, устанавливающий требования
по охране труда при выполнении работ в производственных помещениях, на
территории предприятия, на строительных площадках и в иных местах, где
производятся эти работы или выполняются служебные обязанности Инструкции по
охране труда могут быть типовыми (отраслевыми или межотраслевыми) и для
работников предприятий (для отдельных должностей, профессий и видов работ).
Типовые инструкции утверждаются федеральными органами исполнительной власти
после проведения предварительных консультаций с соответствующими профсоюзными
органами. В качестве типовой инструкции данной отрасли может быть использована
типовая инструкция другой отрасли для работников соответствующих профессий
(видов работ) с согласия федерального органа исполнительной власти, утвердившего
указанную инструкцию.
Типовая инструкция для работников должна содержать следующие разделы:
общие требования охраны труда (включая должностные обязанности работника);
требования охраны труда перед началом работы; требования охраны труда во время
работы; требования охраны труда в аварийных ситуациях; требования охраны труда
по окончании работы. При необходимости в инструкцию можно включать
дополнительные разделы. Для вводимых в действие новых производств допускается
разработка временных инструкций для работников. Временные инструкции должны
обеспечивать безопасное ведение технологических процессов и безопасную
эксплуатацию оборудования инструкции для работников всех должностей
утверждаются руководителем предприятия после согласования с соответствующим
профсоюзным органом (или иным выборным органом) и службой охраны труда, а в
случае необходимости и с другими заинтересованными службами и должностными
лицами по усмотрению службы охраны труда. Инструкции могут быть выданы
работникам на руки под расписку в личной карточке инструктажа для изучения при
первичном инструктаже, либо вывешены на рабочих местах или участках, либо
храниться в ином месте, доступном для работников. Изучение инструкций для
работников обеспечивается работодателем. Требования инструкций являются
обязательными для работников. Невыполнение этих требований должно
рассматриваться как нарушение трудовой дисциплины.необходимых для допуска
работника к обслуживанию оборудования и/или выполнению работ, подконтрольных
органам государственного надзора; сохранение необходимых знаний и навыков,
развитие производственных навыков в процессе трудовой деятельности
совершенствование знаний и навыков при изменении производственных условий;
постоянный и систематический контроль профессиональных знаний и навыков
работника в процессе его трудовой деятельности; изучение и применение передовых
безопасных приемов производства работ, воспитание у персонала ответственности
за соблюдение правил, норм и инструкций по охране труда.
Органы, осуществляющие управление охраной труда
Министерство здравоохранения и социального развития Российской Федерации
- ссылка не работает с 2012 годаФедеральная служба по труду и занятости
(Роструд) Московский городской центр условий и охраны трудаФГБУ «ВНИИ охраны и
экономики труда» Минздравсоцразвития РоссииФедеральная служба по
экологическому, технологическому и атомному надзору (Ростехнадзор) Федеральная
служба по надзору в сфере защиты прав потребителей и благополучия человека
(Роспотребнадзор) Министерство здравоохранения и социального развития
Департаменты охраны труда
Государственная академия охраны труда Общероссийский центр охраны труда
Охрана труда - система сохранения жизни и здоровья работников в процессе
трудовой деятельности, включающая в себя правовые, социально- экономические,
организационно-технические, санитарно-гигиенические, лечебно- профилактические,
реабилитационные и иные мероприятия.
Производственная деятельность - совокупность действий работников с
применением средств труда, необходимых для превращения ресурсов в готовую
продукцию, включающая в себя производство и переработку различных видов сырья,
строительство, оказание различных видов услуг.
Условия труда - совокупность факторов производственной среды и трудового
процесса, оказывающих влияние на работоспособность и здоровье работника.
Условия труда подразделяются на четыре класса:
1) оптимальные
условия труда - это условия, при которых сохраняются здоровье работающих и
создаются предпосылки для поддержания высокого уровня работоспособности;
2) допустимые условия труда характеризуются такими уровнями факторов среды и
трудового процесса, которые не превышают установленных гигиенических нормативов
для рабочих мест, а возможные изменения функционального состояния организма
восстанавливаются во время регламентированного отдыха или к началу следующей
смены и не должны оказывать неблагоприятного воздействия на состояние здоровья
работающих в ближайшем и отдаленном периоде:
3) вредные условия труда характеризуются наличием вредных производственных
факторов, превышающих гигиенические нормативы и оказывающих неблагоприятное
действие на организм работающего. Вредный производственный фактор - это элемент
труда (температура; влажность; подвижность воздуха; радиация; статические,
электрические и магнитные поля; шум; вибрация; пыль; освещенность; тяжесть
труда; физические перегрузки; рабочая поза; напряженность труда; эмоциональные
нагрузки; монотонность и т.д.),воздействие которого на работника может привести
к его заболеванию.
4) опасные (экстремальные) условия труда характеризуются уровнями
производственных факторов (движущиеся машины и механизмы, перемещаемые грузы,
краны, отлетающие части обрабатываемых материалов, электрический ток, повышения
температуры, излучение, едкие и токсичные вещества (кислоты и щелочи), повышенные
концентрации паров и газов, взрывоопасные среды, загазованность и запыленность
помещений, низкая температура и сквозняки, электромагнитное излучение,
излучение электросварки), воздействие которых на человека в течение рабочей
смены (или ее части) создают угрозу для жизни, высокий риск развития острых
профессиональных заболеваний, в том числе тяжелых форм.
Опасный производственный фактор - это производственный фактор,
воздействие которого на работника может привести к его травме.
Сертификат соответствия работ по охране труда (сертификат безопасности) -
документ, удостоверяющий соответствие проводимых в организации работ по охране
труда установленным государственным нормативным требованиям охраны труда.
Рабочее место - место, где работник должен находиться или куда ему
необходимо прибыть в связи с его работой и которое прямо или косвенно находится
под контролем работодателя.
Средства индивидуальной и коллективной защиты работников - технические
средства, используемые для предотвращения или уменьшения воздействия на
работников вредных и (или) опасных производственных факторов, а также для
защиты от загрязнения.
Безопасные условия труда - условия труда, при которых воздействие на
работающих вредных и (или) опасных производственных факторов исключено либо
уровень их воздействия не превышает установленные нормативы.
Требования охраны труда
Государственными нормативными требованиями охраны труда, содержащимися в
федеральных законах и иных нормативных правовых актах Российской Федерации и
законах и иных нормативных правовых актах субъектов Российской Федерации об
охране труда, устанавливаются правила, процедуры и критерии, направленные на
сохранение жизни и здоровья работников в процессе их трудовой деятельности.
Требования охраны труда обязательны для исполнения юридическими и
физическими лицами при осуществлении ими любых видов деятельности, в том числе
при проектировании, строительстве (реконструкции) и эксплуатации объектов,
конструировании машин, механизмов и другого оборудования, разработке
технологических процессов, организации производства и труда.
Порядок разработки и утверждения подзаконных нормативных правовых актов
об охране труда, а также сроки их пересмотра устанавливаются Правительством РФ.
4. Реальная часть
4.1 Назначение и цель
спроектированного и изготовленного объекта
В качестве реальной части изготовлено методическое пособие для проведения
практических занятий по дисциплине « Технология машиностроения», а так же для
курсового и дипломного проектирования.
Внедрение ЧПУ в технологию машиностроения обусловлено необходимостью
построения условных моделей технологического процесса, а следовательно, широкое
и использование математических методов и числовой вычислительной технике. Это
привело к революционным изменениям в технологии машиностроения. При этом программирование
обработке на станках с ЧПУ. Возникшее на стыке ряда дисциплин ( технологии
машиностроения, математике, кибернетики), со временем приобрело самостоятельное
значение.
Эксплуатация станков с ЧПУ возможна при наличии не только соответствующего
технологического процесса, но и обеспечивающих его исполнение управляющих
программ (УП). Поэтому программирование для станков с ЧПУ отличается
трудоемкостью и сложностью, требует от технолога высокой профессиональной
подготовки, знания не только ряда технологических дисциплин, но и основ
программирование, некоторых разделов математике.
Обеспечение высокого качества технологических процессов и УП при
минимальных затратах труда и времени на их подготовку и изготовление - одного
из главных условий рационального использование станков с ЧПУ в промышленности.
Появилась новая специальность - технолог- программист. На предприятиях
сформировались бюро программного управления для технологического обеспечения
станков с ЧПУ.
Программирование технологических процессов для станков с ЧПУ -
качественно новый этап. На котором выполняется значительная часть работы,
перенесенная из сферы непосредственного производства в область его
технологической подготовки. Так, действие квалифицированного рабочего,
обрабатывающего заготовку на обычном станке, заменяется на станке с ЧПУ
обработкой на управляющей программе, содержащей подробную информацию
о последовательности и характер функционирования его исполнительных
механизмов. Требования к квалификации оператора снижаются. Так как задачи
формообразования теперь решает технолог- программист в процессе подготовки УП
При подготовки УП перерабатывается большой объем технологической
информации, и в ряде случаев поиск и нахождение оптимальных решений возможность
лишь при широком использования в процессе программирования компьютерной
технике. Методы и организация подготовки УП на предприятиях зависит от доступа
к ЭВМ, наличия и совершенства специального программно-математического
обеспечения (ПМО), типизация технологических служб. Развитие и широкое
применение в промышленности компьютеров, применение ЭВМ для управления
участками станков и создание автоматизированных рабочих мест - все это создает
предпосылки для полного перехода на автоматизированную подготовку УП для
станков с ЧПУ. При этом неизбежно слияние систем автоматизированного
программирования (САП) изготовления изделий с решением насущного вопроса
производства - комплексной автоматизации проектирования и изготовления.
Настоящие время имеется большое количество систем САП, которые работают в
диалоговом режиме, то есть компьютер дает подсказку технологу программисту и
программа составляется в определенной последовательности, которая определяется
внедренной в компьютер программой. Методичка содержит справочные данные по
основным аспектам процесса подготовки управляющих программа для станков с ОЦ и
ЧПУ. Она может быть использована для самостоятельного изучения вопросов по теме
и является работой при использование серии книг по теоретическому и
практическому программированию. Особое внимание определено решению актуальных
задач программирования, рассмотрены типовые методики, приведены типовые
примеры.
Приведенные программы имеют в основном учебный характер. Они не всегда
оптимальны с точки зрения технологии. В ряде случаев программы упрощены.
В них могут отсутствовать команды на замену инструмента, его коррекцию,
на выход инструмента с позиции замены, на смещение нуля. Но все они хорошо
иллюстрируют текст и помогают усвоить рассматриваемый материал, методическое
построение которого отвечает современному уровню.
Литература
1. Барановский Ю.В. «Режимы резания металлов» Москва
1995.,455с
. Добрыднев И.С. Курсовое проектирование по предмету
«Технология машиностроения» - М. Машиностроение 1985,183с
. Справочник технолога-машиностроителя. Т.1 и Т2
/Под.ред.А.Г.Косиловой и Р.К. Мещерякова. М.:Машиностроение, 1985,655с.
. Нефедов Н.А. Дипломное проектирование в машиностроительных
техникумах. М.Высш.шк., 1986,237с
. Центральное бюро нормативов по труду Государственного
комитета СССР по труду и специальным вопросам. Общемашиностроительные нормативы
времени и режимов резания для нормирования работ, выполняемых на универсальных
и многоцелевых станках с ЧПУ М/ Экономика/ 1990.
. Центральное бюро промышленных нормативов по труду при
научно-исследовательском институте труда государственного комитета совета
министров СССР по вопросам труда и заработной платы. Общемашиностроительные
нормативы времени вспомогательного, на обслуживание рабочего места и
подготовительно-заключительного для технического нормирования станочных работ
М/ Машиностроение/ 1974.