|
Параметр
|
Значение
|
|
Номинальное
напряжение питания
|
5 В 5%
|
|
Выходное
напряжение низкого уровня
|
не более 0,4 В
|
|
Выходное
напряжение высокого уровня
|
не менее 2,4 В
|
|
Напряжение на
антизвонном диоде
|
не менее -1,5 В
|
|
Входной ток
низкого уровня
|
не более -1,6
мА
|
|
Входной ток
высокого уровня
|
не более 0,04
мА
|
|
Входной
пробивной ток
|
не более 1 мА
|
|
Ток потребления
|
не более 50 мА
|
|
Ток короткого
замыкания
|
-18…-55 мА
|
|
Продолжение
таблицы 7
|
|
1
|
2
|
|
Потребляемая
статическая мощность на один логический элемент
|
не более 65,6
мВт
|
|
Время задержки
распространения при включении
|
не более 30 нс
|
|
Максимальное
время фронта и спада входного ипульса
|
150 нс
|
Конденсатор керамический постоянной ёмкости
КМ-5б-H90
Конденсаторы КМ5Б предназначены для работы в цепях
постоянного, переменного токов и в импульсных режимах. КМ5Б - изолированные
округленные керамические конденсаторы во всеклиматическом исполнении [7].
тип КМ5Б;
рабочее напряжение 50 В;
номинальная емкость 0.1мкФ;
допуск номинала 80÷20%;
температурный коэффициент емкости Н90;
рабочая температура 60÷85оС
Габаритные размеры представлены на рисунке 7.
Рисунок 7
Алюминиевые оксидно-полупроводниковые
конденсаторы К53-14-6,3В
Данные конденсаторы заключены в герметичный корпус, имеют
малые и стабильные токи утечки, большие значения удельной емкости, улучшенные
температурно-частотные характеристики емкости и тангенс угла диэлектрических
потерь [7].
Основные технические характеристики:
СНОМ = 10,0 мкФ;
UНОМ = 6,3 В;
диапазон рабочих температур от -60°С до +85°С;
тангенс угла потерь max 30%, (50 Гц);
допускаемое отклонение емкости ±10%, ±20%, ±30%;
минимальная наработка 10000 час;
минимальный срок сохраняемости 15 лет;
вид приемки «1», «5»;
климатическое исполнение УХЛ, В.
Габаритные размеры представлены на рисунке 8, а основные
характеристики в таблице 9.
Рисунок 8
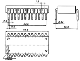
Резистор МЛТ-0,125 1кОм±10%
Резисторы МЛТ-0,125 постоянные металлопленочные лакированные
теплостойкие, металлодиэлектрические с металлоэлектрическим проводящим слоем
неизолированные, для навесного монтажа. Резисторы предназначены для работы в
электрических цепях постоянного, переменного и импульсного токов [16].
Габаритные размеры представлены на рисунке 9.
Основные технические характеристики резисторов МЛТ-0,125:
диапазон номинальных сопротивлений: 1 Ом… 10 Мом;
номинальная мощность: 0,125 Вт;
предельное напряжение: 200 В;
допускаемые отклонения сопротивлений: ±1; ±2; ±5; ±10%;
диапазон температур: -60… +70 °С;
минимальная наработка: 30000 ч;
срок сохраняемости: 25 лет.
Рисунок 9
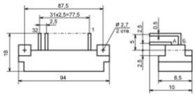
Соединитель СНП58-64/98х9B-1
Соединитель СНП58-64/98х9B-1 представляет собой 64
контактную вилку, габаритные размеры которой представлены на рисунке 10. Масса
соединителя СНП58-64/98х9B-1 равна 30 грамм [13].
Рисунок 10
2. Выбор типа платы
По ГОСТ 23751-86 предусмотрены следующие типы конструкции ПП:
ОПП - односторонние печатные платы (рисунок 11). Применяются
в бытовой технике, технике связи и в блоках питания на ЭРЭ. Имеют низкую
стоимость, высокую надежность, низкую плотность компоновки;
двусторонние печатные платы (ДПП). Применяются в
измерительной, вычислительной технике, технике управления и автоматического
регулирования, технике связи, высокочастотной технике;
многослойные печатные платы (МПП). Применяются в технике
управления и автоматического регулирования, вычислительной и бортовой
аппаратуры с высокими требованиями по быстродействию, плотности монтажа,
волновому сопротивлению, времени задержки сигнала и т. д.
гибкие печатные платы (ГПП). Применяются в ЭА и высокой
надежности при реализации уникальных и сложных технических решений, конструкция
которых исключает применение жестких печатных плат.
При выборе типа конструкции печатных плат учитывают:
тип элементной базы: традиционная (корпусная); бескорпусная;
поверхностно-монтируемые компоненты; смешанная (традиционная и ПМК);
возможность выполнения всех коммутационных соединений;
технико-экономические показатели;
Исходя из задания, на плате модуля формирования импульса
размещается следующие компоненты:
десять логических ИМС в корпусе DIP;
64 контактная соединительная вилка СНП58-64/98х9B-1;
пять конденсаторов, один из которых - электролитический;
два резистора.
Все элементы монтируются традиционным способом,
количество микросхем позволяет использовать двухстороннюю печатную плату. Это
позволяет упростить разводку и уменьшить толщину печатных проводников [1].
3. Определение габаритных размеров печатной платы
Суммарная площадь, занимаемая всеми компонентами на поверхности
печатной платы модуля формирования импульса рассчитана и сведена в таблицу 1.
Расчет суммарной площади производится исходя из площади, занимаемой
фиксирующими отверстиями, элементами схемы и коэффициента, учитывающего класс
точности.
(1)
Где
- площадь, занимаемая фиксирующими отверстиями;
- коэффициент, учитывающий класс точности;
значение установочной площади i-го элемента.
Ближайший размер, в соответствии с ОСТ 4.010.020-83, при
котором возможно установить на широкую сторону соединитель СНП58-64/98х9B-1 - 120х80 мм.
Толщина печатного узла определена соотношением
г = d/H, (2)
где Н - толщина ПП;
d - номинальные значения
диаметра сквозного наименьшего металлизированного отверстия, принимается равным
0,8мм;
г = 0,2 - 0,6 - отношение диаметра сквозного отверстия к
толщине ПП, при выполнении расчёта для второго класса точности принимается г =
0,40.
Из формулы (2) выражается толщина ПП
H = d/г = 0,8/0,4 = 2 мм (3)
Выбор толщины фольги производится на основании токовой
нагрузки, метода изготовления и класса точности. Для изготовления печатной
платы комбинированным позитивным методом рекомендуется использовать
диэлектрическое основание из стеклотекстолита с толщиной фольги от 35 до 50
мкм.
Модуль формирования импульса реализован на интегральных
микросхемах ТТЛ серии К155 и относится к слаботочному классу, по этому толщину
фольги принимаем равной 35 мкм [11].
4. Выбор материала платы
В качестве материала основания ПП применяются слоистые
диэлектрики, с одной или двух сторон фольгированные медной фольгой, или
нефольгированные диэлектрики.
К фольгированным и нефольгированным диэлектрикам
предъявляются следующие требования:
1) высокие поверхностное и удельное объемное
сопротивление, характеризующие величину тока утечки;
2) высокая электрическая прочность изоляции,
определяемая напряжением постоянного тока, при котором происходит пробой;
) низкие значения диэлектрической проницаемости и
тангенса угла диэлектрических потерь - для передачи высокочастотных сигналов и
снижения тепловыделения, обусловленного диэлектрическими потерями;
) стабильность электрических характеристик при
повышенной влажности и температуре;
) высокая механическая прочность: предел прочности при
растяжении, при изгибе, которые зависят от типа используемой смолы и снижаются
при повышении температуры;
) высокая теплоустойчивость, которая зависит от типа
наполнителя и состава смолы;
) хорошая механическая обрабатываемость при резке,
фрезеровании, зачистке, сверлении и других операциях без образования сколов,
трещин и расслоения диэлектрика;
) устойчивость к агрессивным средам (кислотам,
щелочам, растворителям и пр.) в технологическом процессе изготовления ПП;
) хорошая прочность сцепления (адгезия) фольги с
диэлектриком, которая зависит от материала фольги, способа ее получения,
состояния поверхности, температуры и времени выдержки при повышенной
температуре и пр.;
) негорючесть - требование международных стандартов
применения в ЭА только самозатухающих фольгированных диэлектриков;
11) низкое водопоглощение для исключения расслоения
диэлектрика особенно при нагреве;
12) низкая стоимость и др.
Материал основания ПП выбирают по техническим условиям на
материалы конкретного вида и ГОСТ 10316-78 с учетом:
1) Электрических и физико-механических параметров ПП во
время и после воздействия механических нагрузок;
2) Климатических факторов и химических агрессивных сред
в процессе производства и эксплуатации;
) Обеспечением автоматизации процесса установки ЭРЭ.
Выбор материала ПП также зависит от технологии изготовления
ПП [11].
.1 Гетинакс
Гетинакс обладает удовлетворительными электроизоляционными
свойствами в нормальных климатических условиях, хорошей обрабатываемостью и
низкой стоимостью, нашел применение в производстве бытовой РЭА.
Гетинакс фольгированный состоит из спрессованных слоев
электроизоляционной бумаги (армирующего наполнителя), пропитанных фенольной или
эпоксифенольной смолой в качестве связующего вещества, облицованных с одной или
двух сторон медной фольгой (например, запись ГФ-1 или ГФ-2 обозначает гетинакс
фольгированный односторонний или двухсторонний) [11].
Пример маркировки гетинакса: ГФ-1-35, ГОФ-2-50, ГОФВ-2-35.
Обозначения:
Г - гетинакс;
Ф - фольгированный;
О - огнестойкий;
В - влагостойкий;
цифра - количество слоёв, мм;
цифра - толщина диэлектрика, мкм.
.2 Стеклотекстолит
Стеклотекстолит фольгированный представляет собой
спрессованные слои стеклоткани, пропитанные эпоксифенольной или эпоксидной
смолой. Стеклотекстолит имеет очень высокие механические и электроизоляционные
свойства, хорошо поддается механической обработке резкой, сверлением,
штамповкой. Рекомендуется для изготовления печатных схем, плат и других изделий
для работы в условиях нормальной и повышенной относительной влажности
окружающей среды при температуре от -60°Сдо +85°С.
Однако стеклотекстолиту присущ целый ряд недостатков:
1) Невысокая нагревостойкость по сравнению с
полиамидами, что способствует загрязнению смолой торцов контактных площадок
(КП) внутренних слоев при сверлении отверстий;
2) худшая механическая обрабатываемость;
) более высокая стоимость;
) существенное различие (примерно в 10 раз) меди и
стеклотекстолита в направлении толщины материала, что может привести к разрыву
металлизации в отверстиях при пайке или в процессе эксплуатации.
Пример маркировки стеклотекстолита: СФ-2-3.
В маркировке буквы означают:
С - стеклотекстолит;
Т - теплостойкий;
Н - негорючий или нормированной горючести;
Ф - фольгированный;
-2 - облицованный фольгой с одной или двух сторон;
Цифры 5, 9, 12, 18, 35, 50, 70, 100, 105 - толщину фольги в
мкм.
Фольгированный стеклотекстолит обладает очень высокой
теплостойкостью (рабочая температура - 280 °С, температура стеклования - 300
°С), стабильностью линейных размеров, высокими поверхностными удельным объемным
сопротивлениями. Применяется для печатных плат с повышенной плотностью
печатного монтажа и МПП с числом слоев до 25.
Для изготовления ПП, способных обеспечить надежную передачу
наносекундных импульсов, необходимо применять материалы с улучшенными
диэлектрическими свойствами (уменьшенным значением диэлектрической
проницаемости и тангенса угла диэлектрических потерь), что непосредственно
связано с увеличением быстродействия, поскольку скорость распространения
сигналов в проводниках обратно пропорциональна диэлектрической проницаемости
материалов, из которых изготовлены основания ПП [11].
.3 Фольгированный армированный фторопласт
Листы фольгированного армированного фторопласта представляют
собой армированный стеклотканью фторопласт, облицованный с обеих сторон медной
фольгой толщиной 0,035 или 0,05 мм.
Фторопласт отличается высокими диэлектрическими свойствами,
мало зависящими от температуры, химической стойкостью к агрессивным химическим средам,
не смачивается водой, не набухает, не растворяется ни в одном растворителе, не
горит, хорошо обрабатывается резанием, интервал рабочих температур лежит в
диапазоне от -250 до +250 оС.
Фольгированные высокочастотные диэлектрики находят широкое
применение в качестве оснований печатных плат работающих в диапазоне СВЧ, в
качестве электрической изоляции для печатных элементов приёмно-передающей
аппаратуры.
В курсовом проекте разрабатываемая печатная плата имеет
диэлектрическое основание СФ-2-35, что означает:
С - стеклотекстолит;
Ф - фольгированный;
2 - двухсторонний;
35 - толщина фольги 35 мкм.
Материал обладает оптимальными характеристиками и
соответствует всем требованиям предъявляемыми к материалу печатных плат [14].
5. Расчёт печатной платы на виброустойчивость
В процессе эксплуатации ПП в составе ячейки и блока
подвергается механическим воздействиям, к которым относятся вибрации, удары и
линейные перегрузки.
Под вибрацией понимают механические колебания элементов
конструкции или конструкции в целом. Вибрация характеризуется
виброперемещением, виброскоростъю и виброускорением.
Характерным видом отказов электрорадиоизделий при
вибрационных воздействиях является усталостное разрушение (необратимое) выводов
в области изгиба и соединения с контактной площадкой печатной платы в
результате возрастания механических напряжений: при резонансных колебаниях
электрорадиоизделий или резонансных колебаниях печатной платы, на которой
установлены электрорадиоизделия.
Первый случай относится к условиям силового возбуждения
механической колебательной системы, второй - к условиям кинематического
возбуждения
Вибропрочность - способность конструкции выполнять функции и
сохранять значения параметров в заданных пределах после воздействия вибраций.
Виброустойчивость - способность конструкции выполнять
функции и сохранять значения параметров в заданных пределах во время
воздействия вибраций [11].
Исходными данными для расчёта являются:
1)Количество
интегральных микросхем Nz =18;
)Способ
закрепления - стационарный (рисунок 11);

Рисунок
11
)
Возбуждающая частота fB = 50 Гц;
)
Коэффициент перегрузки n = 8;
)
Размер печатной платы а (длина) = 120мм, b (ширина) = 80 мм, h (толщина) = 80
мм.
)
Материал печатной платы - фольгированный стеклотекстолит.
Используя
исходные данные, производятся расчёты:
)
Масса печатной платы:

где
p - плотность стеклотекстолита, p = 2050 кг/м3;
)
Коэффициент, учитывающий массу элементов:

mимс - суммарная масса компонентов (таблица 1;)
) Коэффициент, учитывающий способ закрепления:
4) Цилиндрическая жёсткость платы:
5)
Собственная частота колебаний:
ускорение свободного падения;
Н/м2 - удельный вес платы.
6)
Амплитуда колебаний:
7)
Коэффициент динамичности КD:
- показатель затухания колебаний;
8) Динамический прогиб:

) Распределённая динамическая нагрузка
с1 - вспомогательный коэффициент

10) Максимальный изгибающий момент:
с2
- вспомогательный коэффициент

11) Максимальное напряжение изгиба:
12) Допустимое напряжение изгиба
- предел выносливости стеклотекстолита;

- допустимый запас прочности для стеклотекстолита;
Условие вибропрочности для печатной платы модуля формирования
импульса выполняется, так как [у]>уmsx, 52,5 МПа > 43,633 Па [14].
6. Конструирование отверстий
В конструкции печатных плат используют следующие группы
отверстий:
1)
фиксирующие
- предназначенные для фиксации платы на рабочем столе. Наименьший диаметр
фиксирующего отверстия 1,3 мм и зависит от длинной стороны платы, а их
количество - не менее двух. Отверстия следует располагать по диагонали или
вдоль большей стороны на максимально возможном расстоянии друг от друга;
2)
переходные
- предназначенные для соединения проводящего рисунка разных сторон (слоев)
платы, оптимальный диаметр металлизированного переходного отверстия 0,8 мм
(минимальный диаметр 0,5 мм);
3) монтажные - предназначенные для закрепления выводов
навесных элементов и электрического соединения их с печатными проводниками.
Номенклатуру диаметров необходимо свести к двум, трем типоразмерам;
) крепежные - предназначенные для механического крепления ПП
на шасси или для механического крепления элементов к ПП (например, разъемов,
переменных резисторов и др.).
На печатной плате модуля формирования импульса установлены
следующие группы отверстий:
фиксирующие отверстия. Так как широкая сторона печатного узла
равна 120 мм, диаметр фиксирующих отверстий выбран равным 4 мм. Количество
фиксирующих отверстий - 4, способ крепления платы - стационарный;
переходные металлизированные отверстия в количестве 55 штук.
Наружный диаметр данных отверстий - 1 мм, внутренний - 0,5 мм;
монтажные металлизированные отверстия в количестве 228 штук.
Наружный диаметр отверстий - 1,5 мм, внутренний диаметр - 0,8 мм. Данный
диаметр выбран в соответствии с ГОСТ 23751-86, так как максимальный диаметр
выводов навесных элементов находится в промежутке 0,4-0,8 мм;
крепежные отверстия в количестве 2 штук. Диаметр данных
отверстий определяется диаметром соединителя СНП58-64/98х9B-1 и равен 2,7 мм [14].
7.