Мультимедийное учебное руководство по сборке и ремонту печатных узлов

  • Вид работы:
    Дипломная (ВКР)
  • Предмет:
    Информационное обеспечение, программирование
  • Язык:
    Русский
    ,
    Формат файла:
    MS Word
    4,28 Mb
  • Опубликовано:
    2011-06-20
Вы можете узнать стоимость помощи в написании студенческой работы.
Помощь в написании работы, которую точно примут!

Мультимедийное учебное руководство по сборке и ремонту печатных узлов

Содержание

Введение

. Разработка и анализ технического задания

.1 Исследование предметной области

.2 Разработка технического задания

.2.1 Цель разработки

.2.2 Назначение разработки

.2.3 Область применения

.2.4 Основание разработки

.2.5 Требования, предъявляемые к проекту

.2.5.1 Функциональные требования

.2.5.2 Количественные требования

.2.5.3 Требования к программным и аппаратным средствам

.3 Анализ технического задания

.4 Выбор методов и средств

.4.1 Выбор пакета для моделирования 3D графики

.4.2 Выбор программного обеспечения для видеомонтажа

. Разработка мультмедийного руководства

.1 Этапы создания руководства

.2 Создание 3D-моделей в среде 3ds Max

.3 Настройка анимации

.4 Визуализация проекта

.5 Выполнение видеомонтажа

.6 Разработка видеоменю

.7 Компрессия видеофайла

. Разработка руководства пользователя

Заключение

Список литературы

Приложение А

Введение

Средства современной компьютерной графики развиваются стремительными темпами. Это связано с быстрым увеличением аппаратных мощностей графической системы персональных компьютеров. С другой стороны это развитие связано с потребностями конечных пользователей.

Графика в виде 3D (трехмерная) выглядит намного более реалистичней чем традиционная двухмерная графика, кроме того она позволяет представить объект в том виде, в котором он может быть в реальности, рассмотреть его со всех сторон.

Все это позволило трехмерной графике найти широкое применение как в индустрии развлечений, например при создании графики для компьютерных игр, в том числе и браузерных, так и в серьезных системах, которые нашли применение в архитектуре, дизайне, проектировании деталей и целых объектов.

Таким образом, мы видим, что в настоящий момент 3D графика стала необходимым инструментом в работе большого числа специалистов. Целью данной работы является разработка мультимедийного руководства по сборке и ремонту печатных узлов.

1. Разработка и анализ технического задания

.1 Исследование предметной области

Одним из современных направлений применения компьютерных технологий в проектировании и производстве является информационная поддержка жизненного цикла промышленного изделия. Это направление реализуется в виде т.н. ИПИ (CALS)- технологий и особенно активно развивается для высокотехнологичной продукции. «Узким» местом CALS-технологий является практическое отсутствие информационной поддержки на самых ранних и на самых поздних стадиях жизненного цикла.

Так, например, заказчики ОАО «Сокол» в качестве обязательного условия заключения контрактов на поставку новой авиационной техники ставят требование включения в комплект поставки мультимедийного руководства, при помощи которого в дальнейшем будет осуществляться эксплуатация и ремонт авиационных изделий.

Компоненты ИПИ (CALS)-технологий, обеспечивающие информационную поддержку изделий после поставки заказчику, называются ИЛП-технологиями (информационная логистическая поддержка). ИЛП-технологии являются перспективными средствами информационной поддержки жизненного цикла изделия, а задачи их разработки являются чрезвычайно актуальными.

1.2 Разработка технического задания

.2.1 Цель разработки

Целью разработки является создание мультимедийного руководства, в котором наглядно продемонстрированы внешний вид навесных элементов, предназначенных для установки на печатные платы, стандартные варианты их установки и демонтажа в печатный узел, процессы контроля электрических режимов их работы.

1.2.2 Назначение разработки

Мультимедийное руководство предназначено для сокращения сроков изготовления и ремонта электронных изделий, а также для повышения качества выполнения этих работ. Мультимедийное руководство является обязательным компонентом поставки заказчику сложной электронной техники.

Примером такого руководства является данная разработка - мультимедийная инструкция по сборке и ремонту печатных узлов стенда проверки бортовой системы связи.

1.2.3 Область применения

Мультимедийное руководство предназначено для применения в сборочных и ремонтных предприятиях, осуществляющих изготовление и техническое обслуживание электронной аппаратуры на основе печатных узлов.

Так же данное руководство будет использоваться при прочтении курса лекций по дисциплинам «Конструирование и надежность электронных средств», «Основы проектирования электронных средств», «Основы проектирования промышленных изделий».

1.2.4 Основание разработки

Основанием разработки является приказ № 829/5 по личному составу студентов института радиоэлектроники и информационных технологий Нижегородского Государственного Технического Университета им. Р.Е. Алексеева от 06.04.2011.

1.2.5 Требования, предъявляемые к проекту

.2.5.1 Функциональные требования

Руководство должно обеспечивать:

отображение внешнего вида навесных элементов в соответствии со схемой и перечнем (спецификацией);

отображение стандартных вариантов установки навесных элементов;

отображение процесса пайки выводов навесных элементов;

отображение процессов контроля режимов работы навесных элементов;

отображение процесса демонтажа навесных элементов;

отображение процесса установки печатного узла в блок.

1.2.5.2 Количественные требования

Количественные требования к видеофайлу:

разрешение видеофайла 800*600 пикселей;

скорость передачи данных не более 6 Мбит/с;

частота кадров 30 fps;

размер руководства не более 700 мб.

1.2.5.3 Требования к программным и аппаратным средствам

Минимальные системные требования для запуска Windows Media Player95/98/NT/2000/XP/Vista/7;

Установленный freeware-пакет кодеков K-Lite Codec Pack;

Pentium II 400 МГц;

Mb RAM;

Видеоадаптер SVGA;

Монитор VGA;

Мышь.

1.3 Анализ технического задания

Мультимедийное руководство представляет из себя видеофайл, отображающий процессы сборки и ремонта печатного узла в той последовательности, в которой они выполняются на производстве. Для создания видео потребуется программное обеспечение по 3D-моделированию, а также видеоредактор, позволяющий осуществлять такие операции как резка и склеивание видеофрагментов, компрессия выходного видеофайла, а также наложение субтитров.

Для разработки мультимедийного руководства можно использовать следующие среды для 3D-моделирования: Autodesk 3ds Max, Autodesk Maya и Blender. Все эти программные продукты достаточно удобны и подходят для разработки сайта.

Для видеомонтажа подходят видеоредакторы Windows Movie Maker, Pinnacle Studio, Ulead Video Studio 9 , Virtual Dub.

1.4 Выбор методов и средств

.4.1 Выбор пакета для моделирования 3D графики

При выборе пакета для моделирования 3d графики, был произведён сравнительный анализ Autodesk 3ds Max, Autodesk Maya и Blender . В ходе сравнения были выявлены следующие преимущества и недостатки данных языков.

Основные преимущества Autodesk 3ds Max:

располагает обширными средствами по созданию разнообразных по форме и сложности трёхмерных компьютерных моделей реальных или фантастических объектов окружающего мира с использованием разнообразных техник и механизмов;

полигональное моделирование, в которое входят Editable mesh (редактируемая поверхность) и Editable poly (редактируемый полигон) - это самый распространённый метод моделирования, используется для создания сложных моделей и низкополигональных моделей;, как самый мощный рендерер, который дает возможность получать реалистичные сцены;

простота в использовании;

простота изучения, связанная с обширным количеством книг и электронных материалов.

Основные преимущества Autodesk Maya:

мощные инструменты и решения для создания высокореалистичной трехмерной графики и анимации;

более дружественный интерфейс по сравнению с Autodesk 3ds Max;

полигональное моделирование;

удобная навигация в окнах проекций;

богатый набор решений для типичных задач;

гибкая настройка интерфейса.

Основные преимущества Blender:

полная бесплатность;

возможность настроить интерфейс под себя;

гибкая настройка интерфейса;

открытый программный код.

Исходя из сравнения, можно сказать, что Blender не подходит для выполнения нашей задачи, потому что он хотя и бесплатный, но существенно уступает по функциональности продуктам компании Autodesk. Кроме того наблюдается некоторая нестабильность в его работе на этапе рендеринга сцены. Его нестандартный интерфейс сложен для изучения.

Если же выбирать между 3ds Max и Maya, то для нашей задачи более подходит первый пакет, так как он наиболее удобен для моделирования технически сложных объектов. Maya же больше подходит для персонажного моделирования.

Таким образом, выбрана среда разработки 3ds Max.

1.4.2 Выбор программного обеспечения для видеомонтажа

Существует достаточно большое количество программ предназначенных для видеомонтажа. Они различаются своими возможностями, стоимостью, а также удобством их использования. Несмотря на большие различия, у всех программ для видеомонтажа много общего, так как они предназначены для выполнения одной и той же работы, способ которой отработан в течение десятков лет при производстве кинофильмов и доведен до совершенства в технике компьютерного видеомонтажа.

Из многочисленных существующих программ, отобрано несколько наиболее удачных.

Программа Windows Movie Maker является простейшей, тем не менее, ее возможностей вполне достаточно для монтажа простых видео. Эта программа обладает двумя неоспоримыми преимуществами. Во-первых, она входит в состав операционной системы Windows ХР, то есть нет необходимости тратить средства и время на приобретение программы видеомонтажа, заниматься ее установкой на жесткий диск.

Второе преимущество программы состоит в ее простоте и приятно оформленном дружественном интерфейсе.

Однако серьезным недостатком этого продукта является невозможность самостоятельно настроить компрессию .avi файла в соответствии с требованиями к количественным характеристикам видео - битрейту и разрешению.

Главное достоинство Pinnacle Studio - наличие полноценной русской версии, с русскоязычным файлом справки и поддержкой. Быстрому освоению программы способствует также интерактивный учебник, с помощью которого можно наблюдать, как выполняются основные действия.

Процесс работы над проектом разбит на 3 этапа: захват, редактирование и вывод фильма. При редактировании можно обращаться к библиотекам эффектов перехода, видеофильтров и титров. Фильтры дают возможность изменить цветовую палитру изображения, удалить шум и стабилизировать картинку. Обширна и библиотека звуковых эффектов. Правда, все они достаточно специфичны и вряд ли могут служить фоновым сопровождением клипа.

Возможности программы существенно расширяются за счет подключения дополнительных модулей аудиои видеообработки. Дополнительные коллекции переходов и фильтров можно приобрести отдельно на сайте разработчика. Самым известным является дополнение Hollywood FX, расширяющее библиотеку эффектов перехода.

В результате фильм останется только сохранить в одном из поддерживаемых форматов. Таковыми могут быть AVI, MPEG или форматы потокового видео - Windows Media или Real Media. Разработчики гарантируют стабильную работу программы лишь с ограниченным числом кодеков, в список которых не попал даже популярный DivX.

Серьезный недостаток программы - медленная и нестабильная работа. Разработчики регулярно выпускают обновления, исправляющие найденные ошибки, однако даже с установленными последними патчами программа периодически преждевременно закрывается или беспричинно «виснет».

Это частично компенсируется функцией автосохранения, которая действует достаточно хорошо, - всякий раз перед аварийным закрытием Pinnacle Studio 9 успевает сохранить последние изменения в проекте.Video Studio 9 - одна из лучших программ в своем классе. Процесс создания видеоролика также разбит на этапы: захват видео, редактирование, добавление эффектов, изображений, титров, аудиодорожки и сохранение проекта .

В Ulead Video Studio 9 очень большая (для любительской программы) библиотека видеофильтров и эффектов перехода (последних около 200). Чтобы таким количеством переходов было удобнее пользоваться, они разбиты на категории. Работа с ними никаких трудностей не вызывает - нужно просто переместить понравившийся эффект на рабочий стол Timeline мышкой и вставить между двумя фрагментами. Подобным же образом происходит наложение видеофильтра. Большим плюсом программы является скорость применения фильтров - даже самые сложные из них практически не требуют времени на просчет.

Внимания заслуживает также библиотека объектов, которые можно наложить поверх основного изображения, - различные рамки, стрелки и пр. Такие объекты применяются, например, для того, чтобы привлечь внимание зрителя к определенному участку в кадре.

Однако недостатком этого программного продукта является его цена - 99$.

Лучшим видеоредактором для наших целей является Virtual Dub.- мощный инструмент для работы с видео, с помощью которого большинство популярных видеоформатов можно конвертировать в AVI (возможность конвертирования в другие форматы отсутствует).

Имеется возможность превратить объемный DVD, SVCD, VCD в значительно меньший по размеру, удобный для хранения на жестком диске и проигрываемый всеми DVD-проигрывателями AVI-файл. При этом визуально качество изображения (при условии правильной настройки программы) практически не пострадает.

Несмотря на свои небольшие размеры (после установки занимает 1,15 МВ) и очень простой внешний вид, VirtualDub обладает внушительными возможностями:

выбор кодеков и разнообразных фильтров для обеспечения необходимого качества конечного видео и звука (настройка размеров, четкости, яркости, контраста и др.).

«порезка» одного видеофайла на несколько или их объединение в один;

возможность удаления части видеофайла;

замена аудиодорожки;

возможность копирования видео- и аудиодорожки в отдельные файлы и др.

Все параметры настраиваются вручную, поэтому качество создаваемых видеофайлов полностью зависит от пользователя. Русский язык присутствует. Очень большой плюс - бесплатность этой программы.

Таким образом, для видеомонтажа выбрана программа VirtualDub по критериям функциональности и бесплатности этого продукта.

2. Разработка мультимедийного руководства

.1 Этапы создания руководства

На рисунке 2.1 представлена общая схема этапов создания мультимедийного руководства.

Рисунок 2.1 - Общая схема этапов создания мультимедийного руководства

2.2 Создание 3D-моделей в среде 3ds Max

Для создания образов навесных элементов будем использовать принципы полигонального моделирования. Полигональное моделирование является одним из основных способов моделирования. Редактирование сетки или редактирование каркаса является низкоуровневым моделированием и основано на манипулировании непосредственно с вершинами, ребрами и гранями объектов. При полигональном моделировании изменяют форму объекта, непосредственно воздействуя на его составляющие.

В соответствии со спецификацией были созданы фотореалистичные образы:

печатной платы;

конденсаторов К53-1А-30В-0.1мкФ±10% и К50-15-25В-47мкФ±10%;

микросхем КР1533ИД7, КР1553ИД4, КР1533АП6, КР1533ИД7, КР1533ЛН1;

резисторов МЛТ-0.25 - 2 кОм±5%, МЛТ-0.25 - 1 кОм±5%, МЛТ-0.25 - 10 кОм±5%;

диода КД522А;

транзистора КТ3102;

разъема ГРПП25.


Рисунок 2.2 - Создание 3D-модели транзистора

Рисунок 2.3 - Создание 3D-модели резистора

Для отображения стандартных вариантов установки резистора и транзистора, а также пайки этих элементов созданы модели бокорезов и паяльника.

Для визуализации проверки режима работы, а также демонтажа/замены микросхемы были созданы модели мультиметра, антистатического пинцета, паяльной станции.

Рисунок 2.4 - Фотореалистичная 3D-модель мультиметра

2.3 Настройка анимации

Анимировать в трехмерной сцене можно все - от источников света и камер до любых объектов и эффектов. Каждая создаваемая в программе анимация использует так называемые ключевые кадры, которые содержат информацию обо всех параметрах анимации.

В 3ds Max можно анимировать любые характеристики всех объектов - примитивов, источников света, камер, вспомогательных объектов и др. Задавая значения параметров объектов в ключевых кадрах, можно сделать так, чтобы объекты перемещались в сцене, изменяли текстуру, увеличивались или уменьшались в размерах и т. д. Анимированная камера позволяет добиться эффекта присутствия в сцене.

Простейший тип анимации - перемещение объектов в трехмерной сцене. При этом изменяющимся параметром являются координаты положения объекта. При включенном режиме автоматического создания ключевых кадров 3ds Max фиксирует параметры объекта в текущем ключевом кадре.

Таким образом, для создания анимации в 3ds Max достаточно указать значения параметров в ключевых точках. Программа просчитает изменение параметров от одного ключевого кадра к другому и автоматически визуализирует кадры, не являющиеся ключевыми. Например, чтобы анимировать движение примитива в окне проекции, достаточно переключиться в режим создания ключевых кадров и указать начальное и конечное положения объекта. При этом анимированными параметрами являются координаты объекта. Аналогичным образом можно создавать деформацию объекта, изменяющиеся во времени текстуры и т. д., указывая в настройках объектов или эффектов ключевые значения параметров.

В нашем проекте анимированы следующие процессы:

отображение внешнего вида навесных элементов;

типовая установка резистора и транзистора;

электрическая пайка выводов навесных элементов;

контроль режимов работы микросхемы, транзистора;

демонтаж микросхемы и транзистора при помощи паяльной станции;

установка печатного узла в блок.

На рисунке 2.4 представлен этап настройки анимации типовой установки транзистора на печатную плату.

Рисунок 2.4 - Процесс настройки анимации типовой установки транзистора

2.4 Визуализация проекта

Рендеринг - это визуализация объектов трехмерной сцены с учетом физических свойств назначенных им материалов и с учетом имеющихся в сцене источников света. После визуализации становятся видны многие эффекты 3ds Max, среди которых объемный свет, эффект глубины резкости и пр. Финальный рендеринг - это сложный процесс, результатом которого является статическое изображение или видеофайл.

В соответствии с количественными характеристика к данному руководству в настройках рендера указываем разрешение 800*600 и сохраняем видеофайл в формате .avi (рисунок 2.5).

Рисунок 2.5 - Настройка рендера

2.5 Выполнение видеомонтажа

Реализовывать в одном проекте сложную анимацию довольно затруднительно и рендеринг таких проектов будет занимать очень много времени и ресурсов. Гораздо удобнее создать анимации в отдельных сценах, производить их рендеринг и затем выполнить видеомонтаж, чтобы отобразить процессы сборки и ремонта печатного узла в той последовательности, в которой они будут выполняться на производстве.

Для этих целей используется freeware-программа Virtual Dub, которая, несмотря на свою бесплатность обладает большим функционалом.

Видеоряд должен отображать процессы сборки и ремонта печатного узла в следующей последовательности - демонстрация внешнего вида печатной платы и навесных элементов, типовые способы их установки в узел, пайка внешних выводов элементов, установка печатного узла в блок, контроль режимов работы микросхемы навесных элементов, демонтаж и замена неисправных элементов.

На рисунке 2.6 отображен этап выполнения видеомонтажа.

Рисунок 2.6 - Выполнение видеомонтажа в программе Virtual Dub

2.6 Разработка видеоменю

Для удобства навигации по мультимедийному руководству было создано меню с помощью дополнительного freeware-плагина Virtual Dub - DVD Author (рисунок 2.7).

Рисунок 2.7 - Создание меню в плагине DVD Author

2.7 Компрессия видеофайла

Для того чтобы уменьшить размер мультимедийного руководства произведена компрессия видеофайла кодеком XviD MPEG-4 Codec. Данный кодек позволяет воспроизводить видео на стандартном проигрывателе Windows Media Player. Файлы, сжатые кодеком Xvid, также могут быть записаны на CD или DVD и проиграны на DivX-совместимом DVD-плеере.

Для лучшего соотношения качество/размер были выбраны следующие настройки XviD-кодека:

Тип кодирования Single pass;

Коэффициент квантования 7.0.

Процесс кодирования показан на рисунке 2.8.

Рисунок 2.8 Кодирование видеофайла с помощью кодека XviD

3. Разработка руководства пользователя

Мультимедийное руководство распространяется в виде видеофайла в формате avi.

Для корректного воспроизведения руководства система должна соответствовать следующим минимальным требованиям:95/98/NT/2000/XP/Vista/7

Установленный freeware-пакет кодеков K-Lite Codec PackII 400 МГц

Mb RAM

Mb свободного места на жестком диске

Видеоадаптер SVGA.

Монитор VGA

Мышь

Настоящее руководство не требует установки сторонних видеопроигрывателей, выбранный кодек для компрессии видеофайла позволяет воспроизводить его при помощи стандартного проигрывателя Windows Media Player.

Для запуска руководства необходимо нажать правой клавишей мышки на значок видеофайла и выбрать в контекстном меню Play with MPC (рисунок 3.1).

Рисунок 3.1 - Запуск мультимедийного руководства

Для удобства навигации по руководству создано меню (рисунок 3.2).

Рисунок 3.2 - Меню мультимедийного руководства

Заключение

В ходе выполнения выпускной квалификационной были решены следующие задачи:

произведен сравнительный анализ программных продуктов по 3D- моделированию;

произведен сравнительный анализ видеоредакторов;

выбрана среда разработки 3ds Max по критериям функциональности и удобства создания высокополигональных моделей;

выбран видеоредактор Virtual Dub по ценовым и функциональным критериям;

показана типовая конструкция печатной платы с характерными элементами;

показаны типовые варианты установки навесных элементов в печатный узел на примере резистора и транзистора;

визуализирован процесс электрического монтажа (пайки) выводов навесных элементов, в частности т.н. «пайка миниволной»;

показан процесс монтажа печатного узла в блок в одном из вариантов его компоновочной схемы (блок разъемной конструкции);

отображена процедура контроля режима работы навесных элементов;

показаны процедура демонтажа и замены навесных элементов (микросхемы и транзистора).

Выполненная работа дает представление о сборке и ремонте изделий электронных средств. Таким образом, работа выполнена в полном объеме утвержденного задания.

Результаты работы могут быть использованы в учебном процессе при прочтении курса лекции по дисциплинам «Конструирование и надежность электронных средств», «Основы проектирования электронных средств», «Основы проектирования промышленных изделий».

печатный плата навесной узел резистор

Список литературы

1.   Ананьин И.К. Основы 3ds Max 2008/ М.В. Кузнецов, И.В. Симдянов, С.В. Голышев. - СПб.: БХВ-Петербург, 2008. - 260 c.

2.      Бондаренко С.В. Трёхмерное моделирование в 3ds Max/ М.В. Кузнецов, И.В. Симдянов. - СПб.: БХВ-Петербург, 2009. - 608 c.

.        Ивлев М.А. Основы проектирования промышленных изделий/ М.А. Ивлев. - Нижний Новгород: НГТУ, 2007. - 105 с.

Приложение А

Исходные данные к разработке руководства

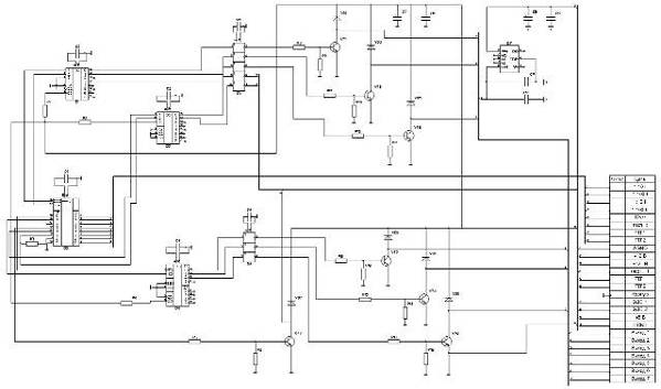
Рисунок А.1 - Схема электрическая принципиальная печатного узла

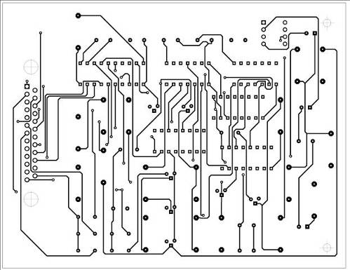
Рисунок А.2 - Верхний слой печатной платы

Рисунок А.3 - Нижний слой печатной платы

Рисунок А.4 - Внешний вид спецификации (лист 1)

Рисунок А.5 - Внешний вид спецификации (лист 2)

Похожие работы на - Мультимедийное учебное руководство по сборке и ремонту печатных узлов

 

Не нашли материал для своей работы?
Поможем написать уникальную работу
Без плагиата!
Без нейросетей!