Промышленные роботы и манипуляторы

  • Вид работы:
    Контрольная работа
  • Предмет:
    Другое
  • Язык:
    Русский
    ,
    Формат файла:
    MS Word
    84,5 Кб
  • Опубликовано:
    2015-05-27
Вы можете узнать стоимость помощи в написании студенческой работы.
Помощь в написании работы, которую точно примут!

Промышленные роботы и манипуляторы

Министерство образования и науки Российской Федерации

Федеральное агентство по образованию

Саратовский государственный технический университет










Контрольная работа

по Теории механизмов и машин











Саратов 2015

Задача 1

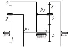
Определить степень свободы пространственного манипулятора промышленного робота (рис. 1).

Рис. 1.Схема пространственного манипулятора.

1. Схема механизма промышленного ( рис.1) состоит из одного неподвижного звена  стойки 0 и подвижных звеньев 1, 2, 3, 4, 5, 6, 7 Следовательно, число подвижных звеньев равно семи, т. е. .

Число степеней свободы пространственного механизма определяется формулой Малышева:

 (1)

Для определения значений коэффициентов  выявим все кинематические пары, входящие в состав схемы механизма промышленного манипулятора. Результаты исследования заносим в таблицу 1.

Таблица 1

№ п/п

Номера звеньев /название

 Схема

 Класс / подвижность

Вид контакта / замыкание

1

 0 - 1 поступательно - вращательная

4/2

Поверхность (низшая) / геометрическое

2

1 - 2 / вращательная

 

4/2

Поверхность(низшая) / геометрическое

3

2 - 3 / вращательно - поступательная

4/2

Поверхность(низшая) / геометрическое

4

3 - 4 / поступательно - вращательная

4/2

Поверхность(низшая) / геометрическое

5

4 - 5 / вращательная

4/2

Поверхность(низшая) / геометрическое

6

5 - 6 / вращательная

4/2

Поверхность(низшая) / геометрическое

7

6 - 7 / вращательная

5/1

Поверхность(низшая) / геометрическое


Из анализа данных таблицы 1 следует, что исследуемая схема механизма манипулятора промышленного робота представляет собой разомкнутую кинематическую цепь, звенья которой образуют между собой семь пар

Подставив найденные значения коэффициентов в структурную формулу Малышева (1):

робот манипулятор промышленный рычажный



Результат свидетельствует о том, что для однозначного описания положений звеньев механизма манипулятора промышленного робота в пространстве необходимо семь обобщенных координат. пятого класса.

) Маневренность  это подвижность пространственного механизма при неподвижном звене 7. Маневренность обозначают  и определяют по формуле Малышева.

Для определения маневренности необходимо остановить (запретить перемещаться) выходное звено 7. Следовательно, число подвижных звеньев становиться равным четырем, т.е. . Значения всех остальных коэффициентов не изменяются, т.е.


Подставив найденные значения коэффициентов в выражение для маневренности (1), получим:


Результат говорит о том, что для однозначного определения положений

звеньев механизма манипулятора промышленного робота, имеющего замкнутую кинематическую цепь, достаточно семь обобщённых координат.

Проверим полученное значение:



Задача 2

а) при закрепленном водиле  (первая передача);

б) при закрепленном водиле  (вторая передача).

Известны числа зубьев колес и скорость вращения колеса 1.

Рис.2.Схема двухскоростной планетарной коробки передач.

Дано:

, , , , , ,

1. Рассмотрим случай при закрепленном водиле  (первая передача).

.1. Определим передаточное отношение механизма при остановившемся водило :


Определяем передаточное отношение от колеса 1 к колесу 3 при остановившемся водиле :


Определяем передаточное отношение от колеса 5 к колесу 6 при остановленным колесе 4:


Тогда передаточное отношение от колеса 1 к колесу 6:


1.2. Определяем частоту вращения колеса 6:


. Рассмотрим случай при закрепленном водило  (вторая передача).

.1. Определим передаточное отношение механизма при остановившемся водило :



Определяем передаточное отношение от колеса 1 к колесу 3 при остановившемся водиле :


Определяем передаточное отношение от колеса 4 к колесу 6 при остановленным водило :


Тогда передаточное отношение от колеса 1 к колесу 6:


2.2. Определяем частоту вращения колеса 6:


Задача 3

Для положения рычажного механизма, изображенного на рис. 3 необходимо:

. Методом построения планов скоростей и ускорений определить скорости и ускорения коромысла  и ползуна .

. Методом кинетостатики определить реакцию  в шарнире  и приведенный момент на кривошипе  от приложенных усилий  и момента .

Рис. 3.Схема рычажного механизма.

Дано: , , .

, , , ,

,,,

,.

. Для механизма (рис. 4 а) выполним структурный анализ.

Схема рычажного механизма представляет собой замкнутую кинематическую цепь, следовательно, данный механизм является плоским механизмом.

Подвижность рычажного механизма определяется поструктурной формуле Чебышева:



Структурная схема механизма состоит из шести звеньев:

 кривошипа,

 шатуна,

 коромысла,

 шатуна,

 ползуна,

 стойка.

При этом звенья 15 являются подвижными звеньями, а стойка 0 - неподвижным звеном.

Следовательно, .

Механизм имеет 7 пар пятого класса , четвертого класса .

Следовательно:


Результат говорит, что для однозначного описания положений звеньев рычажного механизма на плоскости необходима одна обобщенная координата .

. Строим схему механизма рис.4 а:

Приняв , определим масштабный коэффициент:


Переводим все остальные геометрические параметры в выбранный масштабный коэффициент длин, мм:

,

,

,

,

,

,

,


, ,

, ,

, ,

, .

По полученным величинам в выбранном масштабном коэффициенте выполняем чертёж рычажного механизма рис.4. а

3. Выполним кинематический анализ рычажного механизма методом построения плана скоростей и ускорений.

.1. Построение плана скоростей.

Кривошип  вращается с постоянной угловой скоростью .

Составим векторное уравнение скорости точки :

 (1)

Точка  является неподвижной точкой, следовательно, значение скорости этой точки равно нулю ().

Вектора  является перпендикуляром к оси кривошипа 1, а направление действия совпадает с направлением его вращения

Определяем значение скорости точки , м/с, равно:

 (2)

На чертеже отмечаем полюс точку  в которой размещаем вектор скорости.

Приняв , принимаем масштабный коэффициент:


Изобразим на рис. 4.б строим вектор ра, перпендикулярный , учитывая направление вращения звена 1.

Составим векторное уравнение скорости точки :


Вектор скорости точки А  известен по величине и направлению.

Вектор скорости точки В  относительно точки А, перпендикулярный звену 2 неизвестен по направлению и величине.

Вектор скорости точки O2  равен нулю, располагаем его в полюсе .

Вектор скорости точки В  относительно точки O2, перпендикулярны звену 3 неизвестен по направлению и величине.

Строим на плане скоростей векторные уравнения.

Из точки а проводим прямую   вектор скорости точки В , из точки р проводим прямую   вектор скорости точки В  при пересечении получаем точку b. Указываем направление скоростей  и .

Из теоремы подобия на отрезке аb определяем положение точки с:


откуда:


где: ,, размеры с чертежа.

Составим векторное уравнение скорости точки :


Вектор скорости точки С  параллелен звену 4 неизвестен по направлению и величине.

Вектор скорости точки D  относительно точки С, перпендикулярный звену 4 неизвестен по направлению и величине.

Вектор скорости точки 0  равен нулю, располагаем его в полюсе .

Вектор скорости точки D  относительно точки 0, параллелен ходу ползуна 5. Точку с соединяем с полюсом  получаем скорость точки С .

Из точки с проводим прямую   до пересечения с вертикальной прямой проходящую через полюс .

Замерив на плане скоростей рис.4. б длины соответствующих отрезков, найдем значения скоростей характерных точек механизма:


Определим угловые скорости шатунов 2, 4 и коромысла 3.


Угловая скорость ползуна 5 равна нулю, так как совершает поступательное движение.

Направление угловых скоростей шатунов 2, 3 и коромысла 4, соответственно, укажут вектора скоростей ,  и , взятые с плана скоростей и мысленно перенесенные в точки  и  на кинематической схеме механизма.

Направление угловых скоростей шатунов 2, 3 и коромысла 4, соответственно, укажут вектора скоростей ,  и , взятые с плана скоростей рис.4.б и мысленно перенесенные в точки  и  на кинематической схеме механизма рис.4.а. При этом условно разрывается связь звеньев 23 и звеньев 45, а точки  и  условно закрепляются. В этом случае под действием векторов скоростей ,  и , соответственно, шатун 2 и коромысло 3 будут вращаться в направлении, противоположном действию часовой стрелки, а шатун 4 в направлении, совпадающем с действием часовой стрелки.

Данные направления движений и есть направления действия угловых скоростей ,, и , соответственно.

Похожие работы на - Промышленные роботы и манипуляторы

 

Не нашли материал для своей работы?
Поможем написать уникальную работу
Без плагиата!
Без нейросетей!