Манипулятор. Анализ кинематики и построение рабочей зоны
ДИПЛОМНЫЙ
ПРОЕКТ
Манипулятор.
Анализ кинематики и построение рабочей зоны
Введение
Появление механических манипуляторов, а затем
систем числового программного управления (ЧПУ) привело к созданию промышленных
роботов - программируемых манипуляторов, предназначенных для разнообразных
технологических операций.
Первые промышленные роботы начали создавать в
середине 50-х годов XX века в США. В 1954 году американский инженер Дж. Девол
запатентовал способ управления погрузочно-разгрузочным манипулятором с помощью
сменных перфокарт, то есть получил патент на робот промышленного назначения.
Вместе с Д. Энгельбергом в 1956 г. он организовал первую в мире компанию по
выпуску промышленных роботов. Ее название «Unimation» (Юнимейшн) является
сокращением термина «Universal Automation» (универсальная автоматика).
В 1959 году фирма «Консолидейтед Корпорейшн»
(США) опубликовала описание манипулятора с ЧПУ, а в 1960-1961 гг. в
американской печати появились первые сообщения о манипуляторах «Transferrobot»
и «Eleximan», предназначенных для автоматизации сборочных работ. В 1962 году в
США были созданы первые в мире промышленные роботы «Юнимейт» фирмы
"Юнимейшн Инкорпорейд" и «Версатран» фирмы «АМФ Версатран». Их
сходство с человеком ограничивалось наличием манипулятора, отдаленно
напоминающего человеческую руку. Некоторые из них работают до сих пор, превысив
100 тысяч часов рабочего ресурса.
Промышленный робот «Юнимейт» имел 5 степеней
подвижности с гидроприводом и двухпальцевое захватное устройство с
пневмоприводом. Перемещение объектов массой до 12 кг осуществлялось с точностью
1,25 мм. В качестве системы управления использовался программоноситель в виде
кулачкового барабана с шаговым двигателем, рассчитанный на 200 команд
управления, и кодовые датчики положения. В режиме обучения оператор задавал
последовательность точек, через которые должны пройти звенья манипулятора в
течение рабочего цикла. Робот запоминал координаты точек и мог автоматически
перемещаться от одной точки к другой в заданной последовательности, многократно
повторяя рабочий цикл. На операции разгрузки машины для литья под давлением
«Юнимейт» работал с производительностью 135 деталей в час при браке 2 %, тогда
как производительность ручной разгрузки составляла 108 деталей в час при браке
до 20 %.
Промышленный робот «Версатран», имевший три
степени подвижности и управление от магнитной ленты, мог у обжиговой печи
загружать и разгружать до 1200 раскаленных кирпичей в час. В то время
соотношение затрат на электронику и механику в стоимости робота составляло 75 %
и 25 %, поэтому многие задачи управления решались за счёт механики; сейчас же
это соотношение изменилось на противоположное, причем стоимость электроники
продолжает снижаться.
Предлагаются необычные кинематические схемы
манипуляторов. Быстро развиваются технологические роботы, выполняющие такие
операции, как высокоскоростные резание, окраска, сварка. Появление в 70-х гг.
микропроцессорных систем управления и замена специализированных устройств
управления на программируемые контроллеры позволили снизить стоимость роботов в
три раза, сделав рентабельным их массовое внедрение в промышленности. Этому
способствовали объективные предпосылки развития промышленного производства.
Различные аспекты применения промышленных
роботов рассматриваются, как правило, в рамках типовых проектов промышленного
производства: исходя из имеющихся требований, выбирается оптимальный вариант, в
котором конкретизирован необходимый для данной задачи тип роботов, их
количество, а также решаются вопросы инфраструктуры питания (силовые подводки,
подача охлаждающей жидкости - в случае использования жидкостного охлаждения
элементов оснастки) и интеграции в производственный процесс (обеспечение
заготовками/полуфабрикатами и возврат готового продукта в автоматическую линию
для передачи следующей технологической операции).
Промышленные роботы в производственном процессе
способны выполнять основные и вспомогательные технологические операции.
К основным технологическим операциям относятся
операции непосредственного выполнения формообразования, изменения линейных
размеров заготовки и др.
К вспомогательным технологическим операциям
относятся транспортные операции в том числе операции по загрузке и выгрузке
технологического оборудования.
Среди самых распространённых действий,
выполняемых промышленными роботами, можно назвать следующие:
загрузка / разгрузка технологических машин,
станков;
манипулирование деталями (например: укладка,
сортировка, транспортировка и ориентация);
перемещение деталей и заготовок от станка к
станку или от станка к системам сменных поддонов;
сварка швов и точечная сварка;
сборка механических и электрических деталей;
сборка электронных деталей;
покраска;
укладка кабеля;
выполнение операций резания с движением
инструмента по сложной траектории и др.
Современные роботы функционируют на основе
принципов обратной связи, подчинённого управления и иерархичности системы
управления роботом.
Иерархия системы управления роботом
подразумевает деление системы управления на горизонтальные слои, управляющие
общим поведением робота, расчётом необходимой траектории движения манипулятора,
поведением отдельных его приводов, и слои, непосредственно осуществляющие
управление двигателями приводов.
Подчинённое управление служит для построения
системы управления приводом. Если необходимо построить систему управления
приводом по положению (например, по углу поворота звена манипулятора), то
система управления замыкается обратной связью по положению, а внутри системы
управления по положению функционирует система управления по скорости со своей
обратной связью по скорости, внутри которой существует контур управления по
току со своей обратной связью.
Современный робот оснащён не только обратными
связями по положению, скорости и ускорениям звеньев. При захвате деталей робот
должен знать, удачно ли он захватил деталь. Если деталь хрупкая или её
поверхность имеет высокую степень чистоты, строятся сложные системы с обратной
связью по усилию, позволяющие роботу схватывать деталь, не повреждая её
поверхность и не разрушая её.
Управление роботом осуществляться системой
управления промышленным предприятием (ERP-системой), согласующими действия
робота с готовностью заготовок и станков с числовым программным управлением к
выполнению технологических операций.
Таким образом, ПР - это автоматическая машина,
состоящая из механизма, информационно-измерительной, управляющей и
исполнительной систем и предназначенная для выполнения механических действий в
производственном процессе. Манипулятором промышленного робота принято называть
устройство, состоящее из, приводов и рабочего органа (например, захватов) и
предназначенное для имитации рабочих функций руки человека.
Экономически выгодно использование промышленных
роботов совместно с другими средствами автоматизации производства
(автоматические линии, участки и комплексы). Применение автоматических
манипуляторов - промышленных роботов - позволяет заменить человека, занятого
физическим трудом. Они применяются в первую очередь для автоматизации смены
деталей и инструмента.
Как показывает статистические исследования,
машинное время обработки на станках составляет 5-6 % общего фонда времени при
мелкосерийном производстве, 7-8% при среднесерийном и до 22% при крупносерийном
и массовом производстве. Остальное время расходуется в основном на ожидание
очереди на обработку и является резервом повышения производительности.
Работая в составе роботизированного комплекса,
ПР выполняет следующие операции: загрузку и разгрузку станка, смену
инструмента, взаимодействие с конвейером, складом заготовок и готовой продукции
и т.п. Объединяя в единый комплекс задачи автоматизации процессов
металлообработки и вспомогательных операций, ПР являются одним из главных
звеньев создания современного высокопроизводительного оборудования нового типа,
работающего с минимальным участием человека.
Для управления работами используются различные
устройства. Для управления работами с ограниченными манипуляционными
возможностями используются цикловые устройства позиционного управления.
В данной работе предлагается разработать систему
управления электроприводами двухзвенного манипулятора, предназначенного для
выполнения подъемно-транспортной работы, выполняющего операции типа
«взять-перенести-положить» при обслуживании технического оборудования.
Целью дипломной работы является разработка
системы управления 2-координатного электропривода для 2-звенного универсального
манипулятора.
Основные параметры 2-звенного универсального
манипулятора приведены в таблице В1.
Таблица В1. Исходные данные
|
Параметры
|
Обозначение,
единицы измерения
|
Значение
|
|
Грузоподъемность
промышленного робота
|
,
кг
|
32
|
|
Частота
циклов промышленного робота
|
N, 1/час
|
750
|
|
Масса
1-го звена манипулятора
|
,
кг
|
400
|
|
Масса
2-го звена манипулятора
|
,
кг
|
165
|
|
Длина
1-го звена манипулятора
|
l1,
м
|
0,85
|
|
Длина
2-го звена манипулятора
|
l2,
м
|
1,28
|
|
Заданное
перемещение 1-го звена манипулятора
|
qЗ1,
рад
|
0,5
|
|
Заданное
перемещение 2-го звена манипулятора
|
qЗ2,
рад
|
0,6
|
|
Максимальная
скорость при разгоне и торможении 1-го звена манипулятора
|
,
рад/c
|
2,0
|
|
Максимальная
скорость при разгоне и торможении 2-го звена манипулятора
|
,
рад/c
|
1,7
|
|
Максимальное
ускорение при разгоне и торможении 1-го звена манипулятора
|
,
рад/c2
|
6,0
|
|
Максимальное
ускорение при разгоне и торможении 2-го звена манипулятора
|
,
рад/c2
|
20
|
|
Погрешность
позиционирования захвата
манипулятора
|
Δq, рад
|
±0,15
|
1. Анализ кинематики ПР и построение
диаграмм
цикла
движения
звеньев
1.1. Построение рабочей зоны
Рассматриваемый манипулятор является двухзвенным
(рис.1.1). Звенья манипулятора соединяются друг с другом с помощью
кинематических пар пятого класса, которые допускают относительное движение
звеньев только по одной координате.
Рис.1.1. Двухзвенный универсальный манипулятор
Рабочая зона ПР - это объем, ограниченный
поверхностью, представляющей собой геометрическое место точек возможных
конечных положений захвата.
Рабочая зона ПР приведена на рисунке 1.2.
Кинематическая схема манипулятора приведена на рисунке 1.3
Рис.
1.2
Рабочая
зона ПР
Рис.
1.3
Кинематическая
схема манипулятора
1.2 Исследование зависимости момента инерции от
изменения конфигурации манипулятора
Запишем формулу для определения момента инерции
груза, который расположен
в точке О3, относительно точки О1
;
Запишем формулу для определения момента инерции
двигателя, который приводит в движение локоть и расположен в точке О2,
относительно точки О1
;
Запишем формулу для определения момента инерции
локтя относительно точки О1
;
где
-
плотность материала, из которого сделан локоть
- площадь
поперечного сечения локтя
Запишем формулу для определения момента инерции
груза относительно точки О2
;
Запишем формулу для определения момента инерции
локтя относительно точки О2
;
Запишем формулу для определения момента инерции
плеча относительно О1
;
Запишем формулу для определения суммарного
момента инерции манипулятора относительно О1
.
Запишем формулу для определения суммарного
момента инерции манипулятора относительно О2
;
Из формулы (1.1) видно, что момент инерции
манипулятора относительно оси О1 зависит как от конфигурации
манипулятора (q2),
так и от массы перемещаемого груза.
Оценим влияние изменения массы перемещаемого
груза на момент инерции манипулятора относительно оси О1. Поскольку
двигатель Д2, приводящий в движение локоть манипулятора, ещё не выбран, то
принимаем mД2=0.
При этом чувствительность момента инерции манипулятора относительно оси О1
будет большей, чем при учёте наличия двигателя Д2. Например, при отсутствии
детали в захвате его масса будет равна 0,5 mГН.
Суммарный момент инерции манипулятора относительно О1 будет максимальным при q2=0 и
.
На основании формулы (1.1) получим
;
При наличии детали в захвате его масса будет
равна mГН.
Суммарный момент инерции манипулятора относительно О1 при q2=0
и
.
Будет равен
Оценим вариацию момента инерции манипулятора
относительно осей О1, обусловленную изменением массы перемещаемого
груза
;
;
Из формулы (1.2) видно, что момент инерции
манипулятора относительно оси О2 зависит только от массы
перемещаемого груза. Оценим влияние изменения массы перемещаемого груза на
момент инерции манипулятора относительно оси О2.
Суммарный момент инерции манипулятора
относительно О2 будет минимальным при
.
На основании формулы (1.2) получим
;
Суммарный момент инерции манипулятора
относительно О2 будет максимальным при
.
На основании формулы (1.2) получим
Оценим вариацию момента инерции манипулятора
относительно осей О1, обусловленную изменением массы перемещаемого
груза
;
;
Оценим влияние изменения конфигурации
манипулятора (q2)
на момент инерции манипулятора относительно оси О1. На основании
формулы (1.1) в пакете Simulink
, бала разработана модель расчёта момента инерции манипулятора относительно оси
О1 для разной массы перемещаемого груза, которая показана на
рис.1.4.
Рис.1.4.
Проведём анализ зависимости
от
(
изменяется от 0 до π (180°)) при
разных
(
и
)
с использованием формулы
Зависимость
от
представлена
на рис. 1.5.
График 1
соответствует
, при этом момент
инерции манипулятора относительно оси О1 изменяется от
при
q2=0
до
График 2
соответствует
, при этом момент
инерции манипулятора относительно оси О1 изменяется от
при
q2=0
до
Вариация момента инерции манипулятора
относительно оси О1, обусловленная изменением массы перемещаемого груза равна
;
;
Рис.1.5
Таким образом, можно
утверждать, что
изменение конфигурации манипулятора в значительно большей мере влияет на момент
инерции манипулятора относительно оси О1, чем изменение массы перемещаемого
груза.
электропривод груз локоть инерция
1.3 Построение
диаграмм
цикла
движения
звеньев
Цикл работы ПР содержит:
прямой ход с грузом;
паузу на ожидание и опускание груза;
обратный ход без груза;
паузу на ожидание и взятие груза.
Диаграммы цикла перемещения звеньев представляют
собой зависимости перемещений, скоростей и ускорений звеньев от времени.
Диаграммы строят с учетом заданных в варианте
перемещений звеньев
,
,
максимальных скоростей q̇max1
, q̇max2
и ускорений q̇˙max1
, q̇˙max2.
При этом в зависимости от заданного перемещения
и
максимального ускорения q̇˙maxi
форма тахограммы q̇i
(t) может быть
треугольной или трапецеидальной. Форму тахограммы можно определить, анализируя
справедливость неравенства
где
- номер звена (
= 1, 2 );
- заданное
перемещение i-го звена, рад;
-заданное
максимальное ограничение скорости i-го
звена, рад/с;
- заданное
максимальное ускорение
-го звена, рад/
.
Если условие (1.3) выполняется, то тахограмма
имеет форму треугольника, если не выполняется, то тахограмма имеет форму
трапеции.
Для 1-го звена:
,
;
Т.к. условие выполняется - график скорости
-го
звена имеет форму треугольника.
Для 2-го звена:
,
;
;
Условие не выполняется, поэтому график скорости
для
-го
звена имеет форму трапеции.
Рассчитаем тахограмму
-го
звена.
Для 1-го звена при треугольной тахограмме
движения определяем реальное максимальное значение скорости, до которой
разгонится 1-е звено, двигаясь с ускорением
и
перемещаясь на угол
где
-
фактическое максимальное значение скорости, до которой разгонится звено при
заданном перемещении
и заданном
максимальном ускорении
,
,
-время
разгона и торможения 1-го звена ПР, с..
рад/с ;
с.
Для 2-го звена при трапецеидальной тахограмме
движения
где
,
-
время разгона и торможения , с;
,
-
максимальное значение скорости (рад/с) и ускорения (рад/с2) второго
звена.
;
Рассчитаем тахограмму 2-го звена.
. Путь , пройденный при разгоне или при
торможении 2-го звена
2. Путь, пройденный звеном при установившемся
движении (движение с постоянной скоростью
)
;
рад.
Время установившегося движения звена
с.
Заданное время цикла
с;
Время работы в цикле
-го
звена
Время работы в цикле 1-го звена:
с;
Время работы в цикле 2-го звена:
с ;
Т.к. время работы в цикле определяется по
наибольшему времени работы звена, то выбираем
с.
Суммарное время пауз:
,
Для 1-го звена ПР: ( 8 )
,
Для 2-го звена ПР:
с ,
Выбираем суммарное время паузы
с .
Время паузы на ожидание и отпускание груза
считают
равным времени на ожидание и взятие груза
и
принимают равным
.
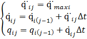
Блок-схема программы для расчёта диаграмм
движения звеньев ПР приведены на рис.1.6, расчет которых произведен используя
метод Эйлера согласно следующей системе уравнений
где
,
,
-
значения ускорения, скорости и перемещения -го звена на
-м
шаге расчета;
- приращение
времени процесса (
).

Рис.1.6
На рис.1.7 показаны диаграммы движения 1-го
звена манипулятора, а на рис.1.8 показаны диаграммы движения 2-го звена
манипулятора. Сравнение этих графиков с техническим заданием показывает, что
они полностью соответствуют техническому заданию.
Рис1.7
Рис.1.8
2. Вывод уравнений обобщенных сил
2.1. Общие положения
Звенья роботов, их механические передачи и
электрические двигатели представляют собой систему материальных тел, связанных
между собой жесткими и упругими связями. Понятие статического и динамического
режимов, которые обычно применяют для одномассового приведенного звена, для 2-х
координатного электропривода неприемлемы. Здесь все режимы динамические, в
большей мере обусловлены взаимным влиянием звеньев и электроприводов друг на
друга.
Решение этой задачи удобно вести при
использовании дифференциальных уравнений движения системы в обобщенных
координатах, или при использовании уравнений Лагранжа 2-го рода.
где
- порядковый номер
звена ПР;
,
-
обобщенная координата и обобщенная скорость i
-го звена;
- обобщенная сила
или момент сил, приложенных к i
-му звену;
- суммарная
кинетическая энергия манипулятора;
- суммарная
потенциальная энергия манипулятора.
Количество управлений равно количеству звеньев.
В результате решения уравнений получают выражение обобщенных сил как функции от
,
,
,
,
.
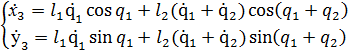
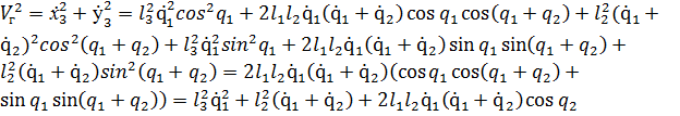
2.2 Расчет кинетической энергии груза .
Кинетическая энергия груза определяется по
формуле
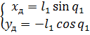
Если представить груз материальной точкой,
расположенной в точке О3 (рис.1.3), то его координаты на плоскости
х-у определяются системой двух уравнений
Продифференцируем систему уравнений по времени,
чтобы определить проекции скорости груза на оси координат
Скорость груза можно определить по формуле:
Кинетическая энергия груза может быть определена
по формуле
2.3 Расчет кинетической энергии локтя
Локоть будем рассматривать как однородный
стержень длиной
, с площадью
поперечного сечения
и плотностью
материала
Выберем точку массой dm2
, находящейся на расстоянии
от
,
тогда ее координаты будут определяться системой уравнений и длиной
2
Проекции скорости элемента локтя массой dm
на оси х и у
Скорость элемента локтя массой dm
определяется формулой:
Кинетическая энергия элемента локтя массой dm2,
которая расположена на расстоянии
от точки О2
Элемент массой локтя можно представить в виде
где
-
усреднённая плотность материала локтя ПР,
- усреднённая
площадь поперечного сечения локтя
- длина элемента
массы
Кинетическую энергию локтя получим в результате
интегрирования локтя по его длине
Поскольку ось О2 проходит через конец
локтя, то
. С учетом этого получим
,
2.4 Расчет кинетической энергии плеча
манипулятора
Плечо манипулятора будем рассчитывать как
однородный стержень сечением
и
.
Выберем материальную точку длиной
и
массой
расположенную
на расстоянии
от
,
тогда получим координаты элемента плеча манипулятора на оси х и у
;
Проекции скорости элемента плеча манипулятора на
оси х и у:
;
Скорость элемента плеча манипулятора:
Кинетическая энергия элемента манипулятора
,
Кинетическая энергия плеча манипулятора
определяем в результате интегрирования по длине плеча от -
до +
;
Поскольку ось поворота плеча О1
проходит через его конечную точку, то
.
С учетом этого получаем:
;
2.5 Расчет кинетической энергии двигателя локотя
Двигатель Д2 приводит в движение локоть и
расположен в точке
Координаты
двигателя на оси х и у
;
Проекции вектора скорости двигателя локтя на оси
х и у
;
Скорость двигателя локтя
=
;
Кинетическая энергия двигателя локтя:
;
Поскольку двигатель плеча расположен в точке О1,
и не перемещается, то его кинетическая энергия равна нулю.
2.6 Расчет потенциальной энергии груза.
Потенциальная энергия груза рассчитывается по
формуле
, (2.5)
где
После подставки получим
2.7 Расчет потенциальной энергии локтя
Выберем точку массой
,
находящуюся на расстоянии
от точки
,
тогда по аналогии с грузом получим
где
- плотность
материала локтя;
- площадь поперечного сечения локтя.
;
;
где
примем
равным нулю.
2.8 Расчет потенциальной энергии плеча
Выберем точку массы
,
находящуюся на расстоянии
от точки
,
тогда получим
;
Где
;
;
где
примем
равным нулю.
2.9 Расчет потенциальной энергии двигателя локтя
Двигатель локтя расположен в точке
;
.
2.10 Уравнения обобщённых сил
Суммарная кинетическая энергия манипулятора
;
Суммарная потенциальная энергия манипулятора
Применительно к двухзвенному ПР получаем два
уравнения обобщенных сил
;
;
;
;
;
;
;
; (2.8)
.
3. Выбор двигателей звеньев манипулятора
3.1 Расчет и построение нагрузочных диаграмм
звеньев
Подставляя численные значения масс и длин
звеньев
в
полученные выражения обобщенных сил ( 3.8; 3.9), получим численные выражения
зависимостей обобщенных сил
от параметров
движения звеньев
. Подставляя в эти
выражения значения
для различных
значений времени получим функции
и
-
нагрузочные диаграммы звеньев.
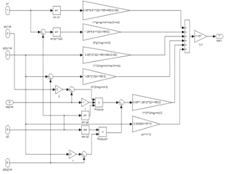
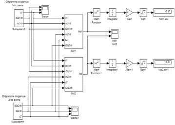
В блок-схеме математической модели для расчета
нагрузочных диаграмм двигателей звеньев манипулятора, представленной на
рис. 3.1,
были определены моменты, действующие на осях звеньев, для приведения которых к
валу двигателя использовали формулу
где
-
момент, приведенный к валу двигателя
-го звена ,Н*м;
- соответственно
передаточное отношение механической передачи i-го
звена.
Значение передаточного отношения механической
передачи i-го звена
определяем по формуле, исходя из условия, что максимальной скорости звена
манипулятора соответствует максимальная скорость вала двигателя
Поскольку при одинаковой мощности двигателей
меньшую массу имеют двигатели с большей скоростью, то будем выбирать двигатели
с максимальной скоростью, равной 314 рад/с. С учётом этого для первого звена
манипулятора получим
для второго звена манипулятора получим:
На рис.3.2 для примера показана блок-схема
математической модели подсистемы Мd1,
предназначенной для расчета нагрузочной диаграммы двигателя плеча манипулятора
Д1. Графики
приведены на рис.
3.3.
Рис. 3.1 Блок-схема математической модели для
расчета нагрузочных диаграмм двигателей звеньев манипулятора Д1
и Д2
Рис. 3.2 Блок-схема математической модели
подсистемы Мd1,
предназначенной для расчета нагрузочной диаграммы двигателя плеча манипулятора
Д1
Диаграммы момента развиваемого двигателем 1-го
звена (а) и 2-го звена (б) манипулятора с учётом массы двигателя Д2, равной 20
кг и момента инерции якорей двигателей Д1 и Д2, равном 3,83 10-3 кгм2
и КПД редукторов равных 100%. представлены в виде графика на рис. 3.3.
Рис. 3.3 Диаграммы момента развиваемого
двигателем 1-го звена (а) и 2-го звена (б) манипулятора с учётом массы
двигателя Д2, равной 20 кг и момента инерции якорей двигателей Д1 и Д2, равном
3,83 10-3 кгм2 и КПД редукторов равных 100%.
3.2 Представительный выбор двигателей звеньев
Блок-схема математической модели для расчета
нагрузочных диаграмм двигателей звеньев манипулятора, представленная на рис.
3.1, оценивает также и среднеквадратичное значение момента за рабочий цикл. Так
с помощью этой модели было получено, что среднеквадратичное значение момента
двигателей Д1 и Д2 равно
МЭКВ Д1=16,97 Нм;
МЭКВ Д2=13,37 Нм;
Выбираем одноступенчатый волновой редуктор КПД
которого равно
ηМП1=
ηМП2=0.95
МН Д1 ≥ МЭКВ Д1/
ηМП1
МН Д2 ≥ МЭКВ Д2/
ηМП2
После подстановки получим
МН Д1 ≥ 16,97/ 0,95=17,86 Нм,
МН Д2 ≥ 13,37/ 0,95=14,07 Нм.
Выбираем двигатель серии 3ДВУ
Для первого звена - 3ДВУ300L
;
Для второго звена - 3ДВУ265L
;
Таблица 3.1 Данные
двигателей 2ДВУ165L
и 2ДВУ165М
|
Тип
двигателя
|
Длительный
момент
|
Максимальная
частота вращения вала об/хв
|
Момент
инерции двигателя J
|
Длительный
ток
|
Максимальный
ток A
|
Сопротивление
фазы обмотки статора, RФ, Ом
|
Масса
двигателя, кг
|
|
2ДВУ165L
|
23
|
3000
|
6,9× 10-3
|
16
|
80
|
0,36
|
23
|
|
2ДВУ165М
|
17
|
3000
|
5,1× 10-3
|
12
|
60
|
0,49
|
19
|
После проверки на модели с учётом паспортных
параметров двигателей и с учётом КПД редукторов равным 0,95 получили
МЭКВ Д1=18,84 Нм;
МЭКВ Д2=17,07 Нм;
Поскольку температура окружающей среды в месте
эксплуатации манипулятора равна 25о С а не 40о С (что
соответствует требованиям паспорта двигателя), то двигатель Д2 перегреваться не
будет из-за превышения эквивалентным моментом номинального значения на 0,07 Нм.
Поэтому оставляем выбранный ранее двигатель для
приведения в движение 2-го звена.
Рис.3.4. Диаграммы момента развиваемого
двигателем 1-го звена (а) и 2-го звена манипулятора с учётом паспортных
параметров двигателей и КПД редукторов равных 0,95
Максимальному току цепи статора двигателя Д1,
равного 80А соответствует максимальный момент
МД1МАХ=МД01
×
IД1МАХ
/
IД01
МД1МАХ=23×80
/
16=115,2
Нм
Максимальному току цепи статора двигателя Д2,
равного 60А соответствует
максимальный момент
МД2МАХ=
МД02 × IД2МАХ
/
IД02
МД2МАХ=17×60
/ 12=85,0
Нм
Поскольку из нагрузочных диаграмм (рис.3.4) следует,
что максимальный момент, развиваемый двигателем Д1, МД1МАХ=51 Нм, а
двигателем Д2 - МД2МАХ=65,4 Нм, то можно утверждать, что выбранные
двигатели проходят по перегрузочной способности для заданного рабочего цикла.
4. Выбор комплектных электроприводов звеньев
4.1 Определение основных параметров СУЕП
Силовой преобразователь, питающий
двигатель, должен обеспечивать необходимые значения максимального напряжения в
звене постоянного тока
, длительного тока
и
максимального тока нагрузки
.
Максимальное напряжение преобразователя
где
,
-
максимальное значение скорости и момента на валу двигателя.
Определим значение конструктивного коэффициента
вентильного двигателя по моменту и по ЭДС
где
-
соответственно длительный момент и соответствующий ему ток двигателя.
Определим значение конструктивного коэффициента
вентильного двигателя Д1
Нм/А;
Определим значение конструктивного коэффициента
вентильного двигателя Д2
Нм/А;
Определим значение максимального напряжения
преобразователя для вентильного двигателя Д1
;
Определим значение максимального напряжения
преобразователя для вентильного двигателя Д2
;
Длительный выпрямленный ток преобразователя
где
-
эквивалентный момент на валу двигателя за цикл работы;
Определим значение длительного выпрямленного
тока преобразователя для вентильного двигателя Д1
;
;
Ток перегрузки должен удовлетворять соотношению
где
-
ток, соответствующий максимальному моменту двигателя;
;
;
Окончательно получаем:
;
;
;
;
;
.
4.2. Выбор комплектных электроприводов серии
ЭПБ-2
Для выбранных вентильных двигателей выбираем
комплектные электроприводы серии ЭПБ-2
Для первого звена:
Блок питания серии БС 9803-355
;
;
;
Блок регулирования серии БС 4102-345
;
;
;
Для второго звена:
Блок питания серии БС 9803-355
;
;
;
Блок регулирования серии БС 4102-345
;
;
;
Структурная схема двухконтурной СУЭП на базе
ЭПБ-2 приведена на рис. 4.1.
Рис. 4.1 Структурная схема двухконтурной СУЭП на
базе ЭПБ-2
.3 Синтез параметрів
СУЭП для 1-ї ланки маніпулятора
Визначаємо максимальну кутову
швидкість валу двигуна
де nmax=
об/хв. - максимальна частота обертання вала
Визначаємо значення
конструктивного коефіцієнту за ЄРС
Визначаємо коефіцієнт датчика швидкості
Визначаємо коефіцієнт
датчика струму:
Визначаємо конструкційний
коефіцієнт двигуна:
Визначаємо сумарний момент
інерції:
кгм2
Обираємо
:
4.4
Синтез
параметрів СУЭП для 2-ї ланки маніпулятора
Визначаємо максимальну кутову
швидкість валу двигуна:
де nmax=
об/хв. - максимальна частота обертання вала
Визначаємо значення
конструктивного коефіцієнту за ЄРС:
Визначаємо коефіцієнт датчика швидкості:
Визначаємо коефіцієнт датчика струму:
Визначаємо конструкційний
коефіцієнт двигуна:
Визначаємо сумарний момент
інерції:
кгм2
Обираємо
:
4.5 Моделирование СУЭП
Блок-схема модели 2-координатного ЭП
2-звенного манипулятора на базе ЭПБ-2 показана на рис.4.2.
Рис. 4.2 Блок-схема модели 2-координатного ЭП
2-звенного манипулятора на базе ЭПБ-2
На рис.4.3 и рис.4.4 показаны диаграммы движения
1-го и 2-го звеньев манипулятора. Там же показаны заданные диаграммы движения
1-го и 2-го звеньев. Так на рис.4.3,а и рис.4.4,а показаны заданная и
полученная с помощью СУЭП ЭПБ2 диаграммы перемещения соответственно 1-го и 2-го
звеньев манипулятора. Видно, что они настолько совпадают, что их трудно
различить.
Так на рис.4.3,б и рис.4.4,б показаны заданная и
полученная с помощью СУЭП ЭПБ2 диаграммы скорости перемещения соответственно
1-го и 2-го звеньев манипулятора. Они также достаточно полно совпадают, но
различия между ними более заметны.
Рис.4.3 Диаграммы движения 1-го звена
Так на рис.4.3,в и рис.4.4,в показаны заданная и
полученная с помощью СУЭП ЭПБ2 диаграммы ускорения с которым перемещаются
соответственно 1-е и 2-е звеньев манипулятора. Здесь заметны различия между
заданной и полученной с помощью СУЭП ЭПБ2 диаграммами ускорения. Часть из этих
отличий обусловлена наличием динамической ошибки, присущей системе
регулирования скорости, а часть наличием динамической ошибки, обусловленной
взаимным влиянием звеньев манипулятора друг на друга при их движении.
Рис.4.4. Диаграммы движения 2-го звена
На рис. 4.5 и на рис. 4.6 показаны диаграммы
сигналов задания скорости (а), задания тока (б) и диаграмма момента (в) в СУЭП
соответственно 1-го и 2-го звена манипулятора. Из графиков (в) видно, что
наличие взаимного влияния звеньев манипулятора друг на друга при их движении
приводит к увеличению максимальных значений моментов, развиваемых двигателем.
Так максимальный момент, развиваемый двигателем Д1 увеличивается от 51 НМ до 55
Нм. Максимальный момент, развиваемый двигателем Д2 увеличивается от 65,4 НМ до
72 Нм.
Рис. 4.5 Диаграммы сигналов задания скорости
(а), задания тока (б), диаграмма момента 1-го звена (в)
Рис.4.6 Диаграммы сигналов задания скорости (а),
задания тока (б), диаграмма момента 2-го звена
Заключение
В дипломном проекте
произведен анализ кинематики манипулятора и построена рабочая зона
манипулятора. При исследовании влияния изменения массы перемещаемого груза (
)
было установлено, что максимальное значение момента инерции манипулятора
относительно оси поворота 1-го звена О1 при вытянутой руке манипулятора (q2=0)
изменяется относительно среднего значения в пределах ±6%. Минимальное
значение момента инерции манипулятора относительно оси поворота 1-го звена О1
при сложенной руке манипулятора (q2=180о)
изменяется относительно среднего значения в пределах ±1,15%. Откуда видно, что
изменение массы груза в 2 раза незначительно влияет на момент инерции
манипулятора относительно оси поворота 1-го звена О1 изменяется.
Аналогично значение момента инерции манипулятора
относительно оси поворота 2-го звена О2 изменяется относительно среднего
значения в пределах ±9%. Откуда видно, что изменение массы груза в 2 раза
незначительно влияет на момент инерции манипулятора относительно оси поворота
2-го звена О2 изменяется.
Были рассчитаны и построены диаграммы движения
звеньев манипулятора. С помощью уравнений Лагранжа второго рода была
разработана динамическая модель 2-звенного манипулятора, с помощью которой были
определены требуемые параметры двигателей. Были выбраны двигатели серии 2ДВУ и
электропривод ЭПБ2. Бал проведен синтез параметров систем регулирования скорости
и разработана модель 2-координатного электропривода. Проверка на модели
2-координатной СУЭП подтвердила высокую точность воспроизведения требуемых
диаграмм движения.
Список литературы
1. Методические
указания к расчетно-графической работе по курсу «Электропривод роботов» ( Сост.
О. А. Андрюшенко, В. А. Водичев; Одесса: ДПУ, 2010-38с.)
2. Маслоненко
В. В. Автоматизированный электропривод: Учебники для вузов - М. :
Энергоатомиздат, 1986 - 461с.
. Попов
В. М. Теоретическая механика. Краткий курс: Учебник для вузов М.: Наука, 1986
-336с.
4. Попов
Е. П. Письменный Г. В. Основы робототехники: Введение в специальность: Учебники
для вузов по спец.: «Робототехнические системы и комплексы» - М.: Высш. Шк. ,
2009 - 224с.
. Терехов
В. М. Элементы автоматизированного электропривода: Учебник для вузов - М.:
Энергоатомиздат, 1987 - 224с.
. Чевнавский
С. А. Проектирование механических систем. Учеб.-справ. Пособие по курсовому
проектированию механических передач для вузов - М. , 2011.