Синтез компоновочной схемы манипулятора для лазерной резки
ВВЕДЕНИЕ
Современный этап развития различных технологических процессов
характеризуется широким привлечением средств вычислительной техники и
автоматики для создания высокопроизводительного автоматизированного
оборудования. С этих позиций лазерная резка является процессом, который может
быть реализован на высоком уровне автоматизации.
Экономически определено целесообразным применение лазерной резки в
условиях мелко- и среднесерийного быстропереналаживаемого производства при
обширной номенклатуре выпускаемых изделий, к которым предъявляются повышенные
требования в отношении качества кромки и точности размеров. При этом наибольшее
распространение для автоматизации получили роботы, способные выполнять
различные производственные функции в обстановке гибкого производственного
процесса при более низких материальных затратах.
Поэтому для автоматизации процесса лазерной резки
предлагается использовать промышленный робот для перемещения лазерного
излучателя вдоль контура изготавливаемой детали. Использование робота позволит
уменьшить время перенастройки для изготовления другого изделия, а также
обеспечит необходимую точность. Это определяется наличием у робота программы
действий, обусловленной заложенными в компьютер алгоритмами систем управления и
очувствления, т.к. он представляет собой программируемый универсальный
манипулятор, снабженный внешними датчиками оценки положения и других параметров
рабочего органа.
Таким образом, основной проблемой робототехники является проблема
планирования движений, обеспечивающих выполнение поставленной задачи, и
последующего управления манипулятором с целью реализации запланированных
движений. Для обеспечения функционирования робота в реальном масштабе времени
необходимы мощные и эффективные алгоритмы управления и быстродействующие компьютеры,
способные эти алгоритмы реализовать.
В данном проекте решаются задачи выбора компоновочной схемы манипулятора
для лазерной резки, построение его полной нелинейной математической модели и
синтеза законов управления, обеспечивающих осуществление перемещения по
траекториям, характерным для технологического процесса лазерной резки.
Обычно при синтезе систем управления промышленными роботами (ПР) принято
рассматривать приводы сочленений манипулятора как простые сервомеханизмы. Такой
подход неадекватно отражает переменные динамические характеристики
манипулятора, поскольку не учитывает движения и конфигурации манипулятора в
целом, а также переменные нагрузки, связанные с выполнением технологических
операций. Движение таких манипуляторов характеризуются низкой скоростью и
вредными вибрациями. Это часто ограничивает область применения манипулятора
работами, не требующими высокой точности. Улучшение качества функционирования
манипулятора может быть достигнуто реализацией более эффективных законов
управления на основе использования более точных динамических моделей, синтеза
достаточно сложных законов управления.
Поэтому в данном проекте решаются следующие задачи:
- выбор кинематической схемы манипулятора;
- расчет приводов для сочленений робота;
решение прямой и обратной задач кинематики;
построение математической модели приводов;
построение математической модели манипулятора в виде уравнения
Эйлера-Лагранжа второго рода;
синтез дискретно-непрерывной системы управления промышленного
робота методом обратной задачи динамики по точной математической модели.
В результате получены структурная схема системы управления трехзвенным ПР
и алгоритм синтеза замкнутого управления на основе эталонных переходных
процессов. В качестве примера осуществлен синтез системы управления для
изготовления кулачка. Показано, что синтезированный закон управления
обеспечивает необходимую точность перемещения рабочего органа, которая по
техпроцессу составляет 0,1 мм.
1. Характеристика технологического процесса как объекта
управления
.1 Анализ технологического процесса для лазерной резки
В современной промышленности широкое применение находят различные
механические методы разделения металлов и других материалов, в первую очередь
резка ножовочными полотнами, ленточными пилами, фрезами и др. В производстве
используются разнообразные станки общего и специального назначения для раскроя
листовых, профильных и других заготовок из различных металлов и сплавов. Однако
при многих достоинствах этого процесса следует отметить недостатки, связанные с
низкой производительностью, высокой стоимостью отрезного инструмента,
трудностью или невозможностью раскроя материалов по сложному криволинейному
контуру и т.п. [12,14].
В связи с этим возникает производственная необходимость в разработке и
промышленном освоении методов резки современных конструкционных материалов,
обеспечивающих высокую производительность процесса, точность и качество
поверхностей реза. К числу таких перспективных процессов разделения материалов
следует отнести лазерную резку металлов, основанную на использовании лазерного
луча для реализации процессов нагрева, плавления, испарения, химических
реакциях горения и удаления расплава из зоны реза [13].
Классифицируя методы обработки, можно указать, что та или иная операция
разделения в лазерной технологии может быть отнесена к одному из трех видов
обработки - резке, сверлению или термораскалыванию.
Лазерная резка может осуществляться как со сквозным прорезанием
материала, так и в виде получения на его поверхности пазов и дорожек.
К лазерной резке можно отнести следующие операции:
обработка диэлектрических, кермитных и оксидных пленок для подгонки
номиналов резисторов и конденсаторов в микросхемах, частоты кварцевых
резонаторов;
получение рисунков на тонких пленках, нанесенных на диэлектрические
подложки микросхем, которое осуществляется как с помощью прямого испарения, так
и сканирования луча по специальным меткам;
гравирование и маркировка деталей;
собственно сквозная разделительная резка материалов для получения деталей
готовых конфигураций.
Помимо резки можно также осуществлять операцию сверления, а также
термораскалывание хрупких материалов.
К сверлению отверстий относятся следующие операции:
получение глухих отверстий с целью балансировки некоторых изделий;
перфорация или прошивка отверстий.
Сфокусированное лазерное излучение, обеспечивая, высокую концентрацию
энергии, позволяет разделять практически любые металлы и сплавы независимо от
их теплофизических свойств. При этом можно получать узкие резы с минимальной
зоной термического влияния. При лазерной резке отсутствует механическое
воздействие на обрабатываемый материал, и возникают минимальные деформации, как
временные в процессе резки, так и остаточные после полного остывания.
Вследствие этого лазерную резку можно осуществлять с высокой степенью точности,
в том числе легкодеформируемых и нежестких заготовок или деталей. Благодаря
большой плотности мощности лазерного излучения обеспечивается высокая
производительность процесса в сочетании с высоким качеством поверхностей реза.
Легкое и сравнительно простое управление лазерным излучением позволяет
осуществить лазерную резку по сложному контуру плоских и объемных деталей и
заготовок с высокой степенью автоматизации процесса.
Применение импульсно-периодического лазерного излучения при резке позволяет
снизить необходимые средние мощности лазера, позволяет, устанавливая
необходимые скорости нагрева и время пребывания материала при высоких
температурах, выбирать оптимальные с точки зрения эффективности процесса и
структурных минимальных изменений режимы работы [6, 12].
Лазерное излучение, как электромагнитная волна оптического диапазона,
обладает также таким важным технологическим качеством, как безынерционность.
Действительно, учитывая исчезающе малую массу фотонов и большую скорость света,
время включения и выключения луча, смена направления перемещения луча
относительно детали определяется лишь быстродействием соответствующего
устройства. Помимо этого существует принципиальная возможность с помощью
светоделительной оптики и зеркал разделить пучок в необходимых пропорциях и
направлять его по оптическим трактам на те или иные технологические позиции.
В связи с вышесказанным при использовании лазерного излучения может быть
достигнута высокая степень автоматизации технологического процесса обработки на
основе применения координатных устройств относительного перемещения луча и
детали, управляемых от ЭВМ. Использование устройств, управляющих параметрами
лазерной установки на основе адаптивной оптики, автоматизированного газообмена
и регенерации рабочей смеси |в газовых лазерах, синхронизации векторов
перемещения изделия и поляризации излучения и т. д., позволит изменять
характеристики излучения по заданной программе.
Таким образом, суммируя преимущества лазерных методов разделения, можно
указать следующие:
лазером разделяется обширный класс материалов независимо от их твердости;
благодаря острой фокусировке, обеспечивающей локальность нагрева,
возможно получение узких разрезов с минимальной зоной термического влияния;
практически полностью отсутствует механическое воздействие на
обрабатываемый материал (возможна обработка легкодеформируемых и нежестких
материалов, и в связи с чем, отпадает необходимость в закреплении образца
(можно ограничиться лишь фиксацией);
высокая плотность мощности, достигаемая при фокусировке луча на
поверхность обработки, обеспечивает высокую производительность процесса;
применение лазеров импульсно-периодического действия позволяет
контролировать и строго регламентировать пребывание материала при высоких
температурах;
существует возможность автоматизации процесса на высоком уровне;
применение соответствующих координатных устройств позволяет осуществить
лазерную резку по сложному контуру в двух и даже трех измерениях, начав процесс
с произвольно выбранного места;
возможна многопозиционная обработка.
К основным недостаткам лазерных методов обработки зачастую относят
высокую стоимость оборудования и низкий КПД лазерных установок. Однако
постоянное совершенствование конструкций, использование новейших достижений в
области материаловедения, кристаллографии, газового разряда и применение новых
оптических материалов позволяют отнести эти недостатки к разряду временных.
.2 Конструкция лазерного излучателя
Для генерации лазерного излучения предназначен излучатель с необходимыми
оптическими, энергетическими и пространственно-временными параметрами,
обеспечивающими требуемые показатели качества и производительности процесса
резки.
Лазерный излучатель может иметь широкий диапазон мощности (от нескольких
десятков ватт до нескольких киловатт), обеспечивающие эффективную резку
металлов с использованием вспомогательного газа, поступающего в зону обработки
одновременно с излучением лазера. Лазерное излучение нагревает, плавит и
испаряет материал по линии предполагаемого реза, а поток вспомогательного газа
удаляет продукты разрушения. Данный способ разделения материалов известен под
названием газолазерной резки. Газовый поток не только транспортирует продукты
разрушения. При использовании кислорода или воздуха при резке металлов на
поверхности разрушения образуется окисная пленка, повышающая поглощательную
способность материала, а в результате экзотермической реакции выделяется
достаточно большое количество теплоты [12].
При газолазерной резке сталей и ряда других сплавов в качестве
вспомогательного газа используется кислород, обеспечивающий выделение на
поверхности разрушения в канале дополнительной теплоты экзотермической реакции.
Кроме этого, на обрабатываемой поверхности металла появляется окисная пленка,
изменяющая тепловую обстановку в канале реза вследствие изменения
поглощательной способности материала. Окисная пленка заметно влияет также на
гидродинамику течения расплава, так как вязкость окислов существенно превышает
соответствующую величину для жидкого металла.
Для повышения качества и одновременно точности изготовления деталей по
криволинейному контуру необходимо управлять параметрами режима газолазерной
резки металлов.
Для технологических целей в основном используются газовые и твердотельные
лазеры, работающие как в импульсно-периодическом, так и в непрерывном режимах.
Среди газовых наиболее широко применяются молекулярные лазеры на диоксиде
углерода. Следует отметить также возможность применения аргоновых лазеров,
генерирующих на длине волны 0,49 и 0,51 мкм, мощность излучения которых в
настоящее время доведена до 200 Вт [7,12].
Рис. 1.1 Схема лазерного излучателя
В состав излучателя входит активная среда 1, зеркала резонатора 2,
элементы системы накачки 3, а при необходимости устройство модуляции излучения
4.
К качеству излучения при резке металлов предъявляются более высокие
требования по сравнению с другими технологическими процессами. Поэтому при
выборе типа лазера для резки необходимо учитывать весь комплекс причин,
ухудшающих характеристики и стабильность излучения: турбулентность потока,
неоднородность разряда, схему разряда, чувствительность элементов конструкции к
термодеформациям и т.д. [6]. Концентрация энергии лазерного излучения
обеспечивается использованием специальной оптики - одиночной линзы или
объектива. Теоретически монохроматическое излучение можно сфокусировать в пятно
размером порядка длины волны. Однако дифракционная расходимость приводит к
тому, что диаметр пятна фокусировки увеличивается.
При фокусном расстоянии линзы 100 мм диаметр пятна будет составлять около
0,1 мм, что определяет ширину реза (или диаметр отверстия) такого же порядка.
Параметрами
электронного луча, измеряемыми в процессе обработки, являются сила тока луча
, ускоряющее напряжение
, сила
тока фокусирующей системы
, рабочее расстояние (от центра фокусирующей системы
до поверхности свариваемой детали)
,
скорость перемещения электронного луча
.
При
заданном рабочем расстоянии
, силе
тока фокусировки и мощности сварки
можно
определить диаметр электронного луча
и,
следовательно, удельную мощность, которая является одним из определяющих
параметров процесса:
.
Величина
не является определяющим параметром, так как при
электронно-лучевой обработке в зависимости от удельной мощности
при одинаковой погонной энергии можно получить
различную конфигурацию зоны обработки.
При
воздействии в импульсном режиме средняя мощность (Вт)
, где
- сила
тока импульса, А;
- частота следования импульсов, Гц;
- длительность импульса, с.
Скорость
обработки в импульсном режиме
,
где
- диаметр зоны обработки (точки);
- коэффициент перекрытия точек (обычно
= 0,5¸0,9);
-время паузы между импульсами, с.
Шаг
точек
, скорость обработки
.
Соотношение
длительности импульса и времени паузы в импульсном режиме характеризуется
скважностью цикла
.
Наиболее
существенным и наиболее трудноопределяемым параметром электронного луча
является его диаметр.
При
заданных плотностях тока эмиссии с катода, температуре катода и сферической
аберрации линзовой системы пучок электронов с максимальной силой тока может
быть сфокусирован в пятно минимального диаметра [12]:
Здесь
-постоянная электронно-оптической системы. С учетом
этого выражения удельная мощность
На
рисунке 1.2 представлены зависимости диаметра луча от силы тока и ускоряющего
напряжения для резки, рассчитанные по выше приведенной формуле.
Высокие
значения плотности мощности излучения приводят к существенному сокращению
времени нагрева, плавления и испарения материала, обеспечивая скорости
обработки, сравнимые со скоростью протекания физических процессов в объекте
облучения. В свою очередь, благодаря высоким скоростям обработки и большой
степени локальности источника нагрева протяженность участков материала,
прилегающих к области воздействия.
Рисунок
1.2 Зависимость диаметра луча
и
удельной мощности
, от ускоряющего напряжения при различных значениях
мощности:
-
= 100; 2 -
= 500; 3
-
= 1000; 4 -
= 2000 Вт
.3
Особенности технологического использования робота
Для
автоматизации процесса лазерной резки предлагается использовать робот, который
оснащен устройством для фокусировки лазерного луча в качестве рабочего органа.
Для передачи излучения от излучателя в нем используется кварцевый оптический
волновод диаметром 1 мм, потери в котором на расстоянии 300 м составляют 20%.
При этом один лазер может обслуживать несколько роботов, что обеспечивает
обработку материалов одновременно в нескольких местах.
Робот
осуществляет перемещение лазерного излучателя по заданной траектории.
Технологический
процесс к манипулятору и системе управления предъявляет следующие требования:
)
рабочий орган должен иметь вертикальную ориентацию в любой точке рабочей зоны;
)
система управления должна обеспечить перемещение в заданную точку и перемещение
по заданному контуру с точностью и скоростью, определяемой технологическим
процессом.
.4
Технологическое оснащение лазерных комплексов
К
технологическому оснащению лазерных комплексов для резки следует отнести:
системы передачи лазерного излучения в зону обработки; устройства установки и
закрепления обрабатываемого материала; вентиляционные системы удаления
продуктов лазерной обработки. Завершающим этапом преобразования лазерного пучка
с помощью оптических или оптико-механических систем является фокусировка.
Простейшее устройство для фокусировки показано на рисунке 1.3.а. Для подачи
газа в зону обработки между линзой и обрабатываемым материалом расположено
сопло в виде усеченного конуса. Газ, выходящий под давлением из сопла соосно
лазерному пучку, кроме технологических функций выполняет функцию защиты линзы
от продуктов лазерной обработки.

а) б)
Рисунок
1.3 Конструкция газолазерных резаков: 1 - лазерный пучок; 2 - корпус; 3 -
зеркало; 4 - тубус; 5 - линза; 6 - сопло; 7 - плоское окно; 8 - отверстие для
подачи газа
Поверхность
линзы фокусирующего устройства, обращенную к обрабатываемому материалу,
защищают также с помощью прозрачных неподвижных и вращающихся экранов,
вращающихся металлических дисков с окнами на пути прохождения лазерного пучка,
экранирующих диафрагм, магнитных и электроразрядных устройств [14].
Для
фокусировки излучения мощных (свыше 3 кВт) технологических лазеров в целях
сохранения высокого ресурса службы фокусирующих элементов целесообразен переход
на металлооптику. Примером лазерной резки с применением металлических зеркал,
фокусирующих излучение, выходящее из неустойчивого резонатора, может служить
конструкция, показанная на рисунке 1.3 б. Кольцевой пучок лазерного излучения
входит в устройство через плоское, прозрачное для данной волны излучения окно
7.
С
помощью зеркальных поверхностей 3 пучок отклоняется в сторону разрезаемого
материала и, проходя через сопло 6, фокусируется на обрабатываемом изделии. Газ
под давлением подается через отверстия 8 во внутреннюю часть устройства,
одновременно охлаждая зеркальные поверхности.
Устройство
может иметь также оптическую систему для визуального контроля положения
обрабатываемой детали относительно сфокусированного лазерного пучка. Подвижные
фокусирующие устройства снабжаются автоматическими следящими системами
взаимного положения объектива и обрабатываемой детали. Как уже отмечалось выше,
для контроля этого положения применяются контактные, индуктивные и емкостные
датчики.
Подвижные
фокусирующие устройства устанавливаются на каретках, которые перемещаются по линейным
или круговым направляющим в соответствии с заданным законом движения.
Рисунок
1.4 Рабочая поверхность стола: 1 - стержни; 2 -обрабатываемый материал; 3 -
поверхность стола; 4 - пластины; 5 - шарики; 6 - сотовые панели
Рабочая
поверхность стола 3 (рисунок 1.4, а-г) лазерной установки и поверхность
обрабатываемого материала 2, обращенная к столу, не должны подвергаться
воздействию лазерного излучения. Поэтому рабочая поверхность стола выполняется
в виде точечных или линейных элементов, соединенных между собой в опорные
блоки. Точечными опорными элементами могут быть стержни (рисунок 1.4, а) и
шарики 5 (рисунок 1.4, г), линейными - наборы отдельных пластин 4 (рисунок 1.4,
б) или сотовые панели 6 (рисунок 1.4, в). Для рассеяния лазерного пучка
поверхности опорных элементов стола, обращенные к обрабатываемому материалу,
изготавливаются коническими, сферическими, пирамидальными или призматическими.
При обработке материалов с малой жесткостью в качестве опорной поверхности
стола могут быть использованы перфорированные плиты [13,14].
Обычно
опорные элементы неподвижны относительно стола. Когда листовой материал во
время обработки перемещается относительно стола, на поверхности последнего
располагаются в гнездах вращающиеся шарики (рисунок 1.4, г). Разрезаемый лист,
закрепленный в захватах исполнительного механизма лазерной технологической
установки, катится на опорных шариках, не контактируя непосредственно с
неподвижным столом.
Неподвижные
опорные элементы стола изготавливаются из материала с высокой теплопроводностью
(алюминий, латунь, медь).
Стол
лазерной технологической установки выполняется как неподвижным, так и с
возможностью возвратно-поступательного, вращательного и других движений. На
рабочей поверхности неподвижного стола обрабатываемый материал чаще всего не
закрепляется. При необходимости фиксации обрабатываемого материала применяются
специальные приспособления.
Продукты
лазерной обработки (газ, частицы материала) удаляются из рабочей зоны
вентиляционной системой. При этом может быть осуществлен отсос продуктов
обработки, как со всего рабочего поля стола установки, так и местный - из зоны
воздействия лазерного излучения. Разряжение под рабочим столом, образующееся в
результате работы вентиляционной системы, используется и для закрепления
обрабатываемого материала к поверхности стола.
Современный уровень развития лазеров технологического назначения,
лазерных датчиков, процессоров, световодов и робототехники позволяет приступить
к созданию полного машинообрабатывающего комплекса на основе лазерной
технологии.
Такой комплекс производит все виды обработки деталей: резку, сварку,
плавление, нанесение покрытий на поверхность, а также ряд металлургических
технологических операций, включающих в себя изменение глубинной структуры
вещества, поверхностной микроструктуры, легирование, упрочнение поверхности и
др. При этом могут использоваться несколько лазеров, один из которых ведет
предварительный нагрев, а другие - конечную обработку и при этом можно вести
обработку материала в нескольких местах. Роботы могут манипулировать лазерами и
их лучами или объектом обработки относительно луча.
Учитывая уникальные характеристики лазерного излучения, позволяющие
применять его как универсальный инструмент, в принципе возможно перевооружение
машиностроительной промышленности при объединении так называемой «жесткой»
групповой технологии обработки изделий по отдельным видам операций в единый
«гибкий» комплексный процесс, включающий в себя, кроме механической обработки,
формовку, термоупрочнение и операции сборки.
2. Исследование и выбор промышленного робота для лазерной резки
.1 Выбор кинематической схемы манипулятора
От выбора кинематической схемы - структуры “скелета” руки - зависят
двигательные возможности робота.
Манипулятор представляет собой открытую кинематическую цепь, элементы
которой соединены друг с другом посредством кинематических пар. Как правило,
это одноподвижные кинематические пары пятого класса - вращательные либо
поступательные. Если кинематическая цепь не содержит внутренних замкнутых
контуров, то число кинематических пар определяет число степеней подвижности
манипулятора [24].
Звенья кинематической цепи соединены кинематическими парами так, что одно
из них крепится к основанию (подвижному или неподвижному), а еще одно несет на
себе рабочий орган - схват, или инструмент.
Для выбора кинематической схемы манипулятора осуществим анализ
существующих типовых компоновок манипуляторов.
Для перемещения манипулятора в любую точку рабочего пространства
требуются три кинематических сочленения. Для обеспечения требуемой ориентации в
пространстве рабочего органа требуются дополнительно три кинематических
сочленения.
По способу осуществления пространственных перемещений манипулятор
относится к одной из четырех основных категорий [10, 25]:
манипулятор с декартовой системой координат, имеющий три поступательных
сочленения;
манипулятор с цилиндрической системой координат, имеющий одно
вращательное и два поступательных сочленения;
манипулятор со сферической системой координат, имеющий одно поступательное
и два вращательных сочленения;
манипулятор с шарнирной системой координат, имеющий три вращательных
сочленения.
На рисунке 2.1 представлены типовые компоновки промышленных
манипуляторов.
С целью уменьшения стоимости системы управления и увеличения точности
управления необходимо оптимально выбрать количество кинематических пар
манипулятора.
Рисунок 2.1
Типовые компоновки промышленных манипуляторов
а - манипулятор с декартовой системой координат;
б - манипулятор с цилиндрической системой координат;
в - манипулятор со сферической системой координат;
г - манипулятор с шарнирной системой координат.
Рассмотрим возможные кинематические схемы, обеспечивающие неизменную
ориентацию рабочего органа.
Манипулятор с шарнирной системой координат (2.1 (г)) обеспечивает условие
вертикальной ориентации рабочего органа в различных точках рабочей зоны
благодаря добавлению четвертого вращательного сочленения с осью вращения
параллельной осям вращения второго и третьего сочленений. Недостатком является
большое количество сочленений, что приведет к усложнению и удорожанию системы
управления. Поскольку для рассмотренного технологического процесса требуется
только обеспечение вертикальной ориентации, нет необходимости в трех дополнительных
сочленениях.
Манипулятор с декартовой системой координат, имеющий три поступательных
сочленения (2.1 (а)). Манипуляторы с поступательными сочленениями сложны в
изготовлении и получили неширокое распространение. К тому же такой манипулятор
занимает больше производственной площади, чем манипуляторы с вращательными
сочленениями.
Манипулятор со сферической системой координат (2.1 (в)) не обеспечивает
условие вертикальной ориентации рабочего органа в различных точках рабочей
зоны.
Манипулятор с цилиндрической системой координат с одной вращательной и
двумя поступательными сочленениями (2.1 (б)). Имеет преимущества по сравнению с
выше описанными. Он имеет всего три сочленения, из которых только два
поступательных. К тому же 60% выпущенных в мире манипуляторов имеют такую
кинематическую схему. Таким образом, возможно оснащение существующих
манипуляторов разработанной в данном дипломном проекте системой управления.
Для реализации требуемого технологического процесса выбираем следующие
параметры звеньев:
Длины звеньев:
Массы
звеньев и рабочего органа:
Максимальная
угловая скорость в первом сочленении:
Максимальное
угловое ускорение:
Максимальная
линейная скорость во втором сочленении:
Максимальная
линейная скорость в третьем сочленении:
Максимальное
линейное ускорение во втором сочленении:
Максимальное
линейное ускорение в третьем сочленении:
Максимальные
моменты инерции звеньев и рабочего органа:
.2
Выбор типа привода для промышленного робота
Приводы
робота предназначены для преобразования подводимой энергии в энергию,
необходимую для приведения в действие манипуляционного механизма. Они состоят
из усилителя мощности, исполнительного двигателя и передачи. Кроме того, они
могут быть охвачены внутренними обратными связями, и содержать дополнительные
элементы: тахогенераторы, датчики сил и моментов, корректирующие устройства и
т. д. При наличии внешних обратных связей по положению они представляют собой,
по существу, следящие системы [19, 23].
Приводы
могут быть расположены на подвижных звеньях манипуляционного механизма вблизи
соответствующих шарниров и на едином основании или частью на звеньях, частью на
основании. Каждый способ расположения имеет свои преимущества и недостатки.
Наибольшее распространение получил первый вариант в основном из-за удобства
управления манипуляционным механизмом. Однако его реализация приводит к
увеличению массы и габаритов механизма. В случае жестких ограничений на массу и
габариты звеньев механизма может быть предпочтительнее второй вариант. Однако
он требует длинных кинематических цепей для передачи движения к звеньям, что
обычно является источником дополнительной нежесткости, люфтов и т. д [19].
В
современных работах используются все основные типы приводов - электрические,
гидравлические и пневматические [19].
Пневматические
приводы получили широкое применение в конструкциях упрощенных ПР. Они просты в
управлении, недороги, надежны и пожаробезопасны. Однако при их использовании
трудно поддерживать постоянную скорость исполнительного устройства и
осуществлять точное позиционирование, кроме того, необходимо обеспечивать их
смазку и защиту от коррозии. Они отличаются низкой удельной мощностью, что
обусловлено малым рабочим давлением в заводских магистралях (не более 0,6 МПа).
Гидравлические
приводы легки, компактны, позволяют использовать высокое давление, имеют малую
инерционность, легко допускают регулирование давления и расхода энергоносителя.
К недостаткам гидропривода следует отнести возможность утечек энергоносителя и
необходимость введения устройств для охлаждения рабочей жидкости.
Электроприводы
обладают большой технологической гибкостью, просты в обслуживании и надежны в
работе. В таких приводах используются электродвигатели постоянного и переменного
тока. В настоящее время широкое распространение получил дискретный (шаговый)
привод. Легкость регулирования, бесшумность, отсутствие трубопроводов, легкость
энергоподводов, простота монтажа и наладки, достаточно высокие показатели
надежности - положительные стороны для применения электроприводов в
конструкциях ПР.
В
электрических приводах могут использоваться также и двигатели переменного тока,
в основном асинхронные двухфазные, управляемые с помощью транзисторных или
магнитных усилителей, а также тиристорных преобразователей. В наиболее простых
моделях роботов управление электродвигателями переменного тока может
осуществляться релейно с помощью пускателей или реле.
Создаются
и используются также различные комбинированные приводы (пневмоэлектрические,
электрогидравлические и др.), которые имеют свои преимущества и недостатки, но
в целом расширяют технологические возможности ПР.
Преимущества
и недостатки электрических приводов общеизвестны. Электрические приводы
позволяют использовать гибкую схему управления и легко стабилизируются при
помощи корректирующих устройств. Среди основных недостатков привода постоянного
тока отметим его инерционность. Двигатели постоянного тока обычного исполнения
имеют большой момент инерции, который может составлять до 60-80% от суммарного
приведенного момента инерции всех подвижных частей.
В
электрических приводах роботов используются также шаговые двигатели различных
типов. Приводы на шаговых двигателях чаще всего выполняются по разомкнутой
схеме. Использование шаговых двигателей требует, как правило, наличия числового
программного управляющего устройства. Эти приводы просты в управлении, имеют
относительно не большое количество элементов схемы, что повышает надежность, и
обладают высокой точностью отработки задающего воздействия [19].
По
своим свойствам наибольшее применение электрические приводы находят для роботов
средней грузоподъемности (от нескольких килограммов до десятков и даже сотен
килограммов). В настоящее время наметилась заметная тенденция ко все более
широкому использованию электрических приводов, особенно для роботов,
предназначенных для решения таких сложных технологических задач, как сборка и,
контурная сварка [19].
Гидравлическими
приводами оснащаются в основном роботы средней и большой грузоподъемности. В
следящих системах используются, как правило, электрогидравлические приводы.
Пневматические
приводы при больших нагрузках обладают неудовлетворительными динамическими
характеристиками, поэтому они применяются в основном для роботов малой
грузоподъемности. Кроме того, из-за сжимаемости воздуха, в пневматическом
приводе очень трудно с высокой точностью отслеживать входной сигнал, поэтому
пневматические приводы чаще всего работают по разомкнутой схеме.
Выбранный
техпроцесс не требует больших нагрузок, но требует достаточно высокой точности.
Таким образом, учитывая выше сказанное, оснастим привод рассматриваемого в
данной работе робота электродвигателем постоянного тока на каждую степень
подвижности.
.3 Выбор и расчет исполнительных двигателей
2.3.1 Выбор типа двигателя
Исполнительные двигатели, с одной стороны, определяют
энергетические свойства робота, а с другой - его динамические свойства.
Корректирующие устройства не могут обеспечить требуемые вращающие моменты,
скорости и ускорения нагрузки, если они не обеспечены энергетикой двигателя.
Для электрических следящих приводов в качестве
исполнительных двигателей наиболее распространены двигатели постоянного тока с
независимым возбуждением, управляемые от малогабаритных и малоинерционных
тиристорных усилителей мощности. Передача движения от двигателей к звеньям
манипулятора обычно осуществляется с помощью различных редукторов [10]. Для
преобразования вращательного движения в поступательное используют
преобразователи типа шестерня - рейка, шарико-винтовые пары и т. д. [19].
Исходными данными для выбора исполнительных двигателей
являются параметры манипулятора Jн, Мн maх и значения wmaх и emaх по каждой степени подвижности,
которые должны перекрывать значения скорости и ускорения для всех режимов
движения. Двигатели выбирают по потребной мощности, которую рассчитывают для
установившихся движений с максимальными скоростями для вращательной и
поступательной степеней подвижности соответственно:
;
,(2.1)
где
- коэффициент запаса, учитывающий возможное увеличение
потребной мощности для динамических режимов движения, а также КПД двигателя и
передачи (для электрических приводов, содержащих редукторы с зубчатой передачей,
в диапазоне мощности до единиц киловатт принимают
= 1,2-1,5
[1];
и
-
максимальные значения момента и силы нагрузки в установившемся режиме, приведенные
к выходу соответствующей передачи (к соответствующему звену манипулятора);
и
- максимальные угловая и линейная скорости звеньев
манипулятора.
Максимальный момент нагрузки для первого сочленения равен:
=
Нм
Максимальная сила нагрузки для второго и третьего сочленений равна:
Мощности двигателей должны быть равны:
По потребной мощности из каталогов выбирается близкий
по мощности двигатель. При прочих равных условиях лучшим из двигателей данной
мощности считается тот, у которого наибольший номинальный вращающий момент,
минимальный момент инерции ротора, меньшие масса и габаритные размеры [19].
В соответствии с этими требованиями из каталога
выбираются следующие модели: двигатель ДПУ-200 отечественного производства для
первого сочленения, 4А56В2У3 - для второго и третьего сочленений. Ниже в
таблице 2.1 приводятся их технические характеристики [19].
Таблица 2.1
Технические характеристики двигателей
|
Наименование параметра
|
ДПУ-200
|
4А56В2У3
|
|
Номинальная угловая
скорость вращения ротора ,
об/мин3000
|
3000
|
|
|
Номинальный вращающий
момент , Н*м1,7
|
0,83
|
|
|
Номинальная мощность , кВт0,55
|
0,25
|
|
|
Момент инерции ротора , 8,1·10 -
4
|
1,8·10- 3
|
|
|
Длина, 180
|
194
|
|
|
Диаметр, 180
|
120
|
|
|
Масса, 18,0
|
4,5
|
|
|
Сопротивление якоря , 1,2
|
0,4
|
|
|
Индуктивность цепи якоря , 0,014
|
0,012
|
|
|
0,065
|
0,043
|
|
|
0,1
|
0,1
|
|
|
3,8
|
3,4
|
|
|
0,09
|
0,08
|
|
|
0,05
|
0,06
|
|
.3.2 Расчет передаточных чисел редукторов
По
номинальной скорости вращения ротора двигателя
и
максимальной скорости вращения нагрузки
определяют
необходимое передаточное отношение редуктора:
i=
/
.(2.2)
Для первого сочленения передаточное отношение
редуктора:
i1=
/
=
=180.
Передаточное
отношение для поступательной степени подвижности можно рассчитать по формуле
(2.2). В этом случае
(2.3)
где
- максимальная скорость перемещения нагрузки; h -
конструктивный параметр, зависящий от устройства преобразования вращательного
движения в поступательное.
Примем
h=50 мм. Тогда
i2=
/
=
/
=
=250.
i3=
/
=
/
=
=150.
2.3.3 Проверочный расчет для выбранных двигателей
Далее необходимо проверить пригодность выбранного
двигателя по потребному моменту [4,16]. Потребные моменты в общем случае должны
определяться из уравнений движения всей системы, включающей двигатели, передачи
и звенья манипулятора. Оценочный расчет можно проводить независимо по каждой
степени подвижности, включая в потребные моменты также и составляющие,
обусловленные взаимным влиянием движений по разным степеням подвижности. Для
вращательной степени подвижности дифференциальное уравнение движения системы
имеет вид:
(2.4)
где
суммарный момент инерции ротора двигателя и
редуктора, приведенный к валу двигателя;
,
- углы поворота вала двигателя и нагрузки;
- электромагнитный момент, развиваемый двигателем;
- момент сил сопротивления в двигателе и редукторе,
приведенный к валу двигателя;
-
момент, прикладываемый к нагрузке со стороны привода;
- момент инерции нагрузки;
- момент сил сопротивления на валу нагрузки;
- возмущающий момент, обусловленный взаимным влиянием
движений по разным степеням подвижности, технологическими силами и моментами, а
также моментами от сил тяжести.
С
учетом кинематического соотношения
уравнения
(2.4) приводятся к одному уравнению вида
(2.5)
где
- суммарный момент нагрузки на валу двигателя.
В
установившемся режиме движения, когда
, момент
нагрузки
полностью определяет потребный момент двигателя.
Момент нагрузки, приведенный к выходу редуктора,
(2.6)
В динамических режимах движения момент, развиваемый
двигателем, определяют в соответствии с уравнением (2.5), но дополнительно
учитывают КПД редуктора:
(2.7)
где
, а возмущающий момент
рассчитывается
с учетом ускорений по всем степеням подвижности манипулятора.
Для типового режима разгона с постоянным максимальным
ускорением из (2.7) можно определить потребный момент двигателя:
(2.8)
В
формуле (2.8) для
следует использовать максимальное значение. Если
момент инерции нагрузки JH переменный, то в (2.8) необходимо
подставить его максимальное значение
Поскольку
исполнительный двигатель не меняется при переходе с режима на режим,
необходимо, чтобы его номинальный момент (для выбранного двигателя находится по
каталогу) был не меньше, чем любое из полученных для различных типовых режимов
значений потребного момента. Если это не так, т. е. необходимое условие
(2.9)
не
выполняется для двигателя, выбранного по предварительной грубой оценке (2.1),
то выбирают другой двигатель, большей мощности, и снова производят проверку по
потребному моменту.
В таблице 2.2 приведены значения моментов двигателей в различных режимах
движения.
Таблица 2.2
Значения моментов двигателей в различных режимах движения
|
Режим (формула)
|
Первое сочленение
|
Второе сочленение
|
Третье сочленение
|
|
Установившийся режим
движения (2.6)
|
1,17
|
0,66
|
0,49
|
|
Динамический режим движения
(2.7)
|
1,46
|
0,7
|
0,61
|
|
Типовой режим разгона с
макс. ускорением (2.8)
|
1,57
|
0,69
|
0,68
|
Поскольку все величины меньше номинальных моментов для соответствующих
двигателей, то выбранными двигателями можно оснастить сочленения манипулятора.
.3.4 Выбор устройств усиления управляющих сигналов
В качестве усилителей мощности для приводов роботов с
двигателями постоянного тока применяют тиристорные преобразователи,
предназначенные непосредственно для управления электродвигателями постоянного
тока [10, 19]. Они характеризуются малой инерционностью, мгновенной готовностью
к работе, хорошими эксплуатационными качествами. В отличие от непрерывного
способа управления двигателем постоянного тока, когда изменение его скорости
достигается за счет непрерывного изменения мощности, подводимой к двигателю,
для тиристорных усилителей мощности характерен импульсный способ управления. По
принципу действия тиристор является импульсным элементом.
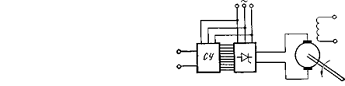
Рисунок 2.2 Функциональная схема управления двигателем
Функциональная схема управления двигателем с помощью
тиристорного преобразователя приведена на рисунке 2.2. Тиристорный
преобразователь состоит из схемы управления СУ и собственно преобразователя.
Источником питания является сеть переменного тока. Для повышения качества
следящей системы используют трехфазную сеть повышенной частоты 400 Гц.
Преобразователь состоит из двух групп тиристоров, имеющих одностороннюю
проводимость, которые образуют мостовую схему. В диагональ моста включен
двигатель. При поступлении на вход схемы управления сигнала определенной
полярности открывается одна группа тиристоров, и ротор двигателя приходит во
вращение. Другая группа тиристоров закрыта управляющими импульсами. При
поступлении сигнала противоположной полярности открывается другая группа
тиристоров. Напряжение на якоре двигателя регулируется изменением времени
проводимости тиристоров.
Статическая характеристика двигателя постоянного тока
при импульсном управлении близка к линейной.
Усилитель мощности выбирают по его выходной мощности,
необходимой для управления двигателем, по условию
(2.10)
где
- номинальные значения напряжения и тока двигателя
(при этом номинальное напряжение усилителя мощности должно соответствовать
номинальному напряжению двигателя).
Для тиристорных усилителей инерционность в основном вносится
апериодическим звеном с постоянной времени T=l/(pfo), где f0 - частота питающей сети. Это звено включается на входе схемы
управления тиристорными группами для ограничения скорости изменения управляющего
напряжения [19].
3. Разработка
общей структуры системы управления промышленным роботом
3.1
Особенности управления роботом как механической системой
Специфические особенности робототехнических устройств как управляемых
объектов обусловлены в первую очередь многообразием видов исполняемых
траекторий и существенно более широким диапазоном изменения скоростей и
нагрузок по сравнению с традиционным технологическим оборудованием. Задача
выбора из данного многообразия конкретных траекторий и режимов, то есть синтез
программы движения, решается устройством управления с помощью
человека-оператора (в режиме обучения) или автоматически при наличии
соответствующих управляющих программ и технических средств сбора и обработки
информации о среде [16, 21].
Как правило, робот работает не на установившихся режимах (с заданными и
постоянными скоростями), а на управляемых переходных режимах. При этом
характерная для его работы цикличность представляет собой периодически
повторяемый набор движений, каждое из которых составлено из участков
интенсивного разгона и торможения. Это обусловлено тем, что роботы используются
в первую очередь как вспомогательное оборудование и не должны ограничивать
время цикла работы обслуживаемого технологического оборудования, что
обусловливает требование их максимального быстродействия.
Необходимость повышения быстродействия при существенно увеличенном
диапазоне скоростей и нагрузок осложняет синтез систем регулирования с
требуемым запасом устойчивости и качеством переходных процессов. Эти трудности
усугубляются кинематической сложностью исполнительного устройства робота и
существенным динамическим взаимовлиянием по различным степеням подвижности.
Последнее заключается в том, что в отличие от традиционного технологического
оборудования в роботах исполнительные звенья базируются не на одном элементе
типа станины, а последовательно друг на друге, образуя механизм в виде
разомкнутой кинематической цепи. При движении каждое последующее звено
динамически нагружает предыдущие, и в результате существенно искажается
заданный программой закон движения звеньев. Такое динамическое взаимодействие,
обусловленное инерционными, диссипативными и кориолисовыми силами, не позволяет
рассматривать многомерную систему робота как совокупность соответствующего
числа автономных одномерных систем. Уменьшение динамического взаимовлияния за
счет вынесения приводных двигателей робота на его основание приводит к
необходимости организации сложных кинематических цепей привода, образующих
планетарный механизм, строение которого определяет силовую связь между
степенями подвижности.
Сформулированные особенности робототехнических устройств приводят к
необходимости построения иерархических структур систем управления. При этом
нижний уровень системы решает задачи регулирования положений и скоростей
звеньев исполнительного устройства по поступающим с верхнего уровня и
синтезированным там программным значениям. Ниже описывается укрупненная
структурная схема устройства управления, рассмотрены задачи, решаемые на
верхнем уровне управления, анализируются технические решения, применяемые при
построении нижнего уровня управления, и даны обоснования некоторых принципов
построения этого уровня управления, обеспечивающего улучшение функционирования
системы в целом.
Структурная схема системы управления представлена на рисунке 3.1 [1,9].
Объект управления - манипулятор 9 с приводными двигателями 11, установленными
либо в шарнирах звеньев, либо на основании. В последнем случае от двигателей к
звеньям вдоль механизма руки протянуты кинематические цепи 10 привода. В
шарнирах звеньев для организации контуров управления нижнего уровня, как
правило, устанавливают датчики 7 положения звеньев. На двигатели 11 от
программы (по каналу прямой связи) поступают управляющие сигналы. Управление
положением звеньев требует организации обратных связей по положению от датчиков
7. Совокупность полученных таким образом контуров управления образует нижний
уровень устройства управления робота, от возможностей которого во многом
зависит качество выполняемых движений.
Рисунок 3.1
Структура управления движением робота
Формирование программы управления движениями и действиями робота
осуществляется на верхнем уровне устройства управления на основе информации,
получаемой от человека-оператора путем указания цели или обучения (блок 1) и от
специально организуемых систем очувствления, регистрирующих состояние внешней
среды (блок 13). По этой информации создается модель внешней среды той или иной
сложности. На основании созданной модели и поставленной оператором цели в блоке
2 формируется и запоминается последовательность действий и план движений
робота. При этом осуществляются необходимые проверки на достижимость цели,
исходя из свойств модели, отражающих внутренние ограничения (ограничения на подвижность
звеньев) и внешние (препятствия в зоне действия робота, скорости перемещения
объектов, готовность оборудования к обслуживанию и др.). Полученная на этом
этапе программа представляет собой набор координат позиций в рабочем
пространстве робота с указанием времени перехода из точки в точку и времени
задержки в этих точках, состояния захватного устройства (сжат-разжат), перечня
команд, выдаваемых на обслуживаемое оборудование и т. д.
На следующем этапе (блок 3) грубо формируется траектория перемещений из
позиции в позицию путем назначения промежуточных базовых точек - узлов
интерполяции. Эти точки выбираются с учетом допустимой погрешности
аппроксимации, диктуемой технологическими условиями, и заложенного в систему
алгоритма интерполирования. Как правило, технологические условия полностью не
определяют траекторию и законы движения, а иногда к ней не предъявляют никаких
требований, что имеет место, например, в ПР с позиционными системами
управления. Имеющаяся неопределенность разрешается либо конструктивными мерами
(демпферы, профилирование каналов золотников пневмо- и гидросистем и т. п.),
либо устройством управления путем «волевого» назначения закона движения (по
отрезкам прямых). Представляется целесообразным поставить задачу выбора законов
движения системы по критерию минимума энергозатрат и нагрузок, то есть
наилучшим образом учитывающих собственные динамические свойства механической
системы.
В связи с тем, что базовые точки определены в декартовых координатах, в
системе управления решается обратная задача (блок 4) - перевод их в обобщенные
координаты исполнительного устройства робота. Время решения этой задачи зависит
от наличия системы уравнений пересчета в явном виде для данной структуры
исполнительного устройства робота. Этот факт следует учитывать при выборе
структуры манипулятора. Вторая особенность этой задачи заключается в
неоднозначности решения: она разрешается в настоящее время на уровне
эвристических соображений, например, исходя из конфигурации манипулятора в
предыдущей базовой точке.
Преобразование совокупности базовых точек в конечную программу движения в
функции времени осуществляется с помощью блока 5, реализующего некоторый
заложенный в него алгоритм интерполяции. В этом алгоритме учтены требуемые
законы разгона и торможения, а также условия «гладкости» законов движения в
базовых точках. В настоящее время для интерполяции траекторий используются
степенные функции времени (сплайны различных порядков) с учетом скорости и
ускорения в начале интерполируемого участка. Синтезированная таким образом
программа передается на нижний уровень (блок 12) для отработки.
Приведенная структурная схема устройства управления характеризует
основные задачи, решаемые при управлении роботами. Не всегда эти задачи
решаются в автоматическом режиме с помощью соответствующих технических
устройств и программ. В современных ПР многие задачи, решаемые устройством
управления, берет на себя оператор. Например, при обучении робота он планирует
движения, сам выбирает траекторию и режим движения по ней. При этом полностью
отпадает необходимость в интерполяции и решении задачи расчета обобщенных
координат. В результате устройства управления предельно упрощаются, реализуя
функции только запоминания этой программы и ее отработки.
В зависимости от применяемых для очувствления технических средств потоки
информации от них могут поступать на различные блоки верхнего уровня. Так,
информация, обеспечиваемая средствами технического зрения 13, как правило,
собирается до начала движений и используется для автоматической выработки плана
движений. В то же время информация, получаемая при движении от датчиков 8
усилий или касания, позволяет лишь корректировать уже выработанную на верхнем
уровне программу и вводится в блок коррекции 6, непосредственно предшествующий
нижнему уровню системы управления. В частности, при таком использовании
датчиков усилий программа движения, подготавливаемая на верхнем уровне, может
быть более грубой, не учитывающей тонкости взаимодействия робота с внешними
объектами, обеспечивая при этом, например, работу с объектами, на которые
наложены связи, без заклиниваний.
Отработка программы движений осуществляется на нижнем уровне. При этом
проявляются все динамические особенности исполнительного устройства, приводов и
контура регулирования, которые в исходной программе движения, как правило, не
учитываются. В результате программа отрабатывается с некоторыми погрешностями.
Уровень погрешностей определяется техническими решениями, принятыми при синтезе
нижнего уровня устройства управления.
Если бы были известны достаточно полные уравнения динамики
исполнительного устройства и привода и имелись быстродействующие технические
средства, позволяющие в реальном масштабе времени решать эти уравнения и
определять управляющие воздействия, то можно было бы обеспечить качественную
отработку программы. Однако отмеченные выше особенности объекта управления
приводят к громоздким уравнениям. Предпринимаемые попытки обойти эти трудности
либо путем автоматизированного получения коэффициентов уравнений динамики с
помощью ЭВМ, либо вообще, отказавшись от составления уравнений динамики,
заменив их процессом оптимизации некоторого функционала, основанного на
использовании, например, принципа Гаусса, наталкиваются на проблему реального
времени.
Указанные причины ограничивают применение в роботах разомкнутого принципа
управления. Использование традиционного управления по замкнутой схеме не всегда
приводит к удовлетворительному качеству выполнения программного движения. Это
обусловливает необходимость поиска новых способов и алгоритмов управления, а также
новых технических решений в построении многомерных систем управления,
учитывающих специфику кинематических структур исполнительных устройств роботов.
3.2 Типовые
структуры систем управления промышленными роботами
Различают два основных вида управления для ПР - позиционное управление (PTP-Point to Point) и контурное управление CP (Continuous Path) [16]. Большая часть современных
роботов имеет позиционные системы управления. В простейшем случае при
позиционном управлении движение механизма по каждой координате происходит
независимо с одновременным стартом. По тем координатам, где достигнута заданная
позиция, движение прекращается, например, включаются тормозные устройства.
Здесь требуется лишь перевести схват в заданную рабочую точку. Траектория
движения схвата при этом не определена. Она зависит не только от начальной и
конечной точек, но также от скоростей движения по отдельным координатам. Такое
управление принято называть цикловым. Роботы с позиционными системами
управления работают при обслуживании станков, прессов, литейных машин, при
точечной сварке и т. п. В этих случаях необходимо точное позиционирование лишь
в отдельных точках рабочего пространства. В случае если требуется обогнуть
возможное препятствие, необходимо запрограммировать промежуточные точки. Эти
точки рассматриваются как вспомогательные, и движение в них не прекращается.
Для таких случаев, особенно при большом числе промежуточных точек, вводят
понятие “многоточечное позиционное управление”. Если движение тормозится не во
всех промежуточных точках, а сами точки лежат близко относительно друг друга,
то в рабочем пространстве с достаточной степенью точности может быть
воспроизведена непрерывная траектория. Однако программирование такой
траектории, особенно если оно выполняется вручную, представляет значительные
трудности, причем не только из-за большого количества точек (у современных ПР
их может быть до нескольких сотен), но и из-за того, что в процессе
программирования все время необходимо мысленно воспроизводить требуемую
траекторию с учетом сложной кинематики механизма [21].
Этого недостатка лишены ПР, снабженные контурными системами управления.
Контурное управление необходимо в тех случаях, когда требуется воспроизводить
заданную траекторию в пространстве. Это типично для таких операций как
контурная сварка, резка, шлифовка швов, нанесение эмалей и т. п.
Контурное управление реализуется в одном из двух вариантов. В первом -
схват робота проводится вдоль траектории вручную с помощью специального пульта
управления. При этом либо непрерывно, либо через определенные промежутки
времени опрашивается измерительная система робота, и измеренные координаты
запоминаются системой управления. При непрерывном опросе для запоминания
сложной траектории требуется большой объем памяти (обычно используют магнитные
накопители). Поэтому опрос чаще всего происходит от точки к точке. Такой
процесс программирования называют обучением.
Во втором варианте контурного управления в память закладываются лишь
особо важные точки траектории. Сама же траектория рассчитывается с помощью
интерполяции линейной или квадратичной. Затем с помощью
вычислительно-логического блока осуществляется преобразование координат из
прямоугольной системы к собственным координатам манипуляционного механизма.
Система управления ПР в общем случае должна обеспечивать [16]:
- прием и интерпретацию команд, поступающих от человека-оператора и
управляющей системы более высокого уровня;
управление движением исполнительного механизма робота, которым, как
правило, является манипулятор, в соответствии с заданной программой и
состоянием окружающей среды;
формирование команд на обслуживание роботом технологического
оборудования;
контроль за выполнением технологической операции на данном
роботизированном технологическом модуле.
Рисунок 3.2
Обобщенная структурная схема системы управления ПР
На рисунке 3.2 приведена обобщенная структурная схема системы управления
ПР. Ядром системы является вычислительно-логический блок, реализующий требуемые
законы функционирования ПР и его взаимодействие с технологическим
оборудованием, а также координирующий работу всех составных блоков системы. В
современных системах управления ПР данный блок выполняют на базе одной или
нескольких микроЭВМ или микропроцессоров (МП).
Блоки сопряжения в рассматриваемой структуре предназначены для
подключения приводов исполнительного механизма робота к системе, а также для
обмена информацией дискретного вида с технологическим оборудованием и содержит
соответствующие преобразовательно-усилительные элементы. Пульт оператора
используют для задания режимов работы системы управления, формирования команд
ручного управления, индикации контрольной и т.д. В состав периферийного
оборудования входят устройства, предназначенные для подготовки, хранения и
загрузки в СУ ПР управляющих программ, а также для поддержания режимов
диагностики и наладки.
В вычислительно-логическом блоке формируется в цифровом виде сигналы
управления приводами робота. В блоке сопряжения с исполнительным механизмом
цифровые сигналы преобразуются в аналоговую форму, усиливаются по мощности и
поступают на исполнительные двигатели приводов. Здесь же осуществляется
подключение датчиков обратной связи приводов, информация с которых используется
при формировании управляющих сигналов на приводы роботов.
Управление приводами робота является далеко не единственной функцией,
возлагаемой на его систему управления, и реализуется такое управление во
взаимодействии в основном двух блоков системы.
Рассмотренная структура определяет аппаратный состав СУ ПР и функциональное
назначение основных ее блоков. Другой подход к разбиению системы управления на
отдельные подсистемы связан с особенностями построения её алгоритмического
обеспечения. Он предполагает разделение общей задачи управления действиями
робота на несколько самостоятельных подзадач или уровней управления. В общем
случае в робототехнических системах принято выделять три иерархических уровня
управления (рисунок 3.3).
Рисунок 3.3
Иерархические уровни управления
На верхнем (стратегическом) уровне планируется траектория движения
рабочего органа ПР, соответствующая выполнению роботом предписываемой ему
технологической операции, например, определяются координаты точек рабочего
пространства, в которые последовательно должен перемещаться рабочий орган
робота при выполнении технологических операций. На этом уровне могут решаться
также задачи, связанные с адаптацией робота к меняющимся условиям его работы.
На втором (тактическом) уровне вычисляются законы согласованного движения
звеньев исполнительного механизма робота, обеспечивающие целенаправленное
перемещение его рабочего органа по некоторой траектории, задаваемой вышестоящим
уровнем управления.
На нижнем (исполнительном) уровне осуществляется управление приводами
подвижных звеньев исполнительного механизма робота. При этом основная задача
управления заключается в расчете и выдаче на приводы таких сигналов, которые
обеспечивают качественное исполнение законов движения по отдельным степеням
подвижности робота, поступающих со следующего уровня управления.
Разбиение системы управления ПР на перечисленные иерархические уровни
имеет, конечно, несколько условный характер. В некоторых системах могут
отсутствовать отдельные уровни управления, в других, напротив, требуется
включение дополнительных уровней или подуровней, например, связанных с
синхронизацией работы ПР и нескольких единиц технологического оборудования,
включаемых в состав гибкого производственного модуля, или с решением задач
искусственного интеллекта. Однако наличие исполнительного уровня в любой
системе управления ПР является обязательным.
.3 Реализация управления роботом на исполнительном уровне
Исполнительный уровень робототехнической системы представляет собой
многоконтурную систему управления, каждый отдельный контур которой является
цифровым следящим приводом (ЦСП) и имеет в общем случае структуру, показанную
на рисунке 3.4
Цифровую часть привода составляет микроЭВМ или специальный
микропроцессорный контролер (МК) в зависимости от выбранной общей структуры
системы управления ПР. При этом микроЭВМ (или МК) выполняют функции:
Рисунок 3.4 Функциональная схема следящего привода с микропроцессорным управлением
задающего устройства, связанные с формированием законов движения привода g(t);
чувствительного элемента привода, связанные с определением
рассогласования между заданием на привод g(t) и его текущего
положения y(t);
цифрового регулятора (ЦР) положения или скорости, связанные с вычислением
управляющего сигнала u(t), обеспечивающего отработку приводом
заданного ему движения.
Аналоговая часть привода включает в себя усилительно-преобразовательный
элемент (У), датчики обратной связи (ДОС) и исполнительный элемент (ИЭ),
состоящий из двигателя и редуктора и приводящий в движение управляемое данным
приводом кинематическое звено (КЗ) манипулятора.
Сопряжение управляющей микроЭВМ (или МК) с аналоговой частью цифрового
привода осуществляется в прямом контуре с помощью преобразователя КОД-АНАЛОГ
(ПКА), а в контуре обратной связи-с помощью преобразователя АНАЛОГ-КОД (ПАК).
В зависимости от вида усилительно-преобразовательного элемента ПКА
наиболее часто используются:
цифровые преобразователи (ЦАП), выполняющие преобразование цифрового кода
управляющего сигнала в напряжение соответствующей величины и полярности;
преобразователи КОД-ШИМ, осуществляющие формирование импульсного сигнала
с постоянной амплитудой и частотой, модулированного по длительности в зависимости
от кода входного сигнала;
преобразователи КОД-ЧИМ, формирующие на выходе импульсные сигналы с
постоянной амплитудой, частота следования которых определяется значением
входного цифрового кода.
Преобразователь АНАЛОГ-КОД необходим в случае использования в приводе
аналогового датчика обратной связи. В этом случае используют аналого-цифровые
преобразователи (АЦП), преобразующие напряжение, снимаемое с потенциометра в
соответствующий цифровой код.
В последнее время в качестве ДОС в приводах ПР чаще используют датчики
дискретного типа (импульсные и кодовые), не требующие применения ПАК в системе
управления. Это не означает, что полностью отпадает необходимость в устройствах
сопряжения ДОС с управляющей микроЭВМ. В этом случае они должны осуществлять
согласование параметров сигнала с ДОС со стандартом шины микроЭВМ и при
необходимости буферизацию данных.
3.4 Датчики
обратных связей промышленного робота
Манипуляционный робот с выбранной кинематической схемой имеет три
сочленения. Каждое сочленение оснащено двигателем, на который поступает
управляющее воздействие от системы управления. Каждое сочленение оснащено двумя
датчиками: датчиком положения и датчиком скорости.
Схема автоматизации промышленного робота приведена на рисунке 3.5
Вся информация с датчиков обратной связи заводится в микроЭВМ. Аналоговая
часть включает в себя входной усилитель, преобразователь, датчики тока и
напряжения, и исполнительный элемент, состоящий из двигателя и редуктора с
расположенными на нем датчиками положения и скорости (ДП) и (ДС). Датчики
положения и скорости позволяют обеспечить обратную связь для коррекции
расчетных управляющих воздействий.
Сигналы с датчика положения, датчика скорости, напряжение и ток на
якорной обмотке электродвигателя поступают в вычислительно-логический блок,
после соответствующей обработки в модуле ввода-вывода дискретной части системы,
в соответствии с принятой информационной кодировкой. Вся обработка информации
принятых с датчиков происходит в микроЭВМ, после чего выдается управляющее
воздействие на входной усилитель исполнительной системы.
Рисунок 3.5
Схема автоматизации промышленного робота: ДП - датчик положения, ДС - датчик
скорости, ДС - датчик тока; Д - двигатель, РО - рабочий орган
При выборе датчиков положения учитывают такие факторы, как наличие тех
или иных источников питания, значение потребляемой мощности, диапазон
измеряемой величины, уровень шума, точность. Точность датчика должна быть не
ниже точности, предъявляемой к системе [16].
На роботе для измерения положения используются цифровые датчики. Эти
датчики выдают информацию о перемещении. Они могут работать в абсолютном режиме
и по приращениям, как генераторы импульсов. В обоих случаях измеряемое
перемещение разлагается на кванты, значение которых определяется разрешающей
способностью датчика. Абсолютные датчики выдают в каждый момент времени полную
информацию об измеряемом перемещении. Ели требуется высокая разрешающая
способность, то измерительная система робота, построенная на основе таких
датчиков, может оказаться громоздкой и очень дорогой. Поэтому в роботе
применяются инкрементальные датчики, работающие по приращениям. По техническому
исполнению они проще абсолютных датчиков. Так, инкрементальный датчик
фотоэлектрического типа, измеряющий углы поворота, состоит из диска с
равномерно расположенными отверстиями и простейшего считывающего устройства.
Однако измерительная система такого датчика должна содержать счетчик и
накопитель. Общее число импульсов определяет мгновенное значение положения
объекта. Разрешающая способность таких датчиков может достигать нескольких
тысяч импульсов на один оборот.
В качестве датчиков скорости используются тахогенераторы.
По принципу действия и конструктивному исполнению они являются обычными
электрическими машинами постоянного тока, работающими в генераторном режиме.
Выходное напряжение тахогенератора пропорционально измеряемой угловой скорости
при большом сопротивлении нагрузки [16].
Датчики тока используются для определения момента на валу двигателя,
поскольку величина момента на валу двигателя прямопропорционально связана с
величиной силы тока в цепи якоря.
4. Построение и исследование математической модели робота как объекта управления
4.1 Решение
задач кинематики
Для решения задач кинематики необходимо составить расчетную
кинематическую модель манипулятора, в основу которой положены имеющиеся
геометрические размеры звеньев, а также типы, количество и распределение
кинематических пар.
Положение кинематической цепи в пространстве будем определять с помощью
обобщенных координат qi (i=l, 2, ..., п), характеризующих относительные перемещения в
кинематических парах. Для определения положения рабочего органа в пространстве
введем координаты rj (j=1,
2, ..., n), где m£6.
.1.1 Прямая задача о положении
Прямую задачу о положении используют при исследовании кинематики и
динамики манипуляторов [16].
При решении этой задачи рассчитывают положение рабочего органа, а также
звеньев манипулятора по заданным обобщенным координатам qi (i=l, 2, ..., n) в кинематических парах.
Если рассчитывают положение рабочего органа, rj (j=1, 2, ...,m), то
определяют, соответственно, либо координаты схвата rj (j=1, 2, ...,m),
либо конечное число наборов координат схвата, либо законы изменения координат
схвата во времени ri = rj(t) (j=1,2,…m). В общем случае при m=6 в результате расчета координат
схвата, как функций времени можно определить уравнение траектории схвата в
параметрической (в зависимости от времени) или явной форме и ориентацию схвата
вдоль всей траектории.
С помощью прямой задачи можно определить [19]:
геометрические характеристики рабочего пространства и рабочей зоны
манипуляторов со сложной кинематической схемой координаты типа точностные
характеристики, например погрешности Drj, (j = 1, 2, .... т) определения координат схвата обусловленные
неточным изготовлением элементов манипулятора, либо ошибками Dqi (i=l, 2, ..., п)
отработки относительных перемещений qi (i=l, 2, ..., п) в кинематических парах;
сервисные характеристики.
Кинематическая схема манипулятора приведена на рисунке 4.1
Робот имеет одно вращательное и два поступательных сочленения. Положение
рабочего органа манипулятора определяется обобщенными координатами. Тогда
решение прямой задачи заключается в нахождении координат точки Р манипулятора в
декартовой системе координат OXYZ.
Рисунок 4.1
Кинематическая схема манипулятора
Решение прямой задачи имеет вид:
Задача расчета линейных скоростей и ускорений, а также угловых скоростей
и ускорений звеньев тесно связана с прямой задачей о положении манипулятора и
также может иметь прямую и обратную постановку.
Решение прямой задачи о скоростях для данного манипулятора имеет вид:
. Разработка
общей структуры системы управления промышленным роботом
3.1
Особенности управления роботом как механической системой
3.2 Типовые
структуры систем управления промышленными роботами
3.3 Реализация управления роботом на исполнительном уровне
3.4 Датчики
обратных связей промышленного робота
4.1.2 Обратная задача о положении манипулятора
4.2 Решение
прямой задачи динамики
4.3 Математическая модель электродвигателя постоянного тока
.3 Математическая модель электродвигателя постоянного тока
.1.2 Обратная задача о положении манипулятора
С помощью этой задачи определяют обобщенные координаты qi (i=l,2, ..., п)
манипулятора по заданному в опорной системе координат положению рабочего органа
или некоторого звена манипулятора. В частности, если по заданным координатам
схвата rj (j=1, 2, ...,т), удается определить
обобщенные координаты манипулятора, то координаты других звеньев манипулятора
находят на следующем этапе путем решения прямой задачи.
Для данного робота обратную задачу можно решить аналитически. Решение
имеет вид:
(4.1)
4.2 Решение
прямой задачи динамики
При исследовании динамики манипуляторов составляют расчетную динамическую
модель, учитывающую не только геометрические размеры звеньев и распределение
кинематических пар, как при составлении кинематической модели, но и
распределение масс звеньев и других элементов манипулятора, участвующих в
движении. Могут быть учтены и другие свойства манипулятора, например упругие
свойства его элементов. В этом случае число степеней свободы системы становится
больше числа степеней подвижности манипулятора, которое определяют как число
независимых управляемых движений манипулятора (для манипуляторов с разомкнутой
кинематической цепью оно равно числу приводов).
В аналитической механике имеются различные принципы и методы для
составления дифференциальных уравнений движения механических систем любой
сложности. Далее будем использовать уравнения Лагранжа второго рода [19].
,(4.2)
Запишем уравнение (5.1) в векторно-матричной форме:
(4.3)
где
A(q) - матрица инерционных коэффициентов, зависящих от
обобщенных координат;
- вектор сил и моментов сил инерции, зависящих от
обобщенных координат и скоростей; С(q) - вектор сил и моментов сил
тяжести; Q - вектор обобщенных сил.
Рассмотрим
степени подвижности манипулятора со структурной схемой, приведенной на рисунке
5.1 по координатам
. Звенья манипулятора имеют массы
. Размеры рабочего органа считаются существенно малыми
по сравнению с остальными линейными размерами манипулятора. Составим уравнения
движения манипулятора, считая все элементы абсолютно твердыми телами. Рука
считается однородным стержнем длиной
и массой
. Рабочий орган представляет собой точечную массу
.
Кинетическая
энергия манипулятора представляет собой сумму кинетических энергий отдельных
частей:
, (4.4)
где
- кинетическая энергия i-го звена;
- кинетическая энергия рабочего органа.
Кинетические
энергии для звеньев и рабочего органа равны:
;
;
;
.
Моменты
инерции для звеньев и рабочего органа равны:
;
;
;
,
где
- момент инерции i-го звена;
- момент
инерции рабочего органа.
Момент
инерции
меняется на разных фазах движения из-за изменения
конфигурации манипулятора.
Подставим
найденные выражения для кинетических энергий и моментов инерции в уравнение
(5.3):
Потенциальная энергия манипулятора равна
.
Для уравнения Лагранжа найдем производные:
;
;
;
;
;
;
;
.
Подставим
найденные производные в уравнение (4.2), произведем необходимые преобразования
и получим решение прямой задачи динамики в векторно-матричной форме (4.3):
Здесь
- момент, развиваемый приводом в первом сочленении,
и
- силы,
развиваемые приводами во втором и третьем сочленениях.
Несмотря
на достаточно простую кинематическую схему манипулятора, уравнения динамики
являются нелинейными и взаимосвязанными по координатам
и
.
Однако
движение по координате
описывается независимым линейным уравнением.
4.3 Математическая модель электродвигателя постоянного тока
Математическое описание элементов САУ получают с использованием
аналитических и экспериментальных методов. При применении аналитических методов
используют известные физические закономерности, описывающие работу элементов и
устройств, основу которых составляют дифференциальные уравнения. Далее, в
зависимости от требуемой формы представления математического описания САУ,
выполняют соответствующие преобразования исходной системы уравнений и приводят
описание САУ к виду, удобному для дальнейшего исследования.
Электродвигатель постоянного тока имеет следующие уравнения:
электрической цепи
;
механической
цепи
;
момента сопротивления
;
момента
двигателя
;
э.д.с.
двигателя
,
где
индуктивность цепи якоря;
сопротивление
в цепи якоря;
электромагнитная
постоянная времени, характеризует инерционность электрической части двигателя;
электромеханическая
постоянная времени;
коэффициент
электромагнитного момента двигателя;
конструктивная
постоянная электродвигателя;
угловая
скорость;
ток в
цепи якоря;
момент инерции якоря;
Двигатель
соединяется с нагрузкой через редуктор с передаточным отношением i. Вращающий
момент двигателя
и его угловую скорость
целесообразно привести к выходному валу редуктора:
Решая их совместно, получим векторно-матричное уравнение, описывающее
электродвигатель постоянного тока в матричном виде:
(4.5).
4.4 Математическая модель манипулятора в пространстве состояний
Для всего робота при одновременном выполнении движений
по различным степеням подвижности необходимо совместно рассматривать движение
манипулятора и системы приводов, включающей двигатели и передачи по всем
степеням подвижности. К уравнениям движения манипулятора надо добавить
уравнения для системы приводов, связывающие силы и моменты, развиваемые
приводами (они стоят в правых частях уравнений движения манипулятора) с
управляющими воздействиями, поступающими из системы управления на приводы.
Уравнения, описывающие динамику манипулятора и
двигателя, получены выше.
Поскольку подвижные элементы робота считаются жестко
связанными с корпусом и валом двигателя§, частота вращения двигателя линейно связана с обобщенной
скоростью звена. Поэтому в полную ММ “электродвигатель-манипулятор” из системы
уравнений, описывающей электродвигатель (4.5), войдет только по одному
уравнению, описывающему динамику формирования момента в соответствующем
сочленении
Второе уравнение, описывающее динамику формирования скорости вращения,
полностью совпадет с аналогичным уравнением механической основы робота. Опишем
динамику всей электромеханической системы уравнениями в пространстве состояний.
Введем переменные состояния:
Представим
уравнение (4.4) в виде:
,
Где
С
учетом введенных обозначений система уравнений в пространстве состояний,
описывающая манипулятор, оснащенный электродвигателями постоянного тока, имеет
вид:
(4.6)
где
,
номер
сочленения.
В
векторно-матричном виде система уравнений (4.6) записывается:
(4.7)
Полученная система уравнений, описывающая объект управления в
пространстве состояний, имеет девятый порядок. Система обладает существенными
нелинейностями, которые наряду с большой размерностью затрудняют синтез. В
следующем разделе предлагается метод позволяющий синтезировать
дискретно-непрерывную систему управления без необходимости упрощения
математической модели, что увеличивает точность позиционирования ПР рабочего
органа.
5. Анализ методов синтеза систем управления
5.1 Общая
характеристика методов синтеза САУ по их эталонным ММ
Как показано в [22], основой исходной информации для
синтеза замкнутой системы управления являются две математических модели (ММ):
ММ неизменяемой части проектируемой системы, определяемая
конструктивными и технологическими свойствами объекта управления;
ММ критериальной стратегии синтеза, формируемая на
основе технологических, технических и иных требований.
С другой стороны, качественный результат синтеза будет
зависеть от выбранного в итоге ЗУ. Действительно, структура математического
взаимодействия моделей автоматической системы, проиллюстрированная на рисунке
5.1, показывает, что ММ, отражающая технологические свойства, формируется из
двух компонентов:
Рисунок 5.1
Структура формирования ММ САУ
В результате совместного решения этих ММ формируется
динамическая модель всей системы. Такое прямое решение математической задачи
“свертывания” ММ с получением результирующей модели является задачей анализа.
При осуществлении же синтеза системы решается, фактически, обратная задача,
связанная с выделением ММ управляющего устройства (т. е. закона управления) из
модели проектируемой системы при известном математическом описании объекта.
Очевидно, что при заданном и неизменном ОУ структуру САУ в целом будет задавать
только устройство управления.
Таким образом, из всего многообразия задач, решаемых
при проектировании САУ, выделена задача синтеза управляющего устройства, под
которым понимается проектирование его на уровне математической модели. При этом
исходной информацией для синтеза являются математическая модель объекта, цель
управления и показатели его качества, обусловленные автоматизируемой
технологией. Конечным результатом процесса синтеза считается математическая
модель управляющего устройства, то есть закон управления, задающий
окончательные динамические свойства системы. Промежуточным же результатом
процесса синтеза может быть, например, желаемая математическая модель САУ,
заданная либо в критериальной, либо в динамической формах.
5.2. Критериальная стратегия синтеза
Задача синтеза системы автоматического управления заключается в выборе
такой ее структуры, параметров, характеристик и способов их реализации, которые
при заданных ограничениях наилучшим образом удовлетворяют требованиям,
предъявляемым к системе.
В процессе синтеза учитывают комплекс требований, как правило,
сформулированных в техническом задании. Эти требования можно объединить в
некоторые основные группы [20].
К первой группе относятся требования, связанные со статическими и
динамическими свойствами автоматической системы. Исчерпывающей характеристикой
этих свойств могло бы быть значение ошибки системы в каждый момент времени.
Однако так как законы изменения во времени задающих и возмущающих воздействий
практически не известны, определить ошибку системы невозможно, поэтому на
практике для оценки статических и динамических свойств проектируемой системы
используются некоторые вспомогательные оценки - критерии качества. К ним
относятся точностные характеристики для некоторых типовых детерминированных или
случайных входных воздействий, оценки запаса устойчивости, характеризующие
близость системы к колебательной границе устойчивости, и оценки быстродействия,
определяющие прямо или косвенно время протекания переходного процесса, а также
оценки, характеризующие, например, чувствительность системы к изменению ее
параметров (из-за неточности изготовления элементов, изменения внешних условий
и т. д.), плавность работы системы при малых скоростях движения,
помехоустойчивость и т. п.
В более общем случае критерием качества может служить минимум некоторого
критерия оптимальности, чаще всего задаваемого в виде интегрального
квадратичного функционала от нескольких функций или функционала в частотной
области [15, 21].
Ко второй группе относятся требования, связанные с надежностью
проектируемой системы, ее устойчивостью к влиянию воздействий окружающей среды
(климатических, химических, радиационных, механических и др.) и способностью
сохранять свои характеристики в течение предписанного промежутка времени. При
этом следует учитывать, что надежность не является свойством, которое можно
придать готовой системе. Она должна обеспечиваться комплексом мер, принимаемых
на всех этапах проектирования, начиная от выбора состава элементов и места их
расположения в структуре системы и кончая условиями эксплуатации.
В третью группу входят требования, связанные с допустимым весом и
габаритом автоматической системы и допустимым потреблением мощности. Важен и
вид энергии, а также стабильность источников питания.
К четвертой группе относятся требования, связанные с эксплуатацией и
техническим обслуживанием системы автоматического управления, такие, как
условия обслуживания системы в процессе ее работы (возможность контроля состояния,
безопасности и др.), возможность ремонта и восстановления, необходимый уровень
квалификации технического персонала, выполнение рекомендаций технической
эстетики и т. д.
В пятую группу входят требования, связанные с технологичностью
изготовления автоматической системы и выполнением требований ЕСКД. К ним могут
быть отнесены максимальное использование стандартных, уже освоенных или
унифицированных элементов, деталей и узлов, рациональное ограничение размеров,
материалов, покрытий, простота сборки, регулировки и контроля, экономические
показатели и др.
Конечная цель решения задачи синтеза - отыскание оптимальной структуры
системы автоматического управления и ее характеристик. Приведенный выше далеко
не полный перечень технических требований, предъявляемых к автоматической
системе, показывает, что сформулировать единый критерий оптимальности и решить
задачу синтеза как вариационную задачу на отыскание экстремума этого критерия
не представляется возможным. Для упрощения решения этой задачи можно было бы включить
в критерий оптимальности лишь одну или несколько основных технических
характеристик системы, однако ограниченность постановки задачи может в этом
случае привести к малопригодной для практики системе из-за неизбежного
гипертрофирования одних ее качеств по сравнению с другими. Поэтому практически
общая задача синтеза системы автоматического управления распадается на ряд
этапов, на каждом из которых решается лишь часть общей задачи: определение
структуры и параметров системы, выбор конкретных элементов, энергетический и
конструктивный расчеты, согласование характеристик элементов и т. д. Для
нахождения наилучшего решения при таком подходе приходится просматривать
несколько вариантов модели системы.
При решении задачи синтеза необходимо обеспечить требуемую точность
системы и приемлемый характер переходных процессов.
При задании желаемых свойств синтезируемой системы управления явным
образом с помощью эталонного переходного процесса более просто определяются
требуемые инженерные свойства. К таким свойствам относятся длительность
переходного процесса, отсутствие перерегулирования и колебательности. Таким
образом, прямой критерий качества является более предпочтительным по сравнению
с задачей выбора весовых коэффициентов широко используемых интегральных критериев
качества. При синтезе необходимо выбирать эталонный переходный процесс для
задания желаемых свойств синтезируемой системы управления.
.3 Обзор существующих методов синтеза
В настоящее время в теории автоматического управления
известно достаточно большое количество различных подходов к решению проблемы
синтеза систем управления. Каждый из них имеет свои особенности, преимущества и
недостатки. Проектировщик выбирает конкретный инструмент решения задачи синтеза
в зависимости от многих причин.
Первой из них является совокупность технологических
требований к системе. На втором месте стоят, обычно, технические возможности, в
частности, предполагаемая элементная база. Далее идут экономические,
надежностные, конструкторские и другие характеристики. Таким образом, задача
выбора метода непроста и неоднозначна.
По уровню исходного ограничения структуры закона управления методы
синтеза можно разделить на следующие группы.
Синтез с жестко заданной структурой, с последовательным расчетом
параметров структуры удовлетворяющих заданным технологическим требованиям
(параметрический синтез).
Под параметрическим синтезом системы регулирования понимается обеспечение
заданных показателей системы посредством специально вводимых ориентирующих
устройств, параметры которых должны быть рационально определены, а затем
уточнены при наладке реальной системы. То есть необходимо подбирать такие
параметры регуляторов и корректирующих связей, которые обеспечивали бы
экстремум некоторой целевой функции, выбранной как критерий качества работы
системы. Среди большого числа существующих критериев качества широко
распространены в практике проектирования систем управления электромеханических
объектов интегральные критерии от квадратичных форм.
Синтез по эталонным (желаемым) математическим моделям. К нему можно
отнести методы типовых характеристик, эталонных переходных процессов,
стандартных коэффициентов, желаемых ЛАЧХ, отождествления высших производных -
метод Бойчука, а также метод модального управления и т. д.
Метод стандартных коэффициентов предназначен для синтеза САУ, описываемых
линейными дифференциальными уравнениями второго и третьего порядков,
удовлетворяющих технических требований. Желаемая математическая модель
выбирается из условия заданной формы переходного процесса. Характерная особенность
метода заключается в том, что искомые параметры определяются при решении
системы уравнений, полученных путем приравнивания коэффициентов при
соответствующих операторов желаемой и реальной передаточной функции системы
регулирования. Основными недостатками метода, при решении задачи синтеза на
втором этапе, являются необходимость задания структурной сема САУ и,
характерная для многих случаев, неразрешимость системы уравнений, служащей для
определения параметров этой системы.
Суть метода модального управления состоит в том, что при наличии полной
информации о векторе состояния линейного объекта управления регулятор
выполняется в виде набора пропорциональных связей по каждой из координат
объекта. Коэффициенты этих связей выбираются таким образом, чтобы полюса
замкнутой системы размещались в заранее выбранное положение, при котором ее
характеристическое уравнение соответствует некоторой стандартной форме порядка n:
,
где
- параметр, определяющий реальное время протекания
процессов в системе при переводе ее из одного состояния в другое [25].
Наиболее полно разработаны методы синтеза САУ, опирающиеся на их АФХ. Они
глубоко физичны, удобны для инженерных расчетов, однако не являются достаточно
точными, поскольку ориентируются на косвенные показатели качества. Эти методы
позволяют рассчитывать динамические свойства САУ с заданной структурой и
фиксированными значениями параметров.
Этот метод состоит из двух этапов:
определение желаемой логарифмической частотной характеристики (ЛАЧХ)
системы в разомкнутом состоянии;
определение передаточной функции регулятора.
Задача решается графоаналитическим способом. Наиболее просто определяются
передаточные функции последовательных корректирующих устройств, а для
параллельных корректирующих устройств используются специальные разработанные
номограммы [22]. Метод желаемых ЛАЧХ обладает наибольшей простотой и
наглядностью при решении задачи синтеза, а также наиболее общей постановкой
этой задачи.
Хотя этот метод получил широкое распространение на практике, для синтеза
линейных систем он, однако, имеет существенные недостатки:
отсутствие однозначной связи между численными показателями
амплитудно-частотной характеристики системы в разомкнутом состоянии и динамическими
показателями переходной функции системы;
затруднительность расчета сложных многоконтурных устройств управления,
исходя из простоты их реализации [20].
Синтез, результатом которого является структура системы управления и её
параметры (синтез оптимального управления). К нему относится метод
динамического программирования Беллмана, метод синергетического синтеза,
методы, основанные на использовании принципа максимума Понтрягина [22].
Некоторые методы можно реализовать аналитически. Однако большинство методов
требуют численных решений. В настоящее время эти методы получили все более
широкое применение в связи с внедрением ЭВМ в системы управления. С помощью ЭВМ
можно производить вычисления весьма быстро и точно. ЭВМ запоминает большие
массивы информации и автоматически осуществляет необходимые
логико-последовательные вычисления.
Подводя итог обзору, можно сделать вывод:
во-первых, всем перечисленным методам синтеза САУ
присущи общие недостатки, ограничивающие диапазон их применения, - возможность
определения желаемых математических моделей проектируемой системы в замкнутом
состоянии лишь для небольшого числа типовых воздействий, несогласованность
энергетического расчета отдельных элементов, входящих в систему, с динамическим
расчетом системы, сложность и трудоемкость;
во-вторых, большинство из них роднит общая
методологическая посылка - задание в той или иной форме желаемых (или
эталонных) ММ проектируемой системы и двухэтапность решения задачи.
Существующие методы синтеза в подавляющем большинстве случаев требуют
решения нелинейных дифференциальных уравнений, что является достаточно сложным
в вычислительном отношении. Предлагаемый ниже метод синтеза сводится к решению
системы линейных алгебраических уравнений на каждом шаге квантования по
времени, что является достаточно простой задачей и позволяет формировать
управляющее воздействие в реальном масштабе времени.
Желаемые свойства синтезируемой системы управления задаются явным образом
с помощью эталонного переходного процесса. Это позволяет более просто задавать
требуемую длительность переходного процесса, отсутствие перерегулирования и
колебательности по сравнению с задачей выбора весовых коэффициентов широко
используемых интегральных критериев качества. Эталонный переходный процесс для
манипулятора представляет собой выбранную траекторию движения рабочего органа.
Поскольку на обобщенные координаты, скорости и ускорения, а также на
управляющие воздействия наложены ограничения, необходимо для синтеза системы
управления использовать метод, позволяющий их учесть.
.4 Метод синтеза дискретно-непрерывных систем управления по эталонным
моделям движений
На основе сделанного выше анализа методов синтеза следует, что наиболее
удобными являются методы, основанные на задании желаемых свойств с помощью
эталонных переходных процессов.
Рассмотрим метод синтеза дискеретно-непрерывной системы управления,
описанный в [2,8], и позволяющий синтезировать систему управления ПР. Метод
основан на критерии качества, характеризующего отклонение переходного процесса
в синтезируемой системе управления от эталонного в моменты дискретизации по
времени. Приведем описание метода применительно к синтезу системы управления
нелинейным объектом, каковым является манипулятор.
Пусть объект управления описывается матричным дифференциальным уравнением
в пространстве состояний
,(5.1)
где
¾ вектор-столбец координат
состояния системы;
¾ нелинейная вектор-функция, каждая из
компонент которой является гладкой функцией и имеет
по меньшей мере одну производную;
¾ вектор-столбец коэффициентов системы размерности
;
¾ управляющее воздействие.
Дискретный характер управления учитывается при переходе от уравнения
(5.1) к разностному матричному уравнению
,(5.2)
где
Для линеаризации векторного дифференциального уравнения (5.2) оно
представляется в матричном виде
.(5.3)
и
формируется матрица Якоби векторной функции
[15]:
, где
.
Если
положить
, где
-
произвольная переменная, то
. Такая
замена возможна для таких вектор- функций для которых существует матрица Якоби.
Переходя
от дифференциальных уравнений управляемой системы (5.2) к уравнениям,
описывающим объект управления на каждом шаге дискретизации по времени, можно
получить выражение
,(5.4)
где
- шаг дискретизации
;
¾ период дискретизации;
.
Для
линеаризации уравнения (5.4) необходимо осуществить замену матрицы
на постоянную
. Такая
замена осуществляется с некоторой погрешностью, которая достаточно мала
благодаря малому шагу квантования и значит, малому изменению матрицы
на этом шаге. С этой целью могут быть использованы
численные методы решения дифференциальных уравнений. Например, при
использовании метода Эйлера
. Более
точную линеаризацию можно осуществить более точными методами численного решения
дифференциальных уравнений, например, Рунге-Кутты, Симпсона, Адамса и так
далее.
Таким
образом, уравнение (5.4) после линеаризации методом Эйлера примет вид
,(5.5)
где
постоянная на
- ом шаге
матрица размерности
.
Из
формулы (5.5) следует, что управляющее воздействие, которое необходимо найти
зависит от времени. В таком виде его найти сложно, поэтому представим
управляющее воздействие в виде суммы взвешенных, заранее определенных линейно
независимых функций.
Управляющее
воздействие на каждом шаге квантования представляется в виде
,(5.6)
где
вектор-строка с линейно-независимыми функциями;
вектор
значений постоянных на
-ом шаге дискретизации по времени.
Обычно
на каждом шаге квантования принимается ступенчатое управляющее воздействие. В
этом случае
, а
-
скалярная величина.
Для
увеличения периода квантования и уменьшения величины критерия качества для
синтезированной системы управления могут использоваться несколько
линейно-независимых функций.
Рассмотрим
использование линейной функции. Она имеет вид
.
Если представить её в виде (5.6), то получим для линейного управляющего
воздействия
- вектор-строка размерности 2, а
- вектор-столбец такой же размерности.
Решение
уравнения (5.5) в момент времени
на
-ом шаге квантования имеет вид [18]:
(5.7)
Состояние
системы в конце
-го шага дискретизации может быть записано в виде
разностного уравнения
,(5.8)
Где
.
где
функция транспонирования.
Рассмотрим
вычисление компонент матрицы
при
формировании линейного управляющего воздействия на каждом шаге дискретизации по
времени с помощью системы линейно-независимых функций.
Поскольку
для линейного управляющего воздействия требуются 2 линейно-независимые функции,
то матрица
имеет два столбца.
Таким
образом, поскольку
, то первый столбец матрицы
равен
;
второй
равен
При формировании ступенчатого управляющего воздействия на каждом шаге
дискретизации по времени.
Синтез
ЗУ сводится к нахождению последовательности постоянных на каждом шаге
квантования по времени вектор-столбцов управления
. При этом минимизируется критерий качества,
характеризующий отклонения переходного процесса от эталонного в моменты
дискретизации
,(5.9)
Где
и
-
соответственно, вектор состояния в синтезированной системе управления и вектор
эталонного состояния размерности
в момент
времени
.
Эталонный
переходный процесс может быть задан в виде любой непрерывной вектор-функции
размерности
, например,
,(5.10)
где
- матрица размерности
,
обеспечивающая необходимые показатели качества управления.
При этом ограничение на управляющее воздействие имеет вид:
.(5.11)
Синтез линейных дискретно-непрерывных систем с учетом ограничений [2] в
выше приведенной постановке может быть сведен к решению задачи о наименьших
квадратах с линейными ограничениями-неравенствами, которая формулируется
следующим образом [8,11]: минимизировать
(5.12)
при
условии
,(5.13)
где
¾ соответственно
- матрица;
- вектор
неизвестных;
- вектор;
-
матрица;
- вектор.
Процедура
получения вектора неизвестных
выглядит
следующим образом.
На
каждом
-ом шаге дискретизации необходимо найти вектор
неизвестных
. Таким образом на
-ом шаге
вектор неизвестных равен
.
Для
ступенчатого управляющего воздействия
представляет
собой скалярную величину. Для линейного управляющего воздействия
представляет собой вектор-столбец размерности 2.
Таким
образом на
-ом шаге решается система линейных уравнений с
ограничениями методом наименьших квадратов размерности 1 для ступенчатого
управления или 2 для линейного управления
Сформируем
матрицу
и вектор
,
входящие в матричное выражение (5.12), на
-ом шаге.
Переходный
процесс в моменты дискретизации определяется системой уравнений
(5.14)
В
левую часть системы уравнений (5.14) вместо вектора
подставим соответствующие значения эталонного
переходного процесса
. В результате получим выражения для матрицы
и вектора
:
,
.
Формирование
матрицы
и вектора
осуществляется
следующим образом. Записываются ограничения (5.13) на управляющее воздействие в
виде
(5.15)
При ступенчатом управлении достаточно наложить ограничения сверху и снизу
в один момент времени на шаге квантования.
Представим
неравенства (5.15) на k-ом шаге с учетом вышесказанного в виде системы
неравенств:
которые с учетом выражений (5.6) можно записать в виде:
При
этом
матрица
и вектор
будут иметь вид:
,
.
Характерной
особенностью линейного управления на шаге квантования является наличие не более
двух глобальных экстремумов на границах интервала дискретизации. Таким образом,
если обеспечить выполнение условия (5.15) в моменты времени
и
, то они
будут выполняться автоматически на всем интервале
.
Представим
неравенства (5.15) на k-ом шаге с учетом вышесказанного в виде системы
неравенств:
которые с учетом выражений (5.6) можно записать в виде:
Представим
полученную систему неравенств в матричном виде (5.13). При этом
матрица
и вектор
будут иметь вид:
.
Синтез
системы управления без учета ограничений сводится к решению на каждом
-ом шаге дискретизации по времени линейного матричного
уравнения
.
Решение имеет вид
При
синтезе без учета ограничений управляющее воздействие находится в явном виде,
как функция текущего состояния [8].
6. Синтез системы управления ПР
.1 Линеаризация математической модели ПР
Линеаризуем уравнение (4.7), описывающее ОУ по методу, представленному в
разделе 4.4. Для этого найдем матрицу Якоби вектор-функции
=
,
входящей
в уравнение (4.7)

;
Где
;
;
;
;
;
.
Найдем
матрицу
=
Где

Таким образом, объект управления описывается линейным уравнением на
каждом шаге квантования
,
Где
6.2 Построение сплайнов через узловые точки траектории
Для нахождения координат точек траектории, в которых РО позиционируется в
моменты дискретизации необходимо решить задачу интерполяции траектории по
заданным узловым точкам, лежащих на траектории.
На практике аппроксимация осуществляется кубическими сплайнами.
При аппроксимации кубическими сплайнами ускорение меняется по линейному
закону:
Рисунок 6.1 График ускорения
.
На
основании теоремы подобия:
(6.1)
Интегрируя дважды полученное выражение (6.1), получаем формулу для
описания сплайнов:
.(6.2)
Для нахождения постоянных коэффициентов используем условия непрерывности
сплайнов и их прохождения через узловые точки
Решая
полученную систему уравнений определим постоянные интегрирования. Подставляя их
в выражение (6.2), получим уравнения для сплайнов в окончательном виде:
промышленный робот лазерный резка
(6.3)
где
- tj - момент прохождения узловой точки;j - шаг разбиения
временного интервала движения,
;j
- значение обобщенной координаты во время tj;j - значения
ускорения в опорных точках;
Для
определения ускорений в опорных точках продифференцируем выражение (6.3)
Приравнивая
значения скоростей слева и справа в узловых точках, получаем систему уравнений
для определения ускорений Mj:
Приравнивая
полученные выражения, получим
,(6.4)
где
;
;
.
Недостающие
два уравнения для первой и последней точек траектории найдем исходя из
начальных условий.
Принимаем
нулевые значения скоростей в первой и последней точках.
Из
уравнения (6.4) следует:
,
.
Используя
матричную форму записи полученных m+1 уравнений, получаем выражения для вычисления
Mj:
где
n - число интервалов разбиения;
λ0=μn=1
j = 1..n-1
,
,
,
где
j = 1..n-1.
Решив
это матричное уравнение, и подставив полученные значения ускорений в выражение
(6.3), получим уравнение для вычисления значений сплайнов на каждом участке
траектории.
.3 Выбор эталонного переходного процесса
Исходными данными для выбора эталонного переходного процесса являются
траектории перемещения и скорость рабочего органа манипулятора относительно
обрабатываемой заготовки, которые указаны в техпроцессе.
Выбор эталонного переходного процесса необходимо осуществить для каждой
компоненты вектора состояния: обобщенных координат, обобщенных скоростей,
моментов на валах двигателей.
Траектория движения может быть задана в пространстве с помощью функций
для каждой декартовой координаты, как функция от времени, в виде:
Однако в существующих системах управления такое задание требуемой
траектории движения не используется в связи со сложностью ее реализации в
системе управления и сложностью получения траектории движения в аналитическом
виде.
В настоящее время задание траектории движения рабочего органа ПР
оператором осуществляется в виде некоторой последовательности узловых точек.
Система управления ПР автоматически на стратегическом уровне по этой
последовательности точек строит траекторию движения в виде сплайна.
Вектор состояния имеет 9 компонентов. Требуется для каждой компоненты
вычислить эталонный переходный процесс в моменты квантования по времени. Выбор
периода квантования по времени осуществляется исходя из условий обеспечения
устойчивости синтезированной системы управления и требуемой точности.
Первая компонента вектора состояния представляет собой обобщенную
координату в первом сочленении. Эталонный переходный процесс для первой
компоненты найдем из решения обратной задачи кинематики на основе известной
траектории движения рабочего органа ПР. Аналогичным образом найдем третью и
пятую компоненты эталонного вектора состояния, которые представляют собой
обобщенные координаты во втором и третьем сочленениях, соответственно.
Вторая компонента вектора состояния представляет собой обобщенную
скорость в первом сочленении. Она находится из решения обратной задачи
кинематики о скоростях на основе известной траектории движения. Аналогичным
образом найдем четвертую и шестую компоненты вектора состояния, которые
представляют собой обобщенные скорости во втором и третьем сочленениях,
соответственно.
Седьмая, восьмая и девятая компоненты представляют собой момент,
развиваемый двигателем на выходе редуктора первого, второго и третьего
сочленений, соответственно. Ее можно вычислить по формуле
,
где
- момент инерции двигателя,
- частота вращения вала двигателя.
Таким
образом, эталонный переходный процесс обеспечивает движение рабочего органа ПР
по заданной траектории и для каждого техпроцесса вычисляется заново.
.4
Программная реализация алгоритма синтеза
Описанный
в пятом разделе метод синтеза системы управления промышленным роботом
программно реализован в широко распространенном пакете MatLab. Выбор
пакета объясняется наличием необходимых функций для реализации этого метода.
Листинг программы приведен в приложении А.
В
структурной схеме выделяются блоки для задания исходных данных, линеаризации
объекта управления, синтеза управления и моделирования синтезированной системы
управления.
Укрупненный
алгоритм метода, использованного для синтеза, изображен на рисунке 6.2
Поскольку
реализация метода осуществлена без связи с реальным ПР, то в программе
реализован алгоритм моделирования для вычисления сигналов, которые были бы
получены с датчиков обратных связей о состоянии системы управления.
Рисунок 6.2 Укрупненный алгоритм программы синтеза системы управления
.5 Пример решения задачи синтеза управления при изготовлении кулачка
.5.1 Описание изготавливаемой детали
Кулачок представляет собой достаточно широко используемую деталь со
сложным профилем. Изготовление кулачка и переход от изготовления одного кулачка
к другому без автоматизации представляет собой сложную задачу. К точности
изготовления кулачка предъявляются достаточно высокие требования. Выше
сказанным обосновывается необходимость автоматизации изготовления кулачка с
помощью лазерной резки.
В состав РТК входит следующее технологическое оборудование:
- робот для манипулирования лазерным лучом;
- лазерный излучатель;
стол для лазерной резки;
система управления роботом для лазерной резки;
накопитель для заготовок;
накопитель для обработанных деталей;
робот для транспортирования заготовок из накопителя на стол для
лазерной резки, а так же для переноса обработанных деталей со стола в
накопитель;
система управления роботом.
РТК функционирует следующим образом. ПР для транспортировки устанавливает
заготовку на стол для резки. Следующий ПР осуществляет её обработку. Далее
первый робот снимает обработанную деталь и устанавливает новую заготовку.
Безопасность РТК обеспечивается системой светозащиты.
Форма кулачка задается в полярной системе координат таблично величинами
полярного радиуса (расстояние от полюса до точки на контуре) и полярного угла
(относительно полярной оси). Таблица может иметь ограниченное количество
координат точек контура в полярной системе координат. В качестве полюса
принимается центр вращения кулачка (рисунок 6.3).
Рисунок 6.3. Кулачок и полярная система координат
Синтезируем управление для изготовления внешнего контура кулачка,
заданного таблицей 6.1. В таблице контур кулачка задан координатами узловых
точек в полярной системе координат через каждые 15 градусов.
Таблица 6.1
Координаты узловых точек контура кулачка в полярной системе координат
|
Номер точки
|
Полярный угол, градусы
|
Полярный радиус, мм
|
|
1
|
0
|
110
|
|
2
|
15
|
104
|
|
3
|
30
|
95
|
|
4
|
45
|
92
|
|
5
|
60
|
94
|
|
6
|
75
|
97
|
|
7
|
90
|
|
8
|
105
|
106
|
|
9
|
120
|
115
|
|
10
|
135
|
128
|
|
11
|
150
|
140
|
|
12
|
165
|
148
|
|
13
|
180
|
150
|
|
14
|
195
|
146
|
|
15
|
210
|
136
|
|
16
|
225
|
126
|
|
17
|
240
|
115
|
|
18
|
255
|
105
|
|
19
|
270
|
100
|
|
20
|
285
|
100
|
|
21
|
300
|
102
|
|
22
|
315
|
103
|
|
23
|
330
|
105
|
|
24
|
345
|
108
|
|
25
|
360
|
110
|
.5.1 Управление ПР при движении вдоль контура кулачка при лазерной
резке
Для обеспечения движения по контуру кулачка требуется знать координаты
точек положения рабочего органа ПР в моменты дискретизации по времени. Для
обеспечения высокой точности количество моментов дискретизации должно быть
больше, чем количество узловых точек. Поэтому по узловым точкам необходимо
построить кубический сплайн [24], а затем на сплайне выбрать равноотстоящие
точки, в которые рабочий орган должен попадать в моменты квантования по времени
(через каждые 1 градус друг от друга).
Контур кулачка графическими средствами MathCAD изображен на рисунке 6.4
Рисунок
6.4 Контур кулачка
Для
синтеза управления осуществим пересчет координат точек из полярной системы
координат в декартовую систему координат, связанную с основанием робота. Для
этого необходимо выбрать местоположение кулачка в рабочей зоне. Поскольку в
различных точках манипулятор обеспечивает различную точность позиционирования,
то необходимо расположить кулачок в области рабочей зоны, где обеспечивается
требуемая точность. Для выбранной конфигурации робота точность выше в тех
точках, которые находятся ближе к оси вращения первого сочленения.
Таким
образом, расположим кулачок как можно ближе к оси вращения первого сочленения.
При этом кулачок необходимо сориентировать так, чтобы минимизировать расстояние
от оси вращения первого сочленения до самой дальней точки на контуре кулачка.
Пусть
центр вращения кулачка (полюс полярной системы координат) будет расположен на
оси X системы координат робота на расстоянии 500 мм от его
начала. Направим полярную ось вдоль оси Х системы координат робота. Расположим
плоскость кулачка параллельно плоскости OXY системы
координат робота.
Таким
образом, узловая точка с координатами
и
в полярной системе координат имеет следующие
координаты в декартовой системе, связанной с основанием робота.
;
;
.
Рисунок 6.5 Положение кулачка в рабочей зоне
Последовательность полученных точек представляет собой желаемые положения
РО в моменты квантования. Для нахождения эталонного обобщенного положения, то
есть первой, третьей и пятой компонент вектора состояния решается обратная
задача кинематики о положениях по формулам (4.1). Графики первой и третьей
обобщенных координат приведены соответственно на рисунке 6.7 и рисунке 6.8. Для
нахождения эталонных обобщенных скоростей осуществим решение обратной задачи
кинематики о скоростях. На рисунке 6.9 и 6.10 приведены графики первой и
третьей обобщенных скоростей.
Рисунок 6.7 График первой обобщенной координаты
Рисунок 6.8 График третьей обобщенной координаты
Рисунок 6.9 График обобщенной скорости первого сочленения
Рисунок 6.10 График обобщенной скорости для третьего сочленения
На рисунке 6.11 и 6.12 приведены графики эталонных моментов в двигателях
первого и третьего сочленений.
Рисунок 6.11 График момента для первого сочленения
Рисунок 6.12 График момента для третьего сочленения
При движении вдоль контура кулачка меняются только первая и третья
обобщенные координаты. Вторая координата не меняется. Это связано с тем, что
рабочий орган двигается в горизонтальной плоскости. В связи с этим все
эталонные процессы во втором сочленении равны нулю и графики не приведены.
В результате синтеза получены управляющие воздействия, графики которых
приведены на рисунке 6.13 и рисунке 6.14 соответственно для первого и третьего
сочленений.
Рисунок 6.13 График управляющего воздействия для первого сочленения
Рисунок 6.14 График управляющего воздействия для третьего сочленения
Из графиков следует, что значения управляющих воздействий не выходят за
допустимые пределы.
С помощью разработанной программы, представленной в приложении А,
получены реальные процессы. Моделирование показывает, что отклонение реальных
процессов в системе управления от эталонных незначительное. Величина отклонения
реального процесса от эталонного на каждом шаге квантования приведены на листе
8 графической части.
.5.2 Управление ПР при вертикальном движении
При опускании и поднятии РО изменяется только вторая обобщенная
координата. Первая и третья обобщенные координаты не меняются. Это связано с
тем, что рабочий орган двигается только вертикально. Для вертикального движения
необходимо обеспечить высокую скорость с целью уменьшения затрат времени.
Траектория движения будет разбита на три интервала:
интервал разгона от нулевой скорости к максимальной;
интервал движения с максимальной скоростью;
интервал торможения.
Максимальная скорость для второго сочленения равна 0,7 м/с.
Интервал разгона характеризуется линейным увеличением скорости с
постоянным ускорением. Для обеспечения минимальной длительности интервала
разгона необходимо максимально возможное ускорение во втором сочленении.
Количество шагов квантования для интервала разгона:
Длительность
интервала торможения равна длительности интервала разгона.
Во
время интервалов разгона и торможения РО опустится на величину
Необходимо
опускание осуществить на величину 0,2 м, то на интервале движения с
максимальной скоростью необходимо переместится на величину 0,2-0,116=0,084 м.
Таким
образом, интервал движения с максимальной скоростью длится 6 шагов квантования.
График эталонной обобщенной координаты приведен на рисунке 6.15. График
эталонной обобщенной скорости приведен на рисунке 6.16. График эталонного
момента приведен на рисунке 6.17
Рисунок
6.15 График второй обобщенной координаты
Рисунок
6.16 График обобщенной скорости для второго сочленения
Рисунок
6.17 График момента для второго сочленения
С
помощью разработанной программы, представленной в приложении А, осуществлен
синтез управляющего воздействия для второго сочленения. График приведен на
рисунке 6.18
Рисунок
6.18 График управляющего воздействия для второго сочленения
6.6 Оценка погрешности позиционирования РО
При изготовлении детали важное значение имеет точность позиционирования
РО ПР. На практике важно оценить точность позиционирования в декартовой системе
координат.
Для
вычисления ошибок вдоль осей декартовой системы координат на
-ом шаге дискретизации по времени, зная ошибки по
обобщенным координатам, можно воспользоваться формулой
,
где
- вектор-столбец ошибок в декартовой системе
координат на
-ом шаге дискретизации по времени;
-
матрица Якоби на
-ом шаге дискретизации по времени;
-
вектор-столбец обобщенных координат на
-ом шаге
дискретизации по времени;
-
вектор-столбец ошибок по обобщенным координатам на
-ом шаге дискретизации по времени.
Ошибки
по обобщенным координатам в
й момент
дискретизации вычисляются по формуле:
где
- эталонное положение в обобщенной системе координат;
-
реальное положение в обобщенной системе координат.
Величины
ошибок по обобщенным координатам приведены на листах 8 и 9 графической части.
Матрица
Якоби вычисляется по формуле
,
где
,
,
- функции, решения прямой задачи кинематики:
Матрица Якоби равна:
Величины ошибок по осям декартовой системе координат, связанной с
основанием робота, приведены на листах 8 и 9 графической части.
В
-ый момент дискретизации по времени отклонение
вычисляется по формуле
.
Как
следует из графиков, отклонение рабочего органа от заданного при движении вдоль
контура кулачка не превышает 0,1 мм, что удовлетворяет требуемой точности.
Рисунок
6.19 График отклонения траектории движения рабочего органа от эталонной
траектории при отработке контура кулачка
Рисунок
6.20 График отклонения траектории движения рабочего органа от эталонной
траектории при подходе к поверхности резания
7.
Визуализация и архивирование технологического процесса
Согласно технического задания необходимо разработать программу
графического отображения технологического процесса с помощью SCADA системы. Графические средства делают
возможным создание реалистичного операторского интерфейса, соответствующего
контролируемому объекту. Таким образом, программой графического отображения
могут пользоваться операторы, имеющие минимальный навык работы с компьютером.
7.1 Выбор SCADA системы
В настоящее время существует огромный выбор SCADA систем: TRACE MODE, Genesis, iHistorian, DSC и многие другие. На мой взгляд,
наиболее перспективной является SCADA
система TRACE MODE, разработанная в 1992 году российской фирмой AdAstra
Research Group, Ltd. TRACE MODE позволяет
добиться значительной экономии средств, затрачиваемых на АСУТП, при сохранении
ее качества. Это достигается за счет следующих свойств системы.
Во-первых, TRACE MODE имеет одновременную поддержку, как
современных западных и российских, так и старых советских контроллеров. Это
позволяет производить поэтапное обновление аппаратных средств АСУТП
предприятия. Вместо того чтобы выбрасывать еще жизнеспособное, но морально
устаревшее или дряхлеющее оборудование, предприятие может заменять современными
моделями лишь вышедшие из строя устройства. Таким образом, предприятие получает
возможность сохранения своих оборотных средств за счет более равномерного
распределения инвестиций по времени.
Во-вторых, TRACE MODE ориентирована на стандартные и
легкодоступные, а потому и недорогие аппаратные и программные средства.
Операционные системы MS DOS, Windows или Novell Netware, сетевые платы Ethernet
и Arcnet, карты Sound Blaster есть на любом промышленном предприятии, они стоят
недорого и любое предприятие располагает квалифицированными кадрами, способными
их обслуживать. Это означает резкое сокращение непрямых расходов и т.н.
“скрытой цены”, столь характерной для экзотических систем, использующих в качестве
операционной системы Linux,
QNX и т.д.
И, наконец, TRACE MODE экономична сама по себе.
Использование труда только российских разработчиков, отсутствие накладных
расходов, связанных с доставкой и таможенным оформлением - все это делает TRACE
MODE доступной по стоимости любому промышленному предприятию, которое всерьез
решило заняться проблемами автоматизации производства. По показателям
цена/производительность TRACE MODE значительно превосходит зарубежные аналоги.
Так, например, в АСУТП среднего размера, имеющей 1000 входов/выходов (I/O)
типичным соотношением дискретных и аналоговых параметров 6:1, стоимость одного
I/O составляет $ 1,72 (с учетом инструментальной системы и всех налогов), а в
крупной системе автоматизации, имеющей 10.000 входов/выходов, стоимость одного
I/O и вовсе ничтожна - $ 0,17. Аналогичные показатели западных SCADA-систем,
составляют $ 20-25 и $ 2,0-2,5 за I/O, т.е. в 11-15 раз выше.
7.2 SCADA система TRACE MODE
В общем случае, система АСУ на предприятии включает в себя нескольких уровней:
– уровень контрольно-измерительных приборов и аппаратуры (КИПиА);
– уровень контроллеров (традиционные ПЛК и Softlogic);
– уровень рабочих станций (АРМ);
– уровень операторских мест руководства (супервизорный) и уровень
управления предприятием (АСУП).
АСУ тепличного комбината включает в себя три первых уровня.
.2.1 Общая
структура и возможности TRACE MODE
Сама SCADA и Softlogic система состоит из двух основных частей -
инструментальная среда разработки и исполнительные модули [11]. Среда
разработки служит для описания проекта, программирования контроллера,
операторских станций и создания операторского интерфейса. Исполнительные же
модули выполняют всю текущую работу по проекту, созданному в среде разработки:
получение, обработка, архивирование и визуализация данных. Исполнительные
модули могут быть либо интегрированными, то есть выполнять несколько
вышеперечисленных функций, либо специализированными и выполнять какую-либо одну
функцию.
Программное обеспечение уровня SCADA (Supervisory Control And Data Acquisition) выполняет следующие функции:
1) Визуализация - отображение информации о процессе на мнемосхемах в
виде числовой информации, трендах, анимации, ActiveX компонентов и т.д.
) Обмен с контроллерами в реальном времени - получение информации от
контроллеров по последовательному интерфейсу, сети Ethernet или по полевым
шинам, первичная обработка этих данных, а также пересылка в контроллеры
управляющей информации.
3) Архивирование - сохранение информации в специальные промышленные
архивы, основными требованиями к которым являются надёжность и быстродействие.
) Документирование процесса - создание отчётов по заранее
созданным шаблонам с последующей их передачей по разным каналам обмена
информации (распечатка, электронная почта, web-сайт).
) Получение и передача информации в другие программные пакеты -
обмен оперативными и архивными данными со специализированным ПО, либо с ПО
уровня АСУП.
) Неоперативная обработка информации - вычисление статистической
информации, управление небыстрыми процессами.
) Управление тревогами - список тревог, фильтр событий,
квитирование.
Термин Softlogic подразумевает:
1) Использование контроллеров с PC-совместимой архитектурой.
Программирование таких контроллеров может осуществляться написанием
специфических программ на языках программирования типа ассемблер или С, а может
осуществляться с помощью инструментальных пакетов на визуальных языках верхнего
уровня, совместимых со стандартом МЭК61131-3, например на языке функциональных
блоков или языке инструкций;
) Обеспечение связи с уровнем АРМ. Может быть автоматизировано с
помощью интеграции SCADA и Softlogic систем. В этом случае не требуется
совершать двойную работу по созданию каналов в контроллере, в АРМ и описанию
обмена между ними;
3) При необходимости ведение архивов, например когда связь между
контроллером и АРМ устанавливается на сеансовой основе - дозвон по
коммутируемым линиям;
) Возможность ОЕМ (производитель оригинального оборудования)
проектов - совместных проектов производителей программного и аппаратного
обеспечения. В этом случае заказчики приобретают конечный продукт, например
контроллер, уже с предынсталлированным исполнительным модулем и
инструментальной средой разработки, что значительно сокращает время и силы для
подготовки оборудования к работе и сокращает издержки.
К дополнительным, теоретически не обязательным, но могущим оказаться
необходимыми, функциям SCADA и Softlogic систем можно отнести следующие:
Рисунок 7.2 - Программирование контроллеров на языке функциональных блоков
1) Многоуровневое горячее резервирование - дублирование или троирование
плат/модулей ввода-вывода, контроллеров, линий связи, архивов, операторских
станций для увеличения надёжности работы объекта;
) Адаптивное регулирование - автоматическая периодическая или
непрерывная подстройка коэффициентов контуров регулирования для оптимизации
работы исполнительных механизмов, сокращения издержек и брака;
3) Набор готовых функций для управления исполнительными
устройствами, например мотором, задвижкой или клапаном;
) Web- и GSM-управление - удалённый мониторинг и управление через
web и GSM сети для возможности непрерывного контроля и оперативного
вмешательства в ситуацию;
) Документирование проекта - функция, облегчающая разработчику
процесс создания проекта и внесения в него изменений путём сохранения
информации о версиях проекта в удобовоспринимаемой форме;
) Мультиязычность - локализация инструментальной среды на
несколько языков, а также возможность автоматического переключения языков
проекта в зависимости от региональных настроек.
7.2.2
Исполнительные модули TRACE MODE
Исполнительные системы TRACE MODE включают в себя следующие программы:
– NT-МРВÔ - монитор реального времени;
– SupervisorÔ - аналог “монитора архива”;
– специальные утилиты просмотра архивов - UTIL-NT.
NT-МРВÔ
предназначен для сбора, обработки, графической визуализации и управления
технологическими процессами в реальном времени. На его основе можно создавать
автоматизированные рабочие места операторов-технологов, диспетчеров, смененных
инженеров и т.д.. Система способна принимать данные через 16 последовательных
портов, обрабатывать их при помощи десятков встроенных математических
алгоритмов, графически отображать в удобной для оператора форме, вести архивы,
генерировать и печатать отчеты, а также поддерживать сетевой обмен с другими
компьютерами, используя следующие протоколы: NetBios, NetBEUI, TCP/IP, IPX,
SPX, Banian Vines.
Система SupervisorÔ - создает основу для автоматизации рабочих мест административного
персонала промышленного предприятия - от старшего диспетчера до главного
инженера и директора. Основным отличием системы SupervisorÔ от NT-МРВÔ является отсутствие возможности
непосредственного вмешательства администрации в процесс управления
технологическим процессом в сочетании с расширенным сервисом по анализу
накопленной информации. SupervisorÔ дает руководителю всю информацию, необходимую для принятия
управляющего решения, но не позволяет осуществить его самостоятельно. Это
полностью соответствует практике управления - руководитель должен отдавать
приказы операторам, а не выполнять работы, входящие в их должностные
обязанности.
Две программы, входящие в состав UTIL-NT (Report Viewer и Alarm Viewer),
имеют вспомогательный характер. С их помощью оператор, не прерывая работы в
реальном времени, может просматривать архивы технологической информации и
получить информацию о накопленных данных. Утилита просмотра отчета тревог
(Alarm Viewer) - программа предназначена для просмотра отчета тревог с
использованием временных и строчных фильтров и позволяет производить
квитирование сообщений, а также выводить данные из отчета тревог на печать.
Программа предусматривает использование одного основного и трех дополнительных
фильтров, с помощью которых оператор может произвести отбор данных о технологических
событиях, фильтруя их по времени, месту, либо типу события. Кроме того,
специальный фильтр позволяет оператору выводить на экран только неквитированные
сообщения. Любая строка в отчете тревог может быть помечена “закладкой”. После
этого возможен быстрый переход на нее из любого места отчета тревог. Программа
Report Viewer предназначена для просмотра и редактирования уровневого архива
TRACE MODE и позволяет выполнять ряд операций с выделенными столбцами данных
(печать, изменение формата, экспорт данных), а также редактировать данные,
записанные в архив. Данные, отображаемые программой, могут обновляться с
заданным периодом.
NT-МРВÔ и
SupervisorÔ созданы
для работы в самых жестких условиях промышленного производства. Это полностью
32-разрядные приложения, в полной мере использующие достоинства современных
операционных систем - приоритетную, вытесняющую многозадачность и
многопотоковость. В NT-МРВÔ и SupervisorÔ блок ввода-вывода данных и их математической обработки
выделен как отдельный поток с приоритетом реального времени. Блок отображения
информации и интерфейса с пользователем также оформлен в виде отдельного
потока, выполняющегося с обычным приоритетом.
Важное значение для АСУТП имеет вытесняющая многозадачность,
предоставляемая операционными системами Windows NT и Linux.
Благодаря этому свойству операционной системы оператор получает возможность
использовать любые дополнительные приложения без риска остановить работу
системы реального времени. Кроме того, исключительно важным свойством Linux для задач АСУТП является ее высокая
устойчивость к сбоям. В режиме реального времени NT-МРВÔ, SupervisorÔ и утилиты работают в своем
изолированном адресном пространстве.МРВÔ и SupervisorÔ обеспечивают повышенную защиту накопленной технологической
информации. Это достигается как ведением зеркальной копии диска, так и
особенностями файловой системы Linux.
Дело в том, что в Linux используется
особая защищенная от сбоев журналируемая файловая система ext3.
Крупные корпоративные пользователи найдут удобным повышенные средства
защиты данных от несанкционированного доступа. Кроме стандартных средств
ограничения доступа к данным, предоставляемых TRACE MODE, в NT-МРВÔ и SupervisorÔ возможно блокировать доступ к файлам
на уровне операционной системы.
7.2.3 TRACE MODE 6 - синтез новых технологий
Новая версия программы по своему инновационному характеру превосходит все
существующие версии программы. В ней предложен совершенно новый подход к
разработке систем управления, наглядный и интуитивно понятный специалистам
разной профессиональной подготовки: инженерам по АСУ ТП, программистам,
технологам и даже экономистам. Новая версия программы будет давать
интегрированный инструмент для программирования контроллеров (Softlogic), разработки операторского
интерфейса (SCADA), управления производственными
заданиями (MES) и основными фондами (EAM). TRACE MODE 6 станет многоплатформной - Windows, UNIX, LINUX, QNX. При этом сохранится полная совместимость TRACE MODE 6 с TRACE MODE 5.
7.3
Графическое отображение состояния производственных процессов
В соответствии с техническим заданием в ходе выполнения дипломного
проекта мною на базе SACDA
системы TRACE MODE была разработана программа графического отображения
состояния производственных процессов.
.3.1
Назначение программы
Основные функции программы графического отображения:
) Получение информации о технологическом процессе с сервера
производственного контроля;
2) Отображение состояния технологического процесса в реальном
времени в виде мнемосхем, карт объекта и т. п., содержащих произвольные графические
и текстовые объекты, на которые может быть наложена анимация (масштабирование,
изменение цвета, движение и т. п. в зависимости от состояния параметров тех.
процесса);
) Звуковое и визуальное (графическое) оповещение о событиях
(нештатных ситуациях);
) Передача команд оператора на исполнительные механизмы
(управление);
) Получение из базы данных информации об истории параметров
технологического процесса (трендах) за произвольный период, обработка
информации (усреднение, суммирование, сдвиг и т.п.), вывод в виде графиков
(линейных, ступенчатых графиков расхода), таблиц;
) Получение из базы данных информации о произошедших за
произвольный период событиях, связанных с объектом или группой объектов, вывод
информации в табличном виде;
) Экспорт информации в другие приложения, печать.
a. Программа графического отображения может использоваться не только
для контроля технологических процессов на производстве, но и для создания
систем охранно-пожарной сигнализации, климат контроля помещений и т.п.
7.3.2 Требования
к аппаратным и программным ресурсам
Минимальные требования к аппаратным ресурсам:
– процессор Pentium II, 300 МГц;
– память 64 Мб;
– 30 мегабайт свободного места на жестком диске для размещения
программы.
Требования к программным ресурсам:
– операционная система Windows /NT/2000/XP или
Linux, с использованием эмулятора wine;
– установленные протоколы TCP/IP;
– MYSQL сервер.
7.3.3 Схема
работы и возможности программы графического отображения состояния
производственных процессов
Структура информационных потоков, обрабатываемых программой графического
отображения, изображена на рисунке 4.3. TRACE MODE осуществляет обмен данными сервером производственного
контроля, сервером баз данных, с помощью которых ведутся базы данных
производственного контроля.
Рисунок 7.3 - Схема работы программы графического отображения
Программа графического отображения позволяет оператору получать
информацию от элементов однопроводной сетей АСУ тепличного комбината о
состоянии микроклимата в теплице. Состояние производственного процесса
отображается в виде мнемосхем, на которых размещены планы объектов (теплицы),
изображения приборов, установок, движущиеся агрегаты (смесительное устройство),
шкалы (текущие значения контролируемых параметров).
7.3.4 Запуск
и работа программы графического отображения
После загрузки программа находится в основном рабочем режиме - режиме
периодического опроса. В каждом цикле опроса считывается информация с сервера
производственного контроля, производится изменение всех графических и текстовых
объектов на мнемосхемах, при возникновении событий активизируется звуковое и
визуальное оповещение. Оператор в режиме опроса может запрашивать данные о
трендах и произошедших событиях из базы, работать с соответствующими таблицами,
графиками и т. п. (все действия производятся при нажатии правой кнопки мыши на
соответствующих объектах), но не может управлять устройствами, менять
какие-либо настройки. Для управления и настройки порогов событий необходимо
получить доступ к функциям управления.
При запуске программы происходит соединение с сервером производственного
контроля, с которого необходимо считывать данные. Мнемосхемы появляются после
того, как будут первый раз считаны данные с серверов, либо установлена
невозможность соединения.
При выборе оператором пункта меню, соответствующего выводу графиков,
появляется окно, изображенное на рис. 4.7. Чтобы в реальном времени переключить
вертикальную шкалу тренда или изменить порядок расположения нескольких
вертикальных шкал, нужно нажать ЛК на кнопке «Подробно». При этом на экране
появится окно со списком кривых.
Шкала выбранной в этом списке кривой будет отображаться на тренде. Если
тренд выводит шкалы для всех кривых, то шкала выбранной кривой переместится в
крайнюю правую позицию. Для управления видимостью кривых в начале строки
описания каждой из них имеется специальное поле. Кривая будет видима, если для
нее в этом поле установлен флаг.
Во время работы с трендом может возникнуть необходимость уточнить
значение кривой в некоторой точке. Для этой цели служит визир. Чтобы вывести на
экран визир, нужно нажать ЛК в области построения графика. Перемещение визира
производится нажатием ЛК на требуемой точке графика или клавишами стрелок в
соответствующем направлении. Для изменения масштаба тренда используются
сочетания клавиш Ctrl+<стрелки>. Клавиши вправо и вверх увеличивают
масштаб, а влево и вниз - уменьшают. Значение, на которое указывает визир,
отображается в поле под кнопкой «Подробно».
Универсальный тренд имеет меню управления выводимой информацией. Для
входа в него следует нажать ПК в пределах тренда. Это меню содержит следующие
команды:
1) Переход на время - вывод данных в указанное время. При выполнении
этой команды появляется диалог настройки даты и времени. После выхода из него
на тренд выводится информация начиная с указанного времени.
2) Свойства - выводит на экран диалог настройки тренда. В нем можно
изменить список кривых и их настройки.
) Восстановить пределы - возврат к исходному масштабу.
) Архивный - переход в режим отображения данных из архива.
) Реальное время - переход в режим отображения данных реального
времени.
7.3.5 Система
архивов TRACE MODE
Одной из задач АСУТП является архивирование (сохранение на жесткий диск)
информации, описывающей состояние объекта. При анализе потребностей тепличного
комбината в информации о ходе технологического процесса к системе архивирования
были предъявлены следующие требования:
1) Информация в архиве должна иметь однозначную привязку к
астрономическому времени.
2) Темп записи (сброса) информации на диск должен превышать темп
поступления данных.
) Кратковременная ошибка записи (т.е. ошибка ОС, драйвера,
контроллера диска) не должна приводить к искажению на период больший, чем время
длительности ошибки. При этом пользователь системы должен иметь доступ к
информации о нарушениях в сохранении данных. Отключение ЭВМ должно приводить к
как можно меньшей потере данных (минимальный размер буферов ОЗУ) и ни в коем
случае не к исчезновению архива.
) Извлечение данных из архива - такая же важная задача, как и
сохранение их.
) В программе, работающей в режиме реального времени, должны
иметься хотя бы минимальные средства извлечения и просмотра архивных данных
(таблицы и тренды) за произвольный момент времени.
) Структура архива должна быть документирована. Извлечение данных
может быть произведено программными средствами других производителей.
) Возможность ручной коррекции информации в архиве средствами
SCADA. Естественно, в этом случае должна быть защита коррекции данных паролем и
в архив должна заноситься отметка, что такая коррекция была произведена.
) Временная глубина, объем, набор параметров должны задаваться
(настраиваться пользователем).
TRACE MODE имеет широкие
возможности по архивированию данных о технологических процессах. TRACE MODE поддерживает три архива [11]:
1) СПАД (локальный архив).
2) Отчет тревог.
) Глобальный регистратор.
Во все эти архивы заносятся изменения любых атрибутов каналов, отмеченных
для архивирования. Разница между архивами состоит в алгоритмах сохранения
данных и формате файлов. При сохранении данных в любой из перечисленных архивов
фиксация времени осуществляется с точностью до 1 миллисекунды.
В локальный архив значения каналов записываются в бинарном формате.
Условием новой записи в архив является изменение значения канала. Этот архив
имеет фиксированную длину, которая указывается при его настройке. Структура
архива оптимизирована с целью обеспечения компактности и синхронизации записей.
При этом глубина архивирования определяется заданным размером и интенсивностью
потока данных. Чтобы обеспечить большую глубину, следует для архивируемых
каналов вводить апертуру на изменение реальных значений. Кроме того, не следует
устанавливать для них частого пересчета, если это не требуется. Локальный архив
СПАД предусмотрен для сохранения на диск и последующего анализа значений
атрибутов каналов текущего узла. В нем фиксируются изменения реальных значений
каналов и невычисляемых числовых атрибутов каналов. К таким атрибутам
относятся: период, аварийные границы, границы шкалы, маски, настройки первичной
обработки, флаги достоверности, состояния и подключения. Этот архив
ориентирован на оперативную работу с данными. Для этого разработана специальная
система индексации. Она обеспечивает очень высокую скорость доступа к данным и
позволяет использовать СПАД для анализа архивных данных в реальном времени.
Обновление данных в СПАД осуществляется циклически. Перед добавлением в
архив новой записи контролируется превышение заданного размера файла. Если
после добавления новой записи будет превышен установленный размер, то
осуществляется переход в начало архива. При этом все добавляемые записи будут
записываться поверх самых дальних по времени.
Для контроля процесса архивирования данных в СПАД и управления им
предусмотрены каналы, позволяющие управлять и контролировать выполнение
следующих операций:
– управление сохранением данных в СПАД;
– контроль текущего состояния операций со СПАД;
– копирование локального архива СПАД;
– контроль и управление очередью сообщений в СПАД.
Монитор реального времени позволяет экспортировать данные из локального
архива в файлы текстового формата. Эти файлы могут затем импортироваться в
электронные таблицы и базы данных. Существует возможность экспортировать
архивные значения одного канала или всей базы целиком.
Предусмотрена возможность автоматически в реальном времени создавать
резервную копию локального архива. При этом пользователь сам может выбрать
направление копирования.
Отчет тревог ведется в ASCII-формате. В этом архиве осуществляется
фиксация событий. Теоретически он не имеет ограничений на размер. Данные
заносятся в отчет тревог в виде отдельных строк. Каждая строка содержит время и
дату ее формирования, а также ряд дополнительных полей. Эти поля могут
содержать разную информацию в зависимости от того, какое событие фиксируется
данной строкой. Такой информацией может быть, например, имя канала и его
значение, сообщение из файлов пользовательских словарей и т.д.
Отчет тревог служит для записи в ASCII-файл информации об изменении
значений атрибутов каналов, сообщений, содержащих тексты из словаря событий.
Для контроля процесса архивирования данных в отчете тревог и управления им
предусмотрены каналы, позволяющие управлять и контролировать выполнение
следующих операций:
1) Управление сохранением данных в отчет тревог.
2) Копирование отчета тревог.
) Контроль состояния операций с отчетом тревог.
) Контроль состояния очереди сообщений в отчет тревог.
) Контроль текущей длины файла отчета тревог.
) Зацикливание отчета тревог.
Любое сообщение, помещенное в отчет тревог, имеет свой тип. Он определяет
степень ответственности данного сообщения. Этот тип задается при вводе текста
сообщения например, выход какого-либо контролируемого параметра микроклимата за
технологические границы. Далее при просмотре отчета тревог можно в качестве
одного из фильтров задать тип сообщения. Сообщения в отчете тревог могут
квитироваться из МРВ с помощью специальной формы отображения.
Система архивов программа графического отображения состояния
производственных процессов представлена на рисунке 4.9 и реализует все выше
описанные функции.
Рисунок 4.9 - Окно тренда “Архив”
Применение TRACE MODE в разработке распределенных АСУ ТП
перспективно и позволяет значительно сократить сроки проектирования и отладки.
.4 Сервер
производственного контроля
7.4.1
Назначение сервера
Основные функции сервера производственного контроля:
1) получение и обработка информации о технологическом процессе;
2) отслеживание событий (нештатных ситуаций);
) передача команд оператора на исполнительные механизмы;
) передача данных удаленным серверам и программам графического
отображения, прием команд от удаленных операторов;
) сохранение параметров в базе данных, ведение журнала событий.
7.4.2 Анализ
информационных потребностей фирмы
При работе над проектом были определены следующие функциональные
требования:
1) Централизованный доступ к данным. Хранение данных на выделенном
файл-сервере с разграничением прав доступа к информации.
2) Сетевые базы данных. Распределенные системы учета и автоматизация
бухгалтерских расчетов.
) Использование Internet-технологий.
) Обеспечение информационной безопасности и сохранности данных.
Структура информационных потоков, обрабатываемых сервером, изображена на
рисунке 5.1. Сервер осуществляет обмен данными со следующими устройствами:
1) Элементы однопроводной сети MicroLAN фирмы «Dallas Semiconductor». Однопроводная сеть присоединяется
к компьютеру через последовательный порт. Сеть содержит 17 датчиков, 6 ключей
дискретного ввода/вывода, 8 меток линии, а также мастер линии.
2) Сервер сохраняет значения параметров с произвольной
периодичностью в базе данных реального времени и производит её еженедельную
архивацию.
) Сервер позволяет обмениваться данными с удаленными серверами
производственного контроля с помощью семейства протоколов TCP/IP. Это может
быть необходимо, например, для ведения централизованной базы данных.
) Сервер позволяет передавать данные любому внешнему приложению по
интерфейсу DDE.
) Сервер позволяет обмениваться данными с программой графического
отображения, которая используется для создания интерфейса оператора, оповещения
о нештатных ситуация, вывода графиков параметров, журнала событий.
Рисунок 8.1 - Схема работы сервера производственного контроля
7.4.3 Выбор
сетевой ОС
Ключевым звеном в сети является операционная система, своего рода «сердце
сети». Рассмотрим две операционные системы: Microsoft Windows 2000 Server
и ASPLinux 7.3. Следует сразу отметить, что
одним из важнейших критериев выбора ОС являются затраты, необходимые на
приобретение как собственно ОС, так и программных продуктов для неё.
Рассмотрим сетевую операционную систему Windows 2000 Server
корпорации Microsoft, кажущаяся простота которой часто
сбивает с толку начинающих системных администраторов. И хотя Microsoft позиционирует данную ОС как
серверную сетевую платформу для малого и среднего бизнеса, общеизвестно, что
серьезные сетевые проекты в большинстве случаев по-прежнему базируются на
платформе UNIX. Следует отметить завышенные
требования к аппаратному обеспечению, например, для полноценного
функционирования сервера требуется не менее 128 мегабайт оперативной памяти.
Так же, на мой взгляд, большим недостатком является то, что Windows 2000 Server - коммерческий продукт, стоимость которого составляет
порядка 750 долларов США. Также следует отметить тот факт, что большая часть
офисных программных продуктов (Microsoft Office, Visio и т.д.) являются коммерческими, что
при проектирование тепличного комбината резко повысит его себестоимость.
Итак, ОС Windows 2000 Server была отвергнута по следующим
причинам:
) Как ОС, так и большая часть прикладного программного обеспечения
являются коммерческими продуктами, цена которых достаточно велика.
2) Общее недоверие к программным продуктам Microsoft, их ненадежность, большое количество
ошибок.
) Высокие требования к аппаратному обеспечению, при достаточно
низкой производительности.
) Определенная функциональная неполноценность Windows 2000 Server как сетевой ОС.
С другой стороны ОС Linux
обладает следующими неоспоримыми преимуществами:
1) Относительно невысокие требования к аппаратному обеспечению.
2) Бесплатное распространение ОС по лицензии GNU.
) Гибкость настроек при одновременной мощности и традиционной
высокой функциональности UNIX -
систем.
) Огромное количество свободно распространяемых продуктов (в том
числе в виде исходных текстов).
) Отличная репутация ОС.
) Полнота начальной дистрибьюции системы, позволяющая обеспечить
функционирование большинства требуемых сервисов и служб.
) Полная документированность.
ОС Linux стала привлекательной альтернативой
коммерческих ОС. Лавинообразный рост интереса к Linux во всем мире подтверждает это. В ней объединены мощь
и гибкость UNIX-станции, возможность использования
полного набора приложений Internet и полнофункциональный графический интерфейс (например, X Window).
В качестве дистрибутива Linux
возьмем ASP Linux 7.3 Server Edition .
7.4.4 Выбор
сетевых протоколов
.4.5 Протокол
1-Wire
Протокол интерфейса 1-Wire обеспечивает возможность работы с множеством
iButton, подключенных параллельно к линии данных однопроводной сети сбора
первичной информации тепличного комбината. Команды интерфейса позволяют
определить ID всех iButton, подключенных в данный момент к линии и затем
работать с конкретным прибором, переведя остальные в режим ожидания. Управление
линией данных и выдачу команд производит ведущее устройство, в качестве
которого может использоваться любой микроконтроллер или персональный компьютер
(ПК).
7.4.6 Стек
протоколов TCP/IP
Протокол TCP/IP (Transmission Control Protocol/Internet Protocol) -
основное средство современного сетевого и межсетевого взаимодействия. Не
секрет, что большинство современных систем поддерживают данный протокол.
Распространению данного протокола способствовало, в частности, развитие сети
Internet и использование TCP/IP в качестве универсального транспорта. TCP/IP
предоставляет пользователям однородный интерфейс, обеспечивающий взаимодействие
с сетевыми аппаратными средствами различных типов. Этот протокол гарантирует
возможность обмена данными между системами, невзирая на многочисленные
различия, существующие между ними. TCP/IP, кроме того, позволяет соединять на
программном уровне отдельные физические сети в более крупную и более гибкую
логическую сеть.
В состав комплекта TCP/IP входит несколько компонентов [7]:
- межсетевой протокол (Internet Protocol, IP), который обеспечивает
транспортировку без дополнительной обработки данных с одной машины на другую;
- межсетевой протокол управления сообщениями (Inernet Control
Message Protocol, ICMP), который отвечает за различные виды низкоуровневой
поддержки протокола IP, включая сообщения об ошибках , содействие в
маршрутизации, подтверждение получения сообщения;
- протокол преобразования адресов (Adsress Resolution Protocol,
ARP), выполняющий трансляцию логических сетевых адресов в аппаратные;
- протокол пользовательских дейтаграмм (User Datagram Protocol,
UDP) и протокол управления передачей (Transmission Control Protocol, TCP),
которые обеспечивают пересылку данных из одной программы в другую с помощью
протокола IP. Протокол UDP обеспечивает транспортировку отдельных сообщений без
проверки, тогда как TCP более надежен и предполагает проверку установления
соединения.
.4.7 Протокол
РРР
В качестве альтернативы аппаратным сетевым соединениям, таким как
Ethernet, можно воспользоваться модемом и телефонными линиями. Существуют два
протокола, которые позволяют передавать IP-пакеты по коммутируемым телефонным
каналам. Это SLIP (Serial Line Internet Protocol - межсетевой протокол для
последовательного канала) и протокол РРР (Point-to-Point Protocol - протокол
"точка-точка"). SLIP - старый протокол, а РРР - более современный и
очень стабильный. В АСУ тепличного комбината этот протокол используются для
соединения сервера производственного контроля с Internet-провайдером. РРР - это
"универсальный" протокол оформления (инкапсуляции) пакетов. Он
позволяет передавать мультипротокольные пакеты по одному каналу. Описание этого
протокола приведено в RFC 1331. Он отличается большей гибкостью, чем SLIP,
который обрабатывает только IP-пакеты. Подключение АСУ тепличного комбината к
Internet дает возможность отправки с помощью TRACE MODE sms-сообщений на мобильный телефон стандарта
GSS900/1800 о нарушении в технологическом процессе. А также возможность
организации на базе сервера производственного контроля WEB-сервера для
размещения рекламы в сети Internet.
В состав протокола РРР входят три компонента:
) процедура инкапсуляции дейтаграмм для передачи их по
последовательным каналам;
2) протокол управления каналом" (Link Control Protocol, LCP),
предназначенный для установления, конфигурирования и тестирования соединения на
канальном уровне;
) семейство "протоколов управления сетью" ( Network
Control Protocols, NCP), обеспечивающий конфигурирование и функционирование
различных протоколов сетевого уровня.
Протокол РРР отличается рядом интересных особенностей, которыми не
обладает протокол SLIP. В частности, РРР может инкапсулировать пакеты,
соответствующие различным протоколам, для передачи их по одной последовательной
линии. В нем есть встроенные средства коррекции ошибок и компрессии.
Использование протокола РРР достигается его встроенными реализациями в
ядре Linux и программными компонентами, основу которых составляет демон pppd.
7.5
Web-сервер
Для размещения рекламы в сети Internet с целью сбыта выращиваемой продукции используется Web-сервер. WWW (World Wide Web)
является, пожалуй, самой популярной технологией современного Internet. Когда
пользователи просматривают "информационное пространство" WWW, они
плавно перемещаются от странице к странице в пределах одного сервера и между
серверами. Технология WWW основана на концепции документов с гипертекстовыми
ссылками, обогащенной богатым языком форматирования документов и более удобной
моделью доступа. Клиентская же часть представлена "браузерами"
("browsers"). Среди них надо отметить двух бесспорных лидеров
Netscape Navigator и Microsoft Internet Explorer (они существуют для
большинства современных систем с графическим интерфейсом). Помимо графических
браузеров существуют и текстовые (например, lynx для UNIX, OS/2). Браузеры
позволяют просматривать содержимое гипертекстовых документов, перемещаться по
ссылкам, сохранять различные документы и файлы.
Собственный Web-сервер построен на системе Apache-1.3.23-11.asp. Apache -
один из самых популярных Web-серверов. Он разрабатывается и поддерживается
Apache Group и распространяется в рамках лицензии GNU. Он содержит обширный API
для расширения с помощью модулей, множество способностей и большое количество
подключаемых модулей; очень гибок, работает на большом количестве популярных
операционных систем, имеет активное сообщество пользователей. В проекте
используется русская версия Apache, поддерживаемая российскими участниками
Apache Group. Главным достоинством русской версии является возможность
автоматического распознавания кодировки клиентской стороны с последующим
перекодированием страниц в требуемую кодировку. Так, например, если HTML-ресурсы
сервера хранятся в кодировке KOI8, а к серверу обращается браузер
Windows-машины, то Apache на лету перекодирует страницу в кодировку 1251 и
"отдает" содержимое страницы клиентской стороне.
7.6
Информационная безопасность
Проблемы информационной безопасности охватывают широчайший диапазон
административных, этических, правовых, технических вопросов. В рассмотрение
данного раздела попадают причины исчезновения, порчи, изменения и утечки
информации.
Задача сохранения целостности информации усложняется тем фактом, что
сервер производственного контроля соединяется с внешним миром через канал
подключения к Internet. Мощнейшим средством защиты сети от атак и
несанкционированного доступа извне является firewall. Firewall это совокупность
компонент или система, которая располагается между двумя сетями и обладает
следующими свойствами:
1) Весь трафик из внутренней сети во внешнюю и из внешней сети во
внутреннюю должен пройти через эту систему.
2) Только трафик, определенный локальной стратегией защиты, может
пройти через эту систему.
) Система надежно защищена от проникновения.
В сети АСУ тепличного комбината в качестве firewall-хоста выступает
Linux-машина. Firewall реализован с использованием iptables - средства,
регулирующего правила фильтрации IP-пакетов на уровне ядра Linux. Собственно,
firewall выполнен в виде одноименной shell-процедуры, состоящей из
последовательных команд ipfwadm с определенными параметрами, которые и задают
правила фильтрации. Данная процедура вызывается в соответствующих уровнях исполнения
при загрузке Linux-машины.
7.7 Резервное
копирование
Правильный подход к операциям резервного копирования позволяет свести к
минимуму потерю важных для предприятия данных. Среди потенциальных причин таких
следует отметить:
- выход из строя дисковых систем;
- ошибки и крахи файловых систем;
- стихийные бедствия, пожары, кража компьютерной техники и
прочие;
- злонамеренные действия хакеров;
- ошибки действий оператора и системного администратора.
При обычной общей недисциплинированности, плохой осведомленности и
безответственности оператора, лучшим решением проблемы сохранности данных
является автоматизация всех процессов резервного копирования. Файловые ресурсы,
подлежащие резервному копированию следует разделить на две составляющие:
информация о ходе технологического процесса и собственные файловые ресурсы
сервера производственного контроля.
Суть работы системы сводится к периодическому вызову специально
написанных shell-процедур. Главная из них - процедура main, которая
осуществляет вызов процедуры архивации о ходе технологического процесса,
архивацию собственных ресурсов сервера производственного контроля, вызов
сценария ротации архивов и уведомление оператора резервного копирования о
выполненных операциях. Архивация собственных критичных к потере файлов и
директорий сервера производится внутри процедуры main согласно списку ресурсов,
подлежащих резервному копированию. Список находится в файле
/usr/local/bin/backup/locallist. Полученные архивы подвергаются трехступенчатой
ротации.
8. Экономическая часть
Осуществим расчет экономического эффекта от внедрения, разработанной в
дипломном проекте, системы управления манипуляционным роботом. Внедрение
системы управления изменяет техпроцесс изготовления кулачка. В базовом варианте
техпроцесса кулачок изготовлялся на фрезерном станке с ЧПУ. Установка заготовки
в станок и снятие полученной детали осуществлялись вручную рабочим. В
проектируемом варианте кулачок изготавливается с помощью лазерной резки.
.1 Расчет показателей по базовому варианту
Согласно базовому техпроцессу произведем нормирование действий по
изготовлению кулачка на фрезерных станках, то есть каждому действию поставим
норму времени. Результаты нормирования по базовому варианту сводятся в таблице
7.1
Определим норму оперативного неполного времени без учета перекрываемых
операций:
Топн=Тв(3)+То(4), Топн=0,06+1,7=1,76 мин.
Определяем действительный сменный фонд времени оборудования:
дсм1=(Fдгод1*60)/(Д*Мсм),
где Fгод1=4015 - годовой действительный фонд времени работы оборудования;
Д=255 - количество рабочих дней в году;
Мсм=2 - количество смен.
Fдсм1=(4015*60)/(255*2)=472,353 мин.
Таблица 8.1
Нормирование операций по базовому варианту
|
Технологические и
вспомогательные операции
|
Наимен. технол. перехода
|
Длит. перехода, мин.
|
Обозн. Нормы времени
|
|
1. Раскладка инструмента,
заготовок, чистка инструмента (один раз в смену)
|
вспом.
|
8
|
Тпз(1)
|
|
2. Осмотр и опробование
оборудования, подналадка оборудования (один раз в смену)
|
вспом.
|
1
|
Торг(2)
|
|
3. Монтаж заготовки для
изготовления кулачка
|
вспом.
|
0,03
|
Тв(3)
|
|
4. Фрезеровка
|
1,7
|
То(4)
|
|
5. Размонтировать деталь с
приспособления
|
вспом. перекр.
|
0,03
|
Твп(5)
|
|
6. Контроль
|
вспом. перекр.
|
0,1
|
Твп(6)
|
|
7. Отключить станок и
убрать рабочее место (один раз в смену)
|
вспом.
|
15
|
Торг(7)
|
|
8. Время на отдых и личные
надобности
|
-
|
10
|
Тотд(8)
|
|
9. Убрать приспособления,
инструменты и др.
|
вспом.
|
5
|
Тпз(9)
|
Рассчитываем время, затраченное рабочим один раз в смену:
Тс=Торг2+Торг7+Тотд8,
Тс=1+15+10=26 мин.
Определяем условный размер партии деталей изготавливаемой в смену:
Нус=(Fдсм1-Тс)/Топн, Нус=(472,353-26)/1,76=253,61 шт.
Определяем норму штучного времени:
Т=Топн+Тс/Нус,
Т=1,76+26/253,61=1,863 мин.
Определяем норму подготовительно-заключительного времени:
Тпз=Тпз1+Тпз9,
Тпз=8+5=13 мин.
Определяем оптимальный размер партии запуска:
Но=(Тпз*(100-l))/(l*Тш),
где l=4 - допустимое значение подготовительно-заключительного времени в
общем времени обработки партии деталей, %.
Но=(13*(100-4))/(4*1,863)=167,515 шт.
Окончательная норма штучно-калькуляционного времени рассчитывается по
формуле:
Тшк=Тш+Тпз/Но,
Тшк=1,863+13/167,515=1,94 мин.
Определим расчетное количество оборудования по базовому варианту:
р1=(Тшк*N)/(Fдгод1*60),
Где N=220000 - годовая программа производства деталей.
р1=(1,94*220000)/(4015*60)=1,772 шт.
Принятое количество оборудования получаем путем округления расчетного в
большую сторону: Sп1=2.
Тогда коэффициент загрузки оборудования по базовому варианту определяется
по следующей формуле:
Кз1=Sр/Sп,
Кз1=1,772/2=0,886.
Рассчитывается количество основных рабочих занятых на фрезеровке:
Рст1=(Тшк*N)/(Fр*60*Кв1),
где Fр=1840 - действительный годовой фонд времени работы основных
рабочих;
Кв1=1,1 - коэффициент выполнения норм времени.
Рст1=(1,94*220000)/(1840*60*1,1)=3,515 чел.
Округляем в большую сторону: Рст1=4 чел.
Определяем требуемое количество транспортных рабочих:
Рт1=Мсм*Sп1*0,1, Рт1=2*2*0,1=0,4 чел.
Округляем в большую сторону: Рт1=1 чел.
Количество наладчиков оборудования:
Рн1=Sп1*Мсм/Нн1,
где Нн=10 - норма обслуживания наладчиками единиц фрезерных станков с
ЧПУ.
Рн1=2*2/10=0,4 чел.
Округляем в большую сторону: Рн1=1 чел.
Общее количество рабочих по базовому варианту:
Ро1=Рст1+Рт1+Рн1,
Ро1=4+1+1=6 чел.
Определим длительность производственного цикла обработки всех деталей
годовой программы:
Тц1=Тшк*N, Тц1=1,94*2200000=426827,447 мин.;
Определяем среднесуточный выпуск деталей:
сут=N/255,сут=2200000/255=862,845 шт.
.2 Расчет показателей по проектируемому варианту
Согласно технологическому процессу и расчетам, показанным в п. 3.3
выделим время:лр=0,17 мин. - время изготовления одной детали;уст=0,16 мин. -
время установки и снятия детали в позицию обработки.
Тогда определим такт выпуска РТК:
Траб=tлр+tуст,
Траб=0,17+0,16=0,33 мин.
Штучное время обработки детали определим по формуле:
Тшп=Траб+tол,
где tол=0,05 мин. - время очистки лазерного излучателя.
Тшп=0,33+0,05=0,335 мин.
Оптимальный размер партии запуска:
оп=(tпз*(100-l))/(l*Тшп),
где tпз=20 мин. - подготовительно-заключительное время.
оп=(20*(100-4))/(4*0,335)= 5210,52 шт.
Штучно-калькуляционное время определим по формуле:
Тшкп=Тшпа+tпз/Nоп,
Тшкп=0,335+20/5210,52=0,38 мин.
Расчетное количество технологического оборудования по проектируемому
варианту определим по формуле:
р2=(Тшкп*N)/(Fдгод2*60),
где Fдгод2=3890 час. - годовой эффективный фонд времени работы РТК.
р2=(0,38*220000)/(3890*60)=0,36 шт.
Принятое количество оборудования определим путем округления расчетного в
большую сторону: Sп2=1.
Определим коэффициент загрузки оборудования по проектируемому варианту:
Кз2=Sр2/Sп2,
Кз2=0,36/1=0,36.
Количество операторов на РТК:
Роп2=Sп2*Мсм/Ноп,
где Ноп=1 - число РТК, обслуживаемых одним оператором.
Роп2=1*2/1=2 чел.
Округляем в большую сторону: Роп2=2чел.
Количество наладчиков РТК:
Рн2=Sп2/Нн2,
где Нн2=1 - число РТК обслуживаемых одним наладчиком.
Рн2=2/1=2 чел.
Тогда общее количество рабочих по проектируемому варианту:
Ро2=Роп2+Рн2, Ро2=2+2=4 чел.
Из предварительного расчета можно сделать выводы:
) Снижение количества основного технологического оборудования:
п=Sп1-Sп2,п=2-1=1.
) Снижение численности рабочих:
Ро=Ро1-Ро2,
Ро=6-4=2.
Определим длительность производственного цикла обработки всех деталей
годовой программы:
Тц2=Тшкп*N;
Тц2=0,38*2200000=836000 мин.
Определяем среднесуточный выпуск деталей:
сут=N/255,сут=2200000/255=862,845 шт.
.3 Определение капитальных вложений
Таблица 8.2
Перечень объектов капитального вложения
|
Базовый вариант
|
Проектируемый вариант
|
|
Фрезерный станок с ЧПУ - 2
шт.
|
Робот
|
|
Лазерный излучатель
|
|
Стол для резки
|
|
Система управления
|
В составе капитальных затрат при внедрении системы управления изменяются:
затраты на приобретение и монтаж оборудования;
стоимость занимаемой площади;
стоимость деталей в незавершенном производстве;
затраты на разработку управляющих программ.
Определим затраты на приобретение и монтаж оборудования по вариантам:
Коб1=Цфс1*Км1;
Коб2=(Цбр2+Цсу2+Цли2+Цст2)*Км2,
где Цфс1= 300000 руб. - цена фрезерного станка c ЧПУ;
Км1=1,1 - затраты на монтаж оборудования;
Цбр2=150000 руб. - цена робота;
Цсу2=200000 руб. - цена системы управления;
Цли2=250000 руб. - цена лазерного излучателя;
Цст2=27300 руб. - цена стола;
Км2=1,2 - затраты на монтаж оборудования.
Коб1=300000*2*1,1=660000 руб;
Коб2=(150000+200000+250000+27300)*1,2= 752760 руб.
Площадь здания цеха, занимаемая рабочими местами:
Fпр1=2*20=40 м2 - площадь участка в базовом варианте;
Fпр2=30 м2 - площадь проектируемого участка (по планировке оборудования).
Определим стоимость приобретения или разработки вспомогательного
оборудования:
Квуi=0,2*Кобi, Кву1=0,2*660000=132000 руб.;
Кву2=0,2*752760=150552 руб.
Определяем стоимость проектно-конструкторских работ по стыковке ПР с
основным технологическим оборудованием, вспомогательными устройствами и
устройствами обеспечения безопасных условий работы РТК:
Ккр2=0,15*Коб2,
Ккр2=0,15*752760 =112914 руб.
Стоимость разработки программного обеспечения или его покупки:
Кпп2=0,15*Коб2,
Кпп2=0,15*752760 =112914 руб.
Определяем стоимость установки оборудования:
Куi=0,2*Кобi, Ку1=0,2*660000=132000 руб;
Ку2=0,2*752760 =150552 руб.
Стоимость оснастки:
Коснi=0,1*Кобi,
Косн1=0,1*660000=66000 руб;
Косн2=0,1*752760=75276 руб.
Для базового варианта оснасткой являются фрезы, контрольно-измерительный
инструмент.
Для проектируемого варианта оснасткой являются контрольно-измерительный
инструмент и лазерные головки.
Стоимость подготовки кадров:
Кпкi=0,05*Кобi,
Кпк1=0,05*660000=33000 руб.;
Кпк2=0,05*752760 =37638 руб.
Таким образом суммарные капитальные затраты по вариантам:
К1=Коб1+Кзд1+ Кву1+Ку1+Косн1+Кпк1,
К2= Коб2+Кзд2+ Кву2+Ккр2+Кпп2+
+Ку2+Косн2+Кпк2
К1=660000+1144800+132000+132000+
+66000+33000=2167800 руб.
К2=752760+823950+150552+
+112914+112914+150552+75276+37638=2216556 руб.
Определим требуемые капитальные вложения по вариантам:
К=К2-К1,К=2216556-2167800
=48756 руб.
Все капитальные затраты
сведем в таблицу 8.3
Таблица 8.3
Капитальные затраты, руб.
|
Наименование затрат
|
Обозначение
|
Варианты
|
|
|
i=1 базовый
|
i=2 проектируемый
|
|
Приобретение и монтаж
оборудования
|
Кобi
|
660000
|
752760
|
|
Стоимость вспомогательного
оборудования
|
Квуi
|
132000
|
150552
|
|
Стоимость
проектно-конструкторских работ
|
Ккрi
|
-
|
112914
|
|
Стоимость программного
обеспечения
|
Кппi
|
-
|
112914
|
|
Стоимость установки
|
Куi
|
132000
|
150552
|
|
Стоимость оснастки
|
Коснi
|
66000
|
75276
|
|
Стоимость подготовки кадров
|
Кпкi
|
33000
|
37638
|
|
Капитальные затраты
|
Кi
|
2167800
|
2216556
|
.4 Определение эксплуатационных затрат
В составе текущих затрат при внедрении РТК изменяются:
заработная плата с отчислениями на социальное страхование;
затраты на электроэнергию;
амортизационные отчисления;
затраты на ремонт оборудования.
Учитывая то, что на обслуживание робота затрачивается 5% рабочего
времени, то оператор может выполнять функции наладчика. Тогда:
Из 2=2,23*Роп2*Fд*Квн*(Кдоп+Кнач+1),
Из 2=2,23*2*3725*1,1*(0,4+0,356+1)=32894,73 руб.
Определим годовые затраты связанные с программным обеспечением:
Ипп2=Кпп2*1,1/z,
где z=1 - количество систем управления.
Ипп2=112914*1,1/1= 124205,4 руб.
Годовые затраты на ремонт и техническое обслуживание оборудования и
устройств ПУ:
Ир1=Fдгод1*0,12*10,12;
Ир2=Fдгод2*0,12*10,12,
Ир1=4015*0,12*10,12=4875,816 руб.
Ир2=3890*0,12*10,12=4724,016 руб.
Определим годовые амортизационные отчисления:
Иа1=К1*На/100;
Иа2=(К2-Ккр2-Кпк2)*На/100,
где На=12% - норма амортизационных отчислений на оборудование.
Иа1=2167800*12/100=260136 руб.;
Иа2=(2216556-112914-37638)*12/100=247920,48 руб.
Годовые затраты на расход электроэнергии:
Иэi=Цэ*Мi*Fд*Кз*Км*r/Ккпд,
где Цэ=4,08 руб. - цена 1 кВт*ч электроэнергии;
Мi - установленная мощность электродвигателей, кВт;
Кз=0,85 - коэффициент, загрузки электродвигателя по времени;
Км=0,7 - коэффициент загрузки по мощности;=1,05 - коэффициент,
учитывающий потери в сети;
Ккпд=0,6 - коэффициент полезного действия электропривода.
Иэ1=4,08*(4,0+3,0+2,5)*3725*0,85*0,8*1,05/0,6=
=171813,39 руб.;
Иэ2=4,08*(0,55+0,25+0,25+0,3)*3725*0,65*0,7*1,05/0,6=
=12706,47 руб.
Тогда эксплуатационные затраты по вариантам рассчитаем в таблице 8.4
Таблица 8.4
Годовые эксплуатационные затраты, руб./год
|
Наименование затрат
|
Обозначение
|
Вариант
|
|
|
i=1 базовый
|
i=2 проектируемый
|
|
Программное обеспечение
|
Иппi
|
-
|
124205,4
|
|
Амортизационные отчисления
|
Иаi
|
260136
|
247920,48
|
|
Расход силовой энергии
|
Иэi
|
171813,39
|
12706,47
|
|
Годовые текущие затраты
|
Иi
|
517578,94
|
417727,08
|
.5 Годовой экономический эффект и технико-экономические показатели
Годовой экономический эффект:
Эг=(И1-И2)-Ен*dК,
где Ен=0,2 - нормативный коэффициент экономической эффективности.
Эг=(517578,94-417727,08)-0,15*48756=92538,46 руб.
Определим приведенные затраты:
пзi=Иi+Ен*Кi,пз1=517578,94+0,15*2167800=842748,94 руб;пз2=417727,08+0,15*2216556
= 750210,48 руб.
Срок окупаемости дополнительных капитальных затрат:
Ток=(К2-К1)/(И1-И2),
Ток=(2216556-2167800)/(517578,94-417727,08)= 0,48 лет.
Технико-экономические показатели рассчитываются в таблице 8.5
Таблица 8.5
Технико-экономические показатели
|
Наименование показателя
|
Обозначение
|
Ед. изм.
|
Вариант
|
% к базе
|
|
|
|
База
|
Проект
|
|
|
Абсолютные показатели
|
|
Годовой объем производства
|
N
|
шт.
|
2200000
|
2200000
|
100
|
|
Количество рабочих
|
Роi
|
Чел.
|
6
|
4
|
67
|
|
Годовые текущие затраты
|
Иi
|
руб.
|
517578
|
417727
|
81
|
|
Капитальные затраты
|
Кi
|
руб.
|
2167800
|
2216556
|
102
|
|
Относительные показатели
|
|
Выработка на одного
рабочего
|
Вi
|
шт
|
366666
|
550000
|
150
|
|
Коэффициент загрузки
оборудования
|
Кзi
|
-
|
0,886
|
0,36
|
41
|
.6 Определение дополнительного социально-экономического эффекта
Определяем экономию в результате уменьшения текучести кадров:
Этк=Из1/Ро1*Квт*Ро-Рп*Ен*Ро*Кдп,
где Квт=0,015 - коэффициент, характеризующий выработку на одного рабочего
в связи с текучестью кадров;
Рп=300 руб. - расходы на переподготовку одного рабочего;
Кдп=0,3 - коэффициент, определяющий долю рабочих, проходящих
переподготовку в связи с изменением профессии;
Этк=85629,55/4*0,015*2-300*0,15*2*0,3=615,22 руб.
Определяем экономию в результате снижения заболеваемости и травматизма
рабочих:
Эз=0,8*Из1/(Ро1*Д)*Ро2*3*0,3*Ро,
Эз=0,8*85629,55/(6*255)*4*3*0,3=161,1 руб.
Определяем экономию в результате улучшения условий труда рабочих за счет
уменьшения доплат и других видов льгот:
Эус=Ро*2,35*(Из1/Ро1-Из2/Ро2),
Эус=2*2,35*(85629,55/6-32894,73/4)= 28425,177 руб.
Определяем экономию за счет дополнительно произведенной высвободившимися
работниками продукции:
Эдоп=Пдн*Ро,
где Пдн=15570 - среднегодовая выработка продукции на одного рабочего по
данным базового предприятия;
Тогда дополнительный социальный эффект составит:
Эд=Этк+Эз+Эус+Эдоп;
Эд=615,22+161,1+28425,177+31140=60341,497 руб.
Приведенные расчеты показывают экономическую эффективность применения
промышленного робота для лазерной резки с разработанной системой управления.
Срок окупаемости составляет 0,48 лет. Годовой экономический эффект составляет
92538,46 руб. Дополнительный социально-экономический эффект составляет
60341,497 руб.
9.
Безопасность и экологичность проекта
В данном проекте рассматривается автоматизированная система управления
лазерной резки.
9.1
Биологическое действие лазерного излучения
Лазер или оптический квантовый генератор - это генератор
электромагнитного излучения оптического диапазона, основанный на использовании
вынужденного (стимулированного) излучения.
Лазеры благодаря своим уникальным свойствам (высокая
направленность луча, когерентность, монохроматичность) находят исключительно
широкое применение в различных областях промышленности, науки, техники, связи,
сельском хозяйстве, медицине, биологии и др.
В основу классификации лазеров положена степень опасности лазерного
излучения для обслуживающего персонала. По этой классификации лазеры разделены
на 4 класса:
класс 1 (безопасные) - выходное излучение не опасно для глаз;
класс II (малоопасные) - опасно для глаз прямое или зеркально отраженное
излучение;
класс III (среднеопасные) - опасно для глаз прямое, зеркально, а также
диффузно отраженное излучение на расстоянии 10 см от отражающей поверхности и
(или) для кожи прямое или зеркально отраженное излучение;
класс IV (высокоопасные)- опасно для кожи диффузно отраженное излучение
на расстоянии 10 см от отражающей поверхности.
В качестве ведущих критериев при оценке степени опасности генерируемого
лазерного излучения приняты величина мощности (энергии), длина волны,
длительность импульса и экспозиция облучения.
Предельно допустимые уровни, требования к устройству, размещению и
безопасной эксплуатации лазеров регламентированы "Санитарными нормами и
правилами устройства и эксплуатации лазеров" № 2392-81, которые позволяют
разрабатывать мероприятия по обеспечению безопасных условий труда при работе с
лазерами. Санитарные нормы и правила позволяют определить величины ПДУ для
каждого режима работы, участка оптического диапазона по специальным формулам и
таблицам. Нормируется энергетическая экспозиция облучаемых тканей. Для
лазерного излучения видимой области спектра для глаз учитывается также и
угловой размер источника излучения.
Предельно допустимые уровни облучения дифференцированы с учетом режима
работы лазеров -непрерывный режим, моноимпульсный, импульсно-периодический.
В зависимости от специфики технологического процесса работа с лазерным
оборудованием может сопровождаться воздействием на персонал главным образом
отраженного и рассеянного излучения. Энергия излучения лазеров в биологических
объектах(ткань, орган) может претерпевать различные превращения и вызывать
органические изменения в облучаемых тканях (первичные эффекты) и
неспецифические изменения функционального характера (вторичные эффекты),
возникающие в организме в ответ на облучение.
Влияние излучения лазера на орган зрения (от небольших функциональных
нарушений до полной потери зрения) зависит в основном от длины волны и
локализации воздействия.
При применении лазеров большой мощности и расширении их практического
использования возросла опасность случайного повреждения не только органа
зрения, но и кожных покровов и даже внутренних органов с дальнейшими
изменениями в центральной нервной и эндокринной системах.
Основными нормативными правовыми актами при оценке условий труда с
оптическими квантовыми генераторами являются:
"Санитарные нормы и правила устройства и эксплуатации лазеров"
№ 2392-81; методические рекомендации "Гигиена труда при работе с
лазерами", утвержденные МЗ РСФСР 27.04.81 г.;
ГОСТ 24713-81 "Методы измерений параметров лазерного излучения.
Классификация"; ГОСТ 24714-81 "Лазеры. Методы измерения параметров
излучения. Общие положения"; ГОСТ 12.1.040-83 "Лазерная безопасность.
Общие положения"; ГОСТ 12.1.031-81 "Лазеры. Методы дозиметрического
контроля лазерного излучения".
Предупреждение поражений лазерным излучением включает систему мер
инженерно-технического, планировочного, организационного,
санитарно-гигиенического характера.
При использовании лазеров II-III классов в целях исключения облучения
персонала необходимо либо ограждение лазерной зоны, либо экранирование пучка
излучения. Экраны и ограждения должны изготавливаться из материалов с
наименьшим коэффициентом отражения, быть огнестойкими и не выделять токсических
веществ при воздействии на них лазерного излучения.
Лазеры IV класса опасности размещаются в отдельных изолированных
помещениях и обеспечиваются дистанционным управлением их работой.
При размещении в одном помещении нескольких лазеров следует исключить
возможность взаимного облучения операторов, работающих на различных установках.
Не допускаются в помещения, где размещены лазеры, лица, не имеющие отношения к
их эксплуатации. Запрещается визуальная юстировка лазеров без средств защиты.
Для удаления возможных токсических газов, паров и пыли оборудуется
приточно-вытяжная вентиляция с механическим побуждением. Для защиты от шума
принимаются соответствующие меры звукоизоляции установок, звукопоглощения и др.
К индивидуальным средствам защиты, обеспечивающим безопасные условия
труда при работе с лазерами, относятся специальные очки, щитки, маски,
обеспечивающие снижение облучения глаз до ПДУ.
Средства индивидуальной защиты применяются только в
том случае, когда коллективные средства защиты не позволяют обеспечить
требования санитарных правил.
9.2 Расчет
общего освещения методом коэффициента использования светового потока
1. Необходимый световой поток лампы в каждом светильнике определим
по формуле:
, где
Е
- заданная минимальная освещенность, лк;
К
- коэффициент запаса (для ламп ДРЛ = 1,5);
S - освещаемая
площадь, м2;
N - число
светильников;
z - отношение
средней освещенности к минимальной (для ламп ДРЛ = 1,15);
h - коэффициент
использования светового потока в долях единицы (отношение светового потока,
падающего на расчетную поверхность, к суммарному потоку всех ламп).
Число
светильников по длине помещения
, по
ширине -
.
Здесь
А и B - длина и ширина помещения, а L -
расстояние между светильниками. Определяется по формуле:
, где
h -
высота светильника над рабочей поверхностью (для анализируемого участка равна
10м), а l определяем по табл. в зависимости от
кривой светораспределения светильника. Находим
м.
Тогда
ламп,
ламп.
Общее
количество светильников на участке сборки равно:
шт.
Коэффициент
использования h зависит от типа светильника, от коэффициента
отражения потока rн, стен rс, индекса
помещения, который определим по формуле:
,
;
По
табл. для темного фона примем h = 26% (rн = 50, rс = 30).
Тогда световой поток одной лампы равен:
лм.
2. По таблице выберем стандартную лампу
Допускается отклонение e светового потока выбранной лампы от расчетного от -10% до +20%.
Согласно этому условию выбираем светильник ДРЛ 700 (6) - 2 со световым
потоком 35000 лм и мощностью 700 Вт.
%
> 18% > -10% , т.е. лампа выбрана правильно.
3. Электрическая мощность общей осветительной системы с учетом потерь в
пускорегулирующих аппаратах равна:
Вт
Расчет
местного освещения
1. Определим световой поток от лампы местного освещения, создающего над
рабочей поверхностью освещенность Емест:
, где
К
- коэффициент запаса (для ЛН = 1,3);
m - коэффициент,
учитывающий влияние отраженного света и удаленных светильников (m = 1,1);
e - условная
освещенность (освещенность, создаваемая условной лампой со световым потоком Fл
= 1000 лм, зависящая от кривой
светораспределения светильника и определяемая по графикам пространственных
изолюкс). Для светильника типа «Альфа» h = 0,5 м и d =
0,3 определяем значение e = 320 лк. Тогда
лм.
2. Выберем стандартную лампу.
Допускается отклонение t светового потока выбранной лампы от расчетного от -10% до +20%.
Исходя из табл выбираем МОД-36-100 (лампы местного освещения с
диффузорным отражателем, 1380 лм).
Определим величину отклонения и сравним ее с допустимой величиной:
,
+20%
> -6,6 > -10%, т. е. лампа выбрана правильно.
3. Электрическая мощность местного освещения равна
кВт
Электрическая мощность комбинированной системы освещения на проектируемом
участке равна
кВт.
Расчет
защитного заземления
Одной из основных причин электротравматизма является появление напряжения
там, где в нормальных условиях его не должно быть. Для того чтобы не допустить
электротравматизма, необходимо систематически следить за состоянием изоляции
токоведущих частей электроустановок. Все металлические части электрических
машин и аппаратов должны быть заземлены.
Применение электрооборудования и его эксплуатация должны соответствовать
требованиям ГОСТ 12.1.030 - 81 ССБТ.
Основные средства защиты от поражения током: изоляция и недоступность
токоведущих частей; защитное заземление и зануление; защитное отключение; и
организация безопасной эксплуатации электроустановок.
К защитным средствам от опасности прикосновения к токоведущим частям
электроустановок относятся: изоляция, ограждения, блокировка, пониженное
напряжение, электрозащитные средства, сигнализация и плакаты. Надежная изоляция
проводов от земли и корпусов электроустановок создает безопасные условия работы
для обслуживающего персонала. Основная характеристика изоляции - сопротивление.
Во время работы электроустановок состояние электрической изоляции ухудшается
вследствие нагрева, механических повреждений, влияния климатических условий и
окружающей производственной среды. Состояние изоляции характеризуется
сопротивлением току утечки. Согласно ПУЭ сопротивление изоляции в
электроустановках напряжением до 1000В должно быть не менее 0,5 МОм. На
работающем оборудовании проводится эксплуатационный контроль изоляции
электротехническим персоналом в установленные сроки с помощью мегомметров.
Отдельные элементы токоведущей цепи, а также отрезки кабелей при
наращивании длины должны быть соединены разъемными соединительными муфтами.
Запрещается соединять цепи скрутками с оголенным кабелем. Токоведущие кабели
цепи должны быть по всей длине изолированы и защищены от механических
повреждений.
Персонал, обслуживающий робота и технологическое оборудование, должен
периодически проходить инструктаж об опасности электрического тока и способах
оказания первой помощи.
При работе оператор должен быть в обуви с электропроводящей подошвой, на
электропроводном полу.
.3