Разработка привода локтевого сустава руки промышленного робота
Харьковский национальный университет
радиоэлектроники
Факультет автоматики и
компьютеризованных технологий
Кафедра технологии та автоматизации
производства РЕЗ та ЕОЗ
Дипломный проект
на тему: Разработка привода локтевого
сустава руки промышленного робота
Виполнил: студент Савицкий Дмитрий Александрович
Руководитель проф. Синотин А.М.
Рецензент ас. Крюков М.О.
Харьков - 2013 года
Реферат
Пояснительная записка к бакалаврской работе содержит: __ с., __ рис., _ табл., __ источников по перечню ссылок.
Цель работы - разработка привода локтевого сустава руки
робота с целью улучшения технических характеристик и уменьшения экономических
показателей.
Благодаря сочетания однозаходной червячной и прямозубой
зубчатой цилиндрической передачи в приводе получают большие передаточные числа,
сниженную угловую скорость ведущего вала, высокую плавность движения,
бесшумность работы и возможность точных делительных перемещений. Также
червячная передача такого типа обладает самотормозящим эффектом и позволяет
значительно уменьшить габаритные размеры конструкции, так как отпадает
необходимость во включении в нее дополнительных тормозящих элементов, а также
уменьшает погрешность всего механизма.
Разработан чертеж привода локтевого сустава руки робота. Для
создания программы была использована среда "KOMPAS-3D V13".
Область применения привода локтевого сустава руки робота -
выполняет основные и вспомогательные технологические операции в промышленном
производстве.
ПРИВОД ЛОКТЕВОГО СУСТАВА РУКИ РОБОТА МАНИПУЛЯТОРА, ПРОМЫШЛЕННЫЙ
РОБОТ, ЧЕРВЯЧНАЯ ПЕРЕДАЧА, ПРЯМОЗУБАЯ ЦИЛИНДРИЧЕСКАЯ ПЕРЕДАЧА, ЧЕРТЕЖ.
Содержание
Реферат
Введение
1. Анализ промышленных роботов-манипуляторов
1.1 Анализ основных теоретических сведений о промышленных
роботах-манипуляторах
1.2 Классификация промышленных роботов
1.3 Анализ конструкции промышленных роботов
1.4 Анализ существующих промышленных роботов-манипуляторов
1.4.1 Промышленный Робот IRB 140
1.4.2 Промышленный робот Staubli TX40.
1.4.3 Промышленный робот Arc Mate 100iC/10S.
1.4.4 Промышленный робот MOTOMAN EA1900N
1.4.5 Промышленный робот KR 1000 TITAN
2. Постановка задачи
2.1 Анализ исходных данных
2.2 Анализ элементов конструкции привода робота
2.2.1 Анализ конструкции привода
2.2.2 Общие сведенья о зубчатых передачах
2.2.3 Прямозубая цилиндрическая передача
2.2.4 Червячная передача
3. Расчеты к разработке привода локтевого сустава руки робота
3.1 Исходные данные к разработке привода
3.2 Определение крутящего момента на входе редуктора Твх
3.3 Расчет общего коэффициента полезного действия редуктора
3.4 Определение передаточного отношения элементов передаточного
механизма редуктора
3.4.1 Определим отклонение откл
3.4.2 Определение угловой скорости привода
3.4.3 Определение приблизительной круговой скорости:
3.5 Анализ характеристики червячной передачи
3.6 Расчет параметров цилиндрических прямозубых колес
3.7 Исследование расчета вала
3.8 Расчет долговечности подшипников
3.9 Анализ результатов расчета
4. Охрана труда
4.1 Анализ условий труда на рабочем месте
4.2 Промышленная безопасность в лаборатории
4.3 Производственная санитария в лаборатории
4.4 Пожарная безопасность лаборатории
Выводы
Перечень ссылок
Перечень
условных обозначений
ЭВМ - электронно-вычислительная машина;
ПР - промышленный робот;
ППР - производственно-промышленный робот;
СПУ - система программного управления;
ИИС - информационно-измерительная система;
СС - система связи;
КПД - коэффициент полезного действия.
Введение
Темой дипломной бакалаврской роботы является разработка
привода локтевого сустава руки робота.
Проектирование современных приводов нового поколения основано
на переносе функциональной нагрузки от механических приборов к
интеллектуальным.
Интеграция элементов различной физической природы в
механических приводах позволяет перейти на более высокий качественный уровень,
достижение основных технологических показателей - скорости и точности движения
выходного звена, а также обеспечить компактность конструкции и возможность ее к
быстрой реконфигурации. В то же время разнородность отдельных элементов требует
промышленного согласования их создания. Поэтому современные концепции
проектирования механических приводов основаны на разделение процесса
проектирования на параллельные потоки, каждый из которых соответствует синтезу
одной подсистемы. При этом важно, чтобы эти системы взаимодействовали между
собой. В противном случае на заключительном этапе проектирования механический
привод, состоящий из полученных компонентов, может оказаться неработоспособным,
или не соответствовать требованиям технического задания.
Целью данной работы является анализ исходных данных для
разработки привода локтевого сустава руки робота на примере механического
модуля промышленного робота - руки.
По одному из определений приводы машин - это механизмы,
приводящие в движение механический модуль. Который в свою очередь служащий для
снижения угловых скоростей ведомого вала с целью повышения крутящего момента и
обеспечения необходимой скорости на выходе. Существуют комбинированные приводы,
в которых механический модуль компонуют с вариатором, механический модуль
используют в транспортных, грузоподъемных, обрабатывающих и др. машинах.
В качестве привода машин используются различные типы зубчатых
передач: цилиндрические, червячные, планетарные редуктора. Связано это с тем,
что такие разновидности достаточно экономичны по себестоимости.
Основными задачами, поставленными в данной разработке,
являются:
а) проанализировать существующие промышленные роботы;
б) анализ элементов конструкций различных приводов и выбор
данных для разработки привода робота;
в) проведение расчетов конструкции привода на показатели
технических характеристик его параметров и сделан общий анализ полученных
данных.
промышленный робот манипулятор привод
1. Анализ
промышленных роботов-манипуляторов
.1 Анализ
основных теоретических сведений о промышленных роботах-манипуляторах
На сегодняшних промышленных предприятиях максимальную
актуальность приобретает применения автоматизированных решений, безлюдное и
бережливое производство, внедрение инновационных технологий и возможность
устранить вредные факторы, которые оказывают отрицательное воздействие на
здоровье человека.
Всё это стало причиной того, что большую популярность
приобретают решения по автоматизированию производства на основе промышленных
роботов, предоставляющих возможность обеспечивать цикл обработки с наивысшей
степенью производительности и точности, избежать производственных ошибок и
перерывов, характерных для обыкновенного человека [2].
Достоинства применения промышленных роботов в производстве
очевидны.
Во-первых, любой промышленный робот рука манипулятор в
большинстве случаев используется с целью заменить ручной труд. Таким образом,
робот может применять инструментальный захват, чтобы зафиксировать инструменты
и осуществить обработку деталей или удержать непосредственно заготовку, чтобы
переместить ее в рабочую зону на последующую обработку.
Во-вторых, робот обладает рядом ограничений, сюда можно
отнести, к примеру, зону досягаемости, потребность избежать столкновения с
возможными препятствиями, грузоподъемность, необходимость программирования
любых движений. На случае его правильного использования и предварительного
анализа функционирования системы робот может обеспечивать безостановочное
производство, увеличить эффективность и качество рабочего процесса. Основными
особенностям, которыми отличаются промышленные роботы, являются следующие
показатели.
При использовании робота обычно увеличивается
производительность. В первую очередь, это объясняется более быстрым
позиционированием и передвижением во время процесса обработки, также имеет
значение и такой фактор, как автоматическая работа на протяжении 24 часов в
сутки без простоев и перерывов.
На случай грамотно подобранного использования
роботизированной системы в разы повышается производительность (в сравнении с
ручным производством). Отдельного внимания заслуживает тот факт, что при
довольно широкой номенклатуре продукции, постоянных переналадках, потребности
значительного числа периферийного оборудования для различных деталей
производительность может и уменьшаться, делая процесс трудным и неэффективным.
Повышение экономических показателей. Купить робот манипулятор
означает получить замену человеку. Машина будет эффективно уменьшать расходы на
оплату специалистов. Этот фактор наиболее важным является для экономически
развитых стран, характеризующихся большими заработными платами трудящихся и
потребностью существенных надбавок за ночное время, переработку и т.п.
На случай использования автоматизированной системы или
робота, в цехе нужно только наличие оператора, который контролирует процесс,
при этом он способен контролировать одновременно несколько систем.
Стоит отметить, что при изначальной закупке роботизированные
ячейки представляют собой довольно серьезное денежное вложение. Неправильное
использование оборудования, а также вероятные ошибки в его расстановке и
комплектации способны стать причиной увеличения трудоемкости работы или времени
обработки, соответственно, снижения экономичности производства.
Соблюдается высокий уровень безопасности. Использование
роботов достаточно эффективно на вредных производствах, оказывающих
отрицательное воздействие на людей, к примеру, в литейной промышленности, в
процессе зачистки сварных швов, сварочных процессах, окрасочных работах
(покрасочные роботы) и т.п. На случай, если ручной труд ограничивается
законодательством, единственным решением может стать внедрение робота.
В большинстве случаев одной из причин внедрения инновационной
системы на основе промышленного робота является потребность обеспечения
требуемого по качества обработки в соответствии с документацией на изделие.
Значительная точность позиционирования промышленного робота
манипулятора, а также повторяемость предоставляет возможность устранить
вероятность производственного брака и обеспечивать высочайшее качество
продукции. Исключить человеческий фактор означает минимизировать рабочие ошибки
и сохранить постоянную повторяемость в течение всей производственной программы.
Минимизирование рабочего пространства. Грамотно
укомплектованная ячейка на основе промышленного робота считается очень
компактной. Это достигается за счет небольших размеров места, которое занимает
промышленный робот, его эргономичной конструкции, возможностью его расположения
в подвешенном состоянии и т.п.
Промышленный робот - это многозвенный механический
манипулятор, имитирующий движения человеческой руки и снабжен управляющим
устройством. Робот может быть оборудован также средствами перемещения.
Основное назначение робота - механизировать и
автоматизировать манипуляции, что позволяет заменить людей на уже действующих производственных
участках без существенной перестройки их технологической и организационной
структуры.
Все промышленные механизмы можно разделить на автоматические
и управляемые от дистанционного устройства. Если автоматы выполняют
определенное действие строго по алгоритму программы, занесенной оператором, то
дистанционные аппараты выполняют задания под удаленным управлением человека.
Промышленный робот может включать в конструкцию одну или
несколько рук манипуляторов и, как правило, один блок ЭВМ. Конструкция руки
робота состоит из типовых модулей, подобранных в соответствии с требованиями
заказчика, который должен определиться с грузоподъемностью, точностью
позиционирования, степени свободы.
Блок ЭВМ позволяет перепрограммировать робот манипулятор,
провести подстройку точности и скорости работы. Фактически, для каждого задания
создается индивидуальная программа с набором алгоритмов действий, по которым и
будет ориентироваться робот.
Роботов обычно программируют операторы, передвигая руку в
нужной им последовательности или путем воспроизведения этой последовательности
с помощью настройки дистанционного управления. Некоторые сложные работы могут
программироваться непосредственно голосом, получая приказы передвинуться на
заданное расстояние и в заданном направлении. Новейшие образцы роботов оснащены
сенсорной обратной связью и способны реагировать на происходящее в
непосредственной близости от них. Для увеличения протяженности рабочего
пространства, в котором может действовать рука робота, устанавливают на направляющие
платформы или рамы, тем самым ограничивая подвижность. Диапазон размеров очень
большой - от миниатюрных сборочных роботов, способных маневрировать в
пространстве объемом около десяти кубических сантиметров, и роботов, созданных
фирмой "Ламбертон Роботикс" в Шотландии, которые могут перемещать
грузы массой до 1,5 т. в пространстве объемом в несколько кубических метров.
Применение современных промышленных роботов увеличивает
производительность оборудования и выпуск продукции, улучшает качество, заменяет
человека на монотонных и тяжелых работах, помогает экономить материалы и
энергию. Кроме того, они имеют достаточную гибкость, чтобы использовать их при
выпуске продукции средними и малыми партиями, то есть в той области, где
традиционные средства автоматизации неприменимы. Мелкосерийная продукция имеет
большой рынок.
Однако роботы еще не имеют многих важнейших качеств, присущих
человеку, например не способны к разумному реагированию на непредвиденную
обстановку и изменение рабочей среды, к самообучению на основе собственного
опыта, использование тонкой координации системы "Рука - глаз". Роботы
с захватами или подобные к ним применяются для выполнения манипуляционных
операций, например при удалении заусенцев, литья, очистке слитков, ковке, термообработке,
обслуживании станков на погрузке-разгрузке, формирования, упаковки, размещения
деталей в паллеты и складирования.
Руки роботов вместо захватов могут оснащаться различными
инструментами для выполнения работ, начиная с распыления вещества, покраски,
нанесения клеевых и изоляционных покрытий и кончая сверлением, закручиванием
гаек, шлифовкой, пескоструйной очисткой. Кроме того, роботов можно использовать
для точечной и дуговой сварки, тепловой обработки и резки с помощью пламени или
лазера, а также при очистке с помощью водяных струй. Сейчас роботы успешно
приобретают специализацию, становясь красящими роботами, сварочными роботами,
сборочными роботами и т.д.
Промышленные роботы также различаются способом крепления.
Напольной конструкции составляют 53% общего количества, еще 39% - с креплением
на базовых узлах оборудования и лишь 8% - подвесные конструкции. Между тем
напольные конструкции - самые нерациональные и неэкономические, поскольку
требуют значительных дополнительных площадей, вызывают психологическое напряжение
при наладке и обслуживании, имеют минимальные возможности
"многостаночного" обслуживания.
Особенностью современного этапа научно-технического прогресса
является то, что определяющим фактором при разработке новой техники становится
ограниченность материальных и человеческих ресурсов. Необходимо так выбирать
ограниченное количество объектов разработки, чтобы при реальных возможностях
получать наибольшие социально-экономические результаты. В стратегическом плане
это означает поворот к первоочередному техническому перевооружению именно тех
звеньев производства, где мы можем добиться результатов благодаря применению
прогрессивной технологии, новых методов и процессов, - концентрации операций,
многопозиционной и многоинструментальной обработки или сборки. В тактическом
плане это означает снижение тиражирование тех технических средств роботизации,
которые не обеспечивают высоких конечных результатов или эти результаты
односторонние, например сокращение времени ручного обслуживания. При этом в
конкретных производственных условиях следует руководствоваться известными
методами расчетов и обоснованным рядом принципов технической политики.
Различают четыре принципа технической политики.
Первый принцип - принцип достижения конечных результатов.
Средства роботизации должны не просто имитировать или замещать действия
человека, а выполнять производственные функции быстрее и лучше, только тогда
они будут по-настоящему эффективными. Изменение численности какой-либо
категорий работающих или замена ручного манипулирования автоматическим - не
цель и не результат.
Анализ работ по автоматизации показывает, что:
- 70% - экономического эффекта получается благодаря более
высокой производительности автоматизированного оборудования;
- 20% - за счет повышения или стабилизации качества;
- 15% - благодаря экономии фонда заработной платы.
Второй принцип технической политики при роботизации
производства - принцип комплектного подхода. Все важнейшие компоненты
производственного процесса - объекты производства, технологии, основное и вспомогательное
оборудование, системы управления и обслуживания, кадры, удаление отходов -
должны быть рассмотрены и в конце концов решены на новом, более высоком уровне.
Иногда достаточно упустить из виду хотя бы один компонент производственного
процесса, например конструкцию изделия, и вся система мер по автоматизации
оказывается неэффективной. Тем не перспективнее попытки сводить автоматизацию
лишь к преобразованию отдельных компонентов, например, созданию сложных и
дорогих систем микропроцессорного управления при сохранении отсталой
технологии, а таких примеров немало. И промышленные роботы и автоматизированные
системы управления должны разрабатываться и внедряться с учетом прогресса
технологии и конструкции и в комплексе приспосабливаться к требованиям производства
- только тогда они будут эффективными.
Третий принцип технической политики при автоматизации
производства - принцип необходимости: средства роботизации, включая
перспективные и прогрессивные, должны применяться не там, где их можно
приспособить, а там, где без них нельзя обойтись.
Подавляющее большинство универсальных металлорежущих станков,
прессов, сварочных установок однопозиционные и одноинструментальные. В них
одновременно обрабатывается лишь одно изделие одним инструментом. Это
объясняется ограниченными возможностями человека, который не может одновременно
управлять несколькими процессами или объектами.
Четвертый принцип - принцип своевременности: внедрение и
тиражирования недостаточно зрелых технических решений недопустимы.
Наконец внедрения дорогостоящих, малонадежных и тихоходных
систем и средств автоматизации приводит лишь к их дискредитации. На развитие
роботизации как нового научно-технического направления, несомненно повлияло и
то обстоятельство, что сначала создания промышленных роботов стали заниматься
специалисты по вычислительной технике, технической кибернетики и т.д., которые
ранее производственными вопросами автоматизации не занимались и вполне искренне
верили, что именно главное - создать конструкцию робота, прежде систему его управления,
и комплекс управляющих программ для процессов манипулирования, имитирующих
действия человека.
Промышленные работы не является чем-то сверхъестественным. Их
внедрение может быть эффективным или убыточным, сокращать кадровый дефицит или
обострять его, все зависит от конкретных условий. Значимость промышленных
роботов не в замене человека при обслуживании известных машин. Они стали тем
звеном, которое позволило объединять разрозненное технологическое оборудование
в комплексные гибкие автоматизированные производственные системы машин и
приборов. Именно таким системам принадлежит будущее. Поэтому промышленные
роботы будут и впредь развиваться и завоевывать все новые позиции. Однако не
следует смешивать перспективы с реальными возможностями сегодняшнего дня. Очень
спорно с учетом несовершенства конструкции и неподготовленности производства, а
также допущенных ошибок, чтобы промышленные роботы уже в ближайшее время могли
существенно повлиять на общий уровень ручных работ на производстве, тем более
на уровень производительности труда во всех возможных приложениях.
1.2
Классификация промышленных роботов
Классификация промышленных роботов (ПР) может осуществляться
по самым различным признакам: области применения,
производственно-технологическим особенностям, специализации, виду базовой
системы координат, грузоподъемности, величинам линейных перемещений, объему
рабочей зоны, классу точности, возможности передвижения (мобильности), типу
привода, способу установки на рабочем месте, типу системы управления, способу
программирования и др.
По области применения промышленные роботы
классифицируются соответственно конкретному виду их использования в качестве
основного технологического оборудования, и этому признаку можно выделить
следующие основные разновидности ПР: сварочные, окрасочные, сборочные и
контрольно-измерительные [2].
По виду базовой системы координат, или
конфигурации манипулятора можно выделить пять основных разновидностей
промышленного робота. Но прежде чем рассмотреть конкретные разновидности,
следует привести несколько пояснений.
Компоновка и конструктивное исполнение
робота, прежде всего, зависят от того, какие движения и в какой
последовательности должен выполнять манипулятор при функционировании. Для
переноса объекта манипулирования без его ориентации (в любое место рабочей
зоны) необходимо и достаточно наделить манипулятор тремя степенями подвижности,
каждая из которых может быть как поступательной, так и вращательной. Эти
степени подвижности, называемые переносными, или региональными, определяют систему
координат, в которых осуществляются основные движения исполнительного
устройства робота по переносу объекта.
В зависимости от характера каждой из
переносимых степеней подвижности (поступательной или вращательной), их
последовательности и взаимной ориентации в пространстве формируется та или иная
базовая система координат манипулятора со своими особенностями и формой
пространственной фигуры, описываемой рабочим органом ПР. Таким образом, вид
базовой системы координат манипулятора ПР определяет его конструктивное
исполнение, уровень сложности системы управления и трудности программирования
исполнительных движений.
Промышленный робот, действующий в
прямоугольной, или декартовой, системе координат, имеет три поступательных
базовых степени подвижности с взаимно перпендикулярными направлениями
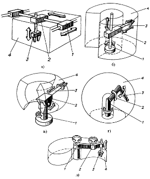
перемещений. Этот тип робота состоит (рис. 1.1, а) из рамы 1 в виде балочной
мостовой или портальной конструкции, перемещающейся поступательно, поперечной
тележки или каретки 2, относительно которой в вертикальном направлении
перемещается "рука" манипулятора 3 в виде стойки или колонны. Форма
образующейся пространственной фигуры, описываемой рабочим органом, так
называемой рабочей зоны 4, представляет собой прямоугольный параллелепипед.
Промышленный робот, действующий в цилиндрической
системе координат, имеет одну вращательную и две поступательные базовые степени
подвижности с взаимно перпендикулярными направлениями перемещений. Манипулятор
такого робота состоит (рис. 1.1, б) из поворотной колонны, или стойки, 1,
перемещающейся по ней в вертикальном направлении каретки 2, относительно
которой поступательно движется "рука" манипулятора 3. Форма
образующейся рабочей зоны 4 представляет собой неполный цилиндр.
Промышленный робот, действующий в
сферической, или полярной, системе координат, имеет две вращательные взаимно
перпендикулярные и поступательные степени подвижности. Такой тип робота состоит
(рис.1.1, в) из вращающейся колонны, или основания, 1, поворотной (качающейся)
каретки 2 и перемещающейся в ней поступательно "руки" 3. Форма
образующейся рабочей зоны 4 представляет собой неполный шар, ограниченный
сферическими и плоскими поверхностями.
Промышленный робот, действующий в угловой,
или ангулярной, сферической системе координат, имеет три вращательных базовых
степени подвижности. Такая конфигурация манипулятора (рис.1.1, г), называемая
еще сложной сферической, или антропоморфной, состоит из звеньев способных
поворачиваться подобно руке человека: к вращающемуся "туловищу" в
виде корпуса, или колонны, 1 шарнирно прикрепляется "плечо" 2, к
которому, в свою очередь, - "локоть" 3. Форма образующейся рабочей
зоны 4 представляет собой сложную шаровую, ограниченную сферическими и
цилиндрическими плоскостями.
Промышленный робот, действующий в
ангулярной цилиндрической, или сложной цилиндрической, системе координат, имеет
две вращательные в горизонтальной плоскости степени подвижности и
перпендикулярную в нем - поступательную, т.е. направленную вертикально.
Манипулятор такого робота (рис.1.1, д) состоит из вращающейся колонны, или корпуса,
1, присоединенного к нему и поворачивающегося в той же горизонтальной плоскости
звена 2, на конце которого в направляющей перемещается вертикально
"рука" 3. Форма образующейся рабочей зоны 4 представляет собой прямой
сложный цилиндр.
Рисунок 1.1 - Классификация роботов по базовой системе
координат
По уровню вводимой информации и способу
обучения промышленные роботы можно разделить на четыре основные категории. При
этом каждой категории ПР присущ определенный уровень вводимой извне информации,
необходимой и достаточной для полноценного функционирования в заданных
технологических условиях, а также органически связанный с этим способом его
обучения (или программирования). По тому, какую информацию достаточно получить
роботу для выполнения заданной работы и как при этом "обучить" его
новым операциям, можно судить о его технологических возможностях и степени
автономности.
Неперепрограммируемые (необучаемые)
промышленные роботы с жестким циклом операций снабжены заранее подготовленной
достаточно простой программой, повторяющей одну и ту же заданную
последовательность операций независимо от изменяющихся условий и не поддающейся
изменению простыми средствами.
Жесткопрограммируемые (переобучаемые)
промышленные роботы с изменяемым циклом операций содержат полный набор
информации, не изменяющийся в процессе самой работы, но поддающийся
корректировке путем "переобучения" при изменении (переналадке)
технологического процесса, для чего предусматриваются специальные средства и
методы (замена либо изменение программы), позволяющие легко и быстро изменять
состав и последовательность действий робота при изменении внешних условий, а
также при переходе от одной технологической операции на иную. Набор программ,
записанных в устройство управления, позволяет легко настраивать робот на
изготовление требуемого изделия. И все же это промышленные роботы первого
поколения, не имеющие сенсорного обеспечения и не способные корректировать свои
действия в самом процессе функционирования в зависимости от изменяющихся
условий.
Перепрограммируемые (обучаемые)
промышленные роботы с изменяемым циклом операций наряду с полным набором
программной информации имеют сенсорное обеспечение и обратные связи,
позволяющие в той или иной мере корректировать программные действия
соответственно изменению параметров технологического процесса. Алгоритмическое
и программное обеспечение таких ПР позволяет системе управления на основе
сигналов обратных связей формировать законы управления манипулятором с учетом
фактической обстановки, т.е. обучаться в процессе взаимодействия с объектами
производства (адаптироваться) к изменяющимся условиям. "Начальное"
обучение таких роботов осуществляется обычно по первому рабочему циклу, для
чего перед началом работы человек-оператор в режиме обучения вручную проводит
захватное устройство робота по рабочей траектории.
При этом в запоминающее устройство системы
управления роботом автоматически записываются координаты узловых точек рабочей
траектории, а также некоторая информация о состоянии робототехнической системы
в процессе выполнения технологической операции. Затем система управления
роботом переводится в рабочий режим, а записанная в память информация,
преобразованная в командные сигналы, подается на приводы исполнительной
системы, и манипулятор выполняет заданный состав и последовательность действий.
Такие промышленные роботы обычно относятся ко второму поколению.
Гибкопрограммируемые (самообучаемые)
промышленные роботы с элементами искусственного интеллекта; кроме развитой
сенсорной системы в виде искусственных органов зрения, слуха, осязания и
других, должны обладать мощной информационно-управляющей системой и совершенным
алгоритмическим и программным обеспечением, способными распознавать образы и
ситуации, моделировать окружающую среду, планировать поведение и самообучаясь в
процессе функционирования, формировать состав и последовательность своих
действий на основе поставленной цели и информации об окружающей среде в
условиях неорганизованного рабочего пространства. Это роботы третьего поколения,
которые найдут применение в самых сложных технологических процессах сборки,
монтажа, контрольно-измерительных и специальных технологиях.
1.3 Анализ
конструкции промышленных роботов
В соответствии с вышеприведенным
определением промышленный робот в целом состоит из исполнительного устройства
(манипулятора) и устройства программного управления. Структурная схема
составных частей ПР показана на рис. 1.2.
Рисунок 1.2 - Структурная схема составных частей ПР
Манипулятор ПР предназначен для выполнения всех его
двигательных функций и представляет собой многозвенный механизм с разомкнутой
кинематической цепью, оснащенный приводами и рабочим органом, а также в общем
случае - устройством передвижения. Конструктивно манипулятор состоит из опорных
(несущих) конструкций, манипуляционной системы, рабочих органов, привода и
устройства передвижения [3].
Устройство управления ПР служит для
формирования и выдачи управляющих воздействий манипулятору в соответствии с
управляющей программой и состоит из собственно системы управления,
информационно-измерительной системы с устройствами обратной связи и системы
связи.
Опорные, или несущие, конструкции
предназначены для размещения всех устройств и агрегатов ПР, а также обеспечения
необходимой прочности и жесткости манипулятора. Опорные конструкции по своему
исполнению весьма многообразны и могут выполняться в виде оснований, корпусов,
стоек, колонн, металлоконструкций, рам тележек, порталов и т.п.
Манипуляционная система служит для переноса
и ориентации рабочего органа или объекта манипулирования к заданной точке
рабочей зоны и структурно представляет собой обычно многозвенный
пространственный механизм с разомкнутой кинематической цепью.
Рабочий орган манипулятора ПР,
предназначенный для непосредственного воздействия на объект манипулирования при
выполнении технологических операций или вспомогательных переходов, представляет
собой захватное устройство или рабочий инструмент.
Привод необходим для преобразования
подводимой энергии в механическое движение исполнительных звеньев манипулятора
в соответствии с командными сигналами, поступающими от системы управления, и в
общем виде содержит энергоустановку, двигатели и передаточные механизмы.
Устройство передвижения предназначено для
перемещения манипулятора или ПР в целом в необходимое место рабочего
пространства и конструктивно состоит из ходовой части и приводных устройств.
Система программного управления (СПУ)
служит для непосредственного формирования и выдачи управляющих сигналов и
конструктивно состоит из пульта управления, запоминающего устройства,
вычислительного устройства, блоков управления приводами манипулятора и
технологического оборудования.
Информационно-измерительная система (ИИС),
предназначенная для сбора и первичной обработки информации для системы
управления о состоянии элементов и механизмов ПР и внешней среды, конструктивно
входит в состав устройства управления ПР и включает в себя устройства обратной
связи и сравнения сигналов, а также датчики обратной связи.
Система связи (СС) предназначена для обеспечения обмена
информацией между ПР и оператором или другими роботами и технологическими
устройствами с целью формулировки заданий, контроля за функционированием систем
ПР и технологического оборудования, диагностики неисправностей, регламентной
проверки и т.п.
Структурно-функциональная схема взаимодействия систем и
составных частей ПР и технологического оборудования приведена на рис.1.3.
Рисунок 1.3 - Общее устройство промышленного робота: 1 - основание
(опорная конструкция) робота, 2 - колонна, 3 - "рука" манипулятора, 4
- кисть манипулятора, 5 - рабочий орган (захват), 6 - датчик обратной вязи, 7 -
привод "руки", 8 - блок управляющего устройства с пультом управления
Среди самых распространенных действий, совершаемых
промышленными роботами можно назвать следующие:
перемещение деталей и заготовок от станка к станку или от
станка к системам сменных паллет;
сварка швов и точечная сварка;
покраска;
выполнение операций резки с движением инструмента по сложной
траектории.
Достоинства использования:
достаточно быстрая окупаемость;
исключение влияния человеческого фактора на конвейерных
производствах, а также при проведении монотонных работ, требующих высокой
точности;
повышение точности выполнения технологических операций и, как
следствие, улучшение качества;
возможность использования технологического оборудования в три
смены, 365 дней в году;
рациональность использования производственных помещений;
исключение воздействия вредных факторов на персонал на производствах
с повышенной опасностью.
1.4 Анализ
существующих промышленных роботов-манипуляторов
1.4.1
Промышленный Робот IRB 140
Основные области применения:
электродуговая сварка;
сборка;
чистка;
обслуживание станков;
загрузки / разгрузки;
упаковка.140 - компактный и эффективный промышленный робот с
шестью степенями подвижности, способный работать с нагрузкой до 6 кг в рабочей
зоне 810 мм (рисунок 1.4). Возможны различные способы установки: напольная,
настенная, потолочная. Выпускается в различных модификациях: Standard,
FoundryPlus, Clean Room и Wash. Манипулятор соответствует степени защиты IP 67,
что значительно расширяет его сферу применения. Робот имеет расширенный радиус
рабочей зоны благодаря механизму руки и возможности поворота по первой оси на
углы до 360° даже при потолочном креплении.
Компактный дизайн с внутренним размещением разводки повышает
гибкость работы. Опция защиты от столкновений с последующим уходом делает робот
надежным и безопасным.
Если при работе преимущественно используется первая и вторая
оси, то используется модель IRB 140T, которая имеет более высокие скорости,
существенно сокращает время цикла и увеличивает производительность на 15 - 20%.
IRB 140T хорошо подходит для процессов упаковки при управлении системой
PickMaster [4].
Рисунок 1.4 - Промышленный робот IRB 140
Версии Foundry Plus и Wash применяются для выполнения работ
на литейных производствах и при других процессах в агрессивной рабочей среде,
где нужно повышенную коррозионную стойкость и герметичность. Отличный
поверхностный доступ в сочетании с защитой IP 67 делает возможным мытье работа
паром высокого давления. Роботы белого цвета в исполнении Clean Room относятся
к классу 10, что позволяет применять их при производстве продуктов питания в
обстановке жестких требований гигиены и чистоты.
1.4.2
Промышленный робот Staubli TX40.
Высокой скоростью и высокой полезностью нагрузку у TS60
робота (рисунок 1.5), уникальные возможности и преимущества, предназначенных
для оптимизации эффективности и производительности во всех сферах, в результате
чего неизменно высокое качество в сочетании с резко увеличенной пропускной
способностью [4].
Технические характеристики:
степень свободы - 4;
максимальная грузоподъёмность - 8;
номинальная грузоподъёмность - 2;
радиус действия - 600 мм;
стабильность - ±0,01 мм;
ход - 200 или 400 мм;
класс защиты (с пыльником) - IP 54;
способ крепления - напольный или настенный.
Робот Staubli TX40 имеет быстрый ход, до 100выборов в минуту,
возможность с нулевым временем простоя. Перо со стандартным диаметром 25мм,
позволяет носить с собой тяжелые предметы при сохранении высокой скорости.
Рисунок 1.5 - Промышленный робот Staubli TX40
1.4.3
Промышленный робот Arc Mate 100iC/10S.
Технические характеристики:
контролируемые оси 6;
контролеры R-30iA
<#"730133.files/image006.gif">
Рисунок 1.6 - Промышленный робот Arc Mate 100iC/10S
Данный тип робота рассчитан на высокую скорость перемещения от
одного места сварки к другому. Вместе с высокопроизводительным контроллером от FANUC обеспечивает высокую скорость по осям,
которая сокращает время передвижения от одного места сварки к другому. Также сокращается
длинна кабельных соединений, обеспечивая точный контроль подачи сварочной
проволоки.
1.4.4
Промышленный робот MOTOMAN EA1900N
Промышленные роботы MOTOMAN EA1900N это специализированный
робот дуговой сварки. Интегрированный кабельный узел позволяет увеличить его
износостойкость и позволяет удобного взаимодействия с периферийными
устройствами при создании поточных линий с высокой плотностью сварочных узлов
(рисунок 1.7). Сварочный аппарат расположен линейно на поворотной оси робота,
увеличивает доступность и возможность процесса сварки кольцевых швов и сложных
геометрических узлов. Компактное устройство подачи вместе с интегрированным
кабельным узлом гарантируют возможность свободного представления проволоки и
создание удобного эргономичного дизайна робота [4].
Назначение:
дуговая сварка;
составление;
перемещение;
обслуживание станков;
укладка на паллеты и упаковка;
шлифовка и полировка;
резка.
Технические характеристики:
масса манипулятора кг 130;
грузоподъемность кг 10;
количество осей 6;
максимальный радиус рабочей зоны мм 1378;
точность позиционирования мм ± 0.08 мм;
Рисунок 1.7 - Промышленный робот MOTOMAN EA1900N
1.4.5
Промышленный робот KR 1000 TITAN
KR 1000 TITAN - это самый сильный и самый большой шестиосевой
робот на рынке. Благодаря грузоподъемности до 1000 кг этот робот используется,
прежде всего в стекольной, литейной, автомобильной промышленности и в
производстве строительных материалов (рисунок 1.8).
Достигнутое сочетание скорости и точности с рекордной
мощностью открывает перед промышленными предприятиями новые возможности.
Например, этот манипулятор может в одиночку перемещать и поворачивать
автомобильный кузов.
Робот оснащён 9 моторами, которые могут вращать его
сочленения по шести осям. По объёму рабочей зоны новый робот оставляет далеко
позади другие промышленные манипуляторы [4].KR 1000 "Titan" может
поднимать на вытянутой "руке" одну тонну. Он обладает досягаемостью в
3,2 метра по окружности (так что может переносить объекты на расстояние в 6,4
метра), а по высоте способен перемещать свою "кисть" на 4,2 метра.
Робот может выдерживать статическую нагрузку на изгиб до 60 тысяч
ньютон-метров.
Нагрузки:
полезная нагрузка - 1000 кг;
дополнительная нагрузка - 50 кг.
Рабочая зона:
макс. радиус действия - 3202 мм.
Другие данные и исполнение:
количество осей - 6;
стабильность повторяемости - <±0,1 мм;
вес - 4950 кг;
монтажное положение - на полу;
система управления - KR C2.
Рисунок 1.8 - Промышленный робот KR 1000 TITAN
Проанализировав информацию о промышленных
роботах-манипуляторах и рассмотрев несколько ПР можно сделать вывод, что
существует огромное разнообразие промышленных роботов, которые отличаются друг
от друга габаритными размерами и весом (работы массой от нескольких килограммов
до нескольких тонн), функциями и задачами, которые выполняют (дуговая сварка,
малярные работы, шлифование, сборка, сборка на паллеты, и др.)., нагрузками, с
которыми могут работать (от нескольких граммов до почти двух тонн), количеством
мер подвижности, точностью позиционирования и др. Применение новейших
технологий в проектирование, сборки и программирования промышленных роботов
позволяет значительно повышать их скорость работы и точность. Но существенным
недостатком промышленных роботов на данном этапе развития является их равно
направленность в выполнении поставленных перед ним задач. Пока не существует
роботов-манипуляторов широкого применения, существуют только узконаправлены. ПР
создан для одной операции чрезвычайно сложно, а иногда даже невозможно
модернизировать для выполнения других операций.
2. Постановка
задачи
2.1 Анализ
исходных данных
Объектом разработки является привод локтевого сустава руки
робота. Для его проектирования за основу были взяты исходные данные:
вращающийся момент Т и число вращений на выходе n.
Вращающийся момент - это векторная
<#"730133.files/image009.gif">
Рисунок 2.1 - Кинематическая схема привода
- двигатель; 2 - червячная передача; 3 -
прямозубая цилиндрическая передача; 4 - подшипник.
Привод в значительной степени определяет
структуру, параметры и технологические возможности манипулятора и робота в
целом. Основными параметрами привода являются: мощность, скорость и
быстродействие, точность отработки командного сигнала.
Для выбора того или иного привода при
проектировании наиболее существенны следующие классификационные признаки: вид
энергоносителя, вид исполнительных двигателей, способ управления, способ
использования энергии, поступающей и отводимой от механической системы [5].
По виду энергоносителя различают
пневматический, гидравлический, электрический приводы и их комбинации. Ныне
примерно 40% роботов мирового парка выполнены с пневматическими приводами,
почти столько же с гидравлическими, и лишь около 20% - с электрическими, при
этом доля последних постоянно возрастает. Для нашего привода наиболее
эффективным буде электрический двигатель ДП-1-26А (рисунок 2.2).
Рисунок 2.2 - Электродвигатель ДП-1-26А
По одному из определений привод - это механизм, который
служит для снижения угловых скоростей ведомого вала с целью повышения
вращательных моментов. В приводах применяют различные передачи: зубчатые
передачи, цепные передачи, червячные передачи, а также используют их в
различных сочетаниях - червячные и зубчатые, цепные и зубчатые и т.п.
Существуют комбинированные приводы, в которых приводы компонуют с вариатором.
Привод используют в транспортных, грузоподъемных, обрабатывающих и др. машинах.
Однако в любом случае главными характеристиками привода
служат коэффициент полезного действия (КПД), мощность, передаточное отношение,
угловые скорости валов, количество ступеней и передач и др.
2.2.2 Общие
сведенья о зубчатых передачах
Зубчатой передачей называется механизм,
служащий для передачи вращательного движения с одного вала на другой и
изменения частоты вращения посредством зубчатых колес и реек.
Зубчатое колесо, сидящее на передающем
вращение валу, называется ведущим, а на получающем вращение - ведомым. Меньшее
из двух колес сопряженной пары называют шестерней; большее - колесом; термин
"зубчатое колесо" относится к обеим деталям передачи.
Зубчатые передачи представляют собой
наиболее распространенный вид передач в современном машиностроении. Они очень
надежны в работе, обеспечивают постоянство передаточного числа, компактны,
имеют высокий КПД, просты в эксплуатации, долговечны и могут передавать любую
мощность (до 36 тыс. кВт).
К недостаткам зубчатых передач следует
отнести: необходимость высокой точности изготовления и монтажа, шум при работе
со значительными скоростями, невозможность бесступенчатого изменения
передаточного числа.
В связи с разнообразием условий
эксплуатации формы элементов зубчатых зацеплений и конструкции - передачи
весьма разнообразны.
Зубчатые передачи классифицируются по
признакам, приведенным ниже.
По взаимному расположению осей колес: с
параллельными осями (цилиндрическая передача - рисунок 2.3, 1 - 4); с
пересекающимися осями (коническая передача - рисунок 2.3, 5,6); со
скрещивающимися осями (винтовая передача - рисунок 2.3, 7; червячная передача -
рисунок 2.3,8).
В зависимости от относительного вращения
колес и расположения зубьев различают передачи с внешним и внутренним
зацеплением. В первом случае (рисунок 2.3, 1-3) вращение колес происходит в
противоположных направлениях, во втором (рисунок 2.3,4) - в одном направлении.
Реечная передача (рисунок 2.3,9) служит для преобразования вращательного
движения в поступательное.
По форме профиля различают зубья
эвольвентные (рисунок 2.3, 1,2) и неэвольвентные, например цилиндрическая
передача Новикова, зубья колес которой очерчены дугами окружности.
Рисунок 2.3 Классификация зубчатых передач
В зависимости от расположения
теоретической линии зуба различают колеса с прямыми зубьями (рисунок 2.3, 1),
косыми (рисунок 2.3,2), шевронными (рисунок 2.3,3) и винтовыми (рисунок 2.3,4).
В не прямозубых передачах возрастает плавность работы, уменьшается износ и шум.
Благодаря этому не прямозубые передачи большей частью применяют в установках,
требующих высоких окружных скоростей и передачи больших мощностей.
По конструктивному оформлению различают
закрытые передачи, размещенные в специальном непроницаемом корпусе и
обеспеченные постоянной смазкой из масляной ванны, и открытые, работающие без
смазки или периодически смазываемые консистентными смазками.
По величине окружной скорости передачи
различают: тихоходные передачи (v равной до 3 м/с), среднескоростные (v равной
от 3.15 м/с) и быстроходные (v более 15 м/с).
Рассмотрим подробней передачи применяемые
в нашем приводе.
2.2.3
Прямозубая цилиндрическая передача
Зубчатые колеса для параллельных валов называют цилиндрическими.
Прямозубое цилиндрическое колесо изображено на рисунке 2.4 Одно из двух
входящих в зацепление зубчатых колес - передающее движение - является ведущим,
другое - ведомым [6].
Рисунок 2.4 - Прямозубая цилиндрическая передача
Если одно из колес значительно меньше другого, оно называется
шестерней. Если отношение частот вращения ведущего и ведомого колес равно
единице, то оба зубчатых колеса имеют одинаковые размеры. Передаточное
отношение равно отношению чисел зубьев двух колес. Например, шестерня с 10
зубьями вращается в 4 раза быстрее сцепленного с ней зубчатого колеса, имеющего
40 зубьев. Зубья могут быть расположены как на наружной, так и на внутренней
поверхности колеса. При наружном зацеплении колеса вращаются в противоположных
направлениях, при внутреннем - в одном. Для преобразования вращения в линейное
перемещение ведомое колесо заменяется зубчатой "рейкой" - это как бы
зубчатое колесо бесконечно большого диаметра.
2.2.4
Червячная передача
Червячная (или зубчато-винтовая) передача
представляет собой кинематическую пару, состоящую из червяка и червячного
колеса. Червячные передачи применяются для передачи вращения между валами, оси
которых перекрещиваются под углом 90°. Червячная передача изображена на рисунке
2.5.
Рисунок 2.5 - Червячная передача
Ведущее звено червячной передачи в
большинстве случаев - червяк, а ведомое - червячное колесо. Обратная передача
зачастую невозможна - КПД червячного редуктора в совокупности с передаточным
отношением вызывают самоторможение редуктора [6].
Преимущество червячной передачи по
сравнению с винтовой зубчатой в том, что начальный контакт звеньев происходит
по линии, а не в точке. Угол скрещивания валов червяка и червячного колеса может
быть каким угодно, но обычно он равен 90°. В отличие от косозубого колеса обод
червячного колеса имеет вогнутую форму, способствующую некоторому облеганию
червяка и соответственно увеличению площади контактных поверхностей.
Направление и угол подъёма зубьев червячного колеса такие же, как и у витков
резьбы червяка. Резьба червяка может быть однозаходной или многозаходной, а
также правой или левой. Наиболее распространена правая резьба с числом заходов
z1=1…4.
Различают два основных вида червячных передач:
цилиндрические, или просто червячные, передачи (с цилиндрическими червяками) и
глобоидные (с глобоидными червяками).
По сравнению с обыкновенными зубчатыми передачами, передаточное
отношение <#"730133.files/image014.gif">, (3.1)
где iобщ - передаточное отношение элементов редуктора;
hобщ - общий коэффициент полезного действия редуктора [6].
3.3 Расчет
общего коэффициента полезного действия редуктора

, (3.2)
где hчп = 0,6 - кпд червячной передачи;
hпп = 0,98 - кпд пар подшипников (1 пара);
hзп = 0,92 - кпд зубчатой передачи;- число ступеней редуктора.
Рассмотрим выбранный электрический двигатель - ДП-1-26.
Характеристики двигателя ДП-1-26:
- напряжение питания 27±2,7;
- частота - постоянный ток;
потребляемый ток - 0,25В;
номинальный момент на валу - 0,02 Н·м;
номинальные обороты - 7000 об/мин;
потребляемая мощность - 7 Вт;
срок службы - 100 год.
3.4
Определение передаточного отношения элементов передаточного механизма редуктора
Передаточное отношение определяем по формуле:
. (3.3)
Выберем передаточное число исходя из получения оптимальных
габаритных размеров U23=5, тога определим U12:
, (3.4)
выходя с формулы (3.4) ближайшее целое значение передаточного
отношения U12 равняется 70.
Таким образом рассчитаем Твх:
. (3.5)
3.4.1
Определим отклонение dоткл
. (3.6)
dоткл < 4 %, что удовлетворяет
ГОСТ 2144-76.
3.4.2
Определение угловой скорости привода
, (3.7)
. (3.8)
3.4.3
Определение приблизительной круговой скорости:
. (3.9)
Проведённые исследования свидетельствуют про то, что двигатель был
выбран правильно. Он отвечает всем расчётным характеристикам и обеспечит
необходимую скорость позиционирования [6].
3.5 Анализ
характеристики червячной передачи
В червячной передаче с архимедовским червяком различают
начальные диаметры dw1 и dw2 деленные диаметры червяка 1
и колеса 2 d1 и d2. В передачах без смещения начального
контура при нарезке dw1 = d1, а dw2=d2.
Расстояние Px осевой нарезки червяка называют
шагом, а отношения Px/π=m - модулем зацепления в
осевом разрезе червяка.
Основные геометрические параметры червячной передачи
изображены на рис. 3.1. Червяк может быть однозаходной и многозаходной; число
витков червяка обозначают z1, число зубьев на колесе z2.
В этом исследовании был взят однозаходной червяк. Согласно СТ
СЭВ 267-76 модули предпочтительного ряда в осевом сечении червяка должны
выбираться из ряда m = 0,10; 0,125; 0,16; 0,2; 0,25; 0,315; 0,4; 0,5; 0,63; 0,8;
1,0; 1,25; 1,6; 2,0; 2,5; 3,15; 4,0; 5,0 и т.д.; допускается использование
модулей 0,12; 0,15; 0,3; 0,6; 1,5; 3,0; 3,5 и т.д.
Рекомендуются следующие коэффициенты диаметра червяка q (ряд
1): 6,3; 8,0; 10,0; 12,5; 16,0: 20,0; 25,0.
Рисунок 3.1 - Основные геометрические параметры червячной
передачи
В ходе проведения исследования разработки привода было
выбрано однозаходной червяк. Однозаходной червяк - это червяк, у которого в
торце начинается одна витая линия. Такая конструкция выполняет торможение и
позволяет значительно уменьшить габариты конструкции, поскольку отпадает
необходимость в установке дополнительных тормозящих элементов, а также снижает
погрешность механизма [6].
Анализ расчета модуля зацепления в осевом диаметре червяка:
, (3.10)
где Т - вращающий момент (кг*см);2 - количество зубьев
на колесе.
кг·см, (3.11)
Для механизмов РЭА характерный режим работы, близкий к
статическому, поэтому можно применять Кд = 1, Км = 1,4.
Коэффициент
учитывает перенагрузку отдельных мест
зуба вдоль линии контакта, что появляется в связи с деформацией валов, корпуса,
опор; он зависит от ширены и твердости материала зубчатых колес и точности их
изготовления. Для определения
необходимо пользоваться графиками, приведенными в дополнении к
ГОСТ 21354-75.
=1.
YF
- коэффициент формы зуба. Определяется с таблицы 8.10. YF =
4.35.- количество зубьев на колесе,
, в этом случае
.
σF - выбирается согласно с материалом колеса. Для нашего случая
это Сталь 45: σF = 115 H = 11,5 кг.
KHv - коэффициент динамической нагрузки. KHv =1,25
[6].
Выбираем ряд модуля и коэффициент диаметра червяка. Модули
определяются в осевом сечении червяка и должны соответствовать указанным в
таблице 3.1 В нашем случае он относится к первому ряду.
Выберем с таблицы 3.2 необходимые значения по выбранному ряду
(ГОСТ 2144-76) [6]:
модуль зацепления в осевом срезе червяка m = 0,2 мм;
коэффициент диаметра червяка q = 16;
число витков червяка
= 1;
количество зубьев червяка
.
Таблица 3.1 - Модули осевого сечения червяка.
|
1-й ряд
|
0,10; 0,12;
0,15; 0,2; 0,25; 0,3; 0,4; 0,5; 0,6; 0,8; 1,0; 1,25; 1,5; 2,0; 2,5; 3,0; 4,0;
5,0 и т.д.
|
|
2-й ряд
|
0,14; 0,18;
0,22; 0,28; 0,35; 0,45; 0,55; 0,7; 0,9; 1,125; 1,375; 1,75; 2,25; 2,75; 2,75;
3,5; 4,5; 5,5 и т.д.
|
Таблица 3.2 - Объединение m, q и z1
|
m
|
q
|
z1
|
m
|
Q
|
zl
|
|
1,0
|
16
|
1
|
1,6
|
10; 12,5; 16;
20
|
1; 2; 4
|
|
20
|
1; 2; 4
|
|
|
|
|
1,25
|
12,5;
16; 20
|
1; 2; 4
|
2,0;
2,5; 3,15
|
8; 10;
12,5; 16; 20
|
1; 2; 4
|
Делительный (начальный) диаметр d. диаметр вершины da, впадин df, витков ha = 1,0, hf = ha + c при c =0,2 выражают в виде:
(3.12)
Расчет геометрии проводится по ГОСТ 19650-74.
Длинна нарезаемой части червяка:
мм. (3.13)
Угол обхвата витков червяка равняется 2δ=70°÷120°, угол зацепления aw = 20°. При
этом d2 - диаметр колеса z2:
(3.14)
При z1 = 1, kh = 2m.
Ширина венца b2 находится в соответствии с углом
обхвата червяка колесом 2δ:
2 ≤
0,75; da1≤ 3,375. (3.15)
Делительный угол подъёма винтовой линии γ вычисляется из выражения:
=
=
=
= 0,06. (3.16)
Межосевое расстояние в червячной передачи без смещения:
(3.17)
Число зубьев другого колеса:
Межосевое расстояние:
αw = 0,5 · (dw1 + dw2) = 0,5m · (z1 + z2) = 0,5 · 0,2 · (1 + 17) =
1,8мм. (3.19)
Для большего колеса ширину зубчатого венца вычисляют по формуле:
w2
= aw · ψba. (3.20)
Коэффициент ширины зубчатого винца выбирается с таблицы 3.3
Выберем что ψba = 0,1. Тогда:
w2
= aw · ψba = 1,8 · 0,1 = 0,18.
Таблица 3.3 - Коэффициент ширины зубчатого венца
|
|
Примечание
|
|
0,01 - 0,1
|
Кинематические
и легко нагружаемые передачи
|
|
0,1 - 0,25
|
Легко и
средненагруженные передачи при повышенной жесткости валов
|
|
0,25 - 0,40
|
Передачи
повышенной загруженности и при достаточной жесткости валов.
|
3.6
Расчет параметров цилиндрических прямозубых колес
Основные конструктивные показатели размеров зубчатых колес
показаны на рис. 3.2. Анализ расчета параметров цилиндрических прямозубых колес
при z2 и z3 [6].
Рисунок 3.2 - Эскиз зубчатого колеса
При нарезке зубчатого колеса нормального зацепления для z2:
(3.21)
При нарезке зубчатого колеса нормального зацепления для z3:
(3.22)
Высота зуба принимается равной:
; (3.23)
где ha - коэффициент высоты головки зуба. ha
= 1 (ГОСТ 16532-70).f - коэффициент высоты ножки равен:
=1,25; (3.24)
где c - коэффициент радиального зазора. c = 0,25 (ГОСТ 16532-70).
Диаметр вершины зубьев для колеса z2 рассчитывается по
формуле:
(3.25)
Для колеса z3:
(3.26)
Диаметр впадин для колеса z2 рассчитывается по формуле:
(3.27)
Для колеса z3:
(3.28)
Межосевое расстояние зубчатой пары:
(3.29)
Ширина зубчатого колеса:
(3.30)
3.7
Исследование расчета вала
Выбираем размеры
геометрических параметров согласно с определённым модулем m [7]:1 =
4 мм;2 = 4,25 мм;= 3 мм;= 8 мм.
На рисунке 3.3
представлено схематическое изображение размещения зубчатых колес в корпусе.
Рисунок 3.3 -
Расположение зубчатых колес в корпусе
Определение
усилия на сцепление зубчатых колес Ft. На рис.3.4 изображена схема
сцепления двух зубчатых колес.
Рисунок 3.4 -
Схема сцепления двух зубчатых колес
. (3.31)
Радиальное усилие Fr:
(3.32)
Определение реакции в опорах при горизонтальном положении:
при
:
(3.33)
(3.34)
при
(3.35),
(3.36)
Определение реакции в опорах при вертикальной плоскости.
При
:
(3.37)
при
(3.38)
Проверка реакций на опорах:
Определение крутящих моментов для вертикальной плоскости.
При
:
(3.39)
При
,
Н·мм, а при
,
Н·мм. При
(3.40)
При
,
Н·мм, а при
,
Н·мм.
Определение вращающего момента для горизонтальной плоскости.
При
(3.41)
При
,
Н·мм, а при
,
Н·мм.
При
(3.42)
При
,
Н·мм, а при
,
Н·мм.
Определение эквивалентного момента в опасном разрезе:
(3.43)
Определение эквивалентного напряжения в опасном разрезе:
. (3.44)
Определив реакцию в опорах вала, а также составив выражение для
моментов в разных участках, необходимо построить эпюры моментов и осевых сил от
всех действующих нагрузок. Эти эпюры используются для расчета нагрузок в
каком-либо разрезе вала и для расчета запаса прочности. Эпюры реакции в опорах
изображены на рис. 3.5 [6].

Рисунок 3.5 - Эпюры реакции в опорах
Определение минимального диаметра штифта:
. (3.45)
Штифт необходимо изготовить из стали 45, А12, У10А.
. (3.46)
3.8 Расчет
долговечности подшипников
Под долговечностью подшипников понимают число оборотов,
которое подшипник должен сделать до выявления первых признаков усталости
материалов колец.
(3.47)
Эквивалент загрузки P определяется по формуле:
, (3.48)
где коэффициент радиальной загрузки X=1 Y=0, коэффициент вращения
при вращающемся внутреннем колесе V=1, коэффициент безопасности, что учитывает
характер нагрузки
=1,
.
(3.49)
Анализ динамической грузоподъёмности:
(3.50)
(3.53)
3.9 Анализ
результатов расчета
В результате проведения расчета рассмотрено привод локтевого
сустава руки робота видно эффективность получения больших передаточных чисел,
снижение угловой скорости ведущего вала, что повышает крутящий момент, высокую
плавность движения, бесшумность работы и возможность получения точных
делительных перемещений. В приводе используется червячная передача с
однозаходным червяком, что приводит к уменьшению габаритных размеров привода за
счет исключения установки тормозящего прибора.
4. Охрана
труда
4.1 Анализ
условий труда на рабочем месте
Выпускная работа выполняется в условиях лаборатории, в которой
находится 3 рабочих мест. Размеры помещение, в котором проводится разработка
привода локтевого сустава руки, составляют 7.5х7х3 м (площадь 52.5 
). Площадь на одно рабочие место составляет 17,5 
, а объем - 52,5 
, согласно с ДСанПиН 3.3.2-007-98 эти параметры соответствуют
требованиям, минимальное значение которых 6 
и 20 
.
В помещении есть электросеть - трехфазная четырехпроводная сеть с
глухозаземленной нейтралью переменного тока частотой 50 Гц и напряжением в сети
380/220 В.
Рассматривая лабораторию как систему "человек - машина -
среда" ("Ч-М-С"), можно выделить одну подсистему "рабочее
место", в состав входят элементы "человек" и "Машина".
Элемент "среда" (производственная среда в лаборатории).
"Предметом труда" является результат разработки привода локтевого
сустава руки. На рисунке 1.1 составлена система "Ч-М-С" [8].
Элемент "человек" разделим на следующие функциональные
части: Ч1 - человек, выполняющий основную задачу, внесение результатов
испытаний в расчётные программы; Ч2 - это человек, рассматриваемый с точки
зрения непосредственного влияния на окружающую среду (за счет тепло - и
влаговыделения, потребления кислорода). Ч3 - человек, рассматривается с точки зрения
его психофизиологического состояния; ПТ - предмет труда (результаты испытаний).
Элемент "машина" разделим на следующие части: М1 -
элемент, который выполняет основную технологическую функцию (вычислительные
программы); М2 - элемент, функции аварийной защиты (изоляция, заземление и
зануление); М3 - элемент, воздействия на окружающую среду (тепло, шум,
электромагнитное излучение).
Взаимодействие работающих с производственной средой можно
представить в виде системы Ч-М-С (рис.4.1).
Рисунок 4.1 - Декомпозиция системы Ч - М - С
1) С-Ч1, С-Ч2, С-Ч3: влияние среды на качество работы
машины (повышение температуры деталей компьютера);
2) М3-С: воздействие машины на состояние среды
(электромагнитное излучение, тепло, повышенный уровень шума);
) Ч2-С: воздействие человека как биологического
объекта на среду (теплообмен, шум, влажность, температура тела);
) Ч1-Ч2: влияние характера труда на интенсивность
обмена веществ (изменение тепловыделения и выделения влаги);
) Ч1-Ч3: связь выполненной работы с
психофизиологическим состоянием организма (усталость, умственное
перенапряжение);
) М2-М1: аварийное управляющее воздействие;
) Ч1-М1: влияние человека на управление машиной и ее
отладки (настройка и считывание показаний);
) М1-ПТ: воздействие машины на предмет труда
(математический расчёт);
) Ч1-ПТ: воздействие человека на продукт труда
(человек делает выводы);
) С-Ч1: информация о состоянии среды, прорабатываемая
человеком;
) С-Ч3: влияние среды на психофизиологическое
состояние человека
) ПТ-Ч3: влияние предмета труда на психофизическое
состояние человека;
) ПТ-М1: информация о состоянии предмета труда,
полученная машиной (искомые данные).
) М1-М2: информационная связь между компьютером и
системой зануления;
) М2-Ч3: психологическое равновесие при уверенности в
безопасности при работе.
Потенциально опасными и вредными производственными факторами
по ГОСТ 12.0.003-74 для данной лаборатории является: недостаточная освещенность
рабочей зоны, повышенное значение напряжения в электрической цепи, замыкание
которое может пройти через тело человека. Доминирующим фактором является
недостаточная освещенность рабочей зоны.
4.2
Промышленная безопасность в лаборатории
В данной лаборатории электропитание осуществляется от
трехфазной четырехпроводной сети с глухозаземленной нейтралью переменным
напряжением 220/380 В, и частотой 50 Гц. В помещение электроэнергия поступает
при питании ЭВМ, печатающих устройств и электрического освещения. Данное
помещение относится к категории без повышенной опасности: сухое (относительная
влажность меньше 75%), пол не токопроводящий, температура в помещении не
превышает 30 °С.
Для защиты человека от поражения электрическим током следует
предусматривать: электрическое разделение сетей, зануление, двойную изоляцию,
защитное отключение, относительно НПАОП 40.1-1.32-01.
Согласно НПАОП 40.1-1.32-01, установлен распределительный
щит, в состав которого входит автомат отключения в случае короткого замыкания в
сети. Проходящая вдоль всего помещения шина подключена к нулевому проводу сети.
Вся имеющаяся оргтехника и компьютеры подключены к шине. В качестве
профилактических мер проводятся инструктажи со всеми работниками лаборатории.
Требования инструктажа излагаются в соответствии с последовательностью
технологического процесса и с учетом условий, в которых выполняется данный вид
работ [9].
Инструктаж должен содержать следующие разделы:
общие положения;
требования безопасности перед началом работы;
требования безопасности во время выполнения работы;
требования безопасности по окончании работы;
требования безопасности в аварийных ситуациях.
4.3
Производственная санитария в лаборатории
В лаборатории источниками шума являются: непосредственно ЭВМ,
печатающие устройства, кондиционеры, разговорная речь, шум вне рабочей зоны.
Для обеспечения нормальной работы обслуживающего персонала уровень шума для
лаборатории определен требованиями ДСН 3.3.6.037-99 и должен составлять не
более 50 дБА. Фактический уровень шума по шкале А составляет примерно 40 дБА,
что не превышает допустимого значения.
Освещение рабочих мест в помещении лаборатории спланировано
так, чтобы свет не падал прямо в глаза, отсутствовали мерцающие тени,
"мигание" люминесцентных ламп, яркость была распределена равномерно.
Помещения для работы с визуальными дисплейными терминалами
электронно-вычислительных машин должны иметь естественное и искусственное
освещение согласно ДБН В.2.5-28-2006. Освещенность на поверхности рабочего
стола в зоне размещения документов должно составлять 300-500 лк. Если эти
значения освещенности невозможно обеспечить системой общего освещения,
допускается использовать местное освещение.
Уровень общего искусственного освещения в помещении можно
проверить с помощью метода удельной мощности [10].
Расчетная формула метода
, (4.1)
где
- удельная мощность, Вт/м2;
- площадь помещения, м2;
- общая мощность осветительной установки Вт, которая
рассчитывается по формуле
, (4.2)
где
- мощность одного светильника, Вт;
- количество светильников в помещении.
Освещение лаборатории выполнено с помощью четырёхламповых
растровых люминесцентных светильников ЛПО 06-4х20-001 мощностью 80Вт,
количество светильников равно 6. Подставляем в формулу 4.2 и получаем общую
мощность
Вт.
Рассчитываем удельную мощность по формуле 4.1
Вт/м2.
По таблице Б.3 [10], удельной мощности 11,4 Вт/м2, и
площади помещения 52,5 м2 соответствует значение освещенности 300
лк, что удовлетворяет требованию ДСанПиН 3.3.2-007-98.
4.4 Пожарная
безопасность лаборатории
Согласно НАПБ Б.03-002-2007 помещение лаборатории относится к
категории пожарной опасности В.
Согласно ДБН В.1.1-7-2002 здание относится к ІІ-ой степени
огнестойкости.
Все элементы электронных устройств должны работать в
допустимом режиме нагрузки, так как при ее повышении может начинаться их
разогрев. Так, например, недопустимо подключать к источнику питания нагрузку
большей мощности, чем предусмотрено [11].
Согласно НАПБ Б.03.001-2004 лаборатория обеспечивается
огнетушителями типа ВВК-1,4 в количестве двух.
В лаборатории смонтированы автоматические извещатели типа РИД
- 1 с радиоизотопной установкой охранно-пожарной сигнализации типа РУОП - 1.
Для помещения лаборатории достаточно 4 пожарных извещателя согласно НАПБ
1.4.32-2.73-87.
Организационно-техническими мероприятиями по обеспечению
пожарной безопасности являются:
организация обучения работающих правилам пожарной
безопасности на производстве;
инструкция о соблюдении противопожарного режима и действия
людей при возникновении пожара;
изготовление и применение средств наглядной агитации по
обеспечению пожарной безопасности.
Выводы
Промышленный робот - это автономное устройство <http://ru.wikipedia.org/wiki/%D0%A3%D1%81%D1%82%D1%80%D0%BE%D0%B9%D1%81%D1%82%D0%B2%D0%BE>,
состоящее из механического манипулятора
<http://ru.wikipedia.org/wiki/%D0%9C%D0%B0%D0%BD%D0%B8%D0%BF%D1%83%D0%BB%D1%8F%D1%82%D0%BE%D1%80_(%D0%BC%D0%B5%D1%85%D0%B0%D0%BD%D0%B8%D0%B7%D0%BC)>
и системы управления <http://ru.wikipedia.org/wiki/%D0%A7%D0%9F%D0%A3>,
которое применяется для перемещения объектов в пространстве и для выполнения
различных производственных процессов. Манипулятор - механизм <http://ru.wikipedia.org/wiki/%D0%9C%D0%B5%D1%85%D0%B0%D0%BD%D0%B8%D0%B7%D0%BC>
для управления пространственным положением орудий, объектов труда и
конструкционных узлов и элементов. Его движение осуществляется за счет привода.
В свою очередь привод машины - это механизм, приводящие в движение механический
модуль. Который служит для снижения угловых скоростей ведомого вала с целью
повышения крутящего момента и обеспечения необходимой скорости на выходе.
Существуют комбинированные приводы, в которых механический модуль компонуют с вариатором,
механический модуль используют в транспортных, грузоподъемных, обрабатывающих и
др. машинах.
В ходе разработки привода локтевого сустава руки робота был
проведен анализ существующих промышленных роботов - манипуляторов, также анализ
элементов конструкции привода, проанализированы исходные данные и проведены
расчеты конструкции привода на показатели технических характеристик его
параметров.
Проведя анализ элементов конструкции привода и ознакомившись со
всеми преимуществами и недостатками зубчатых передач, в приводе применяем
червячную передачу с однозаходным архимедовым червяком и две пары прямозубых
цилиндрических. Преимущество такого сочетания является возможность получения
больших передаточных чисел, снижение угловой скорости ведущего вала с целью
повышения крутящего момента, высокая плавность движения, бесшумность работы и
возможность точных делительных перемещений. Однозаходной червь - это червь, у
которого в торце начинается одна винтовая линия. Червь такого типа обладает
самотормозящим эффектом и позволяет значительно уменьшить габаритные размеры
конструкции, так как отпадает необходимость во включении в нее дополнительных
тормозящих элементов, а также уменьшает погрешность всего механизма.
Исследуемый привод робота соответствует техническим требованиям.
После анализа конструкции привода локтевого сустава руки робота и
его расчетах был разработан чертеж привода с помощью программного обеспечения KOMPAS-3D
V13.
Перечень
ссылок
1.
Методичні
вказівки до підготовки випускної кваліфікаційної роботи бакалавра для студентів
усіх форм навчання напрямку підготовки 6.050202 "Автоматизація та
комп’ютерно-інтегровані технології" / Упоряд.: І.Ш. Невлюдов, О.В.
Токарєва, Р.І. Цехмістро. - Харків: ХНУРЕ, - 2011. - 42 с.
2. Промышленные
роботы и манипуляторы. [Электронный ресурс] / Режим доступа: http://tmm-umk.
bmstu.ru/lectures/lect_19. htm
<http://tmm-umk.bmstu.ru/lectures/lect_19.htm>.
. Харламов А.И.
Нейрокомпьютеры и их применение [Текст] К.20 Интегральный робот. Научная серия:
- Санкт-Петербург, Радиотехника, 2006 г. - 144 с.
. Актуальная
информация о роботах и технологиях. [Электронный ресурс] / Режим доступа:
<http://www.vseroboti.ru/>.
. Детали и
механизмы роботов / Под редакцией доктора технических наук, профессора
Симотокина Б.Б. - К.: Вища школа, 1990. - 342 с.
. Конструирование
механизмов радиоэлектронной аппаратуры / Рощин Г.И. - Москва "высшая школа" 1981г. - 358 c.
. Справочное
пособие "Детали и узлы малогабаритных редукторов" Р.В. Мосягин, Б.И.
Павлов. - Ленинград " Машиностроение ” 1967 г. - 147с.
8. Методичні вказівки до виконання розділу "Охорона
праці" у випускних роботах ОКР "бакалавр" усіх форм навчання /
Упоряд.: Б.В. Дзюндзюк, В.А. Айвазов, Т. Є. Стиценко. - Х: ХНУРЕ, 2012. - 28 с.
. Ефремова, О.С. Сборник инструкций по охране труда. Часть 2
[Текст] /
О.С. Ефремова - Санкт-Петербург, Альфа-Пресс, 2008 г. - 384 с.
. Репин, Ю.В. Безопасность и защита человека в чрезвычайных
ситуациях [Текст] / Ю.В. Репин - Москва, Дрофа, 2005 г. - 192 с.
. Раздорожный А. А Охрана труда и производственная
безопасность Текст] / А.А. Раздорожный - Санкт-Петербург, Экзамен, 2007 г. - 512 с.