Проектирование редуктора

  • Вид работы:
    Курсовая работа (т)
  • Предмет:
    Другое
  • Язык:
    Русский
    ,
    Формат файла:
    MS Word
    1,21 Мб
  • Опубликовано:
    2014-12-24
Вы можете узнать стоимость помощи в написании студенческой работы.
Помощь в написании работы, которую точно примут!

Проектирование редуктора

Содержание

1. Исходные данные

. Определение основных кинематических и энергетических параметров редуктора

.1 Выбор электродвигателя

.2 Определение передаточного числа редуктора и разбивка его между ступенями редуктора

.3 Определение частот вращения зубчатых колес и моментов на валах редуктора

. Расчет зубчатых колес

.1 Выбор материала и способов упрочнения зубьев колес

.2 Допускаемые контактные напряжения

.3 Допускаемые изгибные напряжения

.4 Проектировочный расчет тихоходной передачи

.5 Проверка зубьев тихоходной передачи на выносливость по контактным напряжениям

.6 Проверка зубьев колес тихоходной передачи по напряжениям изгиба

.7 Проектировочный расчет быстроходной передачи

. Разработка эскизного проекта

.1 Диаметры валов и выбор подшипников

.2 Подбор шпоночных соединений

.3 Конструкция элементов зубчатых колес

.4 Смазывание трущихся поверхностей редуктора и выбор уплотнений

.5 Компоновка редуктора

. Проверочный расчет промежуточного вала

.1 Определение реакций в опорах и построение изгибающих моментов

.2 Проверка на статическую прочность

. Расчет подшипников на долговечность

. Описание конструкции

Список литературы

1. Исходные данные

Исходными данными для курсового проектирования редуктора являются:

а) схема редуктора показана на рис. 1.1;

б) вращающий момент на выходном конце тихоходного вала ТТ=600 Н·м;

в) частота вращения тихоходного вала nТ=100 мин-1;

г) длительность работы под нагрузкой Lh=10000 ч;

д) режим нагружения рис. 1.2.

Рисунок 1.1 - Кинематическая схема редуктора

Рисунок 1.2 - Режим нагружения

2. Определение основных кинематических и энергетических параметров редуктора

2.1 Выбор электродвигателя

редуктор электродвигатель зубчатый колесо

Для выбора электродвигателя определяют его требуемую мощность и частоту вращения.

Потребляемую мощность (кВт) на выходном валу редуктора по крутящему моменту ТТ (Н·м) и частоте вращения nТ (мин-1) определяют по формуле:

 (2.1)

Тогда требуемая мощность (кВт) электродвигателя:

 (2.2)

где  - КПД редуктора.

Коэффициент полезного действия двухступенчатого редуктора определяют с учетом потерь в отдельных парах кинематической цепи:

 (2.3)

Здесь  - КПД зубчатой передачи,  - КПД пары подшипников,  - КПД муфты /2/.

Требуемую мощность определяют по формуле (2.2):

Требуемая частота электродвигателя:

б(2.4)

где  - передаточное число редуктора,

 - частота вращения быстроходного (входного) вала редуктора.

Для двухступенчатого цилиндрического редуктора примем  и вычислим предварительную частоту вращения вала электродвигателя:

 (2.5)

Подбираем электродвигатель /2, таблица 24.8/ с мощностью  и частотой вращения  близкой к . Выбираем асинхронный двигатель серии АИР 132S4/1440 мощностью , синхронной частотой вращения  и асинхронной частотой вращения вала электродвигателя .

2.2 Определение передаточного числа редуктора и разбивка его между ступенями редуктора


После выбора двигателя становятся известны его мощность  и частота вращения  при номинальной нагрузке.

Передаточное число редуктора:

 (2.6)

Передаточное число  тихоходной и  быстроходной ступеней редуктора определяют, из соотношения /2, стр. 9, табл. 1.3/:

 (2.7)


Фактическое передаточное число:

 (2.8)

Отклонение фактического передаточного числа  от значения , полученного по формуле (2.8), не должно превышать 4%, т.е.

 (2.9)

 

.3 Определение частот вращения зубчатых колес и моментов на валах редуктора


Частота вращения шестерни быстроходной ступени:


Частота вращения колеса быстроходной ступени:


Частота вращения шестерни тихоходной ступени:


Частота вращения колеса тихоходной ступени:


Момент на валу колеса тихоходной ступени редуктора:


Момент на валу колеса быстроходной ступени (на валу шестерни тихоходной ступени):


Момент на валу шестерни быстроходной ступени:


3. Расчет зубчатых колес

.1 Выбор материала и способов упрочнения зубьев колес

Для зубчатых колес проектируемого редуктора принят материал 40ХН (одинаковый для всех колес), в качестве технологического упрочнения активной поверхности зубьев применяют улучшение и закалку ТВЧ. При этом твердость сердцевины зубьев шестерни и колеса принимает значение 269…302 HB, твердость поверхности зубьев 48…52 HRC /2/.

 

.2 Допускаемые контактные напряжения


Расчет допускаемых контактных напряжений при проектировочном расчете ведется по формуле:

 (3.1)

Наименование параметров уравнения (3.1) и рекомендации по определению их значений:)  - предел контактной выносливости, соответствующий базовому числу циклов напряжений, исходя из способа упрочнения поверхности принимаем:


б)  - минимальный коэффициент запаса прочности;  (для зубчатых колес с поверхностным упрочнением) /1/

 (3.2)

где  - базовое число циклов перемены напряжений, соответствующее пределу выносливости, определяют по средней твердости поверхностей зубьев /1/:


Эквивалентное число циклов перемены напряжений NHE при ступенчатой циклограмме нагружения (рис.1.2) определяют по формуле:

 (3.3)

Для шестерни тихоходной передачи:

Для колеса тихоходной передачи:

Для шестерни быстроходной передачи:

Для колеса быстроходной передачи:

По формуле (3.2) находим коэффициент долговечности.

Для колеса тихоходной передачи:

Так как  то принимаем:

Из (3.1) найдем допускаемые контактные напряжения.

Для шестерни тихоходной передачи:

Для колеса тихоходной передачи:

Для шестерни быстроходной передачи:

Для колеса быстроходной передачи:

За допускаемое контактное напряжение принимается меньшее из значений допускаемых напряжений, т.е. .

.3 Допускаемые изгибные напряжения

Допускаемые напряжения изгиба для шестерен и колес при проектировочном расчете определяют по формуле:

 (3.4)

Наименование параметров уравнения (3.4) и определение их значений:

а) предел выносливости зубьев при изгибе /2/:

б) SF -коэффициент запаса прочности;  для зубчатых колес с поверхностным упрочнением /1/;

в) коэффициент долговечности  определяют по формуле:

 (3.5)

где  - базовое число циклов напряжений;

 - эквивалентное число циклов напряжений. При ступенчатой циклограмме нагружения (рис. 1.2):

 (3.6)

где  для закаленных и поверхностно упрочненных зубьев /1/.

Для шестерни тихоходной передачи:

Для колеса тихоходной передачи:

Для шестерни быстроходной передачи:

Для колеса быстроходной передачи:

Так как , то принимаем:

По формуле находим допускаемое напряжение изгиба:

3.4 Проектировочный расчет тихоходной передачи


С целью получения оптимальных размеров передачи целесообразно прежде всего определить межосевое расстояние a и модуль mТ.

Определение межосевого расстояния

Значение межосевого расстояния:

 (3.7)

где  - для прямозубых колес;  - коэффициент ширины шестерни относительно межосевого расстояния /1/; ;  - коэффициент, учитывающий неравномерность распределения нагрузки по ширине зубчатых колес принимают в зависимости от коэффициента:

 (3.8)

Принимаем  /3/.

По формуле (3.7) определим межосевое расстояние:

Вычисленное значение межосевого расстояния округляют до ближайшего числа, кратного пяти. Принимаем .

Назначение модуля передачи

Максимально допустимый модуль , мм определяют из условия неподрезания зубьев у основания

 (3.9)

Минимально допустимый модуль , мм определяют из условия прочности:

 (3.10)

где  для прямозубых передач; ; ;  - рабочая ширина зубчатого колеса, которую рассчитывают по формуле:


Минимально допустимый модуль определим по формуле (3.10):

Из полученного диапазона  модулей принимают стандартное значение m. Принимаем  /1/.

Определение числа зубьев шестерни и колеса

Суммарное число зубьев:

 (3.11)

Число зубьев шестерни:

 (3.12)

Значение  округляют в ближайшую сторону до целого числа. Принимаем .

Число зубьев колеса:


Уточнение передаточного числа

Фактическое передаточное число:


Отклонение фактического передаточного числа от номинального не должно превышать 3%, т.е.

 

Межосевое расстояние:

 (3.13)

Делительные и начальные диаметры:

 (3.14)

 (3.15)

Диаметр вершин зубьев:

 (3.16)

 (3.17)

Диаметр впадин зубьев:

 (3.18)

 (3.19)

Ширина зубчатого венца колеса:

 (3.20)

Принимаем  /2/.

Ширина зубчатого венца шестерни:

 (3.21)

Принимаем .

Коэффициент торцевого перекрытия для цилиндрических передач:

 (3.22)

Окружная скорость вращения тихоходной передачи:

 (3.23)

В зависимости от окружной скорости назначаем степень точности 9 /2/.

Определение сил в зацеплении

Окружная сила:

 (3.24)

Радиальная сила:

 (3.25)

 

.5 Проверка зубьев тихоходной передачи на выносливость по контактным напряжениям


Расчетное значение контактного напряжения:

 (3.26)

Коэффициент , учитывающий механические свойства сопряженных зубчатых колес; для стальных колес

Коэффициент , учитывающий форму сопряженных поверхностей зубьев; при .

Коэффициент , учитывающий суммарную длину контактных линий; для прямозубых передач:

 (3.27)

Коэффициент  нагрузки между зубьями .

Коэффициент , учитывающий неравномерность распределения нагрузки по длине контактных линий;  /3/.

Коэффициент , учитывающий внутреннюю динамику нагружения;  /2/.

Полученные параметры подставляем в формулу (3.13):



т.к. расчетное значение меньше допускаемого на 14,5%, то ранее принятые параметры передачи принимаем за окончательные.

3.6 Проверка зубьев колес тихоходной передачи по напряжениям изгиба


Расчетное напряжение изгиба в зубьях шестерни:

 (3.28)

Расчетное напряжение изгиба в зубьях колеса:

 (3.29)

Коэффициент , учитывающий распределение нагрузки между зубьями;  /2/.

Коэффициент , учитывающий внутреннюю динамическую нагрузку;  /2/.

Коэффициент , учитывающий неравномерность распределения нагрузки по длине контактных линий /2/:

Коэффициент , учитывающего форму зуба и концентрацию напряжений;

Напряжение изгиба в зубьях шестерни:

Напряжение изгиба в зубьях колеса:

Учитывая выше вычисленные напряжения, сравним расчетные напряжения изгиба с допускаемыми:

На основании этого можно сделать вывод о том, что тихоходная передача удовлетворяет условиям прочности.

3.7 Проектировочный расчет быстроходной передачи


Определение межосевого расстояния

Для двухступенчатого редуктора, выполняемого по развёрнутой схеме (рис. 1.1):

 (3.30)

Примем .

Коэффициент ширины зубчатых колес определяют по формуле:

 (3.31)

где ; ;

Коэффициент ширины зубчатых колес :

Коэффициент ширины:

 

Назначение модуля передачи

Максимальное значение модуля определяют из условия неподрезания зубьев у основания:


Минимальное значение модуля определяют из условия прочности:


где  - для прямозубых передач;


Минимальное значение модуля:

Из полученного диапазона  модулей принимают стандартное значение m. Принимаем  /1/.

Определение числа зубьев шестерни и колеса

Суммарное число зубьев:


Число зубьев шестерни:


Принимаем .

Число зубьев колеса:

 

Уточнение передаточного числа

Фактическое передаточное число:


Отклонение фактического передаточного числа от номинального не должно превышать 3%, т.е.

 

Определение основных геометрических размеров шестерни и колеса

Межосевое расстояние:


Делительные и начальные диаметры шестерни и колеса:


Диаметр вершин зубьев:


Диаметр впадин зубьев:


Ширина зубчатого венца колеса:


Принимаем  /2/.

Ширина зубчатого венца шестерни:


Принимаем .

Коэффициент торцевого перекрытия:


Окружная скорость вращения быстроходной передачи:


В зависимости от окружной скорости назначаем степень точности 8 /2/.

Определение сил в зацеплении

Окружная сила:


Радиальная сила:


4. Разработка эскизного проекта

При эскизном проектировании определяют расположение деталей передач, расстояние между ними, ориентировочные диаметры ступеней валов, выбирают типы подшипников и схемы их установки.

4.1 Диаметры валов и выбор подшипников


Для быстроходного (входного) вала:


принимаем по ГОСТ 12080-66 ;


принимаем  /2/;


принимаем  /2/.

По ГОСТ 8338-75 выбираем для быстроходного вала подшипник 207.

Параметры этого подшипника приведены в таблице 4.1.

Для промежуточного вала:


принимаем  /2/;


принимаем  /2/;


принимаем  /2/;


принимаем  /2/.

По ГОСТ 8338-75 выбираем для промежуточного вала подшипник 207.

Параметры этого подшипника приведены в таблице 4.1.

Для тихоходного вала:


принимаем по ГОСТ 12080-66 ;


принимаем  /2/;


принимаем  /2/;


принимаем  /2/.

По ГОСТ 8338-75 выбираем для тихоходного вала подшипник 211.

Параметры этого подшипника приведены в таблице 4.1.

Таблица 4.1 - Параметры подшипников

Обозначение подшипника

, мм

D, мм

B, мм

R, мм

, кН

, кН

207

35

72

17

2

25,5

13,7

211

50

90

20

2

35,1

19,8

 

.2 Подбор шпоночных соединений


Подбор шпонки для соединения промежуточного вала и ступицы колеса быстроходной передачи:

Для  по ГОСТ 23360-78: ширина шпонки b=10 мм, высота шпонки h=8 мм; глубина паза вала t1=5 мм, .

Рабочую длину шпонки рассчитывают по формуле:


Длина шпонки:


Из ряда длин призматических шпонок выбираем длину l=36 мм.

Окончательно принимаем: «Шпонка 10х8х36 ГОСТ 23360-78».



Принимаем значение .

Подбор шпонки для соединения тихоходного вала и ступицы колеса тихоходной передачи:

Для  по ГОСТ 23360-78: ширина шпонки b=16 мм, высота шпонки h=10 мм; глубина паза вала t1=6 мм, .

Рассчитаем рабочую длину шпонки по формуле:


Длина шпонки:


Из ряда длин призматических шпонок выбираем длину l=56 мм.

Окончательно принимаем: «Шпонка 16х10х56 ГОСТ 23360-78».

Длина ступицы тихоходной передачи:


Принимаем значение .

Подбор шпонки для выходного конца быстроходного вала:

Для  по ГОСТ 23360-78: средний диаметр , ширина шпонки b=5 мм, высота шпонки h=5 мм; глубина паза вала t1=3 мм.

Рабочую длину шпонки рассчитывают по формуле:


Длина шпонки:


Из ряда длин призматических шпонок выбираем длину l=18 мм.

Окончательно принимаем: шпонка 5х5х18 ГОСТ 23360-78.

Длину конического конца быстроходного вала выбираем из ГОСТ12080-66 .

Подбор шпонки для выходного конца тихоходного вала:

Для  по ГОСТ 23360-78: средний диаметр , ширина шпонки b=12 мм, высота шпонки h=8 мм; глубина паза вала t1=5 мм, .

Рабочую длину шпонки определяют по формуле:


Длина шпонки:


Из ряда длин призматических шпонок выбираем длину l=80 мм.

Окончательно принимаем: шпонка 12х8х80 ГОСТ 23360-78.

Длину цилиндрического конца тихоходного вала выбираем из ГОСТ12080-66 .

 

4.3 Конструкция элементов зубчатых колес


Основными конструктивными размерами цилиндрических зубчатых колес являются наружный диаметр  и ширина колеса b.

Шестерни изготавливаются как одно целое с валом (вал-шестерня), что увеличивает жесткость вала. Съемные зубчатые колеса, для снижения массы, делают с более тонким диском и облегченным ободом.

Конструкция зубчатого колеса тихоходного вала:

Размеры зубчатого колеса округляют до нормальных линейных размеров по ГОСТ 6636 - 69 /2/.

Длина ступицы .

Диаметр ступицы:


Принимаем .

Диаметр обода:


Принимаем .

Диаметр расположения отверстий:


Диаметр отверстия:


Толщина диска колеса:


Принимаем с=15 мм

R=5 мм.


f=2,5 мм.

Конструкция зубчатого колеса промежуточного вала:

Длина ступицы .

Диаметр ступицы:


Принимаем .

Диаметр обода:


Принимаем .

Диаметр расположения отверстий:


Принимаем .

Диаметр отверстия:


Принимаем .

Толщина диска колеса:


Принимаем с=10 мм

R=5 мм. f=2 мм.


.4 Смазывание трущихся поверхностей редуктора и выбор уплотнений

В данном редукторе используется картерная система смазки. Корпус является резервуаром для масла. В корпус редуктора заливают масло, так чтобы венцы колес были в него погружены. Колеса при вращении увлекают масло, разбрызгивая его внутри корпуса. Масло попадает на внутренние стенки корпуса, откуда стекает в нижнюю его часть. Внутри корпуса образуется взвесь частиц масла в воздухе, которая покрывает поверхность расположенных внутри корпуса деталей. Для контроля уровня масла используется маслоуказатель.

В зависимости от окружной скорости колеса и контактных напряжений, смотрят вязкость смазывающей жидкости, а по вязкости назначают сорт масла.

При  и . Назначаем масло: И-Г-А-68 /2/. Глубина погружения колеса , так как , то принимаем .

Для защиты от загрязнения извне и для предупреждения вытекания смазочного материала подшипниковые узлы снабжают уплотняющими устройствами - манжетными уплотнениями, которые обладают высокой надежностью и хорошими уплотняющими свойствами: для крышки подшипника быстроходного вала - «Манжета 1-35х50 ГОСТ 8752-79», тихоходного вала - «Манжета 1-50х70 ГОСТ 8752-79».

4.5 Компоновка редуктора


Таблица 4.2 - Параметры подшипников

Параметр

Ориентировочное значение

Толщина стенки корпуса редуктора

 Принимаем

Толщина стенки крышки редуктора

 Принимаем

Толщина нижнего фланца корпуса

 Принимаем

Толщина верхнего фланца корпуса

 Принимаем

Толщина фланца крышки редуктора

 Принимаем

Диаметр фундаментных болтов

 Принимаем

Число фундаментных болтов

Диаметр болтов, стягивающих корпус и крышку у бобышек

 Принимаем

Диаметр болтов, стягивающих фланцы корпуса и крышки

 Принимаем

Диаметр штифтов для фиксации положения крышки относительно корпуса

 Принимаем

Ширина нижнего фланца корпуса

Ширина фланца корпуса и крышки (у подшипников)

Ширина фланца корпуса и крышки (по периметру)

Ширина опорной поверхности нижнего фланца корпуса

Толщина ребер корпуса

 Принимаем

Минимальный зазор между колесом и крышкой

 Принимаем

Расстояние от колеса до дна корпуса

Минимальный диаметр корпуса вокруг подшипника качения

 


Основные размеры крышек подшипников приведены в таблице 4.3. Для подшипников вала применяют крышки отличающейся конструкции. Выбор конструкции и расчет крышек подшипников и валов выполнялся по рекомендациям методических указаний.

Для замены масла в корпусе предусматривают сливное отверстие, закрываемое пробкой. Размеры пробки приведены в таблице 4.4.

Таблица 4.3 - Основные параметры крышек подшипников

Параметр

Быстроходный вал

Промежуточный вал

Тихоходный вал

D, мм

72

72

90

D1, мм

92

92

110

D2, мм

108

108

126

D3, мм

64

64

84

d5, мм

М8

М8

М10

h1, мм

8

8

10

д2, мм

6

6

7


Таблица 4.4 - Пробка маслосливного отверстия

d, мм

D, мм

L, мм

b, мм

a, мм

S, мм

Kѕ” труб

20,9

15

7,5

4

8


В крышке корпуса предусмотрена отдушина, соединяющая внутренний объем редуктора с внешней атмосферой (суфлер).

5. Проверочный расчет промежуточного вала

5.1 Определение реакций в опорах и построение изгибающих моментов


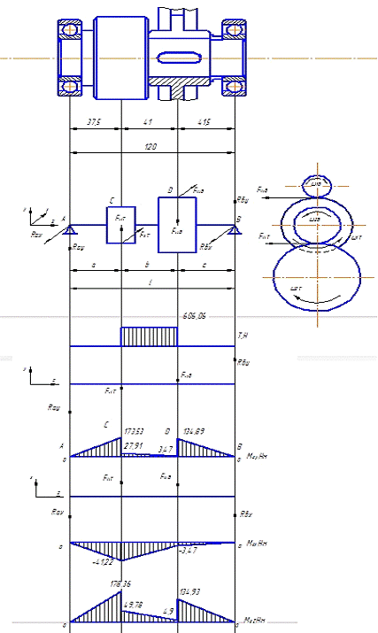
Заменяем конструкцию вала расчетной схемой с обозначением всех активных и реактивных сил, действующих на вал (рисунок 5.1). Из чертежа определяем: a=0,0375 м, b=0,041 м, c=0,0415 м, h=0,0085 м, l=0,12 м. Силы, действующие на вал:

Определяем реакции в опорах и строим эпюры изгибающих моментов MИ в вертикальной YZ и горизонтальной XZ плоскостях.

Реакции в опорах ищем из условия  и .

Определим опорные реакции в горизонтальной плоскости:


Проверка правильности определения реакций:


Определим опорные реакции в вертикальной плоскости:


Проверка правильности определения реакций:


Определение полных реакций в опорах А и В:


Рассчитаем моменты в горизонтальной плоскости:

в точке А:

в точке B:

в точке С справа:


в точке С слева:


в точке D слева:


в точке D справа:


Рассчитаем моменты в вертикальной плоскости:

в точке А:

в точке B:

в точке С:


в точке D:


Определение суммарных изгибающих моментов:

в точке А:

в точке В:

в точке С справа:

в точке С слева:

в точке D слева:

в точке D справа:

Строим эпюры изгибающих моментов (Рисунок 5.1).

Рисунок 5.1 - Эпюры изгибающих моментов

 

5.2 Проверка на статическую прочность


Материал вала сталь 40ХНМА:

Для сечения 1-1:


Определение геометрических характеристик опасных сечений:


Определение действующих напряжений:


Запас прочности:


Значение общего коэффициента запаса прочности в сечении 1-1 , следовательно статическая прочность в сечении 1-1 обеспечена.

Для сечения 2-2:

Определение геометрических характеристик опасных сечений:


Определение действующих напряжений:


Запас прочности:


Значение общего коэффициента запаса прочности в сечении 2-2 , следовательно статическая прочность в сечении 2-2 обеспечена.

6. Расчет подшипников на долговечность

Исходные данные:

1. Частота вращения вала

. F2 =  Н - радиальная нагрузка

. Тип подшипника 207

. Условие работы подшипникового узла. Тип нагрузки - нереверсивная, спокойная, температура подшипникового узла меньше 100°С

. Lh = 10000 ч - требуемый ресурс

Расчет подшипников на долговечность:

1. Расчёт проводим по наиболее нагруженному подшипнику - точка B.

. По каталогу /2, табл. 24.10/, для принятого подшипника, выписываем значения базовых динамической  и статической  радиальных грузоподъемностей:

. Определяем соотношение , где  - осевая нагрузка (для прямозубых цилиндрических колес);

Коэффициент осевого нагружения e=0 при .

Т.к. отношение , то X=1; Y=0.

. Определяем эквивалентную динамическую нагрузку по формуле:

 Н

где V- коэффициент вращения (V=1);

 - коэффициент безопасности, учитывающий характер нагрузки на долговечность подшипника;  - при спокойной нагрузке;

 - коэффициент, учитывающий влияние температуры на долговечность подшипника; .

Для подшипников, работающих при переменных режимах нагружения, задаваемых циклограммой нагрузок (рис. 1.2), определяют приведенную эквивалентную динамическую нагрузку по следующей зависимости:

 

. Определяем расчетную динамическую грузоподъемность:


Оцениваем пригодность намеченного подшипника по условию:

 

7. Описание конструкции


В данном курсовом проекте спроектирован двухступенчатый цилиндрический редуктор по развёрнутой вертикальной схеме.

Редуктор предназначен для передачи 7,5 кВт мощности, обеспечивает на выходе момент 600 Нм при частоте 100 об/мин, при этом ресурс должен быть не менее 10000 часов. Передаточное число редуктора 18.

Корпус выполнен разъемным, состоит из основания, промежуточного корпуса и крышки. Основной корпус, промежуточный корпус и крышку фиксируют относительно друг друга установочными штифтами, без зазора. Крепление корпуса к полу обеспечивается 4-мя болтами М18. Для увеличения жесткости на корпусе предусмотрены ребра жесткости.

Ходовая часть редуктора состоит из входного вала-шестерни, промежуточного вала-шестерни, выходного вала и двух зубчатых колес. Вся ходовая часть выполнена из единого материала- стали 40ХН. Для рабочей поверхности зубьев в качестве поверхностного упрочнения применена термообработка - улучшение и закалка ТВЧ.

Крышки подшипников - накладные. В крышках с отверстием в качестве уплотнителя применяют манжеты.

Система смазывания редуктора - картерная, используется масло  И-Г-А-68. С целью удаления загрязненного масла и для промывки редуктора в нижней части корпуса предусмотрено отверстие под пробку. Для слива масла днище картера выполняют под углом 1-2 о. Для контроля уровня масла применяется круглый указатель.

Основным преимуществом редуктора, выполненного по развёрнутой горизонтальной схеме - технологичность изготовления и малые габариты в вертикальной плоскости.

Недостатки данной схемы - большие габариты в горизонтальной плоскости

Список литературы


1.         Проектирование цилиндрических редукторов. Методические указания к выполнению курсового проекта по дисциплине «Детали машин» / Уфимский государственный авиационный технический университет, Сост.: В.К. Итбаев, Л.Н. Тархов. - Уфа, 2009. - 36с.;

2.      Расчет валов цилиндрических редукторов на статическую и усталостную прочность: Методические указания к курсовому проектированию / Уфимский государственный авиационный технический университет; Сост.: Л.Н. Тархов, В.К. Итбаев, А.В. Зырянов. - Уфа, 2008. - 62с.

.        Дунаев П. Ф., Леликов О. П. Конструирование узлов и деталей машин: учеб. пособие для студ. высш. учеб. заведений - 8-е изд., перераб. и доп. - М.: Издательский центр «Академия»., 2006 - 496 с.

.        Детали машин: Атлас конструкций: Учеб. Пособие для студентов машиностроительных специальностей вузов. В 2-х ч. Ч. 1 / Б.А. Богачев, А.В. Буланже и др.; Под общ ред. д-ра техн. Наук проф. Д.Н. Решетова.-5-е изд., перераб. и доп. М.: Машиностроение, 1992.-352 с: ил.

Похожие работы на - Проектирование редуктора

 

Не нашли материал для своей работы?
Поможем написать уникальную работу
Без плагиата!
Без нейросетей!