Прикладная механика
1. Задание на расчётно-графическую работу
Для заданного механизма требуется сделать и
определить:
. Вычертить кинематическую схему
механизма в масштабе для заданного угла ц и положения кривошипа
. Привести характеристику всех
кинематических пар;
. Определить степень подвижности
механизма;
. Выделить структурные группы Ассура и
определить их класс, порядок. Определить класс механизма;
. Определить линейные скорости и
ускорения точек механизма, угловые скорости и ускорения его звеньев
графоаналитическим методом и указать их направления на плане механизма;
. Выполнить кинетостатический расчет
механизма.
механика кинетостатический
графоаналитический кривошип
Исходные данные:
Ведущее звено - кривошип ОА вращается равномерно
с угловой скоростью щ1.
ц = 1500
щ1 = 30 (1/с)
М = 2,2 Н*м
m2
= 4.0 кг
m3
= 3,8 кг
lОА
= 50 мм,
lАВ
= 225 мм,
lВС
= 220 мм ,
lBD=
50 мм.
хс = lАВ
+ 0,5* lОА
= 225 + 50 = 250 мм
уС = lВС
= 220 мм
Центры масс S
звеньев расположены на середины длины звеньев;
Момент инерции звена Ji
относительно центра масс определяют по формуле
Ji
= 0,29 mi
Решение.
. По исходным данным вычерчиваем схему
механизма в масштабе М 1:1, т. е в 1 мм находится 0,001 м
Для построения плана механизма в прямоугольной
декартовой системе координат ХОУ (кинематическая пара О совпадает с системой
координат) находим положение шарнира С.
Точка А движется по круговой траектории радиуса
ОА = lОА
= 50 мм относительно точки О и её положение определяется углом ц = 1500.
Точка В движется по круговой траектории радиуса CВ
= lВС
= 220
мм относительно точки С. Для нахождения положения точки В раствором циркуля
длиной lАВ
= 225
мм, с центром в точке А делаем засечку на траектории движения точки В. точка D
находится на продолжении звена 3 и ее положение характеризуется длиной lBD=
50
мм. соединяем отмеченные точки линиями, получаем схему механизма в заданном
положении.
Рис. 1. Схема механизма
. Структурное исследование механизма
Согласно принципу образования механизмов,
сформулированному русским учёным Л.В. Ассуром, любой плоский рычажный механизм
может быть составлен последовательным присоединением к основному механизму
групп Ассура. Группу Ассура образуют звенья, соединенные между собой низшими
кинематическими парами и имеющие нулевую степень подвижности.
Количество ведущих звеньев механизма
соответствует степени под-
вижности W
механизма, которая может быть вычислена по формуле
П.Л. Чебышева
W = 3 n
- 2 p5
- p4,
(2.1)
где n
- число подвижных звеньев механизма;
p5
- число низших кинематических пар (пар 5-го класса);
p4
- число высших кинематических пар (пар 4-го класса).
Исследуемый механизм имеет: число подвижных
звеньев n = 3 (на схеме механизма все подвижные звенья пронумерованы от 1 до 3,
а неподвижное звено (стойка) имеет номер 4); число низших кинематических пар p5
= 4. Высших кинематических пар в данном механизме нет. Следовательно, степень
подвижности его равна: = 3 ⋅ 3 - 2 ⋅
4 - 0 = 1.
Это означает, что в рассматриваемой
кинематической цепи достаточно задать движение только одному звену (в данном случае
звену 1, которое является ведущим), чтобы движение всех остальных звеньев было
бы вполне определённым.
Произведём разложение механизма на группы
Ассура. Правильно
выполнить эту операцию очень важно, так как это
определяет дальнейшее исследование механизма.
Выделение групп Ассура обычно осуществляется
методом попыток и его следует начинать с последней, наиболее удаленной от
ведущего
звена и наиболее простой группы. Простейшая
группа Ассура представляет собой сочетание двух звеньев и трёх кинематических
пар.
Для данного механизма такой группой является
комбинация звеньев 2, 3 и трёх вращательных кинематических пар А, В, С.
Действительно, оставшаяся часть механизма - ведущее звено ОА, соединенное со
стойкой, имеет степень подвижности W = 1. Группа звеньев 2 - 3 является группой
Ассура второго порядка первого вида, у которой все три кинематические пары
являются вращательными.
На рисунке 1 показан механизм, разложенный на
группы Ассура (при разложении обязательно соблюдаем взаимное расположение
звеньев).
Класс и порядок механизма определяется классом и
порядком наиболее сложной группы Ассура, входящей в механизм. На основании
проведённого исследования можно заключить, что данный механизм является
механизмом первого класса, второго порядка.
Рис. 2. Mеханизм,
разложенный на группы Ассура
Кинематическое исследование
механизма
Кинематическое исследование механизма начинают с
ведущего звена и далее для каждой структурной группы в порядке их
присоединения.
. Определение линейных скоростей точек
звеньев механизма
Точка А кривошипа ОА совершает вращательное
движение, поэтому вектор скорости хA, м/с, точки А направлен
перпендикулярно звену 1 в сторону вращения и численно равен по модулю
хA = щ1⋅
lОА
(2.2)
хA = 30⋅
0,05 = 1,5 м/с
Для определения скорости хB точки В
составляют векторные уравнения, связывающие искомую скорость точки с известными
скоростями точек А, С. Так как точка В принадлежит звену 2, то ее скорость
равна векторной сумме абсолютной скорости хA точки А и скорости хBA
точки В относительно точки А. В то же время точка В принадлежит звену 3 и ее
скорость равна векторной сумме абсолютной скорости хC точки С (хC=
0) и скорости хBC точки В относительно точки С. Следовательно
(2.3)
В этой системе уравнений известны по модулю и
направлению векторы скоростей точек А и С (скорость точки А была определена
выше, а скорость точки С равна 0). Векторы относительных скоростей неизвестны
по величине, но известны по направлению: вектор хBA перпендикулярен
к звену АВ, а вектор хBC перпендикулярен к звену ВС. Таким образом,
система двух векторных уравнений (2.3) содержит четыре неизвестных и может быть
решена графическим методом с помощью построения плана скоростей.
Для построения выбираем на плоскости
произвольную точку Р
- полюс плана
скоростей, которая является началом отсчёта, и откладываем на ней отрезок Рха
, перпендикулярный к звену ОА, в направлении движения точки А. Длина этого
отрезка изображает на плане скоростей вектор скорости хА точки А и
выбирается произвольно. Тогда масштабный коэффициент Kх, м/с/мм ,
плана скоростей можно вычислить:
х
= хА /Рха . (2.4)
Масштаб плана скоростей Kх
показывает, сколько метров в секунду действительной скорости содержится в одном
миллиметре отрезка на чертеже.
В соответствии с первым уравнением системы (2.3)
на плане скоростей через точку а проводим прямую, перпендикулярную к звену 2
механизма (линия вектора хВА ). В соответствии со вторым уравнением
через полюс (точка C совпадает с полюсом) проводим на плане прямую,
перпендикулярно к звену 3 механизма (это линия вектора хВС ). Точка
b пересечения этих двух прямых, является концом вектора Рхb,
изображающего на плане вектор скорости хB и равного ему вектора хBC . Вектор аb
изображает в масштабе относительную скорость хВА.
Для определения действительной величины любого
из полученных векторов достаточно умножить соответствующий отрезок на масштаб
плана скоростей Kх. Тогда
хB
= хВC
= Pхb⋅ Kх; хВА
= аb ⋅
Kх. (2.5)
(2.6)
Действительная величина скорости точки D равна:
хD
= Рхd⋅Kх.
Построение плана скоростей показано на рисунке
2.
Рис. 3.
В итоге получаем: х =
=
0,025
Из построения получаем
ba
=
63 мм
Pхb = 29 мм
Тогда
= 0.025 * 63 =
1,575 м/с
= 0.025 * 29 =
0,725 м/с
=
29
=
35,6 мм
хD
= 0,025 ⋅
35,6 = 0,9 м/с.
Определение угловых скоростей
звеньев механизма
Угловые скорости вращения звеньев определяются
на основе построенного плана скоростей. Модуль угловой скорости второго звена
можно найти по формуле:
щ2 = хВА/lBА
. (2.7)
щ2 =
=
7 с-1
Для определения направления щ2
необходимо мысленно перенести вектор относительной скорости хBA в
точку В механизма. Направление вектора скорости хBA указывает, что
точка В относительно точки А вращается по часовой стрелке.
Аналогично определяем модуль и направление
угловой скорости звена 3:
х BC
= хB
; щ3 = хВС/lСВ . (2.8)
щ3 =
=
3,3 с-1
Направление угловых скоростей показываем на
схеме механизма круговыми стрелками (см. рисунок 2).
Определение ускорений точек звеньев механизма
Определение ускорений точек звеньев механизма
выполняется в той же последовательности, что и определение скоростей.
Первой точкой, ускорение которой надо
определить, является точка А ведущего звена 1.
При вращательном движении звена ускорение любой
точки можно представить в виде векторной суммы двух составляющих: нормальной и
тангенциальной. Поэтому, для определения ускорения точки А напишем векторное
уравнение
(2.9)
Так как звено 1 вращается с постоянной угловой
скоростью
(щ1 = const), то
(2.10)
Следовательно, в этом частном случае полное
ускорение aА точки А определяется только величиной нормального
ускорения anAO , которое по модулю равно:
=
(2.11)
аА =
=
=
=
45 м/с2
оно направлено параллельно звену ОА от точки А к
точке О (центру вращения).
Рассматривая точку В, как принадлежащую
одновременно звеньям 2 и 3, ускорение точки В может быть представлено в виде
суммы двух векторов:
(2.11,a)
Относительные ускорения аBA и аВС
представим в виде суммы двух составляющих - нормальной и тангенциальной. Тогда
(2.11, б)
Величины нормальных составляющих относительных
ускорений
(2.12)
Вектор нормальной составляющей аnBA
направлен вдоль звена АВ от точки В к точке А, а вектор нормальной составляющей
аnВС - вдоль звена ВС от точки В к точке С.
Тангенциальные составляющие ускорений а фBA
и афBC
по абсолютной величине неизвестны, но известны по направлению: они направлены
перпендикулярно к нормальным составляющим.
Таким образом, выражения (2.11,б) представляют
систему двух век-
торных уравнений с четырьмя неизвестными,
которая может быть решена графическим методом с помощью построения плана
ускорений. Для этого выбираем на плоскости произвольную точку Ра -
полюс плана ускорений, которая является началом отсчёта, и откладываем от неё
отрезок Paa параллельно звену ОА в направлении от точки А
к точке О в соответствии со схемой механизма (см. рисунок 1). Длина этого
отрезка изображает на плане вектор aА ускорения точки А и выбирается
произвольно. Тогда масштабный коэффициент плана ускорений Ка, м/с2/мм
будет
Ка = аА / Paa .
(2.13)
Ка = 45 / 90 = 0,5 м/с2/мм
В соответствии с первым уравнением системы
(2.12,б) через точку а плана ускорений проводим прямую, параллельную звену АВ в
направлении от точки В к точке А, и на ней откладываем отрезок an2 ,
мм,
аn2 = a nАВ / Ка,
(2.14)
=
=
=
=
11.025 м/с2
аn2 = 11 / 0.5 = 22 м/с2
величина которого в масштабе соответствует
величине вектора нормальной составляющей ускорения anВА .
Через точку n2 перпендикулярно к
звену АВ (или тоже самое, что перпендикулярно аn2) проводим линию
вектора тангенциальной составляющей aфВА .
В соответствии со вторым уравнением системы
(2.12,б) из полюса Ра (точка С совпадает с полюсом) проводим прямую,
параллельную звену ВС, в направлении от точки В к точке С и откладываем отрезок
Ра n3 = аnВС
/ Ка. (2.15)
=
=
=
=
2.39 м/с2
an3 =
2.39 / 0.5 = 4.78 м/с2
Через точку n3 перпендикулярно звену
ВС проводим линию вектора тангенциальной составляющей ускорения aфВС
. Пересечение двух прямых на плане ускорений, изображающих линии
действия тангенциальных составляющих ускорений,
даёт точку b. Соединяя точку b с полюсом плана ускорения Pa, получим отрезок
Pab, со-
ответствующий на плане ускорений вектору
ускорения точки В механизма. Величину этого ускорения находим с помощью
масштаба:
аВ = Pab ⋅
Ка. (2.16)
аВ = 0.5 ⋅
34 = 17 м/с2
Вектор ab, проведённый из точки а в точку b, на
плане ускорений со-
ответствует масштабному выражению вектора полного
относительного ускорения aВА , абсолютная величина которого равна:
BA=
аb ⋅
Ка. (2.17)
aBA= 63 ⋅
0.5 = 31.5 м/с2
Значения тангенциальных составляющих
относительных ускорений вычисляем по формулам
(2.18)

т. е.
=
(2.19)
= 60
=
13,636
Численная величина абсолютного ускорения точки D
механизма равна
аD = Pad ⋅Kа.
(2.20)
аD = 13,636 ⋅0,5
= 6,8 м/с2
Ускорения as i центров
масс звеньев определяются аналогично с помощью теоремы подобия. Например, в
соответствии с исходными данными центр массы S3 делит отрезок CD
пополам. На плане ускорений точка s3 также будет делить отрезок cd
пополам. Ускорение центра масс аs3, м∙с-2
аs3 = Pas3 ⋅Kа
аs2 = 62 ⋅
0,5 = 31 м/с2
аs3 = 25 ⋅
0,5 = 12,5 м/с2
Рис. 4
Определение угловых ускорений звеньев механизма
Угловое ускорение е2, с-2,
звена 2
е2
= aфBA
/ lAB.
(2.21)
е2
= 21 / 0,05 = 420 с-2
Для определения направления углового ускорения е2,
необходимо
вектор тангенциальной составляющей ускорения aфBA
мысленно перенести в точку В механизма. Направление этого вектора указывает
направление углового ускорения звена 2 против часовой стрелки.
Угловое ускорение звена 3 определяется аналогично
е3
= aфBC
/ lBC
. (2.22)
е3
= 16,5 / 0,22 = 75 с-2
Оно направлено против часовой стрелки (в этом
также легко убедиться, если вектор афBC
перенести в точку В механизма). Направление угловых ускорений для всех звеньев
механизма указывается на схеме механиз-ма круговыми стрелками (см. рисунок 2).
3. Кинетостатический расчет
механизма
Задачи кинетостатики механизмов
Силовой расчет механизма заключается в
определении сил, действующих в кинематических парах, т.е. реакций. Знание этих
сил необходимо для расчета звеньев и кинематических пар на прочность,
определения мощности двигателя, ограничение износа трущихся поверхностей и т.д.
При решении задачи силового расчета закон
движения ведущего звена механизма предполагается известным. Должны быть заданы
также массы, моменты инерции звеньев механизма и внешние нагрузки на механизм
(например, силы производственных сопротивлений). Сила считается заданной, если
известна ее величина, направление и точка приложения.
Если при расчете в число заданных сил не входят
силы инерции звеньев, то расчет называют статическим. Если в расчете в число
заданных сил входят силы инерции звеньев, то такой расчет называют
кинетостатическим. Для обоих случаев метод расчета один и тот же.
Кроме того, в первом приближении силовой расчет
ведется без учета сил трения. Это существенно упрощает задачу, т.к. в этом
случае реакция в кинематической паре будет направлена по нормали к
контактирующим поверхностям. Условимся силу, действующую на звено с номером n
со стороны звена с номером k,
обозначать Rkn
. Так R12
есть реакция со стороны отсоединенного звена 1 на звено 2. Знак момента силы
относительно выбранной точки при записи уравнений равновесия будем считать
положительным, если момент направлен против хода стрелки часов.
Определение сил инерции
В общем случае силы инерции звена i,
совершающего плоскопараллельное движение, могут быть сведены к силе инерции Fи
i, приложенной в
центре масс Si
звена и к паре сил инерции, момент которой равен Mи
i.
Сила Fи
i
может
быть определена из уравнения
Fи i
=
- mi
⋅
asi , (2.23)
где Fиi
- вектор силы инерции звена i,
Н;
mi
- масса звена, кг;
asi
- вектор ускорения центра масс, м/с2.
Таким образом, сила инерции звена Fиi
направлена противоположно вектору ускорения asi
точки Si
и равна по величине Fи
i
=
mi
⋅
aS
i.
Fи 2=
- m2
⋅
as2
= - 4,0 ⋅
31 = - 124 Н
Fи 3 =
- m3
⋅
as3
= - 3,8 ⋅
12,5 = - 47,5 Н
Момент Mи
i,
Н⋅м,
пары сил инерции может быть определен по формуле
Mи i
=
- JS
i
⋅
е i,
(2.24)
где JS
i
-
момент инерции звена относительно оси, проходящей через его центр масс, кг⋅м2;
е i
- угловое ускорение звена, с-2.
Момент Mиi
направлен
противоположно угловому ускорению звена еi.
Jsi
=
Js2
=
=
0.016875 кг⋅м2
Js3
=
=
0,015327 кг⋅м2
Mи 2 =
- 0,,016875⋅ 420 = - 7,0875 Н⋅
м
Mи 3 =
- 0,0155327⋅ 75 = - 1,15 Н⋅
м
Кинетостатика двухповодковой
группы 1 вида
Выделяем группу Ассура из механизма и
прикладываем к звеньям
этой группы заданные силы и моменты. Действие
отброшенных звеньев заменяем реакциями R12
и R43,
которые нужно определить. Направляем реакции пока произвольно и раскладываем каждую
из них на 2 состав-ляющие: нормальную Rn,
направленную вдоль звена и касательную Rф,
направленную перпендикулярно звену (рис. 3 и главный рисунок Приложение 2). Для
нахождения составляющей реакции Rф12
рассмотрим
равновесие звена 2. Составим уравнение равновесия в форме суммы моментов сил
относительно точки В:
∑M
В(2)
=
0; - Rф12
⋅
lАВ
+ G2h1
- Fи2h2
- Mи2
= 0. (2,25)
Значение плеч hi
сил относительно рассматриваемой точки определяется измерением их на плане
структурной группы и подставляется в (2.25 ) с учетом их масштабного
изображения
hi = h
i
⋅
Kl. (2.26)
В нашем случае (Приложение) имеем действительное
значение плеч, т. е. h1
= 110 мм = 0,110 м; h2
= 35 мм = 0,035 м.
Рис. 4.
Значение тангенциальной составляющей Rф12
Rф12
= (Ми2 - G2h1
+ Fи2h2)
/ lАВ.
(2.27)
Rф12
= (-7,0875 - (4*9,8)* 0,11+(-124)*0,035) / 0,225 = - 69,953 Н
G2
= 4*9,8 = 39,2 Н
После определения величины этой силы она
оказалась отрицательной, значит ее направление должно быть изменено на
противоположное.
Аналогично, для нахождения Rф43
рассматриваем равновесие звена 3:
∑M
В(3)
=
0. Rф12 ⋅
lСВ
+ G3h3
- Fи3h4
- Mи3
- М = 0.
Rф34
= (М + Ми3 - G3h3
+ Fи2h4)
/ lСВ
h3
= 32 мм = 0,032 м; h4
= 110 мм = 0,110 м.
Rф34
= (2,2 - 1.15 - (3.8*9,8)* 0,032+ (-47.5)*0,110) / 0,220 = - 24.394 Н
G3
= 3,8*9,8 = 37,24 Н
Затем в произвольно выбранном масштабе сил KF,
Н/мм, строим план сил (рисунок 1 в Приложении 2), для чего запишем уравнение
равновесия группы Ассура
Rф43
= G3
+ Fи3
+ G2
+ Fи2
+ Rф12
+ Rn12
+ Rф43
+ Rn43
= 0. (2.28)
Примечание: на рисунке план сил построен без
учета действительного значения сил, действующих на звенья.
KF
= 1
Rn12
= 185 H
Rn43
= 24.394 H
R12
=
Векторы полных реакций в шарнирах
R12 = Rn12
+ Rф12 ; R43 = Rn43 + Rф43
. (2.29)
Вектор реакции R32
в шарнире В находим из условия равновесия звена 2:
G2
= Fи2
+ R12
+ R32
= 0. (2.30)
Вектор R32
на рисунке 1 Приложения 2 показан красной линией.
Величину реакций получаем умножением
соответствующих векторов на масштаб сил.
R12
= 175 Н
R43
= 35 Н
R32
= 65 Н
Определение момента МУ, приложенного
к ведущему звену и уравно-вешивающего действие всех остальных внешних сил и
моментов, про-изводится из условия равновесия звена 1 (рисунок 2 Приложения 2)
R21h21
Kl - МУ =
0, (2.31)
откуда
МУ = R21h21
Kl.
Величина реакции R21
равна по модулю и направлена противоположно реакции R12.
МУ = 175*2*1 = 350 Н*м
Задание 2
Рассчитать винтовой домкрат грузоподъёмностью F
= 10 кН, при максимальной высоте подъёма Н = 300 мм.
Задан домкрат:
Вид резьбы: прямоугольная;
Материалы:
винт - Сталь 45;
гайка - чугун СЧ 18.
Необходимо:
. Вычертить расчетную схему и построить
эпюры внутренних усилий для винта и гайки;
. Из условия износостойкости резьбы
определить средний диаметр винта, подобрать резьбу (размеры прямоугольной
резьбы определить расчетом и согласовать с ГОСТ 6636-69;
. Проверить винт на устойчивость и на
выполнение условия самоторможения;
. Определить конструктивные размеры
винта, используя эмпирические зависимости;
. Из условия прочности определить размеры
гайки;
. Определить необходимый для подъема
груза вращающий момент;
. Определить размеры рукоятки винта;
. Выполнить рабочие чертежи винта и гайки
в соответствии с требованиями ЕСКД.
Решение:
. Расчетная схема и эпюры внутренних
силовых факторов.
Общая характеристика
Данный домкрат применяется для получения
большого усилия на выходе с использованием небольшого рабочего усилия на входе.
Основным элементом домкрата является передача винт-гайка. Передача винт-гайка
служит для преобразования вращательного движения в поступательное. В силовой
передаче винт-гайка применяется прямоугольная (квадратная) резьба.
Прямоугольная резьба (рис. 1) относится к
резьбам для передачи движений под нагрузкой. Она имеет прямоугольный или
квадратный профиль, диаметр и шаг прямоугольной резьбы измеряют в миллиметрах.
Прямоугольная резьба не стандартизована и
применяется сравнительно редко, так как наряду с преимуществами, заключающимися
в более высоком коэффициенте полезного действия, чем у трапецеидальной резьбы,
она менее прочна и сложнее в производстве. Ее заменяют трапецеидальной - более
удобной в изготовлении.
Рис. 1. Резьба прямоугольная
Винт и гайка должны составлять прочную и
износостойкую пару. Исходя из этого винт, который не подвергается закалке
изготавливается из стали 45, а для изготовления гайки применяется чугун СЧ-18 .
Приведем расчетную схему домкрата:
Рис. 2. Расчетная схема
4. Условие износостойкости
резьбовой пары грузового винта
Из условия износостойкости резьбовой пары
грузового винта
q =
[q]
и введя обозначения:
шH
= НГ / d2 - коэффициент высоты гайки;
шh
= h / р - коэффициент высоты резьбы, определяем средний диаметр резьбы d2,
мм
2
, (2.1)
где
F - расчетная нагрузка на винт (грузоподъемность), Н; 2 - средний
диаметр резьбы, мм; - рабочая высота профиля резьбы; Г - число
витков резьбы в гайке; [q] - допускаемое давление в резьбе, МПа.
Значение
коэффициента высоты гайки назначают в пределах Н = 1,2…2,5; значение
коэффициента высоты резьбы для трапецеидальной и прямоугольной резьб h = 0,5,
для упорной h = 0,75.
Допускаемое
давление назначают в зависимости от материалов резьбовой пары:
для
закаленной стали по бронзе [q] = 10…13 МПа;
для
незакаленной стали по бронзе [q] = 8…10 МПа;
для
незакаленной стали по чугуну [q] = 5…6 МПа;
для
закаленной стали по антифрикционному чугуну [q] = 7…9 МПа;
для
незакаленной стали по антифрикционному чугуну [q] = 6…7 МПа.
Примечание:
размеры для прямоугольной резьбы необходимо согласовать по ГОСТ 6636-69. Для
нестандартной прямоугольной резьбы принимают высоту профиля
резьбы
h
h
= 0,1d2 . (2.2)
Наружный
диаметр
d
= d2 + h . (2.3)
Внутренний
диаметр
Шаг
резьбы
р
= 2h (2.5)
2
= 0,023 м = 23 мм.
выберем
по ряду Ra10 (10) [
ГОСТ 6636-69]2 = 25 мм
h
= 0,1
d
= 25 + 2,5 = 27,5 мм (28 мм)1 = 25 - 2,5 = 22,5 мм (23 мм)
р
= 2
2,5 = 5,0
мм.
5. Проверка на устойчивость и
самоторможение
Высота гайки:
Нг* = шНd2.
(2.6)
Нг* = 2
25
= 50 мм
Из ряда Ra40 ГОСТ 6636-69 принимаем
Нг = 50 мм
Количество витков резьбы в гайке
Zг = Нг / р. (2.7)
Zг = 50/ 5 = 10, т. е. число витков
не превышает 10, следовательно, резьба подходит.
Угол подъема винтовой линии:
Рис. 3. Винтовая линия
г = arc tg [p / (рd2)]. (2.8)
г = arc tg [5 /
(3,14
25)]
= arc tg [0,0637] = 0,06360
Приведенный угол трения :
с′ = arc tg (f
/ cosд),
(2.9)
где д - угол наклона рабочей стороны профиля
резьбы. Для трапецеи-дальной резьбы д=15°; для упорной д=3°; для прямоугольной
д=0°.
Коэффициент трения скольжения f принимаем при
стальном винте и чугунной гайке со смазкой f=0,05…0,15.
с′ = arc tg (0,1 / cos00) = 0,10
Условие самоторможения : г
с′
Оно выполняется, т. е 0,06360
0,10.
Коэффициент полезного действия винта при подъеме
груза:
з = tg г / [tg(г+с′)]. (2.10)
з = tg 0,0636 / [tg(0,1636)]. = 0,0637/0,165 =
0,386 (или 38.6%)
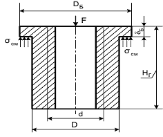
6. Размеры гайки
Рис. 4. Гайка
Из условия прочности при растяжении (сжатии)
ур = 4F / [р(D2-d2)]
≤ [уp]
определяем наружний диаметр гайки D, мм
* ≥
,
(2.11)
где [уp] - допускаемое напряжение при
растяжении (сжатии) для чугунных - [уp]=30…40 МПа. D* ≥
=
0,0335 м = 33,5 мм
выберем по ряду Ra40
[ ГОСТ 6636-69] D = 34 мм
Из условия прочности на смятие
усм = 4F/[р(D2Б-D2)]
≤ [усм]
определяем диаметр бурта гайки DБ, мм
Б*
≥
(2.12)
где [усм] - допускаемое напряжение
смятия. Для чугунных - [усм]= 60…80 МПа. Б* ≥
=
0,0366 м = 36,6 мм
выберем по ряду Ra40
[ ГОСТ 6636-69] DБ = 38 мм
Из условия прочности бурта гайки на срез
фср = F/ рDдБ ≤ [фcp]
находим его толщину дБ, мм
дБ* ≥ F/рD[фcp],
(2.13)
где [фcp] - допускаемое напряжение
среза. Для бронзовых и чугунных гаек [фcp] = 30…50 МПа. дБ*
≥ 10000 / 3,14
0,034
40
= 0,00234 м = 2,34 мм выберем по ряду Ra40
[ ГОСТ 6636-69] дБ = 5 мм
7. Проверка винта на
устойчивость
Момент инерции сечения винта I, мм4
(2.14)
J = (3,14
0,4+0,6
)/64 = 5491,9 мм 4
Радиус инерции винта i, мм
=
,
(2.15)
где А = рd12/4 - площадь
поперечного сечения винта.
А = 3,14
/4
= 415,265 мм2
i =
=
3,637 мм
Гибкость винта л
л = µl / i, (2.16)
где l - длина винта (высота подъема), мм;
µ - коэффициент приведения длины.
Учитывая наличие зазоров между винтом и гайкой,
винт можно рассматривать как двухопорный стержень, закрепленный шарнирно по
концам, тогда µ = 1.
л = 1
/ 3,637 = 82,5
В нашем случае 55 < л < 100, проверку на
устойчивость следует проводить по эмпирической формуле Ф.С. Ясинского
Fkp
=
(2.17)
где а, b - коэффициенты, зависящие от материала
винта (табличные данные).
Fkp
=
=
152425.5 H
Условие Fкр ≥ F выполняется
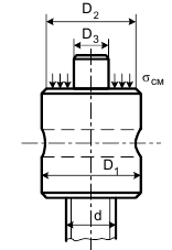
1*
= (1,35…1,50) d
D2* = D1 - (2…5) мм (2.18)
D3* = (0,6…0,7) d
Рис. 5. Расчетная схема головки винта
1*
= 1,4
23
= 32,2 мм (34 мм)2* = 34 - 4 = 30 мм
D3* = 0,6
23
= 13,8 мм (14 мм).
Размеры площади кольцевой поверхности пяты АП,
мм2
АП =
(2.19)
АП =
=
552.64 мм2
Проверка на смятие:
усм = F/ АП ≤ [усм],
(2.20)
где [усм] - допускаемое давление на
кольцевой поверхности пяты винта [усм] = 80…100 МПа.
усм = 10000/ 552,64 = 18,095 ≤
80…100 МПа.
Крутящий момент Т, прилагаемый к винту и
необходимый для подъема груза, равен
Т = Тр + Тп, (2.21)
где Тр - момент трения в резьбе, Н⋅мм;
Тп - момент трения на пяте, Н⋅мм.
Коэффициент трения скольжения f принимают при
стальном винте и чугунной гайке со смазкой f = 0,05…0,15. Тр =
=
=
23 100 Н⋅мм
ТП =
=
1000
= 34 454,55 Н⋅мм
Т = 23 100 + 34 454,55 = 57 554,55 Н⋅мм
Длина рукоятки lр, мм
определяется из условия физических возможностей рабочего на преодоление момента
Т
р*
= Т / [Fp], (2.24)
где [Fp] = 250 Н - усилие, прикладываемое
рабочим.
lр*
= 57 554,55 / 250 = 230 мм = 23 см
Длина рукоятки получается не слишком большой.
Из условия прочности на изгиб
уи = М / Wx ≤ [уи];
(2.25)
М = Т = 57 554,55 ;
= рdp3 / 32 ≈ 0,1dp3
определяем диаметр рукоятки dp, мм
p* =
(2.26)
Допускаемое
напряжение изгиба [уи] = 160…180 МПа. p* =
= 15 мм.
Wx
= 0,1
= 337,5 мм3
уи
= 57554,55 / 337,5 = 17 МПа
160…180 МПа
Литература
1. Иванов, М.Н. Детали машин : учеб.
для машиностроительных специальностей вузов / М.Н. Иванов, В.А. Финогенов. -
10-е изд., испр. - М. : Высш. шк., 2006. - 408 с.
. Решетов, Д.Н. Детали машин : учеб.
для вузов / Д.Н. Решетов. - 4-е изд., перераб. - М. : Машиностроение, 1989. -
496 с.
. Дрыгин, В.В. Единая система
конструкторской документации в курсовом и дипломном проектировании. Оформление
текстовой документации : метод. указания на выполнение курсового и дипломного
проектирования / В.В. Дрыгин, Ю.В. Козерод. - 4-е изд., перераб. - Хабаровск :
Изд-во ДВГУПС, 2002. - 35 с.
. Дрыгин, В.В. Прикладная механика :
учеб. пособие / В.В. Дрыгин; под ред. Ю.В. Даньшина. - Хабаровск : Изд-во
ДВГУПС, 2005. - 156 с.