Привод подачи сверлильно-фрезерно-расточного станка
Введение
На производстве ради увеличения
производительности, точности и чистоты обработки деталей применяются механизмы
с числовым программным управлением, таким, например, является станок 2204ВМФ4.
Вращение шпинделю в таком станке передается от
электродвигателя посредством коробки скоростей. Частоту вращения шпинделя
изменяют путем регулирования частоты вращения электродвигателя и с помощью
коробки скоростей. Направление вращения шпинделя изменяют реверсированием
электродвигателя. Приводами перемещений шпиндельной бабки по оси Y, стойки по
оси Z и стола по оси X служат высокомоментные электродвигатели, соединенные
муфтами с шариковыми винтами.
Основным видом тягового устройства станков с ЧПУ
является передача винт-гайка качения или шарико-винтовая передача. Эта передача
используется в приводах подачи и позиционирования столов, суппортов и других
подвижных узлов станков. Широкое применение передачи обусловлено высоким КПД,
связанным с низкими потерями на трение, незначительным влиянием частоты
вращения винта на силу трения, отсутствием осевого зазора и достаточно высокой
жесткостью.
Задание движения подачи осуществляется с помощью
программы блока ЧПУ. Для написания программы ЧПУ необходимо знать технические
характеристики подачи, такие как максимальное ускорение стола с заготовкой,
максимальная скорость подачи и быстрого хода, максимальная сила подачи стола и
соответствующая ее глубина и скорость резания, которые зависят от настроек
системы автоматического регулирования (САУ) подачи стола и выбранных электродвигателя,
комплектного электропривода и винта. Эти характеристики при расчете привода
подачи должны быть не хуже требуемых в техническом задании.
1. Техническое задание
В данном курсовом проекте требуется рассчитать
привод подачи сверлильно-фрезерно-расточного станка 2204ВМФ4 с передачей
«винт-гайка» для фрезерования канавки, определить его технические
характеристики и качественные показатели. Материал обрабатываемого изделия -
медь. Направление подачи - поперечная. Основные параметры станка выбираются по
исходным данным.
привод станок фрезерование
2. Анализ технического задания
Произвести расчет электропривода
многооперационного станка с ЧПУ. Схема фрезерного станка приведена на рисунке
1.
Рисунок 1 - Схема фрезерного станка
Параметры станка приведены в таблице 1.
Таблица 1 - Параметры станка
|
Параметр
|
Значение
|
|
Модель
станка Направление подачи Вид обработки Материал детали
|
2204ВМФ4
Поперечная Фрезерование канавки Медь
|
|
Размеры
рабочей поверхности стола, мм Наибольшая масса обрабатываемого изделия, кг
Наибольшее перемещение стола: продольное, мм поперечное, мм шпиндельной бабки
(вертикальное), мм Расстояние от оси шпинделя до рабочей поверхности стола,
мм Расстояние от торца шпинделя до центра стола или до рабочей поверхности,
мм Частота вращения шпинделя, об/мин Рабочие подачи, мм/мин Наибольшая сила
подачи стола, кН Скорость быстрого перемещения, мм/мин Мощность
электродвигателя привода главного движения, кВт
|
500´400 300
500 500 500 70 - 150 240 - 740 32 - 2000 2,5 - 2500 10 10000 6,3
|
|
Масса,
кг
|
7000
|
. Расчет режима резания
Для качественного построения нагрузочных
диаграмм необходимо рассчитать скорости и силы, возникающие при работе станка.
Скорость резания - окружная скорость фрезы,
м/мин,
, (1)
где Сv, q, m, x, y, u, p -
коэффициент и показатели степени по [1];
Т - период стойкости фрезы по [1],
мин;- подача на один зуб по [1],мм;
Кv - общий поправочный коэффициент
на скорость резания, учитывающий фактические условия резания,
, (2)
гдеКМv - коэффициент, учитывающий
качество обрабатываемого материала по [1];
КПv - коэффициент, учитывающий
состояние поверхности заготовки по [1];
КИv - коэффициент, учитывающий
материал инструмента по [1],
, (3)
.
Частота вращения фрезы об/мин,
, (4)
.
Сила резания. Главная составляющая
силы резания при фрезеровании - окружная сила Pz, Н
, (5)
гдеСр, x, y, n, q, w - коэффициент и
показатели степени по [1];
КМр - поправочный коэффициент на
качество обрабатываемого материала по [1],
.
Крутящий момент на шпинделе, Н·м,
, (6)
.
Мощность резания (эффективная), кВт,
, (7)
.
Сила подачи по [1], Н,
, (8)
.
Скорость подачи при фрезеровании,
м/мин,
, (9)
.
Сила натяга, действующая в
шарико-винтовой паре, Н,
, (10)
.
Сила трения в шарико-винтовой паре -
сила трения-качения, Н,
, (11)
.
Ограничение по усилию выполняется
при условии:
Pmax,
где Pmax - наибольшая сила подачи
стола, кН.
,354 кН
10 кН.
Ограничение по мощности выполняется
при условии:
Nгл, ,
где Nгл - мощность электродвигателя
привода главного движения, кВт.
,12 кН
6,3 кН.
. Разработка карты обработки
Для фрезерования канавки выберем
дисковую пазовую фрезу по [1], ГОСТ 3964-69, приведенную на рисунке 2,
параметры которой приведены в таблице 2.

Таблица 2 - Параметры фрезы
|
Параметр
|
Значение
|
|
Диаметр
D, мм Внутренний диаметр d, мм Ширина фрезы В, мм Число зубьев Z
|
80
27 12 18
|
Максимальная глубина фрезеруемой канавки t, мм,
, (1)
.
Примем глубину фрезеруемой канавки t
равной 20 мм.
Схема взаимных расположений фрезы и
заготовки приведена на рисунке 3. Примем, что при фрезеровании получается
торцевой паз.
Исходя из таблицы 1 и параметров
выбранной фрезы, следует составить карту обработки, приведенную на рисунке 5.
Рисунок 3 - Схема взаимных
расположений фрезы и заготовки
Рисунок 4 - Участок врезания фрезы
Рисунок 5 - Карта обработки
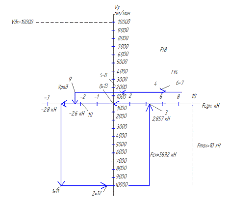
5. Построение нагрузочных диаграмм
Найдем среднеквадратичную силу для
оценки нагрева двигателя в дальнейшем.
Расчет сил на каждом участке.
участок (0-1) - разгон до скорости
быстрого хода;
участок (1-2) - движение на скорости
быстрого хода;
участок (2-3) - торможение со
скорости быстрого хода;
участок (3-4) - разгон до рабочего
хода;
участок (4-5) - движение на скорости
рабочего хода;
участок (5-6) - движение фрезы на
скорости рабочего хода до полного врезания;
участок (6-7) - движение фрезы на
скорости рабочего хода на полном врезании;
участок (7-8) - движение фрезы на
скорости рабочего хода до полного выхода из детали;
участок (8-9) - движение на скорости
рабочего хода;
участок (9-10) - торможение со
скорости рабочего хода;
участок (10-11) - разгон до скорости
быстрого хода;
участок (11-12) - движение на
скорости быстрого хода;
участок (12-13) - торможение со
скорости быстрого хода;
Рисунок 6 - Диаграмма скоростей и
сил
Наибольшая сила подачи стола= 10000
Н.
Сила трения в шарико-винтовой паре
ηшвп = 0,95.
Н.
Масса системы стол-детальст = M ·
0,1 + md ,
где md - наибольшая масса
обрабатываемого изделия, равная 300 кг.ст = 7,000 · 0,1 + 300 = 1000 кг.
Назначаем путь, на котором будет
разгоняться стол= 1 мм.
Время разгона на пути Sp до скорости
быстрого хода
При этом стол будет двигаться с
ускорением
мм/с2.
Ускорение
м/с2.
Сила, необходимая для ускорения= 2
· Mст = 2 ·
1,389 · 1000 = 2,77 · 103 Н.
Время торможения со скорости
быстрого хода= tp = 0,012 с.
Путь, проходимый фрезой до полного
врезаниявх = 35 мм.
Путь, проходимый фрезой до полного
выхода из деталивых = 35 мм.
Путь, проходимый фрезой на полном
врезании= 500 - 14 - 70 = 416 мм.
Коэффициенты трения для элементов
сталь-сталь, стол и направляющие= 0,03.
Сила тяжести стола= Mст · 9,81 =
1000 · 9,81 = 9,81 · 103 Н.
Сила, оказывающая давление на стол
во время резания= Pv + Pt = 7661 + 9,81 · 103 = 1,173 · 104 Н.
Сила трения при подводе стола и при
резании
Ftr0 = k ·
Pt +
0,03 · 9,81
· 103 + 500 = 794,3 Н.=
k · Prez +
0,03 · 1,173
· 104 + 500 = 851,7 Н.
Межоперационное время принимаем
равным 60 с= 60 c.
Сила, действующая на стол во время
фрезеровки= Ph + Ftr0 = 9,1 · 103 + 794,3 = 1,004 · 104 Н.= Fd + Ftr1 = 2,77 ·
103 + 851,7 = 2,85 · 104 Н.
Таблица 5.1 - Таблица сил на каждом
участке
|
№
участка
|
Сила
на каждом участке F, Н
|
Время
на каждом участке t, с
|
|
формула
|
значение
|
формула
|
значение
|
|
1
(0-1)
|
F0-1
= -(Fd + Ftr0)
|
t0-1
= tp
|
0,012
|
|
2
(1-2)
|
F1-2
= -Ftr0
|
-794,3
|
t1-2
= 1,48
|
|
|
3
(2-3)
|
F2-3
= Fd - Ftr0
|
2,69
· 104
|
t2-3
= tt
|
0,012
|
|
4
(3-4)
|
F3-4
= Fd + Ftr0
|
2,857
· 104
|
t3-4
= tr
|
1,691·10-3
|
|
5
(4-5)
|
F4-5
= Ftr0
|
794,3
|
t4-5
= 0,22
|
|
|
7
(6-7)
|
F6-7
= Ph + Ftr1
|
6,69
· 104
|
t6-7
= 6,27
|
|
|
6
(5-6)
|
F6-7
= 2,69 ·
104t5-6 = 0,012
|
|
|
|
|
8
(7-8)
|
F8-9
= 1,004 ·
104t7-8 = 74,5
|
|
|
|
|
9
(8-9)
|
F8-9
= Ftr0
|
794,3
|
t8-9
= 0,804
|
|
|
10
(9-10)
|
F9-10
= -Fd + Ftr0
|
-2,698
· 104
|
T9-10
= tr
|
0,012
|
|
11
(10-11)
|
F10-11
= -Fd - Ftr0
|
-2,857
· 104
|
t10-11
= tр
|
0,012
|
|
12
(11-12)
|
F11-12
= - Ftr0
|
-794,3
|
t11-12
= 1,48
|
|
|
13
(12-13)
|
F12-13
= Fd - Ftr0
|
2,698
· 104
|
t12-13
= tt
|
0,012
|
Время цикла равно
ц = t0-1 + t1-2 + t2-3 + t3-4 + t4-5
+ t5-6 + t6-7 + t7-8 + t8-9 + t9-10 + t10-11 + t11-12 + t12-13 + tmo ц = 0,012
+ 1,188 + 0,012 + 1,691·10-3 + 0,128 + 10,733 + 1,959 + 1,959 + 2,044 + +
1,691·10-3 + 0,012 + 1,188 + 0,012 + 60 = 151, с.
Рисунок 7 - Механическая
характеристика
. Расчет механической части
электропривода
Необходима динамическая
грузоподъемность винта, удовлетворяющая наибольшей силе подачи стола. При этом
винт должен выдерживать максимальную нагрузку. По этим условиям предварительно
выбираем винт диаметром d0 = 20 мм и винт диаметром d0 = 16 мм.
Далее выбирается шаг винта, который
определяет передаточное отношение i «винт-гайка». Сравним расчеты при шаге
винта τ1 = 4 мм и τ2 = 6 мм.
Частота вращения, соответствующая
скорости быстрого хода
об/мин.
об/мин.
Угловая скорость рассчитывается по
формуле
рад/с.
рад/с.
Передаточное отношение винт-гайки
рад/м.
рад/м.
Момент двигателя определяется
КПД системы определяется как:
Н·м.
Н·м.
Найдем момент инерции винта
,
где mv - масса винта, кг.
,
где Lv - длина винта, принимается
1,5 от длины перемещения стола.
= 1,5 · 400 = 750 мм.
ρст = 7250 кг/м3.
кг.
кг.
кг/м2.
кг/м2.
Скорость двигателя подачи при
скорости быстрого хода
об/мин.
об/мин.
Скорость двигателя подачи при
рабочей скорости
об/мин.
об/мин.
Скорость двигателя подачи при 2500
мм/мин
об/мин.
об/мин.
. Выбор электродвигателя,
комплектного электропривода
Момент номинальный
Н·м.
Н·м.
Двигатель 2ДВУП5М, его
характеристики:
момент номинальный, Mnom1 = 4,7 Н·м;
максимальная частота вращения, Nmax
= 3000 об/мин;
момент инерции, Jd = 5,2 · 10-4
кг/м2;
масса, mdvig = 7 кг.
Двигатель 2ДВУ115L, его
характеристики:
момент номинальный, Mnom1 = 7 Н·м;
максимальная частота вращения, Nmax
= 3000 об/мин;
момент инерции, Jd = 7,3 · 10-4
кг/м2;
масса, mdvig = 9 кг.
Момент трения двигателя (10% от
момента двигателя максимального)= 0,1 · Mnom1 = 0,1 · 4,7 = 0,47 Н·м.= 0,1 ·
Mnom2 = 0,1 · 7 = 0,7 Н·м.
Масса винта, приведенная к массе
стола
кг.
кг.
Момент трения двигателя и
подшипников
Н.
Н.
Момент инерции двигателя
= 5,2 · 10-4 кг/м2.
Н.= 7,3 · 10-4 кг/м2.
Н.
Масса двигателя и винта, приведенные
к столу
= Mdvig1 +
1283 + 1708
= 2991 кг.= Mdvig2 +
798,7 + 109
= 907,7 кг.
об/мин.
Определение силы подачи для двух
двигателей
Fτ3
= Mnom1 · i1 = 4,7 · 1571 = 7383 Н.τ6
= Mnom2 · i2 = 7 · 1046 = 7322 Н.
Угловая скорость двигателей
Определение подачи двигателей при
различных передаточных отношениях
мм/мин.
мм/мин.
Окончательно принимаем двигатель
2ДВУ115L.
Данный двигатель является вентильным
двигателем с постоянными магнитами, управляемый только по якорю.
Суммарный момент двигателя с учетом
момента трения и момента холостого хода в винте
Выбранный двигатель трехфазный
вентильный с редкоземельными магнитами со 120-градусной коммутацией.
Максимальное напряжение
преобразователя
В.
Минимальное напряжение
преобразователя
В.
Напряжение номинальное
В.
Принимаем номинальное напряжение
Unom=110 В.
Ток номинальный,
А.
Сопротивление якоря,
Ом.
Ток короткого замыкания,
А.
Поток номинальный,
.
Заключение
В курсовом проекте был рассчитан
привод подачи станка 2204ВМФ4 с передачей «винт-гайка» для фрезерования
канавки, был выбран электродвигатель и комплектный привод, определены на модели
его технические характеристики и качественные показатели.
Библиографический список
Онищенко,
Г.Б. Электрический привод. - М.: Академия, 2008;
Москаленко,
В.В. Электрический привод. - М.: Академия, 2007;
Копылов,
И.П., Клоков Б.К. Справочник по электрическим машинам в 2 т. - М.:
Энергоатомиздат, 1998;
Справочник
по автоматизированному электроприводу - под ред. В.А., Елисеева и А.В.,
Шинянского/ М.: Энергоатомиздат, 1983.