Расчет электропривода пассажирского лифта
Министерство
образования Российской Федерации
Алтайский
государственный технический университет
имени И.И.
Ползунова
Кафедра «
Автоматизированный электропривод и электротехнологии»
ПОЯСНИТЕЛЬНАЯ
ЗАПИСКА
к курсовому
проекту по дисциплине
АВТОМАТИЗИРОВАННЫЙ
ЭЛЕКТРОПРИВОД ОБЩЕПРОМЫШЛЕННЫХ МЕХАНИЗМОВ
Вариант №19
Автор проекта
(работы)
Таланов И. Е.
Группа ЭТ - 71
Руководитель проекта
Радченко Т. Б.
Барнаул 2011
г.
Содержание
1. Введение
. Задание
. Исходные данные для расчёта пассажирского лифта
. Технологические условия работы пассажирского лифта
. Расчет относительной продолжительности включения
приводного электродвигателя
. Расчёт статистической мощности
7. Выбор двигателя. Проверка двигателя
8. Расчет и выбор тормозного устройства
. Выбор силовой схемы управления и типа
преобразователя
. Требования к электроприводу пассажирского лифта
. Требования к схеме управления
. Система сигнализации пассажирского лифта
. Вывод
. Список использованной литературы
1. Введение
Развитие народного хозяйства, требования научно-технического прогресса
диктует направления совершенствования промышленной электроэнергетики, создание
экономических систем электроснабжения промышленных предприятий,
автоматизированных систем управления электроприводами и технологическими
процессами.
Автоматизированным электроприводом называется электромеханическая
система, состоящая из электродвигательного, преобразовательного, передаточного
и управляющего устройств, предназначенных для привидения в движение
исполнительных органов рабочей машины и управление этим движением.
Нельзя представить себе ни одного современного производственного
механизма, в любой области техники, который не приводился бы в действие
автоматизированным электроприводом. В электроприводе основным элементом, непосредственно
преобразующим электрическую энергию в механическую, является электрический
двигатель, который чаще всего управляется при помощи соответствующих
преобразовательных и управляющих устройств с целью формирования статических и
динамических характеристик электропривода, отвечающих требованиям
производственного механизма. Речь идёт не только о сообщении машине
вращательного или поступательного движения, но, главным образом, об обеспечении
с помощью автоматизированного электропривода оптимального режима работы машин,
при котором достигается наибольшая производительность при высокой точности.
В автоматизированном электроприводе можно выделить три основных элемента:
) Механическая часть привода, включающая рабочий механизм,
передаточное устройство, предназначенное для передачи механической энергии от
электродвигательного устройства электропривода к исполнительному органу рабочей
машины и для изменения вида и скорости движения и усилия (момента вращения);
) Электродвигательное устройство, предназначенное для преобразования
электрической энергии в механическую или механической энергии в электрическую;
) Система управления, состоящая из силовой преобразовательной
части управляющего устройства, задающего устройства и датчиков обратных связей.
Преобразователь предназначен для питания двигателя и создания управляющего
воздействия на него. Он преобразует род тока или напряжения, или частоту либо
изменяет иные показатели качества электрической энергии, подводимой к
двигателю. Управляющее устройство, управляющее преобразователем, получает
командные сигналы от задающего устройства, а информацию о текущем состоянии
электропривода и технологического процесса от датчиков обратных связей. С
помощью этих датчиков
) ток, напряжение, мощность двигателя или другие электрические параметры,
скорость, момент или усилие и положение исполнительного органа, преобразуются в
пропорциональное этим параметрам электрические сигналы, которые и подаются в
управляющее устройство. В нём текущее состояние электропривода и
технологического процесса сравнивается с заданным и при наличии рассогласования
вырабатывается управляющий сигнал, воздействующий через преобразователь на
электропривод в направлении устранения возникшего рассогласования с требуемой
точностью и быстродействием.
В электроприводе применяются различные двигатели, отличающиеся по
исполнению, принципу действия, роду тока и т. п. и т. д.
Всё это ставит большие задачи перед работниками проектных, монтажных и
наладочных организаций, работающих в области электрификации промышленности.
2. Задание
Расчёт электропривода пассажирского лифта. Для пассажирского лифта,
предназначенного к установке в 8-этажном доме, необходимо выбрать силовое
оборудование электропривода перемещением кабины и сформулировать требования к
схеме управления, разработать систему сигнализации пассажирского лифта заданной
этажности.
пассажирский лифт электродвигатель электропривод
3. Исходные данные для расчёта пассажирского лифта
Таблица 1 - Исходные данные для расчёта пассажирского лифта
|
Вариант
|
Этажность
|
Вместимость
|
Масса
|
Высота
|
Скорость
|
Допустимое ускорение
|
Точность останова
|
Двигатель
|
|
|
|
кабины
|
груза
|
контргруза
|
H
|
υном
|
υо
|
|
|
|
|
|
чел.
|
кг
|
кг
|
кг
|
м
|
м/с
|
м/с
|
м/с2
|
мм
|
|
|
19
|
8
|
4
|
320
|
1200
|
30
|
0,63
|
0,3
|
1
|
35
|
ДПТ
|
ДПТ - двигатель постоянного тока с параллельным возбуждением.
Для всех вариантов постоянны следующие параметры глубин, канатов и
шкивов: h1 - глубина лифтовой шахты, h = 5 м; h - высота лифтовой шахты h1 = 2,5 м; массы 1 м соответствующих канатов; размеры и
маховые моменты шкивов; привод безредукторный с к. п. д. η
= 0,85. Принимаемые
допустимые ускорения и их производные не должны превышать величин, указанных в
таблице 1 и лежать в рамках значений для пассажирских лифтов: ускорение 1…5 м/с2
, её производная р = 3,0…10 м/с3.
. Технологические условия работы пассажирского лифта
Для пассажирского лифта, предназначенного к установке в 8-этажном доме,
необходимо выбрать силовое оборудование электропривода перемещением кабины и
сформулировать требования к схеме управления.
Кинематическая схема лифта представлена на рисунке 1. На рисунке 1
приведены следующие обозначения: Dш,
DH, Dот - канатоведущие шкивы соответственно
верхний, нижний, ограничивающий; m0
- масса кабины; m - масса груза; mпв - масса противовеса (контргруза); Н
- максимальная высота подъема; h1
- глубина лифтовой
шахты; h - высота лифтовой шахты.
Кинематическая схема однокабинного безредукторного лифта
Рис. 1 - Кинематическая схема однокабинного безредукторного лифта
Параметры пассажирского лифта имеют следующие значения:
m0 = 1000 кг; m = 320 кг; mпв = 1200 кг;
высота подъёма H=Hmax=30 м (h = 5 м, h1 = 2,5 м);
расчетные длины канатов:
несущего LT = (H+2h1+10) м = 45 м, компенсирующего LK = (H+2h1+5) = 40 м;
ограничения L0 = 2 (Н+h+h1+2,5) = 80 м; кабеля Lкб
= (H/2+10) = 25 м;
масса 1 м соответствующих канатов:
qт
= 6×7 кг/м, qк = 3×9,3 кг/м, q0
= 1× 0,55 кг/м, qкб
= 2×3,35 кг/м;
привод безредукторный с механическим к. п. д. η
= 0,85;
- размеры и маховые моменты шкивов: DH = 850 мм и
= 63 кГм2, Dш = 575 мм и
= 45 кГм2, Dот = 575 мм и
= 45 кГм2, D0 = 250 мм и
=
2×8,5 кГм2;
тормозного шкива
=60 кГм2.
Электропривод пассажирского лифта должен обеспечивать следующие
технологические требования:
сбор пассажиров поэтажно при подъеме и опускании кабины,
наибольшее количество возможных остановок кабины N = 6,
вместимость Е = 4 чел. (m =
320 кг),
номинальная скорость кабины υном = 0,63 м/с,
скорость подхода ее к этажу υ0 = 0,3 м/с,
допустимое ускорение адоп = 1 м/с2,
средняя точность остановки ∆S =
35 мм.
. Расчет относительной продолжительности включения приводного
электродвигателя
Определяем вероятное количество остановок кабины при её подъеме (Nп)
и опускании (Nс) ее с учетом вероятных коэффициентов её заполнения
при подъёме
= 0,6…0,8 и спуске
= 0,4…0,6 (полагаем 0,7 и 0,5,
соответственно):
Nп = N - N (
)γ
= 6 - 6(
)0,7×4 = 2,4 ≈ 2;
Nc = N - N (
)γ
= 6 - 6(
)0,5×4 = 1,8 ≈ 2.
Из опыта эксплуатации пассажирских лифтов известно, что сумма времен
ускорения (t1), замедления (t2), открывания и закрывания дверей кабины (t3) находится в пределах 10…16 с. Для расчетного случая
принимаем
t1
+ t2 +t3 =13 c.
Находим время входа и выхода пассажиров при подъеме и опускании кабины:
,
где t4п и t4с - время входа пассажиров, соответственно, при подъеме и
опускании; t5п и t5с - времен выхода пассажиров, соответственно, при подъёме и
опускании кабины;
= 0,8…2 с - время входа или выхода одного пассажира (полагаем
равным 1 с).
Далее рассчитываем путь
, пройденный кабиной за время разгона до номинальной скорости
и времена разгона
и торможения
кабины, принимая допустимое ускорение
а = 1 м/с2, а производную ускорения р = 3 м/с3:
+
+
=
+
+
] = 0,2 м;
=
= 0,63 с,
где
- скорость перед механическим торможением;
- средняя скорость, равная
Режим работы двигателя однокабинного лифта является
повторно-кратковременным. За время цикла (Т) следует принимать длительность
кругового рейса кабины (путь, который проходит кабина от основного посадочного
этажа до возвращения её на этот же этаж), а за продолжительность работы (ПВ) -
время нахождения двигателя под нагрузкой.
Тогда принимая вероятностные коэффициенты подъема кабины
= 0,8 (пределы изменения 0,7…0,9) и
неучтенного времени
= 1,1 (пределы изменения 1,05…1,15), определяем время цикла:
T=
+
=
= 170,7 c.
Затем определяем продолжительность включения двигателя
× 100% = 84%,
где
= tт
- время
механического торможения.
6. Расчёт статистической мощности
Расчет мощности, выбор двигателя и его проверку необходимо производить
методом последовательных приближений исходя из диаграммы нагрузки электропривода,
которая с учетом механического к.п.д. определяется диаграммой
неуравновешенности подвижных частей лифта. Поэтому по параметрам подвижных
частей, вначале необходимо рассчитать и построить диаграмму неуравновешенности
по всей высоте подъёма кабины.
Без учёта потерь для высшей (F1, F3 ) и низшей точек (F2, F4
) положения кабины
рассчитываем параметры с номинальным грузом кабины (F1 и F2) и без груза (F3 и F4): Fi = (m+m0 - mпв
qкLк
qкбLкб
qтLт) g;
Затем строим диаграмму неуравновешенности (рисунок 2, штриховая линия).
По полученной диаграмме находим абсолютное средневзвешенное значение неуравновешенности:
Fcp = (Fcp1
l1+ Fcp2
l2+ Fcp3
l3+ Fcp4
l4) / ( l1 + l2 + l3+ l4)
Определяем
потери:
∆F = Fср
(1 - η) = 2,38 *103H.
Строим
диаграмму неуравновешенности с учётом этих потерь (сплошные линии на рисунке
2). По диаграмме находим абсолютное значение средневзвешенной
неуравновешенности с учётом потерь:
F5 = Fср + ∆F =
18,28×103 H.
Рассчитываем
необходимую статическую мощность
Pст = kп F5
vном×10-3
= 1, 1× 18,28× 103× 0,63×10-3 = 12,7
кВт.
где
kп -
коэффициент, учитывающий пусковые режимы двигателя (k = 1,1…1,2).

. Выбор двигателя. Проверка двигателя
Согласно методу последовательных приближений, в качестве первого
приближения принимаем рассчитанную статическую мощность. Определяем необходимую
угловую скорость электродвигателя
=
= 2,2 рад/с (21 мин-1),
где (
) - отношение передачи от двигателя к рабочему органу
(кабине).
Из серии тихоходных двигателей повторно-кратковременного режима выбираем
двигатель постоянного тока независимого возбуждения Д-41 со следующими
номинальными данными: Рном = 16 кВт при ПВст= 100%; Uном = 220 В; Iном = 86 А; nном
= 21 мин-1;
Rя + Rд. п. = 0.17 Ом; Фном = 17 МВб; Mном =
Выбранный двигатель должен быть проверен по допустимой перегрузке при
разгоне кабины, её движении с перегрузкой двигателя и по тепловому режиму.
Проверяем двигатель по механической перегрузке для наиболее тяжёлого
случая - трогания кабины с нижнего этажа при ее номинальной нагрузке. В этом
случае тяговое усилие, пропорционально которому будет притекать ток в обмотках
якоря, согласно диаграмме неуравновешенности и допустимым ускорением кабины
лифта при наибольшей ординате неуравновешенности F составит:
F = F1 +∆F = 32276 + 2380 = 34656 H.
Для этой точки (F) и
определяется необходимый пусковой момент двигателя, т.е.
M =
,
где
- статический момент;
- избыточный момент.
Необходимый статический момент рассчитывается по формуле:
- радиус тягового шкива.
При заданной скорости перемещения кабины лифта vном=0,63 м/с, принятом ускорении a=1 м/с2 и времени разгона tр=vном/a=0,63 c
находим необходимый избыточный момент:
где
- неуравновешенная масса подвижных частей.
Тогда перегрузка двигателя составит:
Согласно действующим стандартам при трогании с места (без форсировки
возбуждения) допускается k=3,
т. е. по перегрузке двигатель выбран правильно.
Проверку двигателя по тепловому режиму производим, используя диаграмму
неуравновешенности и имея в виду, что при двигательном режиме механические
потери следует прибавить к тяговому усилию, а при генераторном - вычесть.
Тогда, исходя из средних значений усилий на отдельных участках диаграммы,
эквивалентный момент двигателя:
×
=
Полученный момент приводим к относительной продолжительности включения
двигателя:
Таким образом, Мном = 5773
> Мст = 4534
, т. е. и по тепловому режиму
двигатель выбран правильно.
. Расчет и выбор тормозного устройства
Расчет тормозов механизмов подъема производят по тормозному моменту, обеспечивающему
удержание 125% номинального груза при его остановке. Кроме того, так как
коэффициент трения при торможении может изменяться, необходимо вводить
коэффициент запаса торможения km, значение которого зависит от режима работы: km = 1,5 - легкий; km = 1,75 - средний; km = 2…2,5 - тяжёлый.
Принимая для пассажирского лифта kT = 1,75 и, пренебрегая
потерями, рассчитываем необходимый тормозной момент при наибольшем
неуравновешенном состоянии системы:
.
По полученному моменту выбираем тормозной шкив диаметром
= 800 мм, радиальный отход колодок ε
= 2 мм и определяем
нормальное усилие на колодки тормоза:
где
= 0,35 - коэффициент трения между тормозным шкивом и
колодками тормоза.
Принимая коэффициент использования хода якоря электромагнита или
электрогидравлического толкателя kи = 0,85; находим необходимую
работу, которую должен совершать электромагнит или электрогидравлический
толкатель при растормаживании системы:
где ηп
= 0,9 - к.п.д. передачи.
По полученной работе выбираем электрогидравлический толкатель типа ТЭ-200
с располагаемым усилием Fэ = 2300 Н и ходом h= 140 мм. Выбранный толкатель проверяем по располагаемой
работе, т. е.
Fэh=2300× 0, 14 = 322
> 303
.
Следовательно, выбранный электрогидравлический толкатель обеспечивает
необходимую работу системы.
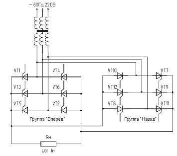
. Выбор силовой схемы управления и типа преобразователя
Для управления приводным электродвигателем лифта используем реверсивный
двухмостовой тиристорный преобразователь (рисунок 3), который на выходе должен
обеспечивать номинальные напряжение 230 В и ток не менее 160 А. Имея в виду,
что в соответствии с диаграммой на рис. 2 в начале подъема кабины с нижнего
этажа, а также при ее опускании с верхнего этажа двигатель будет работать с
перегрузкой, определяем время работы двигателя в данном режиме. Для этого
сначала находим усилие
, соответствующее номинальному моменту, а затем и наибольшее
время перегрузки, которое соответствует подъему груженой кабины с нижнего
этажа.
Пользуясь диаграммой на рис. 2 и полученным усилием (полагаем, что кабина
будет подниматься без промежуточных остановок), определяем высоту, до которой
двигатель будет работать с перегрузкой: ординате Fном = 20080 Н соответствует
абсцисса H = 7 м.
Пренебрегая временем разгона, получаем tпр = H/vном = 7/0,63 с = 11 с, причем перегрузка
в период разгона двигателя (t2 = 0,63 с) составляет k = 1.95 Iном=1.95 × 86 А = 167.7 А, а затем при установившемся движении кабины снижается до
k =
= 1.72 × 86 А = 147.9 А и далее до нуля.
Рис. 3 - Схема питания двигателя от реверсивного двухмостового
тиристорного преобразователя
При выборе преобразователей необходимо учитывать их перегрузочные
возможности. Так, например, преобразователи ХЭМЗ допускают перегрузку по току в
циклическом режиме работы не более 0,75 Iном в течение 1 мин и не более Iном в течение 15 с; при этом среднеквадратичный ток не должен
превышать номинальный при времени усреднения 10 мин.
В рассматриваемом случае временем усреднения является длительность
кругового рейса кабины Т = 170,7 с (или 2,8 мин), т. е. меньше 10 мин, а
среднеквадратичный ток I =
А = 77,5А< Iном. Следовательно, в данном случае
преобразователь можно выбирать по допустимой перегрузке. Пуск двигателя
происходит в течение 0,63 с, т. е. меньше 15 с. Поэтому выбираем
преобразователь с допустимой 100%-ной перегрузкой. С учетом изложенного из
имеющейся номенклатуры выбираем реверсный преобразователь типа КТУ-230/200 Р
при номинальных токе Iном
=200 А и
напряжении 230 В.
. Требования к электроприводу пассажирского лифта
Основные требования, которым должны удовлетворять приводы лифтов,
следующие:
обеспечение минимального времени переходных процессов при ограниченных
ускорениях (порядка 1…5 м/с2 ) и производных ускорений - рывке,
который в зависимости от номинальной скорости кабины для пассажирских лифтов
допустим в пределах 3…10 м/с3 ;
скорость и ускорение не должны зависеть от загрузки лифта;
должна быть обеспечена определённая точность остановки кабины на заданной
отметке;
для обеспечения опасности обслуживания напряжение силовых электрических
цепей в машинных помещениях не должно превышать 660 В, в кабине, шахте и на
этажных площадках - 380 В переменного тока и 220 В постоянного тока;
напряжение в цепях управления, освещения и сигнализации во всех
помещениях должно быть не выше 220 В;
напряжение аварийного освещения и переносных ламп не должно превышать 36
В.
. Требования к схеме управления
Для обеспечения перечисленных требований механические характеристики
электродвигателей должны быть жесткими.
Пренебрегая малыми величинами, определяем необходимую жесткость
механической характеристики двигателя ∆v, которая обеспечила бы заданную точность остановки кабины ∆s΄.
В соответствии с
технологическими требованиями и нормами для пассажирских и грузопассажирских
лифтов точность останова лежит в пределах ± 35…50 мм:
Отсюда
где v0 - минимально необходимая скорость
кабины перед её остановкой; ∆v - отклонение от скорости v0; t0=0,25 с - среднее время срабатывания автомата и реле; ∆t/t0 =0,15 - относительное время срабатывания этих аппаратов; m0 - средняя масса движения частей
лифта; ∆m - среднее отклонение этой массы; F0 - динамическое усиление; ∆F - отклонение этого усиления.
Среднюю массу рассчитываем, исходя из диаграммы неуравновешенности
системы, с полным грузом и без него:
Среднее отклонение массы находим как отсутствие пассажиров в кабине
лифта:
Среднее динамическое усилие определяем для наихудшего режима работы
двигателя при движении кабины от нижней отметки с полным грузом и без него. В
этом случае

Среднее снижение скорости (∆ωср) двигателя на естественной
характеристике (при максимальной и номинальной нагрузка) находим (обратные
связи в схеме отсутствуют) из следующих выражений:
где
2Rдр=0,018 Ом - сопротивление
уравнительных дросселей; Rк=0,056 Ом - сопротивление при
коммутации вентилей; Rтр=0,056 Ом - сопротивление обмоток
согласующего трансформатора. Тогда:
При пересчете на линейную скорость движения кабины снижение ее скорости
составит ∆υср= 0,1 м/с.
Полученное снижение скорости не больше допустимого, поэтому подойдет для
обеспечения заданной точности остановки кабины.
12. Система сигнализации пассажирского лифта
Схема должна работать согласно заданному алгоритму: при движении лифта
вверх или вниз загорается соответствующая стрелка движения (↑или ↓)
на информационном табло, а при нахождении кабины лифта на n-этаже на табло отображается цифра,
соответствующая этому этажу. При срабатывании датчика перегрузки на табло
загорается лампа «Перегрузка».
Информационное табло
Рис. 4 - Информационное табло
Семиэлементный полупроводниковый индикатор с общим катодом
Рис. 5 - Семиэлементный полупроводниковый индикатор с общим катодом
Рис. 6 - Принципиальная электрическая схема сигнализации пассажирского
лифта
UP -
вход с датчика движения кабины лифта вверх;
DOWN -
вход с датчика движения кабины лифта вниз;
FLOOR
- вход с датчика прохождения кабиной лифта n - го этажа;
OVERLOADING - вход с датчика перегрузки кабины лифта.
Светодиоды HL1, HL2, HL3 выбираем типа АЛ310В, прямой ток которого 10 мА.
Блок - схема алгоритма работы системы сигнализации пассажирского лифта
Нет Да
Да Нет
Да Нет
Да Нет
Рис. 7 - Блок - схема алгоритма работы системы сигнализации пассажирского
лифта
Программа реализации алгоритма работы системы сигнализации пассажирского
лифта в системе команд микроконтроллера AVR модели AT90S1200
;*****************************
;* Таланов И. Е. *
;* Дата: 10/05/2011 *
;* Версия: 1.0 *
;* Имя файла: Indication.asm *
;* Для AVR: 1200 *
;* Тактовая частота: 4 МГц *
;*****************************
; Выполняемые функции: световая сигнализация пассажирского лифта
восьмиэтажного дома
.device at90s1200
.nolist
.include "C:\Program Files\Atmel\AVR
Tools\AvrAssembler\Appnotes\1200def.inc"
.list
;===================
;Объявления:
.def temp =r16
.def Counter =r17
.def Delay1 =r18
.def Delay2 =r19
.def Delay3 =r20
;===================
;Начало программы
rjmp Init ; Первая
выполняемая команда
;===================
;Подпрограммы
Debounce:
ldi Delay1, 0x80 ; Инициализируем регистры счётчика
ldi Delay1, 0x38 ;
ldi Delay1, 0x01 ;:Delay1, 1 ; Формируем задержкуDelay2, 0 ; Delay3, 0 ;
brcc Loop ;
ret ;
Выходим из подпрограммы
;===================:temp ; РВ0-7 - выходыDDRB, temp ; temp, 0b11111000
; PD0-PD2 - входы, остальные не используются
out DDRD, temp ;
ldi R21, 0b00110000 ; Код для «1» при включении
out DDRB, temp ;
out PortD, temp R22, 0b01101101 ; Код для «2»
ldi R23, 0b01111001 ; Код для «3»
ldi R24, 0b00110011 ; Код для «4»
ldi R25, 0b01011011 ; Код для «5»
ldi R26, 0b01011111 ; Код для «6»
ldi R27, 0b01110000 ; Код для «7»
ldi R28, 0b01111111 ; Код для «8»
clr Counter ; При включении Counter = 1
;===================
Start:
sbic PinD, 2 ;
Проверяем наличие перегрузки
sbi PortB, 7 ; Да,
включаем HL3
sbis PinD, 2 ; Нет,
проверяем наличие перегрузки
cbi PortB, 7 ; Нет,
выключаем HL3
sbic PinD, 0 ; Да,
проверяем движение кабины вверх и сигнал с датчика этажей
rjmp Up ; Да, переходим
к Up
sbic PinD, 1 ; Нет,
проверяем движение кабины вниз и сигнал с датчика этажей
rjmp Down ; Да,
переходим к Down
rjmp Start ; Нет,
возвращаемся к Start
Up:
sbis PinD, 0 ;
Проверяем движение кабины вверх и сигнал с датчика этажей
rjmp Start ; Нет,
возвращаемся к Start
inc Counter ; Да,
увеличиваем Counter на 1
ldi ZL, 21 ;
Устанавливаем ZL на R21
add ZL, digit ; Прибавляем Counter к ZL
ld temp, Z ; Считываем Rx в temp
out PortB, temp ; Выводим temp в порт В
rcall Debounce ;
Вставляем требуемую задержку
ReleaseWait:
sbic PinD, 0 ;
Проверяем движение кабины вверх и сигнал с датчика этажей
rjmp ReleaseWait ; Да,
остаёмся в цикле
rcall Debounce ; Нет,
вставляем требуемую задержку
rjmp Start ;
Возвращаемся к Start
Down:
sbis PinD, 1 ;
Проверяем движение кабины вниз и сигнал с датчика этажей
rjmp Start ; Нет,
возвращаемся к Start
dec Counter ; Да,
уменьшаем Counter на 1
ldi ZL, 21 ;
Устанавливаем ZL на R21
add ZL, digit ; Прибавляем Counter к ZL
ld temp, Z ; Считываем Rx в temp
out PortB, temp ; Выводим temp в порт В
rcall Debounce ;
Вставляем требуемую задержку
ReleaseWait:
sbic PinD, 1 ;
Проверяем движение кабины вниз и сигнал с датчика этажей
rjmp ReleaseWait ; Да,
остаёмся в цикле
rcall Debounce ; Нет,
вставляем требуемую задержку
rjmp Start ;
Возвращаемся к Start
13. Вывод
В данном курсовом проекте был произведён расчёт электропривода
пассажирского лифта. Для пассажирского лифта, предназначенного к установке в
8-этажном доме, было выбрано силовое оборудование электропривода перемещением
кабины и сформулированы требования к схеме управления, разработана система
сигнализации пассажирского лифта заданной этажности.
14. Список использованной литературы
1. Радченко
Т.Б., КиселевВ.С., Радченко М.В. Автоматизированный электропривод
общепромышленных механизмов: Справочные материалы к курсовому проекту для
студентов специальности 140604 /АлтГТУ им. И.И. Ползунова.- Барнаул: АлтГТУ,
2011. - 33 с.
. Ушаков
П.Н., Бродский М.Г. Краны и лифты промышленных предприятий. Справочник.- М.:
Металлургиздат, 1977.- 352 С.
. Егоров
К.А. Системы управления пассажирскими лифтами.- М.: Стройиздат, 1977.- 236 С.
. Справочник
по электрическим машинам: В 2 т./ С74 Под общ. ред. И. П. Копылова и Б. К.
Клокова. Т. 1. - М.: Энергоатомиздат, 1988. - 456 с.
. Мортон
ДЖ. Микроконтроллеры AVR.
Вводный курс./Пер. с англ. - М., 2006. - 272 с.
. ГОСТ
5746 - 2003. «Лифты пассажирские. Основные параметры и размеры»