Электропривод пассажирского подъемника
Министерство
образования Российской федерации
ФГОУ
Чувашский государственный университет им
И. Н. Ульянова
Технический
институт
Электротехнический
факультет
Кафедра САУЭП
Курсовой проект
ЭЛЕКТРОПРИВОД
ПАССАЖИРСКОГО ПОДЪЕМНИКА
Задание №8
Чебоксары – 2006
Содержание
Введение
1. Исходные данные для проектирования
2. Определение статических нагрузок и
моментов инерции, приведенных к валу двигателя подъемника
3. Определение потребляемой мощности
и выбор электродвигателя
4. Расчет и выбор силовой схемы ТП
5. Расчет и построение механических
характеристик ЭП
6. Графики зависимости скорости и
тока якоря от времени за один цикл работы
7. Проверка выбранного двигателя по
условиям нагрева и по перегрузочной способности
8. Расход электрической энергии за
цикл работы и КПД установки
Заключение
Список литературы
1. Введение
Лифт - одно из самых
гуманных достижений технического прогресса, позволяющее человеку без усилий
покорять большие высоты за считанные секунды. Сегодня без лифтов немыслимо ни
одно современное здание, будь то муниципальное жилье, офисный небоскреб или
частный коттедж. С тех пор как в 1855 году американец Элайша Грейвс Отис
изобрел первый в мире безопасный лифт, исключавший возможность падения кабины
при обрыве канатов, устройство лифтов не претерпело существенных изменений. Конструкция
подъемных машин довольно консервативна, и главная цель новых технических
разработок - повышение надежности всех элементов и узлов лифтового оборудования.
Задание на курсовой
проект
а. Расчётная часть
1.
Определить массу
противовеса, рассчитать статические моменты и моменты инерции, приведенные к
валу двигателя.
2.
Построить
нагрузочные диаграммы, рассчитать мощность электродвигателя и выбрать его по
каталогу.
3.
Рассчитать
мощность и выбрать силовую схему импульсного регулятора напряжения для питания
электродвигателя.
4.
Рассчитать
электромеханические характеристики электропривода во всех режимах работы
системы электропривода.
5.
Рассчитать и
построить графики скорости и тока якоря при пуске и торможении, принимая
линейный во времени закон изменения напряжения на двигателе.
6.
Проверить
предварительно выбранный двигатель по нагреву и по перегрузочной способности.
7.
Рассчитать расход
электрической энергии за цикл работы и КПД установки.
б. Графическая часть
1.
Кинематическая
схема привода подъемника.
2.
Нагрузочная
диаграмма работы электропривода.
3.
Схема силовой
цепи электропривода.
4.
Электромеханические
характеристики электропривода.
5.
Графики скорости,
момента и вторичного тока в зависимости от времени работы.
Грузоподъемность - 8000Н
Скорость подъема кабины - 1,5м/с
Масса кабины - 300кг
Диаметр канатоведущего шкива - 0,7м
КПД системы - 0,8
Высота подъема - 10 м
Число несущих канатов - 4
Масса одного погонного метра канатов
- 0,5 кг
Передаточное число редуктора - 36
Момент инерции редуктора и канатоведущего
шкива составляет 20% от момента инерции двигателя.
Максимально допустимое ускорение и
замедление - 1,5м/с2
Допустимая неточность останова -
0,02 м
Время работы аппаратов, дающих
импульс на торможение - 0,25с
15%
Относительное отклонение массы груза
-
20%
Тормозной момент механического
тормоза равен 1,75 от номинальному момента электродвигателя
Отклонение момента тормоза -
15%
Время паузы от подъема до спуска - 50с
Время паузы после спуска до нового
подъема - 70с
Рис.1 Кинематическая
схема
Технические условия:
1.
Сеть переменного
тока, напряжением 220В.
2.
Для привода
подъемника используется двигатель постоянного тока независимого возбуждения.
3.
Работа подъемника
состоит в попеременном подъеме кабины с грузом и опускании порожней кабины.
4.
При останове с
пониженной скоростью применяется торможение наложением механического тормоза.
5. Моментами инерции
направляющего и отводного шкивов пренебречь.
6. Кинематическая схемы
приведена на рис.1
2. Определение статических нагрузок и
моментов инерции, приведенных к валу двигателя подъемника
Противовес для лифтов
выбирается с таким расчётом, чтобы он уравновешивал вес подъёмного сосуда
(кабины) и часть номинального поднимаемого груза:
где α – коэффициент
уравновешивания, обычно принимается равным 0.4 – 0.6.
отсюда следует, что
кг.
Найдём радиус приведения
к валу двигателя
м
По заданию
грузоподъемность
кг.
Момент инерции
приведенный к валу двигателя
кгм
Так как при подъеме
привод работает в двигательном режиме, то надо делить на
Найдем моменты
сопротивления при подъёме:
Теперь найдем момент
сопротивления при спуске, причем привод здесь тоже работает в двигательном
режиме с порожней кабиной тогда :

Рис.2 Тахограмма и нагрузочная диаграммы
подъемника
Ускорение вала двигателя
при пуске и торможении:
Время пуска
где
– установившаяся скорость подъема, м/с.
Примем время пуска tп равным времени торможения tт в обоих направлениях движения подъемника.
Угловая скорость вращения
вала ЭД
где u – скорость подъемника, м/с.
Расстояние, пройденное
подъемником при пуске (торможении):
Расстояние, пройденное
подъемником с установившейся скоростью:
Время движения подъемника
с установившейся скоростью:
Время цикла:
Время работы при подъеме
и спуске:
c.
Время работы суммарное:
Найдем продолжительность
включения:
Момент на валу ЭД при
пуске на подъем:
Момент на валу ЭД при
установившейся скорости при подъеме подъемника:
Момент на валу ЭД при
торможении на подъем:
Момент на валу ЭД при
пуске на спуск:
Момент на валу ЭД при
установившейся скорости при спуске подъемника:
Момент на валу ЭД при
торможении на спуске:
Эквивалентный момент ЭД
за все время работы:
При определении
номинального расчетного момента для учета момента инерции самого двигателя
примем поправочный коэффициент из ряда.
Принимаем
Номинальная расчетная
мощность ЭД:
Частота вращения ЭД
расчетная:
Т.к. Рн.р. >
4 кВт, то для питания силовой цепи преобразователя используем трех фазное
напряжение Uс = 380В.
Выбираем электродвигатель
постоянного тока серии 4ПНМ 112 – 4ПНМ 180
|
Тип двигателя
|
2ПН-160L
|
|
Номинальный
вращающий момент Мн
|
65,7
|
|
Номинальная
частота вращения nн ,об/мин
|
1500
|
|
Номинальная
мощность Рн ,кВт
|
|
Номинальный
ток Iн ,А
|
56
|
|
Номинальное
напряжение Uн ,В
|
220
|
|
Номинальный
магнитный поток Фн ,Вб
|
11
|
|
Момент инерции
J ,кг*м2
|
0,104
|
|
Электромеханическая
постоянная времени, Тм, мс
|
12,75
|
|
Электромагнитная
постоянная времени, Тэ, мс
|
18,35
|
|
Число витков
обмотки якоря Wя
|
186
|
|
Сопротивление
обмотки якоря Rя ,Ом
|
0,096
|
|
Cопротивление
добавочных полюсов при 15°с Rд.п
|
0,073
|
|
Индуктивность
якорной цепи при полном поле Lя
|
3,1
|
|
Число витков
на полюс обмотки возбуждения Wв
|
870
460
|
|
Сопротивление
обмотки возбуждения при 15°с Rв
|
65,3
17,7
|
|
Коэффициент
момента Км
|
1,17
|
|
Коэффициент
Э.Д.С. Ке
|
0.123
|
|
Максимальный
магнитный поток Фм
|
9,65
|
|
Максимальная
намагничивающая сила
|
1140
|
|
Коэффициент К1
|
2
|
Расчет недостающих
параметров
Полное сопротивление:
Определим коэффициент с:
Электромагнитная
постоянная времени якорной цепи:
4. Расчет
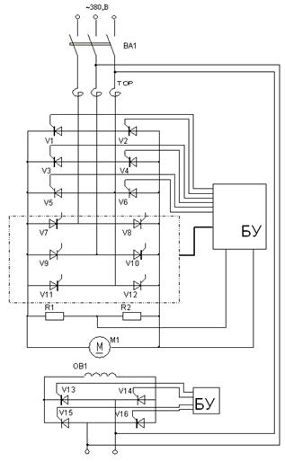
и выбор силовой схемы ТП
Рис.3 Электрическая схема силовой цепи
преобразователя
1) Выбор силовой схемы
Выбор осуществляется из
условия:

где Ud – выпрямленное напряжение
преобразователя, В,
Id – выпрямленный ток, А.
Номинальная электрическая
мощность, потребляемая от преобразователя:
Мощность, потребляемая
обмоткой якоря:
Мощность, потребляемая
обмоткой возбуждения; задаемся из ряда:
Рв.н =
(0,01÷0,05) Рн,
Принимаем:
где Рэл.н –
номинальная электрическая мощность ЭД, Вт,
Ря.н –
номинальная мощность обмотки якоря, Вт,
Рв.н –
номинальная мощность обмотки возбуждения, Вт.
Индуктивность якорной
цепи ЭД:
где γ – коэффициент
компенсации,
рп – число пар
полюсов,
Lя – индуктивность якорной цепи, Гн.
Т.к. выбранный ЭД имеет Рн
< 100 кВт, то для него не предусматриваются компенсационные обмотки и γ
= 0,6.
Число пар полюсов по
аналогии с машиной переменного тока, для которой
где nс – синхронная частота вращения, об/мин,
f – частота питающей сети, Гц.
Из выражения (14) имеем

Принимаем рп =
2.
Постоянная времени
якорной цепи:

2) Выбор тиристорного
преобразователя
Номинальный ток ЭД с
учетом обмотки возбуждения:

Выбираем комплект
электропривода ЭПУ 1-2-39.24ЕУХЛ4,
где Э – электропривод,
П – постоянного тока,
У – унифицированный,
1 – номер разработки,
2 – реверсивный,
39 – на Id = 80 А,
2 – на Ud = 220 В,
4 – Uс = 380 В, f = 50 Гц,
Е – однозонный с обратной
связью по ЭДС,
УХЛ4 – климатическое
исполнение ГОСТ 15150-69.
Выбираем станочный блок
БС 3 2 03-39 44 С E УХЛ4,
где БС - блок станочный,
3 – класс: статический
преобразователь для электроприводов постоянного тока,
2 – реверсивный,
03 – номер разработки,
37 – номинальный ток 80А,
4 – номинальное
напряжение 220 В,
С – 380 В
Е – однозонный с обратной
связью по ЭДС,
УХЛ4 – климатическое
исполнение ГОСТ 15150-69.
3) Выбор
токоограничивающего реактора
Принимаем на Uн = 220 В, Iн = 100 А.
XТ = 0,092 Ом;Rт = 29,3·10-3 Ом.
LТ
,
где XТ, Rт, LТ - реактивное, активное сопротивление и индуктивность
токоограничивающего реактора.
Тип РТСТ – 100 – 1,08
4) Выбор сглаживающего
дросселя
Для снижения содержания
гармоник в выпрямленном токе является включение сглаживающего дросселя последовательно
с якорем электродвигателя.
Величина Idгр имеет максимальную величину при
α = π/2
(23)
где Ld = Lя – индуктивность цепи нагрузки преобразователя, определяемая
индуктивностью якоря,
Idгр – граничный ток без СД в цепи якоря.
Ток статический при
подъеме равен:
Ток статический при
спуске равен:
Т.к. статический ток при
спуске больше чем граничный ток (
). Отсюда делаем
вывод: нет необходимости применять сглаживающий дроссель для уменьшения Iгр.
5. Расчет
построение механических характеристик ЭП
Уравнение механической
характеристики имеет вид:
где
,
В
-
сопротивление сглаживающего дросселя
Регулирование скорости в
рассмотренной системе ЭП осуществляется путем изменения угла запаздывания
открывания вентилей α, т.е. изменением ЭДС преобразователя Ed.
Определим угол
регулирования для пуска при подъеме:
,

Определим угол
регулирования для торможения при подъеме:
Граница прерывистых
моментов строится по следующим выражениям:
где
тогда
Рис.4 Механическая характеристика для
пуска (1) и торможения (2) при подъеме
Определим угол
регулирования для пуска при спуске:
,

Определим угол
регулирования для торможения при спуске:
Тогда
Рис.5 Механическая характеристика для
пуска и торможения при спуске
6. Графики зависимости скорости и
тока якоря от времени за один цикл работы
Согласно данной структурной схеме (рис.6) в среде
имитационного моделирования MATLAB
6.5 – Simulink была составлена следующая модель:
Рис.6 Модель привода в среде имитационного моделирования MATLAB 6.5.
В процессе исследования снимались графики зависимостей
,
,
и
Здесь суммарный момент инерции определяется:

,
Остальные значения были рассчитаны ранее.
Рис.7 Графики зависимости 
7.
Проверка выбранного двигателя по нагреву и по перегр. способности
Для проверки ЭД по
нагреву воспользуемся методом эквивалентного тока.
По нагрузочной диаграмме
определим среднеквадратичный ток ЭД за цикл:
где Iяэ – эквивалентный ток цепи якоря, А,
iя – мгновенный ток якоря, А.
Разобьем цикл движения
подъемника на участки согласно пункту 2. При расчете Iяэ примем усредненное значение тока согласно нагрузочной
диаграмме.
Подставив получим:
Т.к. номинальный ток
якоря ЭД равен 56,0 А, а эквивалентный ток якоря за цикл Iяэ = 12,2 А, то выбранный выше ЭД
принимаем окончательно.
8.
Определение расхода электрической энергии за цикл работы подъемника, среднециклический
КПД
Переходные процессы во
времени при пуске и торможении электропривода пренебрежимо малы по сравнению со
временем работы в установившемся режиме, поэтому расход энергии в переходных
процессах учитывать не будем.
Ток якоря

.
Расход активной энергии в
якорной цепи:

.
Расход активной энергии в
цепи возбуждения:

.
Суммарная активная
энергия за цикл работы:

.
Полезная работа по
поднятию груза (
):

.
Среднециклический КПД:
.
Заключение
В курсовом проекте
рассчитан электропривод пассажирского подъёмника. По номинальным значениям
угловой скорости и момента был выбран двигатель постоянного тока. Для данного
двигателя был подобран тиристорный преобразователь. Далее рассчитаны и
механические характеристики, переходные процессы при пуске и реверсе, которые
были получены при помощи модели. Выбранный двигатель проверил по теплу и перегрузочной
способности. В данной работе укрепил знания по моделированию, углубились знания
ДПТНВ и принцип работы подъемника.
Список
литературы
1. М.М.Соколов. Автоматизированный электропривод общепромышленных
меха-низмов. Изд. 3-е, перераб. и доп. М.: Энергия.1976.
2. Теория электрического привода.
Задачник по курсовым расчетным работам. Чебоксары.: ЧГУ. 1983.
3. Под ред. И.П. Копылова. Справочник
по электрическим машинам. Том 1. М.: Энергоатомиздат. 1988.
4. Указатель каталогов Минэлектропрома.
М.: 2000.
5. Электротехнический справочник под
ред. МЭИ.