Нормирование точности и технические измерения

  • Вид работы:
    Контрольная работа
  • Предмет:
    Другое
  • Язык:
    Русский
    ,
    Формат файла:
    MS Word
    141,13 Кб
  • Опубликовано:
    2014-07-18
Вы можете узнать стоимость помощи в написании студенческой работы.
Помощь в написании работы, которую точно примут!

Нормирование точности и технические измерения

УЧРЕЖДЕНИЕ ОБРАЗОВАНИЯ

"МИНСКИЙ ГОСУДАРСТВЕННЫЙ МАШИНОСТРОИТЕЛЬНЫЙ КОЛЛЕДЖ"








Контрольная работа

"Нормирование точности и технические измерения"


Исполнитель:

студент группы - 124-ДК

Кудерко Василий Александрович







Минск 2014г.

Задача № 1


Для соединения: ∅90H/z8

1. Расшифровать обозначения;

. Рассчитать предельные размеры и допуск отверстия и вала;

. Построить схему полей допусков;

. Рассчитать предельные зазоры (натяги) и допуск посадки;

. Найти отклонения отверстия и вала;

Решение:

.∅90H8/z8-сопражение отверстия и вала в системе отверстия с номинальным размером 90мм, в восьмом квалитете точности, вал обеспечивает посадку с натягом, посадка основная.

. Расчет начинаем с основной детали системы. Вал ∅90z8

es = +312мкм = +0,312мм

ei = +258мкм = +0,258мм

∅90z

dmax = d+es = 90+0,312 = 90,312мм

dmin = d+ei = 90+0,258 = 90,258мм

ITd = es-ei = 312-258 = 54мкм = 0,054мм

Отверстие ∅90Н8

ES = +54мкм = +0,054мм

EI = 0

∅90H

Dmax = D+ES = 90+0,054 = 90,054мм

Dmin = D+EI = 90+0 = 90мм

ITD = ES-EI = 54-0 = 54мкм = 0,054мм

3. Строим схему полей допусков


4. Рассчитаем предельные натяги и допуск посадки:

Nmin = dmin-D max = es-EI = 312мкм = 0,312мм

Nmin = dmin-Dmax = ei-ES = 258-54 = 204мкм = 0,204мм

TN = Nmax-Nmin = TD+Td = 0,312-0,204 = 0,108мм

Задача № 2


Для соединения: ∅90H/z8

. Рассчитать предельные и исполнительные размеры пробки и скобы;

2. Построить схемы полей допусков;

. Выполнить эскизы калибров с указанием маркировки и технических требований.

Решение:

1. По ГОСТ 24853-89 найдем отклонение размера и рассчитаем предельные размеры калибра-пробки ∅90Н8

∅90≤180 диаметр отверстия D=90 с полем допуска Н8

ES = +54

EI = 0

Dmax = 90,054мм

Dmin = 90мм

2. Определим номинальные размеры проходного и непроходного калибров:

ПР-Dmin = 90мм

НE- Dmax = 90,054мм

. Согласно СТ 157-75 для заданного интервала размеров находим (мкм)

H = 6мкм = 0,006мм

z = 8мкм = 0,008мм

a = 0

y = 6мкм = 0,006мм

. Учитывая схему расположения полей допуска калибра-пробок, вычислим наибольший и наименьший размер проходного калибра-пробки:

ПРmax = Dmin+z-(H/2) = 90+0,008+(0,006/2) = 90,011мм;

ПРmin = Dmin+z-(H/2) = 90+0,008-(0,006/2) = 90,005мм

ПРизн = Dmin-y+a = 90-0,006+0 = 89,994мм

5. Определим исполнительный размер проходного калибра-пробки, который равен:

ПРисполн =

6. Вычислим наибольший и наименьший размер непроходного калибра-пробки:

НЕmax = Dmax+(H/2)-a = 90,054+(0,006/2)-0 = 90,057мм

НЕmin = Dmax-(H/2)-a = 90,054-(0,006/2)-0 = 90,051мм

7. Определим исполнительный размер непроходного калибра-пробки, равен:

HEнеисполнит=


1. По ГОСТ 24853-89 найдем отклонение размера и рассчитаем предельные размеры калибра-скобы ∅90z8

Находим предельное отклонение отверстия:

es = 312мкм

dmin = 90,258мм

dmax = 90,312мм

2. Определим номинальные размеры проходного и непроходного колибров:

ПР-dmax = 90,312мм

НЕ-dmin = 90,258мм

. Согласно СТ 157-75 для заданного интервала размеров находим (мкм)

z1 = 8мкм = 0,008мм

y1 = 6мкм = 0,006мм

Н1 = 10мкм = 0,010мм

а1 = 0

4. Учитывая схему расположения полей допуска калибра-скобы, вычислим наибольший и наименьший размер проходного калибра-скобы:

ПРmax = dmax-z1+(H1/2) = 90,312-0,008+(0,010/2) = 90,309мм

ПРmin = dmax-z1-(H1/2) = 90,312-0,008-(0,010/2) = 90,299мм

ПРизн = dmax+y1-a1 = 90,312+0,006-0 = 90,318мм

. Определим исполнительный размер проходного калибра-скобы:

ПРисполнит = ПРmin1 = 90,299+0,010мм

6. Вычислим наибольший и наименьший размер непроходного калибра-скобы:

НЕmax = dmin+(H1/2)+a1 = 90,258+(0,010/2)+0 = 90,263мм

НЕmin = dmin-(H1/2)+a1 = 90,258-(0,010/2)+0 = 90,253мм

7. Определим исполнительный размер непроходного калибра-скобы, равен:

НЕисполнит = НЕmin1 = 90,253+0,010

8. Схема допуска полей калибра-скобы

 

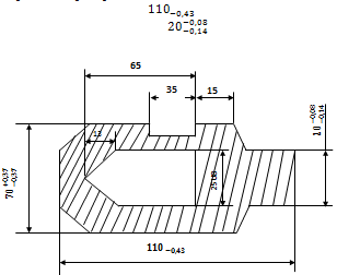
Задача № 3


Для размеров, указанных на чертеже:

. Назначить допуск свободных размеров;

. Определить годность, если готовое изделие имеет следующие действительные размеры: 64,9; 35,04; 24,915; 20; 109,5; 69,8

3. Определить примерный (точный) квалитет точности:

допуск зазор калибр маркировка


Решение:

. Назначим допуски свободных размеров.

1.1. Определим вид свободной поверхности и назначим уровень точности:

∅65- отверстие 65+0,74 (65H14)

70- вал 70-0,74 (70h14)

- вал 15-0,43 (15h14)

∅35- отверстие 35+0,62 (35H14)

- остальная поверхность 13±; 13±0,215

1.2. Находим допуски и отклонения по таблицам ГОСТ 25347-89

∅65H14(+0,74)

ES = +740мкм = +0,74мм

EI = 0

Dmax = D+ES = 65+0,74 = 65,74мм

Dmin = D+EI = 65+0 = 65мм

70h14-0,74

es = 0

ei = -740мкм = -0,74мм

dmax = d+es = 70+0 = 70мм

dmin = d+ei = 70+(-0,74) = 69,26мм

15h14-0,43

es = 0

ei = -430мкм = -0,43мм

dmax = d+es = 15+0 = 15мм

dmin = d+ei = 15+(-0,43) = 14,57мм

∅35H14(+0,62)

ES = +620мкм = +0,62мм

EI = 0

Dmax = D+ES = 35+0,62 = 35,62мм

Dmin = D+EI = 35+0 = 35мм

13±(IT14/2) = 13±0,215max = 13,215мм

dmin = 12,785мм

25U8= -48мкм = -0,48мм

EI = -81мкм = -0,81мм

Dmax = D+ES = 25+(-0,48) = 24,52мм

Dmin = D+EI = 25+(-0,81) = 24,19мм

110-0,43

es = 0

ei = -0,43мм = -430мкм

dmax = D+ES = 110+0 = 110мм

dmin = D+EI = 110+(-0,43) = 109,57

es = -0,08мм = -80мкм

ei = -0,14мм = -140мкм

dmax = d+es = 20+(-0,08) = 19,92мм

dmin = d+ei = 20+(-0,14) = 19,86мм

2. Определим годность размеров.

При изготовлении детали получены следующие действительные размеры: Dr1=64,9мм; Dr2= 35,04мм; Dr3=24,915мм; dr4= 20мм; dr5=109,5мм; dr6=69,8мм.

Условия годности размера dmax ≥ dr ≥ dmin

2.1. ∅65H14(+0,74)

Dr1 = 64,9мм

Es = +0,74

Ei = 0, следовательно согласно формуле:

Dmax = D+Es = 65+0,74 = 65,74мм

Dmin = D+Ei = 65+0 = 65мм

Определим годность размера, для этого существует условие годности детали:

dmax ≥ d1 ≥ dmin; Dmax ≥ D1 ≥Dmin, отсюда

65,74 > 64,9 > 65, условия годности не соблюдаются, так как

65,74 > 64,9 < 65, размер считается не годным, брак исправимый.

2.2. ∅35H14(+0,62)

Dr2 = 35,04мм

Dmax = 35,62мм

Dmin = 35мм,

,62 > 35,04 > 35, условия годности соблюдаются, размер годен.

2.3. 25U8r3 = 24,915мм,

Dmax = 24,52мм

Dmin = 24,19мм

24,52 > 24,915 > 24,19, условия годности не соблюдаются, так как

,52 < 24,915 > 24,19, брак исправимый

.4.

dr4 = 20мм

dmax = 19,92мм

dmin = 19,86мм

19,92 > 20 > 19,86, условия годности не соблюдаются, так как

,92 < 20 > 19,86, брак исправимый

.5.110-0,43

dr5 = 109,5мм

dmax = 110мм

dmin = 109,57мм

> 109,5 > 109,57, условия годности не соблюдаются, так как

110 > 109,5 < 109,57, dr получился меньше наименьшего размера, брак неисправимый

.6. 70h14-0,74

dr6 = 69,8мм

dmax = 70мм

dmin = 69,26мм

70 > 69,8 > 69,26, условия годности соблюдаются, размер годен.

.Определим примерный квалитет точности для размеров 110-0,43 и

Рассчитаем допуски:

IT = es-ei

IT1 = 0-(-0,43) = 0,43мм = 430мкм

IT2 = -0,08-(-0,14) = 0,06мм = 60мкм

В таблице квалитетов точности находим строчку, в которою входит размер 110мм. Это интервал 80….120мм. В строке ищем число, ближайшее IT = 430 мм. Это цифры 350мм и 540мм, к IT = 430мкм ближе цифра 350мм. Поэтому принимаем приблизительно IT12.

IT = 430мм ≈ IT12 = 350мкм

Для размера 20мм IT9 = 52мкм - число ближайшее к IT = 60мкм: ≈ IT9

Задача № 4


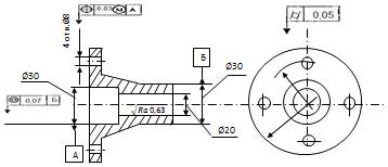
Расшифровать технические требования, проставленные на чертеже детали:


Решение:



Задача № 5


Назначить допуски шпоночного соединения для вала ∅45

В=80мм-ширина ступицы зубчатого колеса;

Условия работы: нагрузка, скорость - затруднённые условия сборки.

Выполнить эскизы вала и зубчатого колеса с указанием технических требований к ним;

Решение:

. По ГОСТ 23360-79 найдем номинальные размеры шпоночного соединения b×h×l, t1, t2.

Для вала ∅45 мм определяем b×h=14×9 длина l от 36 до 160 мм. Длина шпонки должна быть min на 3…5 мм короче ширины ступицы зубчатого колеса.

Задано В=80 мм, значит длина l может быть 77…75 мм. Но этот параметр стандартизирован и выбирается из ряда чисел, записанного в п.3 ГОСТ 23360-79. Поэтому выбираем l=70 мм.

b×h×l= 14×9×70

t1 = 5,5 мм2 = 3,8 мм

. Назначим допуски для вала и зубчатого колеса по диаметру.

Для сопряжения вала и отверстия в зубчатом колесе рекомендуется допуски назначать по системе отверстия с учетом условий работы.


Для заданных условий работы (нагрузка, скорость - затруднённые условия сборки) назначаем:


3. Проанализировав заданные условия работы, назначим свободное шпоночное соединение по размеру b: h9+H9+D10

4. Назначим допуски паза вала и выполним рабочий чертеж с указанием размеров и допусков.

-

l - 70H15

t1 - 5,5+0,2

∅45 - ГОСТ 25347-89

T = 2Tb = 2×0,043 = 0,086 мм

"b"


Допуск параллельности назначаем половине допуска размера b, T=2Tb.

5. Назначаем допуски паза втулки и выполним рабочий чертеж зубчатого колеса с указанием размеров и допусков:

b -  - ГОСТ 23360-79

(d+t2)+0=(45+3,8)+0,2=48,8+0,2 - ГОСТ 23360-79

∅45H7(+0,25) - ГОСТ 23347-89

T=2Tb=2×0,043=0,086мм


6. Назначаем допуски шпонки, выполним рабочий чертеж шпонки с указанием размеров и допусков:

b=14h9(-0,043), h=9h11(-0,110), l=70h14(-0,074)


Задача № 6


Выполнить расчёт резьбового соединения М24×2-8H/9g8g

1. Найти отклонения, рассчитать предельные размеры по 3-м диаметром болта и гайки;

2. Выполнить эскизы болта и гайки с указанием полей допусков;

Решение:

. Из заданного обозначения выпишем отдельно обозначение гайки:

M24×2-8H

2. Расшифруем выписанное обозначение:

М - метрическая резьба;

24×2 - наружний диаметр гайки;

шаг-мелкий (его величина на чертеже 2мм)

8 - степень точности;

Н - основное отклонение;

8Н - поле допуска гайки по двум нормируемым диаметром ( среднему и внутреннему).

. По ГОСТу 24705-81 найдем номинальные размеры резьбы:

D - наружный диаметр гайки, D=24,000 мм;

d - номинальный диаметр резьбы = 24;

P = 2 мм мелкий шаг;

D2, - средний диаметр гайки D2 = 22,701 мм;

D1 - внутренний диаметр гайки D1 = 21,835 мм.

. По ГОСТу 16093-81найдем отклонение резьбы по трем диаметрам, рассчитаем их предельные размеры и допуски.

.1. Найдем отклонение по наружному диаметру 24 мм:

ES = +не установлена

EI = 0

Dmin = 24+0 = 24мм

Dmax > 24мм

.2. Найдем отклонение по среднему диаметру D2= 22,701 мм

ES = +355мкм = +0,355мм

EI = 0

D2max = D2+ES

D2max = 22,701+0,355 = 23,056мм

D2min = D2 = EI2min = 22,701+0 = 22,701мм

ITD2 = ES-EI2 = 355-0 = 355мкм = 0,355мм

4.3. Найдем отклонение по внутреннему диаметру D1 = 21,835 мм

ES = +600мкм = +0,6мм

EI = 0

D1max = D1+ES

D1max = 21,835+0,6 = 22,435мм

D1min = D1+EI1min = 21,835+0 = 21,835мм

ITD1 = ES-EI1 = 600-0 = 600мкм = 0,6мм

5. Построим схему расположения полей допусков:


Расчет болта:

1. Из заданного обозначения выпишем отдельно обозначение болта:

M24×2-9g8g

2. Расшифруем выписанное обозначение:

М - метрическая резьба;

24×2 - наружний диаметр гайки;

шаг-мелкий (его величина на чертеже 2мм)

9, 8 - степень точности;

g - основное отклонение;

g - поле допуска среднего диаметра;

3. По ГОСТу 24705-81 найдем номинальные размеры резьбы:, d- наружный диаметр болта, d=D=24,000 мм;- номинальный диаметр резьбы = 24;= 2 мм мелкий шаг;2 - средний диаметр болта d2 = 22,701 мм;1 - внутренний диаметр болта d1 = 21,835 мм.

. По ГОСТу 16093-81найдем отклонение резьбы по трем диаметрам, рассчитаем их предельные размеры и допуски.

.1. Найдем отклонение по наружному диаметру d = 24мм

еs = -38мкм = -0,038мм

ei = -488мкм = -0,488мм

dmax = d+esmax = 24+(-0,038) = 23,962мм

dmin = d+eimin = 24+(-0,488) = 23,512мм

ltd = es-ei= -38-(-488) = 450мкм = 0,450мм

4.2. Найдем отклонение по среднему диаметру d2 = 22,701мм

еs = -38мкм = -0,038мм

ei = -373мкм = -0,373мм

d2max = d2+es2max = 22,701+(-0,038) = 22,663мм

d2min = d2+ei2min = 22,701+(-0,373) = 22,328мм

ltd2 = es-ei2 = -38-(-373) = 335мкм = 0,335мм

4.3. Найдем отклонение по внутреннему диаметру d1 = 21,835мм

еs = -38мкм

ei = -не установлено

d1max = d1+es

d1max = 21,835+(-0,038) = 21,797мм

d1min < 21,797мм

5. Построим схему расположения полей допусков:

 

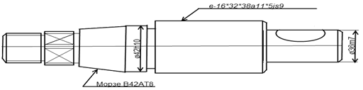
Задача № 7


1. Расшифровать обозначения допусков, данные на чертеже:



Решение:

.1. ∅42h10-вал в системе вала с номинальным ∅42мм в 10-м квалитете точности; h-основное отклонение; h10-поле допуска.

1.2. ∅36m7-вал в системе отверстия с номинальным ∅36мм в 7-м квалитете точности; m-основное отклонение; m7-поле допуска.

1.3. Морзе B42AT8-инструментальный укороченный конус Морзе с допуском угла α, по 8-й степени точности.

1.4. b-16×32×38a11×5𝒿9-шлицевой вал, b-центрирование по боковым сторонам зуба; 16-число зубьев внутренний нецентрированный диаметр; 38а1-наружний нецентрированный диаметр и его поле допуска а11; 5𝒿s9-толщина зуба на валу 5мм и поле допуска 𝒿s9.

Список использованных источников


1.      ГОСТ 16093-81 Резьба метрическая. Допуски с зазором. Введ. 01.01.1982г. - Москва: Государственный комитет СССР по стандартам. Издательство стандартов 1981г. - 30с.;

.        ГОСТ 23360-78 Соединения шпоночные с призматическими шпонками. Введ. 01.01.1980г. - Москва: Государственный комитет СССР по стандартам. Издательство стандартов 1978г.;

.        ГОСТ 24705-81 Резьба метрическая. Основные размеры. Введ. 01.01.1982г. - Москва: Государственный комитет СССР по стандартам. Издательство стандартов 1981г.;

.        ГОСТ 24853-81 Калибры гладкие для размеров до 500 мм. Введ. 01.01.1983г. - Москва: ИПК Издательство стандартов 1981г. - 9с.;

.        ГОСТ 25347-89 Поле допусков и рекомендуемые посадки. Введ. 01.07.1983г. - Москва: Государственный стандарт союза ССР 1989г. - 54с.;

.        Зайцев С.А., Толстов А.Н., Куранов А.Д. Нормирование точности. Москва, издательство "ACADEMA" 2004г. - 256с.;

.        Козловский Н.С., Виноградов А.Н. Основы стандартизации, допуски, посадки и технические измерения. - М.: Машиностроение,1982г. - 284с.;

.        Соломахо В.Л., Цитович Б.В. Основы стандартизации, допуски, посадки, технические измерения. - Мн.:Дизайн ПРО, 2004г. - 296с.

Похожие работы на - Нормирование точности и технические измерения

 

Не нашли материал для своей работы?
Поможем написать уникальную работу
Без плагиата!
Без нейросетей!