Нормирование точности и технические измерения

  • Вид работы:
    Курсовая работа (т)
  • Предмет:
    Другое
  • Язык:
    Русский
    ,
    Формат файла:
    MS Word
    813,67 Кб
  • Опубликовано:
    2013-06-21
Вы можете узнать стоимость помощи в написании студенческой работы.
Помощь в написании работы, которую точно примут!

Нормирование точности и технические измерения

СОДЕРЖАНИЕ

ВВЕДЕНИЕ

. ДОПУСКИ И ПОСАДКИ ГЛАДКИХ ЦИЛИНДРИЧЕСКИХ СОЕДИНЕНИЙ

.1 Исходные данные

.2 Содержание задания

.3 Выполнения задания

. РАСЧЁТ ИСПОЛНИТЕЛЬНЫХ РАЗМЕРОВ ГЛАДКИХ КАЛИБРОВ

.1 Исходные данные

.2 Содержание задания

.3 Выполнения задания

. ДОПУСКИ И ПОСАДКИ ШПОНОЧНЫХ И ШЛИЦЕВЫХ СОЕДИНЕНИЙ

.1 Шпоночные соединения

.1.1 Исходные данные

.1.2 Содержание задания

.1.3 Выполнения задания

.2 Шлицевые соединения

.2.1 Исходные данные

.2.2 Содержание задания

.2.3 Выполнения задания

. НОРМИРОВАНИЕ ТОЧНОСТИ МЕТРИЧЕСКОЙ РЕЗЬБЫ

.1 Исходные данные

.2 Содержание задания

.3 Выполнения задания

. НОРМИРОВАНИЕ ТОЧНОСТИ ЦИЛИНДРИЧЕСКИХ ЗУБЧАТЫХ КОЛЁС И ПЕРЕДАЧ

.1 Исходные

.2 Содержание задания

.3 Выполнения задания

. РАСЧЁТ РАЗМЕРНЫХ ЦЕПЕЙ

.1 Исходные данные

.2 Содержание задания

.3 Выполнения задания

ИСПОЛЬЗУЕМАЯ ЛИТЕРАТУРА

ВВЕДЕНИЕ

Знание основ нормирования точности является обязательным требованием для всех специалистов, работающих в любой области машиностроения и приборостроения.

Выполнение курсовой работы по дисциплине «Нормирование точности и технические измерения» («Взаимозаменяемость, стандартизация и технические измерения») способствует развитию у студентов практических навыков самостоятельной работы с нормативно-технической документацией, стандартами, справочной технической литературой.

Курсовая работа состоит из ряда независимых друг от друга частей, каждая из которых имеет отдельный набор исходных данных. Каждая из частей посвящена вопросам нормирования точности определенного вида соединений, из числа тех, что находят наиболее широкое применение в современном машиностроении и приборостроении.

Выполнение данной курсовой работы было невозможно без использования справочной литературы. В тексте курсовой работы даются подробные ссылки на соответствующие таблицы из нормативных документов. Требуемые табличные данные можно найти непосредственно в стандартах [1-14], а также в справочниках [15-16] и методических указаниях [19].


1. ДОПУСКИ И ПОСАДКИ ГЛАДКИХ ЦИЛИНДРИЧЕСКИХ СОЕДИНЕНИЙ

1.1 Исходные данные

Номинальный диаметр соединения  мм.

Предельные отклонения отверстия ES= +333 мкм; EI= +300 мкм.

Предельные отклонения вала es= +23 мкм; ei= +2 мкм.

1.2 Содержание задания

1. Рассчитать предельные размеры и допуски отверстия и вала.

. Определить квалитеты отверстия и вала.

. Подобрать буквенные обозначения основных отклонений и записать обозначение посадки.

. Рассчитать предельные зазоры и (или) натяги в посадке и допуск посадки, определить вид соединения в посадке (с зазором, с натягом, переходная).

. Изобразить схему расположения полей допусков, указать на ней размеры, допуски, предельные отклонения.

. Назначить значение параметра шероховатости поверхностей и подобрать конечную операцию механической обработки отверстия и вала.

. Вычертить эскиз сопрягаемых деталей в сборке и подетально, указать на эскизе обозначение посадки, полей допусков, предельных отклонений, шероховатостей.

1.3 Выполнения задания

1. Рассчитаем предельные размеры отверстия и вала:

мм;

мм;

мм;

мм.

Допуски на размеры отверстия и вала равны:

мм;

мм.

2. Определяем граничные значения интервала, к которому принадлежит номинальный размер, воспользовавшись таблицей допусков [ 15, с. 43-44; 19, с. 6]. Для мм;

; .

Находим среднее геометрическое значение для данного интервала:

мм.

Единицу допуска i для размеров в диапазоне от 0 до 500 мм найдём по формуле

мкм.

Квалитет изготовления деталей можно найти, определив число единиц допуска а в формуле допуска Т= аi. В нашем случае известны допуски отверстия TD и вала Td, а также величина единицы допуска i . Тогда число единиц допуска для отверстия и вала соответственно равны

 .

По таблице допусков [15, с. 43-44; 19, с. 7] находим, что отверстие выполнено по 7 квалитету (IT8), для которого число единиц допуска равно 25, а вал выполнен по 6 квалитету (IT7), для которого число единиц допуска равно 16.

. Определяем, какое из двух отклонений ( вернее или нижнее) является основным для отверстия и вала. Поскольку основным является отклонение, ближайшее к нулевой линии, то определить его можно следующим образом: основным будет то из двух отклонений, которое меньше по модулю. Для нашего случая получаем:

для отверстия основным отклонением является нижнее отклонение EI= +300 мкм;

для вала основным отклонением также является нижнее отклонение ei= +2 мкм.

По таблицам основных отклонений отверстий [15, с. 51; 19, с. 20] и валов [15, с. 19] находим их буквенное обозначения: для отверстия - A, для вала - k

Объединяя ранее найденные квалитеты с буквенными обозначениями основных отклонений, записываем обозначение полей допусков:

поле допуска отверстия - A9;

поле допуска вала - k6.

Полное обозначение искомой посадки имеет вид:

.

 Отмечаем, что посадка является внесистемной.

. Определяем предельные зазоры в посадке:

мм;

 мм.

Поскольку оба значения оказались положительными, имеем посадку с зазором.

Средний зазор равен:

мм.

Допуск посадки с зазором равен:

мм.

Для проверки полученного значения рассчитаем также допуски как сумму допусков отверстия и вала:

мм.

5. Вычерчиваем схему расположения полей допусков  , отметив её следующие характерные особенности:

предельные отклонения отверстия и вала положительные, поэтому поля допуска будут лежать по одной стороне нулевой линии;

данная посадка с зазором, поэтому поле допуска вала расположено ниже поля допуска отверстия.

На схеме показываю номинальный размер, предельные размеры отверстия и вала, допуски, наибольшие и наименьшие зазоры (рис.1).

Рисунок 1 - Схема расположений полей допусков

6. Назначаем шероховатость поверхности деталей [15, с. 523; 19, с. 39]. В диапазоне номинальных размеров от 50 до 120 мм для допуска формы, равного 60 % от допуска размера, находим:

для отверстия (IT9) среднее арифметическое отклонение профиля Ra 6,3 мкм;

для вала (IT6) среднее арифметическое отклонение профиля Ra 0,8 мкм.

Подбираем конечную операцию механической обработки отверстия и вала, ориентируясь на экономические квалитеты и показатели шероховатости поверхности [15, с.517; 19, с. 40]:

для отверстия (квалитет IT5, шероховатость Ra 0,8) назначаем чистовое внутреннее растачивание, обеспечивающее получение квалитета IT5 и шероховатость Ra 0,1…1,6;

для вала (квалитет IT6, шероховатость Ra 0,8) назначаем чистовое наружное шлифование, обеспечивающее получение квалитетов IT6…IT8 и шероховатость Ra 0,8…1,6.

. Изображаем эскиз соединения в сборе и подетально (рис. 2). На эскизе в отверстии с требованиями ЕСКД указываем номинальный размер, обозначения полей допусков вала и отверстия, значения предельных отклонений и показателей шероховатости поверхностей

а) б)  в)

Рисунок 2 - Эскиз соединения подетально и в сборе:

а - отверстие, б - вал, в - соединение в сборе

2. РАСЧЁТ ИСПОЛНИТЕЛЬНЫХ РАЗМЕРОВ ГЛАДКИХ КАЛИБРОВ

2.1 Исходные данные

Задана посадка  .

2.2 Содержание задания

1. Для заданной посадки определить предельные размеры вала и отверстия.

. Определить значения допусков и отклонений рабочих калибров в соответствии со стандартом.

. Рассчитать исполнительные размеры нерегулируемых рабочих калибров (пробки и скобы) для контроля отверстия и вала.

. Вычертить схему расположения полей допусков отверстия, вала и рабочих калибров, указать на схеме предельные размеры вала и отверстия и исполнительные размеры рабочих калибров.

. Определить квалитеты точности и шероховатость поверхностей рабочих частей калибров.

. Выполнить эскизы калибров, нанести на эскизы элементы маркировки.

2.3 Выполнения задания

1. Находим предельные отклонения отверстия и вала:

для поля допуска отверстия 12 H8: ES= +27 мкм, EI= 0 мкм [19, с.24];

для поля допуска вала 12 k7: es= +19 мкм, ei= +1 мкм [19, с.12].

Предельные размеры отверстия и вала:

мм;

мм;

мм;

мм.

2. Определим значения допусков и отклонений калибров. Для пробки для квалитета контролируемого отверстия IT8 находим [19, с. 73-74]:

допуск на изготовление пробки H= 3 мкм;

отклонение середины поля допуска пробки Z= 4 мкм;

допустимый выход размера изношенной пробки Y= 4 мкм.

Для скобы для квалитета контролируемого вала IT7 находим:

допуск на изготовление скобы = 3 мкм;

отклонение середины поля допуска пробки = 2,5 мкм;

допустимый выход размера изношенной пробки = 2 мкм.

. Находим предельные размеры проходной части пробки (номинальный диаметр до 180 мм, квалитет контролируемого отверстия IT8):

мм;

 мм;

мм;

мм;

мм.

Записываем исполнительные размеры пробки с допуском «в тело» калибра (т.е. в «минус»)

Р-ПР =  мм;

Р-НЕ=  мм.

Находим предельные размеры проходной и непроходной части скобы (номинальный размер до 180 мм, квалитет вала IT7):

мм;

мм;

 мм;

мм;

мм.

Записываем исполнительные размеры скобы с допуском «в тело» калибра (т.е. в «плюс»)

Р-ПР =мм;

Р-НЕ=  мм.

4. Вычерчиваем схему расположения полей допусков отверстия, вала и рабочих калибров.

Рисунок 3 - Схема расположения полей допусков отверстия, вала и рабочих калибров для посадки  

5. По таблице допусков [15, с. 43-44; 19, с. 6] определяем квалитеты точности рабочих частей калибров.

Для пробки: номинальный размер 12 мм, допуск Н= 3 мкм, это соответствует третьему квалитету (IT3).

Для скобы: номинальный размер 12 мм, допуск = 3 мкм, это соответствует третьему квалитету (IT3).

В соответствии с подобранными квалитетами по [15, с. 523; 19, с. 39] назначаем шероховатость рабочей поверхности калибров: для пробки и для скобы показатели Ra равен 0,2 мкм.

. Выполняю эскиз калибров с элементами маркировки (рис. 4, 5).

Рисунок 4 - Эскиз пробки с элементами маркировки

Рисунок 5 - Эскиз скобы с элементами маркировки

3. ДОПУСКИ И ПОСАДКИ ШПОНОЧНЫХ И ШЛИЦЕВЫХ СОЕДИНЕНИЙ

3.1 Шпоночные соединения

3.1.1 Исходные данные

Номинальный диаметр вала (втулки) 135 мм, длина втулки 110 мм, вид шпоночного соединения - плотное, исполнение №2 .

3.1.2 Содержание задания

. Определить номинальные размеры шпоночного соединения.

. Нормировать точность размеров шпонки и пазов на валу и во втулке.

. Определить допуски и предельные отклонения размеров шпоночного соединения.

. Определить предельные значения зазоров и натягов в посадках по ширине шпонки.

. Выполнить схему расположения полей допусков.

. Выполнить эскиз шпоночного соединения с обозначением посадок.

. Записать условное обозначение шпонки.

3.1.3 Выполнения задания

. Для соединения вала и втулки с номинальным диаметром 135 мм и длинной втулки 110 мм из ГОСТ 23360-78 [19, с. 51-52] выписываем стандартные номинальные значения всех размеров шпоночного соединения.

Для шпонки находим:

ширина шпонки b = 36 мм;

высота шпонки h = 20 мм;

длину шпонки из интервала 100…400 мм выбираем равной l = 100 мм;

фаска s = 1,1 мм.

Для паза на валу и во втулке:

ширина паза на валу  = b = 36мм;

глубина паза на валу = 12 мм;

длина паза на валу  = l = 100 мм;

ширина паза во втулке  = b = 36 мм;

глубина паза во втулке = 8,4 мм;

длина паза во втулке - не нормируется;

радиус закругления или фаска = 1,0 мм.

. Назначаем точность изготовления размеров шпонки и пазов.

Для ширины шпонки (размер b) назначаем поле допуска h9.

Для плотного соединения для ширины паза на валу (размер ) назначаем поле допуска P9, для ширины паза во втулке (размер ) назначаем поле допуска P9.

Для высоты шпонки (размер h) назначаем поле допуска h11, поскольку h > 6 мм.

Для глубины паза на валу и во втулке стандартом нормируются не поля допусков, а предельные отклонения: = ; .

Для посадки «шпонка-вал» по длине назначаем следующие поля допусков: для длины шпонки (размер l) - h14, для длины паза на валу (размер ) - Н15.

Найденные данные сводим в таблицу 1.

Таблица 1 - Номинальные размеры и поля допусков шпоночного соединения


Шпонка

Паз на валу

Паз во втулке

Ширина

b = 36 h9

= 36 P9

= 36P9

Высота(глубина)

h = 20 h11

=

Длина

l = 100 h14

 = 100 H15

не нормируется


. Для найденных полей допусков определяем предельные отклонения по ГОСТ 25347 - 82 [14] и рассчитываем допуски и предельные размеры (табл. 2).

Таблица 2 - Допуски и предельные размеры параметров соединения

Параметр

Обозначение

Номинальный размер, мм

Поле допуска

Предельные отклонения, мм

Предельные размеры, мм

Допуск, мм





верхнее

нижнее

max

min


Ширина шпонки

b

36

h9

0

-0,062

36

35,938

0,062

Ширина паза на валу

36

P9

-0,026

-0,088

35,974

35,912

0,062

Ширина паза во втулке

36

P9

-0,026

-0,088

35,974

35,912

0,062

Высота шпонки

h

20

h11

0

-0,130

20

19,870

0,13

Глубина паза на валу

12

-

+0,2

0

12,2

12

0,2

Глубина паза во втулке

8,4

-

+0,2

0

7,6

7,4

0,2

Длина шпонки

l

100

h14

0

-0,87

100

99,13

0,87

Длина паза на валу

100

H15

+1,4

0

101,4

100

1,4


. Определим предельные зазоры и натяги в посадках по ширине шпонки.

Для посадки «паз на валу - шпонка» 36:

мм;

мм.

Так как , а , посадка с натягом.

Для посадки «паз во втулке - шпонка» 36:

мм;

мм.

Так как , а , посадка с натягом

. Схема полей допусков шпоночного соединения по ширине шпонки (рис. 6).

Рисунок 6 - Схема полей допусков шпоночного соединения

6. Выполняем эскиз шпоночного соединения с обозначением посадок (рис. 7).

Рисунок 7 - Эскиз шпоночного соединения

7. Записываем условное обозначение шпонки:

Шпонка 2 - 36 х 20 х 100 ГОСТ 23360-78.

.2 Шлицевые соединения

3.2.1 Исходные данные

Заданы следующие параметры шлицевого соединения: число зубьев z = 6 мм, внутренний диаметр d = 23 мм, наружный диаметр D = 26 мм, способ центрирования - по боковым сторонам зубьев.

3.2.2 Содержание задания

Определить серию шлицевого соединения.

Назначить поля допусков размеров шлицевой втулки и шлицевого вала.

Записать условное обозначение шлицевого соединения.

Найти предельные отклонения размеров шлицевой втулки и шлицевого вала.

Изобразить эскиз с условным обозначением шлицевого соединения.

3.2.3 Выполнения задания

. В соответствии со стандартом [19, с. 54-55] определяем, что шлицевое соединение 6х23х26 относится к лёгкой серии и выписываем для него стандартное значение ширины зуба (шлица): b = 6,0 мм.

. Согласно рекомендации [19, с. 56-57] подбираем при центрировании по боковым сторонам, диаметру D посадку , для ширины зуба b - посадку .

Для нецентрирующего диаметра d для втулки выписываем рекомендуемое поле допуска H11.

Поле допуска для вала по внутреннему нецентрирующему диаметру d не нормируется. Стандартом ограничено лишь его минимальное значение dmin=d1=22,1мм

3. Условное обозначение заданного шлицевого соединения имеет вид:

x 23x26x6 .

4. По ГОСТ 25347-82 [14] определяем предельные отклонения размеров шлицевого вала и втулки (табл. 3).

Таблица 3 - Предельные отклонения параметров шлицевого соединения


d

D

b

Втулка

23H11

26H12

6D7

Вал

dmin=22,1

26a11

6f8


Вычерчиваем эскиз шлицевого соединения для центрирования по d, показываем его условное обозначение (рис. 8).

Рисунок 8 - Эскиз шлицевого соединения

4. НОРМИРОВАНИЕ ТОЧНОСТИ МЕТРИЧЕСКОЙ РЕЗЬБЫ

4.1 Исходные данные

Задана резьбовая посадка М6 - 6G/7е6е.

Результаты измерения болта:

измеренный наружный диаметр = 5,938 мм;

погрешность шага = 59 мкм;

погрешность половины угла профиля резьбы = 15′; = -8′ .

Результаты измерения гайки:

измеренный средний диаметр = 5,503 мм;

измеренный наружный диаметр = 5,025 мм;

погрешность шага = -40 мкм;

погрешность половины угла профиля резьбы = -15′; = 15′.

4.2 Содержание задания

1. Определить номинальные параметры резьбовой посадки.

. Найти основные отклонения и допуски диаметров болта и гайки.

. Определить предельные размеры диаметров болта и гайки.

. Рассчитать приведенный средний диаметр для болта и гайки и определить действительный зазор в резьбовом соединении.

. Определить годность деталей в соответствии с заданными результатами измерений.

. Вычертить схему расположения полей допусков заданной резьбовой посадки, указать на схеме номинальные размеры, допуски и предельные отклонения номинальных параметров резьбы.

4.3 Выполнения задания

1. Согласно заданному обозначению резьбовой посадки, номинальный (наружный) диаметр резьбы d=D= 6 мм. Поскольку в обозначении шаг не указан,то по ГОСТ 8724-2004 для резьбы М6 крупный шаг равен Р = 1 мм [19,с 41].

Номинальное значение среднего и внутреннего диаметров в соответствии с (4.1) равны:

 мм;

 мм.

. Определим допуски для диаметров болта и гайки в соответствии с ГОСТ 16093-2004:

для болта - допуск на средний диаметр (6 степеней точности)  112 мкм [19, с. 47]; допуск на наружный диаметр (6 степеней точности) Td = 180 мкм [19, с. 45];

для гайки - допуск на средний диаметр (6 степеней точности)  150 мкм [19, с. 49]; допуск на наружный диаметр (6 степеней точности)  = 236 мкм [19, с. 45].

Основные отклонения диаметров резьбы [19, с. 50]:

для болта (отклонение е) - верхнее отклонение es = -60 мкм;

для гайки (отклонение G) - нижнее отклонение EI = +26 мкм.

. Найдём предельные размеры диаметров болта и гайки.

Определяем предельные размеры гайки.

 мм.

 - не нормируется, т. к. не нормируется допуск на наружный диаметр гайки. Реальный профиль впадины гайки не должны выходить за линию плоского среза, расположенного на расстоянии H/8 от вершины исходного треугольника профиля резьбы.

 мм.

 мм.

 мм.

 мм.

Находим предельные размеры болта.

 мм.

 мм.

 мм.

 - не нормируется, т. к. не нормируется допуск на внутренний диаметр болта. Реальный профиль впадины болта не должны выходить за линию плоского среза, расположенного на расстоянии H/4 от вершины исходного треугольника профиля резьбы.

 мм.

мм.

4. Для расчета приведенного среднего диаметра определим значения диаметральной компенсации погрешностей шага и угла профиля резьбы для каждой из деталей.

Находим диаметральные компенсации и приведенный средний диаметр

болта.

Диаметральная компенсация погрешности шага

 мм.

Отклонение половины угла профиля резьбы

.

Диаметральная компенсация погрешности угла

 мм.

Приведённый средний диаметр болта

 мм.

Находим диаметральные компенсации и приведенный средний диаметр

гайки.

Диаметральная компенсация погрешности шага

мм.

Отклонение половины угла профиля резьбы

.

Диаметральная компенсация погрешности угла

 мм.

Приведённый средний диаметр болта

 мм.

Действительный зазор в резьбовом соединении равен

 

5. Результаты измерений и расчётов сводим в таблицу 4. Анализируя полученные данные, делаем вывод о годности деталей.

Таблица 4 - Определение годности резьбовых деталей

Обозначения

Номинальный размер, мм

Предельные размеры, мм

Результаты измерений, мм

Вывод о годности детали



max

min



Болт

d

6

= 5,938

По наружному и по среднему диаметру деталь выполнена в пределах поля допуска. Деталь годна.

 

5,2905


Гайка

= 5,025

По наружному и по среднему диаметру деталь выполнена в пределах поля допуска. Деталь годна.

 



6. Изображаем схему расположения полей допусков заданной резьбовой посадки (рис. 9).

Рисунок 9 - Схема расположения полей допусков резьбовой посадки М6 - 6G/7е6е

5. НОРМИРОВАНИЕ ТОЧНОСТИ ЦИЛИНДРИЧЕСКИХ ЗУБЧАТЫХ КОЛЁС И ПЕРЕДАЧ

5.1 Исходные данные

Степени точности и вид сопряжения зубчатой пары 7-7-6-D, модуль m = 1,0 мм, число зубьев шестерни = 19, число зубьев колеса  = 95, ширина зубчатого венца  = 10 мм.

5.2 Содержание задания

Определить по стандарту [4] или справочной литературе [16, 19] и выписать значения показателей точности.

5.3 Выполнения задания

1. Найдем некоторые геометрические параметры шестерни, колеса и передачи в целом, необходимые для определения ряда допусков.

Делительный диаметр шестерни  мм,

колеса  мм.

Длина дуги делительной окружности шестерни  мм,

шестерни  мм.

Межосевое расстояние зубчатой передачи  мм.

. Определяем показатели кинематической точности (7 степень точности).

Допуск радиального биения зубчатого венца : для шестерни 36 мкм,

для колеса 36 мкм[19, с. 58].

Допуск на накопленную погрешность шага : для шестерни 28 мкм,

для колеса 45 мкм [19, с. 59].

Допуск на накопленную погрешность k шагов  берётся по длине дуги делительной окружности L, соответствующей 1/6 части зубьев (с округлением до целого зуба в большую сторону). Следовательно,

для шестерни необходимо учитывать  зуба,

для колеса  зубьев.

Искомая длина дуги для шестерни  мм;

для колеса  мм.

Тогда допуск на наклонную погрешность k шагов  равен: для шестерни 22 мкм, для колеса 36 мкм [19, с. 59].

3. Определяем показатели норм точности по плавности (7 степень точности).

Допуск на местную киниматическую погрешность шага ± fi’ : для шестерни 25 мкм, для колеса 25 мкм [19, с. 61].

Допуск на погрешность профиля ff: для шестерни 11 мкм, для колеса 11 мкм [19, с. 61].

Предельные отклонения шага ± fpt : для шестерни ±14 мкм, для колеса ±14 мкм [19, с. 61].

Предельные отклонения шага зацепления ± fpb: для шестерни ±13 мкм, для колеса ±13 мкм [19, с. 61].

4. Определяем показатели норм точности по контакту зубьев (6 степень точности).

Суммарное пятно контакта по высоте зуба не менее 50%, по длине зуба не менее 70% [19, с. 66].

Допуск на непараллельность fx =9 мкм [19, с. 64].

Допуск на перекос осей fy = 4,5 мкм [19, с. 64].

Допуск на направление зуба Fβ = 9 мкм [19, с. 64].

5. Определяем показатели норм точности по боковому зазору (вид сопряжения D).

Гарантированный боковой зазор jnmin = 46 мкм [19, с. 67].

Предельные отклонение межосевого расстояния ±fa = 22 мкм [19, с. 67].

Наименьшее дополнительное смещение исходного контура -EHs ,+ЕHi: для шестерни 46 мкм, для колеса 54 мкм [19, с. 68].

Допуск на смещение исходного контура шестерни Тн: для шестерни 80 мкм,

для колеса 80 мкм [19, с. 69].

Допуск на среднюю длину общей нормали TWm: для шестерни 40 мкм,

для колеса 40 мкм [19, с. 70].

Допуск на длину общей нормали Tw: для шестерни 55мкм, для колеса 55мкм [19, с. 70].

Наименьшее отклонение толщины зуба -Ecs: для шестерни 35 мкм,

для колеса 45 мкм [19, с. 71].

Допуск на толщину зуба Тс : для шестерни 60 мкм, для колеса 60 мкм [19, с. 72].


6. РАСЧЁТ РАЗМЕРНЫХ ЦЕПЕЙ

6.1 Исходные данные

Задан сборочный чертеж узла.

Исходные данные для решения первой задачи: детали узла по увеличивающим размерам изготовлены по Н8, по уменьшающим - по h7, номинальное значение размера замыкающего звена А0 = 0,5 мм.

Исходные данные для решения второй задачи: размер исходного звена А0 = мм.

6.2 Содержание задания

1. Изобразить эскиз заданного сборочного узла, составить схему сборочной размерной цепи.

. Выявить на схеме замыкающее звено, увеличивающие и уменьшающие звенья, задать номинальные размеры составляющих звеньев, определить номинальный размер замыкающего звена.

. Найти предельные отклонения замыкающих звеньев; определить допуск и предельные отклонения замыкающего звена методом полной взаимозаменяемости (первая задача).

. По заданному допуску и предельным отклонениям исходного звена определить предельные отклонения замыкающих звеньев методом одного квалитета (вторая задача).

6.3 Выполнения задания

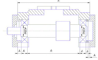
1. Вычерчиваем эскиз сборочного узла (рис. 10). На эскиз наносим схему сборочной размерной цепи, выбрав в качестве замыкающего звена зазор между крышкой и подшипником А0 .

Рисунок 10 - Эскиз сборочного узла

2. Выявляем на схеме размерной цепи увеличивающие и уменьшающие размеры (рис. 11):

увеличивающие размеры - А5;

уменьшающие размеры -А1, А2, А3, А4, А6.

 

Рисунок 11 - Схема размерной цепи

Замыкающим звеном цепи является размер А0.

Назначаем номинальные размеры составляющих звеньев (мм):

А1=20; А2=181; А3=20; А4=14; А5=248; А6=6.

Номинальный размер замыкающего звена

 мм.

3. Решаем первую задачу.

Определим предельные отклонения, предельные размеры и допуски составляющих звеньев [19, с. 6-7]. Результаты сводим в таблицу 5.

Таблица 5 - Предельные отклонения и допуски составляющих звеньев

Обозначение

Номинальный размер, мм

Предельные отклонения, мм

Предельные размеры, мм

 Допуск, мм



Верхнее, Es

Нижнее, Ei

Аmax

Amin


Увеличивающие размеры, поля допуска Н8

A5

248

+0,072

0

248,072

248

0,072

Уменьшающие размеры, поля допуска h7

A1

20

0

-0,021

20

19,979

0,021

A2

181

0

-0,046

181

180,954

0,046

A3

20

0

-0,021

20

19,979

0,021

A4

14

0

-0,018

14

13,982

0,018

A6

12,5

0

-0,018

12,5

12,482

0,018


Допуск замыкающего звена по методу полной взаимозаменяемости равен:

ТА0=∑ТАi=0,021+0,046+0,021+0,018+0,018+0,072=0,196 мм.

Определим предельные отклонения замыкающего звена:

Es(A0)= ∑ Es (Aув) -∑ Ei (Aум) = 0,072 - [(-0,021)+(-0,046)+(-0,021)+(-0,018)+(-0,018)]=0,196 мм.

Ei(A0)= ∑ Ei (Aув) -∑ Es (Aум) =0.

Следовательно, А0=0,5+0,196мм.

Определим предельные размеры замыкающего звена:

А0 max = А0+ Es(A0)=0,5+0,196=0,696 мм;

А0 min = А0+ Ei(A0)=0,5 мм.

Выполним проверку, определив предельные размеры замыкающего звена через предельные размеры составляющих звеньев:

А0 max=∑Аi max(ув) - ∑Аi min(ум)=248,072- (19,979+180,954+19,979+13,982+12,482)= 0,696 мм;

А0 min=∑Аi min(ув) - ∑Аi max(ум)=248-(20+181+20+14+12,5)= 0,5.

4. Решаем вторую задачу.

Определим предельные размеры и допуски исходного звена согласно условию А0=0,5-0,1:

 А0 max =0,5; А0 min=0,4; ТА0=0,5-0,4=0,1 мм= 100 мкм.

Расчёт ведёт по способу одного квалитета. При этом способе на размеры всех составляющих звеньев назначают допуски по одному квалитету с учётом номинальных размеров звеньев.

Определим значение единицы допуска i для каждого из составляющих размеров цепи (табл. 6) по формуле

 

где,  - среднее геометрическое границ интервала, которому принадлежит номинальный размер.

Таблица 6 - Предельные отклонения и допуски составляющих звеньев

Обозначения

Номинальный размер, мм

Границы интервала, мм Аu min ; Аu max

Аu , мм

Единица допуска i , мкм

A1

20

18;30

23,24

1,3

A2

181

180;250

212,13

2,9

A3

20

18;30

23,24

1,3

A4

14

10;18

13,42

1,08

A5

248

180;250

212,13

2,9

A6

12,5

10;18

13,42

1,08


Определяем среднее число единиц допуска


Найденное число единиц допуска ближе всего соответствует квалитету IT6, для которого a= 10 [19, с. 7]. Допуски размеров А1…А6 по 6 квалитету соответственно равны: 0,013; 0,029;0,013; 0,011; 0,029; 0,011мм [19, с. 6-7].

Определим, выполняется ли неравенство, согласно которому сумма допусков замыкающих звеньев не должна превышать допуск исходного звена:

ТА0 ≥ ∑ТАi .

В нашем случае

ТА0 = 0,1 мм;

∑ТАi =0,013+ 0,029+0,013+0,011+0,029+ 0,011=0,106 >0,1мм.

Неравенство не выполняется, следовательно, для составляющих звеньев необходимо выбрать более точный квалитет, в данном случае IT5. Выписываем допуски размеров А1…А6 по 5 квалитету соответственно равны: 0,009; 0,020;0,009; 0,008; 0,020; 0,008мм [19, с. 6-7].

ТА0 = 0,1 мм;

∑ТАi =0,009+ 0,02+0,009+0,008+0,02+ 0,008=0,074<0,1мм.

Неравенство выполняется, следовательно, квалитет подобран правильно и требуемая точность исходного звена обеспечена.

Зная допуски размеров, назначаем предельные отклонения составляющих размеров (для увеличивающих размеров - как для основных отверстий со знаком «+», для уменьшающих размеров - как для основных валов со знаком «-»):

А1=20h5(-0,009); А2=181h5(-0,02); А3=20h5(-0,009); А4=14h5(-0,008); А5=248Н5(+0,02);А6=12,5H5(-0,008) .


ИСПОЛЬЗУЕМАЯ ЛИТЕРАТУРА

ГОСТ 7.32-2001 Отчет о научно-исследовательской работе. Структура и правила оформления. - Введ. 2003-01-01. - Минск: Госстандарт Республики Беларусь, 2003. -15 с.

ГОСТ 520-2002. Подшипники качения. Общие технические условия. - Введ. 2003-07-01. - Москва: Изд-во стандартов, 2006. - 66 с.

ГОСТ 1139-80. Соединения шлицевые прямобочные. Размеры и допуски. - Введ. 1982-01-01. - Москва: Изд-во стандартов, 2003. - 9 с.

ГОСТ 1643-81. Передачи зубчатые цилиндрические. Допуски. - Введ. 1981-07-01. - Москва: Изд-во стандартов, 2003. - 44 с.

ГОСТ 3325-85. Подшипники качения. Поля допусков и технические требования к посадочным поверхностям валов и корпусов. Посадки. - Введ. 1987-01-01. - Москва: Изд-во стандартов, 1994. - 103 с.

ГОСТ 8724-2002. Резьба метрическая. Диаметры и шаги. - Введ. 2004- 01-01. - Москва: Изд-во стандартов, 2003. - 7 с.

ГОСТ 9150-2002. Резьба метрическая. Профиль. - Введ. 2004-01-01. - Москва: Изд-во стандартов, 2003. - 3 с.

ГОСТ 11708-82. Резьба. Термины и определения. - Введ. 1984-01-01.- Москва: Изд-во стандартов, 1985. - 31 с.

. ГОСТ 16093-2004. Резьба метрическая. Допуски. Посадки с зазором. - Введ. 2005-07-01. - Москва: Изд-во стандартов, 2005. - 38 с.

ГОСТ 23360-78. Соединения шпоночные с призматическими шпонками. Размеры шпонок и сечений пазов. Допуски и посадки. - Введ. 1980-01-01. - Москва : Изд-во стандартов, 1978. - 16 с.

ГОСТ 24705-2004. Резьба метрическая. Основные размеры. - Введ. 2005-07-01. - Москва: Изд-во стандартов, 2006. - 15 с.

ГОСТ 24853-81. Калибры гладкие для размеров до 500 мм. Допуски. - Введ. 1983-01-01. -Москва: Изд-во стандартов, 1981. - 11 с.

ГОСТ 25346-89. Единая система допусков и посадок. Общие положения, ряды допусков и основных отклонений. - Введ. 1990-01-01. - Москва: Изд-во стандартов, 1989. - 32 с.

ГОСТ 25347-82. Единая система допусков и посадок. Поля допусков и рекомендуемые посадки. 1 Введ. 1983-07-01. - Москва: Изд-во стандартов, 1982.-129 с.

Допуски и посадки. Справочник: в 2-ч. Ч. 1 / В. Д. Мягков [и др.]. - Ленинград: Машиностроение, 1982. - 543 с.

Допуски и посадки. Справочник: в 2-х ч. Ч. 2 / В. Д. Мягков [и др.]. - Ленинград: Машиностроение, 1983. - 448 с.

Клименков, С. С. Нормирование точности и технические измерения : учеб. пособие для вузов / С. С. Клименков. - Витебск: УО «ВГТУ», 2002. - 120 с.

Марков Н. Н. Нормирование точности в машиностроении / Н. Н. Марков, В. В. Осипов, М. Б. Шабалина; под ред. Ю. М. Соломенцева. - Москва: Высшая школа, 2001. - 335 с.

Нормирование точности и технические измерения (Взаимозаменяемость, стандартизация и технические измерения): лабораторный практикум для студентов специальностей 1-36 01 01 «Технология машиностроения», 1-36 01 03 «Технологическое оборудование машиностроительного производства», 1-36 01 04 «Оборудование и технологии высокоэффективных процессов обработки материалов», 1-36 08 01 «Машины и аппараты легкой, текстильной промышленности и бытового обслуживания» высших учебных заведений. Ч. 2. / сост. A. Н. Голубев. - Витебск: УО «ВГТУ», 2006.182 с.

Похожие работы на - Нормирование точности и технические измерения

 

Не нашли материал для своей работы?
Поможем написать уникальную работу
Без плагиата!
Без нейросетей!