Интегрированные системы проектирования и управления

  • Вид работы:
    Дипломная (ВКР)
  • Предмет:
    Другое
  • Язык:
    Русский
    ,
    Формат файла:
    MS Word
    2,86 Мб
  • Опубликовано:
    2014-09-05
Вы можете узнать стоимость помощи в написании студенческой работы.
Помощь в написании работы, которую точно примут!

Интегрированные системы проектирования и управления















Интегрированные системы проектирования и управления

Введение

В ходе работы будет разработана система автоматического управления Опытно-промышленной установки депарафинизации САУ ОПУ.

Основным назначением системы является стабилизация заданных режимов работы установки путём контроля технологических параметров, визуального представления, и выдачи управляющих воздействий на исполнительные механизмы, как в автоматическом, так и в ручном режиме.

Создание системы преследует следующие цели:

)        обеспечение эффективного управления технологическим процессом, поддержание заданных параметров процесса в автоматическом режиме, контроль и предотвращение аварийных ситуаций;

)        увеличение срока эксплуатации оборудования, за счёт обеспечения его работы в оптимальном режиме;

)        повышение производительности работников вследствие сокращения потерь рабочего времени при автоматизированном управлении установкой.

1.Характеристика объекта автоматизации


Опытно-промышленная установка предназначена для депарафинизации дизельных и газойлевых фракций с использованием цеолитсодержащих катализаторов. Установка состоит из:

Емкостного оборудования, которое включает в себя емкости и сепараторы. В емкостях и сепараторах измеряется уровень жидкости, температура в нижней, средней и верхней части (зависит от назначения).

Насосного оборудования - предназначено для перекачки жидкости. Насосное оборудование состоит из групп, в каждой из которых предусмотрено два насоса. В каждой группе один из насосов является основным (работает с заданной производительностью), а второй резервным (готов к пуску в случае неисправности основного). Для насосов в группе должно быть предусмотрено выравнивание времени наработки. У каждого насоса измеряется давление на входе и выходе, температура подшипников, виброскорость и возникновение утечки жидкости через сальники. На основании измеренных данных, САУ ОПУ должна контролировать возникновение неисправностей насоса.

Печей. Печи предназначены для нагрева потоков установки. Печи обладают собственной системой автоматики, данные из которой должны приниматься САУ ОПУ. Для печей должна быть предусмотрена возможность управления производительностью. На входе и выходе печи измеряется давление и температура потока, температура дымовых газов.

Колонного оборудования. Колонна представляет собой вертикальный цилиндрический колонный аппарат. С помощью уровнемера контролируется уровень жидкости в кубовой части. Для каждой из колонн измеряется температура и давление, в нижней и верхней части колонны.

Реакторного оборудования - предназначено для переработки дизельных фракции в составе установки депарафинизации дизельных фракций. Внутри объема реактора, равномерно по высоте катализатора размещаются 20 измерителей температуры.

Теплообменников - предназначены для передачи тепловой энергии между потоками. У теплообменников должна контролироваться температура на входе и выходе для каждого потока.

1.1 Алгоритм работы опытно-промышленной установки


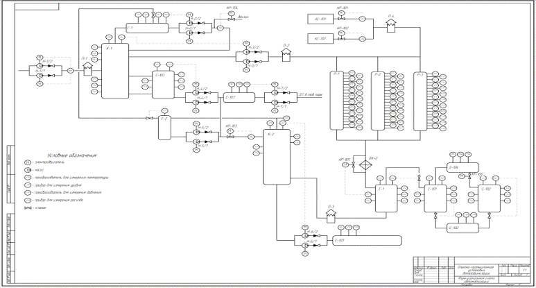
Описание алгоритмов работы ОПУ ДДФ приведено согласно функциональной схемы автоматизации. Контролируемые параметры, применяемые приборы и обозначения параметров представлены в Приложении 1.

1.1.1 Алгоритмы потоков основного продукта ОПУ ДДФ

Сырье - дизельная фракция подается в колонну К-1 через теплообменники Т-1, Т-2, Т-3 и печь П-1 насосом Н-1 из накопительной емкости через расходомер FI101. По результату измерений потока жидкости через расходомер, САУ ОПУ управляет производительностью насоса Н-1, посредствам частотного привода. Метод регулирования - ПИД. САУ ОПУ контролирует параметры двигателя и возникновение аварийных ситуаций насоса, используя функционал частотного привода. Защита от сухого хода, реализована с помощью дискретного датчика минимального уровня сырья в накопительной емкости.

Печи являются самостоятельными устройствами, работающие по собственным алгоритмам. САУ ОПУ осуществляет индикацию параметров печей П-1…П-4, используя цифровой интерфейс, управление печами не осуществляется.

С верхнего штуцера колонны К-1 газ поступает в емкость Е-1 через теплообменник Т-1 и аппарат воздушного охлаждения ВХ-1. Е-1 оборудована датчиками уровня жидкости LI10.1 и LI10.2. Уровень жидкости поддерживается за счет открывания клапана газа, при падении самого уровня, а также за счет производительности насоса Н-2, которая контролируется расходомером FI103.

Из верха Е-1 газ поступает на свечу рассеивания. Из низа емкости Е-1 насосом Н-2 жидкость через расходомер FI103 подается на орошение К-1. При превышении расхода (расход задается на АРМ оператора), клапан регулирующий КР-104 увеличивает свою пропускную возможность, при уменьшении расхода жидкости наоборот уменьшает. Метод регулирования клапаном КР-104 - ПИД. После КР-104 жидкость поступает за пределы ОПУ ДДФ.

Из промежуточного отбора колонны К-1 дизельная фракция самотеком поступает в сепаратор С-103. С-103 имеет возврат в колонну газовой фазы. Из С-103 поток насосом Н-4 подается в емкость Е-107 через теплообменник Т-3. Емкость Е-107 находится под атмосферным давлением. Производительность Н-4 зависит от датчиков уровня LI7.1 и LI7.2 емкости С-103.

Из кубовой части колонны К-1 насосом Н-3 поток подается в печь П-2 через теплообменник Т-101. Производительность насоса регулируется датчиками уровня LI8.1 и LI8.2 колонны К-1. Метод регулирования - ПИД.

Из печи П-2 поток подается на реакторный блок. Реакторный блок состоит из трех реакторов, каждый из которых имеет по 20 датчиков температуры TE1.1- TE1.20, TE2.1- TE2.20 и TE3.1- TE3.20 соответственно.

Из реакторного блока поток подается на аппарат ВХ-2 через теплообменник Т-101, ВХ-2 имеет байпас с регулирующим клапаном КР-105. Клапан поддерживает температуру в С-1, путем пропускания части потока в обход ВХ-2. Метод регулирования КР-105 - ПИД.

Из ВХ-2 поток поступает в сепаратор С-1. Из верха С-1 газ, через клапан, управляемый датчиками уровня LI4.1 и LI4.2, поступает на сепаратор С-101 . Из нижней части С-101, через клапан, управляемый датчиками уровня LI5.1 и LI5.2, жидкость поступает в атмосферную емкость Е-102. Из верха С-101 газ поступает в ресивер Е-104. Из Е-104 газ поступает на редуктор КР-106, с выходным давлением20 кПа. Затем газ поступает на сепаратор С-102. Из нижней части С-102, через клапан, управляемый датчиками уровня LI6.1 и LI6.2, жидкость поступает в атмосферную емкость Е-102. Из верха С-102 газ поступает на горелки.

Из низа С-1 поток поступает в печь П-3 через теплообменник Т-7. Из П-3 поток(газ) поступает в колонну К-2. Из верха колонны К-2 поток поступает в емкость Е-2 через теплообменник Т-2 и аппарат ВХ-3.

Из верха Е-2 газ поступает на свечу рассеивания. Из низа Е-2 поток насосом подается на орошение К-2 и в емкость (товарного ДТ) Е-107. На орошение расход потока регулируется клапаном КР-103, поток измеряется расходомером FI102. Метод регулирования КР-103 - ПИД.

Из низа колонны К-2 поток насосом Н-6 подается в емкость Е-103 (остаток куба К-2) через ВХ-4. Производительность Н-6 регулируется с помощью датчиков уровня LI9.1 и LI9.2в кубе колонны К-2.

1.1.2 Алгоритм работы потоков регенерации ОПУ ДДФ

Азот, получаемый на азотной станции АС-101, поступает на регулирующий клапан КР-101. Затем азот подается на расходомер FI107. Воздух после компрессорной станции КС-101, поступает на регулирующий клапан КР-102. Затем азот подается на расходомер FI108. После расходомеров FI107 и FI108 газы смешиваются и поступают в печь П-4 через теплообменник Т-102. Из П-4 поток поступает в реакторный блок. Из реакторного блока поток поступает в сепаратор С-2 через теплообменник Т-2 и ВХ-101.

Из верха С-2 газ подается на свечу. Из низа С-2 через клапан, управляемый датчиком уровня сепаратора, жидкость подается в Е-101 (десорбат), находящуюся под атмосферным давлением. Так же в реакторный блок можно подавать пар из парогенератора ПГ-101. В парогенератор вода подается из обогреваемой емкости Е-105.

Азотная станция АС-101 и компрессорная станция КС-101 передают на САУ ОПУ диагностические параметры, которые отображаются на АРМ оператора. Регулирующие клапана КР-101 и КР-102 регулируют поток по измерениям расходомеров FI107 и FI108 соответственно. Метод регулирования - ПИД.

Для каждого теплообменника должен производится контроль температуры на входе и выходе каждого из двух потоков.

1.2 Алгоритмы противоаварийной защиты опытно-промышленной установки


Алгоритмы противоаварийной защиты (ПАЗ) предназначены для предотвращения возникновения аварийных ситуаций. Алгоритмы ПАЗ должны обладать максимальным приоритетом и выполняться во всех режимах работы САУ ОПУ. В случае, если действие оператора приводит к запуску алгоритма ПАЗ, это действие должно быть блокировано САУ ОПУ. Например, включение оператором насоса, осуществляющего подачу жидкости в полностью заполненную емкость, должно приводить к запуску соответствующего алгоритма ПАЗ и блокировке подающего насоса.

Для каждого объекта ОПУ алгоритмы ПАЗ должны быть разработаны индивидуально с учетом особенностей технологического процесса. Основные алгоритмы ПАЗ приведены в таблице 1.

Таблица 1 - Основные алгоритмы ПАЗ

№ п/п

Вид оборудования

Событие, вызывающее действие ПАЗ

Алгоритм ПАЗ

1.1

Емкостное оборудование

Достижение максимального уровня жидкости.

Отключение систем, подающих рабочий поток в емкость. Для рефлюксных емкостей Е-1 и Е-2 дополнительно остановка горелочного устройства печи и питающего насоса.

1.2


Достижение миним. уровня жидкости.

Откл. насоса или зак. кл. на линии вых. раб. пот. из емкости.

1.3.


Достижение аварийного максимального значения давления.

Отключение насоса или закрытие клапана на линии выхода рабочего потока в емкость.

2.1

Насосное оборудование

Прекращение расхода рабочего потока (останов насоса)

Выдача разрешения на пуск резервного насоса. Блокировка пуска остановившегося насоса.

2.2


Прев. доп. дав. раб. потока после насоса.

Снижение оборотов и останов насоса

2.3


Отказ (не включение) резервного насоса. Все вышеперечисленные типы аварии для насосного оборудования, при отсутствии резервного насоса.

Отключение насосного оборудования, с одновременным отключением соответствующих систем, работающих с этим оборудованием в одной технологической цепочке. (Отключение горелок и питающих насосов)

3.1

Печь

Превышение аварийного значения температуры выходящего рабочего потока.

Автоматический перевод горелочного устройства на минимальную мощность.

3.2


Превышение аварийного значения температуры выходящих дымовых газов

Остановка горелочного устройства. Продувка печи инертными газами (паром).

3.3


Потеря необходимого давления (согласно технол. регламенту) в выходном коллекторе рабочего потока, при условии наличия соответ. давления на входном коллекторе (разгерм. змеевика печи).

Остановка горелочного устройства. Продувка печи инертными газами (паром). Блокировка включения горелочного устройства. Останов питающего насоса. Выдача управляющего сигнала на включение паровой (азотной) завесы.

3.4


Снижение расхода рабочего потока ниже минимально допустимого предела

Останов горелочного устройства.

4.1

Колонное оборудование

Достижение максимального уровня жидкости в кубовой части.

Отключение насоса или закрытие клапана на линии подачи рабочего потока в колонну.

4.2


Достижение минимального уровня жидкости в кубовой части.

Отключение насоса или закрытие клапана на линии выхода рабочего потока из колонны.

4.3


Потеря соответствующего рабочего давления в любой части колонны. Резкое падение давления в колонне.

Штат. остановка работы всей установки, с учетом остановки работы печей в соответствии регламенту. Отключ. горелочного устройства печи и останов питающего насоса.

4.4


Превышение максимально допустимого давления в колонне

Отключение горелочного устройства и снижение производ. питающего насоса до минимально допустимого уровня.

5.1

Реакторное оборудование

Превышение максимально допустимой температуры в слое катализатора в цикле каталитического превращения.

Отключение горелочного устройства печи П-2 и снижение производительности питающего насоса до минимально допустимого уровня.

5.2


Превыш. максимально допустимой темп. в слое катализатора в цикле регенерации

Прекращение подачи воздуха и подача чистого азота в реактор.

5.3


Превышение максимально допустимого давления в реакторе

Откл. горелочного устройства печи П-2 и снижение производ. Пит. насоса до минимально допустимого уровня.

5.4


Не срабатывание отсекающей арматуры (клапанов) между реакторами.

Блокировка подачи воздуха в реакторный блок.

5.5


Срабатывание датчика превышения ПДК углеводородов в воздухе на территории ОПУ ДДФ, в соответ. проекту местах

Отключение горелочного устройства и снижение производительности питающего (сырьевого) насоса до минимально допустимого уровня.


Примечание: все рассмотренные в таблице события должны приводить к срабатыванию аварийной сигнализации на пульте управления технологическим процессом.

2. Структурная схема системы

Система должна создаваться как единая автоматизированная система оперативного контроля и управления и представлять собой иерархическую двухуровневую систему, построенную на основе современных информационных технологий и программно-технических средств.

Система должна иметь следующую структуру (см. рисунок 1):

нижний уровень - технические средства, предназначенные для измерения параметров и диагностики состояния установки, а так же выдачи управляющих воздействий:

датчики давления, температуры, уровня жидкости, расходомеры жидкости;

электроисполнительные механизмы (ЭИМ) - регулирующие клапана, насосы.

верхний уровень - программно-технические средства, обеспечивающие управление работой системы, индикацию ее состояния и интерфейс взаимодействия с персоналом, в составе:

программируемый логический контроллер (ПЛК);

автоматизированное рабочее место оператора (АРМ);

программируемые частотные привода и вторичные приборы индикации.


Рисунок 1 - Структура разрабатываемой системы

3. Выбор и описание устройств нижнего уровня

В качестве устройств нижнего уровня применены:

-       Термопреобразователь Тесей КТХА Exd01.01-J15-K0-T40-В-2.

-       Датчик давления Метран 55 ДИ-515-МП-t10-050.

-       Измеритель уровня L 21/500/DN25PN16/B.

-       Расходомер жидкости и газа Exdress Hauser Prowirl 72F.

Термопреобразователь Тесей предназначен для измерения температуры жидких и газообразных химически не агрессивных сред, а также агрессивных, не разрушающих материал защитного чехла. Датчики имеют вид взрывозащиты 0ExiallCT6 X по ГОСТ30852.10-2002. В клеммной головке установлен измерительный преобразователь с унифицированным выходом 4-20 мА. Внешний вид термопреобразователя представлен на рисунке 2.

Рисунок 2 - Внешний вид термопреобразователя Тесей

интегрированный проектирование датчик

Основные технические характеристики:

Измеряемая температура: -40°С …+600°С.

Погрешность измерения: 2.5°С

Номинальное давление: 6.3 МПа.

Климатическое исполнение: УХЛ2 -60°С … +85°С.

Назначенный срок службы: 5 лет.

Для измерения давления рекомендуются датчики Метран 55 ДИ-515-МП-t10-050. Внешний вид приведен на рисунке 3.

Рисунок 3 - Внешний вид датчика давления Метран 55 ДИ-515-МП-t10-050.

Малогабаритные датчики Метран - 55 предназначены для работы в различных отраслях промышленности, системах автоматического контроля, регулирования и управления технологическими процессами и обеспечивают непрерывное преобразование измеряемых величин избыточного (ДИ), абсолютного (ДА) давления, разрежения (ДВ), давления-разрежения (ДИВ) нейтральных и агрессивных сред в унифицированный токовый выходной сигнал.

Особенности датчиков давления:

погрешность измерений ±0,15; ±0,25; ±0,5%;

диапазон перенастройки 10:1;

самодиагностика при запуске;

встроенный фильтр радиопомех;

микропроцессорная электроника;

возможность простой и удобной настройки значений выходного сигнала, соответствующих нижнему и верхнему значениям измеряемого давления, кнопочными переключателями. Основные параметры:

Выходной сигнал 0-5; 4-20 мА - для датчиков общепромышленного исполнения; 4-20 мА - для датчиков с видом взрывозащиты "Ех";

Климатическое исполнение датчиков соответствует У2.

Датчики климатического исполнения У2 устойчивы к воздействию относительной влажности окружающего воздуха до (95±3)% при 35°С и более низких температурах без конденсации влаги.

Степень защиты датчиков от воздействия пыли и воды по ГОСТ 14254: IP65.

Датчики предназначены для работы при атмосферном давлении от 84,0 до 106,7 кПа и соответствуют группе исполнения Р1 по ГОСТ 12997.

По устойчивости к механическим воздействиям датчики соответствуют виброустойчивому исполнению V3по ГОСТ 12997.

Датчики выдерживают воздействие перегрузки испытательным давлением в 1,25 раза большем верхнего предела измерений заказанной модели (без изменения характеристик после воздействия). Датчики с верхнимпределом измерений 100 МПа выдерживают перегрузку испытательным давлением 110 МПа (без изменения характеристик после воздействия).

В качестве уровнемера должен применяться Измеритель уровня L 21 500/DN25PN16/B/N - байпасный уровнемер.

Измеритель уровня типа L 21 используется для измерения высоты уровней или разграничения уровней жидкостей в открытых ёмкостях и сосудах под давлением.

Кроме того, данный измеритель уровня можно использовать для аппликаций, при которых образуется пена или аэрозоль, где бесконтактные методы измерения дают сбой.

Данные измерители уровня изготавливаются из высококачественной нержавеющей стали. Измерительную часть можно изготовить из химически стойких материалов. При локальных измерениях, когда прибор нет необходимости подключать к источнику питания, данный тип измерителей уровня можно использовать для измерения горючих, химически агрессивных и токсических веществ, причём и при очень сложных рабочих условиях, таких как высокая температура измеряемого агента и давление, которое на него воздействует.

Данный измеритель уровня может быть дополнительно оснащён предельными контактами, которые позволяют производить контроль минимального или максимального уровня измеряемой жидкости в ёмкости, а тем самым и последующее включение или отключение насосов, открытие и закрытие вентилей и т.д.

Кроме того, измеритель уровня может быть оснащён датчиком непрерывного контроля состояния уровня, а также токовым выходом 4-20 мА для контроля высоты уровня в ёмкости находящейся на расстоянии. Измеритель уровня может быть оснащён цифровым каналом связи через протокол HART, Foundation Fieldbus, PROFIBUS, или локальной индикацией с дисплеем, с возможностью использования во взрывоопасной среде.

Для простоты удаления шлама (спуска воздуха) из измерительной трубки спускная (воздухоотводящая) пробка заменена спускным (воздухоотводящим) краном.

Указатель может быть поставлен в следующем исполнении:

стеклянная трубка, в которой в качестве указателя уровня перемещается контрольный магнит;

магнитные вращающиеся ролики в планке, которые в зависимости от высоты уровня изменяют цвет (белый - красный).

Для экстремальных температурных условий измеритель уровня поставляется с тепловой изоляцией измерительной трубки или паровым и электрическим обогревом данной трубки.

Для температуры свыше 130°C измеритель уровня должен поставляться с теплозащитным щитком, который может одновременно служить в качестве передней стенки термоизоляции.

Внешний вид датчика уровня приведен на рисунке 4.

Рисунок 4 - Внешний вид измерителя уровня L 21/500/DN25PN16/B. Где 1 - камера для поплавка - измерительная трубка (нержавейка), 2 - указатель высоты уровня (вращающиеся ролики), 3 - сливной клапан, 4 - запорный фланец (отвод воздуха), 5 - датчики предельного уровня (SP1, SP2, SPP, NAMUR), 6 - датчик SP4 для непрерывного измерения, 7 - оценивающее устройство с дисплеем, 8 - фланец подключения, 9 - шкала.

Измеритель уровня крепится при помощи фланцев или резьбового соединения в вертикальном положении к боковой части ёмкости, в которой будет производиться измерение уровня жидкости или разграничение уровней измеряемых жидкостей. Измеритель работает по принципу соединённых сосудов, где в измерительной трубке поплавок со встроенным постоянным магнитом копирует высоту уровня в контролируемой ёмкости и активирует контрольный магнит в измерительной трубке со шкалой или вращающиеся магнитные флажки. Шкала флажков, изменивших своё направление, а тем самым и цвет (с белого на красный цвет), или же положение контрольного магнита в стеклянной трубке определяет измеренную высоту уровня в ёмкости.

Технические параметры:

Агент: Жидкости и сжиженные газы;

Удельный вес агента: менее 0,4 кг/л;

Погрешность измерения и повторяемость ±5 мм;

Макс. скорость изменения уровня 5 м/мин;

Максимальное давление 4 МПа;

Температура жидкости от -200 до + 400°C

Способ подключения посредством фланцев (ČSN) EN 1092-1, DN 15 - DN 50, PN 6 - PN 100, ASMEB16.5, DIN, GOST винтовое соединение ½“ - ¾“ NPT, G ½“ - ¾“ гладкие трубки для сварки

Ориентировочный вес L21 в исполнении из нержавеющей стали и с измеренным шагом 1000 мм составляет 12 кг.

В качестве расходомера рекомендуется расходомер Prowirl 72F. Расходомер Prowirl 72F предназначен для универсального измерения объемного расхода газов, пара и жидкостей. Надежный и запатентованный емкостный чувствительный элемент обеспечивает высокую точность измерения даже в самых сложных рабочих условиях. Внешний вид прибора представлен на рисунке 5.

Рисунок 5 - Внешний вид расходомера Prowirl 72F.

Основные технические характеристики:

Рабочая температура измеряемой жидкости: -200...+400 °C.

Номинальные значения давления до PN 250/Class 1500.

Сертификаты на взрывобезопасное применение: ATEX, FM, CSA, TIIS, NEPSI, IEC.

Погрешность измерения: +-0.75 %.

Коммуникация: HART, PROFIBUSPA, FOUNDATIONFieldbus.

4. Выбор и описание устройств верхнего уровня

.1 Анализ рынка промышленных программируемых контроллеров

.1.1 Промышленные контроллеры Advantech

Тайваньская компания Advantech производит широкую линейку контроллеров и модулей ввода/вывода. Многофункциональные PC-совместимые устройства этой компании имеют широкие возможности и могут быть использованы как для простых задач автоматизации, так и для высокоответственных приложений с высоким быстродействием.

Корпорация ADVANTECH основанна в 1983 году. Сегодня это один из крупнейших в мире производителей оборудования для промышленной автоматизации, встраиваемых систем и сетевых решений. Компания ADVANTECH провозгласила своей миссией "Empower Innovations in the Connected e World". Поэтому сегодня продукция ADVANTECH способствует практическому внедрению инноваций разработчиков электронного оборудования и автоматизированных систем.

На сегодняшний день ADVANTECH - это одна из наиболее известных торговых марок на российском рынке. Сейчас под ней выпускается более 1000 наименований продукции. Это промышленные компьютеры и контроллеры, интернет-серверы, панели управления для человеко-машинного интерфейса, устройства сбора и передачи данных, и многое другое:

·        панельные компьютеры и рабочие станции;

·        шасси и корпуса для промышленных компьютеров, вмещающие до 20 плат расширения;

·        промышленные серверы и RAID массивы;

·        компьютеры в стандарте Compact PCI;

·        интегрированные промышленные и встраиваемые одноплатные ком-пьютеры с шинами PCI, NLX, CompactPCI, ISA, PC/104;

·        устройства сбора и обработки данных в форматах PCI, CompactPCI, ISA, PC/104;

·        модули нормализации и преобразования аналоговых сигналов;

·        многопортовые контроллеры последовательных интерфейсов;

·        распределенные системы сбора и обработки данных;

·        универсальные программаторы;

·        программное обеспечение и драйверы.

Существуют две основные серии PLC Advantech - это контроллер APAX-5000 и Контроллер ADAM-5000. APAX-5000 с открытой архитектурой, позволяющей использовать различные приложения и имеет высокоскоростной вычислительный процессор (APAX5570XPE/5571XPE), обеспечивая при этом гибкие функции ввода/вывода, повышающие масштабируемость системы. ADAM-5000 - оснащены широким набором интерфейсов для связи, обеспечивающих гибкость коммуникационных соединений.

Например контроллер APAX-5570XPE, программируемый PC-контроллер на базе процессора Intel Celeron M с частотой 1 ГГц, имеет ОЗУ 512 Мбайт DDR2 DRAM, один порт RS-232, один порт RS-422/485, два интерфейса Ethernet 10/100/1000Base-T, четыре порта USB, слот для карт памяти SD. Поставляется с предустановленной ОС Windows XP Embedded.

4.1.2 Промышленные контроллеры ICP DAS

Компания ICP DAS была основана в 1993 году. Начинала она с производства простых плат ввода/вывода дискретных и аналоговых сигналов для PC. Сейчас ICP DAS предоставляет надежную продукцию для промышленной автоматизации клиентам во всем мире. Спектр ее продукции включает в себя:

·        платы ввода/вывода для установки в компьютеры;

·        модули удаленного ввода/вывода (серия I-7000);

·        PC-совместимые промышленные контроллеры (серия I-8000);

·        оборудование для промышленных коммуникаций на основе последовательных интерфейсов и устройства ввода и отображения информации и другое оборудование для систем сбора данных и управления.

За последние несколько лет компания ICP DAS приобрела репутацию все-мирно известного поставщика высококачественного оборудования для автоматизации и диспетчеризации.

Компания ICP DAS выпускает ПЛК и модули ввода-вывода широко известных в России серий I-7000, I-8000, uPAC, WinCon, WinPAC, XPAC, iPAC и т.д.

Возможность применения более дешевых, отработанных и быстро развивающихся открытых архитектур на базе РС-совместимой платформы позволяет широко использовать изделия компании ICP DAS для задач, где раньше применялись только обычные PLC.

Неоспоримыми достоинствами контроллеров ICP DAS являются:

·        невысокая цена PLC;

·        использование открытых протоколов;

·        простота программирования и доступность широкого спектра про-граммного обеспечения;

·        простота интеграции с системами управления более высокого уровня.

4.1.3 Промышленные контроллеры ОВЕН

Компания ОВЕН уже более 15 лет производит широкий ряд приборов первичной автоматики. Идя в ногу со временем, компания ОВЕН в 2005 году начала разработку управляющих контроллеров для широкого применения. В них использовалась современная элементная база и с самого начала закладывались мощные аппаратные ресурсы и широкие программные возможности.

На сегодняшний день компания ОВЕН производит широкую линейку малых и средних свободно программируемых контроллеров, а также контроллеров с жесткой логикой для целевых задач управления такими процессами как водо- и теплоснабжение, вентиляция и кондиционирование зданий.

Для программирования контроллеров ОВЕН используется среда CoDeSys, разработанной немецкой компанией 3S-Software. Кроме того, контроллеры ОВЕН могут программироваться с помощью интегрированной SCADA и SoftLOGIC системы MasterSCADA.- вертикально интегрированный и объектно ориентированный программный комплексе для разработки систем управления, диспетчеризации и учета. Компании ОВЕН и ИнСАТ являются партнерами и предлагают на рынке совместное программно-аппаратное решение - ПЛК ОВЕН, программируемые средствами MasterSCADA. Число работающих в среде MasterSCADA проектов на сегодняшний день составляет многие тысячи.

4.1.4 Промышленные контроллеры MITSUBISHI

Контроллеры MITSUBISHI представленны на российском рынке тремя линейками продуктов:

·        контроллеры MITSUBISHI ALPHA XL;

·        компактные контроллеры MITSUBISHI Melsec FX;

·        модульные контроллеры MITSUBISHI.

Контроллеры семейства MITSUBISHI ALPHA XL представляют собой не-большие компактные приборы, объединяющие в одном корпусе входы и выходы, центральный процессор, память, электропитание и графический ЖК дисплей.

Контроллеры MITSUBISHI ALPHA XL являются идеальным средством для замены контакторов и реле в уже имеющейся установке, а также для использования во вновь создаваемых системах автоматизации.

В одной программе ALPHA XL может обрабатываться до 200 функциональных блоков. При этом любую отдельную функцию (таймер, счетчик, обработку аналоговых сигналов, функцию календаря/часов и т. п.) можно сколь угодно часто использовать во всех программах.

Компактные контроллеры MITSUBISHI Melsec FX применяются во всех областях промышленности, от систем управления отдельных машин до сетевых систем. Более 30 лет назад Mitsubishi Electric выпустила первый компактный ПЛК на европейский рынок. С тех пор компания лишь укрепляла свои позиции лидера мирового рынка в этой области. Сегодня во всем мире продано более 9-и миллионов контроллеров Mitsubishi Electric .

Много прикладных задач, для которых когда-то автоматизация была недоступна, теперь можно решить, воспользовавшись контроллерами Mitsubishi. Модульные контроллеры MITSUBISHI Melsec System Q являются высоко-уровневыми и многофункциональными контроллерами. Диапазон моделей, мощность и функциональность этих контроллеров впечатляют, а время обработки измеряется наносекундами.

Базируясь на своей предшественнице - серии AnSH, концепция управления MELSEC System Q позволяет пользователю выбрать наилучшее сочетание из модулей центральных процессоров, модулей коммуникации, специальных модулей, модулей ввода-вывода и объединить их на единой монтажной шине. Это позволяет быстро сконфигурировать для прикладной задачи индивидуальную систему.

4.1.4 Промышленные контроллеры SIMATIC S7-300

В качестве ПЛК может быть применен контроллер SIMATIC S7-300.Модульный программируемый контроллер SIMATIC S7-300 предназначен для решения задач автоматизации низкого и среднего уровня сложности. Контроллер имеет широкий спектр модулей для максимальной адаптации к требованиям решаемой задачи, позволяет использовать распределенные структуры ввода-вывода и простое включение в сетевые конфигурации.

Программируемые контроллеры SIMATIC S7-300 имеют:

• сертификат соответствия и метрологический сертификат Госстандарта России;

• разрешение на применение федеральной службы по экологическому, технологическому и атомному надзору

• свидетельство Главного Управления Государственного Энергетического Надзора о взрывозащите [Exib]IIC модулей SIMATIC S7 Ex исполнения;

• экспертное заключение о соответствии функциональных показателей интегрированной системы автоматизации SIMATIC S7 отраслевым требованиям и условиям эксплуатации энергопредприятий РАО “ЕЭС России”;

• сертификат о типовом одобрении Российского Морского Регистра Судо-ходства.

• морские сертификаты ABS, BV, DNV, GLS, LRS, PRS, RINA;

• cертификаты DIN, UL, CSA, FM, CE.

Программируемые контроллеры S7-300 могут включать в свой состав:

• Модуль центрального процессора (CPU). В зависимости от степени сложности решаемых задач в программируемом контроллере могут использоваться более 20 типов центральных процессоров.

• Блоки питания (PS) для питания контроллера от сети переменного или постоянного тока.

• Сигнальные модули (SM), предназначенные для ввода и вывода дискретных и аналоговых сигналов, в том числе FailSafe и модули со встроенными Ex-барьерами. Поддерживаются отечественные ГОСТ градуировки термометров сопротивления и термопар.

• Коммуникационные процессоры (CP) - интеллектуальные модули, выполняющие автономную обработку коммуникационных задач в промышленных сетях AS-Interface, PROFIBUS, Industrial Ethernet, PROFINET и системах PtP связи. Применение загружаемых драйверов для CP 341 позволяет расширить коммуникационные возможности контроллера поддержкой обмена данными в сетях MODBUS RTU и Data Highway. Для организации модемной связи в составе S7-300 могут использоваться коммуникационные модули семейства SINAUT ST7.

• Функциональные модули (FM) - интеллектуальные модули, оснащенные встроенным микропроцессором и способные выполнять задачи автоматического регулирования, взвешивания, позиционирования, скоростного счета, управления перемещением и т.д. Целый ряд функциональных модулей способен продолжать выполнение возложенных на них задач даже в случае остановки центрального процессора.

• Интерфейсные модули (IM) для подключения стоек расширения к базовому блоку контроллера, что позволяет использовать в системе локального ввода-вывода до 32 модулей различного назначения. Модули IM 365 позволяют создавать 2-, модули IM 360 и IM 361 - 2-, 3- и 4-рядные конфигурации.

Конструкция контроллера отличается высокой гибкостью и удобством обслуживания:

• Все модули устанавливаются на профильную шину S7-300 и фиксируются в рабочих положениях винтами. Объединение модулей в единую систему выполняется с помощью шинных соединителей (входят в комплект поставки каждого модуля), устанавливаемых на тыльную часть корпуса.

• Произвольный порядок размещения модулей в монтажных стойках. Фиксированные посадочные места занимают только модули PS, CPU и IM. Наличие съемных фронтальных соединителей (заказываются отдельно), позволяющих производить быструю замену модулей без демонтажа их внешних цепей и упрощающих выполнение операций подключения внешних цепей модулей. Механическое кодирование фронтальных соединителей исключает возможность возникновения ошибок при замене модулей.

• Применение гибких и модульных соединителей TOP Connect, существенно упрощающих выполнение монтажных работ и снижающих время их выполнения

Все центральные процессоры S7-300 характеризуются следующими показателями:

• высокое быстродействие,

• загружаемая память в виде микро карты памяти MMC емкостью до 8 МБ,

• развитые коммуникационные возможности, одновременная поддержка большого количества активных коммуникационных соединений,

• работа без буферной батареи.используется для загрузки программы, сохранения данных при перебоях в питании CPU, хранения архива проекта с символьной таблицей и комментарии, а также для архивирования промежуточных данных.

Центральные процессоры CPU 3xxC и CPU 31xT-2 DP оснащены набором встроенных входов и выходов, а их операционная система дополнена поддержкой технологических функций, что позволяет использовать в качестве готовых блоков управления.

Типовой набор встроенных технологических функций позволяет решать задачи скоростного счета, измерения частоты или длительности периода, ПИД-регулирования, позиционирования, перевода части дискретных выходов в импульсный режим. Все центральные процессоры S7-300 оснащены встроенным интерфейсом MPI, который используется для программирования, диагностики и построения простейших сетевых структур. В CPU 317 первый встроенный интерфейс имеет двойное назначение и может использоваться для подключения либо к сети MPI, либо к сети PROFIBUS DP.

Целый ряд центральных процессоров имеет второй встроенный интерфейс:

• CPU 31…-2 DP имеют интерфейс ведущего/ ведомого устройства PROFIBUS DP;

• CPU 31…C-2 PtP имеют интерфейс для организации PtP связи;

• CPU 31…T-2 DP оснащены интерфейсом PROFIBUS DP/Drive, предназначенным для обмена данными и синхронизации работы преобразователей частоты, выполняющих функции ведомых DP устройств.

Система команд центральных процессоров включает в свой состав более 350 инструкций и позволяет выполнять:

• Логические операции, операции сдвига, вращения, дополнения, операции сравнения, преобразования типов данных, операции с таймерами и счетчиками.

• Арифметические операции с фиксированной и плавающей точкой, извлечение квадратного корня, логарифмические операции, тригонометрические функции, операции со скобками.

• Операции загрузки, сохранения и перемещения данных, операции переходов, вызова блоков, и другие операции.

Для программирования и конфигурирования S7-300 используется пакет STEP 7. Кроме того, для программирования контроллеров S7-300 может использоваться также весь набор программного обеспечения Runtime, а также широкий спектр инструментальных средств проектирования.

5. Описание интерфейса оператора

Система обеспечивает управление технологическим процессом в двух режимах работы:

в автоматическом режиме система управляет положениями регулирующих клапанов и производительностью насосов, с целью поддержания давления и уровней жидкости на заданном уровне;

в ручном режиме система обеспечивает возможность управления обслуживающим персоналом положениями регулирующих клапанов и производительностью насосов по заданию на АРМ оператора.

Система автоматически запускается после сбоя и последующего восстановления питающего напряжения.

Система обеспечивает индикацию и сигнализацию параметров технологического процесса и состояний системы. Для индикации применяются интерактивные экранные формы с изображением объектов установки. Параметры объекта отображаются в непосредственной близости от его графического изображения. Пример интерактивной экранной формы приведен на рисунке 6.

Рисунок 6 - Пример интерактивной экранной формы.

Экранные формы содержат динамические отображения в виде мнемосхем и таблиц с непрерывно обновляемыми значениями технологических параметров и состояниями сигнализаторов и предназначены для наглядного представления текущего состояния объекта управления.

Общая экранная форма представляет собой структурную схему объекта автоматизации. Также на общей экранной форме частично отображена информация о состоянии объектов управления, позволяющая получить общее представление о ходе технологического процесса. Более детальная информация отображается на технологических экранных формах, переключиться на которые можно, "щелкнув" мышкой по отображаемым объектам.

Технологические экранные формы предназначены для детального представления технологического процесса на контролируемом технологическом узле объекта автоматизации. На технологических экранных формах отображаются:

значения контролируемых дискретных и аналоговых параметров;

кнопки переключения на экранные формы регулирования;

кнопки переключения на экранные формы управления;

кнопки переключения на другие технологические экранные формы.

Разрабатываемая система имеет экранную форму "Диагностика", предназначенную для отображения информации о состоянии аппаратуры шкафа автоматики (наличие электропитания, наличие связи с модулями и т.п.).

На экранной форме "Диагностика" используются различные графические элементы для отображения параметров, характеризующих состояние модулей ввода/вывода и других аварийных параметров (например, отсутствие основного питания 24 В).

Значение параметров диагностики отображается с помощью цветовой индикации. Нормальное состояние параметра отображается зеленым или серым цветом, аварийное - красным, отсутствие связи SCADA-системы с управляющим контроллером - белым. Пример отображения приведен на рисунке 7.

Рисунок 7 - Пример элементов отображения информации о состоянии аппаратуры ША на экранной форме "Диагностика".

5.1 Экранные формы регулирования


Экранные формы регулирования предназначены для отображения значения регулируемого параметра и положения регулирующего объекта, задания режимов и коэффициентов регулирования, а также значения регулируемого параметра, которое необходимо поддерживать.

В соответствии с алгоритмами на экранных формах регулирования отражаются следующие поля и кнопки (см. рис. 8):

Рисунок 8 - Пример экранной формы регулирования.

5.2 Параметры защиты и управления


Параметры защиты и управления отображаются на экранных формах в следующем виде:

аналоговые - рисунок 9;

дискретные - рисунок 10.

Рисунок 9 - Пример отображения аналогового сигнала.

Рисунок 10 - Пример отображения дискретного сигнала.

Для каждого конкретного параметра защиты (или управления) наличие кнопок "НР", "ИС", "НД" позволяет оператору установить режимы "норма", "испытательный", "недостоверность" соответственно:

норма - устанавливается, если показания датчика являются достоверными;

испытательный - устанавливается на время регламентных работ, проводимых службой КИПиА по данному параметру;

недостоверность - устанавливается, если значение параметра является недостоверным, например, из-за неисправности датчика.

Если значение аналогового параметра в режиме "норма" достигает аварийной/предупредительной уставки, то формируется сигнал "выход за аварийную/предупредительную уставку", который передается в SCADA-систему для индикации аварийного/предупредительного сигнала и в блок управления технологическим оборудованием для выполнения действий, определенных технологическим процессом. Если дискретный параметр в режиме "норма" принимает значение "неисправность", то формируется аварийный сигнал, который передается в SCADA-систему для индикации и в блок управления технологическим оборудованием для выполнения действий, определенных технологическим процессом. Чтобы установить режим для параметра защиты (или управления), необходимо с помощью мыши нажать на соответствующую кнопку выбора режима (см. рис.9 и 10), при этом на экране откроется окно "метка управления", в котором необходимо с помощью мыши выбрать нужную опцию (значение) и нажать на кнопку "Выполнить". Цвет фона прямоугольника, в котором отображается текущее значение параметра (см. рис.9 и 10), должен меняется в зависимости от установленного режима следующим образом:

розовый - НОРМА;

сиреневый - ИСПЫТАТЕЛЬНЫЙ;

серый - НЕДОСТОВЕРНОСТЬ.

Цвет фона прямоугольника, в котором отображается вид уставки параметра, должен меняется в зависимости от значения параметра следующим образом:

красный - достигнуто значение АВАРИЙНОЙ уставки;

желтый - достигнуто значение ПРЕДУПРЕДИТЕЛЬНОЙ уставки;

серый - значение параметра находится в допустимых пределах.

Примеры цветового отображения аналогово и дискретного сигналов представлены на рисунках 11 и 12 соответственно.

Рисунок 11 - Пример цветового отображения аналогового сигнала.

В соответствии с описанием на рис.9 в примере на рисунке 11 об аналоговом параметре отображена следующая информация:

обозначение параметра ТТ_18А;

канал измерения параметра ТТ_18А имеет значение НОРМА (исправен);

режим параметра ТТ_18А имеет значение НОРМА;

для параметра определены две уставки - верхняя аварийная (ВВП) и нижняя предупредительная (НП), причем значение параметра меньше или равно определенной для него нижней предупредительной уставке.

Рисунок 4.12 - Пример цветового отображения дискретного сигнала.

В соответствии с описанием на рис.10 в примере в примере на рисунке 12 о дискретном параметре отображена следующая информация:

название объекта управления кнопка "АО";

значение параметра (состояние объекта) НАЖАТА;

режим параметра имеет значение ИСПЫТАТЕЛЬНЫЙ.

5.3 Противоаварийная защита насосов


Для защиты насосов осуществляется контроль давления на входе и выходе (с учетом времени выхода в рабочий режим), контроль температуры подшипников, виброскорость двигателя, утечки сальниковых уплотнителей. Для каждого насоса реализована соответствующая экранная форма с перечисленными параметрами, пример на рисунке 13.

Рисунок 13 - Отображение экранной формы насоса.

В случае выхода любого из перечисленных параметров за пределы, определяемые уставками, двигатель должен быть немедленно остановлен и обесточен, оператор должен быть немедленно уведомлен сообщением на АРМ и звуковой сигнализацией. Блокировка двигателя должна сохраняться до нормализации параметра, вызвавшего останов.

5.4 Защита от выбросов газа


Для предотвращения выбросов опасных газов, на площадке ОПУ установлены анализаторы газа. САУ ОПУ непрерывно отслеживает содержание продуктов в атмосфере и информирует оператора при превышении предупредительной уставки сообщением на АРМ, при превышении верхней аварийной уставки сообщением на АРМ и аварийной звуковой сигнализацией. Пример индикации загазованности площадки приведен на рисунке 14.

Рисунок 14 - Пример индикации загазованности площадки сероводородом.

Цвет символа "индикатор предупредительной сигнализации", указанного на рис.14, в зависимости от состояния параметра "верхняя предупредительная сигнализация" меняется следующим образом:

желтый - концентрация сероводорода достигла верхней предупредительной уставки;

серый - концентрация сероводорода находится в допустимых пределах;

мигающий красный - состояние параметра "верхняя предупредительная сигнализация" изменилось, необходимо подтвердить это событие (сквитировать);

белый - отсутствует связь SCADA-системы с управляющим контроллером.

Цвет символа "индикатор аварийной сигнализации", указанного на рис.14, в зависимости от состояния параметра "верхняя аварийная сигнализация" меняется следующим образом:

красный - концентрация сероводорода достигла верхней аварийной уставки;

серый - концентрация сероводорода находится в допустимых пределах или меньше значения верхней аварийной уставки;

мигающий красный - состояние параметра "верхняя аварийная сигнализация" изменилось, необходимо подтвердить это событие (сквитировать);

белый - отсутствует связь SCADA-системы с управляющим контроллером.

Заключение

В ходе работы была разработана система автоматического управления Опытно-промышленной установки депарафинизации. Опытно-промышленная установка предназначена для депарафинизации дизельных и газойлевых фракций с использованием цеолитсодержащих катализаторов. Выбрано оборудование нижнего уровня: Термопреобразователь Тесей КТХА Exd01.01-J15-K0-T40-В-2, Датчик давления Метран 55 ДИ-515-МП-t10-050, Измеритель уровня L 21/500/DN25PN16/B, Расходомер жидкости и газа Exdress Hauser Prowirl 72F.

В ходе сравнения промышленных контроллеров предпочтение было отдано продукции Siemens, а именно контроллеру S300. В качестве SCADA системы была выбрана WinCC, поскольку имеет наилучшую интеграцию с контроллерами SiemensS300. В работе рассмотрены основные элементы SCADA проекта, разработаны основные элементы управления насосами, регуляторами, индикаторами отображения аналоговых и дискретных сигналов.

Список использованных источников

.        ГОСТ 34.601-90 «Автоматизированные системы. Стадии создания»;

.        ГОСТ 34.603-92 «Информационная технология. Виды испытаний автоматизированных систем»;

.        ГОСТ Р 51317.6.2-99 “Устойчивость к электромагнитным помехам технических средств, применяемых в промышленных зонах.” -М.: Госстандарт России, 1999.

.        РД 50-34.698-90. Методические указания. Комплекс стандартов и руководящих документов на автоматизированные системы. Требования к содержанию документов;

.        Егоров, Г.А. Управляющие вычислительные комплексы для промышленной автоматизации: Учебное пособие / Н.Л. Прохоров, Г.А. Егоров, В.Е. Красовский; Под ред. Н.Л. Прохоров, В.В. Сюзев. - М.: МГТУ им. Баумана, 2012. - 372 c.

.        Зильбербург, Л.И. Информационные технологии в проектировании и производстве / Л.И. Зильбербург, В.И. Молочник, Е.И. Яблочников. - СПб.: Политехника, 2008.

.        Иванов, А.А. Автоматизация технологических процессов и производств: Учебное пособие / А.А. Иванов. - М.: Форум, 2012. - 224 c.

.        Ицкович, Э.Л. Методы рациональной автоматизации производства: Выбор средств. Организация тендера. Анализ функционирования. Управление развитием. Оценка эффективности / Э.Л. Ицкович. - М.: Инфра-Инженерия, 2009. - 256 c.

.        Кангин, В.В. Промышленные контроллеры в системах автоматизации технологических процессов: Учебное пособие / В.В. Кангин. - Ст. Оскол: ТНТ, 2013. - 408 c.

.        Клюев, А.С. Наладка средств автоматизации и автоматических систем регулирования: Справочное пособие / А.С. Клюев, А.Т. Лебедев, С.А. Клюев. - М.: Альянс, 2009. - 368 c.

.        Нестеров А.Л. Проектирование АСУТП: Учебное пособие. - М.: ДЕАН, 2010 г. - 552.

.        Рачков, М. Ю. Технические средства автоматизации: учеб. для вузов / М. Ю. Рачков ; Моск. гос. индустр. ун-т, Ин-т дистанц. образования. - 2-е изд., стер. - М. : Изд-во МГИУ, 2007. - 185 с.(гриф)

.        Рождественский, Д. А. Автоматизация проектирования систем и средств управления : учеб. пособие Ч. 2 / Д. А. Рождественский. - Томск : Том. межвуз. центр дистанционного образования, 2004. - 131 с.

.        Пантелеев, В.Н. Основы автоматизации производства: Учебник для учреждений начального профессионального образования / В.Н. Пантелеев, В.М. Прошин. - М.: ИЦ Академия, 2013. - 208 c.

.        Селевцов Л. И., Селевцов А. Л. Автоматизация технологических процессов; Академия - Москва, 2012. - 352 c.

17.         интегрированный проектирование датчик

Приложения

Приложение 1

Таблица. Перечень контролируемых параметров

№ п.п.

Наименование  параметра

Измерительное устройство (ИУ)

Тип выходного сигнала ИУ

Обозначение

1

Датчик температуры №1 реактора 1

Тесей КТХА Exd0101 J-15-K0-T40-В-2

Аналоговый 4-20 мА

TE1.1

2

Датчик температуры №2 реактора 1

Тесей КТХА Exd0101 J-15-K0-T40-В-2

Аналоговый 4-20 мА

TE1.2

3

Датчик температуры №3 реактора 1

Тесей КТХА Exd0101 J-15-K0-T40-В-2

Аналоговый 4-20 мА

TE1.3

4

Датчик температуры №4 реактора 1

Тесей КТХА Exd0101 J-15-K0-T40-В-2

Аналоговый 4-20 мА

TE1.4

5

Датчик температуры №5 реактора 1

Тесей КТХА Exd0101 J-15-K0-T40-В-2

Аналоговый 4-20 мА

TE1.5

6

Датчик температуры №6 реактора 1

Тесей КТХА Exd0101 J-15-K0-T40-В-2

Аналоговый 4-20 мА

TE1.6

7

Датчик температуры №7 реактора 1

Тесей КТХА Exd0101 J-15-K0-T40-В-2

Аналоговый 4-20 мА

TE1.7

8

Датчик температуры №8 реактора 1

Тесей КТХА Exd0101 J-15-K0-T40-В-2

Аналоговый 4-20 мА

TE1.8

9

Датчик температуры №9 реактора 1

Тесей КТХА Exd0101 J-15-K0-T40-В-2

Аналоговый 4-20 мА

TE1.9

10

Датчик температуры №10 реактора 1

Тесей КТХА Exd0101 J-15-K0-T40-В-2

Аналоговый 4-20 мА

TE1.10

11

Датчик температуры №11 реактора 1

Тесей КТХА Exd0101 J-15-K0-T40-В-2

Аналоговый 4-20 мА

TE1.11

12

Датчик температуры №12 реактора 1

Тесей КТХА Exd0101 J-15-K0-T40-В-2

Аналоговый 4-20 мА

TE1.12

13

Датчик температуры №13 реактора 1

Тесей КТХА Exd0101 J-15-K0-T40-В-2

Аналоговый 4-20 мА

TE1.13

14

Датчик температуры №14 реактора 1

Тесей КТХА Exd0101 J-15-K0-T40-В-2

Аналоговый 4-20 мА

TE1.14

15

Датчик температуры №15 реактора 1

Тесей КТХА Exd0101 J-15-K0-T40-В-2

Аналоговый 4-20 мА

TE1.15

16

Датчик температуры №16 реактора 1

Тесей КТХА Exd0101 J-15-K0-T40-В-2

Аналоговый 4-20 мА

TE1.16

17

Датчик температуры №17 реактора 1

Тесей КТХА Exd0101 J-15-K0-T40-В-2

Аналоговый 4-20 мА

TE1.17

18

Датчик температуры №18 реактора 1

Тесей КТХА Exd0101 J-15-K0-T40-В-2

Аналоговый 4-20 мА

TE1.18

19

Датчик температуры №19 реактора 1

Тесей КТХА Exd0101 J-15-K0-T40-В-2

Аналоговый 4-20 мА

TE1.19

20

Датчик температуры №20 реактора 1

Тесей КТХА Exd0101 J-15-K0-T40-В-2

Аналоговый 4-20 мА

TE1.20

21

Датчик температуры №1 реактора 2

Тесей КТХА Exd0101 J-15-K0-T40-В-2

Аналоговый 4-20 мА

TE2.1

22

Датчик температуры №2 реактора 2

Тесей КТХА Exd0101 J-15-K0-T40-В-2

Аналоговый 4-20 мА

TE2.2

23

Датчик температуры №3 реактора 2

Тесей КТХА Exd0101 J-15-K0-T40-В-2

Аналоговый 4-20 мА

TE2.3

24

Датчик температуры №4 реактора 2

Тесей КТХА Exd0101 J-15-K0-T40-В-2

Аналоговый 4-20 мА

TE2.4

25

Датчик температуры №5 реактора 2

Тесей КТХА Exd0101 J-15-K0-T40-В-2

Аналоговый 4-20 мА

TE2.5

26

Датчик температуры №6 реактора 2

Тесей КТХА Exd0101 J-15-K0-T40-В-2

Аналоговый 4-20 мА

TE2.6

27

Датчик температуры №7 реактора 2

Тесей КТХА Exd0101 J-15-K0-T40-В-2

Аналоговый 4-20 мА

TE2.7

28

Датчик температуры №8 реактора 2

Тесей КТХА Exd0101 J-15-K0-T40-В-2

Аналоговый 4-20 мА

TE2.8

29

Датчик температуры №9 реактора 2

Тесей КТХА Exd0101 J-15-K0-T40-В-2

Аналоговый 4-20 мА

TE2.9

30

Датчик температуры №10 реактора 2

Тесей КТХА Exd0101 J-15-K0-T40-В-2

Аналоговый 4-20 мА

TE2.10

31

Датчик температуры №11 реактора 2

Тесей КТХА Exd0101 J-15-K0-T40-В-2

Аналоговый 4-20 мА

TE2.11

32

Датчик температуры №12 реактора 2

Тесей КТХА Exd0101 J-15-K0-T40-В-2

Аналоговый 4-20 мА

TE2.12

33

Датчик температуры №13 реактора 2

Тесей КТХА Exd0101 J-15-K0-T40-В-2

Аналоговый 4-20 мА

TE2.13

34

Датчик температуры №14 реактора 2

Тесей КТХА Exd0101 J-15-K0-T40-В-2

Аналоговый 4-20 мА

TE2.14

35

Датчик температуры №15 реактора 2

Тесей КТХА Exd0101 J-15-K0-T40-В-2

Аналоговый 4-20 мА

TE2.15

36

Датчик температуры №16 реактора 2

Тесей КТХА Exd0101 J-15-K0-T40-В-2

Аналоговый 4-20 мА

TE2.16

37

Датчик температуры №17 реактора 2

Тесей КТХА Exd0101 J-15-K0-T40-В-2

Аналоговый 4-20 мА

TE2.17

38

Датчик температуры №18 реактора 2

Тесей КТХА Exd0101 J-15-K0-T40-В-2

Аналоговый 4-20 мА

TE2.18

39

Датчик температуры №19 реактора 2

Тесей КТХА Exd0101 J-15-K0-T40-В-2

Аналоговый 4-20 мА

TE2.19

40

Датчик температуры №20 реактора 2

Тесей КТХА Exd0101 J-15-K0-T40-В-2

Аналоговый 4-20 мА

TE2.20

41

Датчик температуры №1 реактора 3

Тесей КТХА Exd0101 J-15-K0-T40-В-2

Аналоговый 4-20 мА

TE3.1

42

Датчик температуры №2 реактора 3

Тесей КТХА Exd0101 J-15-K0-T40-В-2

Аналоговый 4-20 мА

TE3.2

43

Датчик температуры №3 реактора 3

Тесей КТХА Exd0101 J-15-K0-T40-В-2

Аналоговый 4-20 мА

TE3.3

44

Датчик температуры №4 реактора 3

Тесей КТХА Exd0101 J-15-K0-T40-В-2

Аналоговый 4-20 мА

TE3.4

45

Датчик температуры №5 реактора 3

Тесей КТХА Exd0101 J-15-K0-T40-В-2

Аналоговый 4-20 мА

TE3.5

46

Датчик температуры №6 реактора 3

Тесей КТХА Exd0101 J-15-K0-T40-В-2

Аналоговый 4-20 мА

TE3.6

47

Датчик температуры №7 реактора 3

Тесей КТХА Exd0101 J-15-K0-T40-В-2

Аналоговый 4-20 мА

TE3.7

48

Датчик температуры №8 реактора 3

Тесей КТХА Exd0101 J-15-K0-T40-В-2

Аналоговый 4-20 мА

TE3.8

49

Датчик температуры №9 реактора 3

Тесей КТХА Exd0101 J-15-K0-T40-В-2

Аналоговый 4-20 мА

TE3.9

50

Датчик температуры №10 реактора 3

Тесей КТХА Exd0101 J-15-K0-T40-В-2

Аналоговый 4-20 мА

TE3.10

51

Датчик температуры №11 реактора 3

Тесей КТХА Exd0101 J-15-K0-T40-В-2

Аналоговый 4-20 мА

TE3.11

52

Датчик температуры №12 реактора 3

Тесей КТХА Exd0101 J-15-K0-T40-В-2

Аналоговый 4-20 мА

TE3.12

53

Датчик температуры №13 реактора 3

Тесей КТХА Exd0101 J-15-K0-T40-В-2

Аналоговый 4-20 мА

TE3.13

54

Датчик температуры №14 реактора 3

Тесей КТХА Exd0101 J-15-K0-T40-В-2

Аналоговый 4-20 мА

TE3.14

55

Датчик температуры №15 реактора 3

Тесей КТХА Exd0101 J-15-K0-T40-В-2

Аналоговый 4-20 мА

TE3.15

56

Датчик температуры №16 реактора 3

Тесей КТХА Exd0101 J-15-K0-T40-В-2

Аналоговый 4-20 мА

TE3.16

57

Датчик температуры №17 реактора 3

Тесей КТХА Exd0101 J-15-K0-T40-В-2

Аналоговый 4-20 мА

TE3.17

58

Датчик температуры №18 реактора 3

Тесей КТХА Exd0101 J-15-K0-T40-В-2

Аналоговый 4-20 мА

TE3.18

59

Датчик температуры №19 реактора 3

Тесей КТХА Exd0101 J-15-K0-T40-В-2

Аналоговый 4-20 мА

TE3.19

60

Датчик температуры №20 реактора 3

Тесей КТХА Exd0101 J-15-K0-T40-В-2

Аналоговый 4-20 мА

TE3.20

61

Датчик температуры №1 сепаратора С-1

Тесей КТХА Exd0101 J-15-K0-T40-В-2

Аналоговый 4-20 мА

TE4.1

62

Датчик температуры №2 сепаратора С-1

Тесей КТХА Exd0101 J-15-K0-T40-В-2

Аналоговый 4-20 мА

TE4.2

63

Датчик давления №1 сепаратора С-1

Метран 55 ДИ-515-МП-t10-050

Аналоговый 4-20 мА

PT4.1

64

Датчик давления №2 сепаратора С-1

Метран 55 ДИ-515-МП-t10-050

Аналоговый 4-20 мА

PT4.2

65

Уровень жидкости №1 в сепараторе С-1

Измеритель уровня L 21/500/DN25PN16/B

Аналоговый 4-20 мА

LI4.1

66

Уровень жидкости №2 в сепараторе С-1

Измеритель уровня L 21/500/DN25PN16/B

Аналоговый 4-20 мА

LI4.2

67

Датчик температуры №1 сепаратора С-101

Тесей КТХА Exd0101 J-15-K0-T40-В-2

Аналоговый 4-20 мА

TE5.1

Датчик температуры №2 сепаратора С-101

Тесей КТХА Exd0101 J-15-K0-T40-В-2

Аналоговый 4-20 мА

TE5.2

69

Датчик давления №1 сепаратора С-101

Метран 55 ДИ-515-МП-t10-050

Аналоговый 4-20 мА

PT5.1

70

Датчик давления №2 сепаратора С-101

Метран 55 ДИ-515-МП-t10-050

Аналоговый 4-20 мА

PT5.2

71

Уровень жидкости №1 в сепараторе С-101

Измеритель уровня L 21/500/DN25PN16/B

Аналоговый 4-20 мА

LI5.1

72

Уровень жидкости №2 в сепараторе С-101

Измеритель уровня L 21/500/DN25PN16/B

Аналоговый 4-20 мА

LI5.2

73

Датчик температуры №1 сепаратора С-102

Тесей КТХА Exd0101 J-15-K0-T40-В-2

Аналоговый 4-20 мА

TE6.1

74

Датчик температуры №2 сепаратора С-102

Тесей КТХА Exd0101 J-15-K0-T40-В-2

Аналоговый 4-20 мА

TE6.2

75

Датчик давления №1 сепаратора С-102

Метран 55 ДИ-515-МП-t10-050

Аналоговый 4-20 мА

PT6.1

76

Датчик давления №2 сепаратора С-102

Метран 55 ДИ-515-МП-t10-050

Аналоговый 4-20 мА

PT6.2

77

Уровень жидкости №1 в сепараторе С-102

Измеритель уровня L 21/500/DN25PN16/B

Аналоговый 4-20 мА

LI6.1

78

Уровень жидкости №2 в сепараторе С-102

Измеритель уровня L 21/500/DN25PN16/B

Аналоговый 4-20 мА

LI6.2

79

Датчик температуры №1 сепаратора С-103

Тесей КТХА Exd0101 J-15-K0-T40-В-2

Аналоговый 4-20 мА

TE7.1

80

Датчик температуры №2 сепаратора С-103

Тесей КТХА Exd0101 J-15-K0-T40-В-2

Аналоговый 4-20 мА

TE7.2

81

Датчик давления №1 сепаратора С-103

Метран 55 ДИ-515-МП-t10-050

Аналоговый 4-20 мА

PT7.1

82

Датчик давления №2 сепаратора С-103

Метран 55 ДИ-515-МП-t10-050

Аналоговый 4-20 мА

PT7.2

83

Датчик давления №3 сепаратора С-103

Метран 55 ДИ-515-МП-t10-050

Аналоговый 4-20 мА

PT7.3

84

Уровень жидкости №1 в сепараторе С-103

Измеритель уровня L 21/500/DN25PN16/B

Аналоговый 4-20 мА

LI7.1

85

Уровень жидкости №2 в сепараторе С-103

Измеритель уровня L 21/500/DN25PN16/B

Аналоговый 4-20 мА

LI7.2

86

Датчик температуры №1 колонны К-1

Тесей КТХА Exd0101 J-15-K0-T40-В-2

Аналоговый 4-20 мА

TE8.1

87

Датчик температуры №2 колонны К-1

Тесей КТХА Exd0101 J-15-K0-T40-В-2

Аналоговый 4-20 мА

TE8.2

88

Датчик температуры №3 колонны К-1

Тесей КТХА Exd0101 J-15-K0-T40-В-2

Аналоговый 4-20 мА

TE8.3

89

Датчик давления №1 колонны К-1

Метран 55 ДИ-515-МП-t10-050

Аналоговый 4-20 мА

PT8.1

90

Датчик давления №2 колонны К-1

Метран 55 ДИ-515-МП-t10-050

Аналоговый 4-20 мА

PT8.2

91

Датчик давления №3 колонны К-1

Метран 55 ДИ-515-МП-t10-050

Аналоговый 4-20 мА

PT8.3

92

Уровень жидкости №1 в колонне К-1

Измеритель уровня L 21/500/DN25PN16/B

Аналоговый 4-20 мА

LI8.1

93

Уровень жидкости №2 в колонне К-1

Измеритель уровня L 21/500/DN25PN16/B

Аналоговый 4-20 мА

LI8.2

94

Датчик температуры №1 колонны К-2

Тесей КТХА Exd0101 J-15-K0-T40-В-2

Аналоговый 4-20 мА

TE9.1

95

Датчик температуры №2 колонны К-2

Тесей КТХА Exd0101 J-15-K0-T40-В-2

Аналоговый 4-20 мА

TE9.2

96

Датчик температуры №3 колонны К-2

Тесей КТХА Exd0101 J-15-K0-T40-В-2

Аналоговый 4-20 мА

TE9.3

97

Датчик давления №1 колонны К-2

Метран 55 ДИ-515-МП-t10-050

Аналоговый 4-20 мА

PT9.1

98

Датчик давления №2 колонны К-2

Метран 55 ДИ-515-МП-t10-050

Аналоговый 4-20 мА

PT9.2

99

Уровень жидкости №1 в колонне К-2

Измеритель уровня L 21/500/DN25PN16/B

Аналоговый 4-20 мА

LI9.1

100

Уровень жидкости №2 в колонне К-2

Измеритель уровня L 21/500/DN25PN16/B

Аналоговый 4-20 мА

LI9.2

101

Расход жидкости группы насосов Н-1

Exdress Hauser Prowirl 72F

Цифровой

FI101

102

Расход жидкости в колонну К-2

Exdress Hauser Prowirl 72F

Цифровой

FI102

103

Расход жидкости группы насосов Н-2

Exdress Hauser Prowirl 72F

Цифровой

FI103

104

Уровень жидкости №1 в емкости Е-1

Измеритель уровня L 21/500/DN25PN16/B

Аналоговый 4-20 мА

LI10.1

105

Уровень жидкости №2 в колонне Е-1

Измеритель уровня L 21/500/DN25PN16/B

Аналоговый 4-20 мА

LI10.2

106

Расход кислорода

Exdress Hauser Prowirl 72F

Цифровой

FI107

107

Расход азота

Exdress Hauser Prowirl 72F

Цифровой

FI108


Приложение 2

Схема

Похожие работы на - Интегрированные системы проектирования и управления

 

Не нашли материал для своей работы?
Поможем написать уникальную работу
Без плагиата!
Без нейросетей!