Разработка системы управления электродвигателем
Оглавление
Задание
Выбор электропривода
Выбор структуры системы управления
электропривода
Выбор комплектного тиристорного
электропривода
Выбор элементов силового
электрооборудования в комплектном электроприводе
Выбор тахогенератора
Функциональная и структурная схемы
электропривода. Переход к относительным
единицам
Расчет параметров структурной схемы
Выбор типа регуляторов и расчёт их
параметров
Список литературы
Приложение А
Задание
электродвигатель силовой регулятор
Спроектировать комплектный тиристорный
электропривод постоянного тока на основании заданных технических требований.
Таблица 1 - Исходные данные
|
№ п/п
|
Наименование
|
Обозначение
|
Данные
|
|
1
|
Диапазон мощностей, в
пределах которого следует выбрать двигатель, кВт
|
|
От 101 до 200
|
|
2
|
Момент инерции механизма JM в долях от момента
инерции двигателя Лд
|
JМ / JА
|
1,5
|
|
3
|
Изменение момента статической нагрузки Мс в
долях от номинального Мн
|
МС/ Мн
|
1,4
|
|
4
|
Колебания напряжения сети
|
|
0,1
|
|
5
|
Диапазон регулирования скорости вниз от
номинальной
|
|
15
|
|
6
|
То же вверх от номинальной
|
|
1
|
|
7
|
Допустимая статическая погрешность поддержания
скорости при минимальной уставке
|
|
0,1
|
|
8
|
Величина токоограничения при упоре
|
|
2,0
|
|
9
|
Ускорение электропривода при пуске
|
|
0,5
|
Выбор электропривода
Выбирается конкретный двигатель постоянного
тока независимого возбуждения на мощность из указанного в задании диапазона
мощностей. Величины номинального тока и напряжения на якоре двигателя
выбираются, исходя из номенклатуры двигателей в заданном диапазоне мощностей и
номенклатуры тиристорных преобразователей в комплектных тиристорных
электроприводах. Режим работы электропривода SI. Номинальная скорость вращения
двигателя выбирается произвольно. В тех случаях, когда в задании
предусматривается регулирование скорости вше основной ослаблением потока
возбуждения, следует выбрать двигатель, допускающий таков регулирование.
Таблица 2 - Данные выбранного
электропривода
|
№ п/п
|
Наименование
|
Данные
|
|
1
|
Тип Двигателя
|
П143-4к
|
|
2
|
Мощность, кВт
|
200
|
|
3
|
Напряжение на якоре, В
|
440
|
|
4
|
номинальный
|
500
|
|
5
|
максимальный (отн.знач.)
|
2,5
|
|
Ток возбуждения, А
|
|
6
|
номинальный
|
9,5
|
|
7
|
при максимальной скорсти
|
2,4
|
|
8
|
Поток одного полюса, Вб
|
10/3,4
|
|
Угловая скрость вала, об/мин
|
|
9
|
номинальная
|
400
|
|
10
|
максимальная
|
1200
|
|
11
|
Момент инерции якоря, кгм2
|
29
|
|
Сопротивление обмоток, Ом
|
|
12
|
якоря
|
0,0276
|
|
13
|
дополнительных полюсов
|
0,0044
|
|
14
|
компенсационной
|
0,0166
|
|
15
|
независемого возбуждения
|
14,7
|
|
Число витков катушек, соединение катушек:
|
|
16
|
якоря
|
296/6
|
|
17
|
дополнительных полюсов
|
11, посл
|
|
18
|
компенсационной
|
12, посл
|
|
19
|
независемого возбуждения
|
672, посл
|
|
20
|
Число полюсов
|
4
|
|
21
|
Число пар параллельных ветвей
|
2
|
|
22
|
Масса двигателя, т
|
4,18
|
Выбор структуры системы управления
электропривода
Выбор структуры системы управления
электропривода производится с учетом требований технического задания на
электропривод, основные пункты которого приведены в табл. 1.
Сначала необходимо зафиксировать с
учетом количёственных характеристик основные функциональные режимы, которые
должен реализовать проектируемый электропривод на основании требований
технического задания: поддержание заданной скорости вращения электропривода (с
учетом требуемых диапазона, допустимой погрешности, действующих возмущений),
ограничение на допустимом уровне момента на валу электропривода (тока якоря),
процессы разгона и торможения электропривода. Затем следует переходить к выбору
конкретных контуров регулирования, реализующих указанные функциональные режимы
электропривода и выяснению их количественных технических характеристик:
допустимой статической ошибки, показателей быстродействия и степени
колебательности.
Выбор конкретной структуры системы
управления электроприводом производится путем сопоставления возможных вариантов
с учетом условий зздания. При этом обоснование проводится как для внутренних
(если они применяются), так и для внешних (основных) контуров регулирования.
В качестве внутреннего контура в тиристорных
электроприводах постоянного тока обычно применяется контур регулирования тока
якоря. Он обеспечивает:
ограничение тока якоря допустимым
значением при перегрузках электропривода (например, при работе привода на
упор),
дополнительную коррекцию во внешнем
контуре регулирования скорости.
Внутренний контур регулирования
напряжения на якорю встречается реже. Он применяется:
в системе Г-Д для гашения остаточной
ЭДС генератора при разрыве якорной цепи Г-Д,
В качестве внешнего могут быть
применены контуры регулирования:
напряжения на якоре двигателя,
ЭДС двигателя,
скорости вращения двигателя.
Цри выборе внешнего контура
регулирования следует, в перзую очередь, исходить из величины допустимой
статической ошибки в поддержании скорости вращения двигателя, сопоставляя
контур регулирования напряжения с контуром регулирования скорости. Если при
этом контур регулирования напряжения обеспечивает требуемую по условиям
технического задания точность поддержания скорости вала рабочего механизма, то
его следует применять как наиболее простой.
Схема с обратной связью по скорости
является универсальной, однако ее следует применять, когда не удается
обеспечить заданных показателей в более простых по конструкции схемах с
обратными связями по напряжению на якоре или ЭДС.
Схема электропривода с системой
регулирования потока двигателя применяется в тех случаях, когда рабочий
механизм допускает повышение скорости вращения при малых моментах статической
нагрузки (например, при частичном регулировании скорости электропривода в
режиме постоянства мощности). Так как в исходных данных к курсовому проекту нет
сведений о связи момента статической нагрузки с величиной скорости вращения
двигателя, то применять схему двухзонного регулирования скорости следует лишь в
тех вариантах, где преднамеренно указана величина поддиапазона регулирования скорости
вверх от номинальной.
Схема "источник тока
двигатель" применяется в электроприводах, где требуется умеренное
быстродействие и необходимо иметь минимальные габариты тиристорного
преобразователя.
Из выше изложенного выбираем схему с
обратной связью по корости.
Выбор комплектного тиристоряого
электропривода
В настоящее время заводы-зготовите
электротехнического оборудования обеспечивают поставку своей продукции в виде
законченных изделий комплектных электроприводов. Каздый завод применяет свою
маркировку изделий, которая приводится в соответствующих справочниках и
каталогах на электрооборудование.
Настоящий учебный курсовой проект
ориентирован на промышленные комплектные тиристорпые электропривода постоянного
тока серии КТЭУ и КТЭ . Электропривода этой серии имеют следующее типовое
обозначение:
КТЭУ-Iном/Uном-АБВ-ГВМТД-УХЛ(04)Здесь
КТЭ - комплектшшй тиристорный электропривод; .M, UH0M - номинальные
выпрямленные ток и напряжение ти- ристорного преобразователя в КТЭ. Комплектные
электроприводы серии КТЭ мощностью до 1000 кВт пшют шкалу номинальных
напряжений 220, 440 и 600 В и выпускаются на номинальные токи 25, 50, 100, 200,
320, 500, 800, 1000 и 1600 А;
Буквы А, Б, В (первая) и Г заменяют
собой определенные цифры в соответствии со следующлм их смысловым значением:v
А - исполнение силовой схемы
электропривода: (I) однодвигателькый электропривод без линейного контактора, 2-
даухдвигательный электропривод с параллельным соединением якорей двигателей,
3-многодвигательный электропривод, 5 однодвигательный электропривод с линейным
контактором, 9 - тиристорный возбудитель;
Б - режим работы: I - нереверсивный,
2 - реверсивный с реверсом поля двигателя и без режима рекуперации
электропривода, 3- реверсивный с изменением полярности напряжения на якоре;
В - исполнение тиристорного
преобразователя в КТЭ по способу связи с сетью: 1- с реактором, 2- с
трансформатором:
Г - исполнение системы
автоматического регулирования (САР): 0 - без CAP, 1 -САР скорости однозонная, 2
- САР скорости двухзонная с адаптивным регулятором, 3 - САР положения
однозонная. 4 - САР положения двухзонная, б - САР скорости двухзонпая, 6 - САР
мощности однозонная,..., 10 - цифровая САР положения,- САР скорости с реверсом
поля двигателя 18 - цифровая
САР скорости, 20 - САР натяжения;
Буквы В (вторая), М, Т, Д указывают
на наличие устройств: питания обмотки возбуждения двигателя, питания
электромагнитного тормоза, питания обмотки возбуждения тахогенератора,
динамического торможения электропривода. При отсутствии какого-либо из этих
устройств соответствующая буква в маркировке опускается;
Буквы УХЛ указывают на исполнение
для районов с умеренным и холодным климатом, 0 - на общепромышленное
исполнение, последняя цифра 4 обозначает категорию размещения по ГОСТ-15150-69,
т.е. в закрытых отапливаемых помещениях.
Комплектный тиристорный
электропривод выбирается с учетом:
шкалы токов и напряжений двигателя
по цепям якоря и возбуждения;
выбранной структуры системы
управлэния электроприводом.
В комплектный тиристорный
электропривод, кроме двигателя постоянного тока, входит:
тиристорный преобразователь (включая
силовой трансформатор или токоограничивающие реакторы) для питания якорной цепи
двигателя;
сглаживающий дроссель (если
требуется);
тиристорный преобразовательный
агрегат для питания обмотки возбуждения при регулируемом магнитном потоке
двигателя, а также встроенный источник возбуждения или аппаратура для
подключения обмотки возбуждения к сети постоянного напряжения 220 В при
нерегулируемом потоке двигателя;
силовая коммутационная и защитная
аппаратура;
щит автоматического управления
электроприводом, содержащий шкаф с релейно-контакторкой аппаратурой и шкаф с
элементами УБСР;
стеллажи с резисторами для
динамического торможения;
тахогенератор с блоком возбуждения
тахогенератора.
Выбирим комплектный тиристорный электропривод
из справочника «Комплектные тиристорные электроприводы» И. X. Евзеров, А. С.
Горобец, Б. И. Мошкович стр. 14 КТЭУ-800/440-532-1ВМТД-УХЛ.
Выбор элементов силового
электрооборудования в комплектном электроприводе
Выбору и проверке подлежат следующие
элементы силового электрооборудования: вентильный преобразователь с
трансформатором (или с токоограяичивающими реакторами в бестрансформаторной
схеме), слаживающий дроссель в цепи якоря двигателя и коммутирующая аппаратура.
Вентильный (тиристорный) преобразователь
в комплектном электроприводе выбирается с учетом номинальных тока и напряжения
электродвигателя.
Номинальный ток комплектного
электропривода соответствует номинальному току его тиристорного преобразователя
и должен быть не меньше номинального тока двигателя:втп > Iнд.
При выборе электропривода следует
также проверить, чтобы максимальный ток двигателя не превосходил максимально
допустимый ток комплектного электропривода. По выпрямленному току тиристорные
преобразователи допускают перегрузку в циклическом режиме не более 75% в
течение I мин. и не более 110% в течение 15. При этом среднеквадратичный ток не
должен превышать номинальный при времени усреднения 10 мин.
Номинальное напряжение.комплектного
электропривода выбирается в соответствии со шкалой напряжений тиристорных
преобразователей по величине номинального напряжения на якоре двигателя так,
чтобынтп > Uндв.
В выбранном тиристорном
преобразователе следует проверить величину запаса по выпрямленному напряжению.
Завышенный запас по напряжению приводит к завышению габаритов трансформатора,
ухудшает коэффициент мощности электроустановки, а также увеличивает пульсации
выпрямленного напряжения и тока.
Заниженный запас по напряжению
приводит к насыщению тиристорного преобразователя, а это вызывает чрезмерную
неконтролируемую системой регулирования просадку скорости вращения двигателя
при колебаниях напряжения сети или при перегрузке привода. Возможны также
чрезмерные токи и даже прорыв инверторной группы при торможении электропривода,
В переходных процессах восстановления динамического падения скорости
дополнительный запас по выпрямленному напряжению необходам для преодоления
влияния индуктивности якорной цепи дбигателя на процессы изменения тока якоря.
В настоящем проекте производится
проверка выбранного запаса по напряжению в преобразователе только для
статических режимов поддержания скорости. При этом учитываются приведенные в
задании величины колебания напряжения сети и перегрузки электропривода.
Проверка производится после расчета параметров силового электрооборудования.
Должно выполняться неравенство:> Ед + ΔU1 +
ΔU2 = Ед + Edo ΔUC/
UC+Iм Rяц ,
Здесь Edo - ЭДС идеального холостого
хода преобразователя; Ед - ЭДС двигателя при максимальной скорости; ΔU1
- снижение напряжения преобразователя, вызванное колебаниями ΔUC
напряжения сети UС; ΔU2
- падение напряжения в силовой цепи преобразователь-двигатель при протекании
максимального рабочего тока нагрузки Iм; яц - суммарное сопротивление силовой
цепи преобразователь - двигатель.
Выбор трансформатора.
Мощность проектируемого привода
весьма значительна. Для таких приводов рекомендуется устанавливать отдельный
трансформатор, питающийся от сети 6кВ.
Из справочника «Комплектные
тиристорные электроприводы» И. X. Евзеров, А. С. Горобец, Б. И. Мошкович стр.
50 выбираем токограничивающий реактор типа ТС3П-630/10УЗ и заносим его данные в
таблицу 3
Таблица 3 - Данные
трансформатора типа ТС3П-630/10УЗ
|
Наименование
|
Размерность
|
Значение
|
|
Напряжение преобразователя, Uп
|
В
|
460
|
|
Ток преобразователя, Iп
|
А
|
1000
|
|
Линейное напряжение сетевой обмотки,U1л
|
кВ
|
6
|
|
Линейное напряжение вентильной обмотки,U2л
|
В
|
410
|
|
Напряжение короткого замыкания,Uкз
|
%
|
5,9
|
|
Потери короткого замыкания,DРкз
|
Вт
|
6000
|
|
Потери холостого хода, DРхх
|
Вт
|
|
Ток холостого хода,Iхх
|
%
|
1,8-2,2
|
|
Ток вентильной обмотки, I2н
|
А
|
816
|
|
Полная мощность,Sт
|
кВ*А
|
580
|
Выбор структуры системы управления
электропривода произведем с учетом требований технического задания на
електропривод
В качестве внутреннего контура
регулирования применяем контур регулирования тока якоря. Это обеспечит
ограничение тока якоря допустимым значением при возможных перегрузках
электропривода.
Проверим удовлетворяет ли данный
выбор величине статической погрешности поддержания скорости.
Δnc=Δnc1+Δnc2
где Δnc1
и Δnc2- составляющие
статической погрешности, вызванные приложением статической нагрузки и
нестабильного потока возбуждения двигателя.
Δnc1- составляющая,
вызванная приложением статической нагрузки в схеме с интегральным регулятором
напряжения, когда можно принять Uя=const.
где кяд - кратность тока
короткого замыкания якорной цепи двигателя.
Составляющую Δnc2
на
стадии предварительных расчетов предсказать не удается из-за незнания величин
разброса магнитного сопротивления машины и нестабильности тока возбуждения
из-за нагрева обмотки, поэтому Δnс2 не
учитываю.
Проверим, удовлетворяет ли
заданная величина статической погрешности полученной.
Заданная величина
Рассчитанная величина

Расчет сопротивлений
трансформатора
Произведем расчет активного,
полного и индуктивного сопротивления трансформатора.
(1)
(2)
(3)
где, rтр - активное
сопротивление обмотки;тр - полное сопротивление обмотки;
хтр - индуктивное
сопротивление обмотки.
Расчет индуктивности
трансформатора
Расчет индуктивности
трансформатора произведем по формуле:
(4)
Проверка величины запаса по
выпрямленному напряжению
Проверим в выбранном
тиристорном преобразователе величину запаса по выпрямленному напряжению для
статических режимов поддержания скорости.
(5)
где Еd0- ЭДС идеально
холостого хода преобразователя.
Ед- ЭДС двигателя при
максимальной скорости
ΔU1- снижение
напряжения преобразователя, вызванное колебаниями напряжения сети.м-
максимальный рабочий ток нагрузкияц- суммарное сопротивление силовой цепи
преобразователь-двигатель.
Сопротивление якорной цепи
=0,0276+0.016+0.04=0.084 Ом(6)
где Rя- сопротивление якоря
двигателя и добавочных полюсовтр- эквивалентное активное сопротивление обмоток
трансформатора приведенное к вторичной цепи.э- снижение выпрямленной ЭДС за
счет коммутационных провалов.
Для трехфазной мостовой схемы
выпрямления дополнительное сопротивление от обмоток трансформатора
составляет:тр=2rтр=2*0.008=0.016 Ом (7)
Потери ЭДС за счет
коммутационных провалов.
(8)
ЭДС двигателя при
максимальной скорости вращения.
В (9)
где
В*с (10)
Максимальный ток загрузки
А (11)
ЭДС идеально холостого хода
преобразователя.
В (12)
Подставим полученные значения
(выражения 6 - 12) в выражение 5, получим:
557.5 <
201.1+557,5*0.1+1000*0.084=340.85(13)
Из выражения 13 видно, что
величина запаса по выпрямленному напряжению больше, чем желаемая величина.
Расчет индуктивности якорной цепи
Рассчитаем требуемую индуктивность
якорной цепи по формуле:
мГн (14)
где Uн Iн - номинальные
напряжение и ток якоря;
К - эмпирический коэффициент.
Рассчитаем индуктивность
якоря двигателя:
мГн (15)
где k - эмпирический коэффициент;п
- число пар полюсов двигателя
Произведем сравнение
индуктивности якоря двигателя с требуемой индуктивностью якоря двигателя:
(16)
Из выражения 16 видно, что
Lтреб>Lяц, т.е. индуктивности якорной цепи не достаточно для ограничения
пульсаций тока, т.е. нужен сглаживающий реактор.
Выберем
сглаживающий реактор занисем его данные в таблицу 4
Таблица 4 - Данные
сглаживающего реатора
Номинальный постоянный ток, А
|
Номинальная индуктивность, мГн
|
Активное сопротивление, Ом
|
|
ФРОС 65/0,5УЗ
|
250
|
1,5
|
6,8
|
Выбор тахогенератора
Тахогенератор выбирается по величине
скорости вращения двигателя, таким образом, чтоб при максимальной скорости
вращения якоря двигателя у тахогенератора оставался запас по механической
прочности (скорости вращения). Выбираю тахогенератор типа ПТ-22/1. Параметры
тахогенератора ПТ-22/1 приведены в таблице 5.
Таблица 5. - Параметры
тахогенератора типа ПТ-22/1
|
Технические данные тахогенератора
|
Характеристика тока возбуждения
|
|
Nн; об/мин
|
Iя; А
|
iв; А
|
Тип ячейки
|
Uв; В
|
Iв; А
|
|
2400
|
0.5
|
0.35
|
БФХ-0545
|
35
|
0.75
|
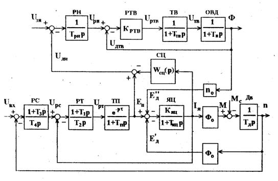
Функциональная и структурная схемы
электропривода.Переход к относительным единицам
Для выполнения расчётов, связанных с
выбором типа и параметров регуляторов, оценкой статических и динамических
показателей процессов в электроприводе, полезно составить для выбранного
варианта комплектного электропривода упрощенную функциональную (рисунок 1) и
структурную (рисунок 2) схемы.
Структурная схема составлена на
основании уравнений звеньев, записанных в относительных единицах, что позволяет
значительно упростить запись самих уравнений и последующие расчёты. В качестве
базовых величин принимаю[1]:
для напряжения и тока якоря - их
номинальные значения
для момента на валу и
электромагнитного момента двигателя - величину электромагнитного момента при
номинальных токе якоря и напряжении на якоре
для скорости вращения двигателя -
скорость его идеального холостого хода при номинальных магнитном потоке и
напряжении на якоре
для напряжений на входе тиристорного
преобразователя - то приращение входного напряжения, которое для
преобразователя с линеаризованной статической характеристикой создают изменение
выходного напряжения, равное базовому напряжению на нагрузке
для напряжений на входах датчиков
обратных связей - показания датчиков при базовом значении измеряемой
координаты. При этом величины коэффициентов усиления датчиков обратных связей
(в абсолютных единицах) должны быть подобраны так, чтобы во всём возможном
диапазоне измеряемой координаты выходное напряжение датчика соответствовало
работе его на линейном участке статической характеристики.
для задающих напряжений (как во
внешних так и во внутренних контурах регулирования ), сравниваем на входах
регуляторов с напряжениями датчиков обратных связей,- их значения,
эквивалентные базовым величинам сигналов обратных связей, т.е. найденные на
основании выражения:
Uзб=Uдб*Rвхз/Rвх ос (17)
где Uзб , Uдб - базовые напряжения
задания и датчика обратной связи,вхз, Rвх ос - сопротивления входных резисторов
по каналам задания и обратной связи.
В таблице 6 представлены базовые
значения переменных в электроприводе.
Рисунок 1. - Функциональная схема
системы электропривода.
Рисунок 2. - Структурная схема
системы электропривода.
Таблица 6. - Базовые значения
переменных в электроприводе
|
№ п/п
|
Наименование переменной
|
Обозначение
|
Расчетная формула
|
Численное значение
|
Размерность
|
|
|
2
|
3
|
4
|
5
|
6
|
|
1
|
Напряжение на якоре, ЭДС преобразователя ТП и
двигателя
|
Uя, Еп, Ед
|
Uн
|
440
|
В
|
|
2
|
Ток якорной цепи ЯЦ
|
Iя
|
Iн
|
500
|
А
|
|
3
|
Момент двигателя
|
М
|
Iн*кФн
|
800
|
|
4
|
Скорость вращения двигателя
|
N
|
|
125.7
|
Рад/с
|
|
5
|
Коэффициент пропорциональности между ЭДС и
скоростью двигателя
|
кФ
|
КФн
|
1.64
|
В*с/рад
|
|
6
|
Ток возбуждения двигателя
|
Iв
|
Iв
|
9.5
|
А
|
|
7
|
Напряжение на обмотке возбуждения, ЭДС
тиристорного возбудителя
|
Uв, Етв
|
Iвн*Rв
|
220
|
В
|
|
8
|
Напряжение на выходе регулятора тока якоря
|
Uртя
|
F(Еп)
|
10
|
В
|
|
9
|
Напряжение на выходах датчика тока якоря ДТЯ и
регулятора скорости РС
|
Uдтя, Uрс
|
Кдтя*Iн
|
5
|
В
|
|
10
|
Напряжение на выходах датчика скорости ДС и
задатчика интенсивности ЗИ
|
Uдс, Uзи
|
Кдс*nб
|
10
|
В
|
Расчет параметров структурной схемы
Механическая постоянная времени
Механическую постоянную времени Tд
рассчитаем по формуле:
Тд=(Jд+Jм)nб/Mн=(29+43.5)*125.7/800=11.4
с(18)
Здесь Jд , Jм - моменты инерции
двигателя и рабочего механизма.д -механическая постоянная времени звена Д,
учитывающего на структурной схеме механическую инерцию вращающихся масс
двигателя и механизма.
Электромагнитная постоянная времени
якорной цепи
Электромагнитная постоянная времени
якорной цепи рассчитывается по формуле:
Тяц=Lяц/Rяц(19)
где Rяц - суммарное сопротивление
силовой цепи преобразователь - двигатель.
Rяц= Rя+Rдп+Rко+2Rтр+Rэ=0.084 Ом
(20)
Lяц - суммарная индуктивность
якорной цепи
(21)
Тяц=Lяц/ Rяц = 0,3 с (22)
Кратность тока короткого
замыкания
Кратность тока короткого
замыкания силовой цепи преобразователь-двигатель рассчитаем по формуле:
Кяц = Uн / Iн×Rяц(23)
Кяц = 440 / 500×0.084
= 0,07
Выбор типа регуляторов и
расчёт их параметров
Предварительный выбор
параметров регуляторов (метод технического оптимума)
Настройка контура
регулирования тока якоря (КРТЯ)
При настройке КРТЯ нужно
стремиться к достижению максимально высокого быстродействия, чтобы не допустить
в переходном процессе опасных бросков тока якоря при резком приложении
чрезмерной статической нагрузки. Т.е. регулятор тока должен содержать
пропорциональный (П) канал.
Однако П - регулятор тока,
сообщая контуру регулирования высокое быстродействие, оставляет большую
статическую погрешность регулирования. Это препятствует максимальному
использованию двигателя по току во всём диапазоне скоростей. Поэтому применяют
пропорционально - интегральный (ПИ) регулятор тока.
(24)
Введём расчётную постоянную
времени:
Трт = Т1 / Кяц (25)
Т1 = Тi max = Tяц = 0,3 с(26)
(27)
Т2 = (0.12…0.24) с
Настройка контура
регулирования скорости (КРС).
Введём расчётную постоянную
времени:
Трс = Тд / Крс ,(28)
где Крс - коэффициент
пропорционального регулятора скорости (РС).
Трс = 1/wс =
(0.066…0,05) с(29)
Крс = (46.3…61.2)
Проверим величину статической
ошибки скорости Dnс в
замкнутой системе с П-РС
Dnсзамкн = DМс/ Крс =
(2.5…1.96)%(30)
Dnсзамкн > Δncзад
,
Значит нужно выбрать ПИ
регулятор скорости
(31)
Введём расчётную постоянную
времени:
с(32)
с (33)
Временные диаграммы
представлены в Приложение А
Описание схемы электрической
принципиальной силовой комплектного электропривода
В обоих полюсах двигателя
установлены контакты автоматического выключателя QF2, встроенные в тиристорный
преобразователь. Якорная обмотка двигателя подключается к выходным зажимам
преобразователя линейным контактором КМ1. Защиту двигателя от перегрузки по
току выполняют максимальное токовое реле FA1 линейного контактора KM1и
выключатель QF2. Снижение уровня пульсаций переменной составляющей тока в
якорной цепи двигателя осуществляется сглаживающим дросселем L2. Для остановки
привода в аварийных режимах предусмотрено контактор динамического торможения
КМ2, замыкающей якорь двигателя на резистор R4.
Наличие выпрямленного
напряжения преобразователя фиксируется реле KV1. Схема включения катушки этого
реле через резистор R1, шунтируемый размыкающим контактом реле KVI,
обеспечивает высокий коэффициент возврата реле и достаточную чувствительность.
Аналогичную схему включения имеет реле KV3, контролирующее наличие ЭДС
двигателя. Увеличение напряжения двигателя выше допустимого значения
фиксируется реле KV2. Контроль уровня изоляции якорных цепей двигателя
относительно контура заземления электрооборудования осуществляет реле FA2.
Уровень изоляции каждого полюса двигателя измеряется миллиамперметром mА и
переключателем SA2, поочередно подключающим миллиамперметр к одному из полюсов
якорной цепи двигателя. Обратная связь по току двигателя в схеме регулирования
электропривода снимается с шунта RS2, а обратная связь по напряжению двигателя
с потенциометра RP1.
Схема электрическая принципиальная
релейно-контакторных цепей комплектного электропривода представлина на Рисунок
2.
Рисунок 2 - Схема
электрическая принципиальная релейно-контакторных цепей комплектного
электропривода
Описание схемы релейно-контакторных
цепей комплектного електропривода
Релейно-контакторная
аппаратура получает питание от сети постоянного тока 220 В через автомат QF3.
Нулевая защита привода выполняется контактором KFV, в цепи катушки которого
собраны блокировки, разрешающие сборку силовых цепей только при наличии всех
защит и готовности комплектующих устройств к работе. Контакты K1, К2 замыкаются
при готовности якорного преобразователя к работе, контакты КЗ, К4 при
готовности возбудителя, KG при включении всех источников питания в системе
регулирования. Контакты КА2 и KA1 контролируют верхний и нижний пределы
изменения тока возбуждения двигателя. Контакт KV2 служит для защиты двигателя
от перенапряжений, контакт FА - от перегрузки по току. Контакт центробежного
выключателя SR используется для ограничения максимальной частота вращения
двигателя. Нулевой контактор KFV включается только при отсутствии напряжения
преобразователя (контакт реле KV1), ЭДС двигателя (контакт реле KV3) и нулевом
положении командоаппаратэ Sa/ПУ, сигнализирующим о нулевом значении сигнала
задания скорости. Линейный контактор KM1 включается сразу после поступления на
его катушку напряжения питания через замыкающий контакт KFV нулевого
контактора. Оперативное отключение линейного контактора электропривода возможно
лишь при нулевом значении эталонного напряжения и нулевом значении напряжения
преобразователя. Указанная блокировка осуществляется контактами KV1, KV3,
которые шунтируют замыкающий контакт KFV.
В случае, когда линейный
контактор отключается при наличии ЭДС двигателя, включается контактор
динамического торможения КМ2. После того, как частота вращения двигателя,
работающего в режиме динамического торможения, снизится до уровня, при котором
напряжение на катушке реле ЭДС KV3 станет ниже напряжения удержания, последнее
своим контактом KV3 обесточивает катушку контактора КМ2.
Для механизмов, требующих
фиксации, применяется электромеханический тормоз YB, накладываемый на механизм
после отключения линейного контактора и окончания динамического торможения.
Тормоз снимается при повороте командоаппаратэ Sа1/ПУ в положение задания
скорости. При атом через контакты переключателя Sа1/ПУ одновременно получают
питание катушки контактора тормоза КМЗ и контактора форсировки КМ4. Контакты
контактора КМЗ подают напряжение на катушку электромагнита YB, а контакт КМ4
шунтирует экономический резистор R4 в цепи этой катушми. Форсировка сокращает
время втягивания электромагнита и ускоряет снятие тормоза. Размыкающий контакт
КМЗ обесточивает катуашу реле КТ, которое, в свою очередь, с выдержкой времени,
достаточной для втягивания электромагнита, отключает контактор КМ4 и форсировка
по напряжению с катушки YB снимается. Срабатывание какой-либо из защит привода
регистрируется блинкерами реле KP1...XP7.
Список литературы
Усынин
Ю. С., Осипов О. И., Мацин В. П.. Системы управления электроприводов: Учебное
пособие к курсовому проектированию. Челябинск: ЧГТУ, 1996.
Справочные
данные по электрооборудованию. В 2-х т.
Т.
1. Электрические машины общего применения. - Л.: Энергия, 1964.
Приложение А
Рисунок 3 - Переходный процес КРС
Рисунок 4 - Переходный процес КРТ