Проектирование электрической подстанции 110/10 кВ
РЕФЕРАТ
В курсовом проекте отражены вопросы, связанные к
проектированию электрической части понижающей подстанции.
Перечень ключевых слов: подстанция, надёжность,
нагрузка, заземлитель, трансформатор тока, трансформатор напряжение, схема,
мощность, установка, короткое замыкание.
Объектом разработки в курсовом проекте является
электрическая часть понижающей подстанции.
Цель курсового проекта: спроектировать надёжную,
экологически безопасную, удобную в монтаже и эксплуатации, а так же отвечающим
всем требованиям понижающую подстанцию.
При проектировании применили действующие нормы
технологического проектирования подстанции и правил устройств электроустановок.
ГОСТы и типовые схемы принципиальных электрических распределительных устройств,
а так же современное электрооборудование, что помогло достичь цель курсового
проекта.
При выполнении проекта рассмотрены вопросы
обеспечения безопасности жизнедеятельности и экологии при эксплуатации
технологического оборудования и электрооборудования и электрических сетей.
Перечень принятых
сокращений
ВЛ - воздушная линия электропередачи;
ВН - высшее напряжение;
ГН - график нагрузки;
КЗ - короткое замыкание;
КЛ - кабельная линия;
КРУ - комплектное распределительное устройство
для внутренней установки;
КРУЭ - комплектное распределительное устройство
с элегазовой изоляцией;
НН - низшее напряжение;
ОПН - ограничитель перенапряжений нелинейный;
ОПУ - общеподстанционный пункт управления;
ПАВ - послеаварийный режим;
ПС - понижающая трансформаторная подстанция;
РПН - устройство регулирования напряжения под
нагрузкой;
РУ - распределительное устройство;
СЗА - степень загрязнения атмосферы;
ТН - трансформатор напряжения;
ТСН - трансформатор собственных нужд;
ТТ - трансформатор тока.
Введение
Проектирование электрической подстанции 110/10
кВ заключается в создании модели ПС, составлении описаний еще не существующих
объектов, предназначенных для преобразования и распределения электроэнергии.
Разработанные новые материалы и технологии
производства позволили создать более совершенные электротехнические устройства,
которые по своим характеристикам значительно превосходят ранее созданные,
значительно превышают надёжность и качество электроустановок, позволяют
совершенствовать компоновки распределительных устройств и подстанций, сокращать
занимаемую ими площадь, обеспечивают удобство эксплуатации, увеличивают
продолжительность межремонтного периода.
За последние годы были освоены и внедрены в
производство комплектные распределительные устройства с элегазовой изоляцией
напряжением 110 кВ и выше, комплектные распределительные устройства напряжением
6 - 20 кВ модульных конструкций, кабели с изоляцией из сшитого полиэтилена
напряжением до 500 кВ и многое другое.
Сегодня в распределительных устройствах всех
напряжений применяются более совершенные вакуумные и элегазовые выключатели,
измерительные трансформаторы тока с литой, полимерной и элегазовой изоляцией,
современные антиферрорезонансные трансформаторы напряжения, ограничители
перенапряжений в фарфоровых и полимерных покрышках.
К распределительным устройствам предъявляют
следующие требования:
надежность работы, которая определяется схемой
электрических соединений, высоким качеством и правильностью выбранных аппаратов
а также их компоновка;
удобство и безопасность обслуживания, которое
обеспечивается соответствующим размещением аппаратов, разделением элементов
оборудования защитными стенами или перекрытиями, применением защитных
заземлений;
пожаробезопасность.
Главной задачей проектирования является создание
модели ПС, практическая реализация которой обеспечит качественное и надежное
электроснабжение потребителей.
При проектировании используются современные
технические решения, позволяющие минимизировать обслуживание ПС, повышающие
надежность электроснабжения а также снижающие затраты на текущую эксплуатацию.
1. Выбор числа и
мощности силовых трансформаторов
При проектировании ПС выбор мощности силовых
трансформаторов выполняют на основании расчета аварийных перегрузок, тем самым
будет обеспечено наилучшее использование мощности силовых трансформаторов,
уменьшен расход электроэнергии.
Основные формулы, используемые при выборе
мощности:
1) Расчетная мощность трансформатора:
(1.1)
где
- заданная максимальная нагрузка,
МВт,
- коэффициент участия в максимальной
нагрузке потребителей I, II и III категории,
- коэффициент мощности,
- количество трансформаторов на ПС,
- коэффициент аварийной перегрузки,
равный 1,4;
Для проверки задаем стандартную
мощность наиболее близкую к расчетному значению SТ=25 МВА. Предварительно
примем трансформатор ТДН-25000/110.
) Максимальная полная нагрузка:
(1.2)
Примем 10% резерва для потребителей
I-ой категории надёжности.
) Мощность резерва
(1.3)
Рисунок 1.1 Суточный график нагрузки (в
процентах)
Таблица 1.1 Работа в нормальном режиме
|
Время
t, ч
|
Нагрузка
S, МВА
|
Нагрузка
с учетом резерва Sпав, МВА
|
%
|
|
1
|
31,2
|
28,1
|
100
|
|
6
|
29,7
|
26,6
|
95
|
|
1
|
28,8
|
25,7
|
92
|
|
2
|
28,13
|
25,3
|
90
|
|
2
|
27,5
|
24,4
|
88
|
|
2
|
26,9
|
23,8
|
86
|
|
1
|
23,4
|
20,3
|
75
|
|
1
|
17,2
|
14,1
|
55
|
|
1
|
14,7
|
11,6
|
47
|
|
1
|
12,8
|
9,7
|
41
|
|
1
|
11,9
|
8,8
|
38
|
|
3
|
10
|
6,9
|
32
|
|
1
|
9,4
|
6,3
|
30
|
|
1
|
8
|
4,9
|
26
|
Рисунок 1.2 график нагрузки
Рисунок 1.3 скорректированный график нагрузки (
в именованных единицах)
) Эквивалентная нагрузка в зоне максимальных
нагрузок послеаварийного режима для силового трансформатора:
(1.4)
где
- нагрузки в МВА на различных
ступенях ГН продолжительностью
соответственно в зоне максимальных
систематических нагрузок послеаварийного режима (зона аварийных перегрузок
силового трансформатора).
) Эквивалентная нагрузка в зоне
начальной нагрузки послеаварийного режима для силового трансформатора
(1.5)
) Коэффициент перегрузки:
Коэффициент начальной нагрузки
послеаварийного режима:
Так как K1пaв=0,63<1, делаем вывод о том, что
трансформатор подходит для следующей проверки.
В соответствии с ГОСТ 14209-97. Так как
эквивалентная зимняя температура равна -10 градус, значит, она нуждается в
корректировке.
Система охлождения трансформатора Д (ONAF)
масляное охлаждение с дутьем и естественной циркуляцией масла.
Рисунок 1.4 График корректировки
эквивалентной температуры
Определяем допустимый коэффициент
аварийных перегрузок по табл. 1.2
,используя значения эквивалентной
скорректированной зимней температуры
, продолжительность аварийной
перегрузки ha =10 ч.,
Таблица 1.2 Нормы допустимых аварийных
перегрузок силовых трансформаторов
|
QЭК
|
hАВ
|
К2
|
|
-10
|
8
|
1,5
|
|
-10
|
12
|
1,5
|
|
0
|
8
|
1,4
|
|
0
|
12
|
1,4
|
Сравниваем полученные значения коэффициентов
K2пaв и K2:пaв ≤ К2;
,06<1,45 - условие выполняется, данный тип
трансформатора может быть установлен, его основные параметры приведем в
приложении (Приложение А).
2. Расчет токов
короткого замыкания и их ограничение
.1 Расчет токов
короткого замыкания
С целью выбора и проверки электрических
аппаратов и кабелей производится расчет т.к.з. в относительных единицах для
симметричного трехфазного к.з.
Рисунок 2.1. Схема присоединения подстанции к
сети
Вычисляем приведённые значения сопротивлений для
всех элементов расчётной схемы замещения.
Рисунок 2.2 Общая схема замещения
) электрический систем С1 и С2Б=1000 МВА
(2.1)
(2.2)
) воздушных линий
(2.3)
(2.4)
где Х0 - индуктивное сопротивление 1
км длины ВЛ, ОМ/км,Ɩ - длина ВЛ, км;
(2.5)
(2.6)
(2.7)
(2.8)
. Рассмотрим КЗ когда ремонтная перемычка и
секционные выключатели включены:
А) на стороне ВН
Рисунок 2.3. Схема замещения при КЗ на ВН
(2.9)
(2.10)
(2.11)
(2.12)
Б) КЗ на стороне НН
Рисунок 2.4 Схема замещения при КЗ на НН
Складываем параллельно ветви ХТ1 и ХТ2
(2.13)
Складываем последовательно ветви Х3 и Х12
(2.14)
(2.15)
2. Ремонтная перемычка разомкнута, секционные
выключатели разомкнуты:
А) На стороне ВН
Рисунок 2.5. Схема замещения
(2.16)
Преобразуем получившийся треугольник в звезду:
(2.17)
(2.18)
(2.19)
(2.20)
(2.21)
Б) На стороне НН: секционные выключатели
разомкнуты
Рисунок 2.6 Схема замещения секционные
выключатели разомкнуты
(2.22)
(2.23)
Максимальный ток трехфазного КЗ на стороне ВН -
11,62 кА
Максимальный ток трехфазного КЗ на стороне НН -
21,56 кА
Для ограничения тока КЗ принимаем раздельную работу
трансформаторов (секционный выключатель отключен):
В качестве вводного выключателя ВН выбираем:
ВГТЗ-110-II-40
(tco=0,035 c, to=0,055 c) [16]
В качестве вводного выключателя НН выбираем:
VS1BEL-12 HEAG (tco=0,03 c, to=0,05
c) [17]
Полное время отключения цепи при КЗ:
ВН:
(2.24)
НН:
(2.25)
где tз - время
действия релейной защиты, с и
- полное время отключения
выключателя, с.
Время отключения тока КЗ:
ВН:
(2.26)
НН:
(2.27)
где tз - время
действия релейной защиты, с и
- собственное время отключения
выключателя, с.
Определяем постоянную времени
затухания апериодической составляющей
, с (выбираем по таблицам [8]):
ВН:
,
(2.28)
НН:
,
(2.29)
Определение значение апериодической составляющей
в момент времени:
ВН:
(2.30)
НН:
(2.31)
Находим ударный ток
, кА
ВН:
(2.32)
НН:
(2.33)
импульс квадратичного тока КЗ.
ВН:
(2.34)
НН:
(2.35)
.2 Определение
необходимости ограничения тока КЗ
Необходимость ограничения тока к.з. на шинах НН
должна быть определена на основании проверки двух условий :
1) возможностью
отключения тока к.з. выключателями
(2.36)
где
- номинальный ток отключения
выключателя НН, кА ;
1) термической
стойкостью головных участков кабельной сети, т.е. кабелей, отходящих от РУ НН.
Минимальную площадь сечения кабеля, отвечающую
требованию его термической стойкости при КЗ, можно приближенно определить по
импульсу квадратичного односекундного тока КЗ кабеля.
=
(2.37)
где
=1с,
согласно данным завода изготовителя.
-квадрат
односекундного тока КЗ кабеля СПЭ,кА
,95
6,62
1=43,56
Выбираем сечение кабеля
мм2
НН с алюминиевыми многопроволочными жилами с изоляцией из сшитого полиэтилена.
Так как оба вышеперечисленных условия
выполняется, то в ограничении токов КЗ мы не нуждаемся.
трансформатор ток кабель электроизмерительный
3. Разработка схем
подстанции
.1 Определение
структурной схемы и основных характеристик подстанции
Выбранный вариант структурной схемы ПС должен
быть подробно разработан для обоих напряжений (ВН и НН). Подробная разработка
приводит к составлению принципиальной электрической схемы главных цепей
подстанции, называемой в дальнейшем «главной схемой».
Разработка главной схемы предполагает выбор ее
вида, определения количества систем шин и секций РУ, расстановку электрических
аппаратов в зависимости от структурной схемы, номинального напряжения, режимов
работы оборудования и нейтрали, требований надежности и других условий.
Регион, в котором должна будет располагаться ПС,
имеет степень загрязнения атмосферы >IV и ограничение по площади. В связи с
этим применим закрытое распределительное устройство на напряжение 110 кВ в
здании-укрытии “Самара”. ЗРУ СЭЩ “Самара” версия 1.1 является разработкой 2014
года, предназначено для приёма и распределения электрической энергии
трёхфазного переменного тока промышленной частоты 50 Гц на напряжение 110 кВ.
Для разработки низшего напряжения применим КРУН.
Данная подстанция будет состоять из следующих
элементов:
- ЗРУ-110 кВ;
- силовые трансформаторы ТДН 25МВА;
КРУН (комплектное распределительное устройство
наружной установки);
жесткой и гибкой ошиновок;
заземления;
грозозащиты;
кабельных конструкций;
фундаментов и ограждений;
осветительных устройств;
системы внутреннего отопления и вентиляции;
охранно-пожарной сигнализации;
линейного ввода.
Рисунок 3.1 Структурная схема
Данная ПС предназначена для распределения
электроэнергии между потребителями. Из них 10% приходится на потребителей I -
категории, 15% II - категории и 75% III категории. Процент резерва по сети
низшего напряжения - 10%.
.2 Разработка схемы
высшего напряжения
Для ВН применяем КТП СЭЩ Б(М)
“Самара”-110-4Н-Г/10-59. Расшифровывается:
комплектная трансформаторная подстанция
модернизированная - КТП СЭЩ Б(М),
в здании “Самара”,
на стороне высшего напряжения номинальное
напряжение - 110 кВ,
номер схемы - 4Н,
условное обозначение типа выключателя ВГТЗ-110
кВ - Г,
номинальное напряжение стороны низшего
напряжения - 10 кВ,
условное обозначение типа ячеек КРУН К-59.
Рисунок 3.2 Схема ВН ПС
ПС ответвительная и подключена к двум ВЛ,
применяется ремонтная перемычка, так как оборудование находится в ЗРУ. В схеме
для связи мы используем волоконно-оптические кабели.
Режим нейтрали
В сетях 110 кВ режим нейтрали эфективно -
заземленный согласно ПУЭ [11]. Для этого в нейтраль трансформатора установим
ОПНн-П-110/56 У1 и ЗОН-110М У1.
Рисунок 3.3 Схема ответвительной подстанции
В составе ЗРУ есть ограничители перенапряжений и
выключатели. Для передачи сигнала измерительным приборам и устройствам защиты и
управления установлен трансформатор тока ТВТ-110 III.
3.3 Разработка схемы
низшего напряжения
Так как трансформаторы не имеют расщеплённую
обмотку НН, РУ НН будет содержать две секции шин. В КРУН установим шкафы серии
К59 [приложение Б], они предназначены для приёма и распределения электрической
энергии трёхфазного переменного тока частоты 50 Гц напряжением 10 кВ.
Габаритные размеры этих шкафов : 750х3060х3180 мм.
Рисунок 3.4 Схема НН ПС
Количество отходящих кабельных линий -38,из них:
4 потребителя I-й категории, 12 потребителей II-й категории и 22 потребителей
III-й категории.
В составе КРУ НН- две секции сборных шин 10 кВ,
в каждой секции: 8 кл отходящих кабельных линий (2 кл -потребитель I-й
категории,6 кл- потребитель II-й категории, 11 кл III-й категории), кл вводного
выключателя, кл трансформатора напряжения, резервная кл и, кроме того, кл
секционного выключателя, кл трансформатора собственных нужд. Всего по 13 кл на
каждой секции СШ. В КРУН предусмотрено отопление, вентиляция, питание
внутреннего освещения напряжением 220 В, 50 Гц и переносного освещения - 36 В,
50 Гц. Конструкция блоков РУ обеспечивает свободный доступ для обслуживания и
ремонта электрооборудования. Все наружные двери КРУН приспособлены для
пломбирования, а также снабжены устройствами для фиксации в закрытом положении.
Высоковольтная часть блока разделена вертикальными перегородками на ячейки
(шкафы), в которых размещено высоковольтное оборудование и аппаратура
вспомогательных цепей. В отсеке выдвижного элемента располагается вакуумный
выключатель VS1BEL-12 HEAG [приложение Б] на колесной тележке, защитные шторки,
закрывающие доступ к силовым токоведущим частям при выкатывании выдвижного
элемента в ремонтное положение, узлы заземления и фиксации выдвижного элемента
в рабочем и контрольном положении. В отсеке ввода-вывода размещены
трансформаторы тока ТОЛ-СЭЩ-10 У2 [приложение Б], заземляющий разъединитель,
трансформатор тока нулевой последовательности ТЗЛМ-1-10. В каждой секции шин
имеется ячейка с трансформатором напряжения НАМИ-10 [приложение Б],
подключенным через предохранитель ПКН-001-10 У3.
Режим нейтрали на стороне НН:
(3.1)
Так как, Ic=12А<20А согласно ПУЭ применим
изолированный режим нейтрали.
3.4 Выбор оперативного
тока
Оперативный ток (постоянный, переменный,
выпрямленный) выбирается в зависимости от категории ПС, типа приводов, наличия
резервного источника питания, вида обслуживания ПС, категорийности
потребителей, питающихся от ПС. В настоящее время на ПС напряжением 110 кВ
применяют постоянный оперативный ток. [5]
Система постоянного оперативного тока
Для этого применяются шкафы управления ШУОТ.
Шкафы управления оперативным током - современные сложные электротехнические
устройства на унифицированной элементной базе с микропроцессорной системой
управления. Предназначены для питания цепей постоянного тока ответственных
потребителей (терминалов РЗА, высоковольтных выключателей, аварийного
освещения) установленным напряжением и непрерывного заряда аккумуляторных
батарей с контролем их состояния.
Применяются в системах постоянного тока
электростанций и распределительных подстанций объектов электроэнергетики,
нефтегазовой, химической, горнодобывающей, металлургической и других отраслей
промышленности. Положительно зарекомендовали себя при квалификационных,
типовых, периодических, приёмо-сдаточных испытаниях и в реальных условиях
эксплуатации. Конструкция одностороннего обслуживания имеет
габаритно-установочные размеры, позволяющие использовать устройства в модульных
зданиях, комплектных трансформаторных подстанциях и распределительных
устройствах любых типов. Шкафы управления оперативным током серии ШУОТ-2405
выпускаются серийно на базе низкочастотных тиристорных выпрямителей с
трансформатором на входе.
Стандартные устройства изготавливаются на
номинальное входное линейное напряжение питающей сети 380В, в исполнении 1 по
резервированию, с установленным производителем количеством и распределением
отходящих линий (фидеров), типом и током автоматических выключателей на входе и
выходе, на время поддержки от аккумуляторных батарей 60 минут.
Рисунок 3.5 Схема ШОУТ 24 05
Представляют собой конструкцию одностороннего
обслуживания в составе:
шкаф подзарядного устройства (ПЗУ)
полупроводниковый, состоящий из двух управляемых тиристорных выпрямителей (ПЗУ1
и ПЗУ2) с двумя микропроцессорными системами контроля и управления,
осуществляющих питание нагрузки выпрямлённым стабилизированным напряжением,
заряд и подзаряд аккумуляторных батарей;
шкаф с комплектом аккумуляторных
батарей (Шкаф АБ), осуществляющих снижение пульсаций выпрямлённого напряжения,
компенсацию энергопотребления при пиковых нагрузках, превышающих мощность ПЗУ
и, в случае перерывов в электроснабжении, обеспечение нагрузки электроэнергией.
Конструкция предусматривает подводку внешних кабелей снизу (из кабельных
каналов или проёмов), крепление вводных кабелей и обеспечивает
работоспособность в вертикальном положении с допустимым отклонением до 5
градусов в любую сторону. Функциональные узлы, платы управления и места их
установки имеют конструктивные элементы или соответствующие надписи
(маркировку), предотвращающие неправильную установку и включение. Все
металлические детали имеют антикоррозионные покрытия. Охлаждение воздушное
естественное.
Пульт местного управления устройств состоит из
информационного дисплея и клавиатуры. Дисплей построен на базе двух строчного
20-символьного жидкокристаллического индикатора (ЖКИ) и светодиодов.
Устройства оснащены классическими видами
световой и внешней сигнализации с выводом сигналов «сухими контактами» на
диспетчерский пункт.
.5 Выбор трансформаторов собственных нужд
Рассчитаем нагрузки собственных нужд для
двухтрансформаторной ПС без дежурного персонала. Результат занесем в таблицу
3.1.
|
Электроприемник
|
Установленная
мощность
|
Коэф.
мощн. соsφ
|
Количество
|
Коэфф.
спроса
|
Расчетная
мощность
|
|
-
|
кВт
|
-
|
шт
|
-
|
кВт
|
кВ.А
|
|
Электродвигатели
обдува трансформатора
|
3
|
0,85
|
-
|
0,85
|
2,55
|
3
|
|
Обогреватель
шкафа КРУ
|
1
|
1
|
20
|
1,0
|
20
|
|
Обогреватель
шкафа релейной аппаратуры
|
0,5
|
1
|
6
|
1,0
|
3
|
3
|
|
Отопление,
освещение и вентиляция ЗРУ
|
15
|
1
|
2
|
0,8
|
24
|
24
|
|
Отопление
общеподстанционного пункта управления (ОПУ)
|
6
|
1
|
1
|
1,0
|
6
|
6
|
|
Наружное
освещение СКУ-12-220 (аналог 250Вт ДРЛ)
|
0,07
|
1
|
12
|
0,5
|
0,42
|
0,42
|
|
Оперативные
цепи
|
1,8
|
1
|
1
|
1,0
|
1,8
|
1,8
|
|
ИТОГО:
|
|
|
|
|
57,77
|
59,77
|
Так как мощность нагрузки собственных нужд ПС
62,5 кВА и ПС без дежурного персонала, то возьмем ТСН типа ТЛС-СЭЩ-63/10. Так
как оперативным током на ПС служит постоянный ток, то ТСН присоединяется через
предохранитель к шинам КРУН НН.
Для защиты трансформатора собственных нужд от
перенапряжений устанавливаем ограничитель перенапряжения типа ОПНп-10
расположен в вынесеном ТСН.
А. (3.2)
Выбор предохранителя
Предохранитель типа ПКТ101-10-5-12,5УЗ
Условия выбора приведены в таблице 3.2
|
Условие
выбора
|
Расчётные
величины
|
Каталожные
данные
|
|
|
|
|
|
|
|
|
|
|
|
|
Условия выполняются, следовательно,
предохранитель выбран верно.
.6 Выбор схемы питания
трансформаторов собственных нужд
Схема питания ТСН зависит от вида оперативного
тока, от категории подстанции. На данной подстанции применена система
постоянного оперативного тока, поэтому ТСН подключаем через предохранители к
шинам КРУН 10 кВ.
Рисунок 3.6 Схема питания ТСН
4. Выбор электрических
аппаратов, кабелей и электроизмерительных приборов
.1 Проверка
электрических аппаратов стороны ВН
Ток в сети в нормальном режиме:
Ток нормального режима
А (4.1)
Максимальный ток
= =
=
А (4.2)
Примем к расчету наибольшее значение А
где: Smax - максимальная мощность нормального
режима;
S`max - максимальная мощность послеаварийного
режима
Дальнейший расчёт ведём по току послеаварийного
режима Imax.
4.1.1 Выбор
разъединителей
Таблица 4.1 Выбор и проверка разъединителя типа
РГ-2-II-110/1000 У1
|
Условия
проверки
|
Расчетные
величины
|
Каталожные
данные
|
|
Выбор
|
|
 
|
|
|
|
 
|
|
|
|
Проверка
|
|
 
|
|
|
|
 
|
|
|
Условия выполняются [приложение Б].
4.1.2 Выбор
выключателей на стороне ВН
Таблица 4.2. Выбор и проверка высоковольтного
выключателя на ВН типа ВГТЗ-110-II-40/2500 У3
Условия выполняются
4.1.3 Выбор и проверка
ограничителей перенапряжений
Выбираем для защиты ПС от атмосферных и
коммутационных перенапряжений ограничители перенапряжения:
Таблица 4.3. на ВН типа ОПНп-110 УХЛ1.
|
Условия
выбора
|
Расчетные
величины
|
Каталожные
данные
|
|
 
|
|
|
Условие выполняется
В нейтраль силового трансформатора ОПНн-110/56
У1
4.1.4 Выбор
трансформаторов тока
1. Выбираем на стороне ВН ТТ
Таблица 4.5 Выбор и проверка ТТ на стороне ВН
типа ТОЛ-110-II 300/5 У1
|
Условия
проверки
|
Расчетные
величины
|
Каталожные
данные
|
|
Выбор
|
|
 
|
|
|
|
 
|
|
|
|
Проверка
|
|
 
|
|
|
|
 
|
|
|
Условия выполняются
. Выбираем ТТ, встроенные в силовые
трансформаторы,
Таблица 4.6. Проверка ТТ, встроенных в силовой
трансформатор, типа ТВТ-110-III-200/5
|
Условия
проверки
|
Расчетные
величины
|
Каталожные
данные
|
|
Выбор
|
|
 
|
|
|
|
 
|
|
|
|
Проверка
|
|
 
|
|
|
Условия выполняются.
4.2 Выбор и проверка
оборудования на стороне НН
Ток в сети в нормальном режиме будет равен
A (4.3)
Максимальный ток
А (4.4)
Ток в линии самого мощного потребителя
А (4.5)
где
- нагрузка самого мощного
потребителя, МВт.
МВА (4.6)
Ток резерва:
А (4.7)
Дальнейший расчёт ведём по току
послеаварийного режима I мах
4.2.1 Выбор
выключателей на стороне НН
Таблица 4.7 Проверка выключателей НН. В качестве
вводного выключателя НН VS1BEL-12 HEAG
Вывод: VS1BEL-12 HEAG удовлетворяет условиям.
Таблица 4.8 Выбор секционного выключателя типа
VS1BEL-12 HEAG
Вывод: VS1BEL-12 HEAG удовлетворяет условиям.
Таблица 4.9 Выбор и проверка выключателя
отходящей линии, типа VS1BEL-12 HEAG
Вывод: VS1BEL-12 HEAG удовлетворяет условиям.
Таблица 4.10 Выбор и проверка выключателя
резерных линии ипа VS1BEL-12 HEAG
Вывод: VS1BEL-12 HEAG удовлетворяет условиям.
4.2.2 Выбор ОПН
Выбираем для защиты ПС от атмосферных и
коммутационных перенапряжений ограничители перенапряжения на НН - ОПНп-10 УХЛ1:
Таблица 4.11
|
Условия
выбора
|
Расчетные
величины
|
Каталожные
данные
|
|
 
|
|
|
.2.3 Выбираем ТТ на
стороне НН
вводной ТТ типа ТОЛ-СЭЩ-10-У2
Таблица 4.12 Выбор и проверка вводного ТТ типа
ТОЛ-СЭЩ-10-У2
|
Условия
выбора
|
Расчетные
величины
|
Каталожные
данные
|
|
Выбор
|
|
 
|
|
|
|
 
|
|
|
|
Проверка
|
|
 
|
|
|
|
 
|
|
|
Условия выполняются.
секционный ТТ типа ТОЛ-СЭЩ-10-У2
Таблица 4.13 Выбор и проверка секционного ТТ типа
ТОЛ-СЭЩ-10-У2
|
Условия
выбора
|
Расчетные
величины
|
Каталожные
данные
|
|
Выбор
|
|
 
|
|
|
|
 
|
|
|
|
Проверка
|
|
 
|
|
|
|
 
|
|
|
где Кп=1,2- коэффициент перегрузки ТТ
Условия выполняются.
Таблица 4.14 Выбор ТТ отходящих линий типа
ТОЛ-СЭЩ-10-IM-2
Условия выполняются.
Таблица 4.15 Выбор и проверка ТТ резервных линий
типа ТОЛ-СЭЩ-10-У2
Условия выполняются.
4.2.4 По
вторичной нагрузке
,
(для шинного и отход. линий)
В соответствии с заданием к ТТ
подключаем приборы, приведенные в таблице 4.16.
Таблица 4.16. Вторичная нагрузка ТТ
|
Наименование
|
Тип
|
Класс
точности
|
Кол-во
|
Потребление
одной цепью
|
|
Цифровой
счетчик активной и реактивной энергии
|
Меркурий
230 AR
|
0,5S
1
|
1
|
0,1
|
;
;
(4,8)
Сопротивление контактов принимается
при 2-3
приборах.
Допустимое сопротивление приборов
при классе точности 0,5
(4.9)
Чтобы ТТ работал в выбранном классе
точности, необходимо выдержать условие
допустимое сопротивление проводов
(4,10)
Определяем сечение соединительных
проводов:
(4.11)
где (
для алюминиевых жил) [11].
Принимаем контрольный кабель АКВВГ с
жилами сечением 2,5 мм2
При рассчитанной нагрузке выбранные
ТТ будут работать в заданном классе точности.
.2.5 Выбор
трансформаторов напряжения
На шинах 10 кВ устанавливаем ТН типа
НАМИ-10 У1
Проверку проводим по:
напряжению установки
;
вторичной нагрузки
;
Таблица 4.17 Вторичная нагрузка ТН
|
Наименование
|
Тип
|
Класс
точности
|
Кол-во
|
Потребление
одной цепью
|
Потребляемая
мощность ВА
|
|
Цифровой
счетчик активной и реактивной энергии
|
Меркурий
230 AR
|
0,5
|
11
|
7,5
|
75
|
|
Цифровой
вольтметр
|
АV-24Т
|
0,5
|
1
|
0,3
|
0,3
|
Условия выполняются, ТН выбран верно [приложение
Б].
В качестве соединительных проводов
принимаем кабель АКВВГ с жилами сечением
, исходя из условий прочности для
алюминиевых жил.
4.2.6 Выбор
кабеля для питания потребителей 10 кВ
1. Для отходящих линий.
по нормированной экономической
плотности тока:
Расчетной величиной при выборе
является длительный ток нормального режима максимальных нагрузок (без
перегрузок)
.
мм2. (4.12)
Продолжительность использования
максимума нагрузки - 4500 ч, jэк=1,7А/мм2 [11], коэффициент перегрузки kп=1,3,;
.
Ближайшее стандартное сечение кабеля
- 185 мм2.
Предварительно выбираем кабель АПвВ 3×185-10
с аллюминиевыми жилами, изоляцией из сшитого полиэтилена, в оболочке из
поливинилхлоридного пластиката сечением жил
,
проложенного в земле равен 371 А [7].
- по номинальному напряжению:ном≥Uуст; 10
кВ=10 кВ.
по току:доп ≥ Iнорм; 371 А=295,5 А.
на термическую стойкость:
Проверку на термическую стойкость мы провели во
второй главе.
- Проверяем кабель на потерю напряжения:
, %
Для кабеля АПвП-10 3х185:=0,18 Ом/км
- удельное активное сопротивление кабеля; [8]=0,161 Ом/км - удельное
индуктивное сопротивление кабеля; [8]=1 км - длина КЛ;
(4.13)
(4.14)
Условие выполняется.
. Для линий резерва.
по нормированной экономической
плотности тока:
Расчетной величиной при выборе
является длительный ток нормального режима максимальных нагрузок (без
перегрузок)
.
мм2. (4.15)
Продолжительность использования
максимума нагрузки - 4500 ч, jэк=1,7А/мм2 [11], коэффициент перегрузки kп=1,3;
.
Предварительно выбираем кабель АПвВ 3×95
с аллюминиевыми жилами, изоляцией из сшитого полиэтилена, в оболочке из
поливинилхлоридного пластиката сечением жил
,
проложенного в земле равен 263 А [7].
- по номинальному напряжению:ном≥Uуст; 10
кВ=10 кВ.
по току:доп ≥ Iнорм; 263 А=178,97 А.
на термическую стойкость:
Проверку на термическую стойкость мы провели во
второй главе.
- Проверяем кабель на потерю напряжения:
(4.16)
где r0 =0,28 Ом/км - удельное
активное сопротивление кабеля; [8]
х0 =0,22 Ом/км - удельное
индуктивное сопротивление кабеля;[8]=1,4 км- длина КЛ;
=178,9 А - расчетный ток кабеля,
соответствующий максимальной нагрузке в нормальном режиме;
=10 кВ- номинальное значение НН.
Предельные значения потерь
напряжения не должны превышать 5% для кабеля НН .
ΔU ≤ ±5% ;
,11%<5%.
4.3 Выбор
приводов коммутационных аппаратов
Таблица 4.18. Выбор приводов
коммутационных аппаратов
|
Вид
коммутационного аппарата
|
Тип
коммутационного аппарата
|
Вид
привода
|
|
Вводной
выключатель ВН
|
ВГТЗ-110-II-40/2500
У1
|
Пружинный
|
ППрК-1800С
|
|
Выключатель
НН
|
VS1BEL-12
HEAG
|
Электромагнитный
|
ВЭМП-75
|
|
Разъединитель
|
РГ-2-II-110/1250
У1
|
Электродвигательный
|
ПД-14
УХЛ1
|
5. Разработка
конструкции подстанции
Данная ЗРУ СЭЩ «Самара» 110 кВ предназначена для
приёма и распределения электрической энергии трёхфазного переменного тока промышленной
частоты 50 Гц на напряжение 110 кВ.
Здание предназначено для размещение и защиты от
внешних климатических факторов аппаратуры распределительного устройства.
Электроосвещение и силовое электрооборудование,
а так же защитные мероприятия здания соответствуют требованиям действующих
нормативных документов Российской Федерации. В ЗРУ СЭЩ «Самара» в качестве
распределительного устройства на стороне высокого напряжения принято РУ 110 кВ.
Распределительное устройство 110 кВ из
унифицированных транспортабельных блоков заводского изготовления, состоящих из
металлического несущего каркаса со смонтированным на нем высоковольтным
оборудованием и элементами вспомогательных цепей. Блоки разъединителей 110 кВ с
двигательными приводами комплектуются (при наличии в заказе) шкафами
дистанционного управления. Шкафы устанавливаются на стойки блоков (до 2-х
шкафов на одну стойку).
Стойки блоков устанавливаются на металлические
подставки, которые приварены к полу.
Жесткая и гибкая ошиновка
Ошиновка РУ 110 кВ выполнена трубами из
алюминиевого сплава 1915 ГОСТ 18482-79, расположенными в один и два яруса, и
сталеалюминиевым проводом.
Нижний ярус трубчатой ошиновки опирается на
колонки аппаратов или опорные изоляторы, на нем установлены специальные
надставки, на которых закреплена ошиновка верхнего яруса.
Конструкции узлов крепления жестких шин
обеспечивают компенсацию температурных изменений длины шин, возможных
неточностей в установке блоков.
Гибкая ошиновка применяется для выполнения
коротких перемычек, отпаек, присоединения линейных вводов к РУ 110 кВ (внутри
здания) и к силовым трансформаторам (снаружи здания).
Кабельные конструкции
На территории ЗРУ СЭЩ «Самара» кабели
прокладываются в подвесных металлических лотках заводской поставки. Лотки
закреплены на высоте 2 м от уровня планировки пола (в качестве опорных
конструкций используются каркасы и стойки блоков РУ 110 кВ и специальные
подставки, применяющиеся в больших пролетах). Подвесные металлические лотки не
рассчитаны на прокладку в них бронированных кабелей и кабелей в алюминиевой
оболочке. Проход кабелей от кабельной трассы в здание выполнен через
технологические отверстия, которые расположены в полу (приложение В) или в
стене (приложение Г) здания.
Прокладка кабелей выполняется согласно плану
кабельной трассы и кабельного журнала проекта.
Здание
Здание выполняется из одной или нескольких
отдельных секций, кабельные проходы между которыми закрыты козырьками. Несущие
конструкции (каркас) здания - стальные и состоят из поперечных несущих рам,
торцевых несущих (или самонесущих) фахверков и элементов их объединяющих:
вертикальных и горизонтальных связей, распорок и прогонов.
Стеновое ограждение выполняется навесным из
трехслойных панелей «сэндвич» со стальными облицовками и утеплителем из
минеральной ваты на базальтовой основе. Кровля выполнена из трехслойных панелей
«сэндвич» со стальными облицовками и утеплителем из минеральной ваты на
базальтовой основе. Водоотвод с кровли наружный организованный. Над линейными
вводами предусматриваются козырьки. В здании размещается необходимое для
монтажа оборудования и проведения ремонтно-профилактических работ
грузоподъемное оборудование (опорные или подвесные мостовые электрические
краны, электрические тали). Электротехническое оборудование весом до 1 т на
единицу оборудования устанавливается на металлический пол, под более тяжелое
оборудование должны быть предусмотрены фундаменты.
В конструкциях каркаса используется сталь С255 и
С245 ГОСТ 27772-88. В соответствии с указаниями СНиП21-01-97 и СНиП 31-03-2001
предусматриваются пожарные лестницы-стремянки на кровлю. Лестницы-стремянки
выполняются с сухотрубом Ду=80 и пожарными гайками ГМ-80.
Тип и расположение окон, дверей и ворот согласно
ТЗ. Пример конструктивного решения здания под РУ схемы 110-4Н (план, разрез,
фасады) приведен в приложении В.
В здании размещается необходимое для монтажа
оборудования и проведения ремонтно-профилактических работ грузоподъемное
оборудование (опорные или подвесные мостовые электрические краны, электрические
тали).
В здании применяется приточно-вытяжная вентиляция
с механическим побуждением в объеме 2-х кратного воздухообмена в час.
Аварийная вытяжная вентиляция с механическим
побуждением и автоматическим включением при повышении внутренней температуры
более +35°C, рассчитана на пятикратный обмен воздуха в час.
Воздуховод системы, проложенный снаружи здания,
утеплен минераловатным утеплителем. Оборудование и металлические воздуховоды
всех систем заземлены согласно ПУЭ.
Охранно-пожарная сигнализация состав системы:
СИГНАЛ-ВК-4П;
датчик несанкционированного доступа;
датчик температуры для дистанционного измерения
температуры
воздуха в помещениях;
пожарные датчики и аппаратура оповещения людей о
пожаре.
Линейный ввод крепится к торцу здания в
горизонтальном положении, выполнен с полимерной изоляцией.
Фундаменты под силовые трансформаторы состоят из
плит НСП - 12а. Маслоприемники выполняются закрытыми на расстоянии 10 м от
маслонаполненных объектов, маслосборники рассчитываются из условий размещения
100% масла. Ограждение маслосборных ям выполняется из плит УБК - 5. Вводы
трансформатора уплотним.
На стороне НН устанавливаются КРУН, оборудование
устанавливается в ячейках К-59. КРУН типа К-59 представляет собой
отдельностоящий блок высоковольтных ячеек с коридором управления, шкаф TСH и
шкаф ВЧ связи. Блок ячеек и шкафы ТСН, ТН и ВЧ связи устанавливаются на
заглубленные или незаглубленные фундаменты. Заземление блока и отдельностоящих
шкафов КРУН К-59 осуществляется путём приварки оснований блока и шкафов КРУН
К-59 к контуру заземления. Металлические корпуса встроенного оборудования и
металлические части КРУН имеют электрический контакт с каркасами
распредустройств посредством или шинок заземления, или зубчатых шайб, или
скользящих контактов.
Блок КРУН - это смонтированный на жёсткой раме
металлический корпус, служащий защитной оболочкой, как высоковольтного
оборудования, так и КРУН в целом. Блок разделён на высоковольтную часть и
коридор управления. Нормальная работа КРУН типа К-59 при отрицательных
температуpax и в условиях выпадения росы обеспечивается надёжным уплотнением
всех соединений элементов оболочки, применением росоустойчивого оборудования,
включая опорные и проходные изоляторы, а также применением автоматических
устройств обогрева. Для повышения степени безопасности персонала при
обслуживании КРУН вентиляционная перегородка (см. рис. 5, поз. 18 приложение Б)
между высоковольтной частью и коридором управления выполнена с автоматически
закрывающимися от потока газов жалюзями, исключающими выброс пламени в зону
обслуживания при коротком замыкании в высоковольтных отсеках.
С целью уменьшения разрушающего воздействия
избыточного давления газов при коротких замыканиях, для сброса избыточного
давления газов внутри ячеек КРУ предусмотрено следующее:
крыши ячеек с воздушными вводами снабжены
разгрузочными клапанами (см. рис. 5, поз. 16 приложение Б). Конструкция клапана
представлена на . В остальных ячейках предусмотрена возможность отгибания
верхней части листов крыши;
отсеки ввода и выкатной тележки имеют
дифференциальный разгрузочный клапан (см. рис. 5, поз. 17 приложение Б),
представляющий собой жёсткую перегородку, шарнирно закреплённую в нижней части
и избирательно (в зависимости от места возникновения короткого замыкания)
отклоняющуюся потоком газов. В исходное положение клапан возвращается вручную.
На территории ПС предусматривается асфальтная
дорога для проезда автомобилей шириной 4 м, а для дежурного персонала
предусматривается устройство пешеходных дорожек [согласно нормативам СО
153-34.20.122-2009]. На подстанции имеется также ремонтная площадка. Она
выполнена из гравия.
Заключение
В данном курсовом проекте были решены все
основные задачи по обеспечению надежного и бесперебойного электроснабжения
потребителей. Оборудование не требуется постоянного присутствия обслуживающего
персонала. Спроектированная подстанция отвечает всем современным требованиям в
области электроэнергетики. Так как в проекте было ограничение по площади,
компоновка оборудования производилась таким образом, чтобы свести к минимуму
занимаемую площадь подстанции. Для этого было применено на стороне ВН ЗРУ СЭЩ
«Самара» версия 1.1 2014года разработки. КРУ НН выполнено на основе шкафов
серии К-59 климатического исполнения ХЛ1 по причине высокой СЗА.
Блочное построение подстанции позволяет быстро
заменить вышедшее из строя оборудование. Строительство подстанции занимает
меньшее время.
Проект разработан в соответствии с действующими
нормами и правилами.
Список использованных
источников
1.
Нормы технологического проектирования. Проектирование электроснабжения
промышленных предприятий. 1-я редакция - М.: 1994. - 70 с.
.
Рекомендации по технологическому проектированию подстанций переменного тока с
высшим напряжением 35-750 кВ.
.
Хорошилов Н. В., Методические указания для курсового проектирования. Курск.:
2010. - 48 с.
.
ГОСТ Р 52736-2007. Короткие замыкания в электроустановках. Методы расчета
электродинамического и термического действия тока короткого замыкания.
.
СТО 56947007-29.240.30.010-2008. Схемы принципиальные электрические
распределительных устройств подстанций 35-750 кВ. Типовые решения. - 132 с.
.
Хорошилов Н. В., Комплектные распределительные устройства с выкатными
аппаратами напряжением 6-35 кВ. Учебное пособие - Курск.: 2010. - 258 с.
.
Неклепаев Б. Н. Электрическая часть электростанций - М.: Энергия, 1986. 640 с.
.
Рожкова Л. Д., Козулин В. С. Электрооборудование станций и подстанций. Третье
издание, переработанное и дополненное - М.: Энергоатомиздат, 1987. 646 с.
.
ПУЭ. Издание седьмое. Утверждены приказом Минэнерго России от 08.07.2002 №204.
- 330 с. ТИ-142 версия 1.1 ЗРУ 110 кВ
.
Нормы технологического проектирования подстанций переменного тока с высшим
напряжением 35-750 кВ (НТП ПС) 2009г.
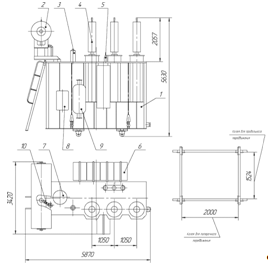
Приложение А
Рисунок 1. Эскиз трансформатора ТДН-25000/110
Таблица 1.
Приложение Б
Таблица 2. Технические характеристики
разъединителя РГ-2-II-110/1000 У1
|
Наименование
параметра
|
Значение
параметра разъединителей при номинальном токе, А
|
|
1000
|
1600
|
2000
|
|
Номинальное
напряжение, кВ
|
110
|
-
|
110
|
|
Наибольшее
рабочее напряжение, кВ
|
126
|
126
|
126
|
|
Номинальный
ток, А
|
1000
|
1600
|
2000
|
|
Ток
электродинамической стойкости, кА
|
80
|
100
|
100
|
|
Ток
термической стойкости, кА
|
31,5
|
40
|
40
|
|
Время
протекания тока термической стойкости, с:
|
|
|
для
главных ножей
|
3
|
3
|
3
|
|
для
заземлителей
|
1
|
1
|
1
|
|
Номинальная
частота тока, Гц
|
50
|
50
|
50
|
|
Испытательное
одноминутное напряжение промышленной частоты, кВ:
|
|
|
относительно
земли и между полюсами
|
230
|
230
|
230
|
|
между
разомкнутыми контактами разъединителя
|
265
|
265
|
265
|
|
Испытательное
напряжение грозового импульса 1,2/50 мкс, кВ:
|
|
|
относительно
земли и между полюсами
|
550
|
550
|
550
|
|
между
разомкнутыми контактами разъединителя
|
630
|
630
|
630
|
|
Минимальная
длина пути утечки, см, для:
|
|
|
РГ-110
|
246
|
-
|
246
|
|
РГ-110II
|
339,5
|
339,5
|
339,5
|
|
Допустимая
механическая нагрузка на выводы, кН
|
0,8
|
1
|
1
|
|
Толщина
корки льда, мм
|
20
|
20
|
20
|
Рисунок 2. Разъединитель РГ-2-II-110/1000 У1
Комплектные распределительные устройства КРУН
К-59
Общий вид КРУ К-59
Рисунок 3.
Рисунок 4.
Технические данные шкафа КРУ К-59:
Номинальное напряжение К-59, кВ - 6; 10.
Наибольшее рабочее напряжение, кВ - 7; 12.
Частота, Гц- 50.
Ток главных цепей, А - 630; 1000; 1600; 2000;
3150.
Номинальный ток сборных шин, А - 1000; 1600;
2000; 3150.
Ток термической стойкости, при времени
протекания 3с., кА -31,5; 40
Номинальный ток электродинамической стойкости,
кА -51; 81.
Номинальный ток вспомогательных цепей, В - пост.
110; 220; перем. - 110; 220.
Климатическое исполнение и категория размещения
- ХЛ1.
Обслуживание - двухстороннее.
Наличие выкатных элементов - с выкатным; без
выкатного.
Вид линейных присоединений - кабельный; шинный.
Таблица 3. Основные технические характеристики
|
наименование
параметров
|
Величины
|
|
Класс
точности при измерении - активной энергии - реактивной энергии
|
0,5S
или 1,0 1,0 или 2,0
|
|
Номинальное
напряжение, В
|
3*57,7/100
или 3*230/400
|
|
Номинальный(макс)
ток, А
|
5(7,5);
5(60); 10(100)
|
|
Максимальный
ток в течении 0,5 с, А - для IНОМ=5А - для IНОМ=10А
|
150
200
|
|
Стартовый
ток (чувствительность), А - для IНОМ(МАКС)=5(7,5)А, UНОМ=57,7 или 230В -
для IНОМ(МАКС)=5(60)А, UНОМ=230B - для IНОМ(МАКС)=10(100)А, UНОМ=230B
|
0,005
0,020 0,040
|
|
Активная
/ полная потребляемая мощность каждой параллельной цепью счетчика, Вт/ВА не
более
|
0,5
/ 7,5
|
|
Полная
мощность, потребляемая цепью тока не более, В*А
|
0,1
|
|
Количество
тарифов
|
4
|
|
Скорость
обмена, бит/секунду: - по интерфейсу CAN и RS-485; - через инфракракрасный
порт; - через GSM модем;
|
300,
600, 1200, 2400, 4800, 9600 9600 9600
|
|
Передаточное
число основного/поверочного выхода, имп/кВт,имп/кВар: для UНОМ 57,7 В, I НОМ
5 A для UНОМ 220 В, I НОМ 5 A для UНОМ 220 В, I НОМ 10 A для UНОМ 220 В, I
НОМ 5 A
|
5000/160000 1000/32000 500/16000 1000/160000
|
|
Сохранность
данных при перерывах питания, лет - постоянной информации - оперативной
информации
|
40
10
|
|
Защита
информации
|
два
уровня доступа и аппаратная защита памяти метрологических коэффициентов
|
|
Диапазон
температур, °С
|
от
-40 до +55
|
|
Межповерочный
интервал,лет
|
10
|
|
Масса,
кг
|
не
более 1,5
|
|
Габариты
(длина, ширина, высота), мм
|
258*170*74
|
|
Гарантия
производителя, лет
|
3
|
Рисунок 6. Общий вид Меркурий 230 АR
Рисунок 7. Общий вид НАМИ
Таблица 4. Технические характеристики
Таблица 5. Основные технические параметры
|
Параметр
|
Единицы
измерения
|
Норма
|
|
Номинальное
напряжение
|
кВ
|
12
|
|
Номинальная
частота
|
Гц
|
50
|
|
Испытательное
напряжение грозового импульса
|
кВ
|
75
|
|
Номинальный
коммутационный цикл
|
кВ
|
42
|
|
Одноминутное
испытательное повышенное напряжение промышленной частоты
|
мкОм
|
≤50
(630 А), ≤45 (1250 А), ≤35 (1600-2000А), ≤25 (2500-3150 А)
|
Таблица 6. Номинальные параметры
|
Номинальный
ток, А
|
630
1000 1250
|
630
1000 1250
|
1250
1600 2000 2500
|
1600
2000 2500 3150 4000
|
4000
|
|
Номинальный
ток отключения КЗ (термической стойкости), кА
|
20
|
25
|
31,5
|
40
|
50
|
|
Ток
электродинамической стойкости (Пиковое значение), кА
|
50
|
63
|
80
|
100
|
125
|
|
Номинальная
продолжительность короткого замыкания, с
|
4
|
4
|
4
|
4
|
4
|
|
Количество
аварийных отключений
|
50
|
50
|
50
|
30
|
12
|
|
Механический
ресурс B-tn-O, циклов
|
25000
|
25000
|
25000
|
25000
|
10000
|
Таблица 7. Механические параметры
|
Параметр
|
Единицы
измерения
|
Норма
|
|
Ход
контактов
|
мм
|
11
± 1
|
|
Допустимый
износ контактов
|
мм
|
3,5
± 0,5
|
|
Асинхронность
трехфазного включения и отключения
|
мс
|
≤2
|
|
Номинальный
коммутационный цикл
|
|
О
- 0,3 сек - ВО - 180 сек - ВО О - 0,3 сек - ВО - 20 сек - ВО
|
|
Средняя
скорость отключения
|
м/с
|
0,9
~ 1,2
|
|
Средняя
скорость включения
|
м/с
|
0,4
~ 0,8
|
|
Время
включения
|
мс
|
≤100
|
|
Время
отключения
|
мс
|
≤50
|
Таблица 8. Электрические параметры
электромагнитов выключателя.
|
Наименование
|
Мощность,
Вт
|
Ток,
А
|
Номинальное
напряжение, В
|
|
Электромагнит
включения
|
245
|
≤
1,67 / ≤1,1
|
-110
/ -220
|
|
Электромагнит
отключения
|
245
|
≤
1,67 / ≤1,1
|
-110
/ -220
|
|
Блокирующий
электромагнит
|
10
|
<
0,05
|
-110
/ -220
|
|
Расцепитель
максимального тока
|
|
3;
5 А
|
|
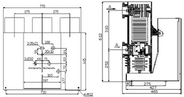
Габаритные размеры выключателя VS1 HEAG
стационарного типа с межполюсным расстоянием 210 мм (<1600А).
Рисунок 8
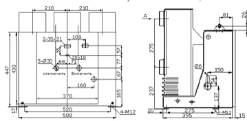
Габаритные размеры выключателя VS1 HEAG
стационарного типа с межполюсным расстоянием 275 мм (>1600А).
Рисунок 9
Технические характеристики ТОЛ-СЭЩ-10
|
Характеристики
|
Значения
|
|
Номинальное
напряжение
|
10
|
|
Наибольшее
рабочее напряжение
|
12
|
|
Номинальный
первичный ток, А
|
10;
15; 20; 30; 50; 75; 100; 150; 200; 300; 400; 600; 800; 1000; 1500; 2000
|
|
Номинальный
вторичный ток, А
|
5
|
|
Номинальная
частота, Гц
|
50,
60
|
|
Число
вторичных обмоток
|
2,
3, 4
|
|
Номинальные
вторичные нагрузки с коэффициентом мощности cosφ
= 0,8, В·А: - обмотки для измерения - обмотки для защиты
|
5; 10* 15*, 20, 25, 30
|
|
Номинальный
класс точности: - для измерений и учета - для защиты
|
0,2S;
0,2; 0,5S; 0,5 5Р или 10Р
|
|
Номинальная
предельная кратность Кном вторичной обмотки для защиты, не более
|
10*,
15, 20
|
|
Номинальный
коэффициент безопасности приборовКбном вторичной обмотки для измерений,не
более
|
5,
10*, 15
|
|
Климатическое
исполнение
|
У2
|
Т2
|
|
Высота
над уровнем моря, м
|
1000
|
|
Верхнее
рабочее значение температуры окружающего воздуха, °С
|
+40°
|
+55°
|
|
Нижнее
значение температуры окружающего воздуха для исполнения
|
-25°
|
|
Тип
атмосферы
|
II
по ГОСТ 15150-69 (примерно соответствует атмосфере промышленных районов
|
|
Ток
односекундной термической стойкости, кА при номинальном первичном токе:
|
исп.01,02,
03,11,21,31
|
исп.04,05,
06,12,22,32
|
исп.07,08,
09,13,23,33
|
исп.
14,24,34
|
|
10
А
|
1
|
-
|
-
|
-
|
|
15
А
|
1,6
|
-
|
-
|
-
|
|
20
А
|
2
|
4
|
-
|
-
|
|
30
А
|
3
|
6
|
-
|
-
|
|
50
А
|
5
|
8
|
10
|
20
|
|
75
А
|
8
|
10
|
16
|
31,5
|
|
100
А
|
10
|
16
|
20
|
40
|
|
150
А
|
16
|
20
|
31,5
|
40
|
|
200
А
|
20
|
31,5
|
40
|
-
|
|
300
А
|
31,5
|
40
|
-
|
-
|
|
400-2000
А
|
40
|
-
|
-
|
-
|
|
Ток
электродинамической стойкости, кА при номинальном первичном токе:
|
исп.01,02,
03,11,21,31
|
исп.04,05,
06,12,22,32
|
исп.07,08,
09,13,23,33
|
исп.
14,24,34
|
|
10
А
|
2,5
|
-
|
-
|
-
|
|
15
А
|
4
|
-
|
-
|
-
|
|
20
А
|
5
|
10
|
-
|
-
|
|
30
А
|
7,5
|
15
|
-
|
-
|
|
50
А
|
12,5
|
18,8
|
25
|
50
|
|
75
А
|
18,8
|
25
|
37,5
|
78,8
|
|
100
А
|
25
|
37,5
|
50
|
100
|
|
150
А
|
37,5
|
50
|
78,8
|
100
|
|
200
А
|
50
|
78,8
|
100
|
-
|
|
300
А
|
78,8
|
100
|
-
|
-
|
|
400-2000
А
|
100
|
-
|
-
|
-
|
* Стандартное (по умолчанию) исполнение Возможно
изготовление трансформаторов с параметрами отличными от стандартных
Приложение В
Рисунок 10
Приложение Г
Рисунок 11