|
Тип
Трансформатора
|
Sном,МВА
|
Uвн,кВ
|
Uнн,кВ
|
ΔРх, Вт
|
ΔРк, Вт
|
Uк,
%
|
Iх,%
|
|
ТСЗ-250/10
|
0,25
|
10
|
0,4
|
160
|
670
|
5,2
|
2,7
|
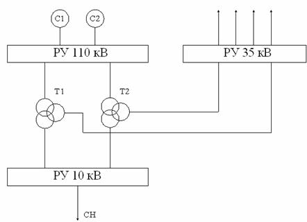
Выводы: В главе была выбрана схема питания
потребителей собственных нужд подстанции (на постоянном оперативном токе), а
так же были выбраны трансформаторы собственных нужд.
4. Расчёт
токов короткого замыкания
Рост генераторных мощностей современных
энергосистем, создание мощных энергообъединений, увеличение мощности нагрузок
приводят, с одной стороны, к росту энерговооружённости и производительности
труда, а с другой - к существенному повышению уровней токов КЗ. Максимальный
уровень токов КЗ ограничивается параметрами выключателей, трансформаторов,
проводников и другого электрооборудования, условиями обеспечения устойчивости
энергосистемы, термической стойкостью кабелей. Таким образом, уровень токов КЗ,
повышающийся в процессе развития энергетики имеет ряд ограничений, которые
необходимо учитывать. Конечно, аппаратуру и сети можно усилить в соответствии с
новым уровнем токов КЗ, перевести её на более высокое напряжение, однако это
может привести к существенным экономическим и техническим трудностям, что
делает такую модернизацию не оправданной. Наиболее распространенными и
действенными способами ограничения токов КЗ является: установка
токоограничивающего реактора, секционирование электрических сетей,
использование трансформаторов с расщеплённой обмоткой низшего напряжения.
Эффективным способом является установка
токоограничивающего рекактора. Он служит для ограничения тока КЗ в мощных
электроустановках, а также позволяет поддерживать на шинах определённый уровень
напряжения при повреждении за реактором.
На подстанциях предполагаем установку сдвоенного
ректора. Его преимуществом является то, что в зависимости от схемы включения и
направления токов в обмотках индуктивное сопротивление его может увеличиваться
или уменьшаться. Это свойство сдвоенного реактора обычно используется для
уменьшения падения напряжения в нормальном режиме и режиме КЗ.
Определение расчётных токов КЗ необходимо для
выбора выключателей по коммутационной способности, проверки аппаратов на
электродинамическую и термическую стойкость.
Для упрощения расчётов токов КЗ составляется
расчётная схема, представленная на рисунке, а по ней составляется электрическая
схема замещения, представленная на рисунке.
Расчёт параметров схемы замещения производим в
относительных единицах, принимая за базисную мощность SБ=80 МВА. Базисные
значения напряжения для каждой ступени трансформации:

115 кВ; 

;
Рис. 4.1 - Схема замещения сети для расчётов
токов короткого замыкания
Рассчитываем удельные сопротивления линий связи
с системами 1 и 2:
Рассчитаем сопротивления элементов
трансформатора, для этого:
Значения 
принимаем из
таблицы 1.6.
Сопротивления трансформатора:
Для определения реактивных сопротивлений систем,
найдем полную мощность этих систем:
Затем определяем сопротивления систем С-1 и С-2:
Линии связи с системами С-1 и С-2 параллельны,
тогда рассчитаем полное эквивалентное сопротивление и ЭДС, которые необходимы
для расчёта точки К-2:
Рассчитаем ТКЗ в точке К-1:
К-1 располагается рядом с линией связи с
системой С-1, следовательно, для определения периодической составляющей
определяем отдельно составляющие токов от первой и второй линии связи. Для
этого:
Рис. 4.2 - Схема замещения для расчёта ТКЗ точки
К-1
Значение токов по линиям:
В нормальном рабочем режиме перемычка в схеме РУ
110 кВ разомкнута (контакты разъединителей разведены), тогда в точке К-1 будет
протекать ток КЗ только от первой системы.
Периодическая составляющая:
Периодическая составляющая тока короткого
замыкания в именованных единицах для точки К-1:
Найдем для рассматриваемого КЗ ударный
коэффициент и ударный ток:
Где Та определяется по таблице на
стр.150[2](Рожкова и Козулин). Ударный ток:
Расчёт для точки К-2:
Рис. 4.3 - Схема замещения для расчёта ТКЗ точки
К-2
Примем, что трансформаторы расположены параллельно
(сторона СН - общая точка на схеме замещения рис.4.1), следовательно,
реактивные сопротивления обмоток высокого напряжения 
(т.е сначала
параллельно суммируем 
и 
что даёт 
)т.е сначала
параллельно суммируем ток КЗ только от первой системы контакты разъединителей
разведены) на схеме замещения рис.4.1. так же параллельны, тогда схема
замещения примет вид рис.4.3, расчет:
Периодическая составляющая тока короткого
замыкания в именованных единицах для точки К-2:
Найдем для рассматриваемого КЗ ударный
коэффициент и ударный ток:
Где Та определяется по таблице на
стр.150[2](Рожкова и Козулин). Ударный ток:
Расчёт для точки К-3:
Полное реактивное сопротивление будет
определяться как:
Схема замещения примет вид рис.4.4.
Рис. 4.4 - Схема замещения для расчёта ТКЗ точки
К-3
Периодическая составляющая тока короткого
замыкания в именованных единицах для точки К-3:
Т.к. значение периодической составляющей тока КЗ
не превышает 20 кА, то установка токоограничивающего реактора не требуется.
Однако для снижения номинальных токов на РУ 10 кВ, схема выполняется с
«развилкой» (см. рис.2.3), и максимально возможный номинальный ток на каждой из
секций снижается в два раза.
Найдем для рассматриваемого КЗ ударный коэффициент
и ударный ток:
Где Та определяется по таблице на
стр.150[2](Рожкова и Козулин). Ударный ток:
Рассчитаем ток короткого замыкания в точке К-4,
на шинах распределительного пункта. Для этого определим реактивное и активное
сопротивления кабеля, с заданным максимальным сечением 120 мм2 (сечение
принимаем по исходным данным). Длина кабельной линии от шин ПС до РП составляет

1,5 км.
По таблице 7.28 [1] определяем удельные
сопротивления кабеля заданного сечения:
Рассчитаем удельные сопротивления, учитывая
длину кабельной линии:
Перейдём к относительным единицам:
Рис. 4.5 - Схема замещения для расчёта ТКЗ точки
К-4 (на шинах РП)
Определим реактивное сопротивление цепи тока КЗ:
Рассчитаем полное сопротивление цепи тока КЗ:
Рассчитаем ток КЗ в точке К-4:
Периодическая составляющая тока короткого
замыкания в именованных единицах для точки К-4:
Выводы: в данной главе были определены значения
периодических составляющих токов короткого замыкания в точках К-1, К-2, К-3 и
К-4. Значение тока КЗ в точке К-3 не превышает 20 кА, следовательно, установка
токоограничивающего реактора на ПС не требуется.
5. Выбор
кабельных линий
Выбор кабельных линий, питающих РП
Питание местной нагрузки (распределительных
пунктов) осуществляется на напряжении 10 кВ. В настоящее время применяют, как
правило, кабели с алюминиевыми жилами. Применение кабелей с медными жилами
требует специального обоснования. Выбор сечения кабельной линии выполняется по
нормативной плотности тока, установленной в зависимости от конструкции кабеля и
числа часов использования максимальной нагрузки. Сечение жил кабеля должно
удовлетворять условиям допустимого нагрева в нормальном и послеаварийном
режимах работы. Значение допустимого длительного тока зависит от конструкции
кабеля, условий прокладки, количества параллельно проложенных кабелей и
расстояния между ними.
Определим число часов использования максимальной
нагрузки, для этого определим годовое потребление электроэнергии местной
нагрузкой, используя графики нагрузки.
Суточное потребление электроэнергии для зимнего
периода:
где 
- активная
мощность сети (в МВт) 10 кВ на i-том интервале;

- интервал времени
(час);
Суточное потребление электроэнергии для летнего
периода:
Годовое потребление электроэнергии:
Где 
- количество летних
дней в году;

- количество зимних
дней в году;
Число часов использования максимальной нагрузки:
где 
- максимальная
мощность сети (в МВт) 10 кВ;
Для ТMAX=5637 ч/год, экономическая плотность
тока для кабелей с алюминиевой жилой равна:
В качестве местной нагрузки имеем 10
распределительных пунктов по 4 МВт, и пять по 5 МВт. Вне зависимости от
категории потребителей, согласно требованиям надёжности, все РП должны получать
питание по двум кабельным линиям. В этом случае ток, идущий по одному кабелю к
РП мощностью 4 МВт, определяется:
Определим экономическое сечение кабеля:
Принимаем трёхжильный кабель марки
АПВП-3х95/25-10, сечение одной жилы 95 мм2, допустимый ток при прокладке в земле
IДОП=250 А.
Проверим данный кабель по допустимому току:
Длительно допустимый ток с учётом поправочных
коэффициентов на температуру окружающей среды и условия прокладки кабелей:
где 
- коэффициент,
учитывающий отличие реальной температуры окружающей среды от нормированной; 
, 
- поправочный
коэффициент, учитывающий отличие номинального напряжения кабеля от напряжения
установки, 
; 
- учитывает
количество кабелей, проложенных рядом, и расстояния между ними 
.
Определяем длительно допустимый ток:
Данное условие выполняется.
Выполним проверку на термическую стойкость:
Поверка на термическую стойкость проводится по
условию:
В случае короткого замыкания за РП, ток КЗ
сначала должен «почувствовать» выключатель на РП, и только потом выключатель на
ПС. Поэтому для участка от ТП до РП принимаем 
, а на участке от
РП до ПС 
.Данный кабель
выбирается для участка от подстанции до распределительного пункта.
К -
продолжительность короткого замыкания. Если время короткого замыкания
отличается от 1 с, то значения 
, взятые из таблицы
5.1.1 следует умножать на поправочный коэффициент К=1/
.
Поправочный коэффициент К: К=1/
=1/

- значение
допустимого односекундного тока короткого замыкания принимаем из табл. 2.2.11,
тогда для 2-х параллельных кабелей, идущих к одной РП, с изоляцией из СПЭ:
Данное условие выполняется.
Значение односекундного тока КЗ для различных
сечений
Таблица 5.1
|
Жила
|
Сечение
жилы, мм2
|
|
50
|
70
|
95
|
120
|
150
|
185
|
|
Медная
|
7,15
|
10,0
|
13,6
|
17,2
|
21,5
|
26,5
|
|
Алюминиевая
|
4,7
|
6,6
|
8,9
|
11,3
|
14,2
|
17,5
|
Выполним проверку по условию возможности
перегрузки кабеля (при отключении одной из линий, питающих РП):
Для определения коэффициента аварийной
перегрузки 
, рассчитаем
коэффициент 
- предварительной
нагрузки:
Далее по таблице 1.30 [1] определяем значение 
и рассчитываем 
:
Проверим выполнение условия:
Данное условие выполняется.
Все указанные условия выполняются,
следовательно, данный кабель может быть использован для подключения РП
мощностью 4 МВт к РУ
кВ данной подстанции. Принимаем кабель:
АПВП-3х95/25-10.
Выберем кабель для подключения РП мощностью 5
МВт.
В этом случае ток, идущий по одному кабелю к РП
мощностью 5 МВт, определяется:
Определим экономическое сечение кабеля:
Принимаем трёхжильный кабель марки
АПВП-3х120/25-10, сечение одной жилы 120 мм2, диаметр экрана - 25 мм,
допустимый ток при прокладке в земле IДОП=280 А.
Проверим данный кабель по допустимому току:
Длительно допустимый ток с учётом поправочных
коэффициентов на температуру окружающей среды и условия прокладки кабелей:
где 
- коэффициент,
учитывающий отличие реальной температуры окружающей среды от нормированной; 
, 
- поправочный
коэффициент, учитывающий отличие номинального напряжения кабеля от напряжения
установки, 
; 
- учитывает
количество кабелей, проложенных рядом, и расстояния между ними 
.
Определяем длительно допустимый ток:
Данное условие выполняется.
Выполним проверку на термическую стойкость:
Поверка на термическую стойкость проводится по
условию:
В случае короткого замыкания за РП, ток КЗ
сначала должен «почувствовать» выключатель на РП, и только потом выключатель на
ПС. Поэтому для участка от ТП до РП принимаем 
, а на участке от
РП до ПС 
.Данный кабель
выбирается для участка от подстанции до распределительного пункта.
К -
продолжительность короткого замыкания. Если время короткого замыкания
отличается от 1 с, то значения 
, взятые из таблицы
5.1.1 следует умножать на поправочный коэффициент К=1/
.
Поправочный коэффициент К: К=1/
=1/

- значение
допустимого односекундного тока короткого замыкания принимаем из табл. 2.2.11,
тогда для 2-х параллельных кабелей, идущих к одной РП, с изоляцией из СПЭ:
Данное условие выполняется.
Выполним проверку по условию возможности
перегрузки кабеля (при отключении одной из линий, питающих РП):
Для определения коэффициента аварийной
перегрузки 
, рассчитаем
коэффициент 
- предварительной
нагрузки:
Далее по таблице 1.30 [1] определяем значение 
и рассчитываем 
:
Проверим выполнение условия:
Данное условие выполняется.
Все указанные условия выполняются,
следовательно, данный кабель может быть использован для подключения РП
мощностью 5 МВт к РУ 0 кВ данной подстанции. Принимаем кабель:
АПВП-3х120/25-10.
По исходным данным задано максимально возможное
сечение кабеля, идущего от РП до ТП: SMAX=120 мм2
Необходимо проверить сечение этого кабеля на
термическую стойкость.
Условие для проверки:
В случае короткого замыкания за РП, ток КЗ
сначала должен «почувствовать» выключатель на РП, и только потом выключатель на
ПС. Поэтому для участка от ТП до РП принимаем 
, а на участке от
РП до ПС 
. Данный кабель
выбирается для участка от распределительного пункта до ТП.
К -
продолжительность короткого замыкания. Если время короткого замыкания
отличается от 1 с, то значения 
, взятые из таблицы
5.1.1 следует умножать на поправочный коэффициент К=1/
. Т.к данный кабель
питает ТП от РП, то примем следующие значения постоянных времени:
Поправочный коэффициент К: К=1/
=1/

- значение
допустимого односекундного тока короткого замыкания принимаем из табл. 2.2.11,
тогда для 2-х параллельных кабелей, идущих к одной РП, с изоляцией из СПЭ:
Данное условие выполняется, следовательно кабель
с заданным максимальным сечением SMAX=120 мм2 термически стоек.
Выводы: в данной главе были выбраны типы и
сечения КЛ для питания РП от шин РУ 10 кВ. Выполнена проверка по термической
стойкости кабеля, питающего РП от ТП. По результатам проверки кабели
удовлетворяют всем предъявленным техническим требованиям.
6. Выбор
электрических аппаратов: выключателей, разъединителей, измерительных
трансформаторов тока и напряжения, разрядников, предохранителей
.1 Выбор выключателей
подстанция замыкание шина напряжение
Выключатель является основным аппаратом в
электрических установках, он служит для отключения и включения в цепи в любых
режимах: длительная нагрузка, перегрузка, короткое замыкание, холостой ход,
несинхронная работа. Наиболее тяжелой и ответственной операцией является
отключение токов КЗ и включение на существующее короткое замыкание.
К выключателям высокого напряжения предъявляют
следующие требования:
Надежное отключение любых токов (от десятков
ампер до номинального тока отключения);
Быстрота действия, т.е. наименьшее время
отключения;
Пригодность для быстродействующего
автоматического повторного включения, т.е. быстрое включение выключателя сразу
же после отключения;
Возможность пофазного (пополюсного) управления
для выключателей 110 кВ и выше;
Легкость ревизии и осмотра контактов;
Взрыво- и пожаробезопасность;
Удобство транспортировки и эксплуатации.
Выключатели высокого напряжения должны длительно
выдерживать номинальный ток Iном и номинальное напряжение Uном.
Основными конструктивными частями выключателей
являются: контактная система с дугогасительным устройством, токоведущие части,
корпус, изоляционная конструкция и приводной механизм.
По конструктивным особенностям и способу гашения
дуги различают следующие типы выключателей: масляные баковые, маломасляные,
воздушные, элегазовые, электромагнитные, автогазовые, вакуумные выключатели.
Особая группа - выключатели нагрузки - рассчитаны на отключение токов
нормального режима. Разъединители предназначены для отключения и включения
обесточенных участков цепи, находящихся под напряжением и создания видимой
коммутации. Для проектируемой подстанции предполагается установка элегазовых
выключателей на всех напряжениях. Причем предполагается установка выключателей
на 10 кВ - внутри помещения, на ОРУ 35кВ,110 кВ - наружной установки.
Выбор выключателей для РУ ВН 110 кВ.
К установке на РУ 110 кВ примем выключатель
ВГТ-110. Основные технические характеристики выключателя приведены в таблице
6.1.
Основные технические характеристики выключателя
ВЭБ-110.
Таблица 6.1
|
Тип
выключателя
|
IНОМ,
А
|
SОТКЛ.,МВА
|
IОТКЛ,
кА
|
IУД,
кА
|
tОТКЛ,
с
|
tВКЛ,
с
|
Ток
термической стойкости, кА/ доп. Время в с
|
Наибольший
пик, кА
|
Начальное
действ. знач. Периодической Составляющей, кА
|
Примечание
|
|
ВЭБ-110
|
2000
|
7600
|
40
|
100
|
0,035
|
0,08
|
50/3
|
102
|
40
|
УЭТМ
и ЭМЗ
|
Проверим выбранный выключатель по следующим
условиям:
. По номинальному напряжению:
. По длительному току:
. По отключающей способности:
а) проверка на симметричный ток отключения:
б) проверка на возможность отключения
апериодической составляющей тока КЗ:

- номинальное
допустимое значение апериодической составляющей в отключаемом токе;

- апериодическая
составляющая токов КЗ в момент расхождения контактов выключателя;

- определяется по
графику рис.4.54 [2] (Рожкова), при условии:
Где Та - постоянная времени затухания
апериодической составляющей тока КЗ в цепи выключателя;
. По включающей способности:

- начальное
значение периодической составляющей тока КЗ в цепи выключателя;

- номинальный ток
выключателя (действующее значение периодической составляющей)
. На электродинамическую составляющую стойкости
к токам КЗ выключатель проверяют по сквозным токам КЗ:

- действующее
значение периодической составляющей предельного сквозного тока;

- наибольший пик
(предел электродинамической стойкости)
6. Проверка на термическую стойкость - по
тепловому импульсу тока КЗ:

- тепловой импульс
тока КЗ;

-
среднеквадратическое значение тока за время его протекания (ток термической
стойкости);

- длительность тока
термической стойкости.
Таким образом, выбранный выключатель отвечает
всем предъявляемым требованиям. Принимаем выключатель ВЭБ-110.
Выбор выключателей для РУ СН 35 кВ.
К установке на РУ 110 кВ примем выключатель
ВГБ-35. Основные технические характеристики выключателя приведены в таблице
6.2.
Основные характеристики выключателя ВГБ-35.
Таблица 6.2
|
Тип
выключателя
|
IНОМ,
А
|
SОТКЛ.,МВА
|
IОТКЛ,
кА
|
IУД,
кА
|
tОТКЛ,
с
|
tВКЛ,
с
|
Ток
термической стойкости, кА/ доп. Время в с
|
Наибольший
пик, кА
|
Начальное
действ. знач. Периодической Составляющей, кА
|
Примечание
|
|
ВГБ-35
|
1000
|
750
|
12,5
|
32
|
0,04
|
0,1
|
25/3
|
35
|
12,5
|
-
|
Проверим выбранный выключатель по следующим
условиям:
1. По номинальному напряжению:
. По длительному току:
. По отключающей способности:
а) проверка на симметричный ток отключения:
б) проверка на возможность отключения
апериодической составляющей тока КЗ:

- номинальное
допустимое значение апериодической составляющей в отключаемом токе;

- апериодическая
составляющая токов КЗ в момент расхождения контактов выключателя;

- определяется по
графику рис.4.54 [2] (Рожкова), при условии:
Где Та - постоянная времени затухания
апериодической составляющей тока КЗ в цепи выключателя;
. По включающей способности:

- начальное
значение периодической составляющей тока КЗ в цепи выключателя;

- номинальный ток
выключателя (действующее значение периодической составляющей)
. На электродинамическую составляющую стойкости
к токам КЗ выключатель проверяют по сквозным токам КЗ:

- действующее
значение периодической составляющей предельного сквозного тока;

- наибольший пик
(предел электродинамической стойкости)
. Проверка на термическую стойкость - по
тепловому импульсу тока КЗ:

- тепловой импульс
тока КЗ;

-
среднеквадратическое значение тока за время его протекания (ток термической
стойкости);

- длительность тока
термической стойкости.
Таким образом, выбранный выключатель отвечает
всем предъявляемым требованиям. Принимаем выключатель ВГБ-35.
Выбор выключателей для РУ НН 10 кВ.
К установке на РУ 10 кВ примем выключатель LF1.
Основные технические характеристики выключателя приведены в таблице 6.3.
Основные характеристики выключателя LF1.
Таблица 6.3
|
Тип
выключателя
|
IНОМ,
А
|
SОТКЛ.,
МВА
|
IОТКЛ,
кА
|
IУ,
кА
|
tОТКЛ,
с
|
tВКЛ,
с
|
Ток
термической стойкости, кА/ доп. Время в с
|
Наибольший
пик, кА
|
Начальное
действ. знач. Периодической Составляющей, кА
|
Примечание
|
|
LF1
|
2000
|
-
|
25
|
35
|
0,07
|
0,065
|
25/3
|
64
|
25
|
-
|
РУ НН выполняется в виде комплектных шкафов
внутренней установки.
Проверим выбранный выключатель по следующим условиям:
. По номинальному напряжению:
2. По длительному току:
Т.к. перед РУ установлена «развилка», то на
каждой секции будет 
, следовательно:
. По отключающей способности:
а) проверка на симметричный ток отключения:
б) проверка на возможность отключения
апериодической составляющей тока КЗ:

- номинальное
допустимое значение апериодической составляющей в отключаемом токе;

- апериодическая
составляющая токов КЗ в момент расхождения контактов выключателя;

- определяется по
графику рис.4.54 [2] (Рожкова), при условии:
Где Та - постоянная времени затухания
апериодической составляющей тока КЗ в цепи выключателя;
. По включающей способности:

- начальное
значение периодической составляющей тока КЗ в цепи выключателя;

- номинальный ток
выключателя (действующее значение периодической составляющей)
. На электродинамическую составляющую стойкости
к токам КЗ выключатель проверяют по сквозным токам КЗ:

- действующее
значение периодической составляющей предельного сквозного тока;

- наибольший пик
(предел электродинамической стойкости)
. Проверка на термическую стойкость - по
тепловому импульсу тока КЗ:

- тепловой импульс
тока КЗ;

-
среднеквадратическое значение тока за время его протекания (ток термической
стойкости);

- длительность тока
термической стойкости.
Таким образом, выбранный выключатель отвечает
всем предъявляемым требованиям. Принимаем выключатель LF1. Устанавливать данный
выключатель будем в КРУ К-105-10-2000-УЗ.
6.2 Выбор разъединителей
Разъединитель - это контактный коммутационный
аппарат, предназначенный для отключения и включения электрической цепи без тока
или с незначительным током, который для обеспечения безопасности имеет между
контактами в отключенном положении изоляционный промежуток.
При ремонтных работах разъединителем создается
видимый разрыв между частями, оставшимися под напряжением, и аппаратами,
выведенными в ремонт.
Помимо этого основного назначения разъединители
используют также для других целей, поскольку их конструкция это позволяет, а
именно:
) для отключения и включения ненагруженных
силовых трансформаторов небольшой мощности и линии ограниченной длины при
строго установленных условиях;
) для переключений присоединений РУ с одной
системы сборных шин на другую без перерыва тока;
) для заземления отключенных и изолированных
участков системы с помощью вспомогательных ножей, предусматриваемых для этой
цели.
Выбор разъединителя для РУ 110 кВ.
Принимаем разъединитель типа:
РНДЗ.1 - 110/1000 У1, РНДЗ.2 - 110/1000 У1 с
одним (шинные разъединители) и двумя (линейные) заземляющими ножами. Параметры
разъединителей приведены в таблице 6.4.
Основные технические характеристики
разъединителей.
Таблица 6.4
|
Тип
разъединителя
|
IНОМ,
А
|
UНОМ.,
кВ
|
IТЕРМ,
кА Главных ножей/время,с
|
IТЕРМ,
кА Заземляющих ножей/время,с
|
IПРЕД.СКВ,
кА Главных ножей
|
IПРЕД.СКВ,
кА Заземляющих ножей
|
|
РНДЗ.1
- 110/1000 У1
|
1000
|
110
|
31,5/3
|
31,5/1
|
80
|
80
|
|
РНДЗ.2
- 110/1000 У1
|
1000
|
110
|
31,5/3
|
31,5/1
|
80
|
80
|
Выполним проверку данных разъединителей:
. По номинальному напряжению:
. По длительному току:
. По электродинамической стойкости:
. По термической стойкости - по тепловому
импульсу тока КЗ:
а) Главных ножей:
б) Заземляющих ножей ножей:
Таким образом, выбранные разъединители удовлетворяют
всем предъявленным требованиям. Принимаем разъединители: РНДЗ.1 - 110/1000 У1;
РНДЗ.2 - 110/1000 У1.
Выбор разъединителя для РУ 35 кВ.
Принимаем разъединитель типа:
РНДЗ.1 - 110/1000 У1, РНДЗ.2 - 110/1000 У1 с
одним (шинные разъединители) и двумя (линейные) заземляющими ножами. Параметры
разъединителей приведены в таблице 6.5.
Основные технические характеристики
разъединителей.
Таблица 6.5
|
Тип
разъединителя
|
IНОМ,
А
|
UНОМ.,
кВ
|
IТЕРМ,
кА Главных ножей/время,с
|
IТЕРМ,
кА Заземляющих ножей/время,с
|
IПРЕД.СКВ,
кА Главных ножей
|
IПРЕД.СКВ,
кА Заземляющих ножей
|
|
РНДЗ.1
- 35/1000 У1
|
1000
|
35
|
25/3
|
25/1
|
63
|
63
|
|
РНДЗ.2
- 35/1000 У1
|
1000
|
35
|
25/3
|
25/1
|
63
|
63
|
Выполним проверку данных разъединителей:
. По номинальному напряжению:
. По длительному току:

3. По
электродинамической стойкости:
. По термической стойкости - по тепловому
импульсу тока КЗ:
а) Главных ножей:
б) Заземляющих ножей ножей:
Таким образом, выбранные разъединители
удовлетворяют всем предъявленным требованиям. Принимаем разъединители: РНДЗ.1 -
35/1000 У1; РНДЗ.2 - 35/1000 У1.
Выбор разъединителя для РУ 10 кВ.
Принимаем разъединитель типа:
РВРЗ.III-2-10/2000УЗ, внутренней установки.
Параметры разъединителя приведены в таблице 6.6.
Основные технические характеристики
разъединителей.
Таблица 6.6
|
Тип
разъединителя
|
IНОМ,
А
|
UНОМ.,
кВ
|
IТЕРМ,
кА Главных ножей/время,с
|
IТЕРМ,
кА Заземляющих ножей/время,с
|
IПРЕД.СКВ,
кА Главных ножей
|
IПРЕД.СКВ,
кА Заземляющих ножей
|
|
РВРЗ.III-2-10/2000УЗ
|
2000
|
10
|
31,5/4
|
31,5/1
|
85
|
85
|
Выполним проверку данных разъединителей:
. По номинальному напряжению:
. По длительному току:

3. По электродинамической стойкости:
. По термической стойкости - по тепловому
импульсу тока КЗ:
а) Главных ножей:
б) Заземляющих ножей:
Таким образом, выбранные разъединители
удовлетворяют всем предъявленным требованиям.
Принимаем разъединитель: РВРЗ.III-2-10/2000УЗ
6.3 Выбор измерительных
трансформаторов на ПС
.3.1 Выбор измерительных
трансформаторов тока
Трансформаторы тока предназначены для подключения
измерительных приборов и реле защиты. Трансформатор тока предназначен для
уменьшения первичного тока до значений, наиболее удобных для измерительных
приборов и реле, а также для отделения цепей измерения и защиты от первичных
цепей высокого напряжения.
Применение трансформаторов тока обеспечивает
безопасность при работе с измерительными приборами и реле, поскольку цепи
высшего и низшего напряжений разделены; позволяет унифицировать конструкции
измерительных приборов для номинального вторичного тока 5 А (реже 1 или 2,5 А),
что упрощает их производство и снижает стоимость.
Погрешность трансформатора тока зависит от его
конструктивных особенностей: сечения магнитопровода, магнитной проницаемости
материала магнитопровода, средней длины магнитного пути. В зависимости от
предъявляемых требований выпускаются трансформаторы тока с сердечниками классов
точности: 0,2 ;0,5 ; 1 ; 3 ; 10, - это также токовая погрешность. Она зависит
от нагрузки вторичной обмотки, с её увеличением ТА работает с худшим классом точности.
Нормально ТА работает в режиме, близком к току КЗ, поэтому разрыв вторичной
обмотки, при протекании тока в первичной, не допустим.
Рассмотрим РУ 10 кВ.
Трансформаторы тока устанавливаем: в цепи
трехобмоточного трансформатора со стороны низкого напряжения, в водных ячейках
КРУ (на каждую фазу), каждой ячейке КРУ отходящих КЛ (на каждую фазу), в
ячейках КРУ секционных выключателей (на каждую фазу). Земляные трансформаторы
тока, учитывающие токи нулевой последовательности - не выбираем.
Выберем трансформатор тока для вводных ячеек РУ
10 кВ. Результаты выбора и проверки остальных трансформаторов тока (в том числе
и для РУ 110 кВ, РУ 35 кВ сведены в таблицы П 1.2, П 1.3, П 1.4).
Примем для напряжения 10 кВ трансформатор
ТШЛК-10УЗ (Т - трансформатор тока, Ш - шинный, Л - литой, К - для КРУ).
Технические параметры данного ТА приведены в таблице 6.7.
Основные технические трансформатора тока
ТШЛК-10УЗ.
Таблица 6.7
|
Тип
Трансформатора тока
|
IНОМ,
А Первичный/ вторичный
|
UНОМ.,
кВ
|
iДИН,
кА
|
IТЕРМ,
кА, Время в с
|
Z2НОМ,
кА
|
КТ
|
|
ТШЛК-10УЗ
|
2000/5
|
10
|
81
|
31,5/3
|
0,8
|
35
|
Перечень измерительных приборов (см. стр. 366
[2]), подключаемых к вторичной цепи трансформатора тока приведён в таблице П
1.1.
Выполним проверку данного ТА:
. По номинальному напряжению:
. По длительному току:
. По конструкции и классу точности:
Выбираем класс точности 0,5, номинальная
нагрузка данного класса точности ZНОМ.НАГР.=0,8 Ом.
. По электродинамической стойкости:
.По термической стойкости:
. По вторичной нагрузке:
Т.к индуктивное сопротивление цепей не велико,
то Z2
. Вторичная
нагрузка складывается из сопротивления приборов и переходного сопротивления
контактов.
=5 А - стандартное
значение тока вторичной обмотки ТА.
Сопротивление контактов 
принимается равным
0,05 Ом при двух-трёх приборах. Чтобы трансформатор тока работал в выбранном
классе точности, необходимо выдержать условие:
Тогда:

Удельное сопротивление материала 
Длину соединительных проводов от ТА до приборов
можно принять 4 метра (стр. 375 [2]).
Принимаем провод сечением 2,5 мм2, тогда:
Выбранный трансформатор тока удовлетворяет всем
условиям проверки. Принимаем трансформатор тока ТШЛК-10УЗ.
6.3.2 Выбор измерительных
трансформаторов напряжения
Трансформатор напряжения предназначен для понижения
высокого напряжения до стандартного значения 100 или 100/
В
и для отделения цепей измерения и релейной защиты от первичных цепей высокого
напряжения.
Применение трансформаторов напряжения
обеспечивает безопасность для людей, соприкасающихся с измерительными приборами
и реле, поскольку цепи высшего и низшего напряжения разделены, позволяет
унифицировать конструкции измерительных приборов, обмоток реле для номинального
напряжения 100 В, что упрощает производство и снижает стоимость.
В соответствии со значением допустимой
погрешности при определенных условиях работы трансформаторы напряжения
разделены на четыре класса точности: 0,2; 0,5; 1; 3.
Номинальный режим TV зависит от нагрузки во
вторичной обмотке и находится в пределах от 
до 
. Если нагрузка
превышает 
, установленную для
данного класса точности, то TV переходит в худший класс точности. Перечень
приборов, подключаемых к трансформаторам напряжения на данной ПС, приведен в
таблицах П 2.1, П 2.2. Технические характеристики всех выбранных
трансформаторов приведены в приложении 2, таблица П 2.3.
Трансформатор напряжения проверяем по условиям:
. По номинальному напряжению:
. По конструкции и схеме соединения обмоток;
. По классу точности;
Выбираем класс точности 0,5.
. По вторичной нагрузке:
Потребляемые мощности для трансформатора
напряжения сводим в таблицу.
Расчёт вторичной нагрузки TV 10кВ производится
по формуле:
Выбираем трёхфазный трансформатор напряжения
типа НАМИ-10-95УХЛ2 класса точности 0,5, мощность которого в выбранном классе
точности составляет 200 ВА.
Аналогично производим выбор TV установленных на
РУ 110, и 35 кВ.
Для 35 кВ:
Выбираем трёхфазный трансформатор напряжения
типа НАМИ-35-УХЛ1 класса точности 0,5, мощность которого в выбранном классе
точности составляет 360 ВА.
Для 110 кВ:
Выбираем трёхфазный трансформатор напряжения
типа НАМИ-110-УХЛ1 класса точности 0,5, мощность которого в выбранном классе
точности составляет 250 ВА.
Выводы: В данной главе выбраны выключатели,
разъединители, измерительные трансформаторы тока и напряжения на РУ 110, 35 и
10 кВ.
7. Выбор
шин и ошиновок на подстанции
.1 Выбор шин и ошиновок на РУ 110 кВ
В РУ 110 кВ применяются гибкие шины, выполненные
проводами АС, или жёсткая ошиновка, выполненная алюминиевыми проводами.
Выбор производится по нагреву (допустимому
току):

- максимальный
рабочий ток, протекающий по шинам;

- допустимый ток
шины.
Выбираем провод АС-400/22 (табл. П 3.3 [2])
(расстояние между фазами 4 м, фазы располагаются горизонтально). Допустимый
длительный ток:
Наружный диаметр привода d=26,6 мм
Выбранные шины проверяют по условиям:
. По допустимому току:
. Проверка шин на схлестывание не проводится,
т.к:
3. Проверка на термическое действие токов КЗ не
проводится, т.к шины выполнены голыми проводами на открытом воздухе;
. Проверка по условиям коронирования может не
проводится, т.к согласно ПУЭ, для воздушной линии 110 кВ минимальное сечение
составляет 70 мм2.
Токоведущие части от выводов трансформатора до
сборных шин выполняются теми же проводами, что и шины.
7.2 Выбор шин и ошиновок на РУ 35 кВ
В РУ 35 кВ применяются гибкие шины, выполненные
проводами АС, или жёсткая ошиновка, выполненная алюминиевыми проводами.
Выбор производится по нагреву (допустимому
току):

- максимальный
рабочий ток, протекающий по шинам;

- допустимый ток
шины.
Выбираем провод АС-400/22 (табл. П 3.3 [2])
(расстояние между фазами 4 м, фазы располагаются горизонтально). Допустимый
длительный ток:
Наружный диаметр привода d=26,6 мм
Выбранные шины проверяют по условиям:
. По допустимому току:
2. Проверка шин на схлестывание не проводится,
т.к:
. Проверка на термическое действие токов КЗ не
проводится, т.к шины выполнены голыми проводами на открытом воздухе;
. Проверка по условиям коронирования может не
проводится, т.к согласно ПУЭ, для воздушной линии 35 кВ сечение кабеля марки АС
превышает минимально допустимое.
Токоведущие части от выводов трансформатора до
сборных шин выполняются теми же проводами, что и шины.
7.3 Выбор шин и ошиновок на РУ 10 кВ
Наибольший ток в цепи сборных шин:
Т.к. перед РУ 10 кВ установлена «развилка», то
на каждой секции будет 
, следовательно:
Принимаем двухполосные шины 2х(60х10) мм2, 
(см. таблицу 3.4 [2]).
. Проверка по условию нагрева в продолжительном
режиме:
2. Проверка на термическую стойкость:
Тогда минимальное сечение:
Сечение выбранной шины: 2х(60х10)=1200 мм2
. Проверка на механическую прочность:
Определим пролёт между шинами, при условии, что
частота собственных колебаний будет более 200 Гц.
Считаем, что шины расположены плашмя, тогда по
таблице 4.1 [2]:
Принимаем расположение пакета шин плашмя, пролёт
1,5 м, расстояние между фазами 0,8 м.
Определим расстояние между прокладками:
Где 
- расстояние между
осями полос 

- момент инерции
полосы:

- коэффициент формы
(по рис. 4.5 [2]);

- масса полосы на 1
м, определяется по сечению q, плотности материала шин (для алюминия 2,7х10-3
кг/см3) и длины 100 см.

- модуль упругости
материала шин (по таблице 4.2 [2])
Принимаем меньшее значение ln=0,44 м, тогда
число прокладок в пролёте:
При трёх прокладках в пролёте:
Определяем силу взаимодействия между полосами:
Напряжение в материале полосы:
Где 
- момент
сопротивления одной полосы;
Напряжение в материале шин от взаимодействия
фаз:
Где 
- момент
сопротивления пакета шин;
что меньше допустимого 
(таблица 4.2 [2]).
Таким образом, шины механически прочны.
Ошиновку в цепи трансформатора выбираем так же
из алюминиевых двухполосных шин 2х(60х10) мм2.
Выводы: В данной главе были выбраны шины и
ошиновки на РУ 110, 35 кВ, а так же в камерах КРУ 10 кВ.
Заключение
В ходе данной работы был произведен выбор типа и
мощности главных трансформаторов, электрических схем распределительных
устройств всех напряжений ПС 110/35/10, схемы питания собственных нужд, выбор
электрических аппаратов и проводников. На подстанции устанавливаются
трёхобмоточные трансформаторы для связи напряжений 110 и 35 кВ. Для выбора
основного электрооборудования был произведен расчет токов короткого замыкания,
который показал, что максимальный ток короткого замыкания достигает 14 кА , при
коротком замыкании на шинах НН . Были выбраны кабельные линии, питающие РП,
причём питание осуществляется от двух секции РУ НН, что увеличивает надежность
снабжения потребителей. В соответствии с требованиями технического
проектирования были выбраны выключатели (элегазовые на всех напряжениях),
которые более экономичны и безопасны по сравнению с масляными и имеют лучшие
технические показатели. Так же были выбраны разъединители; измерительные
трансформатора тока и напряжения, для выбора которых был составлен перечень
устанавливаемых измерительных приборов.
Литература
1.
Неклепаев Б.Н., Крючков И.П. Электрическая часть электростанций и подстанций:
Справочные материалы для курсового и дипломного проектирования: Учеб. Пособие
для вузов. - 4-е изд., перераб. и доп. - М.: Энергоатомиздат, 1989, - 608 с.
.
Рожкова Л.Д., Козулин В.С. Электрооборудование станций и подстанций: Учебник
для техникумов. - 3-е изд., перераб и доп. - М.: Энергоатомиздат, 1987. - 648
с.
.
Правила устройства электроустановок - 6-е изд., перераб. и доп. - М.:
Энергоатомиздат, 1986. - 648 с.
.
Схемы принципиальные электрические распределительных устройств подстанций
35-750 кВ. Типовые решения: ОАО «ФСК ЕЭС», 2007 г.
.
ГОСТ 14209-97 «Руководство по нагрузке силовых масляных трансформаторов», Дата
введения: 2002.01.01.
.
Неклепаев Б.Н., Крючков И.П. Электрическая часть электростанций и подстанций:
Учеб. Пособие для вузов. - 2-е изд., перераб. и доп. - М.: Энергоатомиздат,
1986, 633 с.
.
Васильева А.П., Морозова Ю. А. Проектирование схем распределительных устройств
электрических станций и подстанций. - М.: МЭИ, 1981.
Приложение
1
Вторичная нагрузка трансформаторов
тока (ТА)
|
Прибор
|
Тип
|
Нагрузка
по фазам, ВА
|
|
|
А
|
В
|
С
|
|
Измерительные
приборы на РУ 10 кВ
|
|
Выводы
НН трёхобмоточного трансформатора
|
|
Амперметр
|
Э-335
|
0
|
0,5
|
0
|
|
Ваттметр
|
Д-335
|
0,5
|
0
|
0,5
|
|
Счётчик
энергии
|
СТЭК-1
|
1,5
|
0
|
1,5
|
|
Итого
|
2,0
|
0,5
|
2,0
|
|
Ячейки
отходящих линий РУ 10 кВ/вводные ячейки РУ 10 кВ
|
|
Амперметр
|
Э-335
|
0
|
0,5
|
0
|
|
Счётчик
энергии
|
СТЭК-1
|
1,5
|
0
|
1,5
|
|
Итого
|
1,5
|
0,5
|
1,5
|
|
Ячейка
секционного выключателя 10 кВ
|
|
Амперметр
|
Э-335
|
0
|
0,5
|
0
|
|
Измерительные
приборы на РУ 35 кВ
|
|
Выводы
СН трёхобмоточного трансформатора
|
|
Амперметр
|
Э-335
|
0
|
0,5
|
0
|
|
Ваттметр
|
Д-335
|
0,5
|
0
|
0,5
|
|
Счётчик
энергии
|
СТЭК-1
|
1,5
|
0
|
1,5
|
|
Итого
|
2,0
|
0,5
|
2,0
|
|
Линии
РУ 35 кВ
|
|
Амперметр
|
Э-335
|
0
|
0,5
|
0
|
|
Счётчик
энергии
|
СТЭК-1
|
1,5
|
0
|
1,5
|
|
Итого
|
1,5
|
0,5
|
1,5
|
|
Цепь
шиносоединительного выключателя 35 кВ
|
|
Амперметр
|
Э-335
|
0
|
0,5
|
0
|
|
Измерительные
приборы на РУ 110 кВ
|
|
Линии
связи с системами С-1 и С-2 РУ 110 кВ
|
|
Амперметр
|
Э-335
|
0
|
0,5
|
0
|
|
Ваттметр
|
Д-335
|
0,5
|
0
|
0,5
|
|
Варметр
|
Д-335
|
0,5
|
0
|
0,5
|
|
Счётчик
энергии
|
СТЭК-1
|
1,5
|
0
|
1,5
|
|
Итого
|
2,5
|
0,5
|
2,5
|
Расчётные и паспортные данные для ТА
10 кВ
|
Наименование
цепи
|
Выводы
НН трансформатора
|
Вводная
ячейка КРУ 10 кВ
|
Ячейки
КЛ 10 кВ
|
Ячейка
секционного выключателя 10 кВ
|
|
|
|
К
РП 1-10
|
К
РП 10-15
|
|
|
Расчётные
данные
|
UУСТ,
кВ
|
10
|
10
|
10
|
10
|
10
|
|
 ,А
|
4000
|
2000
|
270
|
339
|
2000
|
|
ВК,
|
117,6
|
117,6
|
117,6
|
117,6
|
117,6
|
|
Z2,
Ом
|
0,258
|
0,218
|
0,218
|
0,218
|
0,098
|
|
iУД,
кА
|
36,62
|
36,62
|
36,62
|
36,62
|
36,62
|
|
S2,
ВА
|
4,5
|
3,5
|
3,5
|
3,5
|
0,5
|
|
Тип
трансформатора
|
ТВ-10-II
|
ТШЛК-10
|
ТЛК-10
|
ТЛК-10
|
ТШЛК-10
|
|
Паспортные
данные
|
UНОМ,
кВ
|
10
|
10
|
10
|
10
|
10
|
|
IНОМ,
А
|
5000
|
2000
|
300
|
300
|
2000
|
|
|
722500
|
14700
|
972
|
972
|
14700
|
|
Z2НОМ,
Ом
|
1,2
|
0,8
|
0,4
|
0,4
|
0,8
|
|
|
Не
проверяется
|
Не
проверяется
|
81
|
81
|
Не
проверяется
|
|
I2НОМ,
А
|
5
|
5
|
5
|
5
|
5
|
Расчётные и паспортные данные для ТА
35 кВ
|
Наименование
цепи
|
Выводы
СН трансформатора
|
Линии
35 кВ
|
Шиносоединительный
выключатель 35 кВ
|
|
|
|
|
|
Расчётные
данные
|
UУСТ,
кВ
|
35
|
35
|
|
|
785,9
|
785,9
|
785,9
|
|
ВК,
|
6,9
|
6,9
|
6,9
|
|
Z2,
Ом
|
0,272
|
0,232
|
0,112
|
|
iУД,
кА
|
21
|
21
|
21
|
|
S2,
ВА
|
4,5
|
3,5
|
0,5
|
|
Тип
трансформатора
|
ТВ-35-I
|
ТОЛ-35
|
ТОЛ-35
|
|
Паспортные
данные
|
UНОМ,
кВ
|
35
|
35
|
35
|
|
IНОМ,
А
|
1000
|
800
|
800
|
|
|
400
|
1728
|
1728
|
|
Z2НОМ,
Ом
|
0,6
|
0,8
|
0,8
|
|
|
25
|
27
|
27
|
|
I2НОМ,
А
|
5
|
5
|
5
|
Расчётные и паспортные данные для ТА
110 кВ
|
Наименование
цепи
|
В
цепи выключателя, 110 кВ
|
|
|
|
Расчётные
данные
|
UУСТ,
кВ
|
110
|
|
|
726,7
|
|
ВК,
|
0,768
|
|
Z2,
Ом
|
0,648
|
|
iУД,
кА
|
7
|
|
S2,
ВА
|
5,5
|
|
Тип
трансформатора
|
ТВ-110-III
|
|
Паспортные
данные
|
UНОМ,
кВ
|
110
|
|
IНОМ,
А
|
750
|
|
|
675
|
|
Z2НОМ,
Ом
|
0,8
|
|
|
28
|
|
I2НОМ,
А
|
5
|
Приложение
2
Вторичная нагрузка для ТV 10 и 35 кВ
|
Прибор
|
Тип
|
S
одной обмотки, ВА
|
Число
обмоток
|
cosφ
|
sinφ
|
Число
приборов
|
Общая
потребляемая мощность
|
|
|
|
|
|
|
|
Р,
Вт
|
Q,
Вар
|
|
Измерительные
приборы на РУ 10 кВ
|
|
Сборные
шины 10 кВ
|
|
Вольтметр
для изм-я 3-х м/ф напряжений
|
Э-335
|
2
|
1
|
1
|
0
|
1
|
2
|
0
|
|
Вывод
10 кВ трёхобмоточного трансформатора
|
|
Ваттметр
|
Д-335
|
1,5
|
2
|
1
|
0
|
1
|
3
|
0
|
|
Счётчик
энергии
|
СТЭК-1
|
2
|
2
|
0,38
|
0,925
|
1
|
4
|
9,74
|
|
Ячейки
отходящих линий РУ 10 кВ/вводные ячейки РУ 10 кВ
|
|
Счётчик
энергии
|
СТЭК-1
|
2
|
2
|
0,38
|
0,925
|
10
|
40
|
97,4
|
|
Итого
|
49
|
107,14
|
|
Измерительные
приборы на РУ 35 кВ
|
|
Сборные
шины 35 кВ
|
|
Вольтметр
для изм-я 3-х м/ф напряжений
|
Э-335
|
2
|
1
|
1
|
0
|
1
|
2
|
0
|
|
Регистриру-ющий
Вольтметр
|
Н-394
|
10
|
1
|
1
|
0
|
1
|
10
|
0
|
|
Фиксирующий
прибор
|
ФИП
|
3
|
1
|
1
|
0
|
1
|
3
|
0
|
|
Вывод
35 кВ трёхобмоточного трансформатора
|
|
Ваттметр
|
Д-335
|
1,5
|
2
|
1
|
0
|
1
|
3
|
0
|
|
Счётчик
энергии
|
СТЭК-1
|
2
|
2
|
0,38
|
0,925
|
1
|
4
|
9,74
|
|
Отходящие
линии 35 кВ
|
|
Ваттметр
|
Д-335
|
1,5
|
2
|
1
|
0
|
2
|
3
|
0
|
|
Счётчик
энергии
|
СТЭК-1
|
2
|
2
|
0,38
|
0,925
|
2
|
8
|
19,48
|
|
Фиксирующий
прибор
|
ФИП
|
3
|
1
|
1
|
0
|
2
|
6
|
0
|
|
Итого
|
39
|
29,22
|
Вторичная нагрузка для TV 110 кВ
|
Прибор
|
Тип
|
S
одной обмотки, ВА
|
Число
обмоток
|
cosφ
|
sinφ
|
Число
приборов
|
Общая
потребляемая мощность
|
|
|
|
|
|
|
|
Р,
Вт
|
Q,
Вар
|
|
Измерительные
приборы на РУ 110 кВ
|
|
Линии
связи с системами С-1 и С-2 РУ 110 кВ
|
|
Ваттметр
|
Д-335
|
1,5
|
2
|
1
|
0
|
1
|
3
|
0
|
|
Варметр
|
Д-335
|
1,5
|
2
|
1
|
0
|
1
|
3
|
0
|
|
Счётчик
энергии
|
СТЭК-1
|
2
|
2
|
0,38
|
0,925
|
1
|
4
|
9,74
|
|
Фиксирующий
прибор
|
ФИП
|
3
|
1
|
1
|
0
|
1
|
3
|
0
|
|
Итого
|
13
|
19,48
|
Паспортные данные для ТV 10, 35 и
110 кВ
|
Тип
|
UНОМ,
кВ
|
UНОМ.ОБМОТОК,
кВ
|
Sном,
ВА, в классе точности 0,5
|
SРАСЧ,
ВА
|
|
|
первичной
|
Основной
вторичной
|
Дополнительной
вторичной
|
|
|
|
НАМИ-10-95УХЛ2
|
10
|
10
|
0,1
|
0,1
|
200
|
117,8
|
|
НАМИ-35УХЛ1
|
35
|
35/
|
0,1/
|
0,1
|
360
|
48,7
|
|
НАМИ-110
|
110
|
110/
|
0,1/
|
0,1
|
250
|
23,41
|