Проектирование подстанции 220/110/10 кВ
Расчетное задание на курсовой проект
электрический подстанция заземляющий трансформатор
Подстанция 220/110/10 кВ
|
№вар
|
Подстанция U, кВ
|
Напряжения U, кВ
|
Номер, число линий L - n
|
Мощность линии, Рл, МВт
|
Рmax, МВт
|
Рmin, МВт
|
Cos j
|
Мощ ность КЗ Sкз, МВА
|
|
8
|
220/110/10
|
110 10
|
L1 - 4 L2 -6
|
8 12
|
32 72
|
25 65
|
0,87 0,89
|
1000
|
|
Длина линии L,км
|
61
|
|
Длина линии L,км
|
112
|
|
Длина линии L,км
|
2,8
|
Содержание
Введение
. Обоснование
выбора схем электрических соединений подстанции
.
Технико-экономический расчет
. Расчет электрических
нагрузок подстанции
.1 Выбор
трансформатора (автотрансформатора)
.2 Расчёт
потерь электроэнергии для двух вариантов
4. Расчет токов короткого замыкания
4.1 Схемы:
расчетная, замещения
.2
Определение параметров схемы замещения
.3
Преобразование схемы замещения
.4 Расчет
токов короткого замыкания
5. Выбор оборудования
5.1 Выбор
реактора
.2 Выбор
выключателей
.3 Выбор
жестких шин
.4 Выбор
измерительных трансформаторов
. Расчет
заземляющего устройства
Список
используемой литературы
Введение
Широко известные преимущества энергетических систем и их объединение в
ЕЭС приобретает особо большое значение в условиях Казахстана.
В сетях 220 кВ и выше зарядная мощность линий играет большую роль в
общем, балансе реактивной мощности энергосистемы.
При этом влияние зарядной мощности сильно колеблется в зависимости от
нагрузки сети. В крупных энергосистемах в часы максимума суточной нагрузки
удельный вес зарядной мощности составляет 17-25%, а в часы минимума нагрузки -
резко возрастает, достигая в отдельных энергосистемах 50-60%.
Огромная территория, неравномерное распределение по ней энергетических
ресурсов и, в особенности бедность водными ресурсами богатых минеральными
ископаемыми районов, создают в ряде случаев неблагоприятные в отношении
энергетической базы условия для размещения объектов близь источников
минерального сырья.
ЕЭС, охватывающая своими сетями практически всю заселенную часть
территории республики, позволяет наиболее эффективным путем снабжать эл.
энергией и с/х.
Сети ЕЭС республики как бы выравнивают неравномерное распределение
энергетических и водных ресурсов, ставя потребителей независимо от их
территориального положения в одинаковые в энергетическом отношении условия.
Наконец. ЕЭС позволяет организовать рациональный обмен энергией с
энергосистемами соседних республик и районов страны.
1.
Обоснование выбора схем электрических соединений подстанции
На основе исходных данных предусматриваются два варианта структурных
схем.
На основе технико-экономического расчета прошел вариант №1.
Согласно НТППП на стороне напряжения 220 кВ принимаем схему
четырехугольника. На открытом распределительном устройстве (ОРУ) предусмотрена
установка оборудования: выключатель, разъединитель, трансформатор тока,
трансформатор напряжения, ошиновка.
Согласно НТППП на стороне напряжения 110 кВ принимаем схему "две
системы сборных шин" с обходной системой сборных шин не секционированная
(количество присоединений 4 шт.). На ОРУ предусмотрена установка оборудования:
выключатель, разъединитель, трансформатор тока, трансформатор напряжения,
ошиновка.
Согласно НТППП на стороне напряжения 10 кВ принимаем схему "две
системы сборных шин" секционированные выключателем (количество
присоединений 6 шт.). QВ отключен и находится на АВР. Все выключатели
расположены в ячейках КРУ на выдвижных элементах. В цепи QВ предусмотрен шинный
разъем для ремонта трансформатора тока.
Для электрической связи между шинами различных напряжений (220;110;10 кВ)
применяем автотрансформаторы типа:
АТДЦТН - 125000/110/10 с Sном =125 МВА.
В электрической схеме напряжением 220 - 110 кВ с режимом работы
эффективно заземленной нейтрали принимаем защитные меры по электробезопасности:
заземление, компенсация емкостной составляющей. Защита от атмосферного
перенапряжения выполняется разрядниками.
2. Технико-экономический расчет
Вариант
вариант
3. Расчет
электрических нагрузок подстанции
Полные мощности подстанции.
нСН =
нНН =
нВН = SНСН +SННН=36,8+80,9=117,7
Реактивные мощности подстанции
=
=
Расчет графика нагрузки.
Построение графика нагрузки для мощностей подстанции.
Энергия зимних суток.
зссн=Р1×t1+Р2×t2+Р3×t3=19,2×8+28,8×12+16×4=153,6+345,6+64=563,2 МВтчзснн =Р1×t1+
Р2×t2+
Р3×t3
= 36×6+72×12+43,2×6= 1339,2 МВтч
Энергия летних суток
лссн = Р4×t4+ Р5×t5+ Р6×t6=16×4+32×6+19,8×4= 224+192+79,2=495,2 МВтчлснн=Р4×t4+Р5×t5+Р6×t6=28,8×6+43,2×8+21,6×10=172,8+345,6+216=734,4МВтч
Энергия потребленная за год.
год = Wзс × Nз + Wлс × Nлгодсн = 563,2
× 213 + 495,2
× 152 = 195232
МВтчгоднн = 1339,2 × 213 + 734,4 × 152 = 396878,4 МВтч
Время максимума потребления нагрузки
Тмсн =
ч
ТмНН =
ч
Тмвн=
Время максимальных потерь.
Время максимальных потерь энергии -t рассчитывается, за год на каждом напряжении. Годовая
продолжительность времени потерь принимается календарная Т=8760 часов
, час
для каждого напряжения свое время максимальных потерь
τ СН=
=
τ НН =
=
τ ВН =
=
3.1 Выбор
трансформатора (автотрансформатора)
Мощность автотрансформатора определяется его нагрузкой и определяется как
Н.ТР . ³(0,7 -
0,65) S М
для каждой ступени напряжения с учетом установки двух трансформаторов.
Намечается два варианта схем подстанции, выполняется их
технико-экономический расчет, на основании которого выбирается один из
расчетных вариантов.
Параметры
выбираемых трансформаторов оформляются в таблицу №1.
1 Вариант
Выбираем автотрансформатор напряжением 220/110/10 кВ по номинальной
мощности
н АТ =0,7 × SмВН = 0,7 × 117,7 = 82,4 МВ
Вариант
Выбираем трансформатор напряжением 220/10 кВ по номинальной мощности
н тр =0,7 × Sмвн = 0,7 × 117,7=82,4 МВА
Выбираем трансформатор напряжением 110/10 кВ по номинальной мощности
н тр =0,7 × Sмсн = 0,7 × 36,8=25,76 МВА
Таблица №1
|
Тип
|
Sном МВА
|
Напр обмоток
|
Потери, кВт
|
Uк, %
|
Ix,%
|
Sнн , МВА
|
Ценатыс. тенге.
|
|
|
ВН
|
СН
|
НН
|
Рх
|
Рк
|
ВН-СН
|
ВН-НН
|
СН-НН
|
|
|
|
|
|
|
|
|
|
ВН СН
|
ВН СН
|
СН НН
|
|
|
|
|
|
|
|
АТДЦТН
|
125
|
230
|
121
|
11
|
65
|
315
|
280
|
275
|
11
|
45
|
28
|
0,4
|
63
|
270
|
|
ТРДЦН
|
100
|
230
|
-
|
11
|
102
|
-
|
340
|
-
|
-
|
12,5
|
-
|
0,6
|
-
|
251
|
|
ТРДН
|
40
|
115
|
-
|
10,5
|
34
|
-
|
170
|
-
|
-
|
10,5
|
-
|
0,55
|
-
|
67
|
3.2 Расчёт
потерь электроэнергии для двух вариантов
Расчет потерь мощности DРк в автотрансформаторах по обмоткам
∆РК,В =
=
кВт
∆Р К,С =
=
кВт
∆Р К,Н =
=
кВт
КВЫГ=
где
КВЫГ - коэффициент выгодности
Расчет потерь электроэнергии в трансформаторах
Мощности обмоток автотрансформатора при работе нагрузки
Sмв = Sмвн = 117,7 МВАмс = Sмсн = 36,8 МВАн =
Потери энергии в автотрансформаторах по каждому варианту - DW
4. Расчет
токов короткого замыкания
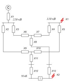
.1 Схемы: расчетная, замещения
Рисунок 3.1
Рисунок 3.2
4.2 Определение параметров схемы замещения
Расчет проводим в относительных единицах, для этого принимаем базовую
мощность Sб = 10000 МВА.
Энергосистема
Х1 = Sб/Sк.з. = 10000/10000= 1,0
Линии электропередач
, где
Худ = 0,4 Ом/км
= длина линии, согласно задания
Линия 220 кВ
Линия 110 кВ
Линия 10 кВ
По таблице 3.2 [1] для автотрансформатора
тВ% = 0,5×(Uk В-Н% + Uk В-С% - Uk С-Н%)
= 0,5×(45+11-28) = 14%тС% = 0,5×(Uk В-С% + Uk С-Н% - Uk В-Н%) = 0,5×(11+28-45) = -3<0тН% = 0,5×(Uk
В-Н% + Uk С-Н% - Uk В-С%)
= 0,5×(45+28-11) = 31%
Расчет сопротивлений производим в относительных единицах
Х6 =Х9 =
Х7 = Х10 = 0 так как Uтс < 0
Х8 = Х11 =
Преобразуем схему относительно точки к.з. к виду, когда между источниками
питания и точкой к.з. останется одно сопротивление.
.3 Преобразование схемы замещения
К1:
К2:
4.4 Расчет токов короткого замыкания
Ток базы
К1:
К2:
Начальная периодическая составляющая тока к.з.
,
где Е*=1, дли питания от системы
К1:
кА
К1:
кА
Ударный ток к.з.
Где Ку = 1,85 - ударный коэффициент (Табл. 3.8, стр. 150.[1])
К1:
К2:
Апериодическая составляющая тока К.З.
,
где
Та - постоянная времени затухания апериодической составляющей
Та = 0,04 с, Та = 0,1 с, (Таблица 3.8 стр. 150 [1])
с
с
рз =0,1 с - время быстродействия защитысо =0,09 с - собственное время
отключения выключателя на стороне 10 кВсо =0,035 с - собственное время
отключения выключателя на стороне 110 кВ
К1:
кА
К2:
кА
Периодическая составляющая токов КЗ в момент отключения.
К1:
кА
К2:
кА
Тепловой импульс
К1: 
К2: 
где:
- время отключения КЗ, требуемое для оценки термической
стойкости аппаратов, определяемое по времени действия основных релейных защит и
полному времени отключения выключателей (приведено на рис. 3.62, стр.211 [1])
5. Выбор
оборудования
5.1 Выбор реактора
Так как значение тока короткого замыкания меньше значения номинального
тока отключения, предполагаемого выключателя выбор реактора на стороне 10 кВ не
производится.
= 3,52 кА< Iоткл.ном = 20 кА.
5.2 Выбор выключателей
Выбор выключателя и разъединителя на стороне 110 кВ.
Рабочий ток:

А
Максимальный рабочий ток:

А
По Таблице П4.4 стр. 630 [1] и Таблице П4.1 стр. 627 [1] выбираем
выключатель им разъединитель, данные выбора сводим в таблицу 3.
Таблица 3.
|
Условия выбора
|
Расчетные данные
|
Каталожные данные
|
|
|
Выключатель ВМТ-110Б-20
|
Разъединитель РДЗ-110
|
|
|
110 кВ
|
110 кВ
|
110 кВ
|
|
|
257,7 А
|
1000 А
|
1000 А
|
|
|
1,95 кА
|
20 кА
|
не производится
|
|
|
0,096 кА
|
7,07 кА
|
не производится
|
|
|
1,95 кА
|
20 кА
|
не производится
|
|
|
5,1кА
|
52 кА
|
80 кА
|
|
|
0,91
|
1200
|
2976,8
|
Каталожные данные:
-апериодическая составляющая тока К.З.

- термическая стойкость выключателя

- термическая стойкость разъединителя
Выбор выключателя на стороне 10 кВ.
Рабочий ток:

А
Максимальный рабочий ток:

По
кВ,
=5611,5 А по Таблице П 4.4 стр.630
[1] выбираем выключатель , данные выбора сводим в таблицу 4.
Таблица 4. МГУ-20-90
|
Условия выбора
|
Расчетные данные
|
Каталожные данные
|
|
|
10 кВ
|
20 кВ
|
|
|
5611,5 А
|
6300 А
|
|
|
3,52 кА
|
90 кА
|
|
|
0,75 кА
|
25,4 кА
|
|
|
3,52 кА
|
105 кА
|
|
|
9,2 кА
|
300 кА
|
|
|
3,7
|
30276
|
Расчетные данные:
-апериодическая составляющая тока К.З.

- термическая стойкость выключателя
5.3 Выбор жестких шин
Согласно ПУЭ п.1.3.28 жесткие сборные шины и ошиновка в пределах
распределительных устройств по экономической плотности тока не выбираются,
поэтому выбор производится по допустимому току.
Максимальный рабочий ток по п. 4.2 на стороне 10 кВ I Р.М. = 5611,5 А
По табл.П3.5 стр. 625
принимаем к установке шины коробчатого сечения алюминиевые,
окрашенные 2 (175 х 80 х8) мм2 сечением 2 х 2440 мм2,
IДОП = 6430 А
С учетом поправочного коэффициента на среднемесячную температуру наиболее
жаркого месяца +300С
IДОП = 0,94 ∙6430 =6044 А
где 0,94 - Таблица П3.8 стр. 628
ДОП =6044 А > I Р.М. = 5611,5 А
Ошиновка проходит по допустимому току.
Проверка сборных шин на термическую стойкость.
Минимальное термическое устойчивое сечение:
,
где
Вк = 3,7
- тепловой импульс тока К.З.
С = 91
таблица 3.14 стр.192
МИН = 21,3 мм2 < qСТ = 2 х 2440мм2
Шины термически стойки.
Производим проверку на электродинамическую стойкость при коротком
замыкании
Принимаем, что шины расположены по вершинам прямоугольного треугольника,
тогда по табл. 4.3. стр. 227
где l=2 м - длина пролета=0,8 м - расстояние между фазамиУД = 9,2 кА =
9200 А - значение ударного тока К.З.
где
=75МПа - допустимое напряжение для алюминиевых шин марки
АД31Т (табл. 4.2. стр.224
)
Шины механически прочны.
Выбор изоляторов
Выбираем опорные изоляторы ОФ-10-5000У3, FРАЗР=20000Н, высота изолятора
НИЗ=134 мм.
Максимальная сила, действующая на изгиб по табл. 4.3. стр. 227
Поправка на высоту коробчатых шин
РАСЧ = К h ∙ FИ = 1,71 ∙ 32,4=55,4Н <0,6 FРАЗР=0,6∙20000=12000Н
Изоляторы проходят по механической прочности
5.4 Выбор
измерительных трансформаторов
Выбор трансформаторов тока
Сторона 10 кВ:
По таблице П 4.5 стр. 632 [1] выбираем трансформатор тока внутренней
установки типа: ТШВ 15
Таблица 5
|
Тип
|
U, кВ
|
Ном. ток, А
|
Вариант исп. обмоток
|
, Ом
|
Дин. ст - ть
|
Термич. ст - ть
|
|
|
|
|
|
|
,кА
|
Кд
|
Кт
|
, кА
|
tт, с
|
|
ТШВ 15
|
15
|
6000
|
5
|
0,2/10Р
|
0,6
|
81
|
-
|
-
|
20
|
3
|
Таблица 6
|
Условия выбора
|
Сравнение данных
|
|
|
10 кВ
|
15 кВ
|
|
|
5611,5А
|
6000 А
|
|
|
9,2кА
|
81 кА
|
|
|
3,7
|
1200
|
=
- термическая стойкость трансформатора тока
Выбор контрольного кабеля на стороне 10 кВ
Согласно табл.4.1стр. 366
приборы, подключаемые во вторичную цепь: амперметр,
ваттметр, варметр, счетчик активной и реактивной энергии.
Таблица 7
|
Наименование приборов
|
Тип приборов
|
Sобм, ВА
|
Нагрузка
|
|
|
|
А
|
В
|
С
|
|
Амперметр
|
Э - 335
|
0,5
|
0,5
|
-
|
-
|
|
Ваттметр
|
Д - 335
|
0,5
|
0,5
|
-
|
0,5
|
|
Варметр
|
Д - 335
|
0,5
|
0,5
|
-
|
0,5
|
|
Счетчик активной энергии
|
САЗ - И670
|
2,5
|
2,5
|
-
|
2,5
|
|
Счетчик реактивной энергии
|
СР4-И689
|
2,5
|
2,5
|
-
|
2,5
|
|
итого
|
|
|
6,5
|
-
|
6,0
|
Сечение контрольного кабеля выбираем для наиболее загруженной фазы
ВА
Сопротивление приборов
Ом
Сопротивление контактов Zк = 0,1 Ом
Требуемое сопротивление соединительных проводов
Ом
Сечение контрольного кабеля определяется по формуле:
,
где
=
м, для соединения измерительных трансформаторов тока в
неполную звезду (стр. 375
).
=
В качестве контрольного кабеля принимаем кабель марки АКВРГ- (24х4)
Выбор трансформатора напряжения на стороне 10 кВ.
Перечень приборов подключенных во вторичную цепь измерительных
трансформаторов приведены в таблице 4.11 стр. 362
.
Таблица 8. Таблица нагрузок
|
Наименование приборов
|
Тип прибора
|
Sобм., ВА
|
Кол-во обм.
|
Кол-во приборов
|
, ВА
|
|
Ввод 10 кВ
|
|
|
|
|
|
|
Ваттметр
|
Д - 335
|
1,5
|
2
|
1
|
3
|
|
Варметр
|
Д - 335
|
1,5
|
3
|
1
|
4,5
|
|
Счетчик активной энергии
|
САЗ - И670
|
2
|
2
|
1
|
4
|
|
Счетчик реактивной энергии
|
СР4 - И689
|
2
|
3
|
1
|
6
|
|
СШ - 10 кВ
|
|
|
|
|
|
|
Вольтметр
|
Э - 335
|
2
|
1
|
1
|
2
|
|
Линии 10 кВ
|
|
|
|
|
|
|
Ваттметр
|
Д - 335
|
1,5
|
2
|
2
|
6
|
|
Варметр
|
Д - 335
|
1,5
|
3
|
2
|
9
|
|
ФИП
|
ФИП
|
3
|
1
|
1
|
3
|
|
Счетчик активной энергии
|
САЗ - И670
|
2
|
2
|
2
|
8
|
|
Счетчик реактивной энергии
|
СР4 - И689
|
2
|
3
|
2
|
12
|
|
Итого:
|
|
|
|
|
57,5
|
По табл. 5.13 стр. 337
выбираем трансформатор напряжения типа: НТМИ - 10 - 66 УЗ
ВА
Выбор трансформатора напряжения производится на самую загруженную шину.
6. Расчет заземляющего устройства
Согласно ПУЭ заземляющее устройство электроустановок сети с эффективно
заземленной нейтралью выполняется с учетом сопротивления
Ом или допустимого напряжения
прикосновения.
Расчет по допустимому сопротивлению приводит к неоправданному перерасходу
проводникового материала и трудозатрат при сооружении заземляющего устройства.
Опыт эксплуатации РУ 110 кВ и выше позволяет перейти к нормированию
напряжения прикосновения, а не величины сопротивления заземления
Ом.
Сложный заземлитель заменяется расчетной квадратной моделью при условии
равенства площадей S, общей длины горизонтальных проводников, глубины их
заложения t, числа вертикальных заземлителей их длины глубины их заложения.
В расчетах многослойный грунт представляется двухслойным, верхний
толщиной h1 с удельным сопротивлением
, нижний h2 с удельным сопротивлением
.
ПС 220/110/1
По таблице 7.3 стр. 592
.
Выбираем грунт суглинок а
откл. выбирается из зон защиты стр. 211
Согласно зон защиты tоткл. 220; 110 - 0,2 с
; 35 - 0,3 с
Ток однофазного короткого замыкания
кА
Площадь ОРУ
По таблице 6.1 стр. 514
выбираем размеры ячеек.
Толщину верхнего слоя грунта принимаем равной 2 м. (h1 = 2 м)
Глубину заложения заземляющего устройства принимае равной 0,5 м. (
м)
Длину вертикальных заземлителей принимаем равной 3 м. (
м)
Расстояние между вертикальными заземлителями и полосами принимаем равным
3 м. (а = 3 м).
Находим общую длину горизонтальных заземлителей
м
Находим коэффициент напряжения прикосновения
,
где
М - коэффициент, зависящий от отношения удельного сопротивления грунтов
стр. 598
- коэффициент, определяемый по сопротивлению тела человека
принимаемой 1000 Ом и сопротивлению растекания тока от ступней человека
ч = 1000 Ом
Определяем напряжение на заземлителе
В, гдепр.доп. = 400 В стр. 596
Находим допустимое сопротивление заземляющего устройства
Ом,
где
- ток, стекающий с заземлителя проектируемого заземляющего
устройства при однофазном К.З.
Находим число вертикальных заземлителей
принимаем целое число 123 шт.
Находим общую длину вертикальных заземлителей
м
Находим относительную глубину заложения заземляющего устройства
Находим относительную толщину верхнего слоя
По таблице 7.6 стр. 600
находим относительное эквивалентное удельное сопротивление
для сеток с вертикальными заземлителями.
Находим эквивалентное сопротивление грунта
Находим общее сопротивление сложного заземлителя
Ом
Находим напряжение прикосновение
В
Заземляющее устройство удовлетворяет условиям электробезопасности.
Список используемой литературы
1. Рожкова
Л.Д., Козулин В.С. "Электрооборудование станций и подстанций". М.
Энергоатомиздат 1987 г.
. Неклепаев
Б.Н. Крючков И.П. "Электрическая часть электростанций и подстанций".
. ПУЭ