Проектирование подстанции 35/10 кВ
Министерство
образования и науки Украины
Черниговский
национальный технологический университет
Факультет
электронных и информационных технологий
Кафедра
электрических систем и сетей
ПОЯСНИТЕЛЬНАЯ
ЗАПИСКА
к курсовому
проекту по дисциплине:
„Электрические
станции и подстанции”
на тему:
«Проектирование
подстанции 35/10 кВ»
Выполнил
студ.
гр. ЗЕМ-101 Евстигнеев О.В.
Руководитель
проекта
к.т.н.
Буйный Р.А.
Чернигов
ЧНТУ 2014
ТЕХНИЧЕСКОЕ ЗАДАНИЕ
В схеме фрагмента электроэнергетической системы,
приведенной в задании на КП по дисциплине «Электрические системы и сети»
(рисунок 1) спроектировать подстанцию № 2 в соответствии с вариантом. При
выборе электротехнического оборудования воспользоваться параметрами нормального
и аварийных режимов электрической сети, рассчитанными в КП по дисциплине
«Электрические системы и сети».
Рисунок 1 - Схема замещения расчетного фрагмента
электроэнергетической системы
В курсовом проекте необходимо выполнить:
. Выбор схем электрических соединений на стороне
ВН и НН.
Согласно действующим нормативным документам
обосновать выбор схем соединений на высокой и низкой стороне проектируемой
подстанции.
. Расчет токов короткого замыкания.
Определить установившийся и ударный токи
короткого замыкания в необходимых точках электрической сети для выбора
электрооборудования на проектируемой подстанции. Обосновать выбор расчетных
точек короткого замыкания.
. Выбор коммутационного оборудования на
проектируемой подстанции.
Выбрать коммутационную аппаратуру на стороне ВН
и НН - для проектируемой подстанции с учетом требований НТД. При этом
необходимо использовать новейшее оборудование мировых и отечественных лидеров
электротехнической промышленности с учетом требований варианта (классическая
компоновка ВРУ концерна «Високовольтный союз»).
. Выбор измерительных трансформаторов тока и
напряжения.
Выбрать типы и параметры измерительных
трансформаторов тока и напряжения на стороне ВН и НН.
. Расчет молниезащиты подстанции.
Рассчитать необходимое количество и высоту
молниеотводов для проектируемой ПС2.
. Выводы по курсовому проекту.
Графическая часть курсового проекта должна
включать:
схему электрических соединений проектируемой
подстанции;
план и разрезы спроектированной подстанции;
перечень (спецификацию) выбранной КА и
элементов;
плакат, посвященный молниезащите.
СОДЕРЖАНИЕ
ТЕХНИЧЕСКОЕ ЗАДАНИЕ
СПИСОК СОКРАЩЕНИЙ
ВВЕДЕНИЕ
. ВЫБОР СХЕМ ЭЛЕКТРИЧЕСКИХ
СОЕДИНЕНИЙ НА СТОРОНЕ 35 И 10 кВ
. РАСЧЕТ ТОКОВ КОРОТКОГО ЗАМЫКАНИЯ
. ВЫБОР АППАРАТУРЫ НА ПРОЕКТИРУЕМОЙ
ПОДСТАНЦИИ
.1 Выбор аппаратуры на стороне 35 кВ
.1.1 Выбор выключателей мощности
.1.2 Выбор разъединителей с
заземляющими ножами
.1.3 Выбор трансформаторов тока
.1.4 Выбор трансформаторов
напряжения
.1.5 Выбор ОПН на стороне 35 кВ
.2 Выбор аппаратуры на стороне 10 кВ
.2.1 Выбор выключателей мощности
.2.2 Выбор выключателей мощности в
ячейках подстанции
.2.3 Выбор трансформаторов тока
.2.4 Выбор трансформаторов
напряжения
.2.5 Выбор трансформаторов
собственных нужд
.2.6 Выбор ОПН на стороне 10 кВ
.2.7 Выбор предохранителей
. РАСЧЕТ МОЛНИЕЗАЩИТЫ ПОДСТАНЦИИ
.1 Общие положения охраны труда
.2 Молниезащита подстанции ПС2
ВЫВОДЫ
ЛИТЕРАТУРА
Список сокращений
ЗРУ - закрытое распределительное устройство;
КЗ - короткое замыкание;
ЛЭП - линия электропередачи;
НН - низкое напряжение;
ОПН - ограничитель перенапряжений;
ОРУ - открытое распределительное устройство;
ОЭС - объединенная энергосистема;
ПС - подстанция;
СШ - секция шин;
ТН - трансформатор напряжения;
ТСН - трансформатор собственных нужд;
ТТ - трансформатор тока;
ЭЭС - электроэнергетическая система.
ВВЕДЕНИЕ
Подстанции классифицируются по
назначению их в электрической сети энергосистемы: по мощности установленных
трансформаторов и высшему напряжению, а также по количеству распределительных
устройств более низких напряжений, по главным схемам электрических соединений,
по схеме подключения ПС к электрической сети и конструктивному исполнению.
По назначению ПС разделяются:
на более ответственные межсистемные - ПС с высшим напряжением 330-750 кВ, через
которые осуществляются перетоки электрической мощности между энергосистемами и
прием мощности удаленных генерирующих источников питания в центре потребления;
на узловые - ПС напряжением 110-330 кВ, которые являются центрами распределения
потока электрических мощностей в отдельных энергосистемах; районные - ПС
напряжением 110-220 кВ, которые являются центрами питания отдельных
промышленных районов; промышленные (потребительские) - ПС напряжением 35-220
кВ, расположенные возле или на территории потребителей электрической энергии;
глубокого ввода - ПС напряжением 35-220 кВ, расположенных в центре потребления
электрической энергии в крупных городах и промышленных районах.
По напряжению и мощности
трансформаторов, установленных на ПС. Высшее напряжение и мощность
трансформаторов определяют значимость и ответственность ПС в данной точке
электросети; в характеристике ПС указывается высшее напряжение (110,220 кВ) и
все ступени низшего напряжения, а также мощность трансформаторов
(автотрансформаторов).
По главной схеме электрических
соединений ПС делятся на подстанции: с простыми схемами электрических
соединений - блок-линия-трансформатор, мостики без выключателей и с
выключателями, упрощенные схемы с одиночными системами шин - секционированными
и не секционированными; со сложными схемами - две системы шин с обходной
системой, различные варианты схем многоугольников, две системы шин с двумя
выключателями на присоединение, схемы с 1,5 выключателями на присоединение
(полуторные) и др.
По схеме подключения к
электрической сети ПС делятся: на тупиковые, питающихся по одной или двум
линиям от одного источника питания; проходные - с входом и выходом линии,
питающей ПС; ПС питающихся отпайки от одной или двух линий, при этом на шинах
ПС энергия распределяется на том же напряжении без трансформации и отбор
мощности через трансформаторы на более низком напряжении незначительный, с
многосторонним питанием на разных напряжениях и распределение энергии
нескольких напряжений.
По конструктивному исполнению
ПС делятся на: открытые - на которых все оборудование РУ высокого напряжения и
трансформаторы установлены на открытом воздухе; закрытые - на которых
оборудования РУ высокого напряжения и трансформаторы установлены в помещении;
смешанные - на которых РУ высокого напряжения могут быть открытыми, а
трансформаторы находятся в закрытых камерах или наоборот; комплектные -
поставляемые заводами полностью смонтированными, или укомплектованными
строительными материалами и собранным оборудованием в виде узлов, блоков;
блочные - поставляемые в виде смонтированных блоков, а на месте монтажа ведется
сборка блоков.
При проектировании
электрических станций и подстанций в ходе реализации алгоритма проектирования
появляется большое количество допустимых технических решений, фрагментов и
подсистем объектов. Допустимая совокупность решений определяет множество
допустимых по техническим условиям вариантов проектов станций и подстанций.
1.
Выбор схем электрических соединений на стороне 35 и 10 КВ
Схема электрических соединений подстанции
выбирается с использованием типовых схем РУ 35 - 750 кВ. Нетипичная схема может
применяться только при наличии технико-экономических обоснований. Обычно
нетипичные схемы применяются при реконструкции действующих подстанций [1].
При двух линиях 35-110 кВ и двух трансформаторах
возможно применение схемы мостиков (рисунок 1.1).
а) б)
Рисунок 1.1 - Схемы мостиков с выключателями
а) - перемычка в сторону трансформаторов б) -
перемычка в сторону линий
В схеме для четырех присоединений
устанавливается три выключатели В1, В2, В3 (рисунок 1.1, а). Нормально
выключатель В3 на перемычке между двумя линиями Л1 и Л2 включен. При
повреждении на линии Л1 отключается выключатель В1, трансформаторы Т1 и Т2
остаются в работе, связь с энергосистемой осуществляется по линии Л2. При
повреждении в трансформаторе Т1 отключается выключатель В4 со стороны 6-10 кВ и
выключатели В1 и В3. В этом случае линия Л1 оказалась выключенной, хотя никаких
повреждений на ней нет, что является недостатком схемы мостика.
Если учесть, что аварийное отключение
трансформаторов случается редко, то такой недостаток схемы является
несущественным, тем более что после отключения В1 и В3 и при необходимости
вывода в ремонт поврежденного трансформатора отключают разъединитель Р1 и
включают В1, В3, возвращает линию Л1 в работу. Более существенным недостатком
схемы является отключение соответствующих линий при ревизии выключателя В1 и В2
на все время проведения ремонта.
Плановые отключения трансформатора проводятся
так же, как в схеме блока трансформатор-линия: отключают выключатель В4 и
разъединителем Р1 отключают ток намагничивания трансформатора, если это
допустимо по его мощности.
Для удобства проведения операции разъединители
Р1, Р2 могут быть заменены отделителями.
Основным преимуществом схемы является
экономичность (три выключатели на четыре присоединения) и простота. Конструкция
распределительного устройства должна предусматривать возможность перехода от
мостовой схемы к другим схемам при расширении подстанции.
Возможно применение второго варианта схемы
мостика (рисунок 1.1, б) с перемычкой в сторону линий. В такой схеме аварийное
отключение линии приведет к отключению неповрежденного трансформатора.
Аварийность линий значительно выше, чем трансформаторов, поэтому второй вариант
схемы мостика применяется при коротких линиях.
Для сохранения в работе обеих линий при ревизии
любого из выключателей (В1, В2, В3) предусматривается дополнительная перемычка
из двух разъединителей Р3, Р4 (рисунок 1.1, а).
Один из разъединителей (Р3) перемычки нормально
выключен. Для ревизии выключателя В1 предварительно включают Р3, затем
отключают В1 и разъединители по обе стороны выключателя. В результате оба
трансформатора и обе линии остались в работе. Если в этом режиме произойдет КЗ
на одной линии, то отключится В2, т.е. обе линии останутся без напряжения.
Для ревизии выключателя В3 также предварительно
включают перемычку, а затем отключают В3. Этот режим имеет тот же недостаток:
при КЗ на одной из линий отключаются обе линии.
Вероятность совпадения аварии с ревизией одного
из выключателей возрастает с увеличением продолжительности ремонта выключателя.
Схема мостика с выключателями рекомендуется на
подстанциях на среднем напряжении при двух выходных линиях и на высоком
напряжении при необходимости секционирования сети или возможности перехода к
другим схемам с выключателями.
Одной из упрощенных схем является схема блока
трансформатор - линия с выключателями и неавтоматической перемычкой со стороны
линий (рисунок 1.2).
Рисунок 1.2 - Общий вид схемы двух блоков
линия-трансформатор с выключателями и неавтоматической перемычкой со стороны
линий
В блочных схемах элементы электроустановки
соединяются последовательно без поперечных связей с другими блоками. В
рассматриваемой схеме трансформатор Т1 соединен с линией выключателем В1. При
аварии в линии отключается выключатель В1, работа трансформатора прекращается,
при аварии в трансформаторе отключаются выключатели В1 и вводный выключатель 10
кВ. Релейной защитой включается АВР на стороне 10 кВ, чем обеспечивается
бесперебойное электроснабжение потребителей первой и второй категории по
надежности электроснабжения.
Основным преимуществом данной схемы является
экономичность, что привело к ее широкому применению для двухтрансформаторных
подстанций, включаемых глухой отпайки к транзитной линии.
Надежность работы рассматриваемой схемы зависит
от четкости и надежности работы релейной защиты, т.е. от своевременной работы
АВР при аварии. Поэтому сегодня отдают большее предпочтение современным
микропроцессорным устройствам РЗА, более быстро реагирующим на аварийную
ситуацию и дающим команду на оперативные переключения.
Итак, из всех перечисленных выше схем
электрических соединений на стороне 35 кВ для подстанции ПС2 больше подходит
схема, изображенная на рисунке 1.2.
В связи с тем, что ПС2 имеет 2 класса
напряжений, схема (рисунок 1.2) примет следующий вид (рисунок 1.3):
Рисунок 1.3 - Схема электрических соединений на
стороне 35 кВ ПС2
Распределительные устройства (РУ) напряжением
10(6) кВ применяют в распределительной электросети местных и промышленных
потребителей электроэнергии, а также для питания силовых трансформаторов
собственных нужд подстанций.
В РУ напряжением 10(6) кВ применяют
преимущественно схемы с одним или несколькими системами сборных шин, секционированные
выключателями или разъединителями с одним коммутационным аппаратом на
присоединение (выключателем, выключателем нагрузки или системой
предохранитель-разъединитель).
В РУ напряжением 10(6) кВ на низком напряжении
предусматривают преимущественно раздельную работу секций с целью ограничения
токов КЗ. В случае раздельной работы секций возможна работа силовых
трансформаторов с разной нагрузкой и секций шин с отличным напряжением, но эти
ситуации не могут быть определяющими при выборе режима работы схемы на низком
напряжении. Режим с параллельной работой секций не является желаемый, исходя из
того, что при КЗ в электросети 10(6) кВ напряжение на обеих секциях падает до
нуля с нарушением нормальной работы всех потребителей. Кроме того, при
значительной мощности силовых трансформаторов ток КЗ возрастает до величин,
требующих применения электрооборудования с повышенными параметрами и применения
силовых кабелей в сети с жилами больших сечений.
Схемы РУ напряжением 10 кВ простые, наглядные и
малозатратные, что позволяет широко использовать комплектные распределительные
устройства заводского изготовления (КРУ, КРУН, КСО). Операции с разъединителями
необходимы только для обеспечения эксплуатационных работ. Вследствие
однотипности и простоты операций с разъединителями практически исключена
аварийность из-за неправильных действий оперативного персонала.
В случае повреждения или ремонта одной секции
ответственные потребители, которых нормально питают от двух секций, остаются
без резерва, а нерезервируемые потребители отключаются на время ликвидации
повреждения или проведения ремонтных работ на секции.
Схемы позволяют выводить из работы (оперативно
или аварийно) всякое присоединение без нарушения основной функции подстанции
(РУ). При сооружении однотрансформаторные подстанции применяют схему с одной
несекционированною системой шин, надежность которой соответствует категории
потребителя электроэнергии по надежности.
Исходя из вышесказанного и учитывая перечень
схем 10(6) / 0,4 кВ, для нашего случая подходит только одна схема, общий вид
которой изображен на рисунке 1.4
Рисунок 1.4 - Общий вид схемы 10 кВ с одиночной
секционированной выключателем системой шин
Схему, изображенную на рисунке 1.4, применяют в
РУ напряжением 10(6) кВ на низком напряжении основных силовых трансформаторов
подстанций с высшим напряжением от 35 кВ до 330 кВ. Конструктивно схему
выполняют с применением КРУ или КРУН. Число линейных присоединений определяют
по схеме развития электрической сети. Оптимальным количеством линейных
присоединений следует считать количество линий, рассчитанное исходя из нагрузки
каждой линии током не менее 25% от номинального тока шкафа КРУ линейного
присоединения.
Для ограничения токов КЗ предусматривают
установку токоограничивающих реакторов в первую очередь в цепи трансформаторов.
При необходимости возможна установка токоограничивающих реакторов на линейных
присоединениях.
Итак, схему, изображенную на рисунке 1.4,
применяют на подстанциях с двумя силовыми трансформаторами с нерасщепленными
обмотками низкого напряжения без токоограничивающих реакторов в цепи силовых
трансформаторов или с одинарными реакторами в случае присоединения их к одной
секции. Учитывая вышесказанное, схема 10 кВ примет вид (рисунок 1.5)
Рисунок 1.5 - Схема электрических соединений на
стороне 10 кВ ПС2
2.
Расчет токов короткого замыкания
Рассчитаем токи короткого
замыкания на шинах 35 кВ и 10 кВ ПС2, для дальнейшего выбора аппаратуры на этой
подстанции.
Схему для расчета токов короткого
замыкания берем из курсового проекта по дисциплине «Электрические сети и
системы.
Рисунок 2.1 - Схема для расчета
токов КЗ
Рассчитаем ток КЗ в точках К1 и
К2 на шинах высокого и низкого напряжения трансформаторной подстанции ПС2.
Схема замещения ПС2 приведена
на рисунке 2.2 (на ПС работают два трансформатора на параллельной работе,
поэтому заменим их сопротивление эквивалентным).
Рисунок 2.2 - Схема замещения ПС2 для расчета
токов КЗ
Приведем активное и реактивное сопротивление
стороны ВН ПС1 к напряжению точки К1:
;
.
Где n - коэфициент трансформации.
.
Найдем суммарное активное и
реактивное сопротивления линий в по формулам:
;
Рисунок 2.3 - Схема с эквивалентными
сопротивлениями для расчета токов КЗ
Рассчитаем модуль эквивалентного сопротивления
по формуле:
Найдем установившееся значение тока КЗ на шинах
высокой стороны.
Ток короткого замыкания рассчитывается по формуле:
, (2.1)
где
- ток короткого замыкания в точке
К1, кА;б - базисное напряжение.
Ударный ток рассчитывается по
формуле :
, (2.2)
где iу -ударный ток короткого замыкания в точке
К1, кА;
Ку - ударный коэффициент, который находится по
формуле:
, (2.3)
где ТА - временная составляющая,
которая рассчитывается по формуле:
; (2.4)
где
- индуктивная составляющая
эквивалентного сопротивления до точки КЗ в именованных единицах,
- активная составляющая эквивалентного
сопротивления до точки КЗ в именованных единицах.
с;
;
Найдем эквивалентные сопротивления
линий до точки КЗ К2 по формулам:
;
Рисунок 2.4 - Схема с эквивалентными
сопротивлениями для расчета токов КЗ
Рассчитаем модуль эквивалентного сопротивления
по формуле:
Рассчитаем ток КЗ на шинах низкого
напряжения ПС2 в точке К2.
Приведем эквивалентное сопротивление
к низкой стороне.
.
;
Ударный ток рассчитывается по формуле (2.2):
,
где iу -ударный ток короткого замыкания в точке
К2, кА;
Ку - ударный коэффициент.
где ТА - временная составляющая, которая
рассчитывается по формуле (2.4):
с;
.
Согласно рассчитанным значениям токов короткого
замыкания на шинах 35 и 10 кВ будем проводить выбор коммутационной аппаратуры
на подстанции.
Занесем полученные результаты в таблицу 2.1:
Таблиця 2.1 - Значения токов КЗ в точках К1 и К2
|
Точка
КЗ
|
, кАTA, c , кА
|
|
|
|
К1
|
1,2
|
0,007
|
8,76
|
|
К2
|
2,82
|
0,008
|
17,95
|
3. Выбор коммутационной
аппаратуры на проектируемой подстанции
.1 Выбор коммутационной
аппаратуры на стороне 35 кВ
.1.1 Выбор выключателей
нагрузки
Выключатели мощности выбираются по таким
условиям:
1) по номинальному напряжению:
, (3.1)
) по рабочему току:
, (3.2)
) по коммутационной способности на симметричный
ток КЗ:
, (3.3)
где Iп(τ) - действующее
значение периодической составляющей тока КЗ в момент времени τ после начала
расхождения дугогасительных контактов выключателя;н. откл - номинальный ток при
КЗ, который способен отключить выключатель;
) по коммутационной способности на
асимметричный ток КЗ:
, (3.4)
где ia(τ) - апериодическая
составляющая тока КЗ в момент расхождения контактов:
; (3.5)
βн - номинальное значение
относительной апериодической составляющей тока в точке отключения;
-
постоянная времени затухания апериодической составляющей тока короткого
замыкания (для РУ повышенного напряжения подстанции
с;
τ - наименьший промежуток времени
от начала КЗ до момента расхождения контактов, рассчитывается по формуле:
, (3.6)
где tрз.мин - минимальное время
действия релейное защиты, принимается равным 0,01 с;с.в. - собственное время
отключения выключателя;
; (3.7)
) по электродинамической устойчивости:
, (3.8)
где iпр скв - амплитудное значение
предельного сквозного тока к.з. (по каталогу);
) по термической устойчивости:
, (3.9)
где Bк - тепловой импульс по расчету
кА2∙с;т - предельный ток термической устойчивости по каталогу, кА;т -
длительность протекания тока термической устойчивости, с;
Выбор выключателей Q1.
Выбираем вакуумный выключатель марки ВР35НС c
[2].
Рисунок 3.1 - Внешний вид выключателя ВР35НС
Рисунок 3.2 - Габаритные размеры выключателя
ВР35НС
электрический подстанция ток
напряжение
Номинальные параметры выключателя ВР35НС:н = 35
кВ;н =1600 А;н откл = 20 кА;пр скв = 52 кА;т = 20 кА;т = 3 с;.в. = 0,035 с;
βн = 0,4.
Сделаем проверку выключателя:
1) по номинальному напряжению:
,
) по рабочему току:
,
) по коммутационной способности на симметричный
ток КЗ:
,
,
) по коммутационной способности на
асимметричный ток КЗ:
кА;
,
,
;
5) по электродинамической устойчивости:
,
) по термической устойчивости:
Расчетные данные:
.
Каталожные данные:
,
.
Как видим из наших расчетов,
выключатель отвечает всем необходимым требованиям и может быть использован для
нашей подстанции.
3.1.2 Выбор
разъединителей с заземляющими ножами
Разъединители выбираются по таким
условиям:
1) по номинальному напряжению:
, (3.10)
) по конструктивному выполнению;
) по рабочему току:
, (3.11)
) по электродинамической устойчивости:
, (3.12)
) по термической устойчивости:
, (3.13)
Поскольку концерн «Высоковольтный
союз» не выпускает разъединителей с заземляющими ножами 35 кВ, то выберем
разъединитель марки РНД-35/1000 У1 с [3].
Рисунок 3.3 - Внешний вид и размеры
разъединителя РНД-35/1000 У1
Номинальные параметры разъединителя :
Uн = 35 кВ;н = 1000 А;т = 25 кА;пр скв = 63 кА;т
= 3 с;
Сделаем проверку разъединителя:
1) по номинальному напряжению:
;
) по рабочему току:
;
4) по электродинамической устойчивости:
,
) по термической устойчивости:
Расчетные данные:
.
Каталожные данные:
,
.
На стороне 35 кВ выбираем разъединители марки
РНД-35/1000 У1, но в зависимости от места расположения на схеме устанавливаем
разъединители с одним или с двумя заземляющими ножами.
3.1.3 Выбор
трансформаторов тока
Трансформаторы тока выбираются по таким
условиям:
) по номинальному напряжению:
, (3.14)
2) по рабочему току:
, (3.15)
) по конструкции и классу точности;
) по электродинамической устойчивости:
, (3.16)
где iпр скв - амплитудное значение
предельного сквозного тока к.з. (по каталогу);
) по термической устойчивости:
, (3.17)
) по сопротивлению нагрузки:
; (3.18)
где Z2ном - сопротивление вторичной
обмотки в соответствии с каталожными данными, рассчитывается по формуле:
; (3.19)
где Z2 - расчетное сопротивление
вторичной обмотки трансформатора тока;≈ r2, так как индуктивное
сопротивление измерительных цепей невелико, в свою очередь r2 рассчитывается по
формуле :
; (3.20)
где rконт - сопротивление контактов,
принимается равным 0,05 Ом;приб - сопротивление приборов, которое
рассчитывается по формуле:
; (3.21)
где Sприб - мощность потребляемая
приборами (выбирается из таблиц);пр - допустимое сопротивление проводов,
рассчитывается по формуле:
; (3.22)
После расчета сопротивления провода,
находится его сечение по формуле:
; (3.23)
где ρ - удельное
сопротивление материала провода Ом∙м, для алюминия ρ=0,0283 Ом∙м,
для меди ρ=0,0175
Ом∙м;-
длина проводов от трансформаторов тока до приборов, м.
По рассчитанному сечению провода,
которое не должно быть менее 2,5 мм2 для меди и 4 мм2 для алюминия (по
механической прочности), пересчитываем сопротивление rпр и его значение подставляем
в формулу (3.20).
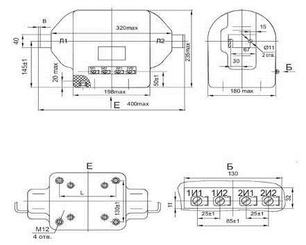
Выбираем трансформаторы тока ТФЗМ-35
Б-У1

Рисунок 3.4 - Внешний вид и
габаритные размеры трансформатора тока ТФЗМ-35 Б-У1
Номинальные параметры трансформатора
тока:н = 126 кВ;н = 200 А;н = 5 А;т = 7 кА;дин = 42 кА;изм = 30 ВА;защ = 30
ВА;т = 3 с;
Сделаем проверку трансформатора
тока:
1) по номинальному напряжению:
,
) по рабочему току:
,
) по электродинамической устойчивости:
,
) по термической устойчивости:
Расчетные данные:
.
Каталожные данные:
,
;
) по сопротивлению загрузки в классе
точности 0,5:
;
Мощность амперметра - S = 0,1 ВА.
Мощность счетчика активной и реактивной энергии S = 2,0 ВА.
Находим сопротивление приборов:
;
Сопротивление проводов:
;
Длинна проводов от трансформатора
тока до приборов, равна L = 73 м.
Сечение проводов:
.
Сечение проводов из меди берем 2,5 мм2. Для
соединения ТТ с приборами проложим кабель типа КРВГ - кабель контрольный с
медными жилами, с резиновой изоляцией, с ПВХ оболочкой сечением жил 2,5 мм2.
Сопротивление проводов будет равным:
;
Расчетное сопротивление вторичной
обмотки будет равно:
;
Исходя из этого, следует:
.
Все условия выбора для
трансформатора тока ТФЗМ-35 Б-У1 выполняются, следовательно будем их
использовать в нашем проекте.
3.1.4 Выбор
трансформаторов напряжения
Трансформаторы напряжения выбираются по таким
условиям:
1) по номинальному напряжению:
, (3.24)
) по конструкции и схеме соединения обмоток;
) по вторичной нагрузке:
, (3.25)
где S2ном - номинальная мощность
вторичной обмотки, ВА (по каталогу);- нагрузка всех измерительных приборов,
присоединенных к трансформатору напряжения, ВА, рассчитывается по формуле:
; (3.26)
где P2 - активная мощность приборов,
Вт;- реактивная мощность приборов, ВА.
Выбирем трансформаторы напряжения марки ЗНОМП-35
У1:
Рисунок 3.5 - Внешний вид и габаритные размеры
трансформатора напряжения ЗНОМП-35 У1
Номинальные параметры трансформатора
напряжения:н = 35 кВ;
Класс точности 0,2;
Uвт = 35/
В;ном=100
ВА.
Сделаем проверку трансформатора
напряжения:
1) по номинальному напряжению:
,
4) по вторичной нагрузке:
Из [4] таблицы мощностей приборов
выбираем:
мощность вольтметра - S = 2,0 ВА;
мощность ваттметра - S = 3,0 ВА; мощность счетчика активной и реактивной
энергии - P = 1,6 Вт, Q=3,89 Вар.
Рассчитаем S2:
;
В результате, получаем:
.
Как видим все условия выполняются, то есть можно
использовать данные трансформаторы напряжения для подстанции ПС2.
Таким образом, трансформаторы напряжения будут
работать в выбранном классе точности 0,2.
Для соединения трансформаторов напряжения с
приборами принимаем контрольный кабель КРВГ сечением жил 2,5 мм2.
3.1.5 Выбор ОПН на
стороне 35 кВ
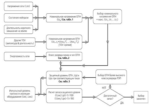
Процедура выбора состоит из двух основных
этапов:
) выбор электрических характеристик ОПН в
соответствии с параметрами сети;
) выбор механических характеристик ОПН и его
климатического исполнения.
Список сокращений:- класс напряжения сети; Uc -
наибольшее рабочее напряжение; Ur - номинальное напряжение ОПН; TOV - временные
перенапряжения Т - коэффициент временных перенапряжений; k - коэффициент
замыкания на землю; Ups - защитный уровень при коммутационных перенапряжениях;
Upl - защитный уровень при грозовых перенапряжениях; Uws - уровень изоляции при
коммутационных перенапряжениях; Uwl - уровень изоляции при грозовых
перенапряжениях.
Рисунок 3.6 - Диаграмма выбора ОПН
Выбор номинального напряжения ОПН (Ur)
Для каждого класса напряжения сети в таблицах
«Защитные характеристики ОПН» даны значения номинальных напряжений Ur и
максимальных длительно допустимых рабочих напряжений ОПН Uc, при которых с
достаточным запасом ОПН выдерживает фактическое максимальное длительное рабочее
напряжение системы Uca. Таким образом, выбор Ur зависит лишь от временно
допустимых повышений напряжения на ОПН TOV, их амплитуды и длительности.
Временно допустимые повышения напряжения на ОПН
- это возникающие в системе достаточно длительные напряжения, как правило,
промышленной частоты, с гармониками или без них. Ограничители должны
выдерживать данные повышения напряжения без потери тепловой устойчивости.
Наиболее часто одно- или двухфазные замыкания
приводят к возникновению временных перенапряжений в здоровой фазе(ах), а также
в нейтрали силовых трансформаторов. Их амплитуда определяется состоянием
нейтрали в системе, а длительность - временем устранения повреждения.
Считается, что системы с глухозаземленной
нейтралью имеют коэффициент замыкания на землю
. (3.27)
Во всех остальных случаях (изолированная
нейтраль или заземление нейтрали через резистор) коэффициент замыкания
принимается равным k=1,73.
Для систем с глухозаземленной нейтралью время,
требуемое для устранения повреждений, обычно составляет менее 1 с, но может
заметно отличаться в разных системах. Значения TOV длительностью 1 и 10 с,
выдерживаемые ОПН, приводятся в [7]. Для того чтобы определить значения TOV с
другой длительностью или для других конкретных условий, нужно следовать ниже
указанной процедуре:
) отдельно рассматривается каждое TOV;
) по TOV-кривым (могут быть представлены заводом
изготовителем) определяется коэффициент T для времени, соответствующего
времени, которое требуется для устранения повреждений.
5)
даст минимальное значение Ur, при
котором ОПН выдерживает данное повышение напряжения без повреждения.
) наибольшая величина Ur из полученных
для каждого TOV вычислений будет являться искомым значением Ur.
В таблице 3.1 приводятся минимальные
значения номинальных напряжений (Ur) ОПН. Рекомендуется всегда выбирать
ближайшую наибольшую величину Ur из данного каталога.
Таблица 3.1 - Минимальные значения
номинальных напряжений (Ur) ОПН
|
Состояние
нейтрали
|
Длительность
повреждения
|
Напр.
системы Um, кВ
|
Мин.
ном. напр. ОПН Ur, кВ
|
|
Глухо-заземленная
|
≤
1 с
|
≤
100
|
≥
0,8·Um
|
|
Глухо-заземленная
|
≤
1 с
|
≥
100
|
≥
0,72·Um
|
|
Не
глухо-заземленная
|
≤
10 с
|
≤
170
|
≥
0,91·Um ≥ 0,93·Um (EXLIM T)
|
|
Не
глухо-заземленная
|
≤
2 ч
|
≤
170
|
≥
1,11·Um
|
|
Не
глухо-заземленная
|
>
2 ч
|
≤
170
|
≥
1,25·Um
|
Выбор энергоемкости ОПН
Энергоемкость ограничителя является
характеристикой, отражающей совокупность воздействий на него в различных режимах
при напряжениях выше Uс.
Класс энергоемкости ОПН характеризуется
величиной удельной поглощаемой энергии в кДж на 1 кВ номинального напряжения.
При отсутствии специальных расчетов по выбору класса энергоемкости необходимо
выбирать следующие классы:
Таблица 3.2 - Классы ОПН для различного
напряжения
|
Для
сети 110 кВ
|
Класс
R
|
|
Для
сети 150 кВ
|
Класс
R
|
|
Для
сети 220 кВ
|
Класс
Q
|
|
Для
сети 330 кВ
|
Класс
Р
|
|
Для
сети 500 кВ
|
Класс
Р
|
|
Для
сети 750 кВ
|
Класс
Т
|
При возможности возникновения переходного
резонанса (при отсутствии выключателей на стороне ВН, коммутациях блока линия -
трансформатор), при установке в сетях с частично разземленными нейтралями
трансформаторов ограничители должны выбираться на класс выше по отношению к
указанному.
Выбор уровня защиты (Upl и Ups)
Для координации уровней изоляции учитывается
уровень защиты при грозовом импульсе (Upl) для Um ≤ 362 кВ и амплитуде
тока 10 кА, для более высоких уровней напряжений - 20 кА. Аналогично уровень
защиты при коммутационном импульсе (Ups) определяется в диапазоне токов от 0,5
кА (для Um ≤ 170 кВ) до 2 кА (при Um ≥ 362 кВ). Эти значения можно
взять из таблиц, приведенных в настоящем издании, или же легко вычислить по
таблице 3.3. В последнем случае вычисленные значения следует округлять в
большую сторону.
Таблица 3.3 - Параметры для выбора уровня защиты
|
Тип
ОПН
|
Ном.
разрядный ток In, кА
|
Upl/Ur,
при 10 кА
|
Upl/Ur,
при 20 кА
|
Ups/Ur
|
|
EXLIM
R
|
10
|
2,590
|
-
|
2,060
/ 0,5 кА
|
|
PEXLIM
R
|
10
|
2,500
|
-
|
2,045
/ 0,5 кА
|
|
EXLIM
Q
|
10
|
2,350
|
-
|
1,981
/ 1,0 кА
|
|
PEXLIM
Q
|
10
|
2,350
|
-
|
1,981
/ 1,0 кА
|
|
EXLIM
P
|
20
|
2,275
|
2,5
|
2,020
/ 2,0 кА
|
|
PEXLIM
P
|
20
|
2,275
|
2,5
|
2,020
/ 2,0 кА
|
|
EXLIM
T
|
20
|
2,200
|
2,4
|
1,976
/ 2,0 кА
|
Примечание: Upl и Ups справедливы для ОПН АББ.
Проверка запаса защитного уровня
Запас защитного уровня (в %), вычисленный при соответствующем
импульсе тока с соответствующей амплитудой по таблице 3.3, определяется
следующим образом:
) запас защитного уровня при грозовых
перенапряжениях:
, (3.28)
где Uwl - импульсная прочность
изоляции оборудования при грозовом импульсе;
) запас защитного уровня при
коммутационных перенапряжениях
, (3.29)
где Uws - импульсная прочность
изоляции оборудования при коммутационном импульсе.
Из-за низкого коэффициента
, а также
из-за того, что у большинства современного оборудования высокий коэффициент
, имеющегося
запаса уровня защиты обычно более чем достаточно. Однако в зависимости от
электрических расстояний между ОПН и защищаемым оборудованием запас Upl может
уменьшиться, и ОПН не смогут защищать оборудование, которое не подключено в
непосредственной близости от них (т. е. в защищаемой зоне). Наличие для ОПН
типа PEXLIM альтернативных вариантов установки может помочь в снижении влияния
эффекта расстояния. Использование дополнительных ОПН на линейных вводах подстанций
также облегчает эту задачу.
Рекомендуется иметь запас защитного
уровня (с учетом «эффекта расстояния») порядка 20% или больше для того, чтобы
принять во внимание снижение максимально выдерживаемых перенапряжений из-за
старения оборудования. В случае если выбранный тип ограничителя не обеспечивает
желаемого запаса защитного уровня, выбор должен быть сделан в пользу
ограничителя с более высоким классом энергоемкости, что автоматически дает
меньшую величину Upl.
Выбираем ОПН для высокой стороны 35
кВ.
Для выбора ОПН из таблицы 3.1 берем
формулу для выбора минимального номинального напряжения ОПН Ur. Для линии с
глухозаземленной нейтралью, напряжением 35 кВ при условии, что длительность
повреждения меньше 1с, формула имеет вид:
, (3.30)
;
Выбираем класс ОПН, для сети
напряжением 35 кВ по таблице 3.2 выбираем ОПН класса R. Также при выборе ОПН
нужно выбирать его номинальный разрядный ток, для сетей 35 кВ и выше, его
следует брать 10 кА.
Исходя их этих данных, выбираем ОПН
марки Pexlim R с полимерным корпусом фирмы АВВ [6].
Рисунок 3.7 - Внешний вид ОПН
Номинальные параметры ОПН Pexlim R:
Номинальное напряжение ОПН (Ur) - 90
кВ ≥ 79,2 кВ;
Длительно допустимое рабочее
напряжение (Uнр) -72 кВ;
Способность противостоять временным
перенапряжениям за 1с -103 кВ;
Остающееся напряжение при волнах
тока 10 кА - 225 кВ;
Рассчитаем, какое напряжение
грозового импульса выдержит наш изолятор. Из таблицы 3.3 для ОПН марки Pexlim R
отношение
для Um ≤
374 кВ и амплитуды тока 10 кА. Находим Upl:
;
Уровень защиты для коммутационного
импульса выбирается из таблицы 3.3 по соотношению
при Um ≤
170 кВ и токе 0,5 кА;
;
3.2 Выбор
коммутационной аппаратуры на стороне 10 кВ
.2.1 Выбор выключателей
мощности
Выбираем вакуумный выключатель
BB/TEL-10-20-1000-У2 с такими техническими данными:
номинальное напряжение -
;
номинальный ток -
;
номинальный ток отключения -
;
номинальное значение относительной
апериодической составляющей тока в точке отключения -
%;
ток динамической стойкости -
;
;
предельный ток термической
устойчивости -
;
длительность протекания тока
термической устойчивости -
с;
собственное время отключения -
;
полное время отключения -
.
Рисунок 3.8 - Внешний вид вакуумного выключателя
марки BB/TEL-10-20/1000 У2
Выполним проверку данного выключателя:
) по номинальному напряжению:
кВ = 10 кВ
) по максимальному рабочему току:
,36 А < 1000 A
) по коммутационной способности на симметричный
ток КЗ (для этого рассчитаем время до разногласия контактов выключателя):
.
.
) по коммутационной способности :
;
А;
,
,
.
) по электродинамической стойкости:
,95 кА < 51 кА
6) по термической устойчивости:
Расчетные данные:
.
Каталожные данные:
,
.
Все условия выбора вакуумных
выключателей для защиты трансформаторов Т1 и Т2 выполняются.
3.2.2 Выбор
выключателей мощности в ячейках подстанции
Отходящие линии по низкой стороне выберем
одинаковой длины с одинаковыми параметрами. Расчет проведем для одной ячейки ПС
низкой стороны (для других ячеек расчет аналогичен).
Выбираем вакуумный выключатель
BB/TEL-10-12,5/630 У2 с такими техническими данными:
;
;
;
%;
;
;
;
с;
;
.
Рисунок 3.9 - Внешний вид вакуумного выключателя
марки BB/TEL-10-12,5/630 У2
Выполним проверку данного выключателя:
1) по номинальному напряжению:
кВ = 10 кВ.
) по максимальному рабочему току:
,
где
- мощность в конце отходящих линий;
;
.
) по коммутационной способности на
симметричный ток КЗ:
;
;
.
) по коммутационной способности:
;
.
) по электродинамической стойкости:
,
,95кА < 52 кА.
6) по термической устойчивости:
Расчетные данные:
.
Каталожные данные:
,
.
Все условия выбора вакуумных выключателей для
защиты отходящих линий выполняются.
Секционный выключатель СВ установим такой же,
как и на отходящих линиях марки BB/TEL-10-20/1000 У2.
Выполним проверку данного выключателя:
1) по номинальному напряжению:
кВ = 10 кВ.
) по максимальному рабочему току:
,
где
- мощность нагрузки;
.
) по коммутационной способности на
симметричный ток КЗ:
;
с;
.
) по коммутационной способности:
;
.
) по электродинамической стойкости:
,
,95 кА < 52 кА.
6) по термической устойчивости:
Расчетные данные:
.
Каталожные данные:
,
.
Все условия выбора выключателей СВ выполняются.
3.2.3 Выбор
трансформаторов тока
Нам необходимо установить ТТ в следующих ячейках
ЗРУ:
в ячейке секционного выключателя;
в ячейках: ввод №1, ввод №2;
в ячейках отходящих линий 10 кВ.
Выбираем ТТ типа ТПЛ-10-0,5-10Р-50/5 У3 с такими
параметрами:
кВ;
;
;
;
S2изм = 30 ВА;защ = 15 ВА;
;
с.
Время отключения tоткл = 0,04 с.
Рисунок 3.10 -Внешний вид ТТ марки
ТПЛ-10-0,5-10Р-50/5 У3
Рисунок 3.11 - Габаритные размеры ТТ марки
ТПЛ-10-0,5-10Р-50/5 У3 (конструктивные варианты исполнений)
Выполним проверку:
) по номинальному напряжению:
кВ = 10 кВ;
) по максимальному рабочему току:
;
) по электродинамической стойкости:
,
,95 кА < 60 кА.
) по термической стойкости:
;
,
.
) по сопротивлению загрузки:
;
.
К трансформатору тока подключается
прибор релейной защиты МРЗС (Z=0,06Ом), амперметр (Z=0,1Ом), ваттметр
(Z=0,09Ом) и счетчики энергии (Z=0,07Ом).
Сопротивление всех приборов
.
Сопротивление контактов
.
Сопротивление проводов:
;
Длину проводов примем равной L=3м, провод медный
ρ
= 0,0175 Ом∙м.
Сечение проводов по формуле (3.23):
;
Для соединения ТТ с приборами проложить кабель
типа КРВГ - кабель контрольный с медными жилами, с резиновой изоляцией, с
оболочкой из ПВХ-пластиката с сечением жил 2,5 мм2.
Сопротивление проводов будет равным:
;
Расчетное сопротивление вторичной
обмотки будет равно:
;
Исходя из этого, следует:
.
Все условия выбора для
трансформатора тока марки ТПЛ-10-0,5-10Р-50/5 У3 выполняются, следовательно
используем их в нашем проекте.
3.2.4 Выбор
трансформаторов напряжения
На стороне 10 кВ выбираем масляный
трехобмоточный трансформатор, который состоит из однофазных ТН марки
ЗНМИ-10-I-У2:
Рисунок 3.12 - Внешний вид ТН типа ЗНМИ-10-I-У2
1) Номинальное первичное напряжение:
;
) класс точности: 0,5;
) номинальная вторичная нагрузка
S2ном с коэффициентом мощности 0,8
а) обмотки для измерений (основной) 75,100
и 0 ВА;
б) обмотки для защиты
(дополнительной) 30 ВА.
Делаем проверку трансформатора
напряжения:
) по номинальному напряжению:
.
) по номинальной вторичной нагрузке
условие выполняется, потому что мы задаемся мощностью приборов, которые
присоединяют, равной суммарной фазной мощности вторичной цепи ТН.
Таблица 3.4 - Вторичная нагрузка
трансформатора напряжения 10 кВ
Прибор
|
 Общая потребляемая мощность
|
|
|
|
|
|
|
, Вт , В×А
|
|
|
Вольтметр
|
2
|
1
|
2
|
-
|
|
Ваттметр
|
1,5
|
2
|
3
|
-
|
|
Счетчик
активной и реактивной энергии
|
0,8
|
2
|
1,6
|
3,89
|
|
ИТОГО
|
|
6,6
|
|
|
|
|
|
|
Таким образом, трансформаторы напряжения будут
работать в выбранном классе точности 0,5.
Выбор трансформатора напряжения на второй секции
производится аналогично.
Для соединения трансформаторов напряжения с
приборами принимаем контрольный кабель КРВГ с сечением жил 2,5 мм2.
3.2.5 Выбор
трансформаторов собственных нужд
Состав потребителей собственных нужд (с.н.)
подстанции зависит от типа подстанции, мощности трансформаторов, наличия
синхронных компенсаторов. Наиболее ответственными потребителями с.н. подстанций
являются оперативные цепи, система связи, телемеханики, система охлаждения
трансформаторов, аварийное освещение.
На всех двухтрансформаторных подстанциях 35-750
кВ необходимо устанавливать не менее двух ТСН.
Схемы с.н. подстанции должны предусматривать
присоединение ТСН к разным источникам питания, вводам разных трансформаторов,
различным секциям РУ НН и тому подобное.
Мощность ТСН должна выбираться в соответствии с
нагрузками в разных режимах работы подстанции.
Нам необходимо установить два ТСН с напряжениями
обмоток высшего напряжения 10 кВ и низшим номинальным напряжением 380 В.
Предположим, что на ПС установлены такие
потребители собственных нужд:
. Подогрев шкафов внешней установки - 1,5 кВт.
. Отопление пульта управления - 5,5 кВт.
. Подогрев проводов разъединителей - 0,6 кВт.
. Оперативные цепи - 1 кВт.
. Охлаждение трансформатора Т2 - 5 кВт.
. Аппаратура связи и телемеханики - 0,9 кВт.
. Освещение ЗРУ - 3 кВт.
. Блокирование разъединителя - 5 кВт.
. Охлаждение трансформатора Т1 - 5 кВт.
. Освещение ОРУ - 5 кВт.
. Аварийная вентиляция - 5,5 кВт.
Для обеспечения резерва питания приемники
электрической энергии распределим таким образом.
Для I секции:
Для II секции:
Мощность трансформаторов выберем по
условию:
(3.32)
где
- мощность потребителей собственных
нужд,
Для нашей подстанции подходит трансформатор ТМ
25/10.
Для обеспечения собственных потребностей на
подстанции выберем два трансформатора ТМ-25/10 с такими параметрами:
Таблица 3.5 - Тип и паспортные данные выбранного
трансформатора собственных нужд
|
Марка
|
Номинальная
мощность, кВА
|
Напряжение,
кВ
|
Потери,
кВт
|
Uкз,
%
|
Iхх,
%
|
|
|
ВН
|
НН
|
Рхх
|
Ркз
|
|
|
|
ТМ
- 25/10 У1
|
25
|
6;10
|
0,4
|
0,13
|
0,6
|
4,5
|
3,2
|
3.2.6 Выбор ОПН на
стороне 10 кВ
ОПН выбираются по условиям:
) по номинальному напряжению;
) по наибольшему рабочему напряжению:
(3.33)
где
- наибольшее допустимое напряжение
ОПН;
- наибольшее
рабочее напряжение сети;
) по уровню временных
перенапряжений:
(3.33)
где
- максимальное значение напряжения
промышленной частоты, которое выдерживает ОПН;
- уровень временных перенапряжений;
) по координационному интервалу для
грозовых перенапряжений:
, (3.35)
где
- координационный интервал;
- уровень
грозового испытательного напряжения;
- напряжение на ОПН при номинальном
разрядном токе;
) по координационному интервалу для
внутренних перенапряжений:
, (3.36)
где
- координационный интервал;
- уровень
грозового испытательного напряжения;
- напряжение на ОПН при номинальном
разрядном токе.
) по току КЗ:
(3.37)
где
- номинальный ток ОПН.
Выберем ограничители перенапряжения
на номинальное напряжение 10 кВ марки ОПН-КР/TEL-10/12.0-УХЛ2 с такими
параметрами:
номинальное напряжение: 10 кВ;
номинальный разрядный ток: 10 кА;
наибольшее длительно допустимое рабочее
напряжение: 12 кВ;
грозовое испытательное напряжение:
39,6 кВ;
остаточное напряжение: 31,3 кВ;
допустимое напряжение: 34 кВ.
Проверим ОПН по условиям выбора:
) наибольшее длительно допустимое
рабочее напряжение:
кВ>10 кВ.
) T=1,5 [4], UН.О.=12кВ, тогда
,
;
20 кВ>15 кВ.
4)
,
, тогда
.
)
,
, тогда:
.
Рисунок 3.12 - Внешний вид и габаритные размеры
ОПН марки ОПН-КР/TEL-10/12.0-УХЛ2
Нелинейные ограничители перенапряжений
универсальной серии ОПН-КР/TEL обеспечивают эффективную защиту изоляции
электрооборудования от грозовых и коммутационных перенапряжений в сетях классов
напряжений 6 кВ и 10 кВ переменного тока промышленной частоты 50 Гц с
изолированной или компенсированной нейтралью.
Использование нелинейных металлооксидных
резисторов с нестареющими характеристиками в сочетании с уникальной технологией
корпусирования в полимерный корпус позволяет успешно применять ОПН-КР/TEL для
надёжной защиты от перенапряжений любой природы трансформаторов,
электродвигателей, генераторов и кабельных сетей в условиях высокого
загрязнения окружающей атмосферы.
ОПН-КР/TEL полностью соответствуют требованиям
стандартов МЭК 99-4 и являются взрывобезопасными изделиями, чем принципиально
отличаются от ограничителей в фарфоровом или другом прочном корпусе.
Ограничители длительно выдерживают механическую
нагрузку от тяжести провода с учётом ветра и гололёда.
3.2.7 Выбор
предохранителей
Предохранители серии ПК(т) предназначены для
защиты силовых трансформаторов, воздушных и кабельных линий электропередачи.
Предохранители серии ПК(н) предназначены для
защиты измерительных цепей трансформаторов напряжения.
Предохранители выбираются по условиям:
) по номинальному напряжению;
) по номинальному току;
) по току отключения:
, (3.38)
где
- предельный отключаемый ток.
Номинальное напряжение предохранителей
и их плавких вставок UВС.НОМ независимо от места установки должно выбираться
равным номинальному напряжению сети.
Предохранители выбираем на
напряжение 10 кВ. Ток, который проходит через предохранители, которые
устанавливаются для защиты трансформаторов собственных нужд, обусловлен
мощностью ТСН (S=25 кВА), равен:
.
Выберем предохранитель серии ПКТ
101-10-2-31,5 УЗ с такими параметрами:
номинальное напряжение: 10 кВ;
номинальный ток плавкой вставки: 2
А;
номинальный ток отключения: 31,5 кА.
Рисунок 3.13 - Внешний вид предохранителя ПКТ
101-3-2-40 У3
Начальное значение тока короткого
замыкания
,
номинальный ток отключения
.
,582 кА < 40 кА.
Предохранители для защиты
трансформаторов напряжения выбираем на напряжение 10 кВ. Ток, который проходит
через предохранители, обусловлен мощностью ТН (S=1 кВА):
.
Выберем предохранитель ПКН 001-10 У1
Рисунок 3.14 - Внешний вид предохранителя ПКН
001-10 У1
Параметры предохранителя:
номинальное напряжение: 10 кВ;
допустимое предельное значение тока в длительном
режиме не должно быть более 0,5 А.;
номинальный ток отключения: не нормируется.
4. Расчет молниезащиты
подстанции
4.1 Общие положения
охраны труда
Понятие «охрана труда» определено статьей 1
Закона Украины «Об охране труда». Охрана труда - это система правовых,
социально-экономических, организационно-технических, санитарно-гигиенических и
лечебно-профилактических мероприятий и средств, направленных на сохранение
жизни, здоровья и трудоспособности человека в процессе его трудовой
деятельности.
Главной целью охраны труда является создание на
каждом рабочем месте безопасных условий труда, безопасной эксплуатации
оборудования, уменьшение или полное нейтрализация воздействия вредных и опасных
производственных факторов на организм человека и, как следствие, снижение
производственного травматизма и профессиональных заболеваний.
Охрана труда тесно связана с экономикой.
Создание безопасных и здоровых условий труда способствует повышению его
производительности и снижению себестоимости продукции. Повышение
производительности происходит за счет снижения утомляемости работающих в
течение рабочего времени, его рационального использования. Себестоимость
продукции снижается при уменьшении затрат на компенсацию потерь рабочего времени
в связи с временной или постоянной нетрудоспособности, а также при снижении
затрат на оплату льгот за работу в неблагоприятных условиях.В Законе «Об охране
труда» впервые в истории Украины экономические меры управления охраной труда
сведены в ранг государственной политики. Этим Законом в обществе утверждаются
принципиально новые взаимоотношения, основанные на экономическом механизме
управления условиями труда - формировании у собственника (работодателя)
экономической заинтересованности в осуществлении мероприятий по улучшению
условий труда. Основные экономические методы управления охраной труда:-
Дифференцированные тарифы на социальное страхование в зависимости от уровня
производственного травматизма, степени вредности условий труда, степени риска
производства;- Финансирование охраны труда;- Экономическое стимулирование.
Если в результате соответствующих
профилактических мероприятий работодателю удается достичь надлежащего состояния
охраны труда, снизить уровень или вообще избежать травматизма и профессиональных
заболеваний, ему уменьшается сумма страхового взноса в Фонд социального
страхования от несчастных случаев.
За высокий уровень травматизма и
профессиональных заболеваний работодатель платит в Фонд социального страхования
от несчастных случаев страховой взнос в размере, превышающем установленный
страховой тариф.
4.2 Молниезащита
подстанции ПС2
Удар молнии - это явление природы. И совершенно
понятно, что носит оно случайный характер: может попадет, а может и не попадет.
Однако, если все-таки попадет, последствия его могут быть очень печальными.
Защита от прямых попаданий молнии осуществляется
с помощью молниеотвода. Через молниеотвод ток молнии, минуя объект защиты
стекает в землю. Молниеотвод состоит из молниеприемника - непосредственно
воспринимает на себя удар молнии, токоотвода и заземления. Эти устройства могут
иметь различный внешний вид, но все они должны выполнять очень важную задачу -
не пропустить молнию к поверхности ЗРУ и ее элементов.
Защитное действие молниеотвода характеризуется
его зоной защиты, т.е. пространством вблизи молниеотвода, вероятность попадания
молнии в который не превышает определенного достаточно малого значения.
Молниеотводы по типу молниеприемников
разделяются на стержневые и тросовые. Стержневые молниеотводы выполняются в
виде вертикально установленных стержней, соединенных с заземлителем, а тросовые
- в виде горизонтально подвешенных проводов. По опорам, к которым
присоединяется трос, прокладываются токоотводы, соединяющие трос с
заземлителем.
Закрытые распределительные устройства подстанций
защищаются стержневыми молниеотводами, а линии электропередачи - тросовыми. Для
защиты шинных мостов и гибких связей большой протяженностью также могут
использоваться тросовые молниеотводы.
Молниеотводы образуют общую зону защиты, т.е.
представляют собой многократный молниеотвод. Зона защиты многократного
стержневого молниеотвода определяется как зона защиты попарно взятых стержневых
молниеотводов.
Молниезащиту ПС2 выполняем с помощью двух пар
стержневых молниеотводов. Рассчитаем зону защиты каждой из пар молниеотводов.
Исходные данные ПС2 для проверки молниеотводов: длина = 56 м, ширина = 47 м,
высота h = 6 м. Высота молниеотводов 20 м, расстояние между молниеотводами L =
32 м.
Расчет предусматривает выполнение следующих
обязательных условий:
Высота молниеотводов не должна превышать 60 м;
Должно выполняться соотношение:
(4.1)
где
- расстояние между молниеотводами в
соответствии с планом;
- высота молниеотвода.
По формуле 4.1 получаем:
Приняв высоту молниеотводов можем
рассчитать перпендикуляр, установленного с середины расстояния между
молниеотводами по формуле:
(4.2)
м.
Оптимальную высоту молниеотводов
определяем по формуле:
, (4.3)
м.
Ширина зоны защиты каждой из пар
молниеотводов определяется высотой защитного объекта по формулам:
(4.4)
при условии, что
;
(м).
Радиус зоны защиты на высоте
защищаемого объекта находим по формуле:
(4.5)
м.
Результаты расчетов занесены в
таблицу 4.1.
Таблица 4.1 - Результаты расчетов
зон защиты установленных на подстанции
|
Наименование
расчетной величины
|
Наименование
пар молниеотводов
|
|
Первая
пара
|
Вторая
пара
|
|
Высота
защ. объекта, м
|
4,5
|
4,5
|
|
Расстояние
между молниеотводами, м
|
32
|
32
|
|
Высота
перпендикуляра, установленного с середины расстояния между молниеотводами, м
|
19,9
|
19,9
|
|
Оптимальная
высота молниеотводов, м
|
20
|
20
|
|
Радиус
зоны защиты на высоте защ. объекта, м
|
25,1
|
25,1
|
Итак, как видно из расчетов, установленная
система стержневых молниеотводов на ПС2 охватывает всю ее территорию и не
требует замены после реконструкции. Молниезащита ПС соединена с контуром
заземления. Эскизы заземления защиты изображенные на рисунке 4.2-4.3.
Рисунок 4.1 - Эскиз заземления защиты (вид
сверху)
Рисунок 4.2 - Эскиз заземления защиты (разрез)
ВЫВОДЫ
Основная цель проектирования электрических
станций и подстанций заключается в следующем:
) производство, передача и распределение
заданного количества электроэнергии, в соответствии с заданным графиком
потребления;
) надежная работа установок и энергосистем в
целом;
) задана качество электроэнергии;
) уменьшение капитальных затрат на сооружение
установок;
) снижение ежегодного ущерба от эксплуатации
установок энергосистемы.
В данном курсовом проекте выбралась
коммутационная аппаратура на высокой и низкой сторонах подстанции 35/10 кВ:
выключатели мощности, разъединители, ограничители перенапряжения, а также
трансформатор собственных нужд, измерительные трансформаторы (трансформаторы
тока и напряжения). Для их выбора предварительно рассчитаны токи короткого
замыкания в двух точках, соответствующих высшей и низшей сторонам силового
трансформатора на выбранной для расчета подстанции. Эти расчеты были
необходимы, так как среди условий выбора почти всей коммутационной аппаратуры
является ее обязательная проверка на коммутационную способность, а также на
электродинамическая и термическую стойкость, где используются определенные
параметры токов короткого замыкания.
Оборудование для подстанций выбиралось как можно
современнее, что должно увеличить надежность и сократить эксплуатационные
расходы данной подстанции, хотя, возможно, увеличит расходы на ее
строительство. Однако, главное в данном случае - надежность энергоснабжения,
его высокое качество. Ведь для того, чтобы конкурировать на энергетическом
рынке, нужно постоянно находиться в поиске применения новых технологий,
позволяющих достичь в энергоснабжении оптимального соотношения цены
электроэнергии и ее качества.
ЛИТЕРАТУРА
1.
Электрические станции и подстанции. Выбор схем электрических соединений.
Методические указания к курсовому проекту из дисциплины "Электрические
станции и подстанции" для студентов за направлением подготовки
6.050701" Электротехника и электротехнологии". / Укл.: Буйный Р.О.,
Приступа А.Л. - Чернигов: ЧГТУ, 2009. - 94 с.
.
Каталог высоковольтной аппаратуры концерн «Высоковольтный союз».
.
Каталог оборудования ОАО «Запорожский завод высоковольтной аппаратуры».
.
Рожкова Л.Д., Козулин В.С. Электрооборудование станций и подстанций, Учебник
для техникумов. М.: «Энергия», 1975. - 704 с.
5.
Винокурова Л.Е., Васильчук М.В., Гаман М.В. Основи охорони праці: Підручн. Для
проф.-техн. навч. закладів. - 2-ге вид., допов., перероб. - К.: Вікторія, 2001.
- 192 с.
.
Долин П.А. Основы техники безопасности в электроустановках: Учебн. Пособие для
вузов. - М.: Энергия, 1979. - 408с.