Электрический расчет цифровой схемы
Введение
Средством решения проблемы увеличения
надежности, снижения стоимости, массо-габаритов и энергопотребления РЭА
является комплексная миниатюризация, в широком смысле означающая системный
подход к применению в аппаратуре средств микроэлектроники, а в прикладном
смысле - метод создания аппаратуры, при котором все её узлы, блоки и устройства
выполнены на базе изделий микроэлектроники. Основным видом изделий
микроэлектроники являются ИМС, которые могут быть квалифицированы по технологии
изготовления, степени интеграции, функциональному назначению и по применяемости
в аппаратуре. Гибридные ИМС (микросборки) представляют собой комбинацию
плёночных пассивных элементов и дискретных активных компонентов, расположенных
на общей диэлектрической подложке. В настоящее время в качестве дискретных
активных элементов, кроме бескорпусных транзисторов и диодов, широко
используются полупроводниковые ИМС, в частности, ОУ, триггеры, регистры и т.д.
Таким образом, гибридные ИМС представляют собой не только функциональные узлы
(усилители, звенья фильтров и т.д.), но и целые блоки и устройства РЭЛ.
Аналогом гибридной ИМС (микросборки) в МЭА третьего поколения является печатная
плата, заполненная компонентами в виде корпусированных ИМС.
Использование гибридных ИМС в РЭА четвертого
поколения позволяет резко уменьшить массогабаритные параметры и повысить
надёжность. Основу биполярных полупроводниковых ИМС составляют n+-р-n
транзисторы. Отличия параметров и характеристик интегрального транзистора от
дискретного определяется расположением всех трех выводов на одной поверхности,
а также влиянием подложки. Диоды полупроводниковых ИМС реализуются на основе
биполярных транзисторов, причем их параметры зависят от схемы включения
транзистора в качестве диода.
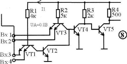
Рисунок 1 - Исходная схема
Таблица 1 - Комбинации входных сигналов
|
Последняя
цифра номера студенческою
|
Значения
входных сигналов
|
|
билета
|
1
|
2
|
3
|
4
|
|
8
|
1
|
1
|
1
|
0
|
|
1
|
0
|
0
|
1
|
|
1
|
0
|
1
|
1
|
1. Электрический расчет цифровой
схемы
Для расчетов токов и напряжений в цепи возможно
использование упрощенной модели вольтамперных характеристик (ВЛХ) диодов и
транзисторов, так как транзисторы работают в режиме ключа, а интегральная схема
ТТЛ изготавливается из кремния.
Упрощенная модель кремниевого биполярного транзистора:
если на каждом из двух p-n переходов транзистора
действуют прямые напряжения, не превышающие значения U*, либо обратные
напряжения, то транзистор закрыт и все токи считаются равными нулю;
если через эмиттерный переход протекает прямой
ток, то напряжение база-эмиттер равно U*=0,7 В, транзистор открыт и может
находиться в одном из двух режимов: активном или насыщения; для уточнения
режима вычисляют ток базы IБ произведение ß
∙IБ, и максимально возможное значение тока коллектора насыщенного
транзистора IКH, затем проводят сравнение: если ß
IБ<IКH, то режим активный, если ß
∙ IБ>Iкн, то режим насыщения;
ток коллектора в активном режиме не зависит от
напряжения на переходе коллектор-база и равен Iк=ß
∙ IБ ;
напряжение на переходе коллектор-база в режиме
насыщения равно 0,6 В, тогда напряжение коллектор-эмиттер равно 0,1 В.
Следовательно, при выполнении расчетов
принимаем: Uº = 0.1 В, U ¹>3
В, падение напряжения на диоде и эмиттерном переходе при прямом включении равно
0,7В, коэффициент передачи тока базы ß=50,
инверсный коэффициент передачи тока базы ß1=0,
05.
Проведем расчет для комбинации входных сигналов
"1110", т.е. согласно принятым значениям Ubxi= Ubx2=Ubx3=U'>3 B, а
UВХ4=Uº,=0,1
В. Определим величину тока через резистор R1. Рассмотрим все возможные пути, по
которым может протекать этот ток. В схеме только один источник напряжения -
источник питания +5 В. Поэтому все постоянные токи в схеме могут протекать
только в одном направлении от шины +5 В к общей шине.
На рисунке 2 выделена часть схемы, по которой
может протекать ток, идущий через R1(ток I).
Рисунок 2 - Частичная схема для расчета тока It,
при комбинации входных сигналов "1110"
Предположим, что ток протекает через переходы
Б-Э2 транзистора VT1, то напряжения на этом переходе, согласно предложенной
выше модели равны 0,7 В. Следовательно потенциал базы транзистора VT1 (точка А)
равен 0,8 В. UA=U°+UБЭ=0,1+0,7=0,8 В.
Заметим, что переход база-эмиттер Б-Э1 находится
под обратным напряжением, так как потенциал базы (р- область) ниже, чем
потенциал эмиттера (n-области) на величину 0,8-3= -2,2 В. Поэтому через этот
переход протекает только обратный ток.
Ток правой ветви при этом будет отсутствовать,
так как для того чтобы он протекал в точке А требуется потенциал равный
UБК1+UБЭ2=0,6+0,7=1,ЗВ.
Следовательно, транзистор VT2 будет закрыт.
Находим ток It.
1 = (E-UA)/R 1 = (5-0, 8)/4.*103= 1, 05 мА.
Определим величину тока через резистор R2.
Рассмотрим все возможные пути, по которым может протекать этот ток.
На рисунке 3 выделена часть схемы, по которой
может протекать ток, идущий через R2 (ток I2).
Рисунок 3 - Частичная схема для расчета тока I2
при комбинации входных сигналов "1110"
Так на входах логическое состояние «1»
эмиттерные переходы транзистора VT3 закрыты ток, I2 протекает через
коллекторный переход VT3 и переход база-эмиттер транзистора VT4, транзистор VT2
закрыт.
Б= UБK +UБЭ=0.6+0.7=1,3 В.=(E-UA)/R2=(5-1,3)/5*
103=0,74 мА.
Через эмиттернные переходы будет протекать
обратный ток IЭ=I2ßi=0,74*0,05=0,037мA
Транзистор VT4 находится в режиме насыщения по этому UКЭ = Uб =0,1 В транзистор
VT5 находятся в режиме отсечки ток.
=(E-UВ)/R3=(5-0,1)/2*103=2,45 mA
Сравним ток 164*В и 13 1б4*В=0,74 *50=37 мА.
Так как Iб4.B > 13, то действительно
транзистор VT4 находится в режиме насыщения, следовательно, транзистор VT5
закрыт ток коллектора равны нулю. При этом через резистор R4 протекает только
входной ток логического элемента нагрузки, равный по условию I4=0,04 мА. Тогда
напряжение на выходе будет равно UBых=E- I4*R4=5 -0,04*10-3 *500=4,98 В.
Полученное напряжение Uвых близко к напряжению
питания и соответствует уровню логической единицы.
Расчет для комбинации входных сигналов
"1001".
Определим величину тока через резистор R1 и R2.
На рисунке 4 выделена часть схемы, по которой
может протекать ток, идущий через R1 (ток I1) и R2 (ток I2).
Рисунок 4 - Частичная схема для расчета тока
I1I2 при комбинации входных сигналов «1001»
Так на входах Вх2 и Вх4 логические нули токи I1
и I2 протекают через переходы Б-Э транзисторов VTI и VT3 соответственно при
этом потенциалы баз и величина токов равны
Б=UБК +UБЭ =О, 1+0,7=0,8 В.
I1=(E - UБ)/R1=(5-0,8)/4*10³
=1,05 мА=(E
- UБ)/R2=(5-0,8)/5*10³=0,84
мА
Заметим, что переход база-эмиттер Б-Э1 находится
под обратным напряжением, так как потенциал базы (р - область) ниже, чем
потенциал эмиттера (n-области) на величину 0,8-3= -2,2 В. Поэтому через этот
переход протекает только обратный ток. Ток правой ветви при этом будет
отсутствовать, так как для того чтобы он протекал в точке А требуется потенциал
равный
БК4+ UБЭ5=0,6+0,7 =1,3 В.
Следовательно, транзисторы VT2 и VT4 будут
закрыты. Находим ток I3. Предположим, что транзистор VT5 находиться в режиме
насыщения тогда
= (E-U65)/R3 =(5-0,7)/2*103=2,15 мА.
По условию напряжение открытого транзистора
UКЭ5=0,1 В, тогда
=(E-UKЭ5)/R4=(5-0, l)/500=9,8 мА
Ток базы транзистора
1б5=13+ I3ßi=2,15
+2,15 *0,05=2,257мА
Так как Iб5*B > Ik5, то действительно
транзистор VT5 находится в режиме насыщения. Низкое напряжение на коллекторе
транзистора VT5 соответствует логическому "0" на выходе схемы.
Рисунок 5
Так на входах вхЗ и вх4 логические «1»
эмиттерные переходы транзистора VT1 закрыты ток, I1 протекает через
коллекторный переход VT1 и переход база-эмиттер транзистора VT2, транзистор VT4
закрыт.
А =UБК +UБЭ=0,6+0,7=1,3 В.=(Е-
UБ)/R1=(5-1,3)/4*103=0,925 мА
Так на входе Вх2 логический нуль ток I2
протекают через переходы Б-Э транзистора VT3 соответственно при этом потенциалы
баз и величина токов равны.
Б=UБK + UБЭ= 0,1+0,7=0,8 В.=(E-
UБ)/R2=(5-0,8)/5*103=0,84 мА
Следовательно транзистор VT4 будет закрыт.
Находим ток 13. Предположим что транзистор VT5 находиться в режиме насыщения
тогда I3=(E-U65)/R3=(5-0,7)/2*103=2,15 мА. Пo условию напряжение открытого
транзистора UКЭ5=0,1 В, тогда
=(E-UKЭ5)/R4=(5-0,1)/500=9,8 мА
Ток базы транзистора
1б5=13+I3ßi=2,15
+2,15 *0,05=2,257мА
Сравним токи Iб5 и Ik5 1б5.В=2,257*.50=112,857
мА.
Так как 1б5.В > Ik5, то действительно
транзистор VT5 находится в режиме насыщения. Низкое напряжение на коллекторе
транзистора VT5 соответствует логическому "0" на выходе схемы.
Рассчитаем мощности, потребляемые микросхемой
для каждой комбинации. Расчет произведем по формуле P=E*(I1+I2+ I3+I4). Для
первой комбинации Р=5*(1,05+0,74+2,45+0,04) 10 3=21,4 мВт. Для второй
комбинации Р=5*(1,05+0,84+2,15+9,8)10 3=69,2 мВт. Для третей комбинации
Р=5*(0,925+0,84+2,15+9,8) 10 3=68,575 мВт.
Результаты расчетов занесем в таблицу 3.
Таблица 3 - Значения токов и мощностей,
полученных в результате расчетов
|
Входная
комбинация
|
Токи,
мА
|
Потребляемая
|
|
Вх
1
|
Вх2
|
ВхЗ
|
Вх4
|
I.1
|
I
2
|
I
3
|
I
4
|
мощность,
мВт
|
|
1
|
1
|
1
|
0
|
1.05
|
0,74
|
2,45
|
0,04
|
21.4
|
|
1
|
0
|
0
|
1
|
1.05
|
0,84
|
2.15
|
9,8
|
69.2
|
|
1
|
0
|
1
|
1
|
0,925
|
0,84
|
2,15
|
9,8
|
68,575
|
Для расчета размеров резисторов, которые будем
определять ниже, выделим каждый из токов, имеющих максимальное значение, и
запишем в таблицу 4. Затем вычислим мощности, рассеиваемые на резисторах, по
формуле
=I2i*Ri
и результаты также занесем в таблицу 4.
Таблица 4 - Максимальные мощности резисторов
|
Максимальный
ток, мА
|
|
Мощность
резистора, мВт
|
|
|
I
1
|
I
2
|
I
3
|
I
4
|
P
R1
|
|
P
R2
|
Pr3
|
PR4
|
|
1,05
|
2,45
|
9,8
|
4,11
|
|
3,528
|
12
|
48
|
Составим таблицу истинности. В схеме 4 входа,
поэтому возможны всего 24=16 комбинаций входных сигналов. Пронумеруем эти
комбинации числами от 0 до 15 и запишем в таблицу 5.
Помня о том, что логической единице на входе
соответствует уровень не менее 3 В, а логическому нулю 0,1 В, проанализируем
работу схемы. С разу же поставим символ " 0 " в строке для комбинации
" 1001" и " 1011", и " 1" для комбинации
"1110", так как анализ для этих случаев уже проведен. Заметим, что
выходное напряжение будет иметь низкий уровень (логический нуль) во всех
случаях, когда транзистор VT5 открыт, т. е. находится в режиме насыщения. Это
имеет место, если транзистор VT4 закрыт, а это, в свою очередь, произойдет
только тогда, когда ток I2 будет протекать влево через эмиттер транзистора VT2
что соответствует входным комбинациям когда на Bxl, Вх2, подается логический
символ " 0 " или же открыт транзистор VT2 при Bxl, Bx2 «1» что
происходит когда все эмиттеры транзистора VTI находятся под воздействием
логических "1".
Таблица 5 - Таблица истинности для схемы,
изображенной на рисунке
|
Номер
комбинац
|
Входн.
комбин.
|
Вых
|
Номер
комбинац
|
Входн.
комбин.
|
Вых.
|
|
Входы
|
|
|
|
Входы
|
|
|
|
1
|
2
|
|
4
|
|
|
1
|
2
|
3
|
4
|
|
|
0
|
0
|
0
|
0
|
0
|
0
|
8
|
1
|
0
|
0
|
0
|
0
|
|
1
|
0
|
0
|
0
|
1
|
0
|
9
|
1
|
0
|
0
|
1
|
0
|
|
2
|
0
|
0
|
1
|
0
|
0
|
10
|
1
|
0
|
1
|
0
|
0
|
|
3
|
0
|
0
|
1
|
1
|
0
|
11
|
1
|
0
|
1
|
0
|
|
4
|
0
|
1
|
0
|
0
|
0
|
12
|
1
|
1
|
0
|
0
|
0
|
|
5
|
0
|
1
|
0
|
1
|
0
|
13
|
1
|
1
|
0
|
1
|
1
|
|
6
|
0
|
1
|
1
|
0
|
0
|
14
|
1
|
1
|
1
|
0
|
1
|
|
7
|
0
|
1
|
1
|
1
|
0
|
15
|
1
|
1
|
1
|
1
|
0
|
2. Разработка топологии ИМС
Таблица 6
|
Предпоследняя
цифра номера студенческого билета
|
Материал
|
Rs-Ом/квадр.
|
Ро,
мВт/мм
|
|
6
|
Сплав
МЛТ-3
|
500
|
20
|
Расчет размеров всех резисторов
Размер и конфигурация пленочных резисторов
находится по заданным номиналам резисторов Ri, удельному поверхностному
сопротивлению пленки Rs, выбранному из таблицы 6, и мощности, рассеиваемой на
резисторе (таблица 4). Для определения размеров резисторов находим их
коэффициент формы
Кфi =R1/Rs
Кф1 =R1/Rs=
4000/500=8ф2=R2/RS=
5000/500=10
Кфз= R3/Rs=
2000/500=4
Кф4= R4/Rs= 500/500=1
Ширина резистора определяется как bi=l1/K.фi
=LI/Kф1=1.328/8=0.166
=L2/КФ2= 1,328/10=0.133=L3/Кф3= 1,55/4=0.3 87=L4/КФ4= 1,55/1 = 1,55
Результаты расчетов заносим в первую строку
таблицы 7.
Таблица 7 - Размеры пленочных резисторов
|
|
R2
|
|
|
Кф1
|
I
1, ММ
|
b1,
мм
|
Кф2
|
I2,
мм
|
b2.
мм
|
|
Рассчетн.
|
8
|
1,328
|
0,166
|
10
|
1.328
|
0.133
|
|
Окончательное
значение
|
8
|
1.6
|
0,2
|
10
|
2
|
0,2
|
|
|
R3
|
|
|
R4
|
|
|
Кфз
|
L3,
ММ
|
b3,
мм
|
Кф4
|
L4
мм
|
b4
мм
|
|
Рассчетн.
|
4
|
1.55
|
0.387
|
1
|
1.55
|
1.55
|
|
Окончательное
значение
|
4
|
1.6
|
0.4
|
1
|
1.6
|
1.6
|
Определим площадь, занимаемую резисторами,
SR=SR1+SR2+
SR3+SR4=1.6*0.2+2*0.2+1.6*0.4+1.6*1.6=3,92 мм2.
Площадь, занимаемая навесными элементами схемы
равна
S=SVT1+SVT2+SVT3+ SVT4
=2,25+2,25+1+1+1=7,5 мм2.
Общая площадь, занимаемая пленочными резисторами
и навесными элементами, равна 11,42 мм". Учитывая площадь соединений,
промежутки между элементами ИМС и расстояние от края подложки, следует
увеличить суммарную площадь подложки в 4-5 раз, т. е. сё площадь должна
составить не менее 57 мм2. Из таблицы 8 выбираем подложку с размерами 10x10
мм=100 мм2
Таблица 8 - Рекомендуемые размеры подложек для
гибридных ИМС
|
Длина,
мм
|
30
|
30
|
30
|
24
|
20
|
16
|
12
|
10
|
|
Ширина,
мм
|
24
|
16
|
12
|
20
|
16
|
10
|
10
|
10
|
Составляем топологический чертеж ИМС, размещая
рассчитанные элементы на поле подложки (рисунок 8).
транзистор схема резистор ток

Заключение
В данной работе провели электрический расчет
цифровой схемы, а именно:
оценили потенциалы в точках, указанных на схеме;
рассчитали все токи схемы и указали их
направления;
рассчитали мощности, которые рассеиваются на
резисторах, и мощности потребляемой всей схемой.
Разработали топологию ИМС для нашей схемы.
Выполнили следующие операции:
выбрали материал для пленочных резисторов;
рассчитали размеры для резисторов;
выбрали материал для проводников и контактных
площадок;
рассчитали площади, занимаемой активными и
пассивными элементами схемы;
определили и выбор размеров подложки;
составили топологического чертежа.
Список литературы
1.
И.П. Степененко: «Основы микроэлектроники», 1980.
.
И.П. Бушминский: «Технология и автоматизация производства радиоэлектронной
аппаратуры »1989.
.
В.Л. Савиных: Микроэлектроника часть-2.