Аналоговая и цифровая схемотехника
Кафедра
радиоэлектроники
Курсовая работа
по курсу:
"Схемотехника"
Вариант 19
Новороссийск
г.
Содержание
Введение
. Модуль 1.
Аналоговая схемотехника
.1 Анализ
исходных данных
.2
Составление структурной и принципиальной схем широкополосного усилителя
.3 Расчёт
элементов широкополосного усилителя
.3.1 Расчет
выходного каскада
.3.2 Расчет
промежуточного каскада
.3.3 Расчет
входного каскада
.3.4 Расчет
эмиттерных емкостей
.3.5 Расчет
фильтра
.3.6 Расчет
разделительных емкостей
.3.7 Оценка
нелинейных искажений
. Модуль 2.
Цифровая схемотехника
.1 Задача №1.
Устройство демультиплексирования кодов
2.1.1
Проектирование демультиплексора кодов 1 на 64
.1.2 Таблица
адресации демультиплексора
.1.3 Расчет
энергопотребления всего устройства и времени задержки по одному каналу
.2 Задача №2.
Коммутатор параллельных кодов
.2.1
Проектирование коммутатора параллельных кодов с 10 источниками сигналов
(словами) по 5 разрядов в каждом слове
.2.2 Таблица
коммутации
.2.3 Расчет
энергопотребления всего устройства и времени задержки - для одного слова
относительно адресных сигналов
.3 Задача №3.
Устройство параллельного ввода слов в регистры
.3.1
Проектирование устройства параллельного ввода слов в регистры (7 слов по 8
разрядов в каждом слове, частота ввода слов 650 кГц)
.3.2
Диаграмма напряжений
.3.3 Расчет
времени ввода всех слов в регистры
.4 Задача №4.
Запоминающее устройство (ЗУ) на ИМС оперативных ЗУ (ОЗУ)
.4.1
Проектирование устройства ОЗУ (128 слов по 32 разряда)
.4.2 Таблица
работы ЗУ
Список
литературы
Приложение
усилитель демультиплексор коммутатор код
Введение
Целью курсовой работы является освоение методик синтеза законченных
цифровых устройств, выполняющих набор заданных функций, на основе стандартных
ИМС средней степени интеграции. В процессе выполнения курсовой работы
происходит изучение и освоение методов разработки и оформления принципиальных
электрических либо структурно-логических схем устройств, а также освоение
методик расчета элементов электрических схем импульсного типа, построенных на интегральных
логических элементах, оформления расчетов и перечня элементов с использованием
ряда номиналов Е24.
Для выполнения каждой задачи вначале следует изучить теорию стандартных
ИМС, на которых строится цифровое устройство: назначение и принцип работы,
таблицы истинности, уравнения каналов, структурно-логические схемы, особенности
применения, электрические параметры и т.д. Этот материал подробно изложен в
рекомендуемой литературе.
1. Модуль 1. Аналоговая схемотехника
.1 Анализ исходных данных
Необходимо произвести расчет широкополосного усилителя. Исходными для
работы являются следующие данные:
. Uвых.макс = 9 В;
. Сн =33 пФ;
. Rн=50 Ом;
. Kг=1%;
. fн=200 Гц;
. fв=12 МГц;
. Мн=1,5 дБ;
. Мв=1,1 дБ;
. Ес макс=10 мВ;
. Rc = 3 кОм;
. t°C = -10°C...+60°C
.2 Составление структурной и принципиальной схем широкополосного
усилителя
Рис. 1 - Структурная схема широкополосного усилителя
- коэффициент усиления, дБ;- коэффициент усиления i-го каскада, дБ; i =
1,...,n; n - число каскадов.
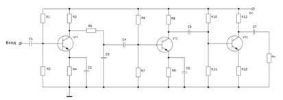
Рис. 2 - Принципиальная электрическая схема широкополосного усилителя
Схема широкополосного усилителя состоит из следующих элементов:
входного каскада;
фильтра высокой частоты;
промежуточного каскада;
выходного каскада;
Входной каскад необходим для согласования генератора обладающего
внутренним сопротивлением с промежуточным каскадом. Сигнал с выхода
промежуточного каскада поступает на фильтр верхних частот, который определяет
заданную верхнюю граничную частоту усилителя, нижняя же граничная частота
определяется величинами разделительных емкостей.
После фильтра сигнал поступает на промежуточный каскад усилителя, который
из всех трех каскадов обладает наибольшим усилением. Далее усиленный сигнал
через выходной каскад передается в нагрузку. Выходной каскад имеет ООС по току,
что позволяет существенно уменьшить нелинейные искажения.
.3 Расчет элементов широкополосного усилителя
.3.1 Расчет выходного каскада
. Определение напряжения питания Eп :
Здесь Uвых - максимальное выходное напряжение, UКЭнас≈1 В - падение
напряжение на транзисторе в состоянии насыщения, Uзап≈5 В - запас по
напряжению. Исходя из данных задания Uвых= 9 В, получаем Eп=24 В.
. Выбор транзистора выходного каскада.
Для выходного каскада транзистор выбирают по следующим параметрам:
верхней граничной частоте fв, максимальной величине тока коллектора Iк,
наибольшему допустимому напряжению коллектора UКЭ доп, максимальной
рассеиваемой транзистором мощности.
Граничная частота передачи тока базы fв должна более чем в 5 раз
превышать заданную верхнюю частоту усилителя fв:
в
5 fв
Исходя из данных задания fв =12 МГц следовательно fв ≥60 МГц.
Максимальный ток коллектора выбирается из условия:
Подставляя данные, получаем IKmax ≥ 540 мА. Выберем IKmax=540 мА,
тогда ток IК0 выберем равным половине IKmax: IK0 = 0.5 IKmax = 270 мА.
Напряжение питания усилителя Еп должно быть меньше 0.8 UКЭ доп.
Максимальная рассеиваемая транзистором мощность должна превышать величину
IK0UКЭ0 = 1,35 Вт, где UКЭ0 - падение напряжения на переходе коллектор-эмиттер
транзистора в рабочей точке, определяется по нагрузочной прямой выходной
характеристики транзистора VT3: = 5 В.
Поставленным требованиям удовлетворяет транзистор КТ624В. Его параметры:
fв = 450 МГц
IК доп = 1,3 А > 0,54 АКЭ доп = 40 В. Еп = 24 В < 0.8UКЭ доп = 32
В.доп = 2 Вт > IK0 UКЭ0=1,35 Вт.
. Расчет резисторов R12 и R13.
Значение максимального напряжения на коллекторе UKмакс = Еп = 24 В.
Величину сопротивления в цепи эмиттера R13 выбирают исходя из условия,
чтобы падение напряжения на нем не превышало величину 0,1-0,3 Еп:= 0,1 Еп
При Еп = 24 В, UR13=2,4 В.
Подставляя IК0=0,27 А, получаем: R13=8,9 Ом (выбираем 9,1 Ом).
Сопротивление в цепи коллектора R12 рассчитываем аналогично, задавшись
напряжением на нем:
,
Подставив полученные данные получим: UR12= 16,6 В.
Сопротивление R12 определяется по формуле:
= UR12 / IK0,= 61,5 Ом (выбираем 62 Ом).
4. Расчет сопротивления нагрузки по переменному току RН~ :
Сопротивление нагрузки по переменному току RН~ образовано параллельным
соединением RН и R12 и равно:
Подставляя, получим: RН~=27,7 Ом.
. Определение входной проводимости транзистора:
Определяем ток базы в рабочей точке по выходной характеристике
транзистора VT3: Ioб=2 мА, проводим касательную в этой точке на входной
характеристике, и по касательной определяем входную проводимость:
∆IБ=8 мА, ∆UБЭ=0,1 В, y11=0,08 См.
. Определение крутизны транзистора:
∆IК=0,15 А, ∆UБЭ=0,03 В S=5 А/В.
. Расчет резисторного делителя:
С помощью резисторного делителя задается положение рабочей точки;
определим U0Б:
Б=U0Э+U0БЭ,
По входным характеристикам определяем U0БЭ=0,66 В, U0Э=UR13=2,4 В и
подставляя получаем U0Б=3,06 В.
Номиналы резисторов рассчитываются по формулам:
,
,
Пренебрегая обратным током IК0, выбирая IД=5I0Б, рассчитываем номиналы
резисторов:=940 Ом (выбираем 910 Ом), R11=180 Ом;
. Рассчитываем входное сопротивление каскада по переменному току:
Его величина определяется как суммарное сопротивление параллельно
включенных R10, R11, и (1/y11)*γ, где γ=1+SR13 - глубина ООС:
ВХ≈=R10//R11//[(1/y11)(1+SR13)],
Подставляя числовые данные получаем: RВХ≈=112 Ом.
. Определим коэффициент усиления каскада:
,
=5 А/В, RН~=27,7 Ом, R13=9,1 Ом: KU=3,0.
.3.2 Расчет промежуточного каскада
. Напряжение питания Eп равно напряжению питания выходного каскада - 24
В:
. Выбор транзистора промежуточного каскада.
Для промежуточного каскада транзистор выбирают аналогично транзистору
выходного каскада: по верхней граничной частоте fв, максимальной величине тока
коллектора Iк, максимальной рассеиваемой транзистором мощности и наибольшему
допустимому напряжению коллектора UКЭ доп.
Различие в величине максимального тока.
Максимальный ток коллектора выбирается из условия:
,
Здесь KU3=3,0 - коэффициент усиления выходного каскада, Rвх3=112 Ом - его
входное сопротивление по переменному току;
Подставляя данные получаем IKmax≥ 80 мА. Определим IKmax=90 мА, ток
IК0 выберем равным половине IKmax: IK0 = 0.5 IKmax = 45 мА.
Напряжение питания усилителя Еп должно быть меньше 0.8 UКЭ доп.
Максимальная рассеиваемая транзистором мощность должна превышать величину
IK0UКЭ0=0,225 Вт, где UКЭ0 - падение напряжения на переходе коллектор-эмиттер
транзистора в рабочей точке, определяется по нагрузочной прямой выходной
характеристике транзистора VT2: = 5 В.
Поставленным требованиям удовлетворяет транзистор КТ385А. Его параметры:
fв = 200 МГц
К доп = 400 мА >> IKmax=90 мА;КЭ доп = 40 В. Еп = 24 В < 0.8UКЭ
доп = 32 В.доп = 0,5 Вт > IK0 UКЭ0=0,225 Вт.
. Расчет резисторов R8 и R9.
Значение максимального напряжения на коллекторе UKмакс = Еп = 24 В.
Величину сопротивления в цепи эмиттера R9 выбирают исходя из условия,
чтобы падение напряжения на нем не превышало величину 0,1-0,3 Еп:= 0,2 Еп
При Еп = 24 В, UR9=4,8 В.
Подставляя IК0=45 мА, получаем: R9=106,7 Ом (выбираем 100 Ом).
Сопротивление в цепи коллектора R8 рассчитываем аналогично, задавшись
напряжением на нем:
,
Подставив полученные данные получим: UR8= 14,2 В.
Сопротивление R8 определяется по формуле:
= UR8 / IK0,
= 315,6 Ом (выбираем 320 Ом).
. Расчет сопротивления нагрузки по переменному току RН~ :
Сопротивление нагрузки по переменному току RН~ образовано параллельным
соединением RН и R8 и равно:

Подставляя RН=Rвх3=112 Ом, R8 = 320 Ом, получим: RН~=83 Ом.
. Определение входной проводимости транзистора:
Определяем ток базы в рабочей точке по выходной характеристике
транзистора VT2: Ioб=0,5 мА, проводим касательную в этой точке на входной
характеристике, и по касательной определяем входную проводимость:
∆IБ=4 мА, ∆UБЭ=0,3 В, y11=0,013 См.
. Определение крутизны транзистора:
∆IК=30 мА, ∆UБЭ=0,05 В S=0,45 А/В.
. Расчет резисторного делителя:
С помощью резисторного делителя задается положение рабочей точки;
определим U0Б:
Б=U0Э+U0БЭ,
По входным характеристикам определяем U0БЭ=0,64 В, U0Э=UR9= 4,8 В и
подставляя получаем U0Б=5,44 В.
Номиналы резисторов рассчитываются по формулам:
,
,
Пренебрегая обратным током IК0, выбирая IД=5I0Б, рассчитываем номиналы
резисторов:=350 Ом (выбираем 360 Ом), R7 =1422 Ом (выбираем 1,5 кОм);
. Рассчитываем входное сопротивление каскада по переменному току:
Его величина определяется как суммарное сопротивление параллельно
включенных R6, R7, и (1/y11):ВХ≈=R6//R7//(1/y11),
Подставляя числовые данные получаем: RВХ≈=73,7 Ом.
. Определим коэффициент усиления каскада:
,
=0,45 А/В, RН~=83 Ом : KU=37,35.
Выбор сопротивления фильтра:
Выберем R5 так чтобы ослабление амплитуды сигнала делителем образованным
R5 и Rвх2 было незначительным: R5= 5 Ом.
.3.3 Расчет входного каскада
. Напряжение питания Eп равно напряжению питания выходного каскада - 24
В:
. Выбор транзистора промежуточного каскада.
Для выходного каскада транзистор выбирают аналогично транзистору
выходного и промежуточных каскадов: по верхней граничной частоте fв,
максимальной величине тока коллектора Iк, максимальной рассеиваемой
транзистором мощности и наибольшему допустимому напряжению коллектора UКЭ доп.
Различие в величине максимального тока. Максимальный ток коллектора выбирается
из условия:
,
Здесь KU3=3,0 , KU2=37,35 - коэффициенты усиления выходного и
промежуточного каскадов, Rн1=Rвх2+R5=78,7 Ом - сумма сопротивлений фильтра и
входного сопротивления промежуточного каскада по переменному току; подставляя
данные получаем IKmax ≥ 3,06 мА. Определяем IKmax равным 10 мА. Ток IК0
выберем равным половине IKmax: IK0 = 0.5 IKmax = 5 мА. Максимальная
рассеиваемая транзистором мощность должна превышать величину IK0UКЭ0=0,025 Вт,
где UКЭ0 - падение напряжения на переходе коллектор-эмиттер транзистора в
рабочей точке, определяется по нагрузочной прямой выходной характеристике VT1:
= 5 В.
Поставленным требованиям удовлетворяет транзистор КТ315В. Его параметры:в
= 250 Мгц
К доп = 100 мА > 10 мАКЭ доп = 40 В. Еп = 24 В < 0.8UКЭ доп = 32
В.доп = 0,15 Вт > IK0 UКЭ0=0,025 Вт.
. Расчет резисторов R3 и R4.
Значение максимального напряжения на коллекторе UKмакс = Еп = 24 В.
Величину сопротивления в цепи эмиттера R4 выбирают исходя из условия,
чтобы падение напряжения на нем не превышало величину 0,1-0,3 Еп:= 0,2 Еп
При Еп = 24 В, UR4 =4,8 В.
Подставляя IК0=5 мА, получаем: R4=960 Ом.
Сопротивление в цепи коллектора R3 рассчитываем аналогично, задавшись
напряжением на нем:
,
Подставив полученные данные получим: UR3= 14,2 В. Сопротивление R3
определяется по формуле:
= UR3 / IK0 ,
= 2840 Ом (выбираем 2,7 кОм).
. Расчет сопротивления нагрузки по переменному току RН~ :
Сопротивление нагрузки по переменному току RН~ образовано параллельным
соединением RН и R3 и равно:

Подставляя RН=Rн1=78,7 Ом, R3 = 2,7 кОм, получим: RН~=76,5 Ом.
. Определение входной проводимости транзистора:
Определяем ток базы в рабочей точке по выходной характеристике
транзистора VT1: Ioб=0,12 мА, проводим касательную в этой точке на входной
характеристике, и по касательной определяем входную проводимость:
∆IБ=0,2 мА, ∆UБЭ=0,15 В, y11=0,0013 См.
. Определение крутизны транзистора:
∆IК=10 мА, ∆UБЭ=0,1 В S=0,1 А/В.
. Расчет резисторного делителя:
С помощью резисторного делителя задается положение рабочей точки;
определим U0Б:
Б=U0Э+U0БЭ,
По входным характеристикам определяем U0БЭ=0,59 В, U0Э=UR4=4,8 В и
подставляя получаем U0Б=5,39 В.
Номиналы резисторов рассчитываются по формулам:
,
,
Пренебрегая обратным током IК0, выбирая IД=5I0Б, рассчитываем номиналы
резисторов:=12302 Ом (выбираем 12 кОм), R2=5784 Ом (выбираем 5,6 кОм);
.3.4 Расчет эмиттерных емкостей
Емкость конденсаторов С2 и С6 выбираются большими исходя из того, что его
сопротивление цепочки R4С2 по переменному току существенно только на самой
низкой частоте должно:
Подставляя, получаем: (С2 ≥ 32 мкФ) = 33 мкФ, (С6 ≥ 12 мкФ) =
15 мкФ.
.3.5 Расчет фильтра
Фильтр предназначен для обеспечения заданной верхней частоты. При этом fв
определяется по формуле:
,
Где Rвых1 есть R3, R5=5 Ом, тогда С3=16,3 пФ.
Производим расчет С3 с учетом коэффициента частотных искажений на верхней
рабочей частоте MВ.
Коэффициент MВ в данной схеме определяется искажениями вносимыми цепочкой
фильтра R5С3:
,
Выражаем С3 с учетом заданного коэффициента частотных искажений MВ:
,
С3=12,2 пФ (выбираем 10 пФ).
1.3.6 Расчет разделительных емкостей
Расчет разделительных емкостей производится с учетом заданного
коэффициента искажений на нижней рабочей частоте:Н= MН1 MН2 MН3
Пусть доли частотных искажений, вносимых на нижней частоте в каждом
каскаде будут равны:Н_i= MН1=MН2= MН3,
Тогда
Н_i=0,887.
Формулы для расчета разделительных емкостей для данной схемы усилителя
примут вид:
,
,
,
Подставляя в выражения данные получаем: С1= 1,1 мкФ (выбираем 1 мкФ), С4
= 2,2 мкФ, С5 =10,4 мкФ (выбираем 10 мкФ), С7 = 22,5 мкФ (выбираем 22 мкФ).
.3.7 Оценка нелинейных искажений
Так как входной и промежуточный каскады работают в режиме малого сигнала
то нелинейные искажения обусловлены влиянием выходного каскада. Проведем оценку
нелинейных искажений c помощью метода пяти ординат.
При помощи пяти ординат находятся гармонические составляющие. Входной ЭДС
Eгm1, Eгm2, Eгm3, по которым рассчитывается коэффициент гармоник:
,
На нагрузочной прямой наносятся точки мгновенных значений тока Iк1, Iк2,
Iк3, Iк4, Iк5, соответствующие IKmin, (IK0-IKmin)/2, IK0, (IKmax-IK0)/2, IKmax,
по выходным характеристикам находятся отвечающие им токи базы Iб1, Iб2, Iб3,
Iб4, Iб5, и по входным характеристикам находятся мгновенные значения напряжения
база-эмиттер Uб1, Uб2, Uб3, Uб4, Uб5. Рассчитываются размахи ЭДС:
,
,
,
,
Далее находим амплитуды первых трех гармонических составляющих ЭДС:
,
,
,
И рассчитываем коэффициент гармоник каскада:
,
где γ - коэффициент ООС.
Подставляя числовые данные получаем Kг = 0,69%, что не превышает
заданного.
2. Модуль 2. Цифровая схемотехника
.1 Задача №1. Устройство демультиплексирования кодов
.1.1 Проектирование демультиплексора кодов 1 на 64
Рис. 3 - Принципиальная электрическая схема демультиплексора кодов 1х64
Таблица 1. Перечень элементов
|
Поз. обозначение
|
Наименование
|
Кол.
|
Примечание
|
|
DD1
|
К555ИД4
|
1
|
микросхема
|
|
DD2-DD5
|
К555ИД3
|
4
|
микросхема
|
Демультиплексор работает следующим образом: при выставлении на шину
адреса двоичного кода, соответствующего номеру подключаемого выхода, входной
сигнал передается на этот выход.
2.1.2 Таблица адресации демультиплексора
Таблица 2
|
Входной код А6 А5 А4 А3 А2
А1
|
Соответствующий выход №
|
|
0 0 0 0 0 0
|
1
|
|
0 0 0 0 0 1
|
2
|
|
0 0 0 0 1 0
|
3
|
|
0 0 0 0 1 1
|
4
|
|
0 0 0 1 0 0
|
5
|
|
0 0 0 1 0 1
|
6
|
|
0 0 0 1 1 0
|
7
|
|
0 0 0 1 1 1
|
8
|
|
0 0 1 0 0 0
|
9
|
|
0 0 1 0 0 1
|
10
|
|
0 0 1 0 1 0
|
11
|
|
0 0 1 0 1 1
|
12
|
|
0 0 1 1 0 0
|
13
|
|
0 0 1 1 0 1
|
14
|
|
0 0 1 1 1 0
|
15
|
|
0 0 1 1 1 1
|
16
|
|
0 1 0 0 0 0
|
17
|
|
----------------------------------------
|
------------------------
|
|
1 1 1 0 1 0
|
59
|
|
1 1 1 0 1 1
|
60
|
|
1 1 1 1 0 0
|
61
|
|
1 1 1 1 0 1
|
62
|
|
1 1 1 1 1 0
|
63
|
|
1 1 1 1 1 1
|
64
|
.1.3 Расчет энергопотребления всего устройства и времени задержки по
одному каналу
Среднее время задержки К555ИД3 = 33нс, Тср. К555ИД4 = 34 нс.
Время задержки по одному каналу:
Тобщ = Тср. К555ид3 +Тср. К555ид4=67 нс.
Потребляемая мощность микросхемы К555ИД3 = 250 мВт, К555ИД4= 50 мВт.
Общее энергопотребление устройства
общ =4*250+50= 1,050 Вт.
.2 Задача №2. Коммутатор параллельных кодов
.2.1 Проектирование коммутатора параллельных кодов с 10 источниками
сигналов (словами) по 5 разрядов в каждом слове
Рис. 4 - Коммутатор параллельных кодов (10 слов по 5 разрядов)
Таблица 3. Перечень элементов
|
Поз. обозначение
|
Наименование
|
Кол.
|
Примечание
|
|
DD1-DD5
|
К155КП1
|
5
|
микросхема
|
Коммутатор работает следующим образом: на вход устройства подается 10
информационных слов. В зависимости от выбранного адреса на выход подается одно
из входных слов при подаче стробирующего сигнала.
.2.2 Таблица коммутации
Таблица 4
|
Адресный сигнал А3 А2 А1 А0
|
Источник
|
Слово 1
|
|
0 0 0 1
|
Слово 2
|
|
0 0 1 0
|
Слово 3
|
|
0 0 1 1
|
Слово 4
|
|
0 1 0 0
|
Слово 5
|
|
0 1 0 1
|
Слово 6
|
|
0 1 1 0
|
Слово 7
|
|
0 1 1 1
|
Слово 8
|
|
1 0 0 0
|
Слово 9
|
|
1 0 0 1
|
Слово 10
|
.2.3 Расчет энергопотребления всего устройства и времени задержки - для
одного слова относительно адресных сигналов
Среднее время задержки К155КП1 =17 нс.
Время задержки по одному каналу Т=17 нс.
Потребляемая мощность микросхемы К155КП1 = 390 мВт. Общее
энергопотребление устройства Pобщ = 390*5= 1,95 Вт.
2.3 Задача №3. Устройство параллельного ввода слов в регистры
.3.1 Проектирование устройства параллельного ввода слов в регистры (7
слов по 8 разрядов в каждом слове, частота ввода слов 650 кГц)
Рис. 5 - Устройство параллельного ввода слов в регистры (7 слов по 8
разрядов)
Таблица 5. Перечень элементов
|
Поз. обозначение
|
Наименование
|
Кол.
|
Примечание
|
|
DD1
|
К555ЛА3
|
1
|
микросхема
|
|
DD2, DD5
|
К555ЛН1
|
2
|
микросхема
|
|
DD3
|
К555ИЕ5
|
1
|
микросхема
|
|
DD4
|
К555ИД7
|
1
|
микросхема
|
|
DD6-DD12
|
К555ИР23
|
7
|
микросхема
|
|
VD1
|
КД522Б
|
1
|
диод
|
|
R1, R2
|
1 кОм (МЛТ-0,125)
|
2
|
резистор
|
|
С1
|
47 нФ (К73-9)
|
1
|
конденсатор
|
Устройство параллельного ввода слов в регистры работает следующим
образом: на вход устройства подаются импульсы ввода с частотой 650 кГц. При
каждом положительном импульсе в регистре с номером, соответствующим номеру
импульса защелкивается информационное слово. После запоминания 7 слов в
регистрах цикл повторяется (при наличии разрешающего сигнала).
2.3.2 Диаграмма напряжений
Рис. 6 - Диаграмма напряжений
.3.3 Расчет времени ввода всех слов в регистры
Период повторения импульсов ввода T = 1/f = 1,54 мкс.
Время задержки одного такта счетчика tсч = 17 нс.
Время задержки дешифратора tдш = 41 нс.
Время задержки элемента И-НЕ tИНЕ = 15 нс.
Время задержки элемента НЕ tНЕ = 15 нс.
Время задержки регистра tRG = 28 нс.
Время ввода слова в регистр
слово = tИНЕ + tсч + tдш + tНЕ + tRG = 116 нс.
Время ввода всех слов в регистры tобщ = 6Т+ t1слово = 9,356 мкс.
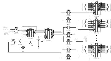
2.4 Задача №4. Запоминающее устройство (ЗУ) на ИМС оперативных ЗУ (ОЗУ)
.4.1 Проектирование устройства ОЗУ (128 слов по 32 разряда)
Рис. 7 - Принципиальная электрическая схема ОЗУ 128х32
Таблица 6. Перечень элементов
|
Поз. обозначение
|
Наименование
|
Кол.
|
Примечание
|
|
DD1
|
К555ИД7
|
1
|
микросхема
|
|
DD2-DD65
|
К531РУ8
|
64
|
микросхема
|
|
R1
|
1 кОм (МЛТ-0,125)
|
1
|
резистор
|
2.4.2 Таблица работы ЗУ
Таблица 7
|
адресные сигналы (ША) А7
А6 А5 А4 А3 А2 А1
|
номера модулей ЗУ
|
номера ячеек ЗУ
|
|
0 0 0 0 0 0 0
|
1
|
1
|
|
0 0 0 0 0 0 1
|
1
|
2
|
|
---------------------------------
|
1
|
---------
|
|
0 0 0 1 1 1 1
|
1
|
16
|
|
0 0 1 0 0 0 0
|
2
|
17
|
|
0 0 1 0 0 0 1
|
2
|
18
|
|
-------------------------------
|
2
|
----------
|
|
0 0 1 1 1 1 1
|
2
|
32
|
|
0 1 0 0 0 0 0
|
3
|
33
|
|
0 1 0 0 0 0 1
|
3
|
34
|
|
---------------------------------
|
3
|
----------
|
|
0 1 0 1 1 1 1
|
3
|
48
|
|
0 1 1 0 0 0 0
|
4
|
49
|
|
0 1 1 0 0 0 1
|
4
|
50
|
|
---------------------------------
|
4
|
----------
|
|
0 1 1 1 1 1 1
|
4
|
64
|
|
1 0 0 0 0 0 0
|
5
|
65
|
|
1 0 0 0 0 0 1
|
5
|
66
|
|
---------------------------------
|
5
|
----------
|
|
1 0 0 1 1 1 1
|
5
|
80
|
|
1 0 1 0 0 0 0
|
6
|
81
|
|
1 0 1 0 0 0 1
|
6
|
82
|
|
---------------------------------
|
6
|
----------
|
|
1 0 1 1 1 1 1
|
6
|
96
|
|
1 1 0 0 0 0 0
|
7
|
97
|
|
1 1 0 0 0 0 1
|
7
|
98
|
|
---------------------------------
|
7
|
----------
|
|
1 1 0 1 1 1 1
|
7
|
112
|
|
1 1 1 0 0 0 0
|
8
|
113
|
|
1 1 1 0 0 0 1
|
8
|
114
|
|
---------------------------------
|
8
|
----------
|
|
1 1 1 1 1 1 1
|
8
|
128
|
Список литературы
1. Полупроводниковые приборы:
Транзисторы / В.Л. Аронов и др.; под общ. ред. Н.Н. Горюнова. - М.:
Энергоатомиздат, 1985. - 904 с., ил.
2. Шило В.Л. Популярные цифровые
микросхемы: Справочник / В.Л. Шило. - М.: Радио и связь, 1989. - 352 с.
3. Хоровиц П., Хилл У. Искусство
схемотехники: В трех томах. Т. 1 - М.: Мир, 1993. - 413 с
4. Угрюмов Е.П. Цифровая схемотехника. -
СПб.: БХВ - Санкт Петербург, 2004. 528 с.
5. Партала Олег Наумович. Цифровая
электроника. - СПб.: Наука и техника, 2000. - 208с.: ил.
6. Мамонкин И.Г. Усилительные
устройства. - М.: Связь, 1977. - 360 с.: ил.
Приложение
Таблица 8. Перечень элементов широкополосного усилителя
|
Поз. обозначение
|
Наименование
|
Кол.
|
Примечание
|
|
VT1
|
КТ315В
|
1
|
транзистор
|
|
VT2
|
КТ385А
|
1
|
транзистор
|
|
VT3
|
КТ624В
|
1
|
транзистор
|
|
R1
|
12 кОм (МЛТ-0,125)
|
1
|
резистор
|
|
R2
|
5,6 кОм (МЛТ-0,125)
|
1
|
резистор
|
|
R3
|
2,7 кОм (МЛТ-0,125)
|
1
|
резистор
|
|
R4
|
960 Ом (МЛТ-0,125)
|
1
|
резистор
|
|
R5
|
5 Ом (МЛТ-0,125)
|
1
|
резистор
|
|
R6
|
360 Ом (МЛТ-0,125)
|
1
|
резистор
|
|
R7
|
1,5 кОм (МЛТ-0,125)
|
1
|
резистор
|
|
R8
|
320 Ом (МЛТ-0,125)
|
1
|
резистор
|
|
R9
|
100 Ом (МЛТ-0,125)
|
1
|
резистор
|
|
R10
|
910 Ом (МЛТ-0,125)
|
1
|
резистор
|
|
R11
|
180 Ом (МЛТ-0,125)
|
1
|
резистор
|
|
R12
|
62 Ом (МЛТ-0,5)
|
1
|
резистор
|
|
R13
|
9,1 Ом (МЛТ-0,5)
|
1
|
резистор
|
|
C1
|
1 мкФ (К73-19)
|
1
|
конденсатор
|
|
C2
|
33 мкФ (К53-8)
|
1
|
конденсатор
|
|
C3
|
10 пФ (КМ-1)
|
1
|
конденсатор
|
|
C4
|
2,2 мкФ (К53-8)
|
1
|
конденсатор
|
|
C5
|
10 мкФ (К53-8)
|
1
|
конденсатор
|
|
C6
|
15 мкФ (К53-8)
|
1
|
конденсатор
|
|
С7
|
22 мкФ (К53-8)
|
1
|
конденсатор
|