Контроллер шагового двигателя

  • Вид работы:
    Другое
  • Предмет:
    Радиоэлектроника
  • Язык:
    Русский
    ,
    Формат файла:
    MS Word
    159,35 kb
  • Опубликовано:
    2010-05-03
Вы можете узнать стоимость помощи в написании студенческой работы.
Помощь в написании работы, которую точно примут!

Контроллер шагового двигателя

Ступинский авиа-металлургический

техникум им. А.Т.Туманова

КУРСОВОЙ ПРОЕКТ

Контроллер шагового двигателя

АВТОР:           Смирнов Б.Т,.

ГРУППА:        Э - 11

 

ПРЕДМЕТ:     “Аналоговая и цифровая схемотехника”

г. Ступино,

2007.

Содержание


Введение

2

1

Описание шаговых двигателей

3

2

Блок схема контроллера.

4

3

Описание принципа работы контроллера.

7

4

Печатная плата контроллера.

8

5

Программа для управления контроллером

9


Список используемой литературы 

10
























Введение

Целью курсовой работы стоит разработка схемы управления тремя шаговыми двигателями с помощью компьютера по порту LPT. При этом должны преследоваться следующие цели:

- простота схемы.

- применение логических элементов

- высокая скорость обработки сигнала.



1. Описание шагового двигателя

Шаговый электродвигатель - это синхронный импульсный электродвигатель, в котором импульсы тока, подаваемые в обмотки возбуждения статора, преобразуются в дискретные угловые перемещения (шаги) ротора. Конструктивно шаговые электродвигатели исполняются с явно- и неявнополюсным статором, на котором расположены обмотки возбуждения, и с ротором без обмотки, выполненным из магнитно-мягкого (реактивный ротор), или из магнитно-жесткого (активный ротор) материала. Шаговые двигатели с активным ротором позволяют получать больший вращающий момент и обеспечивают фиксацию положения ротора при обесточенных обмотках.

В шаговом электродвигателе импульсы тока через коммутатор поступают поочередно в обмотки статора, в результате чего ориентация магнитного потока в пространстве между полюсами статора дискретно меняется и вызывает поворот ротора на некоторый угол, называемый шагом ротора.

Шаговые электродвигатели применяются в приводах машин и механизмов, работающих в старт-стопном режиме, или в приводах непрерывного движения, где управляющее воздействие задается последовательностью электрических импульсов, например, в станках с ЧПУ.

В машиностроении наибольшее распространение получили высокомоментные двухфазные гибридные шаговые электродвигатели с шагом 1,8° (200 шаг/об) или 0,9° (400 шаг/об). В микрошаговом режиме можно получить разрешающую способность в 51200 шаг/об.

Главное преимущество шаговых двигателей - экономичная цена, в среднем в 1,5-2 раза дешевле асинхронных аналогов. Шаговый привод как недорогая альтернатива сервоприводу наилучшим образом подходит для  автоматизации отдельных узлов и систем, где не требуется высокая динамика, точность позиционирования, большая мощность и скорость вращения, а также для замены (модернизации) шаговых приводов, выработавших установленный ресурс.

Их использование также оправдано в транспортных средствах (на кораблях, самолетах, поездах), где используется бортовое напряжение от 24 до 75 В постоянного тока.

2. Блок схема контроллера.

Схему можно разделить на три части (см. рис 1):

            - Блок питания.

            - Контроллер

            - Драйвер.

Рис.1. Блок схема контроллера

Блок питания:

Рассчитывается исходя из используемых шаговых двигателей. Максимальный ток в режиме микро шага будет равен:

Iбп=Iоб∙2∙3, где

Iбп – мах ток блока питания

Iоб – ток одной обмотки

Расчет прост: 3 двигателя х по две запитанные обмотки в каждом х ток одной обмотки (допустим 1А) то = 3х2х1=6А.

 

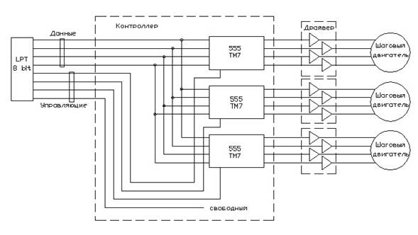
Контролер:   Разработанный контроллер может обслуживать до 32 (в моей схеме 3) шаговых двигателей последовательно, т.е. одновременно может работать только один двигатель. Параллельная работа двигателей обеспечивается программно. Контроллер управления шаговыми двигателями собран на микросхемах 555TM7 серии (3шт). Не требует прошивки.

Рис.2 схема контроллера

Драйвер: Драйвер шагового двигателя (не путать с компьютерными драйверами) представляет собой 4х канальный усилитель или 4 ключа. Собран на 4х транзисторах КТ 917 .

Рис 3.Схема драйвера.


3. Описание принципа работы контроллера.

Описание и назначение выводов разъема порта LPT.

выв.

Название

Направление

Описание

1

STROBE

устанавливается PC после завершения каждой передачи данных                                         

2/9

DO-D7

вывод

8 линий данных

10

АСК

ввод

устанавливается в "0" внешним устройством после приема байта

11

BUSY

ввод

устройство показывает, что оно занято, путем установки этой линии в «1»

12

Paper out

ввод

для принтеров

13

Select

ввод

устройство показывает, что оно готово, путем установки на этой линии «1 »

14

Autofeed

Ввод и вывод


15

Error

ввод

индицирует об ошибке

16

Initialize

Ввод и вывод


17

Select In

Ввод и вывод      


18-25

Ground

GND

общий провод


8 бит идущих от LPT разделяем на две группы по 4бит: данные и управляющие. При получении сигнала одним из трех триггеров, данные записываются в триггер ТМ7 и соответственно поступают на драйвер шагового двигателя. При снятии с ТМ7 разрешающего сигнала данные в триггере сохраняются (триггер с защелкой) и т.д. 

Биты LPT

0

1

2

3

4

5

6

7

данные

Управляющий сигнал –определяет на какой двигатель придет сигнал


Т.е. для подачи на второй двигатель сигнала 0101 необходимо подать разрешающий сигнал на второй ТМ7 т.е. выдать в порт LPTсигнал:

Биты LPT

0

1

2

3

4

5

6

7

0

1

0

1

0

1

0

0

Предаваемые данные на шаговый двигатель

Данные идут на 2 двигатель


Печатная плата контроллера разработана в программе SprintLayout

Рис.4 печатная плата контроллера

5. Программа для управления контроллером

Была использована простая программа vri-cnc. (сайт автора программы http://vri-cnc.ru

  А.К.Касаткин, М.В.Немцов. Электротехника, 4-е изд. - М.: Энергоатомиздат, 1983

  А.Г.Морозов. Электротехника, электроника, импульсная техника. - М.: Высшая школа, 1987

  Под ред. Б.В.Тарабрина. Справочник по интегральным микросхемам. - М.: Энергия, 1980

  Ж.Марше. Операционные усилители и их применение. - М.: Энергия, 1985


Не нашли материал для своей работы?
Поможем написать уникальную работу
Без плагиата!
Без нейросетей!