Усилитель на биполярном транзисторе
СОДЕРЖАНИЕ
Введение
.
Описание электрической схемы усилителя
.
Исходные данные для расчета усилителя
.
Расчет усилителя по постоянному току
.
Расчет усилителя по переменному току
.
Построение частотных характеристик усилителя
.
Оценка искажений усилителя
Заключение
Список
используемых источников
ВВЕДЕНИЕ
Целью курсового проекта по дисциплине
"Общая электротехника и электроника" является приобретение
самостоятельных навыков расчета современных усилителей на биполярных и полевых
транзисторах.
Важной задачей при проектировании
радиоэлектронных средств является усиление электрических сигналов по току,
напряжению или мощности до требуемой величины и, следовательно, разработка
теории усилителей и методика их расчета.
При расчете усилителей первоочередной задачей
является проведение сравнительного анализа схемотехники усилителей аналогичного
назначения. Кроме того, необходимо учитывать новейшие достижения усилительной
техники и современной элементной базы.
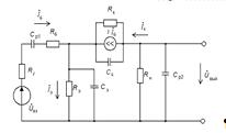
1. ОПИСАНИЕ ЭЛЕКТРИЧЕСКОЙ СХЕМЫ УСИЛИТЕЛЯ
Схема усилительного каскада на биполярном
транзисторе с ОЭ приведена на рисунке 1.
Усилительный каскад выполнен на биполярном
транзисторе n-p-n-типа. На вход усилителя подключен источник входного сигнала
Ec, который имеет внутреннее сопротивление Ri. Конденсаторы Cp1 и Cp2
предназначены для разделения режима работы усилителя по постоянному току, не
пропускают постоянную составляющую переменного сигнала. Резисторы Rб1 и Rб2
составляют делитель напряжения на входе транзистора, формируют напряжение
смещения, которое определяет положение рабочей точки транзистора на нагрузочной
прямой на выходных характеристиках транзистора. Резистор Rк является
нагрузочным в цепи коллектора по постоянному току, определяет выходное
сопротивление усилительного каскада и коэффициент усиления по напряжению KU. С
увеличением значения Rк (до определённого ограничения) коэффициент KU
возрастает.
Рисунок 1 - Схема усилительного каскада с ОЭ
Для термостабилизации рабочей точки транзистора
применяется последовательная отрицательная обратная связь по току, которая
формируется через резистор Rэ. Конденсатор Cэ является шунтирующим, служит для
увеличения коэффициента усиления каскада по переменной составляющей, а также
для формирования частотной характеристики усилителя.
Усилительный каскад на рисунке 1 имеет
параллельную структуру, является фазоинверсным, так как фаза выходного
напряжения изменяется на угол π по
отношению к входному напряжению. Усилитель с ОЭ усиливает входной сигнал по
току, напряжению и мощности. Входное сопротивление каскада определяется
сопротивлениями Rб1, Rб2 и входным сопротивлением транзистора h11. Выходное
сопротивление каскада зависит от сопротивления коллектора
вых ≈ Rк ≈ 1/h22.
Коэффициент усиления по напряжению определяется
зависимостью выходного напряжения от входного
=Uвых/ Uвх.
Ток коллектора рассчитывается на основе тока
базы Iб и коэффициента передачи тока базы β
к= β Iб.
Частотные свойства усилителя зависят от
частотных характеристик базового транзистора, выходного сопротивления источника
сигнала и нагрузки.
Нелинейные искажения усилительного каскада
определяются внутренним сопротивлением генератора на входе, сопротивлением
нагрузки и уровнем амплитуды выходного сигнала.
Усилительные каскады на биполярных транзисторах
находят наибольшее применение в предварительных усилительных каскадах, так как
усиливают ток и напряжение, а следовательно, обеспечивается усиление сигнала по
мощности.
. ИСХОДНЫЕ ДАННЫЕ И РЕЗУЛЬТАТЫ РАСЧЕТА УСИЛИТЕЛЯ
Для выполнения расчёта усилительного устройства
необходимо иметь исходные данные для расчёта, которые указываются в задании на
курсовое проектирование, и перечень параметров и характеристик, которые надо
соответственно рассчитать и выполнить графическое построение.
Исходными данными для расчёта усилительного
каскада с общим эмиттером являются следующие:
) Uп - напряжение источника питания;
) Um - амплитуда напряжения на выходе
усилительного каскада;
) Rн - сопротивление нагрузки;
) уровни рабочего диапазона частот: fн, fв -
нижнее и верхнее значения усиливаемой полосы частот;
) значения допустимого уровня частотных
искажений на нижней и верхней граничных частотах: Mн, Mв - уровни частотных
искажений на нижней и верхней граничной частоте;
6) рабочий диапазон температур окружающей среды:
tmin, °C, tmax, °C - минимальное и максимальное значения температуры;
7) Ri - сопротивление источника входного
сигнала;
8) режим работы усилительного каскада - класс А.
В этом режиме ток в выходной цепи транзистора протекает весь период действия
входного сигнала, напряжение смещения Uсм > 0, рабочая точка покоя находится
в середине нагрузочной прямой. Транзистор работает в линейной области, поэтому
класс А характеризуется минимальными нелинейными искажениями усиливаемого
сигнала. Коэффициент полезного действия не более 0,5, в связи с этим класс
усиления А используют в усилителях малой мощности.
В результате расчёта и анализа усилительного
каскада должны быть определены, рассчитаны параметры транзистора и каскада и
выполнено графическое построение следующим образом:
Выбрать тип транзистора по рассчитанным: току
коллектора Iк, мощности транзистора P, верхней рабочей частоте fв и напряжению
Uкэ, и вольтамперные статические входные и выходные характеристики.
На статических характеристиках построить
нагрузочную прямую, рабочую точку и определить ток и напряжение покоя (Iкп,
Uкэп).
По статическим входным и выходным
характеристикам определить h-параметры транзистора:- входное сопротивление;-
коэффициент обратной связи по напряжению;- коэффициент передачи тока базы;-
выходную проводимость.
Рассчитать номинальные значения сопротивлений и
ёмкостей конденсаторов принципиальной электрической схемы усилительного
каскада.
Rвх - входное сопротивление усилителя.
Rвых - выходное сопротивление усилителя.
KU - коэффициент передачи (усиления) по
напряжению входного сигнала.
KI - коэффициент передачи по току входного
сигнала.
KP -коэффициент усиления по мощности входного
сигнала.
Определить частотные искажения усилителя.
Построить схемы замещения усилительного каскада.
Определить передаточные функции для схем
замещения усилителя.
На основе передаточных функций схем замещения
построить амплитудно-частотную и фазочастотную характеристики усилителя.
. РАСЧЕТ УСИЛИТЕЛЯ ПО ПОСТОЯННОМУ ТОКУ
Исходные данные:п=25В; Rн=120 Ом; fн=9 Гц;
Мн=1,1; Мв=1,3; Ri=1,2 кОм; =0 °C, tmax=110 °C.
Выбираем транзистор VT, исходя из выполнения
следующих условий.
Сопротивление коллектора
к = Kн Rн ,
где Kн = 5…10.
Выбираем Rк = 10·120 Ом = 1200 Ом (для
максимального значения Kн). Рассчитанное значение Rк соответствует стандартному
ряду и принимаем к =1200 Ом.кэ max доп ≥ Uп , принимаем Uкэ max доп = 25
В.
Допустимая максимальная мощностьк max доп ≥
I кп U кэп ,
где Iкп =(Uп − Uк )/ Rк.
Полагаем Uк= Uп/2;кп =(25В − 25В/2 )/ 1200
Ом =0,010 Ак max доп ≥ I кп U кэп=0,010 А *12,5В=0,125 Втк max доп ≥
Uп / Rк ,к max доп ≥ 25В / 1200 Ом =0,021 А
Рабочая частота транзистора fр > 40 кГц.
По рассчитанным значениям:
) Iк max доп = 21 мА; 2) Pк max доп = 125 мВт;
) Iкп = 10 мА; 4) fр > 40 кГц
из справочника по полупроводниковым приборам
(транзисторам малой мощности) выбираем транзистор n-p-n КТЗ15А со следующими
параметрами:к max доп = 150 мВт; fгр = 250 МГц; Uкэ = 25 В; Iк max = 100 мА;
Iкбо = 0,5 мкА; э = 30...120.
Рассчитываем значение резистора. Полагаем, что
Rэ = (0,1...0,5) Rк ; тогда выбираем Rэ = 0,25 ⋅
1,2 кОм = 0,3 кОм .
Нагрузочная прямая на выходных характеристиках
строится в режимах холостого хода (ХХ) и короткого замыкания (КЗ). Для выходной
цепи транзистора (коллектор-эмиттер) по второму закону Кирхгофа
п = Iк Rк + Uкэ .
В режиме ХХ Iк = 0, при этом Uкэ = Uп = 25 В.
В режиме КЗ Uкэ = 0, при этом Iк = Uп /
Rк=25В/1200 Ом=0,021 А .
На выходных характеристиках откладываем точку E,
соответствующую режиму ХХ, и точку D, соответствующую режиму КЗ. Через точки D
и Е проводим нагрузочную прямую, на которой отмечаем точку покоя А по
координате тока коллектора покоя Iкп.
Для определения Iкп откладываем Iк min
соответствующий Iб min. Iк max соответствует точка пересечения нагрузочной
прямой DE и штриховой линии ОС, отделяющей на выходных характеристиках режим
насыщения (точка В).кп определяется по формулекп=( Iк min+ Iк max)/2 = (2 мА +
18 мА)/2 = 10 мА.
Рабочей точке А соответствует напряжение Uкэп =
12,5 В.
Мощность рассеяния на коллекторе
к = Uкэп ⋅
Iкп = 12,5 В ⋅ 0,010 А = 125 мВт.
Согласно справочным данным, для выбранного
транзистора КТЗ15А режим работы транзистора по мощности рассеяния допустим.
Если этот режим не выполняется, то следует увеличить Pк или уменьшить Uп.
Рисунок 2 - Статические входные характеристики
биполярного транзистора КТ315 А с ОЭ Iб = f (Uбэ)
Выполняется расчёт h-параметров транзистора по
характеристическим треугольникам в области рабочей точки А - на выходных
характеристиках и в области рабочей точки А′ - на входных
характеристиках. На входные характеристики рабочую точку А переносим по
значениям тока базы Iб = 0,4 мА и напряжению Uкэп = 12,5 В.
Для построения характеристического треугольника
на равных расстояниях от точки А на входных характеристиках откладываются
отрезки и обозначаются точки А1 и А2, из которых опускаются перпендикуляры на
оси Iб и Uбэ.
Входное сопротивление транзистора
при Uк=const,
= 0,5 кОм
Выходная проходимость рассчитывается
по отношению приращений ∆Iк и ∆Uкэ , которые определяются из
построенного характеристического треугольника в области рабочей точки на
выходных характеристиках А4А5А6:
при Iб=const,
= 10-4 См.
Рисунок 3 - Статические выходные
характеристики биполярного транзистора КТ315 А с ОЭ Iк = f (Uкэ)
Коэффициент обратной связи по
напряжению h12э определяется по входным характеристикам при постоянном токе
базы для точек А′ и А7:
∆Uкэ = 15 В − 12,5 В = 2,5 В;
∆Uбэ = 0,05 В;
при Iб=const,
= 0,02.
Коэффициент передачи тока базы
транзистора определяется по выходным характеристикам для точек А и А8:
при Uкэ=const,
= 30.
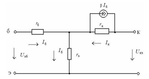
По эквивалентной Т-образной схеме
замещения транзистора с ОЭ определяются физические параметры (рисунок 4) rб ,
rэ , rк , β.
Рисунок 4 - Т-образная схема
замещения биполярного транзистора с ОЭ
Коэффициент передачи тока базы β ≈ h21э
≈ 30;
;б = h11э − h12э(1 + h21э) /
h22э = 500 − 0,02(1 + 30) / 10−4 = 5,7 кОм ;
;
В рассматриваемом усилительном
каскаде с ОЭ для стабилизации тока коллектора используется эмиттерная
стабилизация. Увеличение тока коллекто-ра, например, при воздействии
температуры окружающей среды, приводит к возрастанию тока эмиттера и падению
напряжения на резисторе Rэ. Это напряжение (с минусом) подаётся через делитель
напряжения Rб1 и Rб2 на базу транзистора, препятствуя возрастанию тока
коллектора.
При изменении температуры окружающей
среды приращение тока коллектора ∆Iк определяется приращением следующих
параметров:
,
где S - коэффициент нестабильности
тока коллектора Iк ; ∆Uэ - приращение напряжения на эмиттерном переходе; ∆h21э
- приращение коэффициента передачи по току; Rб - эквивалентное сопротивление
базы; ∆Iко - приращение обратного тока коллектора.
, где
- коэффициент токораспределения в
цепи коллектора;
.
Подставляя полученное значение γ в формулу
для определения коэффициента нестабильности
,
,
где Е - температурный коэффициент
напряжения Uбэ , для кремниевых транзисторов, согласно справочным данным, Е = 2
мВ/град.
∆Uэ = 2 мВ/град ⋅(Тmax K −
Тmin K) =
= 2 мВ/град ⋅[( 273 +
100) K − (273 + 0) K ] = 200 мВ = 0,2 В.
Изменение коэффициента передачи тока
при изменении температуры определяется по зависимостям из справочных данных.
Принимаем ∆h21э = 29 .
Приращение обратного тока коллектора
при изменении температуры окружающей среды
,
где Т* - температура удвоения тока коллектора;
Tо - начальная температура, при которой определялся обратный ток Iко (0 °С).
Обратный ток коллектора для транзистора КТ315 А
берётся из справочника: Iко = 1 мкА.
Приращение тока коллектора будет равно
Подставляем рассчитанные значения S,
∆Uэ , Rб , ∆Iко , ∆h21э в формулу для определения приращения
Iк :
=2,16[0,000286А + 1⋅10-8А
+0,000387А]=0,00145 А=1,45 мА.
Рассчитываем сопротивления делителя
напряжения Rб1 , Rб2 :
,
где Iэ = Iб + Iк , Iб = Iбп , Iк =
Iкп ; Iэ = 0,4 мА + 10 мА = 10,4 мА ;
.
По шкале номинальных значений
сопротивлений принимаем Rб1 = 3,3 кОм.
Рассчитываем Rб2 по формуле
.
Принимаем Rб2 = 0,470 кОм.
. РАСЧЕТ УСИЛИТЕЛЯ ПО ПЕРЕМЕННОМУ
ТОКУ
Расчёт по переменному току
проводится на основе использования эквивалентной схемы, приведённой на рисунке
5 усилительного каскада с ОЭ переменного тока.
Рисунок 5 - Эквивалентная схема усилительного
каскада с ОЭ при переменном токе
Входное сопротивление усилительного каскада для
переменной составляющей
вх ук = Rб1 || Rб2 || Rвх т ,
где Rвх т - входное сопротивление транзистора,
Rвх т = h11э .
Rб1 || Rб2=
;вх ук = 0,4
кОм || h11э= 0,4 кОм || 0,5 кОм
.
вых ук = Rк || Rвых т , где Rвых т
.вых ук =
Коэффициент усиления по напряжению
каскада при переменном токе
KU ук=
||
=
.
Коэффициент усиления каскада по току
ук =
.
Коэффициент усиления каскада по
мощности
ук= KI ук⋅ KU ук= 26,8⋅3,9 =104,5.
Ёмкость разделительного конденсатора
Cр1 определяется по следующей зависимости:
, где
;
.
Емкость конденсатора Cp2
определяется следующим образом:
.
Принимаем
,
Рассчитываем емкость конденсатора
, где Rб = Rб1 || Rб2 ;
.
Принимаем Cэ=350 мкФ.
Верхняя предельная частота
транзистора КТЗ15 А определяется по следующей зависимости:
, где
,
где Kб - коэффициент в цепи
отрицательной обратной связи, учитывающий ответвление тока коллектора в базу; τквч -
постоянная времени, учитывающая нарастание тока коллектора на высокой частоте;
,
где
;
.
τквч = h21э ⋅ ( Rн || Rк)
⋅ Ск + τк ,
где τк -
постоянная времени цепи обратной связи на предельной частоте для транзистора
КТЗ15 А, значение которой указано в справочнике по полупровониковым приборам
(транзисторам), τк = 300 пс ;
Cк - ёмкость коллекторного перехода (справочные данные), Cк = 7 пФ .
Рассчитываем
Подставляем полученные значения Kб и
τквч в
формулу для определения ωв:
;
.
Принципиальная электрическая схема с
указанием рассчитанных номиналов элементов приведена на рисунке 6.
Рисунок 6 - Принципиальная электрическая схема
усилителя с рассчитанными значениями номиналов элементов
5. ПОСТРОЕНИЕ ЧАСТОТНЫХ ХАРАКТЕРИСТИК УСИЛИТЕЛЯ
Для построения частотных характеристик усилителя
- логарифмической амплитудно-частотной и фазочастотной составляется схема
замещения усилителя, которая представлена на рисунке 7.
Для того чтобы расчёт и построение частотных
характеристик упростились, следует схему замещения представить двумя схемами
замещения, которые содержат по одному конденсатору. Тогда передаточные функции
для этих схем замещения будут первого порядка, так как схемы описываются
дифференциальными уравнениями, связывающими входные и выходные сигналы схемы,
первого порядка.
Представим схему замещения усилителя,
приведённую на рисунке 7, двумя схемами замещения, содержащими по одному
реактивному элементу (конденсатору) (рисунок 8).
Рисунок 7 - Схема замещения усилителя
Сопротивление R на рисунке 8, б соответствует выходному
сопротивлению схемы, представленной на рисунке 8, а.
Приближённо значение сопротивления R можно
определить по следующему соотношению:
R=Ri || Rб=
.
а) б)
Рисунок 8 - Схема замещения 1 (а),
схема замещения 2 (б)
Для составленных схем замещения
усилительного каскада передаточные функции записываются следующим образом.
Передаточная функция для схемы на рисунке 8, а будет определяться по известному
выражению для соответствующей RC-цепи
,
где Т1, Т2 - постоянные времени,
определяемые по формулам:
= Rб Cp1; T2 = ( Rб + Ri )Cp1 .
Передаточная функция для схемы на
рисунке 8, б имеет вид для известной элементарной RC-цепи
,
где Т3, Т4 - постоянные времени, которые
рассчитываются по формулам:
;
;
.
Определим постоянные времени T1 , T2
, T3 , T4 RC-цепи в передаточных функциях K1(p) и K2(p):
;
;
;
.
.
Подставляем полученные значения T1 ,
T2 в передаточную функцию K1(p) и преобразуем её к виду
K(p) = B(ω) + jC(ω) ,
где B(ω) и jC (ω) - действительная
и мнимая части комплексного числа, представляющего собой преобразованную
передаточную функцию K1(p) :
.
Логарифмическая амплитудно-частотная
характеристика (ЛАЧХ) имеет следующий вид:
.
Фазочастотная характеристика (ФЧХ)
записывается следующим образом:
.
При построении ЛАЧХ на рисунке 9, а
обеспечивается наклон характеристики +20 дБ/дек до частоты ω2, а затем -
нулевой наклон. ЛАЧХ на рисунке 9, б имеет нулевой наклон до частоты ω4, которая
определяется постоянной времени T4, а затем наклон характеристики +20 дБ/дек до
частоты ω3,
которая
определяется постоянной времени T3.
Суммарная ЛАЧХ усилительного каскада
строится суммированием построенных ЛАЧХ в соответствии с передаточными
функциями K1(ω)
и
K2(ω)
а) б)
Рисунок 9 - ЛАЧХ известных элементарных
RC-цепей: для передаточной функции K1(p) (а), для передаточной функции K2(p)
(б)
Подставляем полученные значения мнимой и
действительной части передаточной функции K(p) в выражение K(ω)
и
φ(ω).
ЛАЧХ для K1(p) будет иметь следующий вид:
;
.
Круговую частоту ω определим
для значений постоянных времени T1 , T2 , T3 , T4 :
;
;
;
;
;
;
;
.
Подставим ω2 в
передаточную функцию K1(ω):
.
Преобразуем передаточную функцию для
схемы на рисунке 8, б
.
ЛАЧХ на основе передаточной функции
K2(p) будет иметь следующий вид:
.
Построим ЛАЧХ на основе передаточной
функции K1(ω2)
и
известной ЛАЧХ для RC-цепи, схема замещения которой приведена на рисунке 8, а.
График построенной ЛАЧХ показан на рисунке 10.
Рисунок 10 - ЛАЧХ RC-цепи усилителя с ОЭ по
схеме замещения на рисунке 8, а
Построим ЛАЧХ на основе передаточной
функции K2(ω)
и
известной ЛАЧХ для RC-цепи, схема замещения которой приведена на рисунке 8, б.
График построенной ЛАЧХ показан на рисунке 11.
Рисунок 11 - ЛАЧХ RC-цепи усилителя с ОЭ по
схеме замещения
на
рисунке 8, б
Построим суммарную ЛАЧХ усилительного каскада с
помощью суммирования построенных ЛАЧХ в соответствии с передаточными функциями
K1(ω)
и
K2(ω)
(рисунок
12).
Рисунок 12 - ЛАЧХ RC-цепи усилителя с ОЭ по
схеме замещения
на
рисунке 7
Построим фазочастотную характеристику усилителя
с ОЭ.
Согласно передаточной функции для схемы
замещения на рисунке 8, а K1(p) ФЧХ определяется следующим образом:
.
;
;
;
.
Построим фазочастотную
характеристику усилителя с ОЭ по схеме замещения на рисунке 8, а.
Рисунок 13 - ФЧХ RC-цепи усилителя с
ОЭ по схеме замещения
на
рисунке 8, а
В соответствии с передаточной функцией K2(p) для
схемы замещения на рисунке 8, б ФЧХ будет иметь следующее выражение:
.
;
;
;
;
Построим фазочастотную
характеристику усилителя с ОЭ по схеме замещения на рисунке 8, б.
Рисунок 14 - ФЧХ RC-цепи усилителя с
ОЭ по схеме замещения
на
рисунке 8, б
Построим суммарную ФЧХ усилительного каскада с
помощью суммирования построенных ФЧХ в соответствии с полученными зависимостями
φ1(ω)
и
φ2(ω)
(рисунок
15).
Рисунок 15 - ФЧХ RC-цепи усилителя с ОЭ по схеме
замещения
на
рисунке 7
. ОЦЕНКА ИСКАЖЕНИЙ УСИЛИТЕЛЯ
Нелинейные искажения в усилителе появляются по
следующим основным причинам: из-за наличия в схеме усилителя элементов с
нелинейными вольтамперными характеристиками (входными и выходными), нестабильности
внутреннего сопротивления источника входного сигнала и сопротивления нагрузки.
Значительные искажения в усилитель вносят нестабильность источника питания и
изменение температуры окружающей среды.
При оценке искажений в усилителе можно
определить коэффициент шума усилителя при нормальных условиях эксплуатации для
средних частот по следующему выражению:
,
где
(τк , Cк - справочные данные
для транзистора КТ315 А); φт -температурный потенциал
p-n-перехода при нормальных условиях эксплуатации φт=26 мВ,
h21б=β/(β+1)=30/31=0,97.
Рассчитываем Кш :

Для уменьшения нелинейных искажений
следует применить стабилизированные источники питания и схемы для стабилизации
рабочей точки усилителя - термостабилизации и термокомпенсации.
ЗАКЛЮЧЕНИЕ
усилитель биполярный транзистор
В результате выполнения курсового проекта был
произведен расчет и анализ усилительного каскада на биполярном транзисторе. По
рассчитанным току коллектора, мощности транзистора, верхней рабочей частоте и
напряжению были выбраны тип транзистора и определены статические входные и
выходные характеристики, по которым определили h-параметры. Были определены
номинальные значения сопротивлений и емкостей конденсаторов принципиальной
электрической схемы усилительного каскада. По построенным схемам замещения были
определены передаточные функции, на основе которых построены
амплитудно-частотная и фазочастотная характеристики усилителя.
СПИСОК ИСПОЛЬЗОВАННЫХ ИСТОЧНИКОВ
1
Опадчий, Ю.Ф. Аналоговая и цифровая электроника / О.П. Глудкин, А.И. Гуров.
-М.: Радио и связь , 1996 . -768 с.
2
Ежков, Ю.А. Справочник по схемотехнике усилителей / Ю.А. Ежков. - 2- е изд.
перераб. - М. : ИП РадиоСофт, 2002. - 272 с.
3
Манаев, Е.И. Основы радиоэлектроники. - М.: Радио и связь, 1990. -512с.
4
Баканов, Г.Ф. Основы конструирования и технологии радиоэлектронных средств :
учебное пособие для студ. высш. учеб. заведений / Г.Ф. Баканов, С.С. Соколов,
В.Ю. Суходольский ; под ред. И.Г. Мироненко. - М. : Издательский центр
«Академия», 2007. - 368 с..
5
Вайсбурд, Ф.И. Электронные приборы и усилители / Ф.И. Вайсбурд, Г.А. Панаев,
Б.Н. Савельев. -4-е изд., стер. - М. : КомКнига, 2007. - 480 с.
Селиванова,
З.М. Общая электротехника и электроника: учебное пособие
/ З.М. Селиванова, Ю.Л. Муромцев. - Тамбов: Изд-во Тамб. гос. техн. ун-та,
2009. - 82 с.