Исследование однокаскадного транзистора усилителя

  • Вид работы:
    Практическое задание
  • Предмет:
    Информатика, ВТ, телекоммуникации
  • Язык:
    Русский
    ,
    Формат файла:
    MS Word
    24,99 Кб
  • Опубликовано:
    2015-06-18
Вы можете узнать стоимость помощи в написании студенческой работы.
Помощь в написании работы, которую точно примут!

Исследование однокаскадного транзистора усилителя














Лабораторная работа

Тема: Исследование однокаскадного транзистора усилителя

Цель работы: экспериментально определить основные характеристики усилительных каскадов в биполярном транзисторе по схеме с общим эмиттером с температурной стабилизацией.

Оборудование и приборы: исследуемый транзистор, измерительный генератор низкой частоты ГЗ-112, источник напряжения постоянного тока, паяльник, повода монтажные, осциллограф С1-112А, осциллограф С1-68.

Теоритические сведения

Усилительным транзисторным каскадом принято называть транзистор с резисторами, конденсаторами и другими деталями, которые обеспечивают ему условия работы как усилителя.

Ход работы

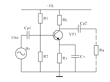
Соберём схему.


Измерим ток коллектора: Ек=6,6 В.

Замеряем режим покоя между коллектором и эмиттером: Uпок=3,3 В.

Берём измерительный генератор, ставим частоту 10 кГц. На осциллографе С1-112А видим входной синусоидальный сигнал с амплитудой 1В. Постепенно начинаем увеличивать входное напряжение.

На осциллографе С1-68 снимаем выходное напряжение (сигнал).

Uвых ,В

0

0,6

1,2

2

2,4

2,6

2,8

Uвх ,мВ

0

10

20

30

40

50

60

70


Дальше при увеличении входного сигнала выходной перестаёт расти. Увидели, что «перегиб» характеристики идёт с искажением сигнала.

Определим динамический диапазон


Динамический диапазон замечен с 2,4 B до 2,8 В.

Определим коэффициенты усиления по напряжению:

Кu= Uвых/ Uвх

Кu=25

Отключаем эмиттерную ёмкость. Замечаем, что усиление упало, и включилась обратная связь через Rэ (упало раз в 10).

Снимем амплитудно-частотную характеристику. Величина Uвх =1 В = const.

Увеличиваем частоту.

1

1

1

0.95

0.9

0.85

0.8

0.75

0.65

f, кГц

10

20

50

80

100

120

150

200

300

Начнём уменьшать частоту

1

0,95

0,8

0,7

f, кГц

6

4

2

1


Вывод: в ходе проведения лабораторной работы мы исследовали однокаскадный транзисторный усилитель. Мы определили динамический диапазон усилителя, коэффициент усиления по напряжению Кu .

усилительный каскад транзистор биполярный

Контрольные вопросы

) На что влияет величина Rэ?

Резистор Rэ является элементом отрицательной обратной связи, предназначенным для стабилизации режима покоя каскада при изменении температуры.

) Из каких соображений выбираются величины ёмкостей Ср1 и Ср2?

Ёмкости Ср1 и Ср2 выбирают такими, что на частоте переменной составляющей их сопротивлением можно было пренебречь.

) Как влияет подключение нагрузки к выходу каскада?

Вообще-то усилитель рассчитывается на конкретную нагрузку. Однако если сравнивать с холостым ходом - коэффициент усиления снижается. Чем сопротивление нагрузки меньше - тем сильнее. Еще нагрузка может иметь реактивный характер, в этом случае выходной сигнал искажается, при определенных условиях усилитель может и возбудиться.

4) Какой величины должна быть ёмкость Сэ?

Похожие работы на - Исследование однокаскадного транзистора усилителя

 

Не нашли материал для своей работы?
Поможем написать уникальную работу
Без плагиата!
Без нейросетей!