Принципиальная схема усилителя на основе полевых и биполярных транзисторов

  • Вид работы:
    Курсовая работа (т)
  • Предмет:
    Информатика, ВТ, телекоммуникации
  • Язык:
    Русский
    ,
    Формат файла:
    MS Word
    476,89 Кб
  • Опубликовано:
    2014-03-09
Вы можете узнать стоимость помощи в написании студенческой работы.
Помощь в написании работы, которую точно примут!

Принципиальная схема усилителя на основе полевых и биполярных транзисторов

Содержание

Техническое задание

Исходные данные

Введение

. Разработка структурной схемы

. Разработка принципиальной схемы

. Разработка интегральной микросхемы

.1 Выбор навесных элементов и расчёт конфигурации плёночных элементов

.2 Разработка топологии

.3 Этапы изготовления устройства в виде гибридной интегральной микросхемы

Заключение

Список литературы

Техническое задание

Разработать принципиальную схему усилителя на основе полевых и биполярных транзисторов и реализовать устройство в виде гибридной интегральной микросхемы (ГИС).

Исходные данные

электронный усилитель сопротивление микросхема

1.       Напряжение источника питания UПИТ = - 9 В.

2.       Коэффициент усиления по напряжению: Кu = 8.

.        Входное сопротивление: RВХ = 2 МОм.

.        Выходное сопротивление: RН = 0,6 кОм.

.        Выходное номинальное напряжение UНОМ = 1 В.

.        Нижняя рабочая частота: fН = 50 Гц.

.        Верхняя рабочая частота: FВ = 10 кГц.

.        Коэффициент искажений на нижней частоте: МН = 3 дБ.

.        Коэффициент искажений на верхней частоте: МВ = 3 дБ.

.        Тип входа: Н (несимметричный).

.        Тип выхода: С (симметричный).

Введение

Аналоговыми называются устройства, у которых сигналы являются непрерывными функциями времени. К основным классам аналоговых устройств относятся: усилители, аналоговые фильтры и генераторы, электронные и автоматические регуляторы, аналоговые перемножители напряжений, преобразователи, вторичные источники питания.

В зависимости от конкретной области применения аналоговые устройства подразделяются на измерительные, телевизионные, радиоприемные, телефонные, радиовещательные и др. Дополнительными признаками для классификации являются диапазон рабочих частот и потребляемая мощность. В зависимости от используемой элементной базы аналоговые устройства подразделяются на электровакуумные, транзисторные и интегральные. Наиболее перспективными являются интегральные аналоговые устройства, обладающие высокой надежностью, малой массой, объемом, экономичностью.

В курсовой работе разрабатывается аналоговое устройство - усилитель на основе ГИС. Электронный усилитель - устройство, предназначенное для увеличения мощности электрического сигнала с сохранением его формы. Усилители являются наиболее распространёнными устройства в радиоэлектронной аппаратуре. Реализация усилителя в виде микросхемы актуальна. По технологии изготовления ИМС различают два направления: полупроводниковые и гибридные ИМС. ГИС содержит плёночные пассивные элементы и навесные активные элементы и имеет ряд преимуществ: возможность получения любых значений пассивных элементов, малую температурную зависимость параметров, невысокими затратами при организации производства, простотой изготовления плат. Поэтому проектировать усилитель целесообразнее на ГИС.

1. Разработка структурной схемы

Для того чтобы обеспечить заданный режим работы усилителя составляется структурная схема на основе типовой (рисунок 1.1).

Устройство содержит входное устройство ( Вх.У ) для передачи сигнала от источника (Ист. С) к входу первого каскада. Его применяют, когда непосредственное подключение источника сигнала к входу усилителя невозможно или нецелесообразно. Обычно входное устройство выполняется в виде трансформатора или RC-цепочки, предотвращающих прохождение постоянной составляющей тока от источника к усилителю, или наоборот.

Предварительный усилитель (Предв. У) состоит из одного или нескольких каскадов усиления. Он служит для усиления входного сигнала до величины, достаточной для работы усилителя мощности. Наиболее часто в качестве предварительных усилителей используют усилители напряжения на транзисторах.

Рисунок 1.1

Усилитель мощности (УМ) служит для отдачи в нагрузку необходимой мощности сигнала. В зависимости от отдаваемой мощности он содержит один или несколько каскадов усиления.

Выходное устройство (Вых. У) используется для передачи усиленного сигнала из выходной цепи усилителя мощности в нагрузку (Н). Оно применяется в тех случаях, когда непосредственное подключение нагрузки к усилителю мощности невозможно или нецелесообразно. Тогда роль выходного устройства могут выполнять разделительный конденсатор или трансформатор, не пропускающие постоянную составляющую тока с выхода усилителя в нагрузку. При использовании трансформатора добиваются согласования сопротивления выхода усилителя и нагрузки с целью достижения максимальных значений КПД и малых нелинейных искажений. В усилителях на основе интегральных схем избегают применения трансформаторов вследствие их больших габаритных размеров и технологических трудностей изготовления.

Источник питания (ИП) обеспечивает питание активных элементов усилителя.

Для обеспечения стабилизации требуемых параметров вводится цепь отрицательной обратной связи.

Основными признаками для классификации усилителей являются диапазон рабочих частот и параметры, характеризующие его усилительные способности: ток, напряжение, мощность. Важнейшими техническими показателями усилителя являются: коэффициент усиления, входное и выходное сопротивления, диапазон усиливаемых частот, динамический диапазон, нелинейные, частотные и фазовые искажения. Усилители мощности характеризуются выходной мощностью и КПД.

Анализируя исходные данные, техническому заданию соответствует двухкаскадная схема усилителя мощности с использованием полевого и биполярного транзисторов со спектром частот канала ТЧ.

2. Разработка принципиальной схемы

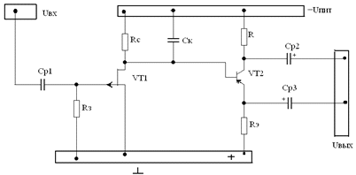
Основным каскадом усиления является резисторный (рисунок 2.1), который выполнен на полевом транзисторе VT1 с управляющим р-n-переходом р - типа, включенный по схеме с общим истоком ОИ, что позволяет добиться максимальную мощность на выходе и высокого входного сопротивления, следовательно, осуществлять работу с высокоомными источниками входного сигнала. Для предотвращения попадания постоянной составляющей в цепь источника сигнала на входе предусмотрен разделительный конденсатор СР1. Для согласования с RВХ = 2 МОм в схеме предусмотрен резистор в цепи затвора RЗ. Полевой транзистор работает при нулевом смещении и в классе А (линейный режим). Нагрузкой каскада по постоянному току является резистор стока RС, параллельно которому включается корректирующий конденсатор СК, служащий для расширения полосы пропускания в области верхних частот. Между каскадами предусмотрена гальваническая непосредственная связь.

Второй каскад собран на биполярном транзисторе VT2 типа р-n-р, включенный по схеме с общим эмиттером ОЭ и общим коллектором. Такой способ подключения нагрузки обеспечивает симметричный выход. Каскад имеет название с разделённой нагрузкой. Для установки режима VT2 здесь требуется высокоомные резисторы Rд1 и Rд2. Использование делительной цепочки RД1 и RД2 усложняет топологию гибридной ИМС и удорожает ее стоимость, поэтому в выбранной схеме их нет. RК - сопротивление коллектора необходимо для задания режима работы по постоянному току в выходной цепи. RЭ - резистор в цепи эммитера, является элементом обратной связи и одновременно автоматического смещения. Местную обратную связь применяют для стабилизации режима работы каскада. Краткая характеристика элемента ООС: отрицательная по знаку, последовательная по току, частотнонезависимая, по обеим составляющим сигнала.

Связь между усилителем и нагрузкой осуществляется через выходное устройство в качестве, которого используется разделительный конденсатор Ср2, Ср3.

В схеме предусмотрен источник сигнала UГ (генератор) с внутренним сопротивлением RГ.

Усилитель не может нормально функционировать без источника питания UП.

Принципиальная схема усилителя с несимметричным входом и симметричным выходом приведена на рисунке 2.1.

Рисунок 2.1 - Усилитель с несимметричным входом и симметричным выходом и БТ включенным по схеме с ОК

3. Разработка интегральной микросхемы

.1 Выбор навесных элементов и расчёт конфигурации плёночных элементов

Рассматривая работу активных элементов в квазистатическом режиме и используя семейства выходных характеристик с построением нагрузочных прямых произвожу расчёт требуемого коэффициента усиления напряжения и номинальных значений пассивных элементов.

Рассчитываем параметры элементов выходного каскада. Транзистор выходного каскада VT2 выбирается по току покоя Iк.о., который должен в 2¸3 раза превышать ток нагрузки:

 . (1)

Отсюда,

.

Для выходного контура, используя ЗНК, составляю уравнение:

 (2)

Для схемы с разделённой нагрузкой в качестве выходного применется фазоинверсный каскад для которого справедливы соотношения:

; .

Выбираю биполярный транзистор структуры p-n-p, пользуясь приложением 4 [1], марки 2Т3704-1. На рисунке 3.1 приведены входные и выходные ВАХ 2Т3704-1.

На выходных характеристиках БТ строю нагрузочную прямую и определяю положение рабочей точки (А). Координаты точки РТ IК.рт = 4,72 мА, UКЭ.рт = 4,5 В, IБ.рт = 43 мкА, UБЭрт = 0,78 В.

В каскаде с разделенной нагрузкой выбирают равными сопротивления в цепи коллектора, эмиттера:

.

Рисунок 3.1 - Семейство входных (а) и выходных (б) ВАХ БТ 2Т3704-1

Для проведённых расчётов проверяем выполнение ЗНК для выходного контура второго каскада:


Коэффициент усиления каскада с разделенной нагрузкой складывается из коэффициента передачи эмиттерного повторителя и коэффициента усиления транзистора включенного по схеме с общим эмиттером:

КU2=KЭП+KОЭ . (3)

Коэффициент передачи эмиттерного повторителя определяется по формуле:

 , (4)

. (5)

Для расчёта коэффициента усиления каскада на VT2 для этого необходимо определить коэффициент усиления по току h21Э, входное сопротивление h11Э, RЭП, RЭЭ.

Значение параметра h21Э определяется с использованием семейства выходных характеристик в районе точки покоя РТ (рисунок 3.2б).

 (6)

Значение параметра h11Э определяют по входной характеристике БТ (рисунок 3а):

 (7)

Коэффициент усиления транзистора включенного по схеме с общим эмиттером определяется по формуле:

, (8)

где  . (9)

;

;

;

.

КU2 = KЭП + KОЭ = 0,944 + 0,924 = 1,868.

Для первого каскада более подходит ПТ марки 2П201А р - типа [1], его выходные вольт - амперные характеристики ВАХ приведены на рисунке 3.2.

По условию задано напряжение питания - 9 В, поэтому через точку по оси напряжений 9 В и UЗИ = 0 В проводим нагрузочную прямую. Рабочая точка или точка покоя имеет координаты IС.рт = 0,74 мА и UСИ.рт. = URЭ +UБЭ р.т. =2,25+0,78 = 3,03 В при UЗИ = 0 В.

Выбор рабочей точки при UЗИ = 0 В гарантирует упрощение принципиальной схемы и топологии, так как отпадает необходимость в использовании сопротивления в цепи тока Ru, и конденсатора большей емкости Сu, устраняющего отрицательную связь во всей полосе рабочих частот.

Линия нагрузки однозначно определяет выбор сопротивления нагрузки RC:

, (10)

Далее рассчитываем значение коэффициента усиления по напряжению первого каскада КU1. Если рабочая точка выбирается в пологой области выходных ВАХ ПТ, то коэффициент усиления по напряжению первого каскада рассчитывается по формуле:

КU1 = SRC , (11)

где S - крутизна ПТ в рабочей точке (находится по семейству стоковых характеристик).

Рисунок 3.2 - Семейство ВАХ транзистора 2П201А

Крутизна рассчитывается для рабочей точки (рисунок 3.1) по формуле:

, (12)

По формуле 12 определяю:

.

Произведём перерасчёт КU1 по формуле с использованием Ri,так как РТ находится на крутом участке выходных ВАХ ПТ.

Внутреннее сопротивление ПТ рассчитываем с использованием выходных ВАХ рисунка 3.2:

.

Если рабочая точка выбрана неудачно (в крутой области выходных характеристик), а также при малом входном сопротивлении второго каскада упрощенной формулой пользоваться нельзя, т.к. фактически усиление напряжения первым каскадом будет равно:

U1=s(rc //rI //rВХ) , (формула 13)

где выражение в скобках представляет собой параллельное соединение

сопротивления в цепи стока RC, внутреннего (выходного) сопротивления полевого транзистора RI и входного сопротивления транзистора следующего каскада rbx. Входное сопротивление эмиттерного повторителя определяется по формуле:

.


Усилитель двухкаскадное устройство, поэтому общий коэффициент передачи определяется:

.

Полученное значение КU = 12.256 немного больше требуемое

КU.ТРЕБ. = 8, избыток усиления компенсируем изменением значения сопротивления источника сигнала формула (14) [1]:

Где КВХ - требуемый коэффициент усиления рассчитываю по формуле:

. (14)

, (13)

В результате сопротивление источника равно: Rг = 0,106 МОм. По шкале номинальных значений ряда Е24 Rг = 0,11 МОм.

Сопротивление затвора по условию: RЗ = RВХ = 2 МОм.

Рассчитываю ёмкости конденсаторов по формулам (8,9,10) [1]. Коэффициент частотных искажений в области нижних частот разделяют отдельно на 1-ый и 2-ой каскады, соответственно:

МН1= 0,3 дБ (1,035);

МН2 = 2,7 дБ (1,365).

Ёмкость первого разделительного конденсатора:


Ёмкость второго и третьего разделительных конденсатора:

 

Ёмкость корректирующего конденсатора:

 (17)

Расчёт амплитудно-частотной характеристики

 

Сравнительный анализ усилительных устройств приводят используя понятие относительного усиления Y, представляющего собой отношение коэффициента усиления схемы К на данной частоте f к ее коэффициенту усиления в области средних частот

Кср:  . (18)

Для оценки частотных искажений используют обратное отношение, обозначаемое через М и называемым коэффициентом частотных искажений:

. (19)

Относительное усиление и коэффициент частотных искажений выражают как в относительных, так и в логарифмических единицах.

Расчёт АЧХ в области нижних частот проводят по формуле:

. (20)

Рекомендуемые значения частот: 0,1fн; 0,2fн; 0,5fн; 0,7fн; fн ; l,5fH ; 2f.

Частотная характеристика усилителя в области верхних частот зависит от выбора ёмкости конденсатора Ск. Расчёт АЧХ в области верхних частот проводят по формуле:


Рекомендуемые значения частот: 0,5fв; fв; 2fв; 5fв; 10fв.

Результаты расчётов свожу в таблицу 3.1, 3,2. Затем по результатам расчёта строю АЧХ, используя логарифмический масштаб оси частот.

Таблица 3.1

f

0,1fн

0,2fн

0,5fн

0,7fн

1,5fн

2,0fн

f , Гц

5

10

25

35

50

75

100

Lg f

0,7

1

1,4

1,5

1,7

1,9

2

YН1

0,599

0,832

0,966

0,982

0,991

0,996

0,998

YН2

0,107

0,21

0,474

0,602

0,714

0,85

0,907

YН

0,064

0,175

0,458

0,591

0,708

0,847

0,905


Таблица 3.2

F

0,5fв

2,0fв

5,0fв

10,0fв

F, кГц

5

10

20

50

100

Lg f

3,7

4

4,3

4,7

5

0,895

0,708

0,448

0,196

0,099


После расчётов произвожу проверку соответствия расчётных и заданных значений Мн и Мв:

 . (22)

Расчётные величины равны заданным, отсюда следует что расчёт номиналов элементов верный. Привожу результаты расчёта элементов схемы:

С = 8,182 кОм, RЗ = 2 МОм, RГ = 0,11 МОм; Rэ = 477 Ом,к = 477 Ом; Cр1 = 5,375 нФ, Cр2 = 3 = 5,71 мкФ, Cк = 1,942 нФ.

Рисунок 3.3 - Относительная АЧХ усилителя

3.2 Разработка топологии

На первом этапе заданную электрическую схему необходимо преобразовать таким образом, чтобы все внешние выводы находились на краю длинных сторон и были исключены все пересечения пленочных проводников (рисунок 3.4). Вторым этапом является расчет размеров пассивных элементов гибридной ИМС. Расчёт пленочных резисторов начинается с выбора материала резистивной пленки и проводящей плёнки для выводов. Для этого воспользуюсь таблицей 1 [1]. Выбираю из таблицы 1 способ нанесения плёнки - термическое напыления, а материал изготовления - РС-3001 с удельным сопротивлением  Нахожу коэффициенты формы всех резисторов по формуле (16) [1]:

 (23)

; ;

; .

Для сопротивления затвора Кз>>50, что недопустимо, поэтому данный резистор лучше спроектировать навесным. Из приложения 6 выбираю тип резистора RЗ Р1- 12 - 2 МОм - 5% размеры которого составляют

З = 3,1 мм, bЗ =1,55 мм.

Для резисторов RС, RЭ, RК Кф< 10; поэтому устанавливается форма прямоугольная, состоящая из одной полоски ( рис.П5а [1]). Выбираю ширину

B = 1,1 мм > bmin = 200 мкм при масочном методе. Вычисляю длину резисторов по формуле (17) [1]:

. (24)

 


Рассчитываю площадь резисторов по формуле (15) [1]: S =  • b. (25)

 


Каждый резистор должен выдержать мощность формула (14) [1]:

 , (26)

где Р0 - удельная мощность рассеяния (значения Ро = 20 мВт/мм2 для материала РС-3001 приведены в таблице 1 [1]).


Произвожу расчёты мощностей, рассеиваемых на резисторах принципиальной схемы (рисунок 2.1) по формуле:

 (27)


Для всех резисторов справедливо неравенство РMAX>PR, поэтому по максимальной мощности рассеивания они пригодны для проектирования.

Определяю суммарную площадь, занимаемую всеми резисторами:

 (28)

Рассчитываем размеры конденсаторов. Выбираем из таблицы 2 [1] материал изготовления диэлектрика - моноокись кремния с удельной ёмкостью С0 = 100пФ/мм2= 10000пФ/см2. После выбора материала вычисляю площадь конденсаторов:

, (29)

где Ci - емкость рассчитываемого конденсатора; А и В - длина и ширина площадки, занимаемой перекрывающимися частями нижней и верхней обкладок конденсатора (если конденсатор имеет прямоугольную форму). Конфигурация пленочного конденсатора изображена на Рис. П.6 [1].


Ввиду большой занимаемой площади конденсаторами Ср2, Ср3, Ср1 целесообразнее сделать их навесными. Тогда пользуясь приложением 6 [1] выбираю тип конденсаторов электролитических Ср2 и Ср3 К10 - 50 на 5,6 мкФ с точностью 10%; размеры которых составляют L = 3,4 мм, В = 1,9 мм.

Для неполярного конденсатора Ср1 выбираем тип К10-50 на 5,6 нФ ± 5 % размеры которого составляют L = 1,3 мм, В = 1,5 мм.

Рассчитываю площадь, занимаемую всеми конденсаторами:


Рассчитываю площадь, занимаемую транзисторами:


Затем определяю площадь, занимаемую всеми элементами схемы. Общая площадь, занимаемая всеми элементами схемы:

=SТ+SR+Sc=0,0136+0,15861+0,3429=0,51511 см2. (31)

где SТ - площадь, занимаемая транзисторами; SR - площадь, занимаемая резисторами; SC - площадь, занимаемая конденсаторами.

Учитывая площадь соединений, промежутки между элементами и расстояние от края подложки, следует увеличить суммарную площадь в 3-4 раза.

S= 4 .0,51511 ≈ 1,03022 см2.

Затем выбираю стандартную подложку, учитывая рекомендуемые размеры плат приведенные в таблице 4 [1], размеры которой составляют 16 мм х 10 мм (SП = 1,6 см2). Выбираю масштаб 10:1.

Топологический чертёж гибридной ИМС представлен на рисунке 3.5.

Для удобства свожу рассчитанные и увеличенные значения размеров элементов в сводим в таблицу 3.3.

Таблица 3.3

Элементы

Рассчитанные размеры, А х В, мм

Размеры в масштабе, А х В, мм

VT1

10,0 х 10,0

VT2

0,6 х 0,6

6,0 х 6,0

8,2 х 1,1

82 х 11

0,53 х 1,1

5,3 х 11

0,53 х 1,0

53 х 11

3,1 х 1,55

31,0 х 15,5

Cср1

1,3 х 1,5

13 х 15

Cср2

3,4 х 1,9

34 х 19

Cср3

3,4 х 1,9

34 х 19

Sск =19,42 мм2

13,9 х 14


Рисунок 3.3 Преобразованная принципиальная схема

Рисунок 3.4 Топология гибридной ИМС двухкаскадного усилителя

.3 Этапы изготовления устройства в виде гибридной ИМС

Создание микросхем начинается с подготовки подложек. Применяют диэлектрические подложки квадратной или прямоугольной формы размерами до 10 см и толщиной 0,5…1 мм. Они должны удовлетворять ряду требований: иметь высокую механическую прочность, хорошую теплопроводность, быть термостойкими, химически инертными к осаждающим веществам, иметь хорошую адгезию к ним.

Для тонкоплёночных ИМС (толщина плёнки 0,1мкм) важна гладкая поверхность и отсутствие газовыделения в вакууме. Необходимо, чтобы диэлектрические потери в подложках высокочастотных и СВЧ - микросхемах были малы, а диэлектрическая проницаемость слабо зависела от температуры. Основным материалом подложек тонкоплёночных микросхем является ситалл - кристаллическая разновидность стекла. Применяются также алюмооксидная керамика - смесь окислов в стекловидной и кристаллической фазах (основные компоненты Al2O3 и SiO2).

Перед нанесением тонких плёнок поверхность подложек должна быть тщательно очищена. Для толстоплёночных микросхем (толщина плёнок более 20мкм) используют керамические подложки с относительно шероховатой поверхностью (высота неровностей порядка 1мкм). Подложка должна обладать повышенной теплопроводностью, т.к. толстоплёночная технология характерна для мощных гибридных микросхем. Поэтому применяют высокоглинозёмистые (96 % Al2O3) и бериллиевые (99,5 % ВеО) керамики. Технологический цикл гибридных микросхем, аналогичен полупроводниковым, можно разделить на два этапа. Первый включает процессы формирования на подложках пассивных плёночных элементов и проводников соединений. В тонкоплёночных микросхемах для этой цели применяют операции нанесение тонких плёнок. Рисунок формируется непосредственно в процессе нанесения плёнок с помощью накладных трафаретов либо в процессе фотолитографии. Фотолитография - способ нанесения печатных форм, в результате которой в защитном полупроводниковом слое пластины вскрываются окна. После фотолитографии обязательно проводят травление материала. Далее следует процесс диффузии - ввод в открытые окна примеси. В толстоплёночных микросхемах пассивные элементы создают методом трафаретной печати. Основными достоинствами толстоплёночной технологии являются простота, высокая производительность и малая стоимость, однако размеры элементов получаются значительно больше, а их плотность - существенно ниже, чем в тонкоплёночной. В конце первого этапа на подложках формируют матрицу одинаковых структур, каждая из которых соответствует одной микросхеме, т.е. пассивные части микросхем создаются групповыми методами. Последовательность операций первого этапа определяется конкретной структурой гибридной микросхемы (тонко- или толстоплёночная, набор пассивных элементов и др.)

Второй этап - контрольно - сборочный, начинается с контроля пассивных элементов на подложках. Достаточно большие размеры элементов позволяют осуществлять подгонку их параметров, например, с помощью лазера. Далее производят разрезание подложек, установку их в корпус, монтаж дискретных компонентов, соединение контактных площадок с выводами корпуса, герметизацию корпуса, контроль и испытания. Контрольно - сборочные операции индивидуальны для каждой микросхемы и в основном на 80 % определяют трудоёмкость изготовления и стоимость.

Процесс изготовления плёночных резисторов

Структура плёночных резисторов ГИС показаны на рисунке 3.6 а, б, в, г ( 1 - резистивный слой, 2 - металлические контакты). В зависимости от требуемого сопротивления резистор может иметь конфигурации полоски (рисунок 3.6 а), параллельных полосок с металлическими перемычками (рис.3.5 г) либо меандр (рисунок 3.6 в).

Рисунок 3.6- Конфигурации пленочных резисторов: а) - прямоугольная полоска, длина больше ширины; б) - прямоугольная полоска, длина меньше ширины; в) - меандр; г) - группа последовательно соединенных полосок.

Тонкоплёночные резисторы наносят путём осаждения на диэлектрическую основу резистивного материала. Нанесение тонкоплёночных резисторов в основном производится с помощью термического и катодного напыления.

Термическое напыление: Основой данного метода является превращение вещества плёнки в газообразное состояние с последующей конденсацией паров на материал подложки. Для перевода твёрдого вещества в газообразное состояние требуется, чтобы собственное давление газообразного вещества превысило внешнее давление. Для увеличения собственного давления необходимо нагреть материал плёнки и одновременно снизить давление внутри установки. Подложка предварительно очень тщательно очищается.

Катодное напыление плёнки: процесс напыления происходит в газообразном приборе, заполненном нейтральным газом при низком давлении (10-1…10-2мм рт.ст.). Материал плёнки расположен на катоде, подложка на аноде. Между анодом и катодом создаётся напряжение в несколько тысяч Вольт. Положительные ионы газа устремляются к катоду и , получив под действием такого напряжения большое ускорение, ионы бомбардируют его поверхность, выбивая из неё вещества плёнки, часть выбитых атомов диффундирует к аноду и осаждается на подложке. При этом процессе возможно осаждение сложных плёнок, а также тугоплавких металлов, как, например, вольфрам, молибден, платина.

Тонкоплёночные резистивные слои из нихрома толщиной менее 0,1 мкм наносят вакуумным испарением и обеспечивают до 300 Ом/квадрат. Сопротивление слоя до нескольких кОм/квадрат имеют плёнки тантала, получаемые катодным напылением. Большим сопротивлением до 10 кОм/квадрат обладают тонкие плёнки резистивных сплавов, например кремния и хрома в различных процентных соотношениях. Ещё большим 50 кОм/квадрат имеют плёнки керметов - смесей диэлектрического материала с металлом (например, Sio и Cr).

Тонкоплёночные резисторы применяют не только в гибридных, но и в некоторых полупроводниковых микросхемах, например в аналоговых диапазона СВЧ на арсениде галлия. Резистивный слой в них наносят непосредственно на поверхность нелегированной подложки.

В кремниевых цифровых БИС используют резистивные слои поликристаллического кремния толщиной 0,2…0,3 мкм, сопротивление которых в зависимости от концентрации легирующих примесей изменяется в широких пределах до 10 Мом/квадрат. Такие резисторы располагают над транзисторами, чтобы уменьшить площадь кристалла. Большое сопротивление резисторов уменьшается с ростом температуры. Поликремневый резистор малой длины (несколько микрометров) имеет нелинейную ВАХ, обусловленную тем, что между отдельными зернами поликремния (размером 0,1 мкм) существуют потенциальные барьеры (высотой 0,2 В), препятствующие прохождению электронов.

Для получения толстоплёночных резисторов применяют пасты, содержащие в качестве функциональной фазы частицы Pd и Ag2O.Сопротивление слоя толщиной 15…20 мкм лежит в пределах от 50Ом/квадрат до 1 Мом/квадрат в зависимости от процентного соотношения между Pd и Ag2O. Для уменьшения технологического разброса до 1…10% применяют индивидуальную подгонку резисторов. В качестве материала подложки в толстоплёночных ГИС используют, как правило керамику, обладающую большой термостойкостью, механической прочностью и теплопроводностью; для нанесения на подложку плёнки пасты, которую изготовят из наполнителя - металлов и диэлектриков, керамических материалов и стекла, а также органически связующих веществ, обеспечивающих вязкость пасты. Пасту на поверхность наносят с помощью специальных трафаретов по определённому рисунку. После нанесения пасты, производят её сушку при температуре 80…1250 С. При сушке из пасты удаляется связывающее органическое вещество. Затем производится обжигание пасты для получения хорошей адгезии с подложкой и требуемых параметров элементов.

Заключение

В данной курсовой работе был рассмотрен принцип действия усилителя на полевом и биполярном транзисторах. Дано обоснование разработки структурной и принципиальной схемам и проектированию его с помощью плёночной технологии. Проведён расчёт всех элементов схемы, выбраны подходящие типы транзисторов, которые соответствуют заданному коэффициенту усиления по напряжению. Рассчитана и построена амплитудно-частотная характеристика усилителя и произведена проверка на допустимые частотные искажения в области нижних и верхних частот.

Выбраны материалы изготовления резисторов и конденсаторов, произведён расчёт размеров элементом.

Разработан топологический чертёж двухкаскадного усилителя в виде гибридной микросхемы.

Даны общие сведения о технологических процессах изготовления полупроводниковых и гибридных микросхем.

Применение ИМС в электронике - это перспективное направление. ИМС дают большие преимущества в надёжности, габаритах, массе, стоимости, мощности по сравнению со схемами, выполненными на дискретных элементах.

Список литературы

1.        А. Н. Игнатов, Н. Е. Фадеева. Разработка интегрального аналогового устройства. Методические указания к курсовой работе.- Новосибирск, СибГУТИ, 2006.- 36 стр.

2.       Цыкина А.В. Проектирование транзисторных усилителей - М.:Связь,1976

.        Степаненко И.П. Основы микроэлектроники - М.: Радио и связь, 1980.

.        Пельман Б.Л. Транзисторы для аппаратуры широкого применения. Справочник. - М.: Радио и связь, 1981.

Похожие работы на - Принципиальная схема усилителя на основе полевых и биполярных транзисторов

 

Не нашли материал для своей работы?
Поможем написать уникальную работу
Без плагиата!
Без нейросетей!