Расчет многокаскадного усилителя
Расчет
многокаскадного усилителя
Введение
При решении многих инженерных задач, например при измерении электрических
и неэлектрических величин, приеме радиосигналов, контроле и автоматизации
технологических процессов, возникает необходимость в усилении электрических
сигналов. Для этой цели служат усилители - устройства, предназначенные для
усиления напряжения, тока и мощности без изменения их формы или частотного
спектра.
Рисунок 1 -
Структурная схема усилителя
В современных усилителях, широко применяемых в промышленной электронике,
обычно используют биполярные и полевые транзисторы, а в последнее время -
интегральные микросхемы. Усилители на микросхемах обладают высокой надежностью
и экономичностью, большим быстродействием, имеют чрезвычайно малые размеры и
массу, высокую чувствительность. Они позволяют усиливать очень слабые
электрические сигналы (напряжение порядка 10-13 В, токи до 10-17
А, мощность порядка 10-24 Вт).
Простейшим усилителем является усилительный каскад, содержащий нелинейный
управляемый элемент УЭ, как правило, биполярный или полевой транзистор,
резистор R и источник электрической энергии Е.
Рисунок 2 - Структурная схема усилительного каскада
Процесс усиления основывается на преобразовании энергии источника
постоянного напряжения Е в энергию переменного напряжения в выходной
цепи за счет изменения сопротивления УЭ по закону, задаваемому входным
сигналом.
Основными параметрами усилительного каскада являются коэффициент усиления
по напряжению KU=Kвых/Kвх, коэффициент
усиления по току KI=Iвых/Iвх и коэффициент
усиления по мощности KP=KUKI.
Все усилители можно разделить на два класса - с линейным и нелинейным
режимами работы.
К усилителям с линейным режимом работы (или усилителям мгновенных
значений) предъявляются требования получения выходного сигнала, близкого по
форме к входному. Искажения формы сигнала, вносимые усилителем, должны быть
минимальными. Это достигается благодаря пропорциональной передаче усилителем
мгновенных значений напряжения (тока), составляющих во временной области
сигнал. Коэффициенты усиления здесь рассчитывают по амплитудным или действующим
значениям (в случае синусоидального сигнала) напряжения и тока.
Важнейшим показателем усилителей с линейным режимом работы является
амплитудно-частотная характеристика (АЧХ), отражающая зависимость модуля
коэффициента усиления KU, определенного для синусоидального входного
сигнала, от частоты. В зависимости от вида АЧХ усилители с линейным режимом
работы подразделяют на усилители медленно изменяющегося сигнала (усилители
постоянного тока - УПТ), усилители звуковых частот (УЗЧ), усилители высокой
частоты (УВЧ), широкополосные усилители (ШПУ) и узкополосные усилители (УПУ).
Характерная особенность УПТ - способность усиливать сигнал с нижней
частотой, приближающейся к нулю (fнà0). Верхняя граница частоты fв
в УПТ может составлять в зависимости от назначения 103-108
Гц. УЗЧ характеризуются частотным диапазоном от десятков герц (fн)
до 15-20 кГц (fв). УВЧ имеют полосу пропускания от десятков килогерц
до десятков и сотен мегагерц. ШПУ имеют нижнюю границу частоты примерно такую
же, как УЗЧ, и верхнюю - как УВЧ. На основе ШПУ выполняются линейные импульсные
усилители.
1. Выбор и обоснование структурной схемы усилителя
Разработку структурной схемы усилителя производят на основе анализа
технического задания и начинают с выбора типа каскада усилителя мощности.
Так как по заданию требуется рассчитать безтрансформаторный выходной
каскад, то в качестве усилителя мощности была выбрана схема ДТУМ на
транзисторах разного типа проводимости. Управляется ДУМ с выхода КПУ по схеме с
ОЭ. Входной каскад выполним по схеме с ОЭ.
Рисунок 3 - структурная схема усилителя с ДУМ.
Для нашей схемы с ДУМ на транзисторах разного типа проводимости
выполненный по схеме с ОК, предоконечный каскад должен развивать большую
амплитуду на выходе, чем Uн, а т.к. предоконечный каскад работает в режиме А,
то Еn-1>Еn. Применение понижающих фильтров в цепях питания каскадов
работающих в режиме АВ, недопустимо, поэтому предоконечный и входной каскады
усиления питаются от отдельного источника питания, а УМ непосредственно от двух
источников питания. Входной каскад усиления будет питаться через фильтр
напряжением.
2. Расчет двухтактного бестрансформаторного каскада усиления
мощности на транзисторах разного типа проводимости
Принципиальная схема ДТУМ представлена на рис. 1. Транзисторы включены по
схеме с ОК, имеется внутренняя отрицательная обратная связь.
Рис. 1. Двухтактный бестрансформаторный усилитель мощности
Расчет схемы производится для одного плеча и последовательность расчета
следующая.
Расчет первой пары транзисторов.
1. По заданным величинам
и
определяем амплитудные значения тока
и напряжения в нагрузке по формулам
2. Определяем напряжение питания
по формуле
Напряжение
на данном этапе расчета принимается равным
, после выбора транзистора и
построения нагрузочной прямой по переменному току
может быть уточнено.
Полученную величину округлим до ближайшего целого числа, а затем примем
из стандартного ряда: 6, 9, 12, 15, 18, 21, 24, 27, 30, 36, 42, 50 (ближайшее к
расчетному значению)
3. Определяем
с некоторым запасом
4. Выбираем транзистор из условий:
,
,
Транзистор второго плеча выбирается другого типа проводимости с такими же
параметрами (так называемый комплиментарный транзистор).
Этим условиям удовлетворяют комплементарные транзисторы КТ819В и
КТ818В с параметрами
,
,
,
5. Представим выходные и входные ВАХ на которых построим нагрузачную
прямую, и на входной характеристики определим значения входных параметров.
Рис. 2 Выходные характеристики транзистора КТ-819В.
Рис.3 Входная характеристика транзистора КТ-819В.
. Далее производим проверку Pкmax по формуле
7. По ВАХ определяем
. По входной ВАХ определим
8. По входной ВАХ определим
Расчитав
и
, определяем мощность, потребляемую входной цепью усилителя
от предыдущего каскада и входное сопротивление:
Расчет второй пары транзисторов.
1. Для второй пары транзисторов составного каскада входные параметры
первого являются выходными, то есть для выборов транзисторов используем
следующие данные:
,
следовательно 
2. Исходя из рассчитанных данных выбираем пару транзисторов, это
КТ814В и КТ815В с параметрами:
3. Представим выходные и входные ВАХ на которых построим нагрузачную
прямую, и на входной характеристики определим значения входных параметров.
Рис. 4 Выходные характеристики транзистора КТ-814В.
Рис.5 Входная характеристика транзистора КТ-814В.
4. По входной ВАХ определим
5. Рассчитаем сопротивление входной цепи каскада R1 и R2 и выберем диод. Для этого задаем ток делителя
Искомые сопротивления определяем по формуле
Номинальные сопротивления по ряду Е24
Выбор диода осуществляем по допустимому прямому току
и току начала линейного участка прямой ветви ВАХ
Выбираем диод Д229В с параметрами представленными в таблицы 2.
Таблица 2
6. Определяем
По входной ВАХ определим параметр h11э
Параметр
возьмем из справочных данных транзистора.
Величины
и
являются исходными данными для расчета предварительного
каскада.
. Рассчитаем КПД усилителя мощности
. Расчет каскадов предварительного усиления
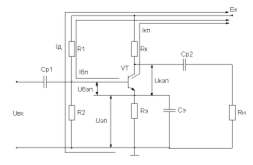
Расчет предоконечного усилительного каскада с общим
эмиттером.
Величины
и
являются исходными данными для
расчета предоконечного каскада.
каскад усилитель схема энергия
Рисунок 1 - Принципиальная схема усилительного каскада с ОЭ
1. Выбирается
сопротивление
из следующих соображений. Так как каскад с ОЭ
является предоконечным каскадом усилителя, то
с целью
обеспечения согласованного режима работы предоконечного каскада и каскала УМ.
2. Определяем амплитуду переменной составляющей тока коллектора
3. Задаёмся координатами точек покоя выходной цепи транзистора. Они
должны удовлетворять условиям:
>
;
>
.
Принимаем
4. Определяется
каскада. Падение напряжения на сопротивлении
для обеспечения высокой температурной стабильности
режима покоя выбирается из условия
=
(0,1….0,3)
. Подставляя
в
формулу (1), получим выражение для расчета
:
Полученную величину округлим до ближайшего целого числа, а затем примем
из стандартного ряда: 0,25; 0,4; 1,5; 2; 3; 4; 5; 15; 20; 24; 48; 54; 80; 100;
150; 200; 250; 300.
= 0,1∙Ек
= 8 В
5. Выбираем транзистор КТ601А согласно условиям:

6. Определяется
ток
.. Для
по входной ВАХ, соответствующей 
= 10 В,
определяется напряжение
.
где
возьмем из справочника.
Для
по входной ВАХ определяем напряжение Uбп.
Рис.2 Входная характеристика транзистора КТ601А.
Uбэп =
0,65 В
. Рассчитаем сопротивление Rэ, R1 и R2.
Зададим ток делителя
Падение напряжения на сопротивлении Rэ для обеспечения температурной
стабильности режима покоя выбирается из условия
Uэп = (0,1 … 0,3)Eк = 0,1*80=8 В
8. Производится расчет каскада по переменному току.
Рис.3. Схема замещения каскада по переменному току
В
схеме замещения каскада по переменному току в области средних частот не учтено
наличие в транзисторе внутренней обратной связи (описываемой параметром
транзистора), т.к. напряжение ОС, действующее на
входе каскада
много меньше
.
Сопротивления входного делителя
и
представлены в схеме замещения сопротивлением
=
||
.
По
схеме замещения определяем параметры каскада по переменному току:
Рис.4. Выходная вольт-амперная характеристика

= 

= 20,3

=
= 
= 197,5
9. Определяем необходимое для управления каскадом амплитудное
значение входного напряжения:
.
В.
Величины
и
являются исходными данными для
расчета следующего каскада.
Так как
, то необходим еще один каскад усиления.
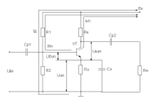
Расчет входного усилительного каскада с общим эмиттером.
Величины
и
являются исходными данными для
расчета входного каскада.
Рис.5. Принципиальная схема усилительного каскада с ОЭ
10. Выбирается
сопротивление
из следующих соображений.
. Определяем амплитуду переменной составляющей тока коллектора
. Задаёмся координатами точек покоя выходной цепи транзистора. Они
должны удовлетворять условиям:
>
;
>
.
Выберем n-p-n транзистор КТ315А с параметрами
,
,
,
,
Принимаем
Принимаем
.
13. Определяется
каскада. Падение напряжения на сопротивлении
для обеспечения высокой температурной стабильности
режима покоя выбирается из условия
=
(0,1….0,3)
. Подставляя
в
формулу (1), получим выражение для расчета
:
Полученную величину округлим до ближайшего целого числа, а затем примем
из стандартного ряда: 6, 9, 12, 15, 18, 21, 24, 27, 30, 36, 42, 50 (ближайшее к
расчетному значению)
= 0,1∙12
= 1,2 В
14. Проверяем выполнения условий для выбранного транзистора КТ315А
15. Определяется
ток
.В
справочной литературе приводится, как правило, диапазон изменения параметра
транзистора. При расчете берется среднее значение
. Для
по
входной ВАХ, соответствующей 
= 2 В,
определяется напряжение
.

Для
по входной ВАХ определяем напряжение Uбп.
Рис.6 Входная характеристика транзистора КТ315А. Uбп
= 0,5 В.
16. Рассчитаем сопротивление Rэ, R1 и R2.
Зададим ток делителя
Падение напряжения на сопротивлении Rэ для обеспечения температурной
стабильности режима покоя выбирается из условия
Напряжения в формулы берутся по абсолютной величине.
17. Производится расчет каскада по переменному току.
Рис.7. Схема замещения каскада по переменному току
В
схеме замещения каскада по переменному току в области средних частот не учтено
наличие в транзисторе внутренней обратной связи (описываемой параметром
транзистора), т.к. напряжение ОС, действующее на
входе каскада
много меньше
.
Сопротивления входного делителя
и
представлены в схеме замещения сопротивлением
=
||
.
По схеме замещения определяем параметры каскада по переменному току:

= 

=

=
= 
18. Определяем необходимое для управления каскадом амплитудное
значение входного напряжения:
.
4. Расчет усилителя в области низких частот
Зададим
допустимый коэффициент частотных искажений, выделяемый на каждый фильтр в цепях
питания КПУ,
=1.02.
Определим
общий коэффициент частотных искажений, отводимый на все фильтрующие цепи по
формуле:
,
где
m = 1 - число фильтров.
Определим общий коэффициент частотных искажений, отводимый на остальные
элементы схемы:
,
где
Mн - коэффициент частотных искажений, вносимых усилителем на нижней
рабочей частоте, который выбирается из условия.
Распределим
коэффициент
между всеми искомыми элементами схемы:
входной
разделительный конденсатор (С1) - 1,0155;
конденсатор
междукаскадной связи ОЭ-ОЭ (С3) - 1,0155;
конденсатор
междукаскадной связи ОЭ-ДТУМ (С6) - 1,0155;
конденсатор
в цепи эмиттера каскада по схеме ОЭ (С2) - 1,17;
конденсатор
в цепи эмиттера каскада по схеме ОЭ (С5) - 1,17;
Найдем
емкость входного разделительного конденсатора (С1):
Найдем
емкость конденсатора в цепи эмиттера каскада по схеме ОЭ (С2)
Найдем
емкость конденсатора междукаскадной связи ОЭ-ОЭ (С3)
Найдем емкость конденсатора в цепи эмиттера каскада по схеме ОЭ (С4)
Найдем емкость конденсатора междукаскадной связи ОЭ-ДТУМ (С5)

Определим допустимые напряжения для конденсаторов:
для входного разделительного конденсатора (С1):
для конденсатора междукаскадной связи ОЭ-ОЭ (С3):

для конденсатора в цепи эмиттера каскада по схеме ОЭ (С2)
,
В.
для
конденсатора в цепи эмиттера каскада по схеме ОЭ (С5)
,
В.
5.
Расчет цепей питания
Для
нашей схемы с ДУМ на транзисторах разного типа проводимости выполненный по
схеме с ОК, предоконечный каскад должен развивать большую амплитуду на выходе,
чем Uн, а т.к. предоконечный каскад работает в режиме А, то Еn-1>Еn.
Применение понижающих фильтров в цепях питания каскадов работающих в режиме АВ,
недопустимо, поэтому предоконечный и входной каскады усиления питаются от
отдельного источника питания 80 В, а УМ непосредственно от двух источников
питания 24В. Входной каскад усиления будет питаться через фильтр напряжением
12В.
1. Рассчитаем сопротивления фильтра:
,
где
Для
схемы с ОЭ
,
А.
Ом
2. Рассчитаем конденсатор фильтра.
Рассчитаем конденсаторы на сглаживание пульсаций:
определим напряжение фона допустимое для всех каскадов, имеющих
независимое питание:
для ОЭ
,
где
= 1000,
,
Ом.
В.
что
не превышает
.
Для всех КПУ определим напряжение фона, действующее на входе каскадов при
отсутствии фильтрующих цепей.
.
Для
входного каскада ОЭ
,
где
,
= 250
Ом,
= 12100
Ом.
Ом,
Искомое
напряжение
определяется по формуле:

,
В,
3. Определим
допустимую величину исходного напряжения
,
В,
4. Определим коэффициенты сглаживания по формуле:
,
,
Так
как
то рассчитываем емкости конденсаторов для фильтров по
формуле
,
,
Гц.
мкФ,
5. Произведем расчет емкостей фильтра на развязку.
Определим напряжение паразитной обратной связи
,
где
.
Определим
требуемые коэффициенты передачи
,
где
.
Так
как фильтр находится перед каскадом с ОЭ, то
,
Так
как
, то
рассчитывается
с точки зрения развязки от действия ПОС.
Расчитаем
КПУ коэффициент передачи для каскада ОК
,
.
,
,
Гц.
мкФ,
Сравнивая
емкости
определенные с точки зрения сглаживания пульсаций и
сточки зрения развязки, из двух значений выбираем наибольшее
мкФ.
Рассчитаем
для конденсатора фильтра допустимое напряжение
Произведем
расчет резисторов по мощности.
Входной
каскад ОЭ:
Предоконечный каскад ОЭ:
ДТУМ:
В
этом курсовом проекте по заданному техническому заданию был рассчитан усилитель
мощности, удовлетворяющий требуемым характеристикам.
.
Заключение
В данной работе спроектирован бестрансформаторный низкочастотный
усилитель мощности, соответствующий заданным параметрам.
В ходе работы разработана принципиальная электрическая схема этого
усилителя, с указанием причин выбора именно такой конфигурации. По каждому из
каскадов отдельно также дается краткое описание.
В данной работе представлен расчет каждого из каскадов усилителя и
преведены используемые в процессе расчета характеристики.
К данному курсовому проекту прилагается чертеж, выполненный на бумаге
формата А3 и представляет собой принципиальную электрическую схему
спроектированного усилителя.
Список использованных источников
1.
Забродин Ю.С.
Промышленная электроника: Учебник для вузов. - М.: Высшая школа, 1982. - 496 с.
2.
Перельман Б.Л.
Транзисторы для аппаратуры широкого применения: Справочник. - М.: Радио и
связь, 1981. - 660 с.
3.
Терещук Р.М.
Справочник радиолюбителя /Р.М. Терещук, Р.М. Домбругов, Н.Д. Босый - Киев -
Государственное издательство технической литературы УССР, 1961. - 650 с.
4.
Полупроводниковые
приборы: диоды, тиристоры, оптоэлектронные приборы. Справочник. Под общ. ред.
Н.Н.Горюнова. - М.: Энергоатомиздат, 1987. - 744с.
5.
Воробьев Н.И.
Проектирование электронных устройств. - М.: Высшая школа, 1989г -223с.