Расчет импульсного усилителя

  • Вид работы:
    Курсовая работа (т)
  • Предмет:
    Информатика, ВТ, телекоммуникации
  • Язык:
    Русский
    ,
    Формат файла:
    MS Word
    857,26 Кб
  • Опубликовано:
    2013-02-21
Вы можете узнать стоимость помощи в написании студенческой работы.
Помощь в написании работы, которую точно примут!

Расчет импульсного усилителя

Реферат

В данной работе проведены расчеты многокаскадного импульсного усилителя видеосигналов в транзисторном и микросхемном варианте. Данный усилитель предназначен для усиления видеоимпульсов импульсов. Пояснительная записка содержит листов две схемы электрические принципиальные в транзисторном и микросхемном варианте, приведены входные и выходные характеристики транзисторов.

Введение

Усилителем электрических колебаний называется устройство, которое позволяет при наличии на его входе колебания с некоторым уровнем мощности получить на выходной нагрузке те же колебания, но с большим уровнем мощности.

Среди множества современных электронных устройств усилители электрических сигналов получили самое широкое распространение. Они применяются в устройствах радиосвязи, радиовещания, телевидения, измерительной техники, автоматики, вычислительной техники, устройствах бытовой техники и т.п.

Импульсные усилители предназначены для усиления мощности электрических импульсов. В линейных импульсных усилителях форма импульсов воспроизводится с заданной точностью, тогда как в нелинейных усилителях преднамеренно производятся заметное искажение формы импульсов для их преобразование либо по амплитуде ,либо по длительности.

Линейные импульсные усилители широко применяются в измерительной технике, телеметрии и телевидении (видеоусилители), радиолокации и радионавигации, вычислительной технике и т.д.Их применяют в экспериментальной физике, биологии, медицине и в других областях науки и техники.

В настоящее время видеоусилители обеспечивают воспроизведение частот от десятков герц до сотен мегагерц.

Проектирование многокаскадного усилителя характеризуется в первую очередь тем, что решение не является однозначным. В связи с этим мы решаем задачу выбора оптимального варианта. Решая вопрос о том, какому варианту следует отдать предпочтение, мы отыскиваем наиболее простое, экономичное решение.

По сравнению с лампами транзисторы имеют значительно больший срок службы, потребляют меньшую мощность от источника питания, обладают меньшим весом и габаритами, устойчивы к динамическим нагрузкам. Но им свойственны и недостатки, из которых прежде всего отметим большой разброс параметров, зависимость параметров от температуры окружающей среды, значительную внутреннюю обратную связь и малое входное сопротивление.

Также мы рассматриваем вариант проектирования импульсного усилителя на микросхемах, который является наиболее перспективным в связи с известными достоинствами микросхем.

Расчет варианта усилителя на транзисторах

Предварительный расчет каскадов

Усилительное устройство можно условно разделить на каскады: входной, промежуточные, обеспечивающие основное усиление, и оконечный (выходной). В зависимости от величины внутреннего сопротивления источника сигнала  входной каскад выбирают по схеме с ОЭ при

Rсиг =3..10 кОм и по схеме ОК Rсиг >10кОм. В данном задании входной каскад будет с ОЭ, так как R1 =1кОм.

Оконечный каскад при сопротивлении  Ом выбирают по схеме ОЭ, при меньших значениях - по схеме ОК (эмиттерного повторителя). В данном случае выходной каскад будет с ОК, так как Rн=200 Ом.

Рис1. Структурная схема многокаскадного импульсного усилителя.

Предварительный расчет сводится к определению числа каскадов усилителя.

И определению коэффициентов усиления отдельных каскадов, и допустимых искажений импульса одного каскада. Определим коэффициент ослабления внешней цепи:

Определим количество промежуточных каскадов.


n - количество каскадов.

К0i - коэффициент усиления i-го каскада.


Определим параметры искажения формы импульса для каждого каскада. Длительность фронта импульса многокаскадного усилителя при условии, что выброс отдельного каскада не превышает 3-4%, можно приближенно определить как корень квадратный из суммы квадратов длительностей фронта импульса, приходящихся на отдельные каскады:


При проектировании важным является вопрос распределения этих значений по каскадам. Наибольшей стабильностью параметров при изменении данных схемы обладают усилители, каскады которых имеют монотонные переходные характеристики и удовлетворяют условию


Следовательно, длительности фронта импульса отдельных каскадов следует выбирать одинаковыми независимо от схемы каскадов.

Таким образом,  

Таким образом,  

нс, N=5  нс.

Спад вершины импульса в многокаскадном усилителе  приближенно равен сумме спадов, которые вносят входящие в усилитель каскады, т.е.

,

где  - спад вершины импульса соответственно 1-, 2-, … , N-го каскадов.


Распределим спад вершины импульса равномерно по каскадам, т.е.


Величину выброса  тоже распределим равномерно по каскадам:

,   

Она не превышает заданную 3%

Таким образом, усилитель будет построен из четырёх идентичных каскадов с коэффициентом усиления Кi=9,оконечный каскад будет выполнен по схеме эмитерного повторителя, длительностью фронта импульса нс, спадом плоской вершины импульса не более , величиной выброса не более .


Расчёт оконечного каскада

Выходной каскад на биполярном транзисторе (так же как и на любом другом типе активного элемента) целесообразно рассматривать отдельно от остальных каскадов. Оконечный каскад при допустимых искажениях должен обеспечить необходимую амплитуду импульса напряжения на нагрузке усилителя, которая в общем случае отличается от нагрузки предшествующих каскадов.

Расчёт начинают с выбора транзистора. Транзистор выбирают по граничной частоте усиления по току fгр. Она должна хотя бы в несколько раз превышать верхнюю частоту в спектре сигнала fв.

,

где  - длительность фронта на выходе усилителя или время установления всего усилителя

 ГГц

 ГГц

Значит, транзистор должен иметь fгр более 1.32 ГГц.

Вторым условием выбора транзистора является допустимая мощность, рассеиваемой в коллекторе Ррасс.

Определим мощность, рассеиваемую в нагрузке Рн:

 Вт;

 Вт.

Выберем транзистор КТ939Б, имеющий fгр=1.5 ГГц и наименьшее значение Ррасс=4 Вт.

Данный транзистор имеет следующие характеристики:

обратный ток коллектора…………………………………..  мкА

ёмкость коллекторного перехода………………………….  пФ

максимальный ток коллектора………………………….  А

максимальное напряжение коллектор-эмиттер……………..  В

максимальное напряжение база-эмиттер……………………  В.

Епит нашего усилителя равно 18 В.

На входных и выходных характеристиках транзистора построим рабочую точку, определяющую режим работы каскада. Для начала построим прямую, пересекающую ось абсцисс в точке  В, ось ординат - в точке  А. Это будет нагрузочная прямая по постоянному току .

Выходная характеристика

Входная характеристика

Таким образом, координаты Р.Т.:

мА,  В,

 В,  мА.

Сопротивление резистора в цепи эмиттера:

 Ом

Округлим значение до ближайшего стандартизованного:

 Ом .

Нагрузочная прямая по переменному току пересечёт ось абсцисс в точке:

,

 Ом - эквивалентное сопротивление.

 В.


где:

- входная проводимость

- проводимость обратной связи с выхода на вход

- прямая проводимость с выхода на вход (крутизна)

- выходная проводимость

По входным и выходным вольт - амперным характеристикам находим:

 - коэффициент передачи по току

- емкость перехода коллектор - эмиттер

Находим проводимости:


Принципиальная схема выходного каскада будет иметь вид, представленный на рис.

Принципиальная схема оконечного каскада.

Рассчитаем резисторы R1 и R2. Выберем допустимое изменение тока коллектора

,

 А

Изменение обратного тока коллектора:

, где ,

 - максимальная температура окружающей среды.

.

Коэффициент нестабильности, который должна обеспечивать схема температурной стабилизации

.

Рассчитаем сопротивление делителя:

,

 - коэффициент усиления по току

 Ом.

Расчёт сопротивлений делителя R1 и R2:






Номинал R1= 2.4кОм

 Ом

Номинал R2=10 кОм

Пересчитаем сопротивление делителя с учётом реальных номиналов сопротивлений:

 Ом.

Определим коэффициент усиления полученного каскада:


Рассчитаем время установления каскада.

 - постоянная времени оконечного каскада в области верхних частот.

 (с) - постоянная времени транзистора.

 с

Отсюда  с.

Как видно, время установления или длительность фронта с удовлетворяет условию, поставленному в предварительном расчёте.

Оценим приемлемость коэффициента усиления каскада К0=0.9. Известно, что с повышением коэффициента усиления увеличивается входная ёмкость каскада.


Как видно из формулы, основную часть вкладывает второе слагаемое, т.к. постоянная времени транзистора в нашем случае - относительно малая величина (потому что транзистор высокочастотный). Вот и получается, что входная ёмкость почти пропорциональна коэффициенту усиления.

Входная ёмкость оконечного каскада является ёмкостью нагрузки для предоконечного каскада.

Оценим значение входной ёмкости Свх при коэффициенте усиления К0=0.9.

 пФ

 - коэффициент частотных искажений.


Проверим открытость транзистора по условию:

 , после подстановки получим:

     ,

то есть условие открытости транзистора выполняется.

Каскад будет выглядеть следующим образом:


 Ом

 Ом

 - время установления пятого каскада.

Распределим время установления по остальным каскадам.

Примем ,

тогда ,

 с.

Распределим спад вершины импульса равномерно по каскадам:

  

Величину выброса  тоже распределим равномерно по каскадам:

  

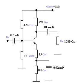
Расчёт четвёртого каскада

Рассчитаем четвёртый (предоконечный) каскад нашего усилителя.

Также как и при расчёте предыдущего каскада, необходимо выбрать тип транзистора.

Требования к верхней граничной частоте остаются прежними, т.к. верхняя частота в спектре сигнала имеет то же значение. Изменяются требования к допустимой рассеиваемой мощности в коллекторе транзистора.

Определим мощность в нагрузке. Нагрузкой является оконечный каскад с входным сопротивлением Rвх=1280 Ом.

Напряжение на выходе 4-го каскада:

 В,

 Вт,

 Вт.

Мощность оказалась меньшей. По причине того, что мощность соответствует нашему транзистору, выберем тот же транзистор КТ939Б и в последующих каскадах будем использовать его.

Таким образом, координаты Р.Т.:

мА,  В,

 В,  мА.

Сопротивление резистора в цепи эмиттера:

 Ом

Номинал:  Ом .

 мА   Ом.

Номинал:  Ом.

Для этого каскада нагрузкой будет входное сопротивление 5-го каскада, т.е. Rн=Rвх5=1280 Ом. Нагрузочная прямая по переменному току пересечёт ось абсцисс в точке:

,

 Ом - эквивалентное сопротивление.

 В.

Построение прямой по переменному току показано на рис.

Выходная характеристика 4-го каскада.

Входная характеристика 4-го каскада

Определим по характеристикам некоторые g-параметры усилителя в рабочей точке:

 (См) - входная проводимость,

 (См) - прямая проводимость или крутизна,

 (См) - выходная проводимость.

Рассчитаем каскад, предполагая, что он будет иметь вид:


Рассчитаем схему температурной стабилизации, т.е. резисторы R1 и R2. Выберем допустимое изменение тока коллектора

,

 А

Изменение обратного тока коллектора:

, где ;

.

Коэффициент нестабильности, который должна обеспечивать схема температурной стабилизации

.

Рассчитаем сопротивление делителя:

,

 - коэффициент усиления по току

 Ом.

Расчёт сопротивлений делителя R1 и R2:





Номинал R1=4.3 кОм.

 Ом

Номинал R2=13 кОм.

Пересчитаем сопротивление делителя с учётом реальных номиналов сопротивлений:

 Ом.

Рассчитаем ёмкости Ср и Сэ, исходя из заданного спада плоской вершины

 ,

Ф

Номинал Сэ=0.62 мкФ

 Ф

Номинал Ср=10 мкФ

Определим коэффициент усиления полученного каскада:


Рассчитаем время установления каскада.

 - постоянная времени каскада в области верхних частот.

 (с) - постоянная времени транзистора;

 Ом;


Отсюда  с. Как видно, время установления или длительность фронта с не удовлетворяет условию, поставленному в предварительном расчёте

Коэффициент усиления для данного каскада возьмём равным К=10.

Фактор обратной связи

.

Тогда  Ом Номинал Rэ1=15 Ом

 Ом Номинал Rэ2=180 Ом

Определим теперь коэффициент усиления при заданном значении сопротивления Rэ1.


Длительность фронта уменьшится в F раз.

.

Определим входную ёмкость и входное сопротивление каскада.

 пФ

 Ом

В итоге схема оконечного каскада будет иметь вид, представленный на рис.

Расчёт третьего каскада.

Рассчитаем 3-й каскад нашего усилителя. По причинам, изложенным раннее используем тот же транзистор.

Нагрузкой этого каскада будет являться входное сопротивление 4-го каскада Rн=Rвх4=1128 Ом и ёмкость Сн=Свх4=52.3пФ.

Требования к верхней граничной частоте остаются прежними, т.к. верхняя частота в спектре сигнала имеет то же значение. Изменяются требования к допустимой рассеиваемой мощности в коллекторе транзистора

Uвых3=15.8/9.4=1.7В

Pн=(1.7)2/1128=0.0026 Вт

Pрас=0.0077 Вт

Выбираем тот же транзистор.

Таким образом, координаты Р.Т.:

мА,  В,

 В,  мА.

Сопротивление резистора в цепи эмиттера:

 Ом

Номинал:  Ом .

 Ом.

Номинал:  Ом.

Нагрузочная прямая по переменному току пересечёт ось абсцисс в точке:

,

где  Ом - эквивалентное сопротивление.

 В.

Определим по характеристикам некоторые g-параметры усилителя в рабочей точке:

 (См) - входная проводимость,

 (См) - прямая проводимость или крутизна,

 (См) - выходная проводимость.

Рассчитаем схему температурной стабилизации, т.е. резисторы R1 и R2. Выберем допустимое изменение тока коллектора

,

 А

Изменение обратного тока коллектора:

.

Коэффициент нестабильности, который должна обеспечивать схема температурной стабилизации

.

Рассчитаем сопротивление делителя:

,

где  - коэффициент усиления по току

 Ом.

Расчёт сопротивлений делителя R1 и R2:

Номинал R2=430 Ом.

 Ом

Номинал R1=3 кОм.

Пересчитаем сопротивление делителя с учётом реальных номиналов сопротивлений:

 Ом.

Рассчитаем ёмкости Ср и Сэ, исходя из заданного спада плоской вершины

 ,

Ф

Номинал Сэ=4.3 мкФ

 Ф

Номинал Ср=47 мкФ

Определим коэффициент усиления каскада:

Рассчитаем время установления каскада.

 (с) - постоянная времени транзистора;

с

Отсюда  с.

Уменьшим коэффициент усиления до К3=8 путём введения ООС по току. Это ещё позволит уменьшить время установления каскада.

Фактор обратной связи

.

Тогда  Ом Номинал Rэ1=3 Ом

 Ом Номинал Rэ2=33 Ом

Длительность фронта уменьшится в F раз.

 с.

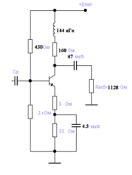
Всё же полученное значение не удовлетворяет условию  нс. Поэтому возникает необходимость в введении коррекции. Осуществим высокочастотную коррекцию путём добавления корректирующей индуктивности в цепь коллектора (см. рис. ).

Рис.11 Каскад с высокочастотной коррекцией.

Определим значение коэффициента

, где  с.

.

По графикам, представленным в книге «Усилительные устройства» (Мамонкин), определим для полученного значения коэффициента X=1 значение mX, где m - коэффициент коррекции, при условии, что .

  .

В таком случае максимальный выигрыш в длительности составит .

Значит, длительность фронта уменьшится в 1.65 раз.

 с.

 Гн.

Определим входную ёмкость и входное сопротивление каскада.

 пФ,

 Ом.

Итогом расчёта 4-го каскада будет схема, представленная на рис.12.

Расчёт второго каскада.

Рассчитаем 2-й каскад нашего усилителя. По причинам, изложенным раннее используем тот же транзистор.

Нагрузкой этого каскада будет являться входное сопротивление 3-го каскада Rн=Rвх4=102 Ом и ёмкость Сн=Свх4=47пФ.

Требования к верхней граничной частоте остаются прежними, т.к. верхняя частота в спектре сигнала имеет то же значение. Изменяются требования к допустимой рассеиваемой мощности в коллекторе транзистора

Uвых2=1.7/8=0.2125В

Pн=(0.2125)2/102=0.0005 Вт

Pрас=0.0013 Вт

Выбираем тот же транзистор

Таким образом, координаты Р.Т.:

мА,  В,

 В,  мА.

Сопротивление резистора в цепи эмиттера:

 Ом

Номинал:  Ом .

 Ом.

Номинал:  Ом.

Нагрузочная прямая по переменному току пересечёт ось абсцисс в точке:

,

где  Ом - эквивалентное сопротивление.

.


Определим по характеристикам некоторые g-параметры усилителя в рабочей точке:

 (См) - входная проводимость,

 (См) - прямая проводимость или крутизна,

 (См) - выходная проводимость.

Рассчитаем схему температурной стабилизации, т.е. резисторы R1 и R2. Выберем допустимое изменение тока коллектора

,

 А

Изменение обратного тока коллектора:

.


.

Рассчитаем сопротивление делителя:

,

где  - коэффициент усиления по току

 Ом.

Расчёт сопротивлений делителя R1 и R2:






Номинал R2=150 Ом.

 Ом

Номинал R1=620 Ом.

Пересчитаем сопротивление делителя с учётом реальных номиналов сопротивлений:

 Ом.

Рассчитаем ёмкости Ср и Сэ, исходя из заданного спада плоской вершины

 ,

Ф

Номинал Сэ=3 мкФ

 Ф

Номинал Ср=30 мкФ

Определим коэффициент усиления полученного каскада:


Рассчитаем время установления каскада.

 - постоянная времени каскада в области верхних частот.

 (с) - постоянная времени транзистора;

 Ом;


Отсюда  с. Как видно, время установления или длительность фронта с не удовлетворяет условию, поставленному в предварительном расчёте

Коэффициент усиления для данного каскада возьмём равным К=10.

Фактор обратной связи

.

Тогда  Ом Номинал Rэ1=3 Ом

 Ом Номинал Rэ2=9.1 Ом

Определим теперь коэффициент усиления при заданном значении сопротивления Rэ1.


Длительность фронта уменьшится в F раз.

.

Определим входную ёмкость и входное сопротивление каскада.

 пФ

 Ом

В итоге схема оконечного каскада будет иметь вид:

Расчёт первого каскада

Рассчитаем 1-й каскад нашего усилителя. По причинам, изложенным раннее используем тот же транзистор.

Нагрузкой этого каскада будет являться входное сопротивление 3-го каскада Rн=Rвх4=106 Ом и ёмкость Сн=Свх4=63пФ.

Требования к верхней граничной частоте остаются прежними, т.к. верхняя частота в спектре сигнала имеет то же значение. Изменяются требования к допустимой рассеиваемой мощности в коллекторе транзистора

Uвых1=02125/10=0.02125В

Pн=(0.02125)2/106=0.000005 Вт

Pрас=0.000013 Вт

Выбираем тот же транзистор

Таким образом, координаты Р.Т.: мА,  В,

 В,  мА.

Сопротивление резистора в цепи эмиттера:

 Ом

Номинал:  Ом .

 Ом.

Номинал:  Ом.

Нагрузочная прямая по переменному току пересечёт ось абсцисс в точке:

,

где  Ом - эквивалентное сопротивление.

.

.


Определим по характеристикам некоторые g-параметры усилителя в рабочей точке:

 (См) - входная проводимость,

 (См) - прямая проводимость или крутизна,

 (См) - выходная проводимость.

Рассчитаем схему температурной стабилизации, т.е. резисторы R1 и R2. Выберем допустимое изменение тока коллектора

,

 А

Изменение обратного тока коллектора:

.

Коэффициент нестабильности, который должна обеспечивать схема температурной стабилизации

.

Рассчитаем сопротивление делителя:

,

где  - коэффициент усиления по току

 Ом.

Расчёт сопротивлений делителя R1 и R2:





Номинал R2=150 Ом.

 Ом

Номинал R1=620 Ом.

Пересчитаем сопротивление делителя с учётом реальных номиналов сопротивлений:

 Ом.

Рассчитаем ёмкости Ср и Сэ, исходя из заданного спада плоской вершины

 ,

Ф

Номинал Сэ=3 мкФ

 Ф

Номинал Ср=30 мкФ

Определим коэффициент усиления полученного каскада:


Рассчитаем время установления каскада.

 - постоянная времени каскада в области верхних частот.

 (с) - постоянная времени транзистора;  Ом;


Отсюда  с. Как видно, время установления или длительность фронта с не удовлетворяет условию, поставленному в предварительном расчёте

Коэффициент усиления для данного каскада возьмём равным К=9.

Фактор обратной связи

.

Тогда  Ом Номинал Rэ1=3 Ом

 Ом Номинал Rэ2=9.1 Ом

Определим теперь коэффициент усиления при заданном значении сопротивления Rэ1.


Длительность фронта уменьшится в F раз.

.

Определим входную ёмкость и входное сопротивление каскада.

 пФ

 Ом

В итоге схема оконечного каскада будет иметь вид, представленный на рис.


Принципиальная схема 1-го каскада

Определим номинальный результирующий коэффициент усиления всего усилителя.

,

где - коэффициент передачи входной цепи.

.

 

Расчет искажений всего усилителя.

Рассчитаем время установления всего усилителя:


Как видно, полученное значение времени установления усилителя практически удовлетворяет заданному значению .

Величина выброса будет минимальной и соответствовать техническому заданию, поскольку подбор параметров осуществлялся из условий обеспечения минимального выброса.

Спад плоской вершины импульса тоже будет соответствовать техническому заданию, поскольку номиналы элементов, отвечающих за этот спад, были подобраны соответствующим образом, даже с некоторым запасом практически во всех случаях.

Таким образом, данный усилитель удовлетворяет требованиям, предъявляемым в техническом задании.

Принципиальная схема усилителя на транзисторах.

Расчёт усилителя на ИМС

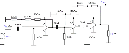
Рассчитаем усилитель, построенный на интегральных микросхемах.

Рассчитаем усилитель, построенный на интегральных микросхемах. Определим коэффициент усиления всего усилителя с учётом запаса.

 

Считая, что с одного операционного усилителя ОУ, охваченного ООС, можно добиться усиления в среднем порядка Кi=50…60, определим число каскадов для нашего усилителя:


Округлим до N=3,.

Отсюда .

Значит, 3 каскада с коэффициентом усиления по 15

Рассчитаем искажения.

Примем, что  

  с.

Спад плоской вершины импульса:

.

Значение граничной частоты для усилителя остаётся тем же, что и при расчёте транзисторного варианта усилителя, т.е.  ГГц.

Это очень большое значение, операционных усилителей с такой верхней граничной частотой не существует, поэтому необходимо выбрать ОУ, имеющий максимально большое значение fгр. Таковым может служить ОУ импортного производства AD8009 с граничной частотой 1 ГГц и скоростью нарастания выходного напряжения 5500 В/мкс.

Основные характеристики микросхемы AD8009:

Входная емкость……………………………………….....Cвх = 2,6 пФ

Входное сопротивление……………………………….....Rвх = 110 кОм

Входной ток………………………………………………Iвх = 50 мкА

Размах выходного напряжения………………………....Uвых = + 3,8 В

Выходной ток……………………………………………..Iвых = 175 мА

Напряжение смещения…………………………….……..Uсм = 1…4 мВ

Напряжение питания (однополярное)…………………...Епит = 5 В

Ток, потребляемый от источника питания……………...Iп = 14 мА

Скорость нарастания выходного напряжения…………Vu = 5500 В/мкс

Время установления…………………………………..….tуст = 10 нс

Ток короткого замыкания………………………………..Iкз=330 мА

Для построения каскадов используем неинвертирующую схему включения ОУ

Т.к. каскады имеют одинаковые коэффициенты усиления, то 2-й и 3-й каскады сделаем идентичными, а в 1-ом введём подстройку. Коэффициент усиления такого каскада определяется по формуле:

.

Зададимся сопротивлением R1=10 кОм, тогда

.

Номинал R3=160 кОм.

Сопротивление R2 определяется по формуле:

 Ом.

Номинал R2=10 кОм.

Входное сопротивление каскада будет определяться сопротивлением резистора R2=10 кОм=Rвх. В технической документации на эту микросхему рассмотрены параметры и характеристики работы усилителя на нагрузку 100 Ом. Таким образом, сопротивление нагрузки, равное входному сопротивлению следующего каскада, порядка 10 кОм не окажет губительного воздействия на микросхему, т.е. она не сгорит.

Разделительная ёмкость ставится перед каждым каскадом, но на выходе не ставится.

 пФ.

Номинал Ср=6.8 пФ.

Рассчитаем подстройку усилителя. Для этого в цепь обратной связи 1-го каскада поставим подстроечный резистор.

Пусть  - максимальный коэффициент усиления усилителя,

 - минимальный коэффициент.

Тогда

,

.

 кОм,

 кОм.

Номинал R3пост=91 кОм.

 кОм

Номинал R3подстр=75 кОм.

Таким образом, в цепь ОС следует поставить постоянный резистор R3пост=91 кОм и подстроечный резистор R3подстр=75 кОм.

Результат расчёта показан на рис.

Определение размеров печатной платы

На мой взгляд, наиболее оптимальным и выгодным будет изготовление нашего импульсного усилителя на интегральной микросхеме. На стороне этого варианта значительно больше преимуществ. Перечислим основные:

·  нет необходимости изготавливать катушки индуктивности, номинальный ряд которых очень узок, и практически невозможно найти серийно выпускаемые индуктивности нужного номинала;

·        габариты и вес печатной платы на ИМС существенно меньше платы транзисторного варианта;

·        наименьшее количество элементов;

Плату изготовим из стеклотекстолита фольгированного СФ1-35-1.0 методом химического травления. Данный метод позволяет получить ширину проводника не менее 0.18мм. Так как электрическая схема устройства содержит интегральную схему 4-го типа, то класс точности изготовления будет 4, по которому допускается минимальная ширина проводника 0.15 мм. Выполним проводники шириной 0.5 мм, т.к. это позволит облегчить технологический процесс при изготовлении платы.

Шаг координатной сетки выберем равным 1.25 мм.

Найдём размеры печатной платы XP*YP для размещения k=16 элементов заданной электрической схемы.

Каждый элемент с габаритными размерами XUi*YUi занимает на плате площадь SUi= XUi*YUi

Площадь, занимаемая элементами на плате, составит


Данные по установочным размерам элементов представлены в табл.1.

Поз. обозначение

Наименование

Установочные размеры по ГОСТ 29137-91, мм



Вариант установки

Z0

Ni

YU

XU

ZU

SE,мм2

С1,С1,С3

K10-59

140 13312.54112.5







DA1-DA3

AD8009

370 -3651.7590







R1-R3,R5-R10

С2-23-0,125

140 192103180







R4

СП3-19А

390 116.66.6543.5







 

ZUmax=5 мм

SE=426 мм2


С учётом зазоров между элементами, общую площадь для элементов электрической схемы можно представить как площадь функциональной поверхности SF:SF=SE/CZ,

где CZ-коэффициент заполнения или плотности упаковки элементов на плате. Выберем коэффициент заполнения равным CZ=0.3. Тогда

SF=SE/CZ=420/0.3=1400

Размеры краевых полей X1,X2,Y1,Y2 выбираются кратными шагу координатной сетки, поэтому выберем значение 2,5 мм.

Ширина зоны присоединения Xпр будет определяться шириной разъёмов, установленных на плате. Наибольшей шириной будут обладать высокочастотные сигнальные разъёмы типа АМР 966475 Таким образом, Xпр=7мм

 

где CF-коэффициент формы.

Варьируя коэффициентом формы CF, можно получить различные размеры платы, которые представлены в табл.2.

абл.2

Исходные данные

Результат, мм

Округление, мм

X1

X2

Y1

Y2

Xпр

CZ

CF

XP

YP

XP

YP

2,5

2,5

2,5

2,5

7

     0,3

1

49.68

42.68

50

45







1.1

51.52

40.9

52.5

42.5







1.2

53.28

39.4

55

40







1.3

54.9

38.05

55

40







1.4

56.58

36.8

57.5

37.5






1.5

58.15

35.76

60

37.5







1.6

59.67

34.79

60

34.75







1.7

61.13

33.9

62.5

34







1.8

62.55

33

62.5

33







1.9

63.9

32.3

65

32.5







2.0

65.29

31.6

67.5

32.5


Вариант при CF=1.2, на мой взгляд, наиболее соответствует выбранной конструкции. Поэтому принимаем размеры печатной платы XP*YP=55*40мм, соответствующие линейным размерам печатных плат по ГОСТ 10716-81.

Рассчитаем размеры функционального узла по координате z.


Размеры печатного узла по координате Z.

Из рис. определим

ZP=ZUmax+Z0+h=7.7+1+1=9.7=10мм,

где h-толщина материала платы;

ZUmax=7.7-максимальная из высот монтажа элементов (высота вилки питания типа CWF 2);

Z0-толщина пайки элементов со стороны печатных проводников.

Таким образом, в ходе расчётов установлены окончательные размеры платы - 55*40*10мм.

Рассчитаем диаметры отверстий D для установки навесных элементов и соответствующие им диаметры контактных площадок. Принято, что D=DV+0.2мм, где DV-диаметр вывода. Диаметр контактной площадки Dк.п. определяется по формуле

Dк.п.=2XA+D,

где ХА=0.5 мм - ширина проводника.

Для уменьшения стоимости платы следует близкие значения диаметров сгруппировать, округлив в большую сторону. Все данные в табл.

Табл.

Поз. обозн

Наименование

Диаметр вывода

Диаметр отверстия

Диаметр контактной площадки




расчёт

округление


C1-C3

К10-59

0.5

0.7

0.8

1.8

DA1-DA3

AD8009

0.51

-

-

1

R1-R3, R5-R10

С2-23-0. 5

0.5

0.7

0.8

1.8

 R4

СП3-19А

0.5

0.7

0.8

1.8

XS1

CWF 2

1

1.2

1.2

XS2, XS3

AMP 966475

0.5

0.7

0.8

1.8

Заключение

импульсный усилитель транзистор видеосигнал

Таким образом, в данном курсовом проекте разработано устройство и конструкция печатной платы апериодического импульсного усилителя. Все параметры данного устройства соответствуют требованиям, предъявляемым в техническом задании. Конструкция разрабатывалась из принципа наибольшей миниатюризации прибора. Произведён расчёт принципиальной схемы транзисторного и микросхемного варианта усилителя, расчёт размеров печатной платы для микросхемного варианта, подготовлена вся документация, чертёж печатной платы, сборочный чертёж печатной платы.

Список литературы


1.     В.В. Афанасьев, М.П. Данилаев, И.И. Нуреев, А.И. Усанов Схемотехника аналоговых электронных устройств: методические указания по курсовому проектированию: для студентов очной и заочной форм обучения. Казань, Издательство КГТУ, 2006 - 37 с.

2.      Варшавер Б.А. Расчет и проектирование импульсных усилителей: Учебное пособие для вузов. - М.: Высшая школа, 1975 - 288 с.

.        Г.В. Войшвилло, В.И. Караванов и др.; Под ред. Г.В. Войшвилло Проектирование усилительных устройств на транзисторах. Учебное пособие для вузов. - М.: Связь, 1972 - 184 с.

.        Мамонкин И.Г. Усилительные устройства. Учебное пособие для вузов - 2-е изд., перераб. и доп. - М.: Связь, 1977 - 360 с.

.        Ефимов В.В., Павлов В.Н. Проектирование усилительных устройств: учебное пособие. - М.: Высш. школа, 1982. - 190 с.

.        Конденсаторы: Справочник./Под ред. И.И.Четвертакова, М.И.Дьяконова. - М.: Радио и связь, 1993.

.        Резисторы: Справочник./Под ред. И.И.Четвертакова и др. - М.: Радио и связь, 1993.

Похожие работы на - Расчет импульсного усилителя

 

Не нашли материал для своей работы?
Поможем написать уникальную работу
Без плагиата!
Без нейросетей!