Расчет и проектирование импульсного усилителя

  • Вид работы:
    Курсовая работа (т)
  • Предмет:
    Информатика, ВТ, телекоммуникации
  • Язык:
    Русский
    ,
    Формат файла:
    MS Word
    1019,43 Кб
  • Опубликовано:
    2014-07-06
Вы можете узнать стоимость помощи в написании студенческой работы.
Помощь в написании работы, которую точно примут!

Расчет и проектирование импульсного усилителя

Министерство образования Российской Федерации

НОВОСИБИРСКИЙ ГОСУДАРСТВЕННЫЙ ТЕХНИЧЕСКИЙ УНИВЕРСИТЕТ

ФАКУЛЬТЕТ РАДИОТЕХНИКИ, ЭЛЕКТРОНИКИ И ФИЗИКИ

Кафедра РП и РПУ








Пояснительная записка

к курсовому проекту по курсу:

«Схемотехника аналоговых электронных устройств»

на тему:

“Расчет и проектирование импульсного усилителя”

Вариант №24







Новосибирск - 2012

Содержание пояснительной записки

1.      Введение

.        Задание на проектирование

.        Расчет выходного каскада

.1      Выбор транзистора в выходном каскаде

.2      Выбор режима работы выходного каскада по постоянному и переменному току

.3      Расчет выходного каскада по постоянному и переменному току, включающий расчет элементов задания и стабилизации режима

.4      Определение низкочастотных и высокочастотных параметров транзистора выходного каскада в средней точке

.5      Расчет коэффициента усиления и времени установления выходного каскада

.6      Окончательный расчет выходного каскада с учетом введенных цепей обратной связи или коррекции

.7      Определение входного сопротивления и входной емкости выходного каскада

.        Расчет предварительных каскадов

.1      Выбор транзистора для предварительных каскадов

.2      Выбор режима работы транзисторов в каскадах предварительного усиления

.3      Определение параметров транзистора в рабочей точке

.4      Определение количества предварительных каскадов

.        Расчет первого предварительного каскада по постоянному и переменному току

.1      Расчет элементов стабилизации первого предварительного каскада

.2      Расчет времени установления первого предварительного каскада

.3      Определение входного сопротивления и входной емкости первого предварительного каскада

.        Расчет второго предварительного каскада по постоянному и переменному току

.1      Расчет элементов стабилизации второго предварительного каскада

.2      Расчет времени установления второго предварительного каскада

.3      Определение входного сопротивления и входной емкости второго предварительного каскада

.        Расчет входного каскада

.1      Выбор транзистора для входного каскада

.2      Выбор режима работы транзистора

.3      Расчет элементов стабилизации, времени установления, входного сопротивления и входной емкости входного каскада

.        Расчет вспомогательных цепей

.        Определение суммарных показателей рассчитываемого усилителя

.        Расчет мощностей, рассеиваемых на резисторах, напряжений, действующих на конденсаторах, и токов протекающих через катушки индуктивности

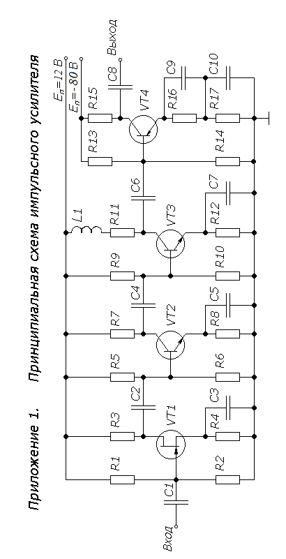
Приложение 1

Приложение 2

Список использованной литературы

1.     
Введение

каскад ток транзистор усилитель

Курсовое проектирование по дисциплине «Схемотехника аналоговых электронных устройств» заключается в разработке и полном расчете электрической схемы усилителя импульсных сигналов с последующим моделированием разработанной схемы в программе схемотехнического моделирования MicroCap. Задание на проектирование предполагает реализацию всего усилителя на дискретных биполярных и полевых транзисторах. Выполнение курсового проекта преследует следующие цели.

.        Ознакомление с основными характеристиками биполярных и полевых транзисторов.

.        Ознакомление с основными схемотехническими решениями, используемыми в усилительных каскадах на биполярных и полевых транзисторах.

.        Приобретение навыков расчета усилительных каскадов на биполярных и полевых транзисторах (выбор и обеспечение режима работы усилительного элемента по постоянному и переменному току, выбор и расчет схем высокочастотной и низкочастотной коррекции усилительных каскадов, расчет вспомогательных цепей).

.        Приобретение навыков оформления технической документации на радиоэлектронное устройство.

.        Приобретение навыков компьютерного моделирования аналоговых электронных устройств в современных программах схемотехнического моделирования.

.        Задание на проектирование

Таблица 1. Технические характеристики разрабатываемого усилителя.

Наименование параметра

Обозначение

Величина

Амплитудаимпульса напряжения на нагрузке

U2m, [В]

55

Амплитуда импульса напряжения на входе усилителя

U1m, [мВ]

15

Длительность импульса

tu, [мкс]

6

Время установления

tу, [мкс]

≤0,3

Частота повторения импульсов

F, [кГц]

2.6

Спад плоской вершиныимпульса

D,[%]

≤2.5

Температура окружающей среды:

tс. max, [] tс. min, []

+45 -10

Выброс переходной характеристики

d,[%]

≤3.5

Входное сопротивление усилителя

Rвх, [кОм]

≥15

Тип нагрузки - активная

RН, [кОм]

1.2


1.      Выбор схемы выходного каскада в зависимости от типа и параметров нагрузки. Как правило, выбор производится между одиночным каскадом, выполненным по схеме с ОЭ, и тандемом эмиттерного повторителя с каскадом, выполненным по схеме с ОЭ.

.        Выбор транзистора выходного каскада по граничной частоте, максимальному напряжению коллектор-эмиттер и максимальному току.

.        Выбор режима работы транзистора выходного каскада по постоянному току и расчет элементов, обеспечивающих стабилизацию этого режима.

.        Определение низкочастотных () и высокочастотных ( параметров транзистора выходного каскада в средней точке, соответствующей половине импульса коллекторного тока.

.        Расчет выходного каскада по переменному току, включающий расчет коэффициентов усиления и времени установления.

.        Решение вопроса о необходимости введения в каскад частотно независимой отрицательной обратной связи.

.        Решение вопроса о необходимости применения эмиттерной или параллельной высокочастотной коррекции выходного каскада.

.        Окончательный расчет выходного каскада по переменному току с учетом введенных цепей обратной связи и коррекции.

.        Определение выходного сопротивления и входной емкости выходного каскада, т.е. определение параметров нагрузки, на которую будет работать предвыходной каскад.

10.    Выбор транзисторов для каскадов предварительного усиления по граничной частоте, максимальному напряжению коллектор-эмиттер и максимальному току коллектора.

.        Выбор режима работы транзисторов в каскадах предварительного усиления.

.        Определение высокочастотных и низкочастотных параметров транзисторов предвыходных каскадов в рабочей точке.

.        Определение количества каскадов предварительного усиления.

.        Полный электрический расчет каскадов предварительного усиления по постоянному и переменному току, аналогичный расчету выходного каскада.

.        Выбор схемы входного каскада в зависимости от требуемого входного сопротивления усилителя. Как правило, выбор производится между каскадом с ОЭ, эмиттерным повторителем и каскадом на полевом транзисторе.

.        Расчет вспомогательных цепей: фильтры питания, разделительные и блокировочные конденсаторы.

.        Принятие решения о необходимости применения низкочастотной коррекции всех или части каскадов усиления.

.        Определение суммарных параметров усилителя (с учетом всех обратных связей и цепей коррекции) и сравнение их с техническим заданием.

.        В случае несоответствия параметров рассчитанного усилителя техническому заданию принимается решение о необходимости изменения схемы усилителя или параметров его каскадов. Производится возврат на соответствующий этап расчета.

.        Расчет мощностей, рассеиваемых на резисторах, напряжений, действующих на конденсаторах, и токов, протекающих через катушки индуктивности. Выбор типов этих элементов.

.        Компьютерное моделирование разработанной схемы усилителя.

.       
Расчет выходного каскада

.1 Выбор транзистора в выходном каскаде

Выбор типа биполярного транзистора для выходного каскада осуществляется по трем основным параметрам:

)        По граничной частоте транзистора ():

 

)        По максимальному допустимому напряжению коллектор- эмиттер транзистора ():

,

где  - коэффициент запаса;  - минимальное напряжение коллектор-эмиттер. Для нашего транзистора выберем  и .

.

)        По максимальному току коллектора транзистора ( ):

 ,

где  - импульс тока коллектора; - импульс тока в нагрузке;  - коэффициент, учитывающий наличие в каскаде активной коллекторной нагрузки .

Величина импульса тока в нагрузке  для активной нагрузки рассчитывается по формуле: .

Возьмем  и коэффициент запаса , т.к. (), тогда максимальный ток коллектора равен:

.

..

Этим требованиям отвечает транзистор MJE253 структуры p-n-p. Перечень основных параметров транзистора приведен в таблице 2 (см. ниже).

Таблица 2. Основные электрические параметры транзистора MJE253.

Расшифровка обозначения

Обозначение

Величина

Граничная частота коэффициента передачи тока в схеме с общим эмиттером

,[MГц]

40

Максимальный ток коллектора

, [А]

4

Максимальный импульсный ток коллектора

, [A]

8

Максимальное напряжение коллектор - эмиттер

,[В]

100

Максимальная мощность, рассеиваемая на коллекторе

15

Распределенное сопротивление базы

, [Ом]

15

Модуль коэффициента передачи тока на высокой частоте в схеме с ОЭ

2.1

Емкость коллекторного перехода при напряжении

, []

Входная проводимость в схеме с ОЭ на низкой частоте

,[мСм]

110

Проводимость прямой передачи в схеме с ОЭ на низкой частоте

,[]

5,3

Выходная проводимость в схеме с ОЭ на низкой частоте

,[мСм]

1,6

Минимальное значение статического коэффициента передачи тока базы в схеме с ОЭ

40

Максимальное значение статического коэффициента передачи тока базы в схеме с ОЭ

180

Обратный ток коллекторного перехода при температуре 25…60

,[мкА]

1

Тепловое сопротивление переход - корпус

,[]

8.34

Тепловое сопротивление корпус - среда

, []

80

Максимальная температура перехода

, []

150


Значения g - параметров транзистора измерены при  и

.2      Выбор режима работы выходного каскада по постоянному и переменному току

Задачей этого пункта является выбор режима работы выходного каскада. Пусть выходной транзистор будет включен по схеме общий эмиттер. Определение рабочего отрезка нагрузочной прямой начинают с определения координат точки (А), которую часто называют рабочей точкой. Ток коллектора в рабочей точке () должен удовлетворять условию:

 

где - диапазон разброса параметра и определяется как среднее геометрическое

 

 

 

Пусть рабочая точка (А) имеет координату по оси тока коллектора равную .

Напряжение коллектор - эмиттер в рабочей точке можно рассчитать так:

,

где  - минимальное напряжение на транзисторе, при котором он гарантированно не входит в область насыщения.

 

Определим мощность, рассеиваемую транзистором в рабочей точке:

 .

Зная координаты рабочей точки (А), величину импульса тока коллектора  и величину импульса напряжения на нагрузке , нетрудно построить рабочий отрезок нагрузочной прямой (АБ) (рис.3.2.1.).

Рис. 3.2.1. Выбор рабочего отрезка нагрузочной прямой транзистора в выходном каскаде импульсного усилителя.

После определения рабочего отрезка нагрузочной прямой, проверим тепловой режим транзистора. Для этого определим максимальную температуру перехода транзистора:

,

где  - средняя мощность, рассеиваемая транзистором, которую можно рассчитать:

 ,

где  - скважность импульсов.

 

 

Подставляя значение  находим максимальную температуру перехода транзистора:

 .

Полученное значение максимальной температуры перехода не превышает максимально допустимой для выбранного транзистора: ().

На этом выбор режима работы выходного каскада по постоянному и переменному току закончен.

.3      Расчет выходного каскада по постоянному и переменному току, включающий расчет элементов задания и стабилизации режима

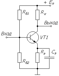
Для задания и стабилизации режима работы транзистора в усилительном каскаде, чаще всего используется схема эмиттерной стабилизации рабочей точки транзистора (рис.3.3.1.). При этом режим работы транзистора определяется четырьмя элементами: коллекторной нагрузкой , сопротивлением резистора обратной связи по току , и резисторами делителя напряжений в цепи базы  и .

Рис. 3.3.1. Схема эмиттерной стабилизации режима работы транзистора.

Расчет элементов стабилизации режима работы транзистора начинается с определения величины коллекторной нагрузки . Величина  определяется из полного сопротивления нагрузки каскада по переменному току , которое представляет собой параллельное соединение  с активной составляющей нагрузки каскада :

 

Полное сопротивление нагрузки по переменному току определяется наклоном нагрузочной прямой на выходных ВАХ транзистора (см. рис. 3.2.1.) и рассчитывается как

 

Определив величину , рассчитаем сопротивление коллекторной нагрузки:

 

Далее необходимо определить напряжение питания каскада, которое складывается из падения напряжения на коллекторной нагрузке , падение напряжения на сопротивлении обратной связи и напряжения коллектор-эмиттер в рабочей точке:

 

где  - коэффициент, определяющий величину падения напряжения на сопротивлении обратной связи .

 

Полученное напряжение питания округлим до стандартного значения .

Зная напряжение питания каскада рассчитаем величину сопротивления :

 

Округлим до ближайшего значения

Зная сопротивление находим сопротивление нагрузки для постоянного тока:

 

и составим уравнение нагрузочной прямой для постоянного тока:

 

Построим нагрузочные прямые по постоянному и переменному току. Нагрузочная прямая по постоянному току пересекается с нагрузочной прямой переменного тока в рабочей точке (А). Они изображены на рис. 3.3.2.

Рис. 3.3.2. Нагрузочные прямые по постоянному и переменному току.

Ток базы в рабочей точке  находим по семейству выходных статистических ВАХ транзистора (см. выше рис. 3.3.2.):

.

Для расчета сопротивлений базового делителя необходимо задаться током делителя . Чем больше ток делителя, тем выше стабильность режима работы, но тем больше мощность, рассеиваемая резисторами  и , и тем меньше входное сопротивление каскада. Для получения приемлемой стабильности режима ток делителя должен как минимум в несколько раз превосходить ток базы в рабочей точке. Обычно величина тока базового делителя должна удовлетворять условию:

 

 

 

Выберем ток делителя .

Используя семейство входных статистических ВАХ транзистора, по известному току  и напряжению  находим напряжение база - эмиттер в рабочей точке  (рис. 3.3.3.).

Рис. 3.3.3. Выбор напряжения база - эмиттер в рабочей точке.

.

По известному току делителя и напряжению база - эмиттер в рабочей точке находим сопротивление резисторов делителя, обеспечивающие это напряжение:

 

Округлим до ближайшего номинального значения .

 

Номинальное значение в ряду стандартных сопротивлений

Получили следующие параметры:

 

,

 

 

 

По рассчитанным параметрам элементов стабилизации режима работы транзистора следует рассчитать величину относительной нестабильности тока коллектора:

 

где  - абсолютное изменение тока коллектора при изменении температуры кристалла транзистора; - абсолютное изменение напряжения база - эмиттер при изменение температуры перехода на величину  ;  - абсолютное изменение обратного тока коллекторного перехода при изменении температуры; ,  - коэффициенты, учитывающие работу схемы эмиттерной стабилизации тока коллектора транзистора;  - общее сопротивление в цепи базы;  и  - g-параметры транзистора в рабочей точке при комнатной температуре.

Взяв из пункта 3.2. максимальную температуру перехода транзистора  определим минимальную температуру перехода:

 

 

Изменение температуры перехода транзистора:

 

Абсолютное изменение напряжения база - эмиттер:

.

 определим используя зависимости обратного тока коллектора  от температуры, приведенные на рис. 3.3.4.

Рис. 3.3.4. Типовые нормированные зависимости обратного тока коллекторного перехода от температуры.

На рис.3.3.4.  - обратный ток коллектора при температуре перехода  ;  - обратный ток коллектора при комнатной температуре (берем из табл. 2); зависимость 1 соответствует кремниевым транзисторам малой мощности (); зависимость 2 соответствует кремниевым транзисторам средней мощности (). Следовательно выбираем зависимость 2 по которой находим нормированное значение изменения обратного тока коллекторного перехода  при изменении температуры перехода на величину :

 

Тогда абсолютное изменение обратного тока коллекторного перехода:

.

Для нахождения коэффициентов  и  рассчитаем g - параметры транзистора в рабочей точке при комнатной температуре, используя справочные значения , и , взятые из табл.2:

 

 

И общее сопротивление в цепи базы  равно:

 

Зная  и g - параметры найдем коэффициенты  и :

 

 

 

Рассчитаем величину относительной нестабильности тока коллектора транзистора , по уже известным значениям (для каскадов импульсных усилителей она не должна превышать 0,25):

 

 

 

.4      Определение низкочастотных и высокочастотных параметров транзистора

Для расчета каскада импульсного усилителя необходимо определить четыре низкочастотных и три высокочастотных параметра транзистора. Для определения g - параметров в заданной точке можно воспользоваться справочными значениями g - параметров, пересчитав их к нужному положению рабочей точки транзистора. В нашем случае возьмем справочные значения и пересчитаем их в средней точке.

 

Рис. 3.4.1. Выбор положения средней точки нагрузочной прямой транзистора в выходном каскаде импульсного усилителя.

По оси напряжения коллектор - эмиттер находим координату средней точки:

.

Зная значение тока коллектора в средней точке, рассчитаем g - параметры, для которых выполняется условие  (малой величиной обратной проводимости передачи обычно пренебрегают и принимают ):

 

 

 

Проверим правильность нахождения g - параметров:

 

В качестве высокочастотных параметров транзистора при расчете каскадов импульсного усиления используются три параметра: емкость коллекторного перехода , объемное сопротивление базы  и постоянную времени транзистора .

 

где  - справочное значение емкости, измеренное при напряжении  (см. табл. 2):

 

Объемное сопротивление базы  приведено в табл. 2:

Постоянную времени транзистора  в средней точке рассчитаем по следующей формуле:

 

где - крутизна транзистора;  - граничная частота транзистора;  - параметр, зависящий от типа и технологии производства транзистора. Выберем .

 

.5      Расчет коэффициента усиления и времени установления выходного каскада по переменному току

Для коэффициента усиления и времени установления необходимо выполнение условия:

 

 

 

 

 

 

 

Рассчитаем коэффициент усиления выходного каскада, зная сопротивление  и крутизну транзистора :

 


,

где  - эквивалентная постоянная времени

 - постоянную времени транзистора;

, -постоянные времени,  Рассчитаем постоянные времени

 

.

По уже рассчитанным параметрам находим эквивалентную постоянную времени:

.

Тогда время установления выходного каскада равно:

 

Таким образом, получаем, что коэффициент усиления слишком большой. Следовательно, нужно вводить отрицательную обратную связь (ООС) по току (эмиттерная коррекция).

.6      Окончательный расчет выходного каскада по переменному току с учетом введенных цепей обратной связи и коррекции

Для уменьшения  в эмиттерную цепь выходного каскада вводится ООС по току, которую обеспечивают конденсаторы  и , и сопротивления и  (рис. 3.6.3.). Чтобы не менять режим работы транзистора по постоянному току сопротивление эмиттера  разбиваем на два сопротивления  и , т.е. их сумма равна:

 

Зададимся рассчитанным в п. 3.4. и нужным коэффициентом усиления:

 ,

 ,

где их отношение равно:  - глубина обратной связи, отсюда следует, что  равно:

 

 

Ближайшее номинальное значение . Тогда  равно:

.

Рассчитываем :

 

Тогда коэффициент усиления выходного каскада равен:

 

Время установления выходного каскада с эмиттерной коррекцией, можно определить по формуле:

 где

,

 

 

 

 

Емкость нагрузки возьмем такую же как и п. 3.5. .

Пусть емкость коррекции равна

 

 

в формулы постоянные времени находим эквивалентные безразмерные постоянные времени:

 

 

 

 

Найдем коэффициенты  и :

 

Определим выброс, не превышающий 3.5%, по зависимости выброса  от коэффициента  при разных коэффициентах  (рис. 3.6.1.):

Рис. 3.6.1. Зависимость выброса  от коэффициента  при разных коэффициентах .

Выброс, найденный по зависимости равен  , что не превышает заданного равного 3.5%.

Находим безразмерную величину обобщенного времени установления:

 

Время установления корректированного выходного каскада равно:

 

Введя высокочастотную коррекцию в эмиттерную цепь выходного каскада уменьшили коэффициент усиления и время установления. Схема корректированного выходного каскада показана на рис. 3.6.3. :

Рис. 3.6.2. Схема корректированного выходного каскада.

.7 Определение входного сопротивления и входной емкости выходного каскада

 входное сопротивление и входную емкость можно рассчитать по формулам:

 

,

где .

Проверим данное условие:

 

Это условие выполняется, рассчитываем  и :

 

 

Причем входное сопротивление и входная емкость выходного каскада являются параметрами нагрузки, на которую будет работать предвыходной каскад.

Таким образом, получили следующие результаты:

.

,

 

 

 

На этом расчет выходного каскада закончен!

4. Расчет предварительных каскадов

.1 Выбор транзистора для предварительных каскадов.

Выбор типа транзистора в каскадах предварительного усиления определяется, как и в выходном каскаде, по следующим параметрам:

1)      По граничной частоте транзистора ():

 

)        По максимальному допустимому напряжению коллектор- эмиттер транзистора ():

,

где - амплитуда импульса напряжения на выходе последнего предварительного каскада. Для нашего транзистора выберем  и .

.

)        По максимальному току коллектора транзистора ( ):

 ,

где  - импульс тока коллектора, где . Для нашего транзистора возьмем коэффициент  и коэффициент запаса  найдем максимальный ток коллектора:

 

А величина импульса тока коллектора равна: .

 

В предварительных каскадах используем транзистор 2N4400 структуры n-p-n. Перечень основных параметров транзистора приведен в таблице 3 (см. ниже).

Таблица 3. Основные электрические параметры транзистора 2N4400.

Расшифровка обозначения

Обозначение

Величина

Граничная частота коэффициента передачи тока в схеме с общим эмиттером

, [MГц]

200

Максимальный ток коллектора

, [А]

0,6

Максимальный импульсный ток коллектора

, [A]

1

Максимальное напряжение коллектор - эмиттер

, [В]

40

Максимальная мощность, рассеиваемая на коллекторе

1.2

Распределенное сопротивление базы

, [Ом]

25

Модуль коэффициента передачи тока на высокой частоте в схеме с ОЭ

1.3

Емкость коллекторного перехода при напряжении

 , []

Входная проводимость в схеме с ОЭ на низкой частоте

, [мСм]

30

Проводимость прямой передачи в схеме с ОЭ на низкой частоте

, []

1.7

Выходная проводимость в схеме с ОЭ на низкой частоте

, [мСм]

0.47

Минимальное значение статического коэффициента передачи тока базы в схеме с ОЭ

50

Максимальное значение статического коэффициента передачи тока базы в схеме с ОЭ

150

Обратный ток коллекторного перехода при температуре 25…60

, [мкА]

10

Тепловое сопротивление переход - корпус

, []

83.3

Тепловое сопротивление корпус - среда

, []

120

Максимальная температура перехода

, []

150

Значения g - параметров транзистора измерены при  и

.7     

.2      Выбор режима работы транзисторов в каскадах предварительного усиления

Предварительные каскады включены по схеме общий эмиттер. Необходимо выбрать рабочую точку (А) на семействе выходных статических характеристик транзистора. Для того чтобы выбрать режим работы по постоянному току, необходимо выбрать ток коллектора () и напряжение () в рабочей точке. Необходимо учесть, что:

 

 

условие не выполняется, поэтому я выбрала транзистор 2N4400 структуры n-p-n.

Поэтому выбираем координату рабочей точки по оси тока коллектора равную , а по оси напряжения коллектор-эмиттер равную

,

где  - минимальное напряжение на транзисторе, при котором он гарантированно не входит в область насыщения.

 

Определим мощность, рассеиваемую транзистором в рабочей точке:

 .

Зная координаты рабочей точки (А), величину импульса тока коллектора  и амплитуду импульса напряжения на выходе последнего предварительного каскада , определим режим работы по переменному току, построив рабочий отрезок нагрузочной прямой АБ на выходных статистических ВАХ транзистора (рис.4.2.1.).

Рис. 4.2.1. Выбор рабочего отрезка нагрузочной прямой транзистора в предварительных каскадах импульсного усилителя.

После определения рабочего отрезка нагрузочной прямой проверим тепловой режим транзистора. Для этого определим максимальную температуру перехода транзистора:

,

где  - средняя мощность, рассеиваемая транзистором, которую можно рассчитать:

 ,

где -скважность импульсов, тогда средняя мощность равна:

 

 

Подставляя значение  находим максимальную температуру перехода транзистора:

 .

Полученное значение максимальной температуры перехода не превышает максимально допустимой для выбранного транзистора: ().

На этом выбор режима работы транзисторов в каскадах предварительного усиления по постоянному и переменному току закончен.

.3      Определение параметров транзистора в рабочей точке

Для нахождения низкочастотных и высокочастотных параметров в рабочей точке воспользуемся справочными значениями, взятые из табл.3:

 

Рассчитаем низкочастотные g - параметры, для которых выполняется условие  (малой величиной обратной проводимости передачи обычно пренебрегают и принимают ):

 

 

 

Проверим правильность нахождения g - параметров:

 

В качестве высокочастотных параметров транзистора при расчете используются три параметра: емкость коллекторного перехода , объемное сопротивление базы  и постоянную времени транзистора .

 

где  - справочное значение емкости, измеренное при напряжении  (см. табл. 3):

 

Объемное или распределенное сопротивление базы  приведено в табл. 3:

Постоянную времени транзистора  в рабочей точке рассчитаем по следующей формуле:

 

где  - крутизна транзистора в средней точки;  - граничная частота транзистора;  - параметр, зависящий от типа и технологии производства транзистора. Выберем

 

.4     
Определение количества предварительных каскадов

Число предварительных каскадов зависит от требуемого коэффициента усиления этих каскадов  , от допустимого времени установления  и параметров используемого усилительного элемента.

Коэффициент усиления предварительных каскадов

 

а их время установления

 

где  , А=1.5…2-запас по усилению,  - общий коэффициент усиления и время установления всего усилителя, индексы «вх» и «вых» означают принадлежность данных параметров соответственно к входной и выходной цепи усилителя.

Коэффициент и время  определены при расчете выходного каскада, а коэффициентом  и временем  надо задаться. Так как входное сопротивление усилителя , то входной каскад выполнен на полевом транзисторе, который имеет коэффициент усиления , а время установления . Выберем коэффициент усиления  и время установления  и найдем время установления  и коэффициент усиления предварительных каскадов  :

 

 

Определив требуемый коэффициент усиления и допустимое время установления, задаемся ориентировочно числом предварительных каскадов , и находим коэффициент усиления и требуемое для его реализации активное сопротивление нагрузки переменному току:

 

 

Находим импульсную добротность каскада:

 

 

=

.6 МГц36.2 МГц

Это условие выполняется, значит, транзистор в предварительных каскадах и число каскадов выбраны верно.

5. Расчет первого предварительного каскада по постоянному и переменному току

.1 Расчет элементов стабилизации первого предварительного каскада

Расчет первого предварительного каскада по постоянному и переменному току, проводим аналогично расчету выходного каскада.

Найдем сопротивление коллекторной нагрузки :

 

Округляем до номинала .

Определим напряжения питания каскада:

 

где  - коэффициент, определяющий величину падения напряжения на сопротивлении обратной связи .

 

Из стандартного ряда напряжений выберем напряжение питания. .

Зная напряжение питания каскада и координаты рабочей точки рассчитаем сопротивление в цепи эмиттера:

 

 

Ток базы в рабочей точке  находим по семейству выходных статистических ВАХ транзистора (см. выше рис. 4.2.1.):

.

Для расчета сопротивлений базового делителя необходимо задаться током делителя . Чем больше ток делителя, тем выше стабильность режима работы, но тем больше мощность, рассеиваемая резисторами  и , и тем меньше входное сопротивление каскада. Для получения приемлемой стабильности режима ток делителя должен как минимум в несколько раз превосходить ток базы в рабочей точке. Обычно величина тока базового делителя должна удовлетворять условию:

 

 

 

Выберем ток делителя .

Используя семейство входных статистических ВАХ транзистора, по известному току  и напряжению  находим напряжение в рабочей точке  (рис. 5.1.1.).

Рис. 5.1.1. Выбор напряжения база - эмиттер в рабочей точке.

.

По известному току делителя и напряжению база - эмиттер в рабочей точке находим сопротивление резисторов делителя, обеспечивающие это напряжение:

 

Округлим до ближайшего номинального значения .

 

Округлим до ближайшего номинального значения .

В итоге получили следующие параметры:

 

,

 

 

 

По рассчитанным параметрам элементов стабилизации режима работы транзистора следует рассчитать величину относительной нестабильности тока коллектора:

 

где  - абсолютное изменение тока коллектора при изменении температуры кристалла транзистора; - абсолютное изменение напряжения база - эмиттер при изменение температуры перехода на величину  ;  - абсолютное изменение обратного тока коллекторного перехода при изменении температуры; ,  - коэффициенты, учитывающие работу схемы эмиттерной стабилизации тока коллектора транзистора;  - общее сопротивление в цепи базы;  и - g-параметры транзистора в рабочей точке при комнатной температуре.

Взяв из пункта 4.2. максимальную температуру перехода транзистора  определим минимальную температуру перехода:

 

 

Изменение температуры перехода транзистора:

 

Абсолютное изменение напряжения база - эмиттер:

.

 определим используя типовые нормированные зависимости обратного тока коллекторного перехода от температуры, приведенные на рис. 5.1.2.

Рис. 5.1.2. Типовые нормированные зависимости обратного тока коллекторного перехода от температуры.

Так как наш транзистор малой мощности () на рис.5.1.2. выбираем зависимость 1 по которой находим нормированное значение изменения обратного тока коллекторного перехода  при изменении температуры перехода на величину :

 

Тогда абсолютное изменение обратного тока коллекторного перехода:

.

Для нахождения коэффициентов  и  рассчитаем сопротивление:

 

Найдем коэффициенты  и :

 

 

 

Рассчитаем величину относительной нестабильности тока коллектора транзистора :

 

 

 

.2      Расчет времени установления первого предварительного каскада

Время установления первого предварительного каскада должно удовлетворять условию:

 

Чтобы определить время установления первого предварительного каскада найдем эквивалентную постоянную времени:

 

 

.

Определим эквивалентную постоянную времени:

.

Тогда время установления первого предварительного каскада равно:

 

Таким образом, получаем, что время установления первого предварительного каскада большое, условие не выполняется, значит, нужно вводить параллельную коррекцию (индуктивную коррекцию), которая позволит при том же коэффициенте усиления, приходящийся на один предварительный каскад , получить значительно меньшее время установления.

Время установления первого предварительного каскада с индуктивной высокочастотной коррекцией, можно определить по следующей формуле:

 

где

Коэффициенты  и  находятся по следующим формулам:

 

где

Пусть индуктивность коррекции равна , тогда постоянная времени  равна:

 

 

 

 

Найдем коэффициенты  и  и определим выброс, не превышающий 3.5%, по зависимости выброса  от коэффициента при разных коэффициентах  (рис. 3.6.1.):

 

Рис. 5.2.1. Зависимость выброса  от коэффициента  при разных коэффициентах .

Выброс, найденный по зависимости равен  , что не превышает заданного равного 3.5%.

По найденным коэффициентам  и  найдем безразмерную величину обобщенного времени установления , которая находится по зависимости этой величины от коэффициента  при разных коэффициентах  (см. ниже рис. 5.2.2).

Рис. 5.2.2. Зависимость обобщенного времени установления  от коэффициента  при разных коэффициентах .

Безразмерная величина обобщенного времени установления равна . Тогда время установления корректированного первого предварительного каскада равно:

 

Что соответствует условию:

 

 

Введя индуктивную высокочастотную коррекцию, мы уменьшили время установления.

Рис. 5.2.3. Схема корректированного первого предварительного каскада.

.3      Определение входного сопротивления и входной емкости первого предварительного каскада

Найдем входное сопротивление и входную емкость корректированного первого предварительногокаскада для активной нагрузки, при условии, что  Проверим данное условие:

 

Это условие выполняется, следовательно  и  рассчитываются по следующим формулам:

 

 

где . Выполнив подстановку, получим:

 

 

Таким образом, получили следующие результаты:

 

,

 

 

 

На этом расчет первого предварительного каскада закончен!

.       
Расчет второго предварительного каскада по постоянному и переменному току

6.1    Расчет элементов стабилизации второго предварительного каскада

Расчет второго предварительного каскада по постоянному и переменному току, проводим аналогично расчету первого предварительного каскада. Предварительные каскады должны быть одинаковыми, т.е. у них остается неизменным положение рабочей точки.

Пересчитаем сопротивление коллекторной нагрузки :

 

Округляем до номинала .

Определим напряжения питания каскада:

 где

 

Из стандартного ряда напряжений выберем напряжение питания. .

Зная напряжение питания каскада и координаты рабочей точки, проверим не изменится ли сопротивление в цепи эмиттера :

 

 

Рассчитаем сопротивления базового делителя  и ,

 

Округлим до ближайшего номинального значения .

.

В итоге получили следующие параметры:

 

,

 

 

 

Так как элементы стабилизации второго предварительного каскада не отличаются от первого каскада, то относительную величину нестабильности примем

.2      Расчет времени установления второго предварительного каскада

Время установления второго предварительного каскада должно удовлетворять условию:

 

Чтобы определить время установления второго предварительного каскада найдем эквивалентную постоянную времени:

где , ,

.

Определим эквивалентную постоянную времени:

.

Тогда время установления второго предварительного каскада равно:

 

Что соответствует необходимым условиям:

 

,

значит, что коррекцию вводить не нужно.

.3      Определение входного сопротивления и входной емкости второго предварительного каскада

Исходя из того, что первый и второй предварительный каскад имеет одинаковые параметры, равные сопротивления базового делителя  и , то входные сопротивления и входные емкости первого и второго предварительного каскада также буду равны между собой:

 

 

Таким образом, получили следующие результаты:

 

,

 

 

 

Рис. 6.3.1. Схема второго предварительного каскада без коррекции.

На этом расчет второго предварительного каскада закончен!

.       
Расчет входного каскада


По техническому заданию, входной каскад усилителя должен иметь входное сопротивление не менее 15 кОм. Такое входное сопротивление легко обеспечить, если применить полевой транзистор с управляющим p-n переходом.

Во входном каскаде используем полевой транзистор 2N3971 с управляющим р-n переходом и каналом n-типа.

Таблица 4. Основные электрические параметры транзистора 2N3971.

Расшифровка обозначения

Обозначение

Величина

Максимальная частотаусиления

,[MГц]

100

Максимальный ток стока

, [мА]

75

Максимальное напряжение сток - исток

,[В]

40

Максимальная рассеиваемая мощность

1.8

Максимальное напряжение затвор - исток

,[В]

40

Напряжение отсечки

,[В]

3

Ток утечки затвора

, [нА]

0.3

Средняя крутизна транзистора

, []

30

Емкость затвор - исток (входная емкость)

,[пФ]

25

Емкость затвор - сток (проходная емкость)

,[пФ]

8

Емкость сток - исток (выходная емкость)

, [пФ]

2

Тепловое сопротивление переход среда

, []

250

Максимальная температура перехода

,[]

125


.2      Выбор режима работы транзистора

Задачей является выбор режима работы входного каскада. Пусть полевой транзистор будет включен по схеме с общим истоком. Положение рабочей точки полевого транзистора определяется тремя координатами: постоянный ток стока (), постоянное напряжение сток-исток (), и постоянное напряжение затвор-исток (). Необходимо учесть, что ток стока  в рабочей точке входного каскада не должен превышать ток покоя в предварительном усилителе :

 

Напряжение в рабочей точке входного каскада сток-исток  должно быть меньше, чем напряжение в рабочей точке предварительных каскадов  :

 

Выберем точку с координатами:  ;  и зададимся напряжением затвор-исток .

Определим мощность, рассеиваемую транзистором в рабочей точке:

 .

Проверим тепловой режим транзистора. Для этого определим максимальную температуру перехода транзистора:

,

где  - тепловое сопротивление переход-среда; -средняя мощность, рассеиваемая транзистором практически равная мощности рассеиваемой в рабочей точке .

Подставляя

 

Полученное значение максимальной температуры перехода не превышает максимально допустимой для выбранного транзистора: ().

На этом выбор режима работы входного каскада по постоянному и переменному току закончен.

.3      Расчет элементов стабилизации, времени установления, входного сопротивления и входной емкости входного каскада

Для стабилизации режима работы транзистора во входном каскаде используется схема с общим истоком (рис.7.1.1.). При этом режим работы транзистора определяется четырьмя элементами: сопротивлением стока , сопротивлением истока , и резисторами делителя напряжений в цепи затвора  и .

Рис. 7.1.1. Схема с общим истоком.

Определим эквивалентное сопротивление, зная коэффициент усиления входного каскада , и крутизну транзистора :

 

Найдем сопротивление стока :

 

Округляем до номинала .

Напряжение питания каскада складывается из падения напряжения на сопротивлении стока , падения напряжения на сопротивлении истока  и напряжения на сток - исток в рабочей точке :

 

Напряжение питания для входного каскада возьмем таким же, как и в предварительном усилителе: .

Зная напряжение питания каскада и координаты рабочей точки рассчитаем сопротивление истока :

 

Для того чтобы рассчитать сопротивления в цепи затвора  и , составим уравнение, используя второй закон Кирхгофа:

 

Так как входное сопротивление входного каскада вычисляется по формуле:

 то уравнение примет вид:

 

Отсюда найдем сопротивления в цепи затвора  и  :

 

 

Округлим их до номинальных значений и рассчитаем входное сопротивление:

 

 

Для нахождения входной емкости используем три высокочастотных параметра, взятых из табл. 4: емкость затвор-исток (входная емкость) , емкость затвор-сток (проходная емкость) , емкость сток-исток (выходная емкость) .

 

Для расчета времени установления воспользуемся высокочастотными параметрами и входной емкостью предварительного усилителя, которая является нагрузкой для входного каскада . Общая емкость нагрузки входного каскада равна:

.

Зная общую емкость нагрузки, рассчитаем время установления

 

Так как рассчитанное время установления входного каскада практически не отличается от заданного (=75нс), то никакой коррекции вводить не нужно.

Параметры входного каскада, полученные в ходе расчета:

 

,

 

 

 

На этом расчет входного каскада закончен!

.       
Расчет вспомогательных цепей

 

 

Выберем в качестве разделительных  в качестве блокировочных . Во всех каскадах будем использовать именно эти конденсаторы.

Рассчитаем спад плоской вершины импульса, создаваемый этими конденсаторами для каждого каскада.

.        В выходном каскаде.

Спад плоской вершины импульса за счет цепи связи в выходном каскаде рассчитывается по формуле:

 

где к Ом - сопротивление коллекторной нагрузки;  - активная нагрузка выходного каскада;  - длительности импульса.

 

Спад плоской вершины импульса за счет цепи эмиттера находится как

 

где  и  - низкочастотные параметры в рабочей точке выходного каскада.

 

Суммарный спад плоской вершины импульса в выходном каскаде равен:

 

.        В первом предварительном каскаде.

Спад плоской вершины за счет цепи связи рассчитывается по той же самой формуле, только для первого предварительного каскада нагрузкой является входное сопротивление выходного каскада , и сопротивление коллекторной нагрузки равно .

 

Спад плоской вершины импульса за счет цепи эмиттера рассчитаем, пользуясь той же формулой, взяв g-параметры в рабочей точке первого предварительного каскада:

 

Суммарный спад плоской вершины импульса в первом предварительном каскаде равен:

 

.        Во втором предварительном каскаде.

Спад плоской вершины за счет цепи связи во втором каскаде рассчитывается аналогично первому, только для второго предварительного каскада нагрузкой является входное сопротивление первого каскада , и сопротивление коллекторной нагрузки немного отличается от первого предварительного каскада .

 

Спад плоской вершины импульса за счет цепи эмиттера будет точно таким же, как и в первом предварительном каскаде, т.к. эти каскады имеют одинаковые g-параметры.

 

Суммарный спад плоской вершины импульса вовтором предварительном каскаде равен:

 

.        Во входном каскаде.

Спад плоской вершины импульса за счет цепи связи в входном каскаде определим также как и предыдущих каскадах, используя сопротивление стока  ивходное сопротивление второго предварительного каскада , которое выступает в качестве нагрузки.

 

Спад плоской вершины импульса за счет цепи истока находиться как

 

где  - крутизна транзистора;  - емкость истока.

 

Суммарный спад плоской вершины в входном каскаде равен:

 

Определим общий спад плоской вершины всего усилителя, он находится как сумма спадов всех каскадов:

Полученный спад удовлетворяет техническому задания, т.е. он меньше чем 3.5%.

.       
Определение суммарных показателей рассчитываемого усилителя

Зная коэффициент усиления каждого каскада, рассчитаем коэффициент усиления всего нашего каскада и сравним его с техническим заданием.

Заданный коэффициент равен:

 

Найдем коэффициент всего нашего усилителя:

 

Рассчитанный коэффициент усиления совпадает с заданным.

По аналогии, зная время установления каждого каскада, найдем время установления всего нашего усилителя:

 

Основные параметры занесем в таблицу 5.

Таблица 5. Основные параметры усилителя.

Параметр

Обозначение

Величина

Время установления

, [нс]

160

Выброс

, [%]

1.4

Входное сопротивление

, [кОм]

15.122

Спад плоской вершины

, [%]

1.637

Напряжение питания

, [В]

12, 80

Коэффициентусиления

3667

10.    Расчет мощностей рассеиваемых на резисторах, напряжений, действующие на конденсаторы, и токов, протекающие через катушки индуктивности

1.      Выходной каскад.

Расчет мощностей, рассеиваемых на резисторах:

 

 

 

 

 

Расчет напряжений, действующих на конденсаторы:

 

 

.        Первый и второй предварительный каскад.

Мощность, рассеиваемая на резисторах, и напряжения, действующие на конденсаторы, и в первом и во втором предварительном каскаде будут одинаковыми, т.к. параметры схемы почти не отличаются.

Расчет мощностей, рассеиваемых на резисторах:

 

 

 

 

Расчет напряжений, действующих на конденсаторы:

 

.        Входной каскад.

Расчет мощностей, рассеиваемых на резисторах:

 

 

 

 

Расчет напряжений, действующих на конденсаторы:

 

Похожие работы на - Расчет и проектирование импульсного усилителя

 

Не нашли материал для своей работы?
Поможем написать уникальную работу
Без плагиата!
Без нейросетей!