Усилитель звуковой частоты с однотактным трансформаторным выходным каскадом
Содержание
Введение
. Обзор
существующих схемотехнических решений построения усилителя звуковой частоты
.1
Однотактный усилитель звуковой частоты с трансформаторным выходом
.2 Двухтактный
усилитель звуковой частоты с трансформаторной связью
.3
Двухтактный усилитель звуковой частоты с бестрансформаторной связью
. Разработка
принципиальной схемы усилителя звуковой частоты с однотактным трансформаторным
оконечным каскадом
.1 Описание
структурной схемы усилителя
.2 Описание
принципиальной схемы усилителя
. Расчет
принципиальной схемы усилителя звуковой частоты
.1
Предварительный расчёт усилителя
.2 Расчёт
оконечного каскада усилителя
.3 Расчёт
предварительного каскада
.4 Расчёт
входного каскада
Заключение
Список
литературы
Приложение
Введение
Для увеличения напряжения или силы тока, а так же мощности
электромагнитных колебаний используются специальные устройства, называемые
усилителями. В соответствии с выполняемыми функциями их принято делить на
усилители напряжения, усилители тока и усилители мощности. По диапазону
усиливаемых частот они делятся на усилители звуковой частоты, усилители
радиочастоты и видеоусилители. Современные усилители звуковой частоты
выполняются преимущественно на биполярных и полевых транзисторах в дискретном
или интегральном исполнении.
Электронные приборы, применяемые для усиления сигналов можно
рассматривать как сопротивления, управляемые входным сигналом. Таким образом
усилитель является активным четырехполюсником. Линейность четырехполюсника,
которая необходима для неискаженной передачи сигнала, обеспечивается надлежащим
выбором режима работы управляемого сопротивления. В данной курсовой работе
рассматриваются вопросы анализа различных схемотехнических решений построения
усилителей звуковой частоты на основе биполярных транзисторов. Данная задача
актуальна, т.к. эти усилители находят широкое применение на практике. Также
становится целью выполнить расчёты оконечного каскада с учётом его качественных
показателей по частотным и нелинейным искажениям, а также предварительного и
выходного каскадов. В качестве источника сигнала применяется микрофон
электродинамический, а в качестве нагрузки используется громкоговоритель.
В данной работе мы рассмотрим усилитель, состоящий из трёх каскадов:
предварительный каскад с общим эмиттером, входной каскад с общим коллектором на
составных транзисторах и оконечный однотактный трансформаторный каскад.
Проведём подробный расчёт и анализ усилителя в целом и каждого из каскадов в
отдельности.
1. Обзор существующих схемотехнических решений построения
усилителя звуковой частоты
.1 Однотактный усилитель звуковой частоты с трансформаторным
выходом, особенности его работы
В однотактных усилителях транзисторы включаются по схеме с общим
эмиттером, общей базой и общим коллектором.
Схема с общей базой по сравнению со схемой с общим эмиттером
характеризуется меньшей величиной нелинейных искажений и меньшей температурной
зависимостью, но значительно большей потребляемой входной мощностью, что в ряде
случаев вызывает необходимость применять в оконечном каскаде более мощный
транзистор. Схема с общим коллектором используется в каскадах без выходного
трансформатора, так как обеспечивает непосредственное согласование выхода
усилителя с низкоомной внешней нагрузкой. Но в отличие от других схем эта схема
во избежание теплового пробоя транзисторов нуждается в дополнительной
температурной стабилизации и требует более тщательной электрической
регулировки.
В качестве предварительных каскадов усиления наиболее часто используют:
каскад с общим эмиттером, каскад с общей базой, каскад с общим коллектором.
В схеме с общей базой базовый вывод транзистора является общим по
отношению к входному и выходному сигналам, так как он подключен к нулевому
потенциалу. Данный каскад усиливает сигнал по напряжению и не усиливает по
току. Усилительный каскад, собранный по схеме с общей базой, обладает малым
входным сопротивлением (десятки Ом) и большим выходным сопротивлением (сотни
кОм). Низкое входное сопротивление каскада с общей базой является его
существенным недостатком. Между каскадами, собранными по схеме с общей базой,
приходится включать специальные согласующие устройства (например, понижающие
трансформаторы), что ограничивает применение данной схемы в усилительных
устройствах.
Усилительный каскад, выполненный по схеме с общим эмиттером (рис.1.1.),
широко применяется для усиления электрических сигналов по току, напряжению,
мощности. Здесь эмиттерный вывод транзистора является общим для входного и
выходного сигналов. Основной особенностью схемы с общим эмиттером является то,
что входным током в ней выступает малый по величине ток базы. Поэтому входное
сопротивление каскада с общим эмиттером выше, чем входное сопротивление каскада
с общей базой. Выходное сопротивление в схеме с общим эмиттером также
достаточно велико (десятки кОм). Это позволяет в многокаскадном усилителе
обойтись без специальных согласующих устройств между каскадами. Поэтому схема с
общим эмиттером является наиболее распространенной.
Рис.1.1. Принципиальная схема каскада с ОЭ
В схеме с общим коллектором (рис.1.2), коллекторный вывод является общим
относительно входных и выходных зажимов, так как по цепи переменного тока
коллектор имеет нулевой потенциал благодаря пренебрежимо малому внутреннему
сопротивлению источника питания. Коэффициент усиления данного каскада по
напряжению меньше единицы. Входное сопротивление схемы с общим коллектором
очень велико (порядка десятков и сотен кОм), а выходное, наоборот, мало и
составляет лишь десятки или сотни Ом.
И поэтому каскад с общим коллектором не дает усиления по напряжению и
имеет сравнительно небольшой коэффициент усиления по мощности. Данная схема
применяется в основном для согласования сопротивлений между отдельными
каскадами усилителя или между выходом усилителя и низкоомной нагрузкой. Каскад
с общим коллектором целесообразно также использовать на входе усилителя в тех
случаях, когда входное сопротивление каскада с общим эмиттером оказывается
недостаточным для согласования усилителя с источником входного сигнала.
Рис.1.2. Принципиальная схема с ОК
Наиболее важными параметрами оконечных каскадов
являются эффективность передачи в нагрузку максимально возможной мощности,
коэффициент полезного действия и коэффициент усиления. Известно, что условием
передачи максимальной мощности в цепь нагрузки является равенство ее
сопротивления с выходным сопротивлением источника сигнала. В ряде практических
случаев возникаем необходимость подключения выходного каскада на низкоомную
нагрузку. Универсальным элементом схемы, позволяющим согласовать в широком
диапазоне выходные параметры усилителя с нагрузкой, является трансформатор.
Однако применение трансформатора существенно увеличивает вес и габариты
выходного каскада, снижает его КПД и вносит дополнительные нелинейные искажения
в выходной сигнал. Поэтому стремятся обеспечить согласование указанных цепей
без применения трансформатора на основе современных схемотехнических решений.
Рис.1.3. Принципиальная схема однотактного усилителя мощности с
трансформаторной связью
Преимуществом схемы однотактного усилителя мощности с трансформаторной
связью (рис.1.3.) является то, что нагрузка подключается к выходу через
трансформатор, что позволяет передать максимальную мощность в нагрузку. Недостатками
данной схемы являются: низкий КПД, трансформатор вносит дополнительный
нелинейные искажения, в связи с использованием трансформатора большие
массогабариты.
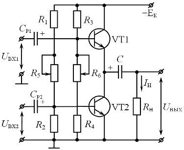
.2 Двухтактный усилитель звуковой частоты с трансформаторной
связью
На
рис.1.4. приведена принципиальная схема усилителя с применением входного
и выходного
трансформаторов,
обеспечивающих согласование каскада по входу с предварительным усилителем и по
выходу с сопротивлением нагрузки
.
Входной
сигнал
подается через первичную обмотку
трансформатора
и
вторичные обмотки
,
на
переходы база-эмиттер транзисторов VT1 и VT2. Причем эти обмотки соединяются
таким образом (начало обмотки обозначено точкой), чтобы получить противофазные
сигналы управления транзисторами и обеспечить их работу поочередно в два такта.
Рис. 1.4. Схема двухтактного усилителя мощности с трансформаторной связью
Мгновенные значения сигналов в схеме приведены на временных диаграммах на
рис. 1.5.
Рис.1.5. Временные диаграммы токов и напряжений в двухтактном усилителе
мощности
В
интервале времени t0 ¸ t1
на выводе трансформатора ТР1 - начало обмотки
присутствует положительное напряжение, поэтому
транзистор VT1 находится в проводящем состоянии. Величина его эквивалентного
сопротивления относительно выводов коллектор-эмиттер
определяется мгновенным значением тока базы
. При этом транзистор VT2 будет закрыт, поскольку к
его переходу база-эмиттер прикладывается напряжение сигнала в обратном
направлении и ток в цепи
= 0. По мере увеличения
возрастает
и
уменьшается
. В результате возрастают ток коллектора
, напряжение
и на
нагрузке формируется положительная полуволна напряжения. При изменении
полярности входного сигнала в интервале t1 ¸ t2 процесс формирования отрицательной
полуволны напряжения на
аналогичен. Только в данном случае запирается VT1, а
транзистор VT2 входит в активный режим работы, формируя полуволну напряжения на
первичной обмотке
и на
. Таким
образом, в соответствии с токами в базовых цепях транзисторов формируются
коллекторные токи и напряжения на первичных
,
и вторичной
обмотках
выходного трансформатора
. Изложенный режим формирования выходного сигнала
отображает работу каскада в классе В.
С
целью уменьшения нелинейных искажений выходного напряжения в схему включается
резистор
, как показано пунктиром на рис.1.4. В результате
образуется цепь тока от источника питания
через
резисторы
,
и на
последнем создается постоянное напряжение смещения, которое прикладывается
через вторичные обмотки трансформатора
к
переходам эмиттер-база в прямом направлении. Это напряжение создает токи смещения
в базовых цепях транзисторов, что обеспечивает работу каскада в классе АВ.
Режим
работы в классе В характеризуется положением точки покоя П в начале координат
рис.1.6а. Как видно из графических построений, при подаче входного
синусоидального сигнала
на переходы база-эмиттер транзисторов формируются
искаженные базовые токи
,
. В
режиме класса АВ присутствуют начальные базовые токи смещения, как показано на
рис.1.6б.
Положение
точек покоя П1, П2 обусловливается значением этих токов
при определенных напряжениях смещения на переходах база-эмиттер
,
. В
результате происходит частичная взаимная компенсация нелинейностей
характеристик транзисторов и общая входная характеристика (пунктирная линия,
проходящая через начало координат) становится более линейной, что обеспечивает
уменьшение искажений выходного сигнала.
а)
б)
Рис.1.6. Графическое построение формы базового тока двухтактного
усилителя мощности в классе В (а) и в классе АВ (б)
1.3 Двухтактные усилители звуковой частоты с
бестрансформаторной связью
Усилители данного типа имеют множество схемотехнических решений,
отличающихся способами включения нагрузки и подачи входного сигнала. Этот
сигнал может подаваться без трансформатора с выхода предварительного
фазоинверсного каскада, либо непосредственно подается однофазный входной сигнал
на базовые выводы транзисторов относительно общей точки. В соответствии с этим
меняется конфигурация схемы включения транзисторов. Электропитание схем может
осуществляться от одного либо двух автономных источников, подключенных
относительно общей точки. В первом случае применяют конденсатор С, включенный
последовательно с нагрузкой, рис.1.7.
В
схеме рис.1.7а управление осуществляется противофазными входными сигналами
через разделительные конденсаторы
и
от фазоинверсного каскада. Резисторы
используются в качестве делителей напряжения для
формирования постоянных потенциалов на базах транзисторов и реализации режима
работы класса АВ. Базовые токи смещения задаются не только в соответствии с
выбранным режимом работы, но и с учетом равенства эквивалентных сопротивлений
транзисторов между выводами коллектор - эмиттер в режиме покоя. Для этого
предусмотрена подстройка схемы с помощью потенциометров R5 и R6.
Тогда постоянное напряжение в точке соединения эмиттера и коллектора
транзисторов VT1 и VT2 можно установить равным
/ 2. В этом случае конденсатор С зарядится с указанной
на схеме полярностью через сопротивление
также до
половины значения
. Емкость конденсатора выбирается достаточно большой,
так как при малом сопротивлении
постоянная
времени цепи t = С
будет
определять величину искажений на нижней частоте диапазона. Если частотные
искажения
, вносимые конденсатором С, заданы, то его емкость
определяется выражением:
, мкФ.
а)
б)
Рис. 1.7. Схемы двухтактных бестрансформаторных усилителей с управлением
от фазоинверсного каскада (а) и односигнальным управлением (б)
Как
показано на рис. 1.7а, в интервале времени положительной полуволны напряжения
на базе транзистора VT1 и отрицательной полуволны на VT2 первый транзистор
открывается из-за возрастающего базового тока, а второй закрыт, т.к. его
базовый ток равен нулю. В результате конденсатор С получает дополнительный
заряд по сравнению с режимом постоянного тока от источника питания через
открытый транзистор VT1 и сопротивление
, направление
тока в нагрузке показано стрелкой. После изменения полярности напряжения
входных сигналов закрывается транзистор VT1 и открывается VT2. При этом
заряженный конденсатор С выполняет роль второго источника питания, создавая ток
в цепи нагрузки противоположного направления. Пульсации напряжения на
конденсаторе невелики, если на нижней частоте рабочего диапазона
<<
.
В
схеме рис.1.7б нагрузка подключена также через конденсатор С, однако здесь нет
необходимости в двух противофазных входных сигналах благодаря применению
различных типов транзисторов p-n-p и n-p-n. Режим класса АВ обеспечивается
резистивным делителем напряжения
.
Усилитель мощности выполнен по схеме ОК, поэтому его входное сопротивление
достаточно велико, а ток в цепи делителя
можно
выбрать небольшим, что позволяет увеличить резисторы
и
в
отличие от схемы ОЭ. В результате протекания тока делителя на сопротивлениях
и
выделяется
постоянное напряжение, которое создает прямой ток смещения через переходы
база-эмиттер транзисторов. Сопротивления этих резисторов равны и выбираются
такой величины, чтобы с одной стороны на них не создавалось заметного падения
напряжения входного сигнала, а с другой обеспечивался заданный режим работы
схемы по постоянному току. Совместить выполнение указанных требований можно,
варьируя величиной тока делителя, однако при этом будет изменяться входное
сопротивление каскада.
С
повышением мощности выходного каскада и возрастанием тока в цепи нагрузки
приходится увеличивать емкость конденсатора С для сохранения в заданных
пределах частотных искажений, что увеличивает массу и габариты устройства.
Можно исключить указанный конденсатор путем применения двух источников питания,
включенных по схеме рис. 1.8. На схеме сопротивление
непосредственно включено в общую эмиттерную цепь
транзисторов относительно общей точки. Такое включение может привести к
возникновению постоянного тока в цепи нагрузки и нелинейным искажениям
выходного напряжения. Для устранения этих искажений необходимо использовать
близкие по своим параметрам транзисторы и выполнить настройку схемы таким
образом, чтобы при одинаковых напряжениях источников питания получить равенство
эквивалентных сопротивлений транзисторов между выводами коллектор-эмиттер в
режиме покоя.
Рис.
1.8. Схема двухтактного бестрансформаторного каскада с питанием от двух
источников
биполярный
транзистор трансформаторный каскад
2. Разработка принципиальной схемы усилителя звуковой частоты
с однотактным трансформаторным оконечным каскадом
.1 Описание структурной схемы усилителя
Структурная схема данного усилителя приведена на рис. 2.1 и составлена с
учётом предварительного расчёта усилителя.
Рис.2.1. Структурная схема УЗЧ с однотактным трансформаторным выходным
каскадом.
Структурная схема усилителя звуковой частоты с однотактным
трансформаторным выходным каскадом содержит: входной, предварительный и
оконечный каскады усиления; источник питания ЕК; источник входного
сигнала.
Источник питания ЕК служит для питания схем всех каскадов
заданным напряжением c малыми пульсациями. В качестве источника сигнала
используется электродинамический микрофон с внутренним сопротивлением 0,1 к0м,
сигнал от которого поступает на входной каскад через разделительный конденсатор
С1. Здесь применена схема эмиттерного повторителя на составных транзисторах, в
которой эмиттерный вывод одного транзистора подключается к базе другого, а
коллекторные выводы объединяются вместе и подключаются к одному источнику
питания. В такой схеме ток, усиленный транзистором VТ1, является входным током
транзистора VТ2, поэтому коэффициент усиления по току относительно большой:
КI 0 » ( 1 + b 1) ( 1 + b 2 ),
где b1 и b2 - коэффициенты передачи базового тока транзисторов
VТ1 и VТ2. Также благодаря применению такой схемы включения транзисторов
повышается входное сопротивление каскада, что очень важно для
бестрансформаторного согласования с источником сигнала с большим внутренним
сопротивлением. Недостатком эмиттерного повторителя на составных транзисторах
является сильная зависимость режима покоя от температуры. Схема эмиттерного
повторителя позволяет усиливать сигнал по току, причем коэффициент усиления по
току достигает десятков и сотен (поэтому ток базы в схеме с ОК можно пропускать
значительно меньше, чем в схеме с ОЭ), что позволяет поставить в цепь
резистивного делителя высокоомные резисторы (Rl, R2 и R3), увеличивающие
входное сопротивление.
Через разделительный конденсатор С2 сигнал, усиленный первым каскадом,
поступает на вход предварительного каскада собранного по схеме с ОЭ на
транзисторе VT2. Включение транзистора по схеме с ОЭ позволяет усиливать сигнал
не только по току, но и по напряжению, соответственно и по мощности.
Резистивный делитель собран на резисторах R4 и R5. Цепочка R7С4 необходима для
стабилизации режима работы каскада по постоянному току. Включение в эмиттерную
цепь транзистора резистора R7 создает ООС по постоянному току, которая
стабилизирует ток в указанной цепи, а, следовательно, и положение рабочей точки
при различных возмущающих воздействиях.
Конденсатор С4 шунтирует резистор R7 по переменному току, тем самым,
исключая ООС по переменному току, уменьшающую коэффициент усиления транзистора.
Резистор R8 и конденсатор С5 образуют развязывающий фильтр. Резистор R9
необходим для выделения переменного сигнала на коллекторе транзистора
относительно общей точки, который подается через разделительный конденсатор С3
в цепь оконечного однотактного каскада.
В оконечном каскаде режим работы по постоянному току задается с помощью
резисторов R10, R11. Трансформатор применяется с целью согласования
сопротивления нагрузки с выходным сопротивлением каскада. Это согласование
необходимо для обеспечения передачи максимальной мощности в цепь нагрузки.
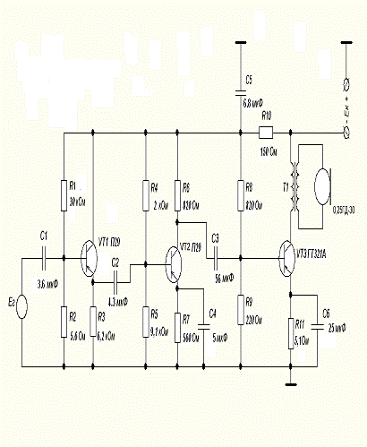
2.2 Описание принципиальной схемы усилителя
Принципиальная схема усилителя звуковой частоты с однотактным
трансформаторным выходным каскадом содержит: входной, предварительный и
оконечный каскады усиления. Данная схема приведена на рис.2.2. и составлена с
учётом предварительного расчёта усилителя.
Входной
каскад. Входной каскад усилителя
выполнен по схеме с общим коллектором на составных транзисторах. На схеме
составные транзисторы заменены одним с коэффициентом передачи базового тока 
одного из
двух транзисторов.
С источника входного сигнала сигнал подается на вход предварительного
каскада усиления через разделительный конденсатор С1. Основным элементом
каскада является биполярный транзистор VT1. В его базовой цепи протекает ток от
источника сигнала относительно малой величины, который управляет током эмиттера
и током коллектора. Значение дифференциального коэффициента усиления
транзистора по току может изменяться для разных типов транзисторов от десятков
до сотен единиц. Другим свойством транзистора, обеспечивающим усиление
напряжения входного сигнала, является высокое сопротивление его коллекторного
перехода. Транзистор можно представить как управляемое входным сигналом
линейное эквивалентное сопротивление Rэ относительно выводов коллектор-эмиттер.
Рис.2.2. Принципиальная схема УЗЧ с однотактным трансформаторным выходным
каскадом.
Образованный делитель напряжения питания Ек из сопротивлений Rэ и Rн
обеспечивает изменение напряжения на коллекторе.
В режиме работы каскада по постоянному току можно выделить ряд
особенностей. Этот режим характеризуется постоянными значениями токов и
напряжений в цепях коллектора, эмиттера и базы транзистора, которые создаются
источником питания. Режим работы каскада по постоянному току следует выбирать
таким образом, чтобы усиление сигнала выполнялось без искажений. В частности,
необходимо получить минимальный коэффициент нелинейных искажений сигнала на
выходе при заданном его динамическом диапазоне. Данный коэффициент отображает
присутствие дополнительных гармонических составляющих в выходном сигнале, когда
на каскад подается синусоидальный сигнал. Появление дополнительных гармоник
обусловлено наличием в вольтамперных характеристиках транзистора нелинейных
участков. Неискаженный режим работы с максимальным динамическим диапазоном
можно получить только в том случае, если точка покоя выбрана в центре линейной
области входных и выходных характеристик транзистора.
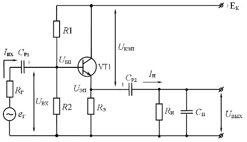
Включение в эмиттерную цепь резистора R3 создает отрицательную обратную
связь по постоянному току, которая стабилизирует ток по указанной цепи, а,
следовательно, положение точки покоя при различных возмущающих воздействиях.
Принцип действия ООС состоит в следующем. С ростом эмиттерного тока возрастает
падение напряжения на резисторе R3, это приводит к увеличению потенциала
эмиттера относительно общей точки при неизменном потенциале базы, заданным
резистивным делителем напряжения на резисторах R1 и R2, в результате
уменьшается разность потенциалов база-эмиттер, что препятствует возрастанию
базового и эмиттерного токов. С увеличением R3 возрастает эффективность
действия ООС и повышается стабильность работы каскада, однако увеличиваются
потери энергии в схеме. При этом для сохранения заданного динамического
диапазона выходного сигнала требуется увеличение напряжения источника питания.
Предварительный каскад. Предварительный каскад выполнен на транзисторе VT2 по
схеме с ОЭ. Усилительный каскад, выполненный по схеме с общим эмиттером (ОЭ)
широко применяется для усиления электрических сигналов по току, напряжению и
мощности. В нем эмиттерный вывод транзистора является общим в цепи переменного
тока для входного и выходного сигналов
Основным элементом каскада является биполярный транзистор. В его базовой
цепи протекает ток от источника сигнала относительно малой величины, который
управляет в β раз большим током коллектора и в (1+ β)
раз большим током
эмиттера, где β дифференциальный коэффициент усиления транзистора по току.
Значение β может изменяться для разных типов транзисторов от десятков до
сотен.
Другим свойством транзистора является высокое сопротивление его
коллекторного перехода. Поэтому в схеме замещения усилительного каскада
коллекторная цепь транзистора отображается управляемым источником заданного
тока.
Рассмотрим
работу каскада в режиме постоянного тока. Этот режим характеризуется
постоянными значениями токов и напряжений в цепях коллектора, эмиттера и базы
транзистора, которые создаются источником питания Ек. Режим работы каскада по
постоянному току следует выбирать таким образом, чтобы усиление сигнала
выполнялось без искажений. В частности, необходимо получить минимальный
коэффициент нелинейных искажений К
сигнала
на выходе при заданном его динамическом диапазоне. Данный коэффициент
отображает присутствие дополнительных гармонических составляющих в выходном
сигнале, когда на вход каскада подается синусоидальный сигнал.
=
∙ 100%
где
U2, U3...Un - дополнительные гармоники выходного
напряжения, отсутствующие на входе; U1 -первая гармоника выходного
сигнала.
Появление
дополнительных гармоник обусловлено наличием в вольтамперных характеристиках
транзистора нелинейных участков. Неискаженный режим работы с максимальным
динамическим диапазоном можно получить только в том случае, если точка покоя П
выбрана, как показано на рис.2.2.1, в центре линейной области входных и
выходных характеристик транзистора.
а) б)
Рис.
2.3. Графическое построение режима покоя, токов и напряжений сигнала для
каскада ОЭ на выходных (а) и входных (б) характеристиках транзистора
Для
выполнения построений на выходных характеристиках (рис. 1.3а) проводят через
точку П линию нагрузки каскада по постоянному току (а - б) с учетом заданного
напряжения питания
. Наклон этой линии к оси абсцисс описывается
уравнением баланса напряжений в выходной цепи каскада по постоянному току:
,
где
и
-
напряжение коллектор-эмиттер и ток коллектора в точке покоя;
- дифференциальный коэффициент передачи эмиттерного
тока, его величина обычно находится в пределах 0,9 ¸ 0,99. Коэффициенты передачи b и a связаны соотношением b = a / (1 - a ).
На
выходных характеристиках точка "а" соответствует режиму холодного
хода, когда
, а точка "б" отображает режим короткого
замыкания
= 0, при котором:
.
Пересечение
линии нагрузки (а - б) с выходной характеристикой в точке П соответствует
базовому току
, что позволяет определить положение точки покоя на
входной характеристике транзистора, рис. 2.3.
Включение
в эмиттерную цепь резистора R7 создает отрицательную обратную связь (ООС) по
постоянному току, которая стабилизирует положение точки покоя при различных
возмущающих воздействиях, обусловленных: колебаниями температуры окружающей среды;
нестабильностью напряжения источника питания; изменениями параметров элементов
схемы.
С
увеличением
возрастает эффективность действия ООС и повышается
стабильность работы каскада, однако, увеличиваются потери энергии в схеме. Для
сохранения заданного динамического диапазона выходного сигнала требуется
увеличение напряжения
. С целью уменьшения потерь энергии и повышения КПД в
мощных усилительных каскадах применяют термокомпенсационный способ стабилизации
рабочей точки.
Оконечный каскад. Оконечный каскад усилителя аналогичен предварительному,
выполнен он по однотактной схеме с трансформаторным выходом. Включение
транзистора выполнено по схеме с ОЭ. Выбор этой схемы обусловлен тем, что
сопротивление нагрузки относительно мало и составляет 15 Ом. Благодаря
трансформаторному каскаду достигается максимальный КПД каскада при допустимых
нелинейных искажениях. Однако снижается КПД усилителя, поскольку малогабаритные
недорогие трансформаторы имеют сравнительно малый КПД. Для сглаживания
пульсаций напряжения источника питания на базе транзистора применяется
низкочастотный фильтр на элементах С5, R10. Конденсатор С6 используется для
шунтирования резистора R11.
3. Расчет принципиальной схемы усилителя звуковой частоты
.1 Предварительный расчет усилителя
Исходными
данными для предварительного расчета являются: мощность на выходе
; сопротивление нагрузки
, амплитудное значение входного напряжения Uвхm=0,5мВ,
тип источника сигнала - микрофон конденсаторный, внутреннее сопротивление
источника сигнала Rи=2кОм, диапазон частот
.
1. Находим мощность сигнала на входе усилителя:
.
Определяем требуемый коэффициент усиления по мощности всего усилителя. В общем
случае входное сопротивление первого каскада усилителя отличается от
сопротивления источника сигнала (
), а
оптимальное значение сопротивления нагрузки выходного каскада не равно
фактическому сопротивлению нагрузки оконечного устройства (
).
Выражаем коэффициент усиления по мощности в децибелах:
. Определяем ориентировочное число каскадов m и составляем структурную
схему усилителя. При этом можно считать, что каждый каскад усилителя при
включении транзистора по схеме с общим эмиттером может обеспечить усиление
мощности примерно на 20дБ. Тогда:
Полученное
значение m округляется до ближайшего целого числа.
Тогда
.
3.2 Расчет оконечного каскада усилителя
Принципиальная схема однотактного трансформаторного оконечного каскада усилителя
представлена на рис. 2.2.
Исходными
данными для расчета данного каскада являются: мощность на выходе
; сопротивление нагрузки
, диапазон частот
допустимые
значения коэффициента частотных искажений
;допустимый
коэффициент нелинейных искажений
.
1. Тип транзистора для выходного каскада выбираем по величине максимально
допустимой мощности, рассеиваемой на коллекторе выходного транзистора. Для
этого определяем мощность, которую должен отдавать в нагрузку транзистор
выходного каскада по формуле:
А
затем находим мощность, потребляемую коллекторной цепью от источника питания:
По
найденному значению
выбираем тип транзистора выходного каскада. При этом
необходимо выполнить условие:
.
Выбираем
транзистор ГТ321А с параметрами:

.
2. Определим напряжение источника питания цепи коллектора при работе
каскада в режиме класса А по формуле:
.
Задаемся падением напряжения на активном сопротивлении первичной обмотки
выходного трансформатора:
.
Задаемся падением напряжения на резисторе R11
цепи
термостабилизации:
5. Находим напряжение на коллекторе транзистора в режиме покоя (при
отсутствии сигнала):
КЭр = ЕК - ΔЕТР - ΔUR11 = 6В.
. Определяем коллекторный ток покоя:
.
Находим сопротивление нагрузки коллекторной цепи транзистора по переменному
току:
В
семействе выходных статических характеристик транзистора, включённого по схеме
с общим эмиттером, строим нагрузочную прямую. Для этого отмечаем рабочую точку
Р с координатами 
и
и на горизонтальной оси находим точку Б,
соответствующую напряжению
.
В точках пересечения прямой с крайними статическими характеристиками
транзистора (точки А и В на рис. 3.1.) определяем минимальные и максимальные
значения тока и напряжения коллектора: IКmin=0,025A, Kmax=0,3125
мА, UKЭmin=3В, UKЭmax=9В. Кроме того, замечаем
максимальный ток базы IБmax=4мА, при котором ток коллектора
достигает значения IKmax (точка А), ток базы, соответствующий
рабочей точке IБр=2мА и минимальный ток базы IБmin=0,5мА,при
котором ток коллектора равен IKmin (точка В).
. Находим мощность, отдаваемую каскадом в выбранном режиме:
.
9.
Переходим к входной статической характеристике транзистора. Переносим точки A,
Р и В, соответствующие пересечению нагрузочной прямой со статическими
характеристиками, на входную статическую характеристику выбранного транзистора,
снятую при
( точки А', Р' и В' на рис. 3.2.).
Рис. 3.1. Выходные характеристики транзистора ГТ321А
Рис. 3.2. Входные характеристики транзистора ГТ321А
10. Находим амплитуды переменного входного напряжения и переменного
входного тока, которые должны обеспечить предыдущий каскад в базовой цепи
рассчитываемого выходного каскада:
;
.
. Определяем входную мощность, необходимую для возбуждения выходного
каскада - мощность, которую должен развивать предоконечный каскад:
.
.
Рассчитываем входное сопротивление транзистора по переменному току за период
сигнала:
.
.
Находим коэффициент усиления каскада по мощности:
или
.
14.
Определяем коэффициент нелинейных искажений сигнала. Для вычисления
коэффициента гармоник следует рассчитать и построить сквозную динамическую
характеристику, представляющую собой зависимость тока коллектора от ЭДС
эквивалентного генератора входного сигнала E
.
Для построения сквозной динамической характеристики необходимо:
а)
задаться внутренним сопротивлением эквивалентного генератора входного сигнала 
;
б)
отметить для нескольких точек нагрузочной прямой значения тока 
. Так,
для точек А, P и B ток
соответственно равен
;
;
;
в)
на графике входной характеристики отметить несколько точек, соответствующих
выбранным точкам нагрузочной прямой, и определить в них величины 
и
. Они равны:
,
,
,
,
г)
рассчитать значения ЭДС эквивалентного генератора входного сигнала для
различных значений 
и
по формуле:
.
Для
выбранных точек получим:
Таким
образом, току
соответствует ЭДС
; току
соответствует ЭДС
; току
соответствует ЭДС
;
д)
по полученным значениям в прямоугольной системе координат строим график
зависимости 
(рис.
3.3.)
Рис.3.3. График зависимости тока в коллекторной цепи транзистора от
напряжения эквивалентного генератора
Для
того чтобы рассчитать коэффициент нелинейных искажений, нужно разделить рабочий
участок на горизонтальной оси на четыре одинаковые части и для пяти точек, ограничивающих
эти части, определить значения соответствующих им токов
,
,
,
,
. Тогда амплитуда первой гармоники тока коллектора
подсчитывается по формуле:
;
Амплитуда
второй гармоники тока:
;
Амплитуда
третьей гармоники тока:
.
Коэффициент нелинейных искажений определяем но формуле:
.
0,95%
1%.
.
Рассчитываем элементы цепочки термостабилизации. Падение напряжения на
резисторе R равно
, а ток, проходящий через этот резистор, равен:
,
.
Выбрав номинальное значение сопротивления резистора R11=10 Ом, находим
мощность, рассеиваемую на этом резисторе:
.
Емкость
конденсатора С6 находим по формуле:
,
где
- нижняя частота заданного частотного диапазона
усилителя.
.
Определяем сопротивления резисторов R8 и R9 делителя напряжения цепи базы.
Принимаем падение напряжения на сопротивлении R10 фильтра:
Находим
напряжение, подводимое к делителю:
.
Выбираем
ток в цепи делителя:
.
Определяем
R8 и R9 по формулам:
;
Выберем
номинальные значения сопротивлений резисторов R8=820 Ом и
R9=220 Ом; находим мощность, рассеиваемую на этих
резисторах:
.
Находим элементы фильтра по формулам:
;
.
.
Определяем коэффициент трансформации выходного трансформатора:
.
19. Находим активные сопротивления первичной и вторичной обмотки
выходного трансформатора:
;
.
.
Определяем индуктивность первичной обмотки выходного трансформатора с учетом
допустимых частотных искажений на нижних частотах:
.
.
Находим КПД каскада:
.3 Расчет предварительного каскада
Принципиальная схема предварительного каскада усилителя, включенного по
схеме с общим эмиттером, представлена на рис.2.2.
Исходные
данные, полученные при расчёте оконечного каскада: амплитудные значения тока
и напряжения
на входе
оконечного каскада, входное сопротивление оконечного каскада
.
.
Выбираем транзистор. Для нормального режима работы транзистора необходимо,
чтобы допустимое напряжение между коллектором и эмиттером выбранного транзистора
превышало напряжение питания: 
, а
величина допустимого тока коллектора превышала входной ток последующего каскада
не менее чем в 1,5....2 раза.
Выбираем
транзистор П29 с параметрами:
,
,
,
.
.
Определяем величину тока покоя в цепи коллектора по формуле:
.
.
Находим сопротивление нагрузки
R6 в цепи
коллектора:
.
Выбираем номинальное сопротивление резистора 820 Ом.
Мощность, рассеиваемая на резисторе R6, составляет:
.
.
Определяем сопротивление резистора R7 по формуле:
.
Выбираем
сопротивление резистора 560 Ом.
Мощность,
рассеиваемая на резисторе R7, равна:
.
5. Находим емкость конденсатора С4:
.
. Находим напряжение между коллектором и эмиттером транзистора в режиме
покоя:
.
.
В семействе выходных статических характеристик выбранного транзистора (рис.
3.4.), включенного по схеме с общим эмиттером, отмечаем положение рабочей точки
с координатами Uкэр и Iкр. Найденному положению рабочей точки соответствует ток
базы Iбр. Полученное значение тока базы позволяет определить положение рабочей
точки P
на входной характеристике транзистора, снятой при Uкэ
0 (рис. 3.5.), напряжение покоя участка база-эмиттер
Uбэp и входное сопротивление по переменному току транзистора рассчитываемого
каскада Rвх.
Для
нахождения необходимо провести касательную к точке покоя P
и найти отношение MK/KP
:
.
Рис.3.4. Выходные характеристики транзистора П29
Рис. 3.5. Входные характеристики транзистора П29
8.
Определяем элементы делителя напряжения в цепи базы R4 и R5. Принимаем падение
напряжения на сопротивлении R5 фильтра:
.
Находим
напряжение, подводимое к делителю R4, R5:
.
Выбираем
ток в цепи делителя из условия:
Д = 3IБР =
3*0,225=0,675 мА.
Определяем
значения сопротивлений резисторов R4
и R5 по
формулам:
;
.
Выбираем
сопротивление резисторов R4=2000 Ом, R5=9100 Ом.
Определяем
рассеиваемую мощность на резисторах R4 и R5 по формулам:
;
.
.
Находим амплитудное значение тока на входе каскада:
.
.
Определяем коэффициент усиления каскада по напряжению на средних частотах по
формуле:
,
где
- входное сопротивление рассчитываемого каскада,
- эквивалентное выходное сопротивление каскада,
определяемое по формуле:
.
.
Находим минимальное значение коэффициента усиления каскада по мощности:
или
дБ.
.
Емкость разделительного конденсатора С3
,
связывающего рассчитываемый каскад с последующим, находим по формуле:
.
Возьмем
емкость, равную 56 мкФ.
3.4 Расчет входного каскада
Принципиальная схема входного каскада усилителя, включенного по схеме с
общим коллектором, представлена на рис.2.2.
Исходные
данные: диапазон частот
, допустимые значения коэффициента частотных искажений
, тип источника сигнала - микрофон конденсаторный,
амплитудное значение входного напряжения Uвхm=0,5мВ, сопротивление
источника сигнала Rи=2кОм, сопротивление нагрузки входного каскада
.
.
Расчет данного каскада можно проводить аналогично расчету каскада с общим
эмиттером, т.к.
. В целях однородности выбираем для работы в схеме
входного каскада транзистор с такими же параметрами, что и в схеме последующего
(П29).
2. Определяем величину тока покоя в цепи коллектора по формуле:
.
.
Определяем сопротивление резистора R3 по формуле:
.
Выбираем сопротивление резистора 6,2 кОм.
Мощность, рассеиваемая на резисторе R3, равна:
.
4.
Находим напряжение между коллектором и эмиттером транзистора в режиме покоя:
.
.
В семействе выходных статических характеристик выбранного транзистора (рис.
3.6.), включенного по схеме с общим эмиттером, отмечаем положение рабочей точки
с координатами Uкэр и Iкр. Найденному положению рабочей точки соответствует ток
базы Iбр. Полученное значение тока базы позволяет определить положение рабочей
точки P
на входной характеристике транзистора, снятой при Uкэ
0 (рис. 3.7.), напряжение покоя участка база-эмиттер
Uбэp и входное сопротивление по переменному току транзистора рассчитываемого
каскада Rвх.
Для
нахождения необходимо провести касательную к точке покоя P
и найти отношение MK/KP
:
.
Рис.3.6.
Выходные характеристики транзистора П29
Рис.3.7.
Входные характеристики транзистора П29
8. Определяем элементы делителя напряжения в цепи базы R1 и R2. Принимаем
падение напряжения на сопротивлении R2 фильтра:
Выбираем ток в цепи делителя из условия:
.
Определяем
значения сопротивлений резисторов R1
и R2 по
формулам:
;
.
Выбираем
сопротивление резисторов R1=30000 Ом, R2=5600 Ом.
Определяем
рассеиваемую мощность на резисторах R1 и R2 по формулам:
;
.
.
Находим амплитудное значение тока на входе каскада:
.
.
Определяем коэффициент усиления каскада по напряжению на средних частотах по
формуле:
где
- входное сопротивление рассчитываемого каскада,
- эквивалентное выходное сопротивление каскада,
определяемое по формуле:
.
. Находим минимальное значение коэффициента усиления каскада по мощности:
или
дБ.
.
Емкость конденсаторов С1 и С2 находим по формуле:
.
Возьмем
емкость, равную 4,3 мкФ.
.
Возьмем емкость, равную 3,6 мкФ.
Заключение
В данной курсовой работе проведен анализ существующих схемотехнических
решений построения усилителей звуковой частоты и расчет указанного в задании
варианта построения усилителя. Расчет показал, что поскольку мощность, которую
необходимо получить на нагрузке, невелика, то лучше всего использовать
однотактный каскад с трансформаторной связью, это увеличит усиление по
напряжению и по току. Используя данный каскад, можно добиться оптимального
согласования с нагрузкой.
Выходные каскады с трансформаторным выходом широко используются в
современных транзисторных усилителях, и, несмотря на свои недостатки (большие
габариты и массу, вносят нелинейные искажения в выходной сигнал), имеют
преимущества перед бестрансформаторными каскадами - большая выходная мощность,
а также большой коэффициент усиления по мощности. С помощью трансформатора
осуществляется трансформация сопротивления нагрузки, достигается в необходимых
случаях согласование по сигналу или по отношению сигнал/помеха.
Основные трудности, возникшие в процессе расчета, были связаны с выбором
транзисторов и соответствующих им вольтамперных характеристик.
Из вышесказанного можно сделать вывод о целесообразности применения
данного усилителя, вследствие его хорошей согласованности с нагрузкой,
небольшого числа элементов и простотой изготовления.
Список литературы
1. Схемотехника
аналоговых электронных устройств : лаб. практикум / Витковский О. П. ; М-во
образования и науки РФ, МГУ им. Н. П. Огарева. - Изд. 2-е, перераб. и доп. -
Саранск : изд-во Мордов. ун-та, 2011. - 105.
. Справочник
по расчету электронных схем. Б.С. Гершунский. - Киев: Высшая школа. Изд-во при
Киевском университете, 1983.- 240 с.
. Справочник
по полупроводниковым диодам, транзисторам и интегральным схемам / Горюнов Н.
Н., Клейман А. Ю., Комков Н. Н. и др.; Под общ. ред. Н. Н. Горюнова. - 5-е
изд., стереотипное. - М.: Энергия, 1979. 744 с., ил.
. Романычева
А. К., Иванова А. С. и др. Разработка и оформление конструкторской документации
радиоэлектронной аппаратуры: Справочник. Под ред. Э. Т. Романычевой А. К. - 2-е
изд., перераб. и доп. - М: Радио и связь, 1989.-448 с.
. Транзисторы
для аппаратуры широкого применения: Справочник/Брежнева К. М., Гантман Е. И.,
Давыдова Т. И. и др. Под редакцией Перельмана Б.Л - М.: Радио и связь,1981 г.
-656 с., ил.
Приложение