|
Трансформатор тока
|
Тип
|
|
ТА1
|
ТФЗМ35А-У1-5-82 300/5
|
|
ТА2
|
ТФЗМ35А-У1-5-82 300/5
|
|
ТА3
|
ТФЗМ35А-У1-5-82 300/5
|
|
ТА4
|
ТФЗМ35А-У1-5-82 300/5
|
|
ТА5
|
ТФЗМ35А-У1-5-82 100/5
|
|
ТА6
|
ТФЗМ35А-У1-5-82 300/5
|
|
ТА7
|
ТЛМ10-5-82 150/5
|
|
ТА8
|
ТЛМ10-5-82 150/5
|
|
ТА9
|
ТФЗМ35А-У1-5-82 100/5
|
|
ТА10
|
ТФЗМ35А-У1-5-82 100/5
|
|
ТА11
|
ТФЗМ35А-У1-5-82 300/5
|
|
ТА12
|
ТФЗМ35А-У1-5-82 300/5
|
|
ТА13
|
ТЛМ10-5-82 300/5
|
|
ТА14
|
ТЛМ10-5-82 150/5
|
|
ТА15
|
ТЛМ10-5-82 150/5
|
|
ТА16
|
ТЛМ10-5-82 150/5
|
.
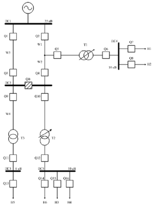
Анализ нормальных режимов контролируемой сети
Анализ возможных нормальных режимов работы контролируемой сети необходимо
провести с целью определения максимальных значений рабочих токов в местах
установки устройств защиты.
Сеть имеет один источник питания, и в ней нет участков типа замкнутого
кольца, поэтому защиты должны устанавливаться в начале контролируемых объектов
со стороны источника питания.
Максимальное значение рабочего тока в линии W1 (Iраб
max W1) определяется исходя из двух условий:
во-первых, питание всех элементов рассматриваемой электрической сети
осуществляется по линии W1
(линия W3 выведена из рабочего состояния,
отключена), а секционный выключатель QB на подстанции №1 включен;
во-вторых, все трансформаторы 35/10 кВ работают с номинальной нагрузкой.
Тогда
Iраб
max W1 = Iном
Т1+ Iном Т2+ Iном Т3
где Iном Т1, Iном Т2, Iном Т3 - значения номинальных токов
трансформаторов Т1, Т2, Т3, соответственно
Iном
Т1 = Sном Т1 / √3∙Uном ВН ;
Iном
Т2 = Sном Т2 / √3∙Uном ВН ;
Iном
Т1 = Sном Т1 / √3∙Uном ВН ;
SномТ3
и Uном ВН - значения номинальных мощностей и
напряжения обмоток высшего напряжения трансформаторов соответственно
(Uном ВН = 35 кВ).
При заданных значениях величин (учитывая, что Т1, Т2, Т3 имеют одинаковые
номинальные мощности и их номинальные токи равны) будем иметь:
Iраб
max W1 = 104+104+41=249 А.
Максимальное значение тока в другой головной линии W3 (Iраб max W3) определяется исходя из аналогичных условий, но когда
питание всех трансформаторов 35/10 кВ осуществляется по линии W3.
При этом
Iраб
max W3 = 104+104+41=249 А.
Максимальное значение тока в линии W2:
Iраб
max W2 = 104+41=145 А.
Линия W4 и трансформатор Т3 образуют блок
линия-трансформатор, т.к. представляют собой единый объект электрической сети и
управляются одним общим выключателем Q9.
Максимальный рабочий ток в линии W4 - это максимальный рабочий ток трансформатора Т3:
Iраб
max W4 = kпер∙IномТ3
Где kпер - коэффициент допустимой перегрузки
(для большинства отечественных трансформаторов допускается перегрузка до 40%
номинальной мощности, поэтому можно принять kпер = 1,4).
Iраб
max W4 = 1,4∙41=57,4
Площадь поперечного сечения проводов для линий электропередачи определяется
по допустимым длительным токам. В соответствии с требованиями ПУЭ [1] можно
выбрать для линий 35 кВ W1 и W3 провод AC-95, линии W2 -
АС-50, линии W4 - AC-25.
.
Токи короткого замыкания
Необходимо определить действующие значения токов короткого замыкания во
всех местах (по схеме) установки защит (местах контроля тока защит) в
максимальном и минимальном режимах работы электрической системы при
повреждениях в расчетных точках. За расчетные точки принимаются шины всех
подстанций (Рис 3.1).
Рис. 2
3.1 Параметры схемы замещения
Сопротивления линий электропередачи определяются по значениям удельных
сопротивлений проводов и протяженности линий.
Так, активное сопротивление линии W1 будет рассчитываться по формуле:
Здесь
и
-
удельное активное сопротивление линии W1 и её протяженность;
Значения
, Ом/км, определяется по справочной таблице 7.35 [1]
для провода AC-95:
.
При
заданной протяженности линии
равной 4
км, будем иметь сопротивление, Ом:
.
Индуктивное сопротивление этой линии, Ом:
.
Здесь
- среднее значение удельного индуктивного
сопротивления линии по справочной таблице 7.41 [1], Ом/км;
. Это значение может быть использовано и для других
линий. Значения сопротивлений всех других линий определяются аналогично,
результаты сведем в табл. 4
Таблица
4
|
Обозначение параметра
|
Значение параметра линии
|
|
W1
|
W2
|
W3
|
W4
|
|
Uном, кВ
|
35
|
35
|
35
|
35
|
|
Iраб max, А
|
249
|
145
|
249
|
41
|
|
Марка провода
|
AC-95
|
AC-50
|
AC-95
|
AC-25
|
|
rуд, Ом/км
|
0,32
|
0,60
|
0,32
|
1,18
|
|
xуд, Ом/км
|
0,4
|
0,4
|
0,4
|
0,4
|
|
l,км
|
4
|
3
|
1,5
|
1,5
|
|
RW, Ом
|
1,28
|
1,8
|
0,48
|
1,77
|
|
XW, Ом
|
1,6
|
1,2
|
0,6
|
0,6
|
Сопротивления трансформаторов определяются по их паспортным данным.
Активное сопротивления трансформатора Т1 определяется так:
где
- мощность короткого замыкания трансформатора Т1.
Индуктивное
сопротивление этого трансформатора:
где
- напряжение короткого замыкания трансформатора Т1, %.
Выбрав
тип трансформаторов (ТМ 6300/35, ТМ 6300/35 и 2500/35 для трансформаторов T1, T2 и T3
соответственно) и используя их справочные данные получим, Ом:
Значения сопротивлений всех трансформаторов, определенные аналогично,
приведены в таблице 5.
Внутреннее сопротивление эквивалентного источника питания
(энергосистемы), Ом, определяется так:
Здесь
- полная мощность трехфазного короткого замыкания на
шинах подстанции №1.
Таблица
5
|
Обозначение параметра
|
Значение параметра трансформатора
|
|
Т1
|
Т2
|
Т3
|
|
Uном, кВ
|
35/10
|
35/10
|
35/6
|
|
Iном, А
|
104
|
104
|
41
|
|
Sном, кВА
|
6,3
|
6,3
|
2,5
|
|
PК, кВт
|
33,5
|
33,5
|
23,5
|
|
UК, %
|
7,5
|
7,5
|
6,5
|
|
RТ, Ом
|
1,03
|
1,03
|
4,61
|
|
XТ, Ом
|
14,58
|
14,58
|
14,36
|
В исходных данных задано только одно значение мощности короткого
замыкания на шинах подстанции №1, поэтому можно считать внутреннее
сопротивление энергосистемы постоянной величиной.
.2 Расчет токов короткого замыкания
Значения токов КЗ определяются по методике расчета токов при симметричных
замыканиях без учета подпитки со стороны нагрузок. Для конкретных расчетных
условий составляется отдельная схема замещения на основе схемы электрической
сети (см рис. 1) и исходной схемы замещения (см. рис. 2). В целом можно
выделить 3 варианта схемы замещения:
Расчетная схема замещения для определения токов КЗ в начале линии W1 (место установки защиты) в
максимальном режиме энергосистемы (рис. 4) соответствует конфигурации сети,
когда питание подстанции №2 осуществляется по линии W1 (линия W3
отключена).
Рис. 3
Рис. 4
Рис. 5
Значения максимальных токов в начале линии W1 при повреждениях (трехфазных КЗ) в разных точках (номер
расчетной точки указан в индексе обозначения тока), кА:
Минимальные аварийные токи в месте установки защиты в начале линии W1 возникают при двухфазных КЗ в
контролируемой сети в минимальном режиме работы энергосистемы.
Токи возникающие при КЗ в местах установки других защит, определяются по
аналогичной методике. Для их определения необходимо использовать ещё и другие
схемы замещения рассматриваемой электрической системы (рис. 3, рис. 5).
Значения токов короткого замыкания всех элементов сведем в таблицу №6.
Таблица 6
|
Место контроля тока КЗ (место установки защиты)
|
Номер расчетной точки К
|
Максимальный ток КЗ Минимальный ток КЗ
|
|
|
|
Схема замещения, рисунок
|
Значения тока КЗ, кА
|
Схема замещения, рисунок
|
Значения тока КЗ, кА
|
|
W1
|
K1
|
4
|
10,21
|
4
|
8,83
|
|
K2
|
4
|
1,10
|
4
|
0,95
|
|
K4
|
4
|
3,55
|
4
|
3,07
|
|
K5
|
4
|
0,92
|
4
|
0,80
|
|
K6
|
4
|
1,02
|
4
|
0,88
|
|
W2
|
K4
|
4
|
3,55
|
4
|
3,07
|
|
K5
|
4
|
0,92
|
4
|
0,8
|
|
K6
|
4
|
1,02
|
4
|
0,88
|
|
W3
|
K1
|
3
|
10,21
|
3
|
8,83
|
|
K3
|
3
|
7,7
|
3
|
6,67
|
|
K5
|
3
|
1,07
|
3
|
0,92
|
|
K6
|
3
|
1,17
|
3
|
1,01
|
|
W4
|
K3
|
3
|
7,7
|
3
|
6,67
|
|
K5
|
3
|
1,07
|
3
|
0,92
|
4
|
3,55
|
4
|
3,07
|
|
K5
|
4
|
0,92
|
4
|
0,80
|
|
T1
|
K2
|
4
|
1,10
|
4
|
0,95
|
|
|
|
|
|
|
|
1
|
2
|
3
|
4
|
5
|
6
|
|
T2
|
K6
|
3
|
1,17
|
3
|
1,01
|
|
K6
|
4
|
1,02
|
4
|
0,88
|
|
T3
|
K5
|
3
|
1,07
|
3
|
0,92
|
|
K5
|
4
|
0,92
|
4
|
0,8
|
.
Выбор устройств РЗА и расчет параметров их срабатывания
Выбор устройств РЗА
Выбор устанавливаемых защит осуществляется в соответствии с [2].
РЗА на вводных выключателях выполняется на базе терминалов ЭКРА БЭ2502А03
и выполняет следующие функции:
- Максимальную токовую защиту (МТЗ);
- Защиту минимального напряжения (ЗМН);
- Устройство резервирования отказов выключателей (УРОВ).
РЗА на секционных выключателях выполняется на базе терминалов ЭКРА
БЭ2502А02 и выполняет следующие функции:
- МТЗ;
- УРОВ.
РЗА отходящих линий выполняется на базе терминалов ЭКРА БЭ2502А01 и
выполняет следующие функции:
- МТЗ;
- Автоматическое повторное включение (АПВ);
- УРОВ.
Кроме этого в ячейках КРУ 10 кВ ПС2 и КРУ 6 кВ ПС3 установлены датчики
для дуговой защиты.
РЗА трансформаторов Т1 и Т2 выполняет следующие функции:
- Дифференциальную токовую защиту;
- Газовую защиту трансформатора и РПН;
- МТЗ стороны ВН;
- Защиту от перегрузки;
- Автоматику РПН.
Дифференциальная токовая защита, МТЗ стороны ВН и защита от перегрузки
реализуется на базе шкафов ЭКРА ШЭ2607 048048.
Расчет параметров РЗА отходящих линий 10 кВ ПС2
Ток срабатывания защит присоединений 10 кВ ПС2 выбирается из условия
отстройки от тока самозапуска:
где

коэффициент
отстройки;

коэффициент
самозапуска;

-
коэффициент возврата;

максимальный
рабочий ток присоединения.
Результаты расчетов представлены в таблице 7.
Таблица 7 - Расчет параметров защит отходящих линий 10 кВ ПС2
|
Согласование с защитой
|
Н3
|
Н4
|
Н6
|
|
|
200
|
140
|
100
|
|
|
2,1
|
2,5
|
2,1
|
|
|
535
|
445
|
270
|
|
|
0,6
|
0,8
|
0,8
|
Поскольку параметры распределительной сети 10 кВ неизвестны, проверку
чувствительности выполнить невозможно.
Расчет параметров РЗА отходящих линий 6 кВ ПС3
Ток срабатывания защиты отходящей линии 6 кВ ПС3 выбирается аналогично
защитам отходящих линий 10 кВ ПС2:
Примем

Поскольку параметры распределительной сети 6 кВ неизвестны, проверку
чувствительности выполнить невозможно.
Расчет параметров РЗА отходящих линий 10 кВ ПС4
Ток срабатывания защиты отходящей линии 10 кВ ПС3 выбирается аналогично
защитам отходящих линий 10 кВ ПС2:
Примем

Примем

Поскольку параметры распределительной сети 10 кВ неизвестны, проверку
чувствительности выполнить невозможно.
Расчет параметров РЗА ВВ 6 кВ ПС3
Ток срабатывания защиты на вводном выключателе 6 кВ ПС3 выбирается из
условия согласования с защитами присоединения и из условия отстройки от
максимального рабочего тока с учетом самозапуска нагрузки:
Время срабатывания защиты на ВВ выбирается на ступень селективности выше
времени срабатывания защиты отходящей линии 6 кВ:
Примем
ток срабатывания защиты равным 
, 
Чувствительность
защиты в основной зоне определяется при КЗ на шинах 6 кВв минимальном режиме:
Требование
чувствительности обеспечивается.
Ток
срабатывания реле тока УРОВ принимается равным 0,25 А. Время срабатывания УРОВ
принимается равным 0,2 с.
Расчет параметров РЗА блока «линия-трансформатор» W4-T3
Ток срабатывания первой ступени защиты W4 выбирается из условия остройки
от тока КЗ в конце защищаемого участка (на выводах НН Т3) и броска тока
намагничивания трансформатора:
где

максимальное
значение тока при КЗ на выводах НН трансформатора Т3;

принимаемое
значение коэффициента броска тока намагничивания;

-
номинальный ток стороны ВН Т3.
Примем

.
Отсечка
выполняется мгновенной.
Поскольку
выбранная уставка тока срабатывания первой ступени защиты меньше минимального
тока КЗ в конце линии W4 (4492 А), отсечка охватывает всю защищаемую линию и
часть трансформатора Т3. Следовательно, требование к чувствительности этой
ступени выполняется.
Ток
срабатывания второй ступени защиты W4 выбирается из условия согласования с
защитой на ВВ 6 кВ ПС3 и из условия отстройки от максимального рабочего тока с
учетом самозапуска нагрузки:
Время
срабатывания второй ступени защиты выбирается на ступень селективности выше
времени срабатывания смежной защиты:
Примем

, 
.
Чувствительность
защиты в основной зоне определяется при КЗ на выводах 6 кВ Т3 в минимальном
режиме:
Требование
чувствительности обеспечивается.
Ток срабатывания защиты от перегрузки Т3:
Примем

Ток срабатывания реле тока УРОВ принимается равным 0,25 А. Время
срабатывания УРОВ принимается равным 0,2 с.
Выдержка времени первого цикла АПВ должна быть больше:
1) времени готовности привода выключателя:
где

время
готовности привода выключателя ВВ/TEL-35;

- время
запаса.
2) времени деионизации:
где

время
деионизации;

- время
запаса.
Примем

.
Выдержка
времени готовности первого цикла АПВ должна выбираться из условия:
где

наибольшая
выдержка времени защиты, действующей на отключение;

полное
время отключения выключателя ВВ/TEL-35;

- время
запаса.
На
практике для исключения лишних переключений и сохранения ресурса выключателя
при многократных КЗ уставка по времени готовности принимается равной 
30 с.
Время
срабатывания второго цикла АПВ должно быть большим для обеспечения подготовки
выключателя к отключению третьего КЗ в случае включения на устойчивое повреждение.
В течение этого времени восстанавливается отключающая способность выключателя.
На практике выдержки времени принимают равными 
.
Расчет параметров РЗА ВВ 10 кВ ПС2
Ток срабатывания защиты на вводном выключателе 10 кВ ПС2 выбирается из
условия согласования с защитами присоединений, а так же из условия отстройки от
максимального рабочего тока с учетом самозапуска нагрузки.
где

ток
срабатывания защиты, с которой выполняется согласование.
Время срабатывания защиты на ВВ выбирается на ступень селективности выше
времени срабатывания смежных защит с которыми производится согласование:

;
Результаты
согласования представлены в таблице
Таблица 8 - Согласование защиты на ВВ 10 кВ ПС2
|
Согласование с защитой
|
Н3
|
Н4
|
Н6
|
|
|
535
|
445
|
270
|
|
|
0,6
|
0,8
|
0,8
|
|
|
700
|
580
|
355
|
|
|
1
|
1,2
|
1,2
|
Примем ток срабатывания защит на вводном выключателе равными:

, 
Чувствительность
защиты в основной зоне определяется при КЗ на шинах 10 кВ в минимальном режиме:
Требование
чувствительности обеспечивается.
Ток
срабатывания реле тока УРОВ принимается равным 0,25 А. Время срабатывания УРОВ
принимается равным 0,2 с.
Защита шин 10 кВ ПС2
Защита шин 10 кВ ПС2 выполняется в виде логической защиты шин (ЛЗШ),
реализуемой с помощью терминалов защиты на вводном выключателе, а так же
терминалами защит присоединений.
Ток срабатывания ЛЗШ отстраивается от сверхтоков послеаварийных
перегрузок, аналогично МТЗ. Следовательно, ток срабатывания ЛЗШ можно принять
равным току срабатывания МТЗ:
Выдержка времени срабатывания ЛЗШ принимается равной:
Расчет параметров РЗА Т2
Расчет параметров срабатывания дифференциальной защиты Т2
Характеристика срабатывания дифференциальной защиты трансформатора
представлена на рисунке 6.
Расчет параметров срабатывания дифференциальной защиты выполняется в соответствии
с [3]и [4].
Рис. 6 - Характеристика срабатывания дифференциальной защиты
Базисные токи сторон равны:
Расчетный ток небаланса равен:
где

коэффициент,
учитывающий переходный процесс;

коэффициент
однотипности трансформаторов тока;

относительная
полная погрешность ТТ, равная 10%.

относительная
погрешность, обусловленная наличием регулятора напряжения;

относительная
погрешность выравнивания токов плеч.
Ток
начала торможения принимается равным 
о.е.
где

коэффициент
отстройки.
Ток
торможения блокировки определяется из условия отстройки от сквозного тока
нагрузки при КЗ:
где

коэффициент
отстройки;

коэффициент,
определяющий предельную нагрузочную способность трансформатора;

номинальный
ток нагрузки
Дифференциальный
ток при сквозном металлическом КЗ на выводах НН равен:
где

Тормозной
ток при этом равен:
где

в
предварительных расчетах (
).
Уставка
по уровню блокировки по второй гармонике принимается равной 10% в соответствии
с рекомендациями производителя.
Ток
срабатывания дифференциальной отсечки выбирается из условий отстройки от броска
тока намагничивания и максимального тока небаланса при сквозном КЗ:
Примем

Чувствительность
дифференциальной защиты при КЗ на выводах НН трансформатора равен:
Требование
чувствительности обеспечивается.
Расчет параметров срабатывания МТЗ ВН Т2
Ток срабатывания защиты ВН трансформатора Т2 выбирается из условия
согласования с защитами на ВВ 10 кВ:
Время срабатывания защиты принимается на ступень селективности больше
времени срабатывания защиты на вводном выключателе.
Примем

, 
.
Чувствительность
защиты в основной зоне определяется при КЗ на выводах 10 кВ в минимальном
режиме:
Требование
чувствительности обеспечивается.
Расчет параметров срабатывания защиты от перегрузки Т2
Ток срабатывания защиты от перегрузки выбирается из условия отстройки от
номинального тока силового трансформатора:
где

коэффициент
отстройки;

коэффициент
возврата реле тока ЗП.
Примем

Ток срабатывания реле тока УРОВ принимается равным 0,25 А. Время
срабатывания УРОВ принимается равным 0,2 с.
Расчет параметров РЗА СВ 35кВ ПС2
Ток срабатывания первой ступени защиты на секционном выключателе 35 кВ
ПС2 выбирается из условия согласования с первой ступенью защиты W4 и отстройки от КЗ в конце зоны
действия быстродействующей защиты T2:
где

максимальное
значение тока при КЗ на шинах 10 кВ ПС2;
Примем

Время
срабатывания защиты выбирается на ступень селективности большим времени
срабатывания защит, с которыми производится согласование:
Эта
ступень охватывает всю линию W4.
Ток
срабатывания второй ступени защиты на секционном выключателе 35 кВ ПС2
выбирается из условия согласования с защитами присоединений 35 кВ и из
отстройки от максимального тока через СВ:
где

максимальный
рабочий ток, проходящий по СВ, с учетом самозапуска нагрузки.
Время срабатывания защиты выбирается на ступень селективности выше
времени срабатывания смежной защиты с максимальным временем срабатывания:
Примем

, 
.
Чувствительность
защиты в основной зоне определяется при КЗ на шинах 35 кВ в минимальном режиме:
Чувствительность
защиты в зоне резервирования определяется при КЗ на выводах НН Т1, Т2 и Т3 в
минимальном режиме:
Требование
чувствительности в основной зоне выполняется.
Ток
срабатывания реле тока УРОВ принимается равным 0,25 А. Время срабатывания УРОВ
принимается равным 0,2 с.
Расчет параметров РЗА ВВ 10 кВ ПС4
Ток срабатывания защиты на вводном выключателе 10 кВ ПС4 выбирается из
условия согласования с защитами присоединений, а так же из условия отстройки от
максимального рабочего тока с учетом самозапуска нагрузки.
где

ток
срабатывания защиты, с которой выполняется согласование.
Время срабатывания защиты на ВВ выбирается на ступень селективности выше
времени срабатывания смежных защит с которыми производится согласование:

;
Результаты
согласования представлены в таблице
Таблица 9 - Согласование защиты на ВВ 10 кВ ПС2
|
Согласование с защитой
|
Н1
|
Н2
|
|
|
520
|
555
|
|
|
0,9
|
0,8
|
|
|
676
|
721,5
|
|
|
1,3
|
1,2
|
Примем ток срабатывания защит на вводном выключателе равными:

, 
Чувствительность
защиты в основной зоне определяется при КЗ на шинах 10 кВ в минимальном режиме:
Требование
чувствительности обеспечивается.
Ток
срабатывания реле тока УРОВ принимается равным 0,25 А. Время срабатывания УРОВ
принимается равным 0,2 с.
Расчет параметров РЗА Т1
Расчет параметров срабатывания дифференциальной защиты Т1
Характеристика срабатывания дифференциальной защиты трансформатора
представлена на рисунке 6.
Расчет параметров срабатывания дифференциальной защиты выполняется в
соответствии с [3]и [4].
Рис. 7 - Характеристика срабатывания дифференциальной защиты
Базисные токи сторон равны:
Расчетный ток небаланса равен:
где

коэффициент,
учитывающий переходный процесс;

коэффициент
однотипности трансформаторов тока;

относительная
полная погрешность ТТ, равная 10%.

относительная
погрешность, обусловленная наличием регулятора напряжения;

относительная
погрешность выравнивания токов плеч.
Ток
начала торможения принимается равным 
о.е.
где

коэффициент
отстройки.
Ток
торможения блокировки определяется из условия отстройки от сквозного тока
нагрузки при КЗ:

где

коэффициент
отстройки;

коэффициент,
определяющий предельную нагрузочную способность трансформатора;

номинальный
ток нагрузки
Дифференциальный
ток при сквозном металлическом КЗ на выводах НН равен:
где

Тормозной
ток при этом равен:
где

в
предварительных расчетах (
).
Уставка
по уровню блокировки по второй гармонике принимается равной 10% в соответствии
с рекомендациями производителя.
Ток
срабатывания дифференциальной отсечки выбирается из условий отстройки от броска
тока намагничивания и максимального тока небаланса при сквозном КЗ:
Примем

Чувствительность
дифференциальной защиты при КЗ на выводах НН трансформатора равен:
Требование
чувствительности обеспечивается.
Расчет параметров срабатывания МТЗ ВН Т1
Ток срабатывания защиты ВН трансформатора Т1 выбирается из условия
согласования с защитами на ВВ 10 кВ:

Примем

, 
.
Чувствительность
защиты в основной зоне определяется при КЗ на выводах 10 кВ в минимальном
режиме:
Требование
чувствительности обеспечивается.
Расчет параметров срабатывания защиты от перегрузки Т1
Ток срабатывания защиты от перегрузки выбирается из условия отстройки от
номинального тока силового трансформатора:
где

коэффициент
отстройки;

коэффициент
возврата реле тока ЗП.
Примем

Ток срабатывания реле тока УРОВ принимается равным 0,25 А. Время
срабатывания УРОВ принимается равным 0,2 с.
Расчет параметров РЗА W3
Ток срабатывания первой ступени защиты W3 выбирается из условия отстройки
от тока КЗ в конце защищаемого участка (в конце линии) и броска тока
намагничивания трансформаторов T1,Т2
и Т3:
где

максимальное
значение тока при КЗ на шинах 35 кВ ПС2;

принимаемое
значение коэффициента броска тока намагничивания;

-
номинальный ток стороны ВН Т1;

-
номинальный ток стороны ВН Т2.
Примем

.
Ток
срабатывания второй ступени защиты W3 выбирается из условия согласования с
первой ступенью защиты W4, секционного выключателя 35кВ и отстройки от КЗ в
конце зоны действия быстродействующей защиты T2:
где

максимальное
значение тока при КЗ на шинах 10 кВ ПС2;
Примем

.
Время
срабатывания второй ступени защиты выбирается равной ступени селективности:
Чувствительность
защиты определяется при КЗ на шинах 35 кВ ПС2 в минимальном режиме:
Защита
имеет достаточную чувствительность при КЗ на всей линии.
Ток
срабатывания третьей ступени защиты W3 выбирается из условия согласования с
защитами присоединений и секционного выключателя 35 кВ:
Время
срабатывания второй ступени защиты выбирается на ступень селективности выше
времени срабатывания смежных защит:
Примем

, 
.
Чувствительность
защиты в основной зоне определяется при КЗна шинах 35 кВ ПС2 в минимальном
режиме:
Чувствительность
защиты в зоне резервирования определяется при КЗ на выводах НН Т1, Т2 и Т3 в
минимальном режиме:
Требование
чувствительности в основной зоне выполняется и эта защита может использоваться
для резервирования защит Т1, T2 и W4.
Уставки
АПВ принимаются равными уставкам АПВ W4.
Параметры
срабатывания РЗА W1-W2 выбираются такими же, как и для защиты W3.
Параметры
срабатывания МТЗ на вводных выключателях 35 кВ ПС2 выбираются равными
параметрам срабатывания третьей ступени W3.
Ток
срабатывания реле тока УРОВ принимается равным 0,25 А. Время срабатывания УРОВ
принимается равным 0,2 с.
Защита шин 35 кВ ПС2
Защита шин 35 кВ ПС2 выполняется в виде логической защиты шин (ЛЗШ),
аналогично защите шин 10 кВ. Токи срабатывания ЛЗШ равны:
Выдержка времени срабатывания ЛЗШ принимается равной:
Расчет параметров срабатывания АВР 10 кВ ПС2
Пуск АВР выполняется от ЗМН на вводном выключателе.
Напряжение срабатывания ЗМН принимается равным 0,3Uном:
Выдержка времени срабатывания ЗМН должна быть на ступень селективности
больше выдержек времени защит присоединений, при КЗ в зоне действия которых
напряжение на шинах снижается до напряжения срабатывания ЗМН.
Уставка контроля напряжения на смежной секции принимается равной 0,9Uном:
Выдержка времени срабатывания АВР принимается равной минимальной уставке,
поскольку отстройка по времени от КЗ реализована в ЗМН.
Расчет параметров срабатывания АВР 35 кВ ПС2
Расчет выполняется аналогично расчету АВР 10 кВ.
5.
Карты селективности
Карты селективности представлены на рисунке 8.
Рисунок 8 а
Рисунок 8 б
Рисунок 8 в
ток релейный защита электропередача
Выводы
В данной работе был выполнен проект релейной защиты и автоматики участка
электрической сети. В ходе проектирования были произведены расчеты параметров
схемы замещения сети, рабочих режимов и режимов коротких замыканий в объемах,
необходимых для выбора параметров срабатывания защит. В работе произведен выбор
устройств релейной защиты и автоматики и расчет уставок.
Поскольку участок электрической сети, для которого выполнялось
проектирование защиты, не имеет замкнутых участков, использовались, в основном,
ненаправленные ступенчатые токовые защиты.
Проверка чувствительности и анализ карт селективности подтвердили уместность
применения выбранных защит.
Литература
1. Правила устройства электроустановок (ПУЭ). Издание
седьмое. М.: НЦ «ЭНАС», 2007. 552 с.
2. Нормы технологического проектирования подстанций
переменного тока с высшим напряжением 35-750 кВ (НТП ПС). Стандарт организации.
ОАО «ФСК ЕЭС», 2009.
. Методические указания по выбору параметров
срабатывания устройств РЗА подстанционного оборудования производства ООО НПП
«ЭКРА». Стандарт организации. ОАО «ФСК ЕЭС», 2011.
. Шкаф защиты трансформатора типа ШЭ2607 048048.
Руководство по эксплуатации. ЭКРА.656453.151 РЭ.
Приложение
|
Место установки защиты
|
|
Значение тока срабатывания
|
Время срабатывания
|
|
Обозначение
|
35 кВ
|
10 кВ
|
|
|
|
W1-W2
|
1ст
|
9250
|
|
1ст
|
0
|
|
2ст
|
2370
|
|
2ст
|
0,4
|
|
3ст
|
460
|
|
3ст
|
2,6
|
|
W3
|
1ст
|
9250
|
|
1ст
|
0
|
|
2ст
|
2370
|
|
2ст
|
0,4
|
|
3ст
|
460
|
|
3ст
|
2,6
|
|
W4-T3
|
1ст
|
1395
|
|
1ст
|
0
|
|
2ст
|
260
|
|
2ст
|
1,8
|
|
Пер.
|
46
|
|
пер
|
9
|
|
Т1
|
1ст
|
260
|
|
1ст
|
1,7
|
|
Пер.
|
110
|
|
Пер.
|
9
|
|
Т2
|
1ст
|
260
|
|
1ст
|
1,7
|
|
Пер.
|
110
|
|
Пер.
|
9
|