Электроснабжение текстильного комбината
Оглавление
Аннотация
Введение
1.
Исходные данные
на проектирование
2.
Описание
технологического процесса
3.
Определение
расчетных электрических нагрузок
4.
Построение графиков
электрических нагрузок
5.
Определение
центра электрических нагрузок
6.
Технико-экономический
расчет с учетом надежности
6.1 Выбор
рационального напряжения
6.2 Выбор
схем распределительных устройств высшего напряжения с учетом надежности
6.3 Расчет
надежности
6.4
Среднегодовой ожидаемый ущерб
6.5
Технико-экономический расчет
6.6 Выбор
схемы распределительного устройства низшего напряжения с учетом надежности
7.
Выбор системы
питания
7.1 Выбор устройства высшего напряжения
ППЭ
7.2 Выбор трансформаторов ППЭ
7.3 Выбор ВЛЭП
8.
Выбор системы
распределения
8.1 Выбор рационального напряжения
распределения
8.2 Выбор числа и мощности цеховых ТП
8.3 Расчет потерь в трансформаторах
цеховых КТП
8.4 Выбор способа канализации
электроэнергии
9.
Расчет токов короткого
замыкания
10. Выбор электрических аппаратов
10.1 Выбор аппаратов напряжением 110 кВ
10.2 Выбор аппаратов напряжением 6 кВ
10.3 Выбор аппаратов напряжением 0,4 кВ
11. Проверка КЛЭП на термическую
стойкость
12. Расчет самозапуска электродвигателей
13. Расчет релейной защиты
13.1 Защита от повреждений от повреждений
внутри кожуха и от понижения уровня масла
13.2 Защита от повреждений на выводах и от
внутренних повреждений трансформатора
13.3 Защита от токов внешних многофазных
КЗ
13.4 Защита оттоков внешних замыканий на
землю со стороны ВН
13.5 Защита от токов перегрузки
14. Расчет молнии защиты и заземляющего
устройства ПГВ
15. Охрана труда
Заключение
Литература
Аннотация
В данном
дипломном проекте разработаны системы электроснабжения текстильного комбината.
Содержание
дипломного проекта включает в себя следующие вопросы: описание технологического
процесса, расчет электрических нагрузок, определение центра электрических
нагрузок, выбор системы питания и распределения электрической энергии, расчет токов
короткого замыкания и проверка выбранной аппаратуры, разработка схемы
электроснабжения, расчет релейной защиты, расчет заземляющего устройства,
вопросы самозапуска электродвигателей. Рассмотрены вопросы охраны труда при
эксплуатации электроустановок.
Система
электроснабжения удовлетворяет требованиям надежности и экономичности.
The summary
In the given degree project the systems of power
supply of a plant of heavy engineering are designed.
The contents of the degree project includes
following questions: the description of a manufacturing process, calculation of
electrical loads, definition of center of electrical loads, selection of the
power supply system and distribution of electrical energy, calculation of
short-circuit currents and check of selected instrumentation, wiring design of
power supply, calculation of relay protection, calculation of the grounding
device, questions of electric motors. The questions of guards of work are
considered at maintenance of electric sets.
The system of power supply meets the requirements
of reliability and profitability.
Введение
Задача
электроснабжения промышленных предприятий возникла одновременно с развитием
строительства электрических станций.
Проектирование
систем электроснабжения промышленных предприятий велось в ряде проектных
организаций. В результате обобщения опыта проектирования возникло типовое
решение.
В настоящее
время созданы методы расчета и проектирования цеховых сетей, выбора мощности
цеховых трансформаторов и трансформаторных подстанций, методика определения
электрических нагрузок и т.п. Ниже перечислены основные современные проблемы в
области электроснабжения промышленных предприятий.
1.
Рациональное
построение систем электроснабжения промышленных предприятий.
2.
Вопросы
компенсации реактивной мощности в системах электроснабжения промышленных
предприятий.
3.
Применение
переменного тока, оперативного, для релейной защиты и автоматики.
4.
Правильное
определение ожидаемых электрических нагрузок.
5.
Вопросы
конструирования универсальных удобных в эксплуатации цеховых электрических
сетей.
6.
Комплектное
исполнение цеховых и общезаводских систем питания и конструкции подстанций.
Темой данного
дипломного проекта является проектирование системы электроснабжения
текстильного комбината.
Introduction
The problem of power supply of industrial firms
has arisen simultaneously with development of construction of electrical
stations.
The system design of power supply of industrial
firms was conducted in a number(series) of design organizations. As a result of
generalization of experience of designing there was a standard solution.
Methods of calculation and designing of shop
networks(grids), selection of power of shop transformers and transformer
substations now are created, a technique of definition of electrical loads the
main(basic) modern problems are etc. below listed(etc. below transferred) in
the field of power supply of industrial firms.
1. Rational construction of systems of
power supply of industrial firms.
2. Questions of indemnification(compensation)
of a reactive power in systems of power supply of industrial firms.
3. Application of an alternating current,
operating, for relay protection and automatics.
4. Correct definition of expected
electrical loads.
5. Questions of designing universal
convenient in maintenance of shop electrical networks.
6. Complete fulfilment of shop and
manufacturing power supply systems and designs of substations.
Them of the given degree project is the designing
of a system of power supply of a plant of heavy engineering.
1. Исходные
данные на проектирование
1)
Генеральный план
завода приведен на рис. 1.
2)
Мощность системы
питания 800 МВ·А.
3)
Питание
предприятия можно осуществлять от подстанций энергосистемы на классах напряжения
220, 110, 35 кВ.
4)
Индуктивное
сопротивление системы (хС) принимать 0,3; 0,6; 0,9 о.е.
соответственно классам напряжения 220, 110, 35 кВ.
5)
Расстояние от
источника питания до завода 3 км.
6)
Сведения об
электрических нагрузках представлены в таблице 1.
2. Описание
технологического процесса
Таблица 1.
Ведомость электрических нагрузок завода
|
№ на плане
|
Наименование
цеха
|
Установленная
мощность, кВт
|
Категория
|
Окружающая
среда
|
|
1
|
Административный корпус
|
100
|
II
|
Нормальная
|
|
2
|
Прядильно-кордная фабрика
|
7010
|
II
|
Нормальная
|
|
3
|
Ткацкая фабрика № 1
|
3200
|
II
|
Нормальная
|
|
4
|
Ткацкая фабрика № 2
|
2150
|
II
|
Нормальная
|
|
5
|
Отбельно-красильный корпус отделочной фабрики
|
1770
|
II
|
Нормальная
|
|
6
|
Печатно-аппретурный корпус отделочной фабрики
|
4600
|
II
|
Пожароопасная
|
|
7
|
Станция водоподготовки
|
1100
|
II
|
Нормальная
|
|
8
|
Склад масел
|
20
|
III
|
Нормальная
|
|
9
|
Склад реагентов
|
15
|
III
|
Тяжелая
|
|
10
|
Склад готовой продукции
|
30
|
III
|
Тяжелая
|
|
11
|
Склад вспомогательных материалов
|
120
|
III
|
Тяжелая
|
|
12
|
Ремонтно-механический цех
|
700
|
II
|
Нормальная
|
|
13
|
Склад хлопка
|
20
|
III
|
Нормальная
|
|
14
|
Депо электрокар
|
250
|
II
|
Нормальная
|
|
15
|
Блок подсобных цехов
|
70
|
II
|
Нормальная
|
|
16
|
Хлопковая база
|
30
|
Ш
|
Нормальная
|
|
17
|
Компрессорная
|
650
|
II
|
Нормальная
|
|
Компрессорная (6 кВ)
|
2800
|
II
|
Нормальная
|
|
18
|
Склад декоративных тканей
|
15
|
Ш
|
Нормальная
|
|
19
|
Холодильная станция
|
2210
|
II
|
Нормальная
|
|
Холодильная станция (6 кВ)
|
6000
|
II
|
Нормальная
|
|
20
|
Насосная
|
1380
|
II
|
Нормальная
|
|
21
|
Ремонтно-строительный цех
|
120
|
Ш
|
Нормальная
|
|
22
|
Прядильно-ниточная фабрика
|
8810
|
II
|
Нормальная
|
|
23
|
Прядильно-гребенная фабрика
|
8190
|
II
|
Нормальная
|
|
Освещение цехов и территории комбината
|
Определить
по площади
|
II
|
|
3.
Определение расчетных электрических нагрузок
Важным этапом
проектирования системы электроснабжения является определение электрических
нагрузок. Зная электрические нагрузки, можно выбрать нужное число и мощности
силовых трансформаторов, мощности и места подключения компенсирующих устройств,
выбрать и проверить токоведущие элементы по условию допустимого нагрева,
рассчитать потери и колебания напряжения и выбрать защиты.
Существуют
различные методы расчета электронагрузок, которые в свою очередь делятся на: 1)
основные; 2) вспомогательные.
К первым
относят такие способы как:
1. По
установленной мощности и коэффициенту спроса.
2. По средней
мощности и отклонению расчетной нагрузки от средней (статический метод).
3. По средней
мощности и коэффициенту формы графика нагрузки.
4. По средней
мощности и коэффициенту максимума (метод упорядоченных диаграмм)
Ко вторым
относят такие методы как:
5. По
удельному расходу электроэнергии на единицу продукции или заданном объеме
выпуска продукции за определенный период времени.
6. По
удельной нагрузке на единицу производственной площади.
Применение
того или иного метода определяется допустимой погрешностью расчетов.
1. Метод
коэффициента спроса
Метод
коэффициента спроса наиболее прост и широко распространен. Для определения
расчетных нагрузок по этому методу необходимо знать установленную мощность РЦ
группы приемников и коэффициенты мощности cosj и спроса КС данной
группы, определяемые по справочной литературе.
Расчетная
нагрузка для однородных по режиму работы приемников определяется по следующим
выражениям:
;
;
,
где КС
– коэффициент спроса группы приемников.
tgj - соответствует cosj.
Расчетная
нагрузка (цеха, корпуса, предприятия) определяется суммированием расчетных
нагрузок отдельных групп приемников, входящих в данный узел с учетом
коэффициента разновременности максимумов нагрузки.
;
- сумма расчетных активных нагрузок
отдельных групп приемников;
- сумма расчетных реактивных нагрузок
отдельных групп приемников.
КР.Т.
– коэффициент разновременности максимумов нагрузок отдельных групп приемников,
принимаемый 0,85 – 1,0 в зависимости от места нахождения данного угла в системе
электроснабжения предприятия.
2.
Статический метод расчета нагрузок
Формирование
электрических нагрузок зависит от ряда случайных факторов. Поэтому числовые
значения величин нагрузок, также являются случайными, чаще всего эти величины
независимы. Поскольку групповая нагрузка представляет собой систему независимых
случайных нагрузок отдельных электроприемников, то при большом их числе
групповая нагрузка подчиняется нормальному закону распределения случайных
величин.
По
статическому методу расчетную нагрузку группы приемников определяют двумя
интегральными показателями: средней нагрузкой РСР и
среднеквадратичным отклонением s из уравнения:
,
где b - статический коэффициент, зависящий
от закона распределения и принятой вероятности превышения графиком нагрузки Р(t) уровня РР.
Среднеквадратичное
отклонение для группового графика определяют по формуле:
,
где
– Среднеквадратичная мощность.
При введении
коэффициента формы
;
,
Значение b принимается различным. В теории
вероятности используется правило трех сигм
;
что при
нормальном распределении соответствует предельной вероятности 0,9973.
Вероятности превышения нагрузки на 0,5% соответствует b = 2,5, для b = 1,65 обеспечивается пяти процентная
вероятность ошибки. В практических расчетах вполне достаточна точность 0,5
тогда
3.
Определение расчетной нагрузки по средней сложности и коэффициенту формы
Данный метод
может применяться для определения расчетных нагрузок цеховых шинопроводов, на
шинах низшего напряжения цеховых трансформаторных подстанций, на шинах РУ
напряжением 10 кВ, когда значения коэффициента формы КФ находится в
пределах 1,0-1,2. Расчетную нагрузку группы приемников определяют из выражений:
;
или
,
где
;
.
В расчетном
методе расчетную нагрузку принимаю равной среднеквадратичной, т.е.:
,
Для группы
приемников с повторно-кратковременным режимом (ПКР) работы применяемое
допущение справедливо во всех случаях. Оно приемлемо и для групп приемников с
длительным режимом работы, когда число приемников в группе достаточно велико и
отсутствует мощные приемники, способные изменить достаточно равномерный
групповой график нагрузок. Значение коэффициента КФ достаточно
стабильны, если производительность завода или цеха примерно постоянна. Поэтому
при проектировании КФ могут быть приняты по опытным данным системы
электроснабжения действующего предприятия, аналогичному по технологическому
процессу и производительности проектируемому. Средние мощности за наиболее
загруженную смену РСР.М., QСР.М для
определения расчетной нагрузки находятся при проектировании любым из способов:
1. По известным установленным мощностям
РУ и коэффициентам использования КИ.
где Рном.
– суммарная номинальная мощность группы электроприемников приведенная к ПВ =
100 %.
2. По известным удельным расходам
электроэнергии и производительности цеха или предприятия в единицах продукции.
3. По известным среднеудельным нагрузкам
на единицу производственной площади.
4. Метод
упорядоченных диаграмм
По этому
методу расчетная активная нагрузка электроприемника на всех ступенях питающих и
распределительных сетей (включая трансформаторы и преобразователи) определяется
по средней мощности и коэффициенту максимума из выражения:
;
Для
определения РР по методу упорядоченных диаграмм все электроприемники
разбиваются на подгруппы с примерно одинаковыми режимами работы (коэффициентами
использования КИ коэффициентами мощности cosj). Затем для каждой группы находят
сумму номинальных мощностей. При этом, если режим работы электроприемника
отличен от длительного, то используем следующую формулу:
,
где Рпас
– паспортная мощность приемника.
ПВ –
продолжительность включения электроприемника группы в долях от 1.
Значение КМ
зависит от КИ данной группы электроприемников и эффективного числа
приемников nэф. Эффективное число электроприемников
определяется по формуле.
.
При числе
электроприемников в группе 4 и более допускается принимать nэф равным n (действительному значению электроприемников при условии, что
отношение номинальной мощности наибольшего электроприемника РНОМ.max к номинальной мощности наименьшего РНОМ.min
При m > 3 и КИ ³ 0,2 nэф можно определить по более простой формуле:
Когда
найденное эффективное число электроприемников nэф оказывается больше действительного n, следует принимать nэф = n; На практике бывает, когда n<5, тогда nэф, КМ не определяются и
– при n = 1 расчетная нагрузка подгруппы
равна номинальной, т.е. РН = РИ –
– при n = 2 – 5 расчетная нагрузка
рассчитывается по коэффициенту нагрузки
если КЗ у всех одинаков или
если КЗ различны.
Практика
расчетов показала, что более точно КМ можно найти по формуле:
,
где КФ
– коэффициент формы графика нагрузки; А,В – коэффициенты, учитывающие нагрев
проводников. Коэффициент КФ рассчитывается по формуле:
;
Коэффициенты
А и В принимаются равными
при КФ
£ 1,1 А = 4,1 В = 3,1
при КФ
> 1,1 А = 2,8 В = 1,67
расчетную
реактивную нагрузку по этому принимают равной:
при КФ
£ 10 QР = 1,1×QСР.М
при КФ
> 10 QР = QСР.М
или QР = РР × tgj
5. Метод
удельного расхода электроэнергии на единицу продукции
Ряд
приемников электроэнергии характеризуются неизменными или мало изменяющимися
графиками нагрузок. К таким электроприемникам относятся электроприводы
вентиляторов, насосов, воздуходувок, преобразовательных агрегатов, электролизных
установок, печи сопротивления, электроприемники бумажной и химической
промышленности, поточно-транспортных систем, и многие другие.
Коэффициенты
включения этих приемников равны 1, а коэффициенты загрузки изменяются мало.
Для
электроприемников с неизменной или мало изменяющейся во времени нагрузкой,
расчетная нагрузка совпадает со средней, за наиболее загруженную смену и может
быть определена по удельному расходу электрической энергии на единицу продукции
при заданном объеме выпуска за определенный период времени:
,
где Эуд
– удельный расход электроэнергии на единицу продукции, кВт×ч.
NСМ – количество продукции, выпускаемой
за смену (производительность установки за смену).
ТСМ
– продолжительность наиболее загруженной смены, ч.
При наличии
данных об удельных расходах электроэнергии на единицу продукции в натуральном
выражении Эуд при годовом объеме выпускаемой продукции Nгод цеха (предприятия в целом) расчетную
нагрузку определяют по формуле:
,
где Тmax.ц – число часов использования
максимума активной нагрузки цеха (принимается по отраслевым инструкциям и
справочным данным).
Если известны
данные об удельных расходах электроэнергии по отдельным технологическим
агрегатам Эуд.i,
то расчетную нагрузку определяют по формулам:
для цеха:
;
для завода в
целом:
где РР.О.Ц.
и РР.О.З. – расчетные нагрузки за наиболее загруженную смену
соответственно общецеховых и общезаводских электроприемников. Nэд.i – производительность отдельных
агрегатов. Эуд.i
– расход электроэнергии по отдельным агрегатам.
6. Метод
удельной нагрузки на единицу произведенной площади
Расчетная
нагрузка группы электроприемников по удельной мощности определяется по формуле:
,
где Руд
– удельная расчетная мощность на 1 м2 производственной
мощности, кВт/м2. F - площадь размещения группы приемников, м2.
Удельную
нагрузку определяют по статистическим данным. Её значение зависит от рода
производства, площади цеха, обслуживаемой магистральным шинопроводом и
изменяется в пределах 0,06 – 0,6 кВт/м2.
Метод
удельной нагрузки на единицу производственной мощности применяемой при
проектировании универсальных сетей машиностроения, которые характеризуются большим
количеством электроприемников малой и средней мощности, равномерно
распределенных по площади цеха. Универсальные сети выполняются магистральными
шинопроводами и прокладываются с учетом возможных перемещений технологического
оборудования.
Из анализа
рассмотренных различных методов определения расчетных нагрузок можно сделать
следующие выводы:
1. Для
определения расчетных нагрузок по отдельным группам электроприемников и узлам с
напряжением до 1 кВ в цеховых сетях следует использовать метод упорядоченных диаграмм
показателей графиков нагрузок.
2. Для
определения расчетных нагрузок на высших ступенях системы электроснабжения
(начиная с цеховых шинопроводов и шин цеховых ТП и кончая линиями, питающими
предприятие) следует использовать методы расчета, основанные на использовании
средней мощности и коэффициентов КМ и КФ.
При
ориентировочных расчетах на высших ступенях системы электроснабжения возможно
применение методов расчета по установленной мощности и КС. Из всех
выше перечисленных методов расчетов электрических нагрузок предпочтительней
метод коэффициента спроса. Погрешность при расчете данным способом составляет
5-10%. Такая погрешность допустима при проектировании. Таким образом расчет
электрических нагрузок данного проекта будет осуществляется методом коэффициента
спроса.
Метод коэффициента
спроса
Указанный в
проектном задании установленные мощности цехов позволяют применить к расчету их
нагрузок, метод коэффициента спроса. Расчетный максимум, необходимый для выбора
почти всех элементов СЭС сечения проводников, трансформаторов ППЭ, отключающей
аппаратуры, измерительных трансформаторов и т.д., определяемый сначала для
отдельных цехов, а затем и для всего завода в целом. Определение расчетной
нагрузки данным методом рассмотрим на примере прядильно-кордной фабрики.
где
- расчетный максимум цеха без учета
освещения. КС – коэффициент спроса по фабрике согласно [3].
кВт
кВар
Необходимо
учесть нагрузку искусственного освещения цехов и территории завода. Эта
нагрузка определяется по удельной плотности освещения s согласно [1] по выражению:
,
где F – освещаемая площадь, м2,
s - удельная плотность осветительной
нагрузки, Вт/м2. КСО – коэффициент спроса осветительной
нагрузки согласно.
кВт.
,
где tgj - коэффициент мощности осветительной
нагрузки.
кВар.
В качестве
источников света используем люминесцентные лампы с cosj = 0,9 (tgj = 0,48). Полная нагрузка цеха
напряжением до 1 кВ представляет собой сумму силовой и осветительной нагрузки.
кВт
кВар
Результаты
расчета остальных цехов сведены в табл. 2. У потребителей напряжением 6 кВ
отсутствует осветительная нагрузка. Определим мощность осветительной нагрузки
территории предприятия. Площадь территории F =521424,72 м2,освещаемая территория Fтер.ос.=376040 м2, удельная
плотность освещения sтер = 1 Вт/м2.
Коэффициент спроса КСО тер = 1 по (2.1.3.) и (2.1.4.)
кВт
кВар
Нагрузка
напряжением до 1 кВ, без потерь в трансформаторaх.

кВА
Для
дальнейшего расчета максимальной нагрузки по заводу в целом необходимо учесть
коэффициент разновременности максимума КРМ = 0,925, а также потери в
цеховых трансформаторах, линиях, распределительной и др. элементах. Однако эти
элементы еще не выбраны, поэтому потери в трансформаторах цеховых подстанций DР и DQ учитывают приближенно по суммарным значениям нагрузок
напряжением до 1 кВ.
кВт
кВар
Суммарная
активная нагрузка напряжением свыше 1000 В.
кВт
Потребителями
напряжения 6 кВ в компрессорной и насосной являются в основном синхронные
двигатели. Они имеют cosj,
равный 1, следовательно реактивная мощность напряжением выше 1000 В равна нулю.
кВар
Активная
мощность предприятия
кВт
Реактивная
мощность предприятия без учета компенсации.
кВар.
Таблица 2.
Расчетные максимумы цехов
P'm
|
Q'm
|
F
|
σ
|
Ксо
|
tgfо
|
Ро
|
Qо
|
Р∑
|
Q∑
|
S∑
|
ΔРт
|
ΔQт
|
Рм
|
Qм
|
Sм
|
|
Административный
корпус
|
50
|
24,216
|
2285,28
|
5,14
|
0,85
|
0,48
|
9,984
|
4,792
|
59,98
|
29,009
|
66,63
|
1,333
|
6,66
|
61,31
|
35,67
|
70,9383
|
|
Прядильно-кордная
фабрика
|
4907
|
3680,3
|
7379,55
|
4,68
|
0,9
|
0,48
|
31,08
|
14,92
|
4938
|
3695,2
|
6168
|
123,4
|
617
|
5061,
|
4312
|
6649,122
|
|
Ткацкая
фабрика № 1
|
2720
|
2393,6
|
16092,2
|
5
|
0,9
|
0,48
|
72,41
|
34,75
|
2792
|
2428,4
|
3701
|
74,01
|
370
|
2866,
|
2798
|
4005,94
|
|
Ткацкая
фабрика № 2
|
1827,5
|
1611,7
|
17940
|
5
|
0,9
|
0,48
|
80,73
|
38,75
|
1908
|
1650,5
|
2523
|
50,46
|
252
|
1959
|
1903
|
2730,736
|
|
Отбельно-красильный
корпус отделочной фабрики
|
1327,5
|
1170,7
|
5998,86
|
2,34
|
0,8
|
0,48
|
11,23
|
5,390
|
1339
|
1176,1
|
1782
|
35,64
|
178
|
1374
|
1354
|
1929,537
|
|
Печатно-аппретурный
корпус отделочной фабрики
|
3220
|
3285,1
|
7498,58
|
2
|
0,8
|
0,48
|
12
|
5,758
|
3232
|
3290,8
|
4613
|
92,25
|
461
|
3324
|
3752
|
5012,847
|
|
Станция
водоподготовки
|
825
|
727,58
|
6299,7
|
3,08
|
0,8
|
0,48
|
15,52
|
7,450
|
840,5
|
735,03
|
1117
|
22,33
|
112
|
862,8
|
846,7
|
1208,884
|
|
Склад
масел
|
10
|
4,8432
|
476,1
|
2,41
|
0,85
|
0,48
|
0,975
|
0,468
|
10,98
|
5,3114
|
12,19
|
0,244
|
1,22
|
11,22
|
6,531
|
12,98148
|
|
Склад
реагентов
|
7,5
|
3,6324
|
380,88
|
2,41
|
0,85
|
0,48
|
0,78
|
0,374
|
8,28
|
4,0069
|
9,199
|
0,184
|
0,92
|
8,464
|
4,927
|
9,793684
|
|
Склад
готовой продукции
|
15
|
11,25
|
903,9
|
2,18
|
0,85
|
0,48
|
1,675
|
0,804
|
16,67
|
12,054
|
20,58
|
0,412
|
2,06
|
17,08
|
14,11
|
22,160
|
|
Склад
вспомогательных материалов
|
60
|
45
|
1897,5
|
2,18
|
0,85
|
0,48
|
3,516
|
1,687
|
63,52
|
46,688
|
78,83
|
1,577
|
7,88
|
65,09
|
54,57
|
84,941
|
|
Ремонтно-механический
цех
|
280
|
373,33
|
3427,92
|
3,4
|
0,9
|
0,48
|
10,49
|
5,034
|
290,5
|
378,37
|
477
|
9,54
|
47,7
|
300,0
|
426,1
|
521,10
|
|
Склад
хлопка
|
10
|
4,8432
|
1897,5
|
2,41
|
0,85
|
0,48
|
3,887
|
1,865
|
13,89
|
6,709
|
15,42
|
0,308
|
1,54
|
14,19
|
8,251
|
16,419
|
|
Депо
электрокар
|
150
|
153,03
|
856,98
|
3,68
|
0,8
|
0,48
|
2,523
|
1,211
|
152,5
|
154,24
|
216,9
|
4,338
|
21,7
|
156,8
|
175,9
|
235,70
|
|
Блок
подсобных цехов
|
42
|
42,849
|
1737,8
|
3,68
|
0,8
|
0,48
|
5,116
|
2,455
|
47,12
|
45,304
|
65,36
|
1,307
|
6,54
|
48,42
|
51,84
|
70,938
|
|
Хлопковая
база
|
15
|
9,2962
|
1928,21
|
2,25
|
0,9
|
0,48
|
3,905
|
1,874
|
18,9
|
11,17
|
21,96
|
0,439
|
2,2
|
19,34
|
13,37
|
23,51249
|
|
Компрессорная
|
552,5
|
414,38
|
1856,79
|
2,34
|
0,8
|
0,48
|
3,476
|
1,668
|
556
|
416,04
|
694,4
|
13,89
|
69,4
|
569,8
|
485,5
|
748,62
|
|
Склад
декоративных тканей
|
7,5
|
3,6324
|
848,7
|
2,18
|
0,85
|
0,48
|
1,573
|
0,754
|
9,073
|
4,3873
|
10,08
|
0,202
|
1,01
|
9,274
|
5,395
|
10,729
|
|
Холодильная
станция
|
1657,5
|
1243,1
|
2880,41
|
2,34
|
0,9
|
0,48
|
6,066
|
2,911
|
1664
|
1246
|
2078
|
41,57
|
208
|
1705
|
1454
|
2240,8
|
|
Насосная
|
1173
|
879,75
|
1285,47
|
3,08
|
0,8
|
0,48
|
3,167
|
1,520
|
1176
|
881,27
|
29,39
|
147
|
1205
|
1028
|
1584,5
|
|
Ремонтно-строительный
цех
|
48
|
64
|
9331,56
|
3,4
|
0,9
|
0,48
|
28,55
|
13,70
|
76,55
|
77,706
|
109,1
|
2,182
|
10,9
|
78,73
|
88,61
|
118,54
|
|
Прядильно-ниточная
фабрика
|
7488,5
|
5616,4
|
5903,64
|
5
|
0,9
|
0,48
|
26,57
|
12,75
|
7515
|
5629,1
|
9390
|
187,8
|
939
|
7702,
|
6568
|
10123
|
|
Прядильно-гребенная
фабрика
|
6961,5
|
6139,5
|
48562,2
|
5
|
0,9
|
0,48
|
218,5
|
104,8
|
7180
|
6244,4
|
9516
|
190,3
|
952
|
7370
|
7196
|
10300,63
|
|
Приемники
6 кВ
|
P'm
|
Q'm
|
|
|
Компрессорная
(6 кВ)
|
1120
|
0
|
|
Холодильная
станция (6 кВ)
|
3000
|
0
|

кВА.
Мощность
по заводу определяется как
,
где
и
активная
и реактивная мощности с учетом потерь в трансформаторе на пункте приема
электроэнергии (ППЭ)
кВт
кВар
кВт
кВар
кВА.
4. Построение
графиков электрических нагрузок
Сопоставим
полученные результаты расчетных мощностей завода с процентной шкалой суточного
графика электрических нагрузок и данные сведем в табл. 3.
При
составлении таблицы учтем нагрузки для рабочего и выходного дней. Также учтем
тот факт, что насосная работает круглосуточно в любой день (её мощность 2694
кВт). В темное время суток осуществляется освещение территории завода (мощность
осветительной нагрузки 286,88 кВт). В выходной день работают в основном именно
эти нагрузки. Их сумма составляет 2980,88 кВт. Работа освещения территории
завода осуществляется с 20 00 вечера до 7 00 утра.
По данным
табл. 3 построим суточный график нагрузки для рабочего и выходного дней.
Таблица 3.
Суточный график нагрузок в именованных единицах
|
t, ч
|
%
|
Si, кВА
|
Si2
|
Si>Sтр
|
tперегрузки
|
|
1
|
35
|
17424,8
|
303621986,5
|
0
|
0
|
|
2
|
32
|
15931,2
|
253803195,3
|
0
|
0
|
|
3
|
35
|
17424,8
|
303621986,5
|
0
|
0
|
|
4
|
35
|
17424,8
|
303621986,5
|
0
|
0
|
|
5
|
31
|
15433,4
|
238188350,2
|
0
|
0
|
|
6
|
25
|
12446,3
|
154909176,8
|
0
|
0
|
|
7
|
55
|
27381,8
|
749760415,7
|
0
|
0
|
|
8
|
80
|
39828
|
1586269970
|
0
|
0
|
|
9
|
95
|
47295,8
|
2236888513
|
47295,756
|
1
|
|
10
|
100
|
49785
|
2478546829
|
49785,006
|
2
|
|
11
|
90
|
44806,5
|
2007622931
|
44806,505
|
3
|
|
12
|
87
|
43313
|
1876012095
|
43312,955
|
4
|
|
13
|
92
|
45802,2
|
2097842036
|
45802,206
|
5
|
|
14
|
96
|
47793,6
|
2284228757
|
47793,606
|
6
|
|
15
|
93
|
46300,1
|
2143695152
|
46300,056
|
7
|
|
16
|
85
|
42317,3
|
1790750084
|
42317,255
|
8
|
|
17
|
90
|
44806,5
|
2007622931
|
44806,505
|
9
|
|
18
|
92
|
45802,2
|
2097842036
|
45802,206
|
10
|
|
19
|
90
|
44806,5
|
2007622931
|
44806,505
|
11
|
|
20
|
93
|
46300,1
|
2143695152
|
46300,056
|
12
|
|
21
|
93
|
46300,1
|
2143695152
|
46300,056
|
13
|
|
22
|
86
|
42815,1
|
1833133234
|
42815,105
|
14
|
|
23
|
86
|
34849,5
|
1214487946
|
0
|
14
|
|
24
|
35
|
17424,8
|
303621986,5
|
0
|
14
|
Рис. 4.1
Суточный график электрических нагрузок для рабочего и выходного дней
На рис. 4.1
приведен суточный график электрических нагрузок рабочего и выходного дней
зимнего периода. Летний график строится и выглядит аналогично зимнему.
Для
построения годового графика электрических нагрузок используется суточный
график.
Рассчитаем
число часов использования максимальной нагрузки Тmax.
Суточный
расход активной энергии рабочего дня зимой.
кВт×ч
Суточный
расход активной энергии рабочего дня летом.
кВт×ч
Годовой
расход активной энергии.
ч.
ч.
кВт×ч
Определим
число часов использования максимальной нагрузки.
ч.
Рис 4.2
Годовой график электрических нагрузок
5.
Определения центра электрических нагрузок
Для
построения рациональной СЭС промышленного предприятия важное значение имеет
правильное размещение трансформаторных подстанций всех мощностей, напряжения,
тока должны быть максимально приближены к центрам подключенных к ним нагрузок
(ЦЭН). Это обеспечивает наилучшие технико-экономические показатели СЭС по
расходу электроэнергии и дефицитных проводниковых материалов, т.е. минимум
приведенных затрат. При проектировании СЭС разрабатывается генеральный план
объекта, на который наносятся все производственные цеха, расположенные на
территории предприятия. На генеральном плане указываются расчетные мощности
цехов и всего предприятия. Для того чтобы найти наиболее выгодный вариант
расположения понижающих подстанций и источников питания, составляют картограмму
нагрузок.
Картограмма
представляет собой размещенные на генеральном плане предприятия или плане цеха
окружности, площади которых пропорциональны расчетным нагрузкам соответствующих
цехов. Площадь сектора пропорциональна осветительной нагрузке цеха и
определяется по выражению:
,
где m – масштабный коэффициент.
Угол
характеризующий долю осветительной нагрузки, относительно расчетной нагрузки
цеха определяется по выражению:
Координаты
ЦЭН находятся по:
;
;
Результаты
расчетов сведены в табл. 4.
По данным
этой таблицы построим картограмму электрических нагрузок.
Таблица 4.
Данные расчета картограммы электрических нагрузок
|
№
|
Р0,
кВт
|
РМ,
кВт
|
Хi,
мм
|
Yi,
мм
|
ri
|
α
|
РМi×Хi
|
РМi×Хi
|
Х0
|
Y0
|
|
1
|
9,98
|
61,317
|
86
|
75
|
4,4179
|
58,62
|
5273,26189
|
4598,77491
|
81,997
|
46,63
|
|
2
|
31,08
|
5061,4
|
90
|
53
|
40,139
|
2,211
|
455529,069
|
268256,007
|
|
3
|
72,41
|
2866,4
|
110
|
60
|
30,206
|
9,095
|
315306,969
|
171985,62
|
|
4
|
80,73
|
1958,7
|
110
|
46
|
24,969
|
14,84
|
215455,818
|
90099,7055
|
|
5
|
11,23
|
1374,4
|
130
|
53
|
20,916
|
2,942
|
178668,059
|
72841,5933
|
|
6
|
11,99
|
3324,2
|
141
|
53
|
32,529
|
1,299
|
468718,966
|
176185,143
|
|
7
|
15,52
|
862,85
|
115
|
18
|
16,573
|
6,476
|
99228,2167
|
15531,3731
|
|
8
|
0,97
|
11,219
|
140
|
21
|
1,8898
|
31,3
|
1570,68093
|
235,602139
|
|
9
|
0,78
|
140
|
28
|
1,6414
|
33,18
|
1184,98918
|
236,997837
|
|
10
|
1,67
|
17,086
|
127
|
27
|
2,3321
|
35,29
|
2169,97746
|
461,333792
|
|
12
|
3,51
|
65,093
|
112
|
28
|
4,5519
|
19,45
|
7290,37683
|
1822,59421
|
|
13
|
10,48
|
300,03
|
92
|
11
|
9,7725
|
12,59
|
27602,7421
|
3300,32786
|
|
14
|
3,89
|
14,195
|
85
|
38
|
2,1257
|
98,58
|
1206,61606
|
539,428357
|
|
15
|
2,52
|
156,86
|
80
|
21
|
7,0662
|
5,79
|
12548,9059
|
3294,08779
|
|
16
|
5,11
|
48,423
|
76
|
9
|
3,926
|
38,04
|
3680,17504
|
435,810202
|
|
17
|
3,9
|
19,344
|
51
|
7
|
2,4814
|
72,67
|
986,53272
|
135,406452
|
|
18
|
3,47
|
569,86
|
66
|
27
|
13,468
|
2,196
|
37611,0276
|
15386,3295
|
|
19
|
1,57
|
9,2742
|
49
|
28
|
1,7182
|
61,05
|
454,43561
|
259,677492
|
|
20
|
6,06
|
1705,1
|
59
|
5
|
23,297
|
1,281
|
100603,003
|
8525,6782
|
|
21
|
3,17
|
1205,6
|
7
|
8
|
19,589
|
0,946
|
8438,92927
|
9644,49059
|
|
22
|
28,55
|
78,736
|
16
|
31
|
5,0062
|
130,6
|
1259,77938
|
2440,82254
|
|
23
|
26,57
|
7702,9
|
71
|
52
|
49,517
|
1,242
|
546902,847
|
400548,564
|
|
6. Технико-экономический расчет с учетом надежности
6.1 Выбор рационального напряжения
При проектировании систем электроснабжения промышленных
предприятий важным вопросом является выбор рациональных напряжений для схемы,
поскольку их значения определяют параметры линий электропередачи и выбираемого
электрооборудования подстанций и сетей, а следовательно, размеры
капиталовложений, расход цветного металла, потери электроэнергии и
эксплуатационные расходы. Рациональное построение системы электроснабжения во
многом зависит от правильного выбора напряжения системы питания и распределения
электроэнергии.
Для
определения приближенного значения рационального напряжения в проектной
практике обычно используют следующие выражения:
(6.1.1)
где
- значение расчетной нагрузки завода,
МВт; l – расстояние от подстанции
энергосистемы до завода, км.
Для рассматриваемого предприятия они будут равны:
Далее,
намечают два ближайших значения стандартных напряжений (одно меньше
, а другое больше
) и на основе ТЭР окончательно выбирают
напряжение питания предприятия.
Варианты
стандартных значений напряжения: 35 кВ и 110 кВ.
Так как, под
рациональным напряжением
понимается такое
значение стандартного напряжения, при котором сооружение и эксплуатация СЭС
имеют минимальное значение приведенных затрат, определяют приведенные затраты
для каждого из вариантов.
Согласно методике, изложенной в главе 1.1, приведенные
затраты определяются по выражению (1.1.1), руб/год,
(6.1.2)
Народнохозяйственный ущерб от перерывов электроснабжения У
будет определен позже, после расчета надежности схем питания. Для выбора
рационального напряжения необходимо определить лишь капитальные вложения в
строительство и стоимость потерь энергии.
Отчисления
от капитальных вложений определяются по выражению, руб/год
(6.1.4)
Нормативный коэффициент эффективности капиталовложений для новой
техники принимают равным ЕН = 0,15 о.е./год.
Для воздушных линий 35 кВ и выше на стальных и железобетонных
опорах суммарные издержки на амортизацию и обслуживание равны
[8]. Суммарные издержки на амортизацию и обслуживание
силового электротехнического оборудования и распределительных устройств 35-150
кВ
[8]. Сравнение производят для следующей схемы:
Рис.4. Схема
электроснабжения для расчета рационального напряжения
Капитальные
затраты К, необходимые для осуществления электропередачи от источников питания
к приемникам электроэнергии, зависят от передаваемой мощности S, расстояния l между источником питания и местом
потребления или распределения.
Капитальные
затраты на сооружение системы электроснабжения выражают формулой:
(6.1.4)
где КЛ — капитальные затраты на сооружение
воздушных и кабельных линий;
; КЛ0 —
стоимость сооружения 1 км линий; l — длина линии; КОБ
— капитальные затраты на приобретение оборудования (выключателей,
разъединителей, отделителей, короткозамыкателей, измерительных трансформаторов,
реакторов, шин, разрядников, силовых трансформаторов и т. п.).
Определяют
сначала капиталовложения на сооружение ВЛЭП и подстанции на напряжение 110 кВ.
Находят КЛ110.
Для определения капиталовложений по сооружению двух цепей линии 110 кВ (W1 и W2) необходимо знать сечение проводов линий. Выбор сечения
проводов производят из расчета обеспечения питания предприятия по одной линии в
случае повреждения или отключения другой.
1. Определяют
ток в линии в нормальном и послеаварийном режимах:
(6.1.5)
(6.1.6)
2. Сечение провода рассчитывают по экономической плотности
тока:
Для текстильного комбината: Тма = 6200-8000 ч., Тмр
= 6220ч. [10]. Следовательно jэк
= 1 А/мм2 [9].
(6.1.7)
По полученному сечению выбирают алюминиевый провод со
стальным сердечником марки АС-120/19. Выбранное сечение проверяется по
допустимому нагреву (по допустимому току) в нормальном и послеаварийном режимах
согласно условию Iпар ≤ Iд , по потерям напряжения U
и потерям на коронный разряд.
3. Проверяют сечение провода по условию допустимого нагрева:
По ПУЭ допустимый предельный ток для провода на 110 кВ
сечением 120/19 мм2 равен 390 А, следовательно Iпар
= 261,6 А < Iд = 390 А. Сечение по
данному условию подходит.
4. Проверяют
сечение провода по падению напряжения в линии в нормальном и послеаварийном
режимах:
(6.1.8)
(6.1.9)
(6.1.10)
Удельные
сопротивления для провода АС-120/19 равны r0 = 0,249 Ом/км и xо
= 0,427 Ом/км [18]. По формуле (6.1.8):
5. По условию
коронного разряда и уровню радиопомех провод такого сечения можно использовать.
Стоимость ВЛЭП 110 кВ с проводами марки АС-120/19 для стальных двухцепных опор для III района по гололеду, к которому относится Омская область, равна
[8]. Учитывая, что длина линии
,
получают
Стоимость сооружения аналогичной
линии в современных условиях (ценах 2002г.) составляет
[Приложение 3].
(6.1.11)
Находят КОБ110.
Для определения капиталовложений по сооружению подстанции 110 кВ необходимо
выбрать силовой трансформатор (Т1 и Т2), выключатель (Q1, Q2, Q3 и Q4) и разъединитель (QS1 – QS8).
Так как на
предприятии имеются потребители II
категории, то устанавливают двухтрансформаторную подстанцию.
Мощность
трансформаторов определяют по суточному графику нагрузки (рис. 6). Для этого рассчитывают среднеквадратичную
мощность по формуле:
(6.1.12)
Определяют
мощность одного трансформатора:
(6.1.13)
Выбирают
трехфазный трансформатор с расщепленной обмоткой низшего напряжения с
принудительной циркуляцией воздуха и естественной циркуляцией масла
оборудованный системой регулирования напряжения ТРДН – 40000/110 [8] (Sном = 40 МВА; Uвн = 115 кВ; Uнн = 6,3/10,5; 10,5/10,5 кВ; Pх = 34 кВт; Pк = 170 кВт;
Uк = 10,5%; Iх = 0,55%) с
регулировкой напряжения под нагрузкой (РПН) и производят проверку на
эксплуатационную перегрузку.
Коэффициент
предварительной загрузки:
(6.1.14)
Коэффициент
максимума:
(6.1.15)
Коэффициент
перегрузки:
(6.1.16)
По кривым
зависимости коэффициентов К1 и К2 согласно [2] определяют К2’. Получают К2’
= 1,12 » К2 = 1,14.
Трансформатор
находится на границе зоны систематической перегрузки (К2<1,5), но
с учетом погрешности вычислений и возможности отключения потребителей III категории в летнее время при больших
температурах окружающей среды в аварийном режиме, принимают трансформатор ТРДН
– 25000/110.
Согласно Приложению 18 современная стоимость подобного
трансформатора составляет
Находят
коэффициент пересчета для силовых трансформаторов.
Расчетная
стоимость трехфазного трансформатора 110 кВ мощностью SНОМ = 40 МВА, равна
[8].
Отсюда, определяют коэффициент пересчета по формуле:
(6.1.17)
Затем
определяют КВ110. На данном этапе проектирования выбор
высоковольтных выключателей может быть осуществлен лишь по двум параметрам:
. Учитывая это обстоятельство, выбирают
воздушный выключатель усиленного типа ВВУ-110Б-40/2000У1 [6]. (
). Его стоимость
равна
Определяют
коэффициент пересчета на примере воздушного выключателя с электромагнитным
приводом ВВЭ-10-20/1600У3. В 1984 году он стоил
[6], а в 2002 году:
[Приложение 17].
Отсюда, по формуле (1.1.6):
(6.1.18)
Следовательно,
современная стоимость высоковольтного воздушного выключателя ВВУ-110Б-40/2000У1
по формуле (1.1.7), составляет:
(6.1.19)
Определяют КР110.
Выбор разъединителей также осуществляют по номинальному напряжению и току:
, как и в предыдущем случае. Выбирают
разъединитель наружной установки двухколонковый с заземляющими ножами
РНД(З)-110(Б)(У)/1000У1(ХЛ) [20]. (
). Его стоимость
равна
Определяют
коэффициент пересчета на примере разъединителя внутренней установки фигурного с
заземляющими ножами РВФЗ-10/1000.
Так,
выбранный разъединитель с приводом РВФЗ-10/1000 в 1984 году стоил
[20],
а в 2002 году:
[Приложение
13]. Отсюда, по формуле (1.1.6):
Следовательно, современная стоимость высоковольтного
разъединителя РНД(З)-110(Б)(У)/1000У1(ХЛ) по формуле (1.1.7), равна:
Таким
образом, капиталовложения в оборудование подстанции 110 кВ КОБ110,
определяются по формуле:
(2.9.15)
Далее определяют капиталовложения на сооружение ВЛЭП и
подстанции на напряжение 35 кВ.
Находят КЛ35.
Для определения капиталовложений по сооружению двух цепей линии 35 кВ (W1 и W2) необходимо знать сечение проводов линий. Выбор сечения
проводов производят из расчета обеспечения питания предприятия по одной линии в
случае повреждения или отключения другой.
1. Определяют
ток в линии в нормальном и послеаварийном режимах по формулам (6.1.5) и (6.1.6):
2. Сечение
провода рассчитывают по экономической плотности тока.
Для
текстильного комбината: Тма = 6200-8000 ч., Тмр = 6220 ч.
[10]. Следовательно jэк = 1
А/мм2 [9].
Отсюда,
по формуле (6.1.7):
По
полученному сечению выбирают алюминиевый провод со стальным сердечником марки
АС-300/39 (по условиям короны).
Уже на данном
этапе расчета можно сделать вывод о невыгодности применения ВЛЭП на 35 кВ,
поскольку провод такого сечения на данное напряжение на практике никогда не
применяется. Но для продолжения рассмотрения примера
ТЭР, принимают допустимую перегрузку линии в аварийном режиме равной 1,45 [19].
Тогда сечение линии должно соответствовать пропускаемой мощности Sn:
(6.1.20)
1. Определяют
ток в линии в нормальном и послеаварийном режимах по формулам (2.9.4) и
(2.9.5):
;
.
2. Сечение
провода рассчитывают по экономической плотности тока.
Как известно,
для механического завода местной промышленности: Тма = 6200-8000 ч.,
Тмр = 6220ч. [10]. Следовательно jэк = 1 А/мм2 [9].
Отсюда,
по формуле (6.1.7):
По
полученному сечению выбирают алюминиевый провод со стальным сердечником марки
АС-150/24 (по условиям короны).
3. Проверяют
сечение провода по условию допустимого нагрева.
По ПУЭ [9] допустимый
предельный ток для провода на 35 кВ сечением 150/24 мм2 равен 450 А,
следовательно Iпар = 567 А > Iд = 450 А. Сечение по данному условию не подходит.
4. Проверяют сечение провода по падению напряжения в линии в
нормальном и послеаварийном режимах по формулам (6.1.8), (6.1.9) и (6.1.10):
Удельные
сопротивления для провода АС-150/24 равны r0 = 0,198 Ом/км и xо
= 0,406 Ом/км [18]. По формуле (2.9.7):
5. По условию коронного разряда и уровню радиопомех провод
такого сечения можно использовать.
Стоимость
ВЛЭП 35 кВ с проводами марки АС-150/24 для стальных двухцепных опор для III района по гололеду, к которому относится Омская область, равна
[8].
Находят КОБ35.
Для определения капиталовложений по сооружению подстанции 35 кВ необходимо
выбрать силовой трансформатор (Т1 и Т2), выключатель (Q1, Q2, Q3 и Q4) и разъединитель (QS1 – QS8).
Так как на
предприятии имеются потребители II
категории, то также, как и в предыдущем случае, устанавливают
двухтрансформаторную подстанцию.
Мощность
трансформаторов определяем по суточному графику нагрузки (рис. 6). Для этого рассчитывают среднеквадратичную
мощность по формуле (6.1.12):
Определяют
мощность одного трансформатора по формуле (6.1.13):
Выбирают
трехфазный трансформатор с расщепленной обмоткой низшего напряжения с
принудительной циркуляцией воздуха и естественной циркуляцией масла
оборудованный системой регулирования напряжения для систем собственных нужд
электростанций ТРДНС – 32000/35 [8] (Sном = 32 МВА; Uвн = 36,75 кВ; Uнн = 6,3/10,5; Pх = 29 кВт; Pк = 145 кВт; Uк = 12,7%; Iх = 0,6 %) с регулировкой напряжения
под нагрузкой (РПН) и производят проверку на эксплуатационную перегрузку.
Трансформатор ТРДНС-32000/35 не может применяться для установки на подстанциях,
поскольку он предназначен для систем собственных нужд электростанций. Это
говорит о неприемлемости варианта системы питания на напряжение 35 кВ. Однако,
для примера ТЭР, продолжают расчет.
Коэффициент
предварительной загрузки по формуле (6.1.14):
Коэффициент
максимума по формуле (6.1.15):
Коэффициент
перегрузки по формуле (6.1.16):
По кривым
зависимости коэффициентов К1 и К2 согласно [2] определяют
К2’. Получают К2’ = 1,4 » К2 = 1,39.
Трансформатор
находится на границе зоны систематической перегрузки (К2<1,5), но
с учетом погрешности вычислений и возможности отключения потребителей III категории в летнее время при больших
температурах окружающей среды в аварийном режиме, принимают трансформатор ТРДНС
– 32000/35.
Расчетная
стоимость трехфазного трансформатора 35 кВ мощностью SНОМ = 40 МВА, равна
[8].
С учетом
найденного ранее коэффициента пересчета
на
цены 2002 года, получают, что капиталовложения в трансформатор по формуле
(1.1.7) составят:
Затем находят
КВ35. На данном этапе проектирования выбор высоковольтных
выключателей может быть осуществлен лишь по двум параметрам:
. Учитывая это обстоятельство, выбирают
воздушный выключатель усиленного типа ВВУ-35Б-40/2000ХЛ1 [6]. (
). Его стоимость
равна
С учетом
найденного ранее коэффициента пересчета
,
современная стоимость высоковольтного воздушного выключателя ВВУ-35Б-40/2000ХЛ1
по формуле(6.1.18), равна:
Определяют КР35.
Выбор разъединителей также осуществляют по номинальному напряжению и току:
, как и в предыдущем случае. Выбирают
разъединитель наружной установки двухколонковый с заземляющими ножами
РНД(З)-35/1000У1 [20]. (
). Его стоимость
равна
С учетом найденного ранее коэффициента пересчета
, современная стоимость высоковольтного
разъединителя РНД(З)-35/1000У1 по формуле (6.1.18), равна:
Таким
образом, капиталовложения в оборудование подстанции 35 кВ КОБ35 по
формуле (6.1.15), равны:
Далее переходят к нахождению стоимости потерь энергии.
Стоимость потерь энергии для линии и для оборудования (трансформатора)
рассчитывается отдельно.
Стоимость потерь энергии для линий определяется по выражению,
руб/год,
(6.1.21)
здесь I — максимальный ток в линии, А.
Потери энергии будем для простоты определять без учета ежегодного роста
нагрузки. Для линии 35 кВ
, а для линии 110 кВ
-
.
R —активное сопротивление линий, Ом.
Для линии 35 кВ
, для линии 110 кВ
.
t — время
максимальных потерь, ч/год [определяется по заданному числу часов использования
максимума Тмакс. Для текстильного комбината , как уже отмечалось
ранее,
[10].
Используя указанную зависимость
для любых значений
находят, что
.
сЭ — стоимость 1 кВт×ч потерь энергии по замыкающим
затратам, руб/(кВт×ч). Величина сЭ в общем случае зависит от t .
Согласно основным методическим положениям
технико-экономических расчетов в энергетике стоимость потерь энергии по
замыкающим затратам принята равной средней в энергосистеме себестоимости
электроэнергии, отпущенной с шин новых конденсационных электростанций.
На
современном этапе принимают
.
Итак, стоимость потерь энергии для линии 35 кВ по формуле
(6.1.21):
.
Стоимость потерь энергии для линии 110 кВ по формуле
(6.1.21):
.
Стоимость потерь энергии группы одинаковых параллельно
включенных трансформаторов определяется по выражению, руб/год,
(6.1.22)
здесь n — число трансформаторов в группе. В
данном случае для обоих вариантов напряжения n = 2.
DPX и DPK — номинальные (табличные) потери
холостого хода и короткого замыкания, кВт. Для ТРДНС-32000/35: DPХ = 29 кВт; DPК = 145 кВт;
для ТРДН-40000/110: DPХ = 34 кВт; DPК = 170 кВт.
cЭх и cЭк — стоимость 1 кВт×ч потерь энергии холостого хода и короткого замыкания
соответственно. Принимают cЭх = cЭк = 50 коп./кВт×ч.
Т — время работы трансформаторов,
ч/год (при его работе круглый год Т = 8760 ч). В рассматриваемом случае,
.
Sn — фактическая мощность, протекающая
по всем трансформаторам группы, МВ×А.
Итак, стоимость потерь энергии двух параллельно включенных
трансформаторов ТРДНС-32000/35 по формуле (6.1.22), равна:
Стоимость потерь энергии двух параллельно включенных
трансформаторов ТРДН-40000/110 по формуле (6.1.22), равна:
Таким образом, все необходимое для расчета приведенных затрат
обоих вариантов строительства найдено.
Суммирование производится по элементам системы (линиям,
трансформаторам и т. д.). Вариант считается оптимальным, если приведенные
затраты минимальны. Если какая-либо составляющая этих затрат входит во все
сравниваемые варианты (величина постоянная), она может не учитываться, так как
на выбор варианта не влияет.
Далее определяют приведенные затраты по элементам с
использованием формулы , но без учета ущерба:
·
приведенные
затраты для варианта строительства ВЛЭП на 35 кВ:
(6.1.23)
·
приведенные
затраты для варианта строительства ВЛЭП на 110 кВ:
·
приведенные
затраты для варианта строительства подстанции на 35 кВ:
·
приведенные
затраты для варианта строительства подстанции на 110 кВ:
В результате, суммарные приведенные затраты для варианта
строительства ВЛЭП и подстанции на 35 кВ, равны:
(6.1.24)
В результате, суммарные приведенные затраты для варианта
строительства ВЛЭП и подстанции на 110 кВ, равны:
(6.1.25)
Таким
образом, суммарные приведенные затраты для варианта строительства ВЛЭП и
подстанции на напряжение 35 кВ больше, чем на 110 кВ . В таких случаях, с
учетом всех допущений (введение коэффициента перегрузки К = 1,45 и выбор трансформатора
ТРДНС – для собственных нужд электростанций) для варианта на напряжение 35 кВ,
за рациональное напряжение питания выбирают более высокое напряжение. То есть,
для рассмотренного случая, им будет являться напряжение 110 кВ.
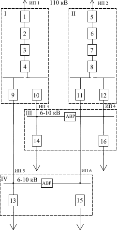
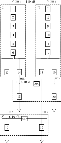
6.2 Выбор схем распределительных устройств высшего напряжения с учетом надежности
Схемы электрических соединений на стороне высшего напряжения
подстанций желательно выполнять наиболее простыми. Учитывая расстояние до
системы, уровень надежности потребителей, вид схемы питания и влияние
окружающей среды, выбирают следующие две схемы РУ ВН.
а) б)
Рис. 5. Однолинейные схемы
электрических соединений главных понизительных подстанций с двумя
трансформаторами: а) - без выключателей на стороне высшего напряжения; б) - с
выключателями
Выбор схемы РУ ВН неоднозначен, поскольку с одной стороны
установка выключателей на стороне высшего напряжения в связи с дороговизной
кажется экономически необоснованной, но с другой стороны применение их в
электроснабжении промышленных предприятий приводит к снижению экономических
потерь во много раз при авариях и перерывах электроснабжения. Так как в схеме с
выключателем время восстановления напряжения значительно ниже, то происходят
меньшие нарушения технологического процесса, а так же предотвращается развитие
аварий технологических установок. Особенно это важно в нефтеперерабатывающей и
химической промышленности, т. к. перерывы в электроснабжении могут привести к
значительному экономическому ущербу в технологии.
Достоверность вышесказанного можно подтвердить рассчитав
надежность рассматриваемых схем.
Для расчета надежности в схему без выключателей на стороне
высшего напряжения (рис. 5а) включено большее количество элементов, чем в схему
с выключателями (рис. 5б), так как необходимо учитывать все элементы схемы до
отключающего элемента, которым для схемы (рис. 5а) является высоковольтный
выключатель подстанции системы.
Ремонтная перемычка QS7,QS8 (рис. 5а) и QS5,QS6
(рис. 5б) в нормальном (эксплуатационном) режиме работы не влияет на надежность
схемы. Перемычка используется только в периоды ремонта одного из вводов.
Поэтому в расчетах надежности она не учитывается.
В соответствии со схемами электроснабжения (рис. 5, а,б)
составляют блок-схемы расчета надежности (рис. 6, а,б), заменяя элементы схем
распределительных устройств блоками и нумеруя их по порядку.
Затем разделяют полученные блок-схемы на логические расчетные
схемы (ЛРС) I, II, III и IV для упрощения расчетов.
а) б)
Рис. 6. Блок-схемы расчета
надежности
Сначала рассчитывают надежность для схемы без выключателей на
стороне высшего напряжения (рис. 5а).
Показатели надежности элементов схемы представлены в таблице
6.
На низкой стороне подстанции рациональное напряжение будет
определено технико-экономическим сравнением в расчете системы распределения.
Учитывая, что показатели надежности элементов СЭС на напряжение 6 и 10 кВ
одинаковы, то на данном этапе ограничиваются указанием возможных вариантов
напряжения системы распределения.
Таблица 6 - Показатели надежности элементов СЭС
|
№
элемента на расчетной схеме
|
Элементы
|
wа,
(1/год)
|
Т х 10-3, (год)
|
wр,
(1/год)
|
tр х 10-3,
(год)
|
|
ИП1, ИП2
|
Источники питания предприятия
|
0
|
-
|
-
|
-
|
|
1, 3, 5, 7, 9, 11
|
Разъединитель 110 кВ
|
0,008
|
1,712
|
-
|
-
|
|
2, 8
|
Ячейка с воздуш-м выключателем 110 кВ
|
0,18
|
1,256
|
0,67
|
2,28
|
|
4, 10
|
Воздушная линия электропере- дачи
110 кВ на 1 км длины
|
0,011
|
0,913
|
1,00
|
2,28
|
|
6, 12
|
Трансформатор силовой 110/6-10
|
0,01
|
20,55
|
2,28
|
|
13, 14, 15, 16
|
Ячейка масляного выключателя 6,10
кВ
|
0,035
|
0,26
|
0,67
|
0,91
|
|
17, 18, 19, 20
|
Отходящая линия 6,10 кВ при
развитии отказов
|
0,012
|
0,114
|
-
|
-
|
|
-
|
Комплект АВР 6,10 кВ:
·
вероятность
отказа
·
вероятность
развития отказа при действии АВР
|
0,18
0,04
|
-
-
|
-
-
|
-
-
|
|
-
|
Неавтоматическое включение
резервного питания
|
-
|
0,038
|
-
|
-
|
|
-
|
Секция шин 6,10 кВ
|
0,01
|
0,228
|
-
|
-
|
Сначала рассчитывается ЛРС I и II.
1. Определяют
показатели аварийных отключений вводов (
).
Средний
параметр потока отказов для I
ввода из-за аварийных отключений
равен сумме
параметров потока отказов элементов I ввода
и параметра потока отказов источника
питания I ввода
:
(6.3.1)
Средний
параметр потока отказов для II
ввода из-за аварийных отключений
равен сумме параметров потока
отказов элементов II ввода
и параметра потока отказов источника
питания II ввода
:
(6.3.2)
Среднее время восстановления напряжения для I
ввода после аварийного отключения
, равно:
(6.3.3)
Среднее время восстановления напряжения для II
ввода после аварийного отключения
, равно:
(6.3.4)
2. Показатели аварийных отключений из-за отказов шин ТП или
из-за развития отказов со стороны присоединений (
).
Присоединениями в данном случае являются по две ячейки (
) с масляным выключателем на каждой
секции шин
, а шины ТП образованы низкой стороной
трансформатора, то есть число потока отказов шин равно числу потока отказов
трансформатора
. Аналогичная ситуация и для
длительности восстановления напряжения. Средний параметр потока отказов
и среднее время восстановления напряжения
для I ввода
из-за развития отказов со стороны присоединений:
(6.3.5)
(6.3.6)
Средний параметр потока отказов
и
среднее время восстановления напряжения
для II ввода из-за развития отказов со стороны присоединений:

(6.3.7)
(6.3.8)
3. Показатели аварийных отключений секций шин (
).
Средний параметр потока отказов
и
среднее время восстановления напряжения
для I ввода из-за аварийных отключений секций шин, то есть
аварийных отключений ввода (
) или развития
отказов со стороны присоединений (
):
(6.3.9)
(6.3.10)
Средний параметр потока отказов
и
среднее время восстановления напряжения
для II ввода из-за аварийных отключений секций шин, то есть
аварийных отключений ввода (
) или развития отказов
со стороны присоединений (
):
(6.3.11)
(6.3.12)
4. Показатели полных отключений вводов (
).
Определение показателей
(р –
отключение для профилактического ремонта или обслуживания) производится исходя
из предположения, что возможности совмещения ремонтов элементов ввода
реализованы не полностью. Числовые характеристики плановых ремонтов элементов
1, 2, 3, 4, 5, (7, 8, 9, 10, 11) образуют одну ремонтируемую группу с
показателями:
Элемент 1, 3, 5 (7, 9, 11) – разъединитель 110 кВ в
ремонтируемую группу не включен, так как его профилактическое обслуживание
проводится одновременно с ремонтом воздушной линии электропередач 110 кВ и
воздушного выключателя 110 кВ.
Средний параметр потока отказов
и
среднее время восстановления напряжения
для I ввода из-за аварийных отключений ввода (
) или отключений для профилактического
ремонта и обслуживания (
):
(6.3.13)
(6.3.14)
Средний параметр потока отказов
и
среднее время восстановления напряжения
для II ввода из-за аварийных отключений ввода (
) или отключений для профилактического
ремонта и обслуживания (
):
(6.3.15)
(6.3.16)
5. Затем определяются показатели полных отключений секций шин
(
).
Средний параметр потока отказов
и
среднее время восстановления напряжения
для I ввода из-за аварийных отключений ввода, отключений для
профилактического ремонта и обслуживания (
) или
развития отказов со стороны присоединений (
):
(6.3.17)
(6.3.18)
Средний параметр потока отказов
и
среднее время восстановления напряжения
для II ввода из-за аварийных отключений ввода, отключений для
профилактического ремонта и обслуживания (
) или
развития отказов со стороны присоединений (
):
(6.3.19)
(6.3.20)
Далее переходят к расчету ЛРС III и IV.
Поскольку параметры элементов, составляющих ЛРС III и IV одинаковы и число потока
отказов
а также время восстановления
расчет будет представлен на примере ЛРС
III, для ЛРС IV он идентичен.
6. Показатели аварийных отключений из-за отказов шин ТП или
из-за развития отказов со стороны присоединений (
).
На данном этапе проектирования количество отходящих линий
неизвестно, поэтому для упрощения расчетов принимают число присоединений mIII = 1 для обоих секций шин – 3 и 4 (секции шин
пронумерованы в соответствии с номерами источников питания (ИП) для данных
секций). Показатели надежности для элементов 17 и 18 ЛРС III
и для секций шин 6-10 кВ (табл. 6), равны:
,
.
Средний параметр потока отказов
и
среднее время восстановления напряжения
для
3 секции шин из-за развития отказов со стороны присоединений:
(6.2.1.21)
(6.2.1.22)
Средний параметр потока отказов
и среднее
время восстановления напряжения
для 4 секции шин
из-за развития отказов со стороны присоединений:
(6.3.23)
(6.3.24)
7. Показатели
надежности отдельных секций шин ТП при сохранении электроснабжения на других –
индивидуальные показатели (
).
Средний параметр потока отказов
и
среднее время восстановления напряжения
для
3 секции шин из-за отказов ИП (
) с учетом
вероятности отказа АВР
или развития отказов со
стороны присоединений (
):
(6.3.25)
(6.3.26)
Средний параметр потока отказов
и
среднее время восстановления напряжения
для
4 секции шин из-за отказов ИП (
) с учетом
вероятности отказа АВР
или развития отказов со
стороны присоединений (
):
(6.3.27)
(6.3.28)
8. Показатели аварийных отключений секций шин (
).
Средний параметр потока отказов
и
среднее время восстановления напряжения
для
3 секции шин из-за отказов ИП (
) или развития
отказов со стороны присоединений (
):
(6.3.29)
(6.3.30)
Средний параметр потока отказов
и
среднее время восстановления напряжения
для
4 секции шин из-за отказов ИП (
) или развития
отказов со стороны присоединений (
):
(6.3.31)
(6.3.32)
9. Показатели полных отключений ввода (
).
Показатели
для данной ЛРС не
определяются, так как на вводе схемы элементов нет, а вышерасположенные
элементы относятся к I и II ЛРС, при расчете которых ремонтные показатели уже
были учтены. Отсюда, показатели надежности полных отключений ввода ЛРС III (
) равны показателям
надежности из-за аварийных отключений ввода, которыми в данном случае являются
показатели ИП 3 и ИП 4 (
):
10. Показатели полных отключений секций шин (
).
Так как показатели надежности полных отключений ввода ЛРС III (
) равны показателям
надежности ИП 3 и ИП 4 (
) соответственно, то
показатели полных отключений секций шин
равны
показателям аварийных отключений секций шин
соответственно:
11. Показатели полного отключения ТП (
).
Показатели одновременного отказа ИП 3 и 4 секции шин:
(6.3.33)
(6.3.34)
Полное
отключение ТП происходит при:
·
аварийном
отключении 4 секции шин (аварийное отключение ввода или аварийное отключение
из-за отказов шин ТП или из-за развития отказов со стороны присоединений) во
время ремонта или аварии на 3 секции шин и наоборот;
·
аварийном
отключении из-за отказов шин ТП или из-за развития отказов со стороны
присоединений во время аварии или ремонтных работ на вводе 3 секции шин с
учетом отказа АВР (то же для 4 секции шин);
·
аварийном
отключении 3 или 4 секции шин (аварийном отключении ввода или аварийном
отключении из-за отказов шин ТП или из-за развития отказов со стороны
присоединений)с учетом ложного срабатывания АВР;
·
отказе обоих
источников питания.
Учитывая все
вышеперечисленное, показатели надежности полного отключения ТП (
) равны:
(6.3.35)
(6.3.36)
12.
Показатели, характеризующие отказы одной, но любой, секции ТП при сохранении напряжения
на другой (
):
(6.3.37)
(6.3.38)
13. Отказы
каждой из секций независимо от работоспособности другой (
):
(6.3.39)
(6.3.40)
(6.3.41)
(6.3.42)
14. Отказы
любого вида (
):
(6.3.43)
(6.3.44)
15.
Вероятность безотказной работы и коэффициент простоя, характеризующие все
вышерассмотренные случаи нарушения электроснабжения определяются по формулам (6.3.45) и (6.3.46). Так
при отключении секции 3 при сохранении питания 4 секции:
(6.3.45)
(6.3.46)
Результаты расчета сведены в таблицу 7.
Таблица 7 - Показатели надежности для схемы с разъединителями (рис.
5а).
|
Разновидности нарушения электроснабжения
|
Числовой показатель надежности
|
|
|
|
|
|
|
Отключение секции 3(5) при сохранении питания 4(6)
секции
|
0,267
|
0,429
|
0,766
|
0,013×10-3
|
|
Отключение секции 4(6) при сохранении питания 3(5)
секции
|
0,267
|
0,429
|
0,766
|
0,013×10-3
|
|
Отключение одной из секций [3 или 4 (5 или 6)] при
сохранении питания другой
|
0,534
|
0,429
|
0,586
|
0,026×10-3
|
|
Отключение секции 3(5) независимо от сохранения питания
4(6) секции
|
0,284
|
0,911
|
0,753
|
0,03×10-3
|
|
Отключение секции 4(6) независимо от сохранения питания
3(5) секции
|
0,284
|
0,911
|
0,753
|
0,03×10-3
|
|
Отключение секций 3 и 4 (5 и 6) одновременно
|
0,017
|
8,41
|
0,983
|
0,016×10-3
|
|
Любое нарушение ЭС
|
0,551
|
0,077
|
0,576
|
0,042×10-3
|
Теперь определим показатели надежности для схемы с
выключателями на стороне высшего напряжения (рис. 5б).
Показатели надежности элементов схемы представлены в таблице
8.
На низкой стороне подстанции рациональное напряжение будет
определено технико-экономическим сравнением в расчете системы распределения.
Учитывая, что показатели надежности элементов СЭС на напряжение 6 и 10 кВ
одинаковы, то на данном этапе ограничиваются указанием возможных вариантов
напряжения системы распределения.
Таблица 8 - Показатели надежности элементов СЭС
|
№
элемента на расчетной схеме
|
Элементы
|
wа,
(1/год)
|
Т х 10-3, (год)
|
wр,
(1/год)
|
tр х 10-3,
(год)
|
|
ИП1, ИП2
|
Источники
питания предприятия
|
0
|
-
|
-
|
-
|
|
1, 3, 5, 7
|
Разъединитель
110 кВ
|
0,008
|
1,712
|
-
|
-
|
|
2, 6
|
Ячейка с
воздушным выклю-чателем 110 кВ
|
0,18
|
1,256
|
0,67
|
2,28
|
|
4, 8
|
Трансформатор
силовой 110/6-10
|
0,01
|
20,55
|
1,00
|
2,28
|
|
9, 10, 11, 12
|
Ячейка
масляного выключателя 6,10 кВ
|
0,035
|
0,26
|
0,67
|
0,91
|
|
13, 14, 15, 16
|
Отходящая
линия 6,10 кВ при развитии отказов
|
0,012
|
0,114
|
-
|
-
|
|
-
|
Комплект
АВР 6,10 кВ:
·
вероятность
отказа
·
вероятность
развития отказа при действии АВР
|
0,18
0,04
|
-
-
|
-
-
|
-
-
|
|
-
|
Неавтоматическое
включение резервного питания
|
-
|
0,038
|
-
|
-
|
|
-
|
Секция шин
6,10 кВ
|
0,01
|
0,228
|
-
|
-
|
Сначала рассчитывается ЛРС I и II.
1. Определяем
показатели аварийных отключений вводов.
Средний
параметр потока отказов для I
ввода из-за аварийных отключений
равен сумме
параметров потока отказов элементов I ввода
и параметра потока отказов источника
питания I ввода
:
(6.3.47)
Средний
параметр потока отказов для II
ввода из-за аварийных отключений
равен сумме параметров потока
отказов элементов II ввода
и параметра потока отказов источника
питания II ввода
:
(6.3.48)
Среднее время восстановления напряжения для I
ввода после аварийного отключения
, равно:
(6.3.49)
Среднее время восстановления напряжения для II
ввода после аварийного отключения
, равно:
(6.3.50)
2. Показатели аварийных отключений из-за отказов шин ТП или
из-за развития отказов со стороны присоединений (
).
Присоединениями в данном случае являются по две ячейки (
) с масляным выключателем на каждой
секции шин
, а шины ТП образованы низкой стороной
трансформатора, то есть число потока отказов шин равно числу потока отказов
трансформатора
. Аналогичная ситуация и для
длительности восстановления напряжения.
Средний параметр потока отказов
и
среднее время восстановления напряжения
для I ввода из-за развития отказов со стороны присоединений:
(6.3.51)
(6.3.52)
Средний параметр потока отказов
и
среднее время восстановления напряжения
для II ввода из-за развития отказов со стороны присоединений:
(6.3.53)
(6.3.54)
3. Показатели аварийных отключений секций шин (
).
Средний параметр потока отказов
и
среднее время восстановления напряжения
для I ввода из-за аварийных отключений секций шин, то есть
аварийных отключений ввода (
) или развития
отказов со стороны присоединений (
):
(6.3.55)
(6.3.56)
Средний параметр потока отказов
и
среднее время восстановления напряжения
для II ввода из-за аварийных отключений секций шин, то есть
аварийных отключений ввода (
) или развития отказов
со стороны присоединений (
):
(6.3.57)
(6.3.58)
4. Показатели полных отключений вводов (
).
Определение показателей
(р –
отключение для профилакти-ческого ремонта или обслуживания) производится исходя
из предположения, что возможности совмещения ремонтов элементов ввода
реализованы не полностью. Числовые характеристики плановых ремонтов элементов
1, 2, 3 (5, 6, 7) образуют одну ремонтируемую группу с показателями:
Элемент 1, 3 (5, 7) – разъединитель 110 кВ в ремонтируемую
группу не включен, так как его профилактическое обслуживание проводится
одновременно с ремонтом воздушного выключателя 110 кВ.
Средний параметр потока отказов
и
среднее время восстановления напряжения
для I ввода из-за аварийных отключений ввода (
) или отключений для профилактического
ремонта и обслуживания (
):
(6.3.59)
(6.3.60)
Средний параметр потока отказов
и
среднее время восстановления напряжения
для II ввода из-за аварийных отключений ввода (
) или отключений для профилактического
ремонта и обслуживания (
):
(6.3.61)
(6.3.62)
5. Показатели полных отключений секций шин (
).
Средний параметр потока отказов
и
среднее время восстановления напряжения
для I ввода из-за аварийных отключений ввода, отключений для
профилактического ремонта и обслуживания (
) или
развития отказов со стороны присоединений (
):
(6.3.63)
(6.3.64)
Средний параметр потока отказов
и
среднее время восстановления напряжения
для II ввода из-за аварийных отключений ввода, отключений для
профилактического ремонта и обслуживания (
) или
развития отказов со стороны присоединений (
):
(6.3.65)
(6.3.66)
Затем переходят к расчету ЛРС III и IV.
Поскольку параметры элементов, составляющих ЛРС III и IV одинаковы и число потока
отказов
а время восстановления
расчет будет представлен на примере ЛРС
III, для ЛРС IV он идентичен.
6. Показатели аварийных отключений из-за отказов шин ТП или
из-за развития отказов со стороны присоединений (
).
На данном этапе проектирования количество отходящих линий
неизвестно, поэтому для упрощения расчетов принимают число присоединений mIII = 1 для обоих секций шин – 3 и 4 (секции шин
пронумерованы в соответствии с номерами источников питания (ИП) для данных
секций). Показатели надежности для элементов 13 и 14 ЛРС III
и для секций шин 6-10 кВ (таблица 8), равны:
,
.
Средний параметр потока отказов
и
среднее время восстановления напряжения
для
3 секции шин из-за развития отказов со стороны присоединений:
(6.3.67)
(6.3.68)
Средний параметр потока отказов
и
среднее время восстановления напряжения
для
4 секции шин из-за развития отказов со стороны присоединений:
(6.3.69)
(6.3.70)
7. Показатели
надежности отдельных секций шин ТП при сохранении электроснабжения на других –
индивидуальные показатели (
).
Средний
параметр потока отказов
и среднее время восстановления
напряжения
для 3 секции шин из-за отказов ИП (
) с учетом вероятности отказа АВР
или развития отказов со стороны
присоединений (
):
(6.3.71)
(6.3.72)
Средний параметр потока отказов
и
среднее время восстановления напряжения
для
4 секции шин из-за отказов ИП (
) с учетом
вероятности отказа АВР
или развития отказов со
стороны присоединений (
):
(6.3.73)
(6.3.74)
8. Показатели аварийных отключений секций шин (
).
Средний параметр потока отказов
и
среднее время восстановления напряжения
для
3 секции шин из-за отказов ИП (
) или развития отказов
со стороны присоединений (
):
(6.3.75)
(6.3.76)
Средний параметр потока отказов
и
среднее время восстановления напряжения
для
4 секции шин из-за отказов ИП (
) или развития
отказов со стороны присоединений (
):
(6.3.77)
(6.3.78)
9. Показатели полных отключений ввода (
).
Показатели
для данной ЛРС не
определяются, так как на вводе схемы элементов нет, а вышерасположенные
элементы относятся к I и II ЛРС, при расчете которых ремонтные показатели уже
были учтены. Отсюда, показатели надежности полных отключений ввода ЛРС III (
) равны показателям
надежности из-за аварийных отключений ввода, которыми в данном случае являются
показатели ИП 3 и ИП 4 (
):
10. Показатели полных отключений секций шин (
).
Так как показатели надежности полных отключений ввода ЛРС III (
) равны показателям
надежности ИП 3 и ИП 4 (
) соответственно, то
показатели полных отключений секций шин
равны
показателям аварийных отключений секций шин
соответственно:
11. Показатели полного отключения ТП (
).
Показатели одновременного отказа ИП 3 и 4 секции шин:
(6.3.79)
(6.3.80)
Полное
отключение ТП происходит при:
·
аварийном
отключении 4 секции шин (аварийное отключение ввода или аварийное отключение
из-за отказов шин ТП или из-за развития отказов со стороны присоединений) во
время ремонта или аварии на 3 секции шин и наоборот;
·
аварийном
отключении из-за отказов шин ТП или из-за развития отказов со стороны
присоединений во время аварии или ремонтных работ на вводе 3 секции шин с
учетом отказа АВР (то же для 4 секции шин);
·
аварийном
отключении 3 или 4 секции шин (аварийном отключении ввода или аварийном
отключении из-за отказов шин ТП или из-за развития отказов со стороны
присоединений)с учетом ложного срабатывания АВР;
·
отказе обоих
источников питания.
Учитывая все
вышеперечисленное, показатели надежности полного отключения ТП (
) равны:
(6.3.81)
(6.3.82)
12.
Показатели, характеризующие отказы одной, но любой, секции ТП при сохранении напряжения
на другой (
):
(6.3.83)
(6.3.84)
13. Отказы
каждой из секций независимо от работоспособности другой (
):
(6.3.85)
(6.3.87)
(6.3.88)
14. Отказы
любого вида (
):
(6.3.89)
(6.3.90)
15. Вероятность безотказной работы и коэффициент простоя,
характеризующие все вышерассмотренные случаи нарушения электроснабжения
определяются по формулам. Так при отключении секции 3 при сохранении питания 4
секции:
(6.3.91)
(6.3.92)
Результаты расчета представлены в таблице 9.
Таблица 9 - Показатели надежности
для схемы с выключателями (рис. 5б)
|
Разновидности нарушения электроснабжения
|
Числовой показатель надежности
|
|
|
|
|
|
|
Отключение секции 3(5) при сохранении питания 4(6)
секции
|
0,192
|
0,464
|
0,825
|
0,01×10-3
|
|
Отключение секции 4(6) при сохранении питания 3(5)
секции
|
0,192
|
0,464
|
0,825
|
0,01×10-3
|
|
Отключение одной из секций [3 или 4 (5 или 6)] при
сохранении питания другой
|
0,384
|
0,464
|
0,681
|
0,02×10-3
|
|
Отключение секции 3(5) независимо от сохранения питания
4(6) секции
|
0,202
|
0,797
|
0,817
|
0,018×10-3
|
|
Отключение секции 4(6) независимо от сохранения питания
3(5) секции
|
0,202
|
0,797
|
0,817
|
0,018×10-3
|
|
Отключение секций 3 и 4 (5 и 6) одновременно
|
0,0095
|
7,499
|
0,991
|
0,008×10-3
|
|
Любое нарушение ЭС
|
0,394
|
0,631
|
0,674
|
0,028×10-3
|
Таким образом, видно, что вероятность безотказной работы
для схемы с выключателями (рис. 5,б)
больше, а коэффициент простоя
меньше, чем для
схемы с разъединителями на высокой стороне подстанции (рис. 5,а) для всех
вышерассмотренных случаев нарушения электроснабжения.
Итак, рассчитав параметры надежности рассматриваемых схем,
можно определить среднегодовой ожидаемый ущерб от перерывов электроснабжения,
входящий в формулу годовых приведенных затрат.
Как уже отмечалось, среднегодовой ожидаемый ущерб УСГ
(руб./год) от нарушения электроснабжения технологических установок определяется
с использованием полученных в результате расчета надежности СЭС средних
значений параметра потока отказов и времени восстановления электроснабжения для
полных и частичных отказов.
Для схемы (рис. 5,а) берут следующие значения среднего
параметра потока отказов и времени восстановления электроснабжения для полных и
частичных отказов рассматриваемой подстанции соответственно: 
из
табл. 7. Для данных значений
и
по графику зависимости полного ущерба от
среднего времени восстановления электроснабжения (рис.
7), находят
Следовательно, среднегодовой ожидаемый ущерб для схемы (рис.
5,а) по формуле, равен:
Аналогично, для схемы (рис. 5,б):
Из табл. 9. По графику зависимости полного
ущерба от среднего времени восстановления электроснабжения (рис. 7):
Следовательно, среднегодовой ожидаемый ущерб для схемы (рис.
5,б) по формуле, равен:
Таким образом, среднегодовой ожидаемый ущерб УСГ
от нарушения электроснабжения технологических установок для схемы (рис. 5,б)
меньше, чем для схемы (рис. 5,а).
Рис. 7.
Зависимость полного ущерба от среднего времени восстановления электроснабжения
6.5 Технико-экономический
расчет
Используют ту же методику, что и при определении
рационального напряжения питания. Находят приведенные затраты для каждого
варианта схем распределительных устройств высшего напряжения (рис 5, а,б).
При определении приведенных затрат на сооружение
распределительных устройств высшего напряжения для каждого варианта схем
суммирование производится по элементам схем (линиям, трансформаторам и т. д.).
Вариант считается оптимальным, если приведенные затраты минимальны. Если
какая-либо составляющая этих затрат входит во все сравниваемые варианты
(величина постоянная), она может не учитываться, так как на выбор варианта не
влияет. В данном случае, не учитывают следующие составляющие: высоковольтные
выключатели и разъединители подстанции системы; ВЛЭП, по которой осуществляется
питание завода; силовые трансформаторы подстанции. Следовательно, капитальные
затраты для схемы (рис 5,а) будет составлять стоимость разъединителей QS5, QS6, а для схемы (рис. 5,б) -
стоимость разъединителей QS1 – QS4
и стоимость высоковольтных выключателей Q1 и Q2.
Нормативный коэффициент эффективности капиталовложений для
новой техники принимают равным ЕН = 0,15 о.е./год.
Cуммарные издержки на амортизацию и
обслуживание силового электротехнического оборудования и распределительных
устройств 35-150 кВ
[8].
Современная стоимость высоковольтного оборудования была уже
определена при выборе рационального напряжения питания. Она составила для
высоковольтного воздушного выключателя ВВУ-110Б-40/2000У1
, а для высоковольтного разъединителя
РНД(З)-110(Б)(У)/1000У1(ХЛ)
Стоимость
потерь энергии сЭ в данном случае не учитывают, так как она
одинакова для обоих вариантов.
Отсюда,
учитывая найденные ранее значения среднегодового ожидаемого ущерба,
рассчитывают приведенные затраты для каждого варианта схем распределительных
устройств высшего напряжения по формуле:
Таким
образом, с точки зрения ТЭР схема с выключателями на высокой стороне подстанции
(рис.5,б) является более выгодной, чем схема с разъединителями на высокой
стороне подстанции (рис.5,а), так как приведенные затраты для схемы (рис. 5,б)
на
меньше, чем для схемы (рис. 5,а).
В результате проведения технико-экономического сравнения
вариантов схем с учетом надежности электроснабжения потребителей выбирается
схема с выключателями на высокой стороне (рис.5,б).
Рисунок 8 –
Схема РУ НН
Компенсация
реактивной мощности
При реальном
проектировании энергосистема задаёт экономически выгодную величину перетока реактивной
мощности (Qэкон), в часы максимальных активных
нагрузок системы, передаваемой в сеть потребителю.
В дипломном
проектировании Qэкон рассчитывается по формуле, где tg
ном находится из
выражения:
где tgjб -базовый коэффициент реактивной мощности принимаемый
для сетей 6-10 кВ присоединенных к шинам подстанций с высшим напряжения 110 кВ,
tgjб= =0,5;
k-коэффициент учитывающий отличие
стоимости электроэнергии в различных энергосистемах, для Омской энергосистемы: к
= 0,8;
dм-это отношение потребления активной мощности
потребителем в квартале max
нагрузок энергосистемы к потреблению в квартале max нагрузок потребителя, для Омской энергосистемы: dм = 0,7;
Qэкон. = Рр· tgfэ = 36279,91·0,625=22675,94кВар,
Мощность
компенсирующих устройств, которые необходимо установить на предприятии,
рассчитываем по выражению:
34092,74- 22675,94 = 11417,8 кВар; (18)
При наличии
компенсирующих устройств полная мощность предприятия будет равна:

42783, кВА
. (19)
7. Выбор системы питания
Системы
электроснабжения промышленного предприятия условно разделена на две подсистемы
– систему питания и систему распределения энергии внутри предприятия.
В систему
питания входят питающие линии электропередачи (ЛЭП) и пункт приема
электроэнергии (ППЭ), состоящий из устройства высшего напряжения (УВН), силовых
трансформаторов и распределительного устройства низшего напряжения (РУНН).
ППЭ
называется электроустановка, служащая для приема электроэнергии от источника
питания (ИП) и распределяющая её между электроприемниками предприятия
непосредственно или с помощью других электроустановок.
Предприятие
потребляет значительную мощность, а ИП удален, то прием электроэнергии
производится либо на узловых распределительных подстанциях (УРП), либо на
главных понизительных подстанциях (ГПП), либо на подстанциях глубокого ввода
(ПГВ).
Так как у ПГВ
первичное напряжение 35-220 кВ и выполняется по упрощенным схемам коммуникации
на первичном напряжении, то в качестве ППЭ выбираем унифицированную комплектную
подстанцию блочного исполнения типа КТПБ – 110/6 – 104.
7.1 Выбор устройства высшего напряжения
ППЭ
Схемы
электрических соединений подстанций и распределительных устройств должны
выбираться из общей схемы электроснабжения предприятия и удовлетворять
следующим требованиям:
-
Обеспечивать
надежность электроснабжения потребителей;
-
Учитывать
перспективу развития;
-
Допускать
возможность поэтапного расширения;
-
Учитывать широкое
применение элементов автоматизации и требования противоаварийной автоматики;
-
Обеспечивать
возможность проведения ремонтных и эксплуатационных работ на отдельных
элементах схемы без отключения соседних присоединений.
На всех
ступенях системы электроснабжения следует широко применять простейшие схемы
электрических соединений с минимальным количеством аппаратуры на стороне
высшего напряжения, так называемые блочные схемы подстанций без сборных шин.
При
выполнении блочных схем подстанции напряжением 35 – 220 кВ следует применить:
1. Схемы "отделитель-короткозамыкатель"
при питании предприятия по магистральной линии и "разъединитель-короткозамыкатель"
при питании по радиальной линии. В данной схеме отключающий импульс от релейной
защиты подается на короткозамыкатель, который создает искусственное короткое
замыкание, что приводит к отключению головного выключателя линии. При питании
по магистральной линии отделитель во время бестоковой паузы срабатывает,
отделяя УВН от линии, и через выдержку времени устройство АПВ на головном
выключателе подает на него включающий импульс и линия вновь включается,
обеспечивая электроснабжение оставшихся потребителей. При радиальной схеме
устройство АПВ на головном выключателе не устанавливается, следовательно,
отдельной схемы, при малых расстояниях от подстанции до короткозамыкателя (до 5
км), не рекомендуется из-за возникновения километрического эффекта.
2. Схемы глухого присоединения линии к
трансформатору через разъединитель является более дешевой по сравнению с
предыдущей, при малых расстояниях. Отключающий импульс в данной схеме подается
по контрольному кабелю на головной выключатель.
3. Схемы с выключением на стороне
высокого напряжения.
Выбор вида
УВН осуществляется на основании технико-экономического расчета (ТЭР).
Наиболее
экономичный вариант электроустановки требует наименьшего значения полных при
приведенных затрат, которые определяются по выражению:
где ЕН
= 0,12 нормативный коэффициент эффективности капиталовложений, руб.
К –
капиталовложения в электроустановку, руб.
И – годовые
издержки производства, руб/год.
На основании
вышеизложенного наметим два варианта и по результатам ТЭР выберем вариант с
наименьшими затратами.
Вариант 1
Схема "разъединитель-короткозамыкатель" рис.6.
Вариант 2
Схема "Выключатель" рис. 7.
Вариант 1.
Капиталовложения
Разъединитель
РНД3-1б-110/1000
Краз
= 4,6 тыс. руб. согласно [7]
Короткозамыкатель
КЗ-110У-У1(Т1)
ККЗ
= 10,6 тыс. руб. согласно [7].
Стоимость
монтажа и материалов 1 км контрольного кабеля в траншее с алюминиевыми жилами
сечением 10х2,5 мм2, ККК
= 11,3 тыс. руб.
Суммарные
капиталовложения:
тыс. руб.
Вариант 2.
Капиталовложения
ВВЭ-110Б-16/1000 УХЛ1
КВ
= 90 тыс. руб. согласно [7]
Разъединитель
РНД3-1б-110/1000
Краз
= 4,6 тыс. руб. согласно [7]
Суммарные
капиталовложения:
тыс.
руб.
2. Издержки
на амортизацию и обслуживание.
где Ра
– амортизационное отчисление, руб. Р0
– затраты на электроэнергию, руб. РР
– расходы на эксплуатацию, руб.
Вариант 1
тыс. руб.
Вариант 2
тыс. руб.
3. Полные
приведенные затраты
Вариант 1.
тыс. руб.
Вариант 2
тыс. руб.
Окончательно
выбираем наиболее экономичную схему УВН ППЭ, т.е. схему "Выключатель"
вариант 2.
7.2 Выбор трансформаторов ППЭ
Выбор
трансформаторов ППЭ производится по ГОСТ 14209-85, т.е. по расчетному максимуму
нагрузки SР, по заводу намечаются два стандартных трансформатора,
намечаемые трансформаторы проверяются на эксплуатационную перегрузку.
По суточному
графику определяем среднеквадратичную мощность
кВА
Намечаемая
мощность трансформатора
В
соответствии с тем, что SСК = 37948,94 кВА предварительно
намечаем трансформатор марки ТРДН – 40000 кВА.
Так как SСР.КВ = 37948,94 кВА < 2×SН.Т = 80000 кВА, то проверки на
эксплуатационную перегрузку не требуется.
По полной
мощности подстанции приблизительно выбираем трансформатор ТРДН-40000/110.
Определяется
коэффициент первоначальной загрузки.
Проверяется
трансформатор на аварийную перегрузку, т.е. когда один трансформатор на ППЭ
выведен из строя.
Определяем
коэффициент загрузки в ПАР
Сравним
значение
и КМ. Так как
, то
принимается
По табл. 2
[4] находим К2 доп
Для n = 12 и К = 0,943; К2 доп
= 1,5
К2
=0,8 < К2 доп = 1,5, следовательно трансформаторы ТДН-25000/110
удовлетворяют условиям выбора.
Для
ТДН-40000/110:
DРР =
170 кВт; DРХХ
= 34 кВт; IХХ% = 0,55%; UКЗ% = 10,5%
7.3 Выбор
ВЛЭП
Питание
завода осуществляется по двухцепной воздушной линии так как завод состоит из
потребителей электроэнергии 2 и 3 категории. При этом выбирается марка проводов
и площадь их сечения. При выборе необходимо учесть потери в трансформаторах.
Для
трансформатора ТРДН-40000/110
DРР =
170 кВт; DРХХ
= 34 кВт; IХХ% = 0,55%; UКЗ% = 10,5%
Потери в
трансформаторе:
;
кВт;
кВар.
Расчетная
полная мощность с учетом потерь в трансформаторах


кВА.
Принимаются к
установке провода марки АС.
Расчетный ток
в ПАР
А
Расчетный ток
в нормальном режиме.
А
Предварительно
принимаем провод сечением FР = 120 мм2 с Iдоп = 390 А табл.1.3.29 [5].
Проверяется
выбранное сечение провода по экономической плотности тока:
где IР – расчетный ток в нормальном режиме.
jЭК – экономическая плотность тока. jЭК = 1 А/мм2 по табл. 1.3.36
[5] для Тmax > 5000 ч.
мм2
Выбираем FР = 120 мм2 с Iдоп = 390 А по табл. 1.3.29 [5].
По условиям
короны минимальное сечение провода на напряжение 110 кВ составляет 120 мм2,
данное условие выполняется.
Проверка по
потерям напряжения:
Потери
напряжения в линии.
,
где
,
кВт
,
кВар
Сопротивление
линии:
Ом
Ом
По потерям
напряжения данное сечение также удовлетворяет условиям проверки. Выбранные
провода ЛЭП-110 сечением 120 мм2 и Iдоп = 390 А удовлетворяет всем условиям проверки. Окончательно
принимаем провода марки АС-120/19 с Iдоп = 390 А.
Опоры железобетонные двухцепные.
8. Выбор системы распределения
В системе
распределения завода входят распределительные устройства низшего напряжения
ППЭ, комплектные трансформаторные (цеховые) подстанции (КТП), распределительные
пункты (РП) напряжением 6-10 кВ и линии электропередач (кабели, токопроводы),
связывающие их с ППЭ.
Выбор системы
распределения включает в себя решение следующих вопросов:
1. Выбор рационального напряжения
системы распределения.
2. Выбор типа и числа КТП, РП и мест их
расположения.
3. Выбор схемы РУ НН ППЭ.
4. Выбор сечения кабельных линий и
способ канализации электроэнергии.
8.1 Выбор рационального напряжения
распределения
Рациональное
напряжение распределения определяется на основании ТЭР и для вновь
проектируемых предприятий в основном зависит от наличия и значения мощности ЭП
напряжением 6кВ, 10 кВ, наличия соответственной ТЭЦ и величины ее генераторного
напряжения, а так же Uрац системы питания. ТЭР не проводится в
случаях:
Суммарная
мощность электроприемников 6 кВ равна или превышает 40% общей мощности
предприятия – тогда напряжение распределения принимается 6 кВ.
Суммарная
мощность электроприемников 6 кВ не превышает 15% общей мощности предприятия –
тогда напряжения распределения принимается 10 кВ.
Суммарная
мощность 6 кВ
кВА
На основании
этого принимаем напряжение распределения классом
UР = 6 кВ.
8.2 Выбор числа и мощности цеховых ТП
Число КТП и
мощность трансформаторов на них определяется средней мощностью за смену (SСМ) цеха, удельной плотностью нагрузки
и требованиями надежности электроснабжения. Если
нагрузки цеха (SСМi)на напряжении до 1000 В не превышает
150 – 200 кВА, то на данном цехе ТП не предусматривается, и ЭП цеха
запитывается с шин ТП ближайшего цеха кабельными ЛЭП. Число трансформаторов в цехе определяются по:
где SСМ – сменная нагрузка цеха; SН.Т. – номинальная мощность трансформатора, кВА; r - экономически целесообразный
коэффициент загрузки.
для 1 –
трансформаторной КТП (3 категория) b = 0,95-1,0
для 2 –
трансформаторной КТП (2 категория) b = 0,9-0,95
для 3 –
трансформаторной КТП (1 категория) b = 0,65-0,75
Коэффициент
максимума для определения средней нагрузки за спину находим по:
Средняя нагрузка
за смену равна:
Так как выбор
мощности цеховых трансформаторов производится с учетом установки компенсирующих
устройств, то найдем мощность компенсации и выберем комплектные компенсирующие
устройства.
Мощность
компенсации:
Средняя
реактивная мощность заводского цеха определяется из выражения:
Если нет
необходимости устанавливать компенсирующие устройства, то выражение принимает
вид:
Полная мощность,
приходящаяся на КТП с учетом компенсации реактивной мощности:
Цеховые
трансформаторы выбираются по SСМ с учетом Sуд
Удельная
мощность цеха:
где F – площадь объекта, м2
При
определении мощности трансформаторов следует учесть, что если Sуд не превышает 0,2 (кВА/м2),
то при любой мощности цеха мощность трансформаторов не должна быть более 1000
кВА. Если Sуд находится в пределах 0,2-0,3 кВА/м2,
то единичная мощность трансформаторов принимается равной 1600 кВА.
Если Sуд более 0,3 кВА/м2, то на
ТП устанавливается трансформаторы 2500 кВА.
После
предварительного выбора трансформатора в НР и ПАР, а там где есть необходимость
с учетом отключения потребителей 3 категории.
Для примера
определяется средняя нагрузка ремонтно-строительного цеха(№21). Коэффициент
использования для цеха №21 КИ = 0,25. Коэффициент максимума
определяется по формуле.
Средняя
нагрузка за максимально нагруженную смену определяется по формулам:
кВт
кВа
Определяем полную
мощность.
кВА
Поскольку
< 200¸250 кВА, то на этом объекте КТП не
предусматривается, а ЭП будут запитаны с шин ТП ближайшего цеха по кабельной
ЛЭП.
Результаты
расчетов средних нагрузок за наиболее загруженную смену остальных цехов сведем
в табл. 5.
Согласно [6]
для компенсации реактивной мощности используются только низковольтные БСК (напряжением
до
где QЭ – реактивная мощность, 1000 В) при выполнении
следующего условия:
передаваемое
из энергосистемы в сеть потребителя, кВар.
Qсд – реактивная мощность, выдаваемая в
электрическую сеть синхронными двигателями. кВар.
Qa – мощность потребителей реактивной
мощности на шинах 6 кВ, кВар.
кВар >
кВар
Следовательно
будем использовать БСК только на 0,4 кВ. Размещение БСК будем производить
пропорционально реактивной мощности узлов нагрузки. БСК не следует устанавливать
на силовых пунктах, на подстанциях, где мощность нагрузки менее 200 кВар (это
экономически нецелесообразно). Величина мощности БСК в том узле нагрузки
определяется по выражению (6.2.
где QМ – реактивная нагрузка в i-том узле, кВар;
- сумма реактивных нагрузок всех узлов, кВар.
Таблица 5
|
№
|
РМ, кВт
|
QМ, кВар
|
КС
|
КИ
|
КМ
|
РСМ, кВт
|
QСМ, кВар
|
, кВА
|
|
1
|
61,317
|
35,67
|
0,5
|
0,55
|
0,909
|
67,4487
|
39,2388
|
78,0321
|
|
2
|
5061,4
|
4312
|
0,7
|
0,65
|
1,077
|
4699,9
|
4003,93
|
6174,19
|
|
3
|
2866,4
|
2798
|
0,85
|
0,8
|
1,063
|
2697,81
|
2633,81
|
3770,3
|
|
4
|
1958,7
|
1903
|
0,85
|
0,8
|
1,063
|
1843,47
|
1790,82
|
2570,1
|
|
5
|
1374,4
|
1354
|
0,75
|
0,65
|
1,154
|
1191,12
|
1173,76
|
1672,27
|
|
6
|
3324,2
|
3752
|
0,7
|
0,65
|
1,077
|
3086,8
|
3484,06
|
4654,79
|
|
7
|
862,85
|
846,7
|
0,75
|
0,65
|
1,154
|
747,807
|
733,798
|
1047,7
|
|
8
|
11,219
|
6,531
|
0,5
|
0,45
|
1,111
|
10,0972
|
5,87759
|
|
9
|
8,4642
|
4,927
|
0,5
|
0,45
|
1,111
|
7,61779
|
4,43413
|
8,81432
|
|
10
|
17,086
|
14,11
|
0,5
|
0,45
|
1,111
|
15,3778
|
12,7004
|
19,9443
|
|
11
|
65,093
|
54,57
|
0,5
|
0,45
|
1,111
|
58,5834
|
49,1136
|
76,4471
|
|
12
|
300,03
|
426,1
|
0,4
|
0,25
|
1,6
|
187,519
|
266,294
|
325,693
|
|
13
|
14,195
|
8,251
|
0,5
|
0,45
|
1,111
|
12,7759
|
7,42614
|
14,7774
|
|
14
|
156,86
|
175,9
|
0,6
|
0,5
|
1,2
|
130,718
|
146,611
|
196,423
|
|
15
|
48,423
|
51,84
|
0,6
|
0,5
|
1,2
|
40,3528
|
43,2005
|
59,1154
|
|
16
|
19,344
|
13,37
|
0,5
|
0,45
|
1,111
|
17,4094
|
12,0296
|
21,1612
|
|
17
|
569,86
|
485,5
|
0,85
|
0,75
|
1,133
|
502,821
|
428,368
|
660,552
|
|
18
|
9,2742
|
5,395
|
0,5
|
0,45
|
1,111
|
8,34678
|
4,85555
|
9,65635
|
|
19
|
1705,1
|
1454
|
0,75
|
0,7
|
1,071
|
1591,46
|
1356,96
|
2091,43
|
|
20
|
1205,6
|
1028
|
0,85
|
0,65
|
1,308
|
921,9
|
786,301
|
1211,68
|
|
21
|
78,736
|
88,61
|
0,4
|
0,25
|
1,6
|
49,2101
|
55,384
|
74,0879
|
|
22
|
7702,9
|
6568
|
0,85
|
0,65
|
1,308
|
5890,42
|
5022,65
|
7741,06
|
|
23
|
7370,3
|
7196
|
0,85
|
0,8
|
1,063
|
6936,79
|
6772,62
|
9694,71
|
кВар;
кВар
Затем
полученные расчетным путем QКi округляются до ближайшего
стандартного значения БСК Qsi стандартные взятые из [3]. Результаты сведем в
табл.6. Типы используемых стандартных БСК приводятся в табл.7.
Таблица 6
|
№
|
РСМ,
кВт
|
QСМ,
кВар
|
QМ,
кВар
|
QКi,
кВар
|
Qsi
станд,
кВар
|
,
кВА
|
Число КТП,
Число и
мощность тр-ров
|
КМ
|
КМ
|
|
1
|
67,4487
|
39,2388
|
35,67
|
12,5
|
-
|
70,9383
|
1КТП 2х160
|
|
|
|
2
|
4699,9
|
4003,93
|
4312
|
1510,9
|
450
|
5329,06
|
2КТП 4х1600
|
1,08
|
2,16
|
|
3
|
2697,81
|
2633,81
|
2798
|
980,6
|
600
|
3135,78
|
3КТП 2х1600
|
1,06
|
2,12
|
|
4
|
1843,47
|
1790,82
|
1903
|
666,7
|
240
|
2190,27
|
4КТП 2х1600
|
1,06
|
2,12
|
|
5
|
1191,12
|
1173,76
|
1354
|
474,6
|
240
|
1477,58
|
5КТП 2х1000
|
1,15
|
2,3
|
|
6
|
3086,8
|
3484,06
|
3752
|
1314,8
|
450
|
3911,3
|
6КТП 4х1000
|
1,08
|
2,16
|
|
7
|
747,807
|
733,798
|
846,7
|
296,7
|
300
|
926,329
|
7КТП 2х630
|
1,15
|
2,3
|
|
8
|
10,0972
|
5,87759
|
6,531
|
2,3
|
-
|
12,9815
|
|
|
|
|
9
|
7,61779
|
4,43413
|
4,927
|
1,7
|
-
|
9,79368
|
|
|
|
|
10
|
15,3778
|
12,7004
|
14,11
|
4,9
|
|
22,1604
|
|
|
|
|
11
|
58,5834
|
49,1136
|
54,57
|
19,1
|
|
80,0623
|
|
|
|
|
12
|
187,519
|
266,294
|
426,1
|
149,3
|
150
|
293,719
|
8КТП 2х160
|
1,6
|
3,2
|
|
13
|
12,7759
|
7,42614
|
8,251
|
2,9
|
-
|
16,4194
|
|
|
|
|
14
|
130,718
|
146,611
|
175,9
|
61,6
|
-
|
235,708
|
9КТП 2х160
|
|
|
|
15
|
40,3528
|
43,2005
|
51,84
|
18,2
|
-
|
65,6948
|
10КТП 2х160
|
|
|
|
16
|
17,4094
|
12,0296
|
13,37
|
4,7
|
-
|
23,5125
|
|
|
|
|
17
|
502,821
|
428,368
|
485,5
|
170,1
|
200
|
578,213
|
11КТП 2х400
|
1,13
|
2,26
|
|
18
|
8,34678
|
4,85555
|
5,395
|
1,9
|
-
|
10,7293
|
|
|
|
|
19
|
1591,46
|
1356,96
|
1454
|
509,5
|
600
|
1806,06
|
12КТП 2х1000
|
1,07
|
2,14
|
|
20
|
921,9
|
786,301
|
1028
|
360,3
|
200
|
1115,61
|
13КТП 2х630
|
1,31
|
2,62
|
|
21
|
49,2101
|
55,384
|
88,61
|
31,1
|
-
|
118,541
|
|
|
|
|
22
|
5890,42
|
5022,65
|
6568
|
2301,6
|
600
|
7215,95
|
14КТП 4х2500
|
1,31
|
2,62
|
|
23
|
6936,79
|
6772,62
|
7196
|
2521,6
|
450
|
8266,33
|
15КТП 4х2500
|
2,2
|
|
24
|
61,04
|
28,43
|
31,56
|
1510,99
|
–
|
67,34
|
–
|
–
|
–
|
|
25
|
101,33
|
89,17
|
133,76
|
980,628
|
–
|
134,98
|
–
|
–
|
–
|
|
26
|
45,61
|
53,05
|
60,84
|
666,766
|
–
|
69,98
|
–
|
–
|
–
|
|
27
|
21,5
|
10,32
|
15,48
|
474,589
|
–
|
23,86
|
–
|
–
|
–
|
|
28
|
59,91
|
37,14
|
41,23
|
1314,81
|
–
|
70,48
|
–
|
–
|
–
|
Примечание 1.
Для обеспечения наилучшей в данных условиях взаимозаменяемости будем
использовать только три типоразмера трансформаторов КТП.
Таблица 7
Стандартные БСК
|
№
|
Qsi
станд,
|
Тип БСК
|
|
2
|
4х450
|
4хУКЛН-0,38-450-150
УЗ
|
|
3
|
2х600
|
2хУКЛН-0,38-600-150
УЗ
|
|
4
|
3х240
|
3хУКБ-0,415-240
ТЗ
|
|
5
|
2х240
|
2хУКБ-0,415-240
ТЗ
|
|
6
|
3х450
|
3хУКЛН-0,38-450-150
УЗ
|
|
7
|
1х300
|
1хУКЛН-0,38-300-150
УЗ
|
|
12
|
1х150
|
1хУКБ-0,38-150
УЗ
|
|
17
|
1х200
|
1хУКБН-0,38-200-50
УЗ
|
|
19
|
1х600
|
1хУКЛН-0,38-600-150
УЗ
|
|
20
|
2х200
|
2хУКБН-0,38-200-50
УЗ
|
|
22
|
4х600
|
4хУКЛН-0,38-600-150
УЗ
|
|
23
|
6х450
|
6хУКЛН-0,38-450-150
УЗ
|
На предприятиях
средней и малой мощности для разгрузки кабельных каналов от отходящих линий (от
ПГВ до цеховых трансформаторных подстанций) предусматриваются РП.
В данном проекте
ЭП на 6 кВ расположены в цехах вместе с ЭП ниже 1000 В, образуя, таким образом,
энергоемкий объект, который имеет определенное количество подходящих питающих линий.
Учитывая этот фактор, установлен РП на 6 кВ.
8.3 Расчет потерь в трансформаторах
цеховых КТП
Для
проведения данного расчета в табл. 8 внесем каталожные данные трансформаторов
КТП, которые взяты из [3].
Таблица 8
|
Тип трансформатора
|
UК, %
|
DРХХ, кВт
|
DРКЗ, кВт
|
IХХ, %
|
|
ТМЗ-160
|
4,5
|
0,51
|
2,65
|
2,4
|
|
ТМЗ-400
|
5,5
|
1,08
|
5,50
|
4,5
|
|
ТМЗ-630
|
5,5
|
1,68
|
7,6
|
3,2
|
|
ТМЗ-1000
|
5,5
|
2,45
|
11,0
|
1,4
|
|
ТМЗ-1600
|
5,5
|
3,30
|
16,5
|
1,3
|
|
ТМЗ-2500
|
5,5
|
4,60
|
24,0
|
1,0
|
Расчет
проводится в следующей последовательности:
–
определяются реактивные потери холостого хода.
где IХХ – ток холостого хода, %
SНОМ – номинальная мощность
трансформатора , кВА.
РХХ
– активные потери холостого хода, кВт
–
рассчитываются активные потери мощности в трансформаторах
где n – число параллельно работающих
трансформаторов, шт; DРКЗ - активные потери
короткого замыкания, кВт;
–
мощность, проходящая через трансформатор, кВА.
– находится
реактивные потери мощности в трансформаторах;
где UКЗ% - напряжение короткого замыкания, %;
Расчет для
КТП цеха №5
кВар
кВА
кВт
кВар
кВар
Результаты
расчета для остальных КТП сведем в табл. 9.
Таблица 9
|
№ цеха
|
n x SТР
|
РМ,
кВт
|
QM.рельн. кВар
|
SМ, кВА
|
DРТР, кВт
|
DQТР, кВт
|
Рmax, кВт
|
Qmax, кВар
|
Smax, кВА
|
|
1
|
2х160
|
61,32
|
15,67
|
63,2905
|
1,227
|
8,17526
|
62,5473
|
23,8453
|
66,939
|
|
2
|
4х1600
|
5061,4
|
2512
|
5650,48
|
64,65
|
356,527
|
5126,05
|
2868,53
|
5874,1
|
|
3
|
2х1600
|
2866,4
|
1598
|
3281,75
|
41,31
|
226,18
|
2907,71
|
1824,18
|
3432,5
|
|
4
|
2х1600
|
1958,7
|
1183
|
2288,23
|
23,47
|
131,067
|
1982,17
|
1314,07
|
2378,2
|
|
5
|
2х1000
|
1374,4
|
874
|
1628,76
|
19,49
|
100,521
|
1393,89
|
974,521
|
1700,8
|
|
6
|
4х1000
|
3324,2
|
2402
|
4101,21
|
56,05
|
286,41
|
3380,25
|
2688,41
|
4319
|
|
7
|
2х630
|
862,85
|
546,7
|
1021,47
|
13,35
|
85,7246
|
876,2
|
632,425
|
1080,6
|
|
12
|
2х160
|
300,03
|
226,1
|
375,685
|
8,325
|
27,4597
|
308,355
|
253,56
|
399,22
|
|
14
|
2х160
|
156,86
|
115,9
|
195,033
|
2,989
|
12,961
|
159,849
|
128,861
|
205,32
|
|
15
|
2х160
|
48,42
|
31,84
|
57,9507
|
1,194
|
8,08422
|
49,6138
|
39,9242
|
63,683
|
|
17
|
2х400
|
569,86
|
285,5
|
637,378
|
9,142
|
63,8649
|
579,002
|
349,365
|
676,24
|
|
19
|
2х1000
|
1705,1
|
1434
|
2227,94
|
32,2
|
164,07
|
1737,3
|
1598,07
|
2360,5
|
|
20
|
2х630
|
1205,6
|
628
|
1359,36
|
21,05
|
120,84
|
1226,65
|
748,84
|
1437,2
|
|
22
|
4х2500
|
7702,9
|
4168
|
8758,25
|
92,04
|
520,181
|
7794,94
|
4688,18
|
9096,2
|
|
23
|
4х2500
|
7370,3
|
4496
|
8633,39
|
89,95
|
508,237
|
7460,25
|
5004,24
|
8983,2
|
8.4 Выбор способа канализации
электроэнергии
Так как
передаваемое в одном направлении мощности незначительны, то для канализации
электроэнергии будем применять КЛЭП. Выбор
сечения КЛЭП производится в соответствии с требованиями [5] с учетом нормальных
и послеаварийных режимов работы электросети и перегрузочной способности КЛЭП
различной конструкции. Кабели будем прокладывать в земле, время перегрузки
принимаем равным 5 часам. Допускаемая в течении 5 суток на время ликвидации
аварии перегрузка для КЛЭП с бумажной изоляцией составляет 25% [5]. План
канализации электроэнергии был намечен ранее и представлен на рис.8.
Кабель
выбирается по следующим условиям:
1)
По номинальному
напряжению.
2)
По току в номинальном
режиме.
3)
По экономическому
сечению.
Кабель
проверяется по следующим условиям:
1)
По току в
послеаварийном режиме.
2)
По потерям
напряжения.
3)
На термическую
стойкость к токам КЗ.
Выберем
кабель от ПГВ до ТП8.
Максимальная
активная мощность
кВт
Максимальная
реактивная мощность
кВар
Полная
мощность
кВА
Расчетный ток
кабеля в нормальном режиме
А
Расчетный ток
кабеля в послеаварийном режиме
А
Экономическое
сечение:
мм2
где
экономическая плотность тока jЭ для кабелей с бумажной изоляцией с
алюминиевыми жилами при числе часов использования максимума нагрузки в год
более 5000 (Тmax = 6220ч)
согласно [5] равны 1,2 А/мм2.
Предварительно
принимаем кабель марки ААШ в сечении 20 мм2 с допустимым током Iдоп = 105 А.
Допустимый
ток при прокладке кабеля в земле определяется по выражению:
где К1
– поправочный коэффициент для кабеля, учитывающий фактическое тепловое
сопротивление земли, нормальной почвы и песка влажностью 7-9%, для
песчано-глинистой почвы влажностью 12-14% согласно [5] К1 = 1,0.
К2
– поправочный коэффициент, учитывающий количество параллельно проложенных
кабелей в одной траншее из [5].
К3
– поправочный коэффициент, учитывающий допустимую нагрузку кабелей на период ликвидации
послеаварийного режима, для кабелей напряжением до 10 кВ с бумажной изоляцией
при коэффициенте предварительной нагрузки 0,6 и длительности максимума
перегрузки 5 часов согласно [5] К3 = 1,3.
А
А
Перегрузка
кабеля:

Выбор
остальных кабелей сведем в табл.10.
Таблица 10
Выбор кабелей
|
Наименова-ние
КЛЭП
|
Smax,
кВА
|
,
А
|
,
А
|
FЭК,
мм2
|
К1
|
К2
|
К3
|
,
А
|
,
А
|
Количество,
марка и сечение кабеля
|
|
ПГВ-ТП1
|
70,94
|
3,2544
|
6,5089
|
2,712
|
1
|
0,84
|
1,3
|
60
|
65,52
|
2хААШв-6-3х10
|
|
ПГВ-ТП2
|
6649,12
|
152,52
|
305,03
|
127,1
|
1
|
0,84
|
1,3
|
300
|
327,6
|
4хААШв-6-3х150
|
|
ПГВ-ТП3
|
4005,94
|
91,888
|
183,78
|
76,573
|
1
|
0,84
|
1,3
|
225
|
245,7
|
4хААШв-6-3х95
|
|
ПГВ-ТП4
|
2730,74
|
125,27
|
250,55
|
104,4
|
1
|
0,84
|
1,3
|
260
|
283,92
|
2хААШв-6-3х120
|
|
ПГВ-ТП5
|
1929,54
|
88,519
|
177,04
|
73,766
|
1
|
0,84
|
1,3
|
225
|
245,7
|
2хААШв-6-3х95
|
|
ПГВ-ТП6
|
5012,85
|
114,98
|
229,97
|
95,82
|
1
|
0,84
|
1,3
|
260
|
283,92
|
4хААШв-6-3х120
|
|
ПГВ-ТП7
|
1337,8
|
61,373
|
122,75
|
51,144
|
1
|
0,84
|
1,3
|
190
|
207,48
|
2хААШв-6-3х70
|
|
ТП7-СП1
|
12,98
|
1,1909
|
2,3819
|
0,9924
|
1
|
0,92
|
1,3
|
60
|
71,76
|
1хААШв-6-3х10
|
|
ТП7-СП2
|
9,79
|
0,8982
|
1,7965
|
0,7485
|
1
|
0,92
|
1,3
|
60
|
71,76
|
1хААШв-6-3х10
|
|
ТП7-СП3
|
22,16
|
2,0332
|
4,0664
|
1,6943
|
1
|
0,92
|
1,3
|
60
|
71,76
|
1хААШв-6-3х10
|
|
ТП7-СП4
|
84,94
|
7,7934
|
15,587
|
6,4945
|
1
|
0,92
|
1,3
|
60
|
71,76
|
1хААШв-6-3х10
|
|
ПГВ-ТП8
|
521,11
|
23,906
|
47,813
|
19,922
|
1
|
0,84
|
1,3
|
105
|
114,66
|
2хААШв-6-3х25
|
|
ТП9-СП5
|
16,42
|
1,5066
|
3,0131
|
1,2555
|
1
|
0,92
|
1,3
|
60
|
71,76
|
1хААШв-6-3х10
|
|
ПГВ-ТП9
|
251,36
|
11,531
|
23,063
|
9,6094
|
1
|
0,82
|
1,3
|
60
|
63,96
|
2хААШв-6-3х10
|
|
ПГВ-ТП10
|
40,94
|
1,8782
|
3,7563
|
1,5651
|
1
|
0,82
|
1,3
|
60
|
63,96
|
2хААШв-6-3х10
|
|
ТП12-СП6
|
23,51
|
2,1571
|
4,3142
|
1,7976
|
1
|
0,92
|
1,3
|
60
|
71,76
|
1хААШв-6-3х10
|
|
ПГВ-ТП11
|
759,19
|
34,828
|
69,657
|
29,024
|
1
|
0,82
|
1,3
|
125
|
133,25
|
2хААШв-6-3х35
|
|
ТП11-СП7
|
10,73
|
0,9845
|
1,969
|
0,8204
|
1
|
0,92
|
1,3
|
60
|
71,76
|
1хААШв-6-3х16
|
|
ПГВ-ТП12
|
2264,21
|
103,87
|
207,74
|
86,56
|
1
|
0,82
|
1,3
|
225
|
239,85
|
2хААШв-6-3х95
|
|
ПГВ-ТП13
|
1701,99
|
78,08
|
156,16
|
65,067
|
1
|
0,82
|
1,3
|
190
|
202,54
|
2хААШв-0,4-3х70
|
|
ТП13-СП8
|
118,54
|
10,876
|
21,752
|
9,0635
|
1
|
0,92
|
1,3
|
60
|
71,76
|
1хААШв-6-3х10
|
|
ПГВ-ТП14
|
10122,93
|
232,2
|
464,4
|
193,5
|
1
|
0,92
|
1,3
|
390
|
466,44
|
4хААШв-6-3х240
|
|
ПГВ-ТП15
|
10300,63
|
157,52
|
315,03
|
131,26
|
1
|
0,92
|
1,3
|
300
|
358,8
|
6хААШв-6-3х150
|
Выбор кабелей
для потребителей напряжением 6 кВ рассмотрим на примере ЭД 6 кВ цеха №19.
Принимаем, что в цехе установлены два ЭД, тогда мощность одного электродвигателя:
кВт
Из [7]
выбираем стандартный ЭД:
СДН32-19-39-16
со следующими параметрами: SН = 1680 кВА; РН = 1600кВт;
UН = 6 кВ; h =0,953. Для остальных цехов выбранные стандартные ЭД
представленные в табл. 11.
Расчетный ток
нормального режима:
А
Экономическое
сечение:
мм2
Выбираем
кабель марки ААШ с сечением 185 мм2 с Iдоп = 420 А.
В
компрессорной (цех № 17) устанавливаем двигатели марки СДН32-20-49-20, в
количестве двух штук.
Таблица 11
|
№ цеха
|
Тип
двигателя
|
SН,
кВА
|
РН,
кВт
|
UН,
кВ
|
hН,
%
|
|
|
|
|
nном,
Об/мин
|
Кол-во, шт.
|
|
19
|
СДН32-19-39-16
|
1680
|
1600
|
6
|
95,3
|
2,1
|
6,5
|
0,9
|
1,6
|
375
|
2
|
|
17
|
СДН32-20-49-20
|
540
|
500
|
6
|
94,3
|
2,1
|
6,0
|
0,9
|
1,1
|
375
|
2
|
9. Расчет токов короткого замыкания
Токи КЗ
рассчитываются на линейных вводах высшего напряжения трансформатора ППЭ (К-1),
на секциях шин 6 кВ ППЭ (К-2), на шинах 0,4 кВ ТП4 (К-3). Исходная схема для
расчета токов КЗ представлена на рис.9, а схемы замещения на рис.10 для расчета
токов КЗ выше 1000 В, на рис. 11 для расчетов КЗ ниже 1000 В.
Расчет токов
КЗ в точке К-1 и К-2 проводим в относительных единицах. Для точки К-3 расчет
будем проводить в именованных единицах без учета системы, так как система
большой мощности и её можно считать источником питания с неизменной ЭДС и
нулевым внутренним сопротивлением. Для точки К-2 будем учитывать подпитку от
электродвигателей.
Расчет тока
КЗ в точке К-1.
За базисную
мощность принимаем мощность системы: Sd = SC = 800 МВА;
Базисное
напряжение: Ud1 = 115 кВ;
Базисный ток:
;
кА,
(9.1)
Параметры
схемы замещения.
ХС
= 0,6 о.е. согласно исходных данных;
, (9.2)
о.е.
где Х0
= 0,42– удельное сопротивление ВЛЭП, Ом/км
l – длина ВЛЭП, км.
Сопротивление
петли КЗ в точке К-1
, (9.3)
о.е.
Периодическая
составляющая тока трехфазного КЗ в точке К-1
, (9.4)
кА
Периодическая
составляющая тока двухфазного КЗ в точке К-1
кА,
(9.5)
Постоянная
времени цепи КЗ Та = 0,028 с, ударный коэффициент Куд =
1,7 [3]
Ударный ток в
точке К-1
кА
Расчет тока
КЗ в точке К-2. Базисное напряжение: Ud2 = 6,3 кВ;
Базисный ток:
; (9.7)
кА
Точка К-2 расположена на шинах РУНН ПГВ. Сопротивление силового трансформатора на ППЭ :
Трансформатор
типа ТРДН-40000/110 без расщепленной обмотки Н.Н.
, (9.8)
, (9.9)
, (9.10)
К
сопротивлениям до точки К-1 прибавляется сопротивление трансформатора.
ХК-2=ХК-1+ХВ
+ХН1 =0,678+3,67+0,262=4,61. (9.11)
Ток короткого
замыкания от системы:
кА, (9.12)
В этой точке
необходимо учитывать подпитку тока КЗ от синхронных двигателей.Определяется
сопротивление подпитывающей цепочки. Сопротивление
двигателей и кабельной линии от двигателей цеха № 17 до шин РУНН ПГВ (для двиг-й мощностью P
=540 кВт СДН32-20-49-20):
l=0,01 км; Х0=0,083 Ом/км; r0=0,62 Ом/км.
;
;
;
где Х"d- сверхпереходное индуктивное
сопротивление двигателя.
. (9.13)
кА., (9.14)
Сопротивление
двигателей и кабельной линии от двигателей цеха №19 до шин РУНН ПГВ (для двиг-й мощностью P
=1600 кВт СД32-19-39-16):
l=0,29 км; Х0=0,073 Ом/км; r0=0,167 Ом/км.
;
;
;
где Х"d- сверхпереходное индуктивное
сопротивление двигателя.
.
кА.
Тогда
значение ударного тока:
кА.
Расчет тока
КЗ в точке К-3. Расчет токов КЗ в точке К-3 проведем
в именованных единицах. Определим схемы замещения.
Сопротивления
трансформатора ТМЗ-630:
RТ = 3,4 мОм; ХТ = 13,5 мОм [3].
где
– загрузка трансформатора в
послеаварийном режиме.
А
Выбираем
трансформаторы тока типа ТШЛП-10УЗ с nТ = 1000/5
Сопротивления
трансформаторов тока:
RТА = 0,05 мОм; ХТА = 0,07
мОм [3]
По условиям
выбора UН ³ Uсети = 0,38 кВ;
, (9.15)
А
Выбираем
автомат типа АВМН 10Н
UH = 0,38 кВ; IН = 1000 А; IН
ОТКЛ =20 кА [7]
Сопротивление
автомата RA = 0,25 мОм; ХА = 0,1 мОм
[3].
Переходное
сопротивление автомата RК = 0,08 мОм [3]
Сопротивление
алюминиевых шин 80х6 с Iдоп = 1150 А; l = 3 м, аСР = 60 мм; RШ = R0 ×l = 0,034×3 = 0,102 мОм; ХШ = Х0 × l = 0,016 × 3 = 0,048 мОм.
, (9.16)
мОм
, (9.17)
мОм
Сопротивление
цепи КЗ без учета сопротивления дуги:
мОм
Согласно [3]
сопротивление дуги Rд в месте КЗ, принимается активным и
рекомендуется определять отношением падения напряжения на дуге Uд и около КЗ IКО в месте повреждения, рассчитанным без учета дуги.
, (9.18)
где
,
где Ед
– напряженность в стволе дуги, В/мм2
lд – длина дуги, мм.
IКО – ток КЗ в месте повреждения,
рассчитанный без учета дуги, кА.
При IКО > 1000 А Ед = 1,6 В/мм
Длина дуги
определяется в зависимости от рассмотрения а между фазами проводников в месте
КЗ.
, (9.19)
Из [3] для
КТП с трансформаторами мощностью 630 кВА а =60 мм.
, (9.20)
кА > 1000 А
Следовательно
Ед = 1,6 В/мм
Тогда
сопротивление дуги:
, (9.21)
мОм
, (9.22)
мОм
Полное
сопротивление цепи КЗ:
, (9.23)
мОм
Тогда
периодическая составляющая тока трехфазного КЗ в точке К-3.
, (9.24)
кА
, (9.25)
с
, (9.26)
, (9.27)
кА
Результаты
расчета токов КЗ сведены в табл. 12
Таблица 13 -
Результаты расчета токов КЗ
|
Точка КЗ
|
, кА
|
, кА
|
Та, с
|
Куд
|
iудК-i, кА
|
|
К-1
|
1,64
|
1,41
|
0,15
|
1,94
|
4,486
|
|
К-2
|
7,59
|
6,45
|
0,05
|
1,8
|
33,05
|
|
К-3
|
12,87
|
–
|
0,0043
|
1,098
|
19,98
|
10. Выбор электрических аппаратов
10.1 Выбор аппаратов напряжением 110 кВ
Выберем
выключатель 110 кВ
Условия
выбора:
1.
По номинальному
напряжению
2.
По номинальному
длительному току.
Условия
проверки выбранного выключателя.
1. Проверка на электродинамическую
стойкость:
1.1. По удельному периодическому току КЗ
1.2. По ударному току КЗ
2.
Проверка на
включающую способность.
2.1. По удельному периодическому току КЗ
2.2. По ударному току КЗ
3.
Проверка на
отключающую способность
3.1. По номинальному периодическому току
отключения
3.2. По номинальному апериодическому току
отключения
4.
Проверка на
термическую стойкость.
Расчетные данные
сети:
Расчетный ток
послеаварийного режима IР = 116,9 А был найден в пункте 5.3.
по формуле (5.3.4)
Расчетное
время
где tРЗ – время срабатывания релейной защиты
(обычно берется минимальное значение); в данном случае для первой ступени
селективности tРЗ = 0,01 с.
tСВ – собственное время отключения
выключателя (в данный момент пока не известно) действующее значение
периодической составляющей начального тока КЗ IПО = 6,21 кА было рассчитано в пункте 7.1.;
Периодическая
составляющая тока КЗ в момент расхождения контактов выключателя IПt в следствие неизменности во времени
тока КЗ принимается равной периодической составляющей начального тока КЗ: IПt = IПО = 6,21 кА;
Апериодическая
составляющая полного тока КЗ в момент расхождения контактов выключателя
определяется по выражению:
и будет
определено позже;
расчетное
выражение для проверки выбранного выключателя по апериодической составляющей
полного тока КЗ:
расчетный
импульс квадратичного тока КЗ
будет
определено позже.
Согласно
условиям выбора из [7] выбираем выключатель ВВЭ-110Б-16/1000 со следующими
каталожными данными:
UНОМ = 110 кВ; IНОМ = 1000 А; IН откл = 16 кА; b = 25%; iпр СКВ = 67 кА; Iпр СКВ = 26 кА; iН вкл = 67 кА; IН вкл = 26 кА; IТ = 26 кА; tТ = 3 с; tСВ = 0,05 с.
Определяем
оставшиеся характеристики:
Расчетное
время по формуле :
с
Апериодическая
составляющая полного тока КЗ в момент расхождения контактов выключателя по
формуле :
кА
Расчетное
выражение согласно формуле :
кА
Расчетный
импульс квадратичного тока КЗ по формуле :
кА2×с
Расчетные
данные выбранного выключателя: проверка выбранного выключателя по
апериодической составляющей полного тока КЗ
кА
Проверка по
термической стойкости:
кА2×с
Выбор и
проверка выключателя представлен в табл. 13.
Выберем
разъединитель 110 кВ
Условия
выбора:
1. По номинальному напряжению.
2. По номинальному длительному току.
Условия
проверки выбранного разъединителя:
1. Проверка на электродинамическую
стойкость.
2. Проверка на термическую стойкость.
Для
комплексной трансформаторной подстанции блочного типа КТПБ-110/6-104 тип
разъединителя согласно [7] РНД3.2-110/1000 или РНД3-1б-110/1000. Согласно условию с учетом вышесказанного из [7] выбираем
разъединитель РНД3.2-110/1000 У1 со следующими каталожными данными:
UНОМ = 110 кВ; IНОМ = 1000 А; iпр
СКВ = 80 кА; IT = 31,5 кА; tТ = 4 с.
Расчетные
данные выбранного разъединителя термическая стойкость:
кА2×с
Выбор и
проверка разъединителя представлены в табл. 13
Таблица 13.
Выбор аппаратов напряжением 110 кВ
|
Условия
выбора (проверки)
|
Данные сети
|
Выключатель
|
Разъединитель
|
|
Uсети £ UНОМ
|
110 кВ
|
110 кВ
|
110 кВ
|
|
IР £ IНОМ
|
116,9 А
|
1000 А
|
1000 А
|
|
IПО £ IПР СКВ
|
6,21 кА
|
26 кА
|
–
|
|
iуд £ iпр СКВ
|
15,81 кА
|
67 кА
|
–
|
|
IПО £ IН.вкл
|
6,21 кА
|
26 кА
|
–
|
|
iуд £ iН.вкл
|
15,81 кА
|
67 кА
|
80 кА
|
|
IПt £ IН. откл
|
6,21 кА
|
26 кА
|
–
|
|
£
|
11,43 кА
|
28,28 кА
|
–
|
|
|
4,24 кА2×с
|
2028 кА2×с
|
3969 кА2×с
|
10.2 Выбор аппаратов напряжением 6 кВ
Выберем
ячейки распределительного устройства 6 кВ.
Так как РУНН
принято внутреннего исполнения будем устанавливать перспективные малогабаритные
ячейки серии "К" с выкатными тележками.
Расчетный ток
с учетом расщепления вторичной обмотки трансформаторов ППЭ.
Выбираем
малогабаритные ячейки серии К-104 с параметрами: UНОМ = 6 кВ; IНОМ = 1600 А; iпр СКВ = 81 кА; IН
откл = 31,5 кА;
тип выключателя ВК-10.
Выберем
вводные выключатели 6 кВ:
Расчетные
данные сети:
Расчетный ток
ПАР IР = 1046,75 А
Расчетное время
t = tРЗ +tСВ; t = 0,01+0,05 = 0,06 с действующее значение периодической
составляющей начального тока КЗ IПО = 9,213 кА было рассчитано в пункте
7.2.
Периодическая
составляющая тока КЗ в момент расхождения контактов выключателя:
кА;
Расчетное
выражение для проверки выбранного выключателя по апериодической составляющей
полного тока КЗ:
кА
Расчетный
импульс квадратичного тока КЗ:
кА2×с
Выбираем
выключатель ВК-10-1600-20У2 со следующими каталожными данными:
UНОМ = 10 кВ; IНОМ = 1600 А; IН откл = 31,5 кА; b = 20%; iпр СКВ = 80 кА; Iпр СКВ = 31,5 кА; iН вкл = 80 кА; IН вкл = 31,5 кА; tТ = 4 с; tСВ = 0,05 с
Расчетные
данные выбранного выключателя: проверка выбранного выключателя по апериодической
составляющей полного тока КЗ:
кА
Проверка по
термической стойкости:
кА2×с
Выбор и
проверка выключателя представлены в табл. 14
Выберем
выключатель на отходящей линии 6 кВ
Расчетные
данные сети:
Расчетный ток
ПАР:
А
Расчетное
время
t = tРЗ +tСВ; t =
0,01+0,05 = 0,06 с
Остальные
величины имеют те же значения что и для выключения ввода.
Выбираем
выключатель ВК-100-630-20У2 со следующими каталожными данными:
UНОМ = 10 кВ; IНОМ = 630 А; IН откл = 20 кА; b = 20%; iпр СКВ = 52 кА; Iпр СКВ = 20 кА; iН вкл = 52 кА; IН вкл = 20 кА; IТ = 20 кА; tТ = 4 с; tСВ = 0,05 с
Расчетные
данные выбранного выключателя:
кА2×с
Выбор и
проверка выключателя представлены в табл. 14
Таблица 14.
Выбор выключателей 6 кВ
|
Условия
выбора (проверки)
|
Данные сети
для ввода
|
Выключатель
ввода
|
Данные сети
для отходящей линии
|
Выключатель
отходящей линии
|
|
Uсети £ UНОМ
|
6 кВ
|
10 кВ
|
6 кВ
|
10 кВ
|
|
IР £ IНОМ
|
1046,75 А
|
1600 А
|
105,03 А
|
630 А
|
|
IПО £ IПР СКВ
|
9,213 кА
|
31,5 кА
|
9,213 кА
|
20 кА
|
|
iуд £ iпр СКВ
|
25,02 кА
|
80 кА
|
25,02 кА
|
52 кА
|
|
IПО £ IН.вкл
|
9,213 кА
|
31,5 кА
|
9,213 кА
|
20 кА
|
|
iуд £ iН.вкл
|
25,02 кА
|
80 кА
|
25,02 кА
|
52 кА
|
|
IПt £ IН. откл
|
9,213 кА
|
31,5 кА
|
9,213 кА
|
20 кА
|
|
£
|
20,93 кА
|
53,46 кА
|
20,93 кА
|
33,94 кА
|
|
|
15,28 кА2×с
|
3969 кА2×с
|
1528 кА2×с
|
1600 кА2×с
|
Выберем
трансформаторы тока.
Условия их
выбора:
1.По номинальному напряжению.
2.По номинальному длительному току.
Условия
проверки выбранных трансформаторов:
1.Проверка на электродинамическую
стойкость. (если требуется)
2.Проверка на термическую стойкость.
3.Проверка по нагрузке вторичных цепей.
Расчетные
данные сети:
Расчетный ток
IР = 1046,75 А
Ударный ток
КЗ iуд = 25,02 кА
Расчетный
импульс квадратичного тока КЗ ВК = 15,28 кА2×с
Согласно
условиям выбора их [7] выбираем трансформаторы тока типа ТПШЛ-10 со следующими
каталожными данными:
UНОМ = 10 кВ; IНОМ = 1500 А; r2Н = 1,2 Ом; IT = 35 кА; tT = 3 с.
Расчетные
данные выбранного трансформатора тока: так как выбран шинный трансформатор
тока, то проверка на электродинамическую стойкость не требуется; Проверка термической стойкости:
кА2×с
Трансформаторы
тока (ТТ) включены в сеть по схеме неполной звезды на разность токов двух фаз.
Чтобы трансформатор тока не вышел за пределы заданного класса точности,
необходимо, чтобы мощность нагрузки вторичной цепи не превышала нормальной: r2Н ³ r2.
Перечень
приборов во вторичной цепи ТТ приведен в табл. 16, схема их соединения – на
рис. 12.
Таблица. 15.
Приборы вторичной цепи ТТ
|
Наименование
|
Количество
|
Мощности
фаз, ВА
|
|
А
|
В
|
С
|
|
Амперметр Э335
|
1
|
0,5
|
–
|
–
|
|
Ваттметр Д335
|
1
|
0,5
|
–
|
0,5
|
|
Варметр Д335
|
1
|
0,5
|
–
|
0,5
|
|
Счетчик активной мощности СА4У-И672 М
|
1
|
2,5
|
–
|
2,5
|
|
Счетчик реактивной мощности СР4У-И673 М
|
2
|
2,5
|
–
|
|
Итого
|
6
|
9
|
–
|
8,5
|
Наиболее
нагруженной является фаза А
Общее
сопротивление приборов
где Sприб – мощность приборов, ВА;
I2 НОМ – вторичный ток трансформатора тока,
А.
Ом
Допустимое
сопротивление проводов:
Ом
Минимальное
сечение приводов:
где r = 0,0286 – удельное сопротивление
проводов согласно [3], Ом/м;
lрасч = 50 – расчетная длина проводов
согласно [3], м.
мм2
Принимаем
контрольный кабель АКРВГ с жилами сечением 2,5 мм2, тогда:
Ом
Полное
расчетное сопротивление:
Ом
Выбор и
проверка ТТ представлены в табл.16
Таблица 16.
Выбор трансформаторов тока
|
Условия
выбора (проверки)
|
Данные сети
для ввода
|
Каталожные
данные
|
|
Uсети £ UНОМ
|
6 кВ
|
10 кВ
|
|
IР £ IНОМ
|
1046,75 А
|
1500 А
|
|
iуд £ iдин
|
25,02 кА
|
Не
проверяется
|
|
|
15,28 кА2×с
|
3675 кА2×с
|
|
Z2Y £ r2расч
|
1,03 Ом
|
1,2 Ом
|
Выберем
трансформаторы напряжения
Условия их
выбора:
1. По
номинальному напряжению.
Условия
проверки выбранных трансформаторов:
1. Проверка
по нагрузке вторичных цепей.
Согласно
условиям выбора из [7] выбираем трансформаторы напряжения типа НАМИ-6-66УЗ со
следующими каталожными данными: UНОМ = 6 кВ; IНОМ = 1500 А; S2Н = 150 ВА. Схема соединения приборов
приведена на рис.13, перечень приборов в табл.17.
Таблица 17.
Приборы вторичной цепи ТН
|
Наименование
|
Количество
|
Мощность
катушки
|
Число
катушек
|
Полная
мощность
|
|
Амперметр Э335
|
4
|
2
|
1
|
8
|
|
Ваттметр Д335
|
1
|
1,5
|
2
|
3
|
|
Варметр Д335
|
1
|
1,5
|
2
|
3
|
|
Частотомер Э 337
|
1
|
3
|
1
|
3
|
|
Счетчик активной мощности СА4У-И672 М
|
6
|
8
|
2
|
96
|
|
Счетчик реактивной мощности СР4У-И673 М
|
2
|
8
|
2
|
32
|
Номинальная
мощность трансформатора напряжения НАМИ-6 S2Н = 150 ВА. Расчетная мощность вторичной цепи S2 = 145 ВА. ТН будет работать в выбранном классе
точности.
Выберем шины
на ПГВ.
Условия их
выбора:
1.По номинальному длительному току;
2.По экономическому сечению.
Условия
проверки выбранных шин:
1.Проверка на термическую стойкость;
2.Проверка на электродинамическую
стойкость.
Расчетный ток
IР = 1046,75 А был определен ранее.
Так как это
сборные шины, то согласно [5] по экономической плотности тока они не
проверятся. Выбираем алюминиевые шины прямоугольного сечения 80х10 с допустимым
током Iдоп = 1480 А.
Проверка на
термическую стойкость: ВК = 15,28 кА2×с
Минимальное
сечение шин:
где с = 95 –
термический коэффициент для алюминиевых шин 6 кВ согласно [3], А×с2/мм2
так как Fmin = 41,15 мм2 < F = 800 мм2, то шины
термически стойкие.
Проверим шины
на механическую стойкость. Для этого определим длину максимального пролета
между изоляторами при условии, что частота собственных колебаний будет больше
200 Гц, так как при меньшей частоте может возникнуть механический резонанс:
где W – момент сопротивления поперечного
сечения шины относительно оси, перпендикулярной направлению силы, F, м3;
- сила взаимодействия между фазами на 1 м длины при
трехфазном КЗ с учетом механического резонанса, Н/м;
sДОП = 70 × 10 6 – допустимое
напряжение в материале для алюминиевых шин [5], Па
x - коэффициент
равный 10 для крайних пролетов и 12 для остальных пролетов.
Согласно [3]
силы взаимодействия между фазами на 1 м длины при трехфазном КЗ с учетом
механического резонанса определяется по формуле:
где а – 60 × 10-3 – расстояние между
осями шин смежных фаз для напряжения 6 кВ [3], м;
iуд – ударный ток трехфазного КЗ, А.
По выражению
(8.2.5.)
Н/м
Момент
сопротивления поперечного сечения шины при растяжении их плашмя определяется по
выражению:
где b = 10 × 10-3 – высота шин, м; h = 20 × 10-3 – ширина шин, м.
м3
Длина пролета
по формуле (9.2.4.)
м
Вследствие
того, что ширина шкафа КРУ 750 мм, и опорные изоляторы имеются в каждом из них,
принимаем длину пролета l =
0,75 м. Максимальное расчетное напряжение в
материале шин, расположенных в одной плоскости, параллельных друг другу, с
одинаковыми расстояниями между фазами:
МПа
Так как sФ = 17,96 МПа < sДОП = 70 МПа, то шины механически стойкие.
Выберем
опорные изоляторы на ПГВ
Опорные
изоляторы выбираются по номинальному напряжению и проверяются на механическую
прочность. Допустимая нагрузка на головку
изолятора:
где Fразр – разрушающее усилие на изгиб, Н. Расчетное усилие на изгиб
где Кh – коэффициент учитывающий
расположение шин на изоляторе.
При
расположении шин плашмя Кh
= 1 [3].
Н
Из [7]
выбираем опорные изоляторы 40-6-3,75 УЗ со следующими каталожными данными: UНОМ = 6 кВ; Fразр = 3750 Н.
Допустимая
нагрузка:
Fдоп = 0,6 × Fразр;
Fдоп = 0,6 × 3750 =2250 Н.
Так как Fдоп = 2250 Н > Fрасч = 1377,2 Н, то изоляторы проходят по
допустимой нагрузке.
Выберем
проходные изоляторы
Проходные
изоляторы выбираются по номинальному напряжению, номинальному току и
проверяются на механическую прочность.
Расчетный ток
IР = 1046,75 А
Расчетное
усилие на изгиб:
Н
Из [7]
выбираем проходные изоляторы ИП-10/1600-1250 УХЛ1 со следующими каталожными
данными: UНОМ = 10 кВ; IНОМ = 1600 А; Fразр = 1250 Н.
Допустимая
нагрузка:
Fдоп = 0,6 × Fразр;
Fдоп = 0,6 × 1250 = 750 Н
Так как Fдоп = 750 Н > Fрасч = 688,6 Н, то изоляторы проходят по
допустимой нагрузке.
Выберем
выключатели нагрузки
Условия его
выбора:
1.По номинальному напряжению.
2.По номинальному длительному току.
Условия
проверки выбранного выключателя нагрузки:
1.Проверка на отключающую способность.
2.Проверка на электродинамическую
стойкость.
По предельному периодическому току.
По ударному току КЗ.
3.Проверка на термическую стойкость
(если требуется)
Согласно [5]
по режиму КЗ при напряжении выше 1000 В не проверяется:
1. аппараты и
проводники, защищенные плавкими предохранителями с вставками на номинальный ток
до 60 А – по электродинамической стойкости.
Проверку на
включающую способность делать нет необходимости, так как имеется
последовательно включенный предохранитель.
Расчетные
данные сети:
Расчетный ток
ПАР IР = 116,9 А был определен ранее при выборе выключателя
на отходящей линии;
Действующее
значение периодической составляющей номинального тока КЗ IПО = 9,213 кА было рассчитано ранее в
пункте 10.2;
Для
КТП-630-81 тип коммутационного аппарата на стороне 6 (10) кВ согласно [7] –
выключатель нагрузки типа ВНРу-10 или ВНРп-10.
Согласно
условиям выбора с учетом вышесказанного из [7] выбираем выключатель нагрузки
ВНРп-10/400-103УЗ со следующими каталожными данными UНОМ = 10 кВ; IНОМ = 400 А; IН откл = 400 А; iпр
СКВ = 25 кА; Iпр СКВ = 10 кА; IТ = 10 кА; tТ = 1 с.
IПО = 9,213 кА < Iпр СКВ = 10 кА
Iуд = 25,02 кА < iпр СКВ = 25 кА
IP = 116,9 А < IН откл = 400 А
Выберем
предохранитель
Условия его
выбора:
1.По номинальному напряжению.
2.По номинальному длительному току.
Условия
проверки выбранного предохранителя
1. Проверка
на отключающую способность.
Расчетный ток
IР = 105,03 А был определен ранее.
Согласно
условиям выбора из [7] выбираем предохранитель ПКТ 103-6-160-20УЗ со следующими
каталожными данными UНОМ = 6 кВ; IНОМ = 160 А; IН
откл = 20 кА; IПО = 9,213 < IН
откл = 20 кА
предохранитель по отключающей способности проходит.
10.3 Выбор аппаратов напряжением 0,4 кВ
Выберем
автоматический выключатель
Условия
выбора:
1.По номинальному напряжению.
2.По номинальному длительному току.
Условия
проверки выбранного предохранителя
1. Проверка
на отключающую способность.
Ранее в
пункте 10.3 был выбран автомат типа АВМ10Нс UНОМ = 0,38 кВ; IНОМ = 1000 А; IН
откл = 20 кА.
Проверка на
отключающую способность:
Выбранный
автомат проходит по условию проверки.
11. Проверка КЛЭП на термическую
стойкость
Согласно [3]
выбранные ранее кабели необходимо проверить на термическую стойкость при КЗ в
начале кабеля.
Проверять
будем кабели, отходящие от ПГВ, так как для остальных КЛЭП не известны токи КЗ.
Проверка
проводится по условию:
где с = 0,92
– термический коэффициент для кабелей с алюминиевыми однопроволочными жилами и
бумажной изоляцией согласно [7], А×с2/мм2;
tотк – время отключения КЗ, с;
tа – постоянная времени апериодической
составляющей тока КЗ, с;
F – сечение КЛЭП, мм2.
Рассмотрим
расчет на примере КЛЭП ПГВ-ТП1
кА
Увеличим
сечение до 95 мм2, тогда
кА > IКЗ = 9,213 кА,
что допустимо
Результаты
проверки кабелей на термическую стойкость сведем в табл.18.
Таблица 18.
Результаты проверки КЛЭП на термическую стойкость
|
Наименование
КЛЭП
|
F, мм2
|
Iтер, кА
|
IКЗ, кА
|
|
ПГВ-ТП1
|
70
|
7,2
|
9,213
|
|
ПГВ-ТП2
|
35
|
3,6
|
9,213
|
|
ПГВ-ТП3
|
35
|
3,6
|
9,213
|
|
ПГВ-ТП4
|
35
|
3,6
|
9,213
|
|
ПГВ-ТП5
|
35
|
3,6
|
9,213
|
|
ПГВ-ТП6
|
16
|
1,6
|
9,213
|
|
ПГВ-ТП7
|
70
|
7,2
|
9,213
|
|
ПГВ-ТП8
|
50
|
5,14
|
9,213
|
|
ПГВ-ТП10
|
70
|
7,2
|
9,213
|
|
ПГВ-ТП11
|
50
|
5,14
|
9,213
|
|
ПГВ-ТП12
|
25
|
2,57
|
9,213
|
|
ПГВ-ТП13
|
95
|
9,77
|
9,213
|
|
ПГВ-РП
|
240
|
24,69
|
9,213
|
|
РП-ТП9
|
50
|
5,14
|
9,213
|
|
РП-ТП14
|
70
|
7,2
|
9,213
|
|
РП-ТП15
|
10
|
1,3
|
9,213
|
По режиму КЗ
при напряжении выше 1 кВ не проверяются:
1.
Проводники
защищенные плавкими предохранителями не зависимо от их номинального тока и
типа.
2.
Проводники в
цепях к индивидуальным электроприемникам, в том числе цеховым трансформаторам
общей мощностью до 2,5 МВА и с высшим напряжением до 20 кВ, если соблюдены
одновременно следующие условия:
– в
электрической или технологической части предусмотрена необходимая степень
резервирования, выполненного так, что отключение указанных электроприемников не
вызывает расстройства технологического процесса;
– повреждение
проводника при КЗ не может вызвать взрыва или пожара;
– возможна
замена проводника без значительных затруднений.
3.
Проводники к
отдельным небольшим распределительным пунктам, если такие электроприемники и
распределительные пункты являются не ответственными по своему назначению и если
для них выполнено хотя бы только условие приведенное в пункте 2.2.
В остальных
случаях сечение проводников надо увеличить до минимального сечения,
удовлетворяющего условию термической стойкости.
Так как в
нашем случае выполняются все выше изложенный условия в пунктах 1, 2 и 3 то
сечение проводников увеличивать не будем.
Для
проводников напряжением до 1 кВ приведенных в табл. 19 сечение увеличиваем до
95 мм2.
12. Расчет самозапуска
электродвигателей
Самозапуск
заключается в том, что при восстановлении электроснабжения после
кратковременного нарушения электродвигатели восстанавливают свой нормальный
режим работы. Отличительные особенности самозапуска по сравнению с обычным
пуском:
–
Одновременно пускается группа двигателей;
– В момент
восстановления электроснабжения и начала самозапуска часть, или все
электродвигатели вращаются с некоторой скоростью;
– Самозапуск
обычно происходит под нагрузкой.
При
кратковременном нарушении электроснабжения самозапуск допустим как для самих
механизмов так и для электродвигателей.
Если
невозможно обеспечить самозапуск двигателей, то в первую очередь необходимо
обеспечить самозапуск для ответственных механизмов, отключение которых
необходимо.
Расчет
самозапуска синхронных двигателей:
В цехе № 15
установлены 6х500 СД. Из справочника выбираем двигатель марки СДН32-20-49-20
справочные данные последнего снесем в табл.19.
Таблица 19. Справочные
данные СДН32-20-49-20
|
SН,
кВА
|
РН,
кВт
|
UН,
кВ
|
h,
%
|
|
|
|
|
jпот,
т×м2
|
n,
об/мин
|
cosj
|
|
540
|
500
|
6
|
94,3
|
5,5
|
0,9
|
2,1
|
1,1
|
1,038
|
315
|
0,91
|
1.
Электромеханическая постоянная времени механизма и двигателя определяется:
где n0 – синхронное число оборотов в минуту.
РН
– номинальная мощность двигателя, кВт.
с
Выбор
определяется по формуле
где tН – время нарушения электроснабжения, с.
mС – момент сопротивления механизма.
Цех питается
от трансформатора ППЭ.
За базисную
мощность принимаем мощность двигателя. Индуктивное сопротивление источника
питания:
Расчетная
пусковая мощность, индуктивное сопротивление двигателя и напряжения при
самозапуске в начале самозапуска К' = 6.
кВА
При
скольжении 0,1; К' = 3
кВА
Выходной
момент при глухом подключении:
где DМ = 0,3 определено по номограмме [3].
Входной
момент при глухом подключении недостаточен для обеспечения самозапуска. Проверим достаточность момента при разрядном сопротивлении. Критическое скольжение:
Так как это
условие выполняется, двигатель дойдет до критического скольжения
Избыточный
момент:
В начале
самозапуска
При скольжении
0,05:
Время
самозапуска
с
Дополнительный
нагрев.
оС
Из расчета
следует, что самозапуск возможен как по условию необходимого избыточного
момента, так и по условию допустимого дополнительного нагрева.
13. Расчет релейной защиты
Распределительные
сети 6-220 кВ промышленных предприятий обычно имеют простую конфигурацию и
выполняются, как правило, радиальными и магистральными. Силовые трансформаторы
подстанций на стороне низшего напряжения обычно работают раздельно. Поэтому
промышленные электросети и электроустановки для своей защиты от повреждения и
аномальных режимов в большинстве случаев не требуют сложных устройств релейной
защиты. В месте с тем, особенности технологических процессов и связанные с ними
условия работы и электрические режимы электроприемников и распределительных
сетей могут предъявлять повышенные требования к быстродействию,
чувствительности и селективности устройств релейной защиты, к их взаимодействию
с сетевой автоматикой: автоматическим выключением резервного питания (АВР,
автоматическим повторным включением (АПВ), автоматической частотной разгрузкой
(АЧР).
Исходными
данными определено произвести расчет релейной защиты трансформаторов ПГВ. Согласно [3] для трансформаторов, устанавливаемых в сетях
напряжением 6 кВ и выше, должны предусматриваться устройства релейной защиты от
многофазных КЗ в обмотках и на выводах, однофазных КЗ в обмотке и на выводах,
присоединенных к сети с глухозаземленной нейтралью, витковых замыканий в
обмотках, токов в обмотках при внешних КЗ и перегрузках, понижений уровня масла
в маслонаполненных трансформаторах и маслонаполненных вводах трансформаторов.
13.1 Защита от повреждений внутри
кожуха и от понижений уровня масла
Тип защиты –
газовая, реагирующая на образование газов, сопровождающих повреждение внутри
кожуха трансформатора, в отсеке переключения отпаек устройства регулирования
коэффициента трансформации (в отсеке РПН), а также действующая при чрезмерном
понижении уровня масла. В качестве реле защиты в основном используется газовые
реле. При наличии двух контактов газового реле защита действует в зависимости
от интенсивности газообразования на сигнал или на отключение.
Типовыми
схемами защиты предусматривается в соответствие с требованиями ПЭУ возможность
перевода действия отключающего контакта газового реле (кроме реле отсека РПН)
на сигнал и выполнение раздельной сигнализации от сигнального и отключающего
контактов реле. Газовое реле отсека РПН должно действовать только на
отключение.
При
выполнении газовой защиты с действием на отключение принимаются меры для
надежного отключения выключателей трансформатора при кратковременном замыкании
соответствующего контакта газового реле.
Газовая
защита установлена на трансформаторах ПГВ и на внутрицеховых трансформаторах
мощностью 630 кВА и более. Применяем реле типа РГУЗ-66.
Защита от
повреждений внутри кожуха трансформатора, сопровождающихся выделением газа,
может быть выполнена и с помощью реле давления, а защита от понижения уровня
масла – реле уровня в расширителе трансформатора.
13.2 Защита
от повреждений на выводах и от внутренних повреждений
трансформатора
Для этой цели
будем использовать продольную дифференциальную токовую защиту, действующую без
выдержки времени на отключение поврежденного трансформатора от неповрежденной
части электрической системы с помощью выключателя. Данная защита осуществляется
с применением реле тока, обладающих улучшенной отстройкой от бросков
намагничивающего тока, переходных и установившихся токов небаланса. Согласно
рекомендациям [3] будем использовать реле торможением типа ДЗТ-11.
Рассматриваемая защита с реле ДЗТ-11 выполняется так, чтобы при внутренних
повреждениях трансформатора торможение было минимальным или совсем отсутствовало.
Поэтому тормозная обмотка реле обычно подключается к трансформаторам тока,
установленных на стоне низшего напряжения трансформатора.
Произведем
расчет продольной дифференциальной токовой защиты трансформаторов ПГВ,
выполненной с реле типа ДЗТ-11. Для этого сначала
определяем первичные токи для всех сторон защищаемого трансформатора,
соответствующие его номинальной мощности:
где SНОМ – номинальная мощность защищаемого
трансформатора, кВА.
UНОМ – номинальное напряжение
соответствующей стороны, кВ.
Ток для
высшей стороны напряжения:
А
Для низшей
стороны напряжения:
Принимаем
трансформаторы тока с nТ
ВН = 150/5 и nТ НН = 1500/5. Схемы соединения
трансформаторов тока следующие: на высшей стороне D, а на низшей стороне – Y.
Определим
соответствующие вторичные токи в плечах защиты:
где КСХ
– коэффициент схемы включения реле защиты, которой согласно [3] для ВН равен
, для НН-1.
Тогда с
использованием выражения (11.2.2):
А
А
Выберем
сторону, к трансформаторам тока которой целесообразно присоединить тормозную
обмотку реле. В соответствии с [8] на трансформаторах с расщепленной обмоткой
тормозная обмотка включается в сумму токов трансформаторов тока, установленных
в цепи каждой из расщепленной обмоток. Первичный минимальный ток срабатывания
защиты определяется из условия отстройки от броска тока намагничивания:
где Котс
= 1,5 – коэффициент отстройки.
А
Расчетный ток
срабатывания реле, приведенный к стороне ВН:
А
Расчетное
число витков рабочей обмотки реле включается в плечо защиты со стороны ВН:
где FСР = 100 – магнитодвижущая сила
срабатывания реле, А.
Согласно
условию WВН £ WВН расч принимаем число витков WВН = 9, что соответствует минимальному
току срабатывания защиты:
А
Расчетное
число витков рабочей обмотки реле, включаемых в плечо защиты со стороны НН:
Принимаем
ближайшее к WНН расч целое число, т.е. WНН = 17.
Определим
расчетное число витков тормозной обмотки, включаемых в плечо защиты со стороны
НН:
где e = 0,1 – относительное значение
полной погрешности трансформатора тока;
Du – относительная погрешность,
обусловленная РНП, принимается равный половине суммарного диапазона
регулирования напряжения;
α – угол
наклона касательной к горизонтальной характеристике реле типа ДЗТ-11, tgα = 0,75.
Для ТРДН-25000-110
Du = 0,5×2×9×0,0178 = 0,16
Согласно
стандартного ряда, приведенного в [3], принятое число витков тормозной обмотки
для реле ДЗТ-11 WТ = 9.
Определим
чувствительность защиты при металлическом КЗ в защищаемой зоне, когда торможение
отсутствует. Для этого определим ток КЗ между двумя фазами на стороне НН
трансформатора:
кА
кА = 462 А
Коэффициент
чувствительности:
,
что
удовлетворяет условиям
Определяем
чувствительность защиты при КЗ в защищаемой зоне, когда имеется торможение.
Вторичный
ток, подводимый к рабочей обмотке реле:
А
Второй ток,
подводимый к тормозной обмотке:
А.
Рабочая МДС
реле:
А
Тормозная МДС
реле:
А
По
характеристике срабатывания реле, приведенной в [9], графически определяем
рабочую МДС срабатывания реле: FCР
= 125 А.
Тогда
коэффициент чувствительности:
,
что
удовлетворяет условиям
13.3 Защита от токов внешних
многофазных КЗ
Защита
предназначена для отключения внешних многофазных КЗ при отказе защиты или
выключателя смежного поврежденного элемента, а также для выполнения функции
ближайшего резервирования по отношению к основным защитам трансформатора
(дифференциальной и газовой). В качестве защиты трансформатора от токов внешних
КЗ используются:
1. токовые защиты шин секций
распределительных устройств низшего и среднего напряжений, подключенных к
соответствующим выводам трансформатора;
2. максимальная токовая защита с пуском
напряжения, устанавливаемая на стороне высшего напряжения защищаемого
трансформатора.
Защита
установленная на стороне ВН, выполняется двухобмоточных трансформаторах с
двумя, а на трехобмоточных с тремя реле тока. Реле присоединяется ко вторичным
обмоткам ТТ, соединенным, как правило, в треугольник.
Непосредственное
включение реле защиты от токов внешних КЗ в токовые цепи дифференциальной
защиты не допускается.
13.4 Защита от токов внешних замыканий
на землю на стороне ВН
Защита
предусматривается для трансформаторов с глухим заземлением нейтрали обмотки
высшего напряжения при наличии присоединенных синхронных электродвигателей в
цепях резервирования отключения замыканий на землю на шинах питающей подстанции
и для ускорения отключения однофазного КЗ в питающей линии выключателями
низшего напряжения трансформатора. Реле максимального тока защиты подключается
к трансформатору тока, встроенному в нулевой вывод обмотки ВН трансформатора.
13.5 Защита от токов перегрузки
Согласно [3]
на трансформаторах 400 кВА и более, подверженных перегрузкам, предусматривается
максимальная токовая защита от токов перегрузки с действием на сигнал с
выдержкой времени. Устанавливается на каждой части расщепленной обмотки.
Продолжительность срабатывания такой защиты должны быть выбраны примерно на 30%
больше продолжительности пуска или самозапуска электродвигателей, получающих
питание от защищаемого трансформатора, если эти процессы приводят к его
перегрузке.
14. Расчет молниезащиты и заземляющего
устройства ПГВ
Защита от
прямых ударов молнии установок, зданий и сооружений независимо от их высоты
должна быть выполнена отдельностоящими тросовыми или стержневыми
молниеотводами.
Открытые
распределительные устройства (ОРУ) подстанций 20-500 кВ защищают от прямых
ударов молнии стержневыми молниеотводами. Защиту ОРУ 110 кВ можно выполнить на
конструкциях независимо от площади заземляющего контура подстанции. При этом от
стоек конструкции ОРУ 110 кВ нужно обеспечить растекание тока не менее, чем в
двух-трех направлениях и установить вертикальные электроды длиной 3-5 метра на
расстоянии не менее длины электрода. Для экономии металла молниеотводы
необходимо установить на конструкциях (порталах, опорах линии, прожекторных
мачтах и т.п.) и на закрытых распределительных устройствах (ЗРУ). Сами здания,
имеющие железобетонные несущие конструкции кровли защищать молниеотводами не
требуется.
Защитное
действие стержневого молниеотвода основано на свойстве молнии поражать наиболее
высокие и хорошо заземленные металлические сооружения. Во время лидерной стадии
развития молнии на вершине молниеотвода накапливаются заряды, создающие на ней
очень большие напряженности электрического поля. К этой области и направляется
канал молнии. Зоной защиты молниеотвода называется
пространство вокруг него, в котором объект защищен от прямых ударов молнии с
определенной степенью надежности. Защищаемый объект не поражается молнией, если
он целиком входит в зону защиты молниеотвода. Защита ПГВ от прямых ударов молнии производится с помощью стержневых
молниеотводов. Два молниеотвода устанавливаются на порталах ОРУ 110 кВ, других
на ЗРУ.
Условие
защищенности всей площади ПГВ выражается соотношением:
,
где D – диаметр окружности, м;
Р –
коэффициент для разных высот молниеотводов (до 30 м Р = 1);
hа – активная высота молниеотвода, м.
Минимальная
активная высота молниеотвода
Принимаем hа = 5 м.
Молниеотводы
характеризуются высотой h:
где hх – высота заземляемого объекта (hх = 12 м.)
м
Зона защиты
молниеотвода представляет собой конус, с криволинейной образующей. Радиус зоны
защиты определяется по формуле:
м
Наименьшая
ширина зоны защиты bх в середине между молниеотводами (на
горизонтальном сечении) на высоте hХ
определяется по формуле:
где а –
расстояние между молниеотводами
м
Граница зоны
защиты между молниеотводами (в вертикальном сечении) определяется радиусом R, проходящей через вершины
молниеотводов и точку А, распложенную по средине между молниеотводами на высоте
h0, м
м
Самые высокие
объекты входят в зону защиты молниеотводов.
Условия
защищенности всей площади выполняется:
(38 £ 40 м)
Воздушные
линии на железобетонных опорах защищаются тросовыми молниеотводами на подходе к
подстанции. Длина подхода 2 км. Защитный угол тросового молниеотвода равен 25
градусов.
Защитное
заземление необходимо для обеспечения безопасности персонала при обслуживании
электроустановок. К защитному заземлению относятся заземления частей установки,
нормально не находящейся под напряжением, на которые могут оказаться под ним
при повреждении изоляции. Заземление позволяет снизить напряжение прикосновения
до безопасного значения.
Произведем
расчет заземляющего устройства ПГВ.
Установим
необходимое допустимое сопротивление заземляющего устройства. В данном случае
заземляющее устройство используется одновременно для установок выше 1000 В с
заземленной нейтралью и изолированной нейтралью. Согласно [10] сопротивление
растекания RЗ для установок свыше 1000 В с заземленной нейтралью RЗ £ 0,5 Ом, а для установок свыше 1000 В с изолированной
нейтралью
, но не более 10 Ом. Из двух
сопротивлений выбираем наименьшее, т.е. RЗ £ 0,5 Ом.
Определим
необходимое сопротивление искусственного заземлителя RН. Так как данных о естественных заземлителях нет, то RН = RЗ = 0,5 Ом.
Выберем форму
и размеры электродов, из которых будем сооружать групповой заземлитель. В
качестве вертикальных электродов выбираем прутки длиной 5 м, диаметром 14 мм.
Эти заземлители наиболее устойчивы к коррозии и долговечны. Кроме того, их
применение приводит к экономии металла. Прутки погружаем в грунт на глубину 0,7
м с помощью электрозаглубителей. В качестве горизонтальных электродов применяем
полосовую сталь сечением 4х40 мм. Во избежания нарушения контакта при возможных
усадках грунта укладываем ее на ребро. Соединение горизонтальных и вертикальных
электродов осуществляем сваркой.
Размеры
подстанции 37х28 м. Тогда периметр контурного заземлителя равен Р = 2 × (37 – 4 + 28 – 4) = 114 м, а среднее
значение расстояния между электродами:
м
где nВ – предварительное число вертикальных электродов.
Отношение а/1
= 1,9/5 = 0,38, тогда из [10] коэффициент использования вертикальных электродов
Кu верт = 0,29.
Определяем
расчетное удельное сопротивление грунта отдельно для горизонтальных и
вертикальных электродов с учетом повышающих коэффициентов КС,
учитывающих высыхание грунта летом и промерзания его зимой.
Расчетное
удельное сопротивление грунта для вертикальных электродов:
где КС.В.
= 1,3 – коэффициент сезонности для вертикальных электродов и климатической зоны
2 согласно [10].
r0 = 40 – удельное сопротивление грунта
для глины, Ом×м.
Расчетное
удельное сопротивление грунта для горизонтальных электродов:
где КС.Г.
= 3 – коэффициент сезонности для горизонтальных электродов и климатической зоны
2 согласно [10];

Ом×м
Ом×м
Определим
сопротивление растеканию тока одного вертикального электрода:
где l = 5 м – длина вертикального
электрода, м; d = 14 × 10-3 диаметр электрода,
м; t = 3,2 – расстояние от поверхности
грунта до середины электрода, мм;
Ом
Определим
примерное число вертикальных электродов nВ при предварительно принятом коэффициенте использования
вертикальных электродов Кu верт =
0,29:
Принимаем nВ = 80 шт.
Определим
сопротивление растеканию тока горизонтального электрода:
где l = 114 – длина горизонтального
электрода, м; t = 3,2 – глубина заложения, м; dЭ – эквивалентный диаметр электрода, м;
Ом
Уточненные
значения коэффициентов использования: Кu верт = 0,276; Кuгор = 0,161, тогда уточненное число
вертикальных электродов с учетом проводимости горизонтального электрода:
шт.
Принимаем nВ.У. = 81 шт.
,
Меньше на
10%, следовательно, окончательное число вертикальных электродов – 81.
Для
выравнивания потенциала на поверхности земли с целью снижения напряжения
прикосновения и шагового напряжения на глубине 0,7 м укладываем выравнивающую
сетку с размером ячейки 3,6х6 м.
15. Охрана труда
Анализ
опасных и вредных производственных факторов на рабочем месте дежурного диспетчера
Условия труда
на рабочих местах производственных помещений или площадок складываются под
воздействием большого числа факторов, различных по своей природе, формам
проявления, характеру действия на человека.
В
соответствии с ГОСТ 12.0.003-74 опасные и вредные производственные факторы
подразделяются по своему действию на следующие группы:
- физические;
- химические;
-
биологические;
-
психофизиологические;
Один и тот же
опасный и вредный производственный фактор по природе своего действия может
относиться одновременно к различным группам. Следует иметь в виду, что одни
опасные факторы могут отрицательно влиять только на человека, осуществляющего
технологический процесс (например электрический ток, отлетающие частицы
обрабатываемого материала, вращающиеся части производственного оборудования), а
другие (например шум, пыль) и на среду, окружающую рабочие места. Некоторые
факторы могут оказывать отрицательное влияние на все элементы системы "человек
– машина – окружающая среда – предмет труда". Влияние на одни элементы
системы может быть непосредственным (прямым), а на другие косвенным.
Выбор
технических средств безопасности должен осуществляться на основе выявления
опасных и вредных факторов, специфических для данного технологического
процесса, а также изучения особенностей каждого выявленного фактора и зоны его
действия (опасной зоны).
Повышенный
уровень шума на рабочем месте
Стандарт
устанавливает классификацию шума, характеристики и допустимые уровни шума на
рабочих местах, шумовым характеристикам машин, механизмов, средств транспорта и
другого оборудования и измерениям шума.
По характеру
спектра шум следует подразделять на:
-
широкополосный с непрерывным спектром шириной более одной октавы;
- тональный,
в спектре которого имеются выраженные дискретные тона.
Тональный
характер шума для практических целей (при контроле его параметров на рабочих местах) устанавливают измерением в
третьоктавных полосах частот по превышению уровня
звукового давления в одной полосе над
соседними не менее чем на 10 дБ.
По временным
характеристикам шум следует подразделять на:
- постоянный,
уровень звука которого за восьмичасовой рабочий день изменяется во времени не более чем на 5 дБА при измерениях на временной характеристике "медленно" шумомера по
ГОСТ 17187-81.
-
непостоянный, уровень звука которого за восьмичасовой рабочий день (рабочую смену) изменяется во времени более чем на 5 дБА при измерениях на временной характеристике "медленно"
шумомера по ГОСТ 17187-81.
Непостоянный
шум следует подразделять на:
-
колеблющийся во времени;
-
прерывистый;
- импульсный.
Допустимые
уровни звукового давления в октавных полосах частот и эквивалентные уровни
звука в соответствии с ГОСТ 12.1.003-83 для дежурного диспетчера подстанции.
Уровни
звукового давления в дБ, в октавных полосах со среднегеометрическими
частотами, Гц.
|
|
31,5
|
63
|
125
|
250
|
500
|
1000
|
2000
|
4000
|
8000
|
Уровни звука и эквивалентные уровни звука, дБ
|
|
93
|
79
|
70
|
63
|
58
|
55
|
52
|
50
|
49
|
80
|
Повышенный
уровень вибрации
Вредное
действие на работающих оказывает вибрация, возникающая при работе
электротехнического оборудования.
Под вибрацией
понимается движение точки или механической системы, при котором происходит
поочередное возрастание и убывание во времени значений, по крайней мере, одной
координаты.
Физическими
характеристиками вибрации являются: амплитуда виброперемещения Х, амплитуда
колебательной скорости V,
амплитуда колебательного ускорения А, частота колебаний F. Общая
вибрация нормируется с учетом свойств источника ее возникновения и
подразделяется на транспортную, транспортно-технологическую и технологическую.
Наиболее высокие требования предъявляются при проектировании технологической
вибрации в помещениях для умственного труда.
На данном
рабочем месте гигиенические нормы: технологическая вибрация с источниками
вибрации находится в пределах частот от 2 до 63 Гц и
=107-92
дБ. В соответствии с ГОСТ 12.1.012-90 данное рабочее место относится к 3 типу "A" комфорт.
|
Общая
|
ЭК, В
|
|
1
|
2
|
4
|
8
|
16
|
31,5
|
63
|
92
|
|
Технологическая
тип "A"
|
|
-
|
108
|
99
|
93
|
92
|
92
|
92
|
Неблагоприятные
параметры микроклимата
Воздух
производственных помещений должен отвечать определенным требованиям как по
чистоте (содержанию вредных веществ), так и по параметрам микроклимата
(температура, влажность и скорость движения воздуха). При работе оборудования и
ведении технологических процессов в воздух рабочей зоны попадают различные
вредные вещества, химические соединения, пыль производственные яды и прочее, в
некоторых случаях увеличивается влагосодержание воздуха и его температура. Для
нормализации параметров воздушной среды, оказывающих непосредственное
отрицательное воздействие на организм человека, одним из самых распространенных
методов является вентиляция производственных помещений, заключающаяся в
удалении из помещения загрязненного и нагретого воздуха и подаче в него чистого
свежего. По виду побудителя движения воздуха
вентиляция подразделяется естественную (аэрацию) и механическую. Естественная
вентиляция, не требуя затрат энергии, способна перекачивать значительное
количество воздуха, однако обладает рядом существенных недостатков:
невозможностью очистки приточного и удаляемого воздуха, трудностью в управлении
и малой эффективностью работы в летнее время. Механическая вентиляция лишена этих недостатков и по способу организации
воздухообмена делится на общеобменную и местную, по принципу действия
подразделяется на приточную и вытяжную.
Нормируемые
параметры микроклимата:
|
Время года
|
Категория
работ, согласовано с ГОСТ 12.1-005-88
|
Температура
воздуха, град. С
|
Относительная
влажность воздуха, %
|
Скорость
движения воздуха, м/с.
|
|
оптимальная
|
относительная
|
оптимальная
|
|
Холодное
Теплое
|
Легкая-1 б
Легкая-1 б
|
21-23
22-24
|
40-60
40-60
|
0,1
0,2
|
К категории
1б относятся работы, производимые сидя, стоя или связанные с ходьбой и
сопровождающиеся некоторым физическим напряжением.
Недостаточная
освещенность рабочей зоны
Рациональное
освещение производственных помещений и рабочих мест на предприятиях улучшает
гигиенические условия труда, повышает культуру производства, оказывает
положительное психологическое воздействие на работающих. Правильно
организованное освещение способствует не только повышению производительности и
качества труда, но одновременно создает благоприятные условия, снижающие
утомляемость, уровень производственного травматизма и профессиональных
заболеваний. Среди факторов внешней среды, влияющих на организм человека, свет
занимает одно из первых мест. Известно что около 90 % процентов всей информации
о внешнем мире человек получает через зрительные ощущения. Усталость органов
зрения зависит от степени напряженности процессов, сопровождающих зрительное
восприятие. Освещение производственных помещений
характеризуется количественными и качественными показателями. Количественные показатели: лучистая энергия, лучистый поток,
световой поток, сила света, яркость и освещенность. Качественные показатели: фон, контраст между объектом и
фоном, видимость, показатель ослепленности, коэффициент пульсации освещенности
и показатель дискомфорта.
На рабочем месте
дежурного диспетчера подстанции примерные нормы освещения в соответствии с СНиП
23.05-95.
|
Искусственное
освещение
|
Естественное
освещение
|
Совмещенное
освещение
|
|
Освещенность,
Лк.
|
КЕО, Ен %
|
|
При системе комбинированного освещения
|
При общем освещении
|
Показатель освещенности
и коэффициент пульсации
|
При верхнем
|
Боковом
|
При верхнем
|
Боковом
|
|
всего
|
в т.ч. общего
|
Р
|
Кп, %
|
|
400
|
200
|
200
|
40
|
20
|
4
|
1,5
|
2,4
|
0,9
|
Электрический
ток
Анализ
производственного травматизма показывает, что из общего числа несчастных
случаев на производстве число электротравм составляет 0,5 – 1 %, однако среди
несчастных случаев со смертельным исходом на долю электротравм приходится 20 -
40 %, что больше чем по какой – либо другой причине. Опасность электрического тока в отличие от прочих опасных и
вредных производственных факторов усугубляется тем, что человек не обнаруживает
на расстоянии с помощью органов чувств грозящую опасность. Реакция человека на
электрический ток возникает лишь при прохождении его через организм.
Электрический ток оказывает на организм человека термическое, электролитическое,
механическое и биологическое воздействие. В соответствии с ГОСТ 12.1.002 - 84:
- предельно
допустимый уровень напряженности воздействующего электрического поля (ЭП)
устанавливается равным 25 кВ/м.
- пребывание
в (ЭП) напряженностью более 25 кВ/м без применения средств защиты не
допускается.
- пребывание
в (ЭП) напряженностью до 5 кВ/м включительно допускается в течение рабочего
дня.
- при
напряженности (ЭП) свыше 20 -25 кВ/м время пребывания персонала в нем не должно
превышать 10 минут.
Напряженность
ЭП на рабочих местах персонала должна измеряться:
- при
изменении конструкции электроустановок и стационарных средств защиты от ЭП;
- при
применении новых схем коммутации;
- при приемке
в эксплуатацию новых установок;
- при
организации новых рабочих мест;
- в порядке
текущего санитарного надзора – 1 раз в 2 года.
На данном
рабочем месте часть помещения в которой находится рабочее место диспетчера
имеет напряженность ЭП до 5 кВ/м. Часть помещения в котором находятся шкафы
релейной защиты и автоматики, распределительные устройства имеет напряженность
ЭП до 25 кВ/м.
Тяжесть и
напряженность трудового процесса
Под тяжестью
труда понимают степень совокупного воздействия производственных элементов
условий труда на функциональное состояние организма человека, его здоровье и
работоспособность, на процесс воспроизводства рабочей силы и безопасность
труда. Тяжесть труда определяется степенью нагрузки на мышечную систему.
Уровень
тяжести на данном рабочем месте можно отнести ко второму классу – допустимый
(средняя физическая нагрузка) – условия труда, при которых неблагоприятные
факторы не превышают гигиенических нормативов на рабочих местах и не приводят к
накоплению утомления.
Напряженность
труда – это характеристика трудового процесса, отражающая преимущественную
нагрузку на ЦНС, т.е. определяется нервным и психоэмоциональным напряжением,
длительностью и интенсивностью интеллектуальной нагрузки.
На данном
рабочем месте:
Напряженность
труда средней степени.
1.
Содержание
работы: решение простых задач по инструкции.
2.
Восприятие
сигналов информации и их оценка: восприятие сигналов с последующей коррекцией
действий и операций.
3.
Распределение
функций по степени сложности задания: обработка выполнение задания и его
проверка.
4.
Характер
выполняемой работы: работа по установленному графику с возможной его коррекцией
по ходу деятельности.
Сенсорные,
эмоциональные нагрузки, монотонность нагрузок, режим работы соответствуют
Допустимому классу условий труда в соответствии с
Р 2.2.755 –
99.
Меры по
снижению и устранению опасных и
вредных факторов
Неблагоприятные
параметры климата
Воздухообмен
в помещениях должен быть организован так, чтобы заданные условия воздушной
среды достигались при минимальном расходе воздуха. Для этого необходимо
учитывать закономерности взаимодействия приточных, вытяжных и конвективных
струй в помещении, так как они определяют характер движения воздуха в нем.
Формируют поля температур и поля концентрации вредных веществ.
При
проектировании общеобменной вентиляции необходимый воздухообмен определяют из
условия разбавления вредностей чистым воздухом до предельно – допустимых
концентраций. Необходимое количество воздуха при расчете вентиляции определяют
следующими методами:
- по
количеству воздуха на одного человека;
- по
кратности воздухообмена.
При
вентиляции должен очищаться как приточный воздух, так и удаляемый из помещения.
Способ очистки и вид очистной аппаратуры выбирают с учетом таких факторов, как
влажность воздуха, температура, степень загрязнения и требуемая степень
очистки, свойства пыли (сухая, липкая, гигроскопичная, волокнистая), размеры
частиц пыли (степень эксперсности).
К современным
системам отопления предъявляются следующие основные требования:
- санитарно –
гигиенические (они должны создавать благоприятные микроклиматические условия
труда и здоровья человека);
- производственные
(должны обеспечивать условия для нормального хода технологического процесса и
выпуска высококачественной продукции);
-
эксплуатационные (не должны разрушать строительных конструкций, особенно из-за
сырости;
-
экономические (расходы на устройство и ежедневную эксплуатацию систем должны
быть наименьшими).
Повышенный
уровень шума на рабочем месте
Шум наиболее
радикально может быть снижен звукоизолирующими преградами в виде стен,
перегородок, перекрытий, специальных изолирующих кожухов, экранов.
Принцип
звукоизоляции заключается в том, что большая часть падающей на ограждение
звуковой энергии отражается и лишь незначительная часть ее проникает через
ограждение.
Должны
применяться следующие меры по снижению шума:
- разработка
шумобезопасной техники;
- применение
средств и методов коллективной защиты по ГОСТ 12.4.029-80.
- применение
средств индивидуальной защиты по ГОСТ 12.4.051- 87.
На
предприятиях должен быть обеспечен контроль уровней шума на рабочих местах не
реже одного раза в год.
Недостаточная
освещенность рабочей зоны
Для освещения
помещений следует использовать, как правило, наиболее экономичные разрядные
лампы. Использование ламп накаливания для общего освещения допускается только в
случаях невозможности или технико-экономической нецелесообразности
использования разрядных ламп.
Для местного
освещения кроме разрядных источников света следует использовать лампы
накаливания, в т.ч. галогенные. Выбор источников света по цветовым
характеристикам следует производить на основании приложения
СНиП 23-05-95.
Применение
ксеноновых ламп внутри помещений не допускается. В цехах с полностью
автоматизированным технологическим процессом следует предусматривать освещение
для наблюдения за работой оборудования, а также дополнительно включаемые
светильники общего и местного освещения. Для обеспечения необходимой
освещенности при ремонтно- наладочных работах показатель ослепленности от
светильников общего пользования (не зависимо от системы освещения) не должен
превышать установленных значений.
Повышенное
значение напряжения в электрической цепи, замыкание которой может произойти через тело человека
Одной из
основных мер электробезопасности на производстве является устройство защитного
заземления. Защитное заземление – это преднамеренное соединение с землей металлических
частей электрооборудования, не находящихся нормально под напряжением, но в
случае пробоя изоляции на корпус, могущих оказаться под напряжением. Защитное
заземление устанавливают согласно действующим ПУЭ в трехфазных, трехпроводных
сетях с напряжением до 1 кВ с изолированной нейтралью и выше 1 кВ с любым
режимом нейтрали. Заземляющие устройства установок с напряжением до 1кВ и выше
могут выполняться общими и раздельными. В
установках с напряжением до 1 кВ, расположенных вблизи друг от друга, следует
применять общее заземляющее устройство. Если
в сети с напряжением выше 1 кВ, связанной через трансформатор с сетью
напряжением до 1 кВ, отсутствует глухое заземление фазы или нейтрали, то для
электроустановок, питающихся от этих сетей, следует дать общее заземляющее
устройство. Если сеть с напряжением выше 1 кВ
имеет глухозаземленную нейтраль или фазу, то заземляющее устройство
электроустановок с напряжением до 1 кВ и выше выполняется раздельным.
Расчет
заземляющего устройства ПГВ
Данный расчет
произведен ранее в пункте 14 "Молниезащита и заземление".
Пожарная
безопасность
Категории
взрывопожарной и пожарной опасности помещений и зданий определяется для
наиболее неблагоприятного в отношении пожара или взрыва периода, исходя из вида
находящихся в аппаратах и помещениях горючих веществ и материалов их количества
и пожароопасных свойств. Согласно
НПБ-105-95
определяем категорию помещения.
В
соответствии с вышеизложенным выбираем категорию "Д"- негорючие
вещества и материалы в холодном состоянии.
Заключение
Спроектированная
система электроснабжения завода тяжелого машиностроения имеет следующую
структуру. Предприятие получает питание от энергосистемы по двухцепной
воздушной линии электропередачи длиной 9,7 км напряжением 110 кВ. в качестве
пункта приема электроэнергии используется двухтрансформаторная подстанция
глубокого ввода с трансформаторами мощностью 25000 кВА. Вся электроэнергия
распределяется на напряжения 6 кВ по кабельным линиям. Распределительные пункты
в системе распределения отсутствуют.
В результате
проделанной работы были определены следующие параметры электроснабжения.
Расчетные нагрузки цехов определены по методу коэффициента спроса. В качестве
расчетной нагрузки по заводу в целом приняли нагрузку, определенную методом
коэффициента спроса SМ = 21755 кВА.
Была
построена картограмма электрических нагрузок, по которой было определено место
расположения пункта приема электроэнергии. ПГВ был пристроен к цеху №6. На основании технико-экономического расчета было выбрано
устройство высокого напряжения типа "выключатель". Были выбраны
силовые трансформаторы типа ТРДН-25000/110. Питающие линии марки АС-70, которые
прокладываются на железобетонных опорах. Было выбрано рациональное напряжение
распределения электроэнергии 6 кВ. На территории завода расположены 15 КТП с
расстановкой БСК.
Питание цехов
осуществляется кабельными линиями. Расположенными в земле. Для выбора элементов
схемы электроснабжения был проведен расчет токов короткого замыкания в трех
точках. На основании этих данных были выбраны
аппараты на сторонах 110 кВ, 6 кВ, 0,4 кВ, а также проведена проверка КЛЭП на
термическую стойкость.
Был
произведен расчет самозапуска двигателей 6 кВ. был произведен расчет продольной
дифференциальной токовой защиты трансформаторов ПГВ. Был рассмотрен расчет
молниезащиты и заземляющего устройства ПГВ.
В целом
предложенная схема электроснабжения отвечает требованиям безопасности,
надежности, экономичности.
Литература
1.
Федоров А.А.,
Старкова Л.Е. Учебное пособие для курсового и дипломного проектирования. М.:
Энергоатомиздат 1987 –363 с.
2.
Справочник по
электроснабжению промышленных предприятий. Промышленные электрические сети.
/Под общей ред. Федорова А.А. и Сербиновского Г.В. – 2-е изд, перераб. и доп.
М.: "Энергия",1980 –576 с.
3.
Справочник по
проектированию электроснабжения / Под ред. Барыбина Ю.Г., Федорова Л.Е.,
Зименкова М.Г., Смирнова А.Г. – М.: 1990
4.
Методические
указания по выбору силовых трансформаторов для сквозного курсового и дипломного
проектирования по специальности 0303.
5.
Правила
устройства электроустановок, Минэнерго, Москва, Энергоатомиздат, 1986 – 527 с.
6.
Диев С.Г.,
Сюсюкин А.Н. Методическое указание для выполнения курсового проекта по
электроснабжению промышленных предприятий, Омск, 1984.
7.
Неклипаев Б.Н.,
Крючков И.П. Электрическая часть электростанций и подстанций. Справочные
материала для курсового и дипломного проектирования. М.:, Энергоатомиздат,
1985.
8.
Руководящие
указания по релейной защите. Релейная защита понижающих трансформаторов и
автотрансформаторов 110-500 кВ. Выпуск 13Б. Расчеты М.: Энергоатомиздат, 1985
9.
Руководящие
указания по релейной защите. Релейная защита понижающих трансформаторов и
автотрансформаторов 110-500 кВ. Выпуск 13А Схемы. М.: Энергоатомиздат, 1985
10.
Шкаруба М.В.
Изоляция и перенапряжения в электрических системах. Методическое указание.
Омск, 1995.