Основы физики
Введение
Внедрение микропроцессорной, и вообще цифровой, техники в
устройства управления промышленными объектами требует от специалистов самого
различного профиля быстрого освоения этой области знания. В процессе разработки
функциональных схем цифровых устройств отчетливо выделяются два характерных
этапа. На первом этапе, который можно назвать структурным проектированием,
заданный неформально алгоритм разработчик представляет в виде
последовательности некоторых операторов, таких, как получение результата, счет,
преобразование кода, передача информации. При этом он старается использовать
ограниченный набор общепринятых операторов. При использовании этих операторов,
как правило, алгоритм можно представить довольно небольшим их числом. Структура
алгоритма становится обозримой, понятной, легко читаемой и однозначной. На
основе полученной структуры алгоритма формулируются технические требования к
схемам, реализующим отдельные операторы. По техническим требованиям в качестве
функциональных узлов схемы можно применить либо готовые блоки в интегральном
исполнении, либо, если таких микросхем в наличии нет, синтезировать их из более
простых элементов. Подобный синтез первоначально производится при помощи
алгебры логики, после чего по полученным функциям строится эквивалентная схема.
Однако, как правило, синтезированные схемы хуже их аналогов в интегральном
исполнении. К этому приводят следующие обстоятельства: большее время задержки,
большие габариты, большее потребление энергии. Поэтому результативного
проектирования цифровых устройств разработчик должен уметь: выбрать наиболее
приемлемый вариант решения поставленной задачи, работать с алгеброй логики,
знать основные цифровые элементы и уметь их применять, по возможности знать
наиболее простые и распространенные алгоритмы решения основных задач. Знание
наиболее распространенных инженерных приемов в проектировании устройств.
Однако у таких электрических гирлянд были довольно серьезные
недостатки: использовать их допускалось только внутри помещения, а лампочки в
них быстро перегорали, выводя из строя всю конструкцию. Современные елочные
электрогирлянды с лампами накаливания более совершенны - осветительные элементы
в них впрессованы в ответвления кабеля, они более долговечны, могут иметь
несколько режимов сияния.
Светодиодные
электрогирлянды
Но самое большое распространение в наше время получила
продажа электрогирлянд на светодиодах - миниатюрных LED-лампочках. И это
неудивительно, ведь к преимуществам светодиодных гирлянд относятся:
· длительный срок
эксплуатации;
· возможность использования
при любых погодных условиях, включая сильный мороз или высокую влажность;
· низкое энергопотребление;
· механическая прочность;
· безопасность.
Кроме того, LED-гирлянды обеспечивают яркий свет, «умеют»
работать в самых разных режимах: статичное сияние, мерцание, плавный переход
цветов, изменение яркости, световая волна и т.д.
Сейчас можно купить электрические гирлянды самой разной
формы:
· обычный жгут;
· занавес (или дождь);
· сетка;
· объемные фигуры.
Они могут иметь различную длину, количество лампочек и
технические характеристики, оснащаться контроллером, позволяющим переключать
режимы, или не оснащаться, но общим у них всегда остается одно: смотрятся такие
украшения великолепно! Но без новогодней гирлянды этот праздник представить себе
невозможно. Традиция освещать новогоднюю (а еще раньше - рождественскую) елку
особым светом - очень давняя. Уже к 1700 году, когда эту традицию привез из
Европы в Россию Петр Первый, царские указы на этот счет требовали использовать
для новогодней иллюминации свечи и фейерверки. Свечи на елке были непременным
атрибутом новогоднего оформления на протяжении нескольких веков - вплоть до
распространения электричества. Они были так же обязательны, как игрушки и
другие елочные украшения. Это было весьма пожароопасное новогоднее украшение -
но ради праздничной атмосферы люди были готовы поступиться даже безопасностью.
Первая электрическая гирлянда появилась в 1895 году в США и украшала
рождественскую ель перед Белым домом. Электрические гирлянды, как правило, состоят
из последовательно соединенных жгутом проводов ламп накаливания, а сейчас
электрические гирлянды обычно производятся в виде неразборных
электротехнических изделий со сверхмалыми лампами, которые впрессовываются в
ответвления кабеля. Замена свечей на электрические лампы в свое время была
большим шагом вперед. Но время не стоит на месте, и вот уже для новогоднего
оформления используется светодиодная светотехника. Современные светодиодные
гирлянды и гирлянды дюралайт порой напоминают свечи, а порой отличаются от них
радикально и не похожи вообще ни на что из новогодних украшений, которые были
доступны 15-20 лет назад. Световой занавес плейлайт показался бы фантастикой и
чудом не только во времена свечей, но и во времена ламп накаливания и первых
электрогирлянд (для примера - продукция компании нео-неон от англ. neo-neon).
Но светодиодные гирлянды и световой дождь помимо внешнего эффекта имеют еще и
другие важные достоинства. Современная декоративная светотехника абсолютно
безопасна в использовании и не представляют никакой угрозы как с точки зрения
пожаробезопасности, так и с точки зрения электрической безопасности. Современные
управляемые и программируемые электрогирлянды, которые являются основным
элементом новогодней иллюминации, экономичны, эстетичны, привлекательны,
безопасны и надежны. И наиболее совершенны в этом плане светодиодные гирлянды -
такие, как дюралайт, клип лайт и плей лайт. Так, например, дюралайт
представляет собой полимерный шнур, в который запрессована непрерывная цепочка
миниатюрных лампочек накаливания или светодиодов. Клип лайт (здесь и далее от
англ.: clip light) - это управляемая светодиодная гирлянда, которую можно
назвать одним из самых эффектных новогодних украшений. Гирлянда клип лайт (от
англ.: clip light) представляет собой провод с последовательно расположенными
на нем лампочками небольших размеров или светодиодами. Гирлянда клип лайт (clip
light) со светодиодами отличается большей яркостью, низким электропотреблением
и увеличенным сроком службы. Гирлянда клип лайт подключается к сети через
понижающий трансформатор, что делает ее электробезопасной. А плей лайт - это
настоящий световой дождь, потрясающий световой занавес. Большинство гирлянд
выпускаются в Китае (неонеон здесь и далее от англ.: neo-neon) и другие, наша
компания занимается продажами только высококачественных китайских гирлянд. У
нас вы можете купить китайские гирлянды, разработанные и произведенные при
помощи самых новейших технологий. Эти китайские гирлянды непременно украсят ваш
офис, торговый зал или витрину магазина и будут радовать и вас, и ваших
посетителей. Другое название плейлайта - «гирлянда световой занавес». И это
название вполне обосновано. Ведь гирлянда световой занавес может
использоваться, например, для раграничения зон на летней веранды кафе. Гирлянда
световой занавес будет выглядеть в таком применении очень эффектно и привлечет
к вашему заведению внимание посетителей
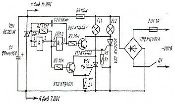
Рисунок 1 - Простейший переключатель
Простейший переключатель поочередно
коммутирует две гирлянды. На логических элементах DD1.1, DDI.2 выполнен
генератор, а на транзисторах VT1, VT2 собраны высоковольтные ключи для
управления тринисторами VS1, VS2. Питание на микросхему подается от
параметрического стабилизатора R4VD1 с конденсатором С1. Постоянное напряжение
как для микросхемы DDI, так и для ламп гирлянд ELI, EL2 снимается с
выпрямительного моста VD2.

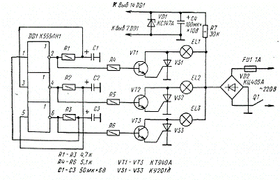
Для создания эффекта «бегущий огонь»
необходимо поочередно переключать не менее трех гирлянд. Схема переключателя
(первый вариант), управляющего тремя гирляндами, представлена на рисунке 2.
Основу устройства составляет трехфазный мультивибратор, выполненный на трех
инвертирующих логических элементах микросхемы DDI. Времязадающие цепи
образованы элементами Rl-R3, С1-СЗ. В любой момент на одном из выходов логических
элементов имеется напряжение высокого уровня, которое открывает
транзисторно-тринисторный ключ.
Рисунок 3 - Схема переключателя трех
гирлянд (второй вариант)
Следовательно, одновременно светятся лампы
только одной гирлянды. Поочередное переключение ламп гирлянд ELI-EL3 позволяет
получить эффект «бегущий огонь».
В мультивибраторе могут работать инверторы
микросхем серий К555 и К155. Во втором случае сопротивления резисторов Rl-R3 не
должны превышать 1 кОм. Можно использовать и КМОП-микросхемы (К176, К561), при
этом сопротивления времязадающих резисторов можно будет увеличить в 100… … 1000
раз, а емкости конденсаторов С1-СЗ во столько же раз уменьшить.
Изменение частоты переключения гирлянд
можно производить изменением сопротивления резисторов Rl-R3. Одновременно
управлять ими затруднительно (строенных переменных резисторов для широкого
применения промышленность не выпускает). Это является недостатком данного
переключателя гирлянд.
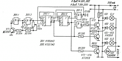
На рисунке 3 приведена схема переключателя
гирлянд (второй вариант) с регулируемой скоростью движения «бегущего огня».
Как работает это устройство? На логических
элементах DD1.1, DD1.2 собран генератор прямоугольных импульсов, частота
следования которых составляет 0,2… 1 Гц. Импульсы поступают на вход счетчика,
состоящего из двух: D-триггеров DD2.1 и DD2.2 микросхемы DD2. Благодаря наличию
обратной связи между элементом DD1.3 и входом R триггера DD2.1 счетчик имеет
коэффициент пересчета 3 и в любой момент закрыт один из транзисторов VT2 - VT4.
Если, допустим, закрыт VT2, то положительное напряжение с его коллектора будет
подано на управляющий электрод тринистора VS1, тринистор откроется и загорятся
лампы гирлянды EL1. Частоту переключения регулируют переменным резистором R3
генератора.
В устройстве микросхемы серии К155 можно
заменить соответствующими аналогами из серии К133. Транзисторы VT1-VT4 могут
быть из серий КТ315, КТ3117, КТ603, КТ608 с любыми буквами. Тринисторы VS1-VS3
могут быть типов КУ201, КУ202 с буквами К-Н.
Источник, питающий микросхемы и
транзисторы устройства, должен быть рассчитан на ток не менее 200 мА.
Недостатком переключателя является
необходимость применения трансформаторного блока питания. Это обусловлено
сравнительно большим током, потребляемым микросхемами К155ЛАЗ и К155ТМ2.
Существенно уменьшить ток потребления можно, применив КМОП-микросхемы, в этом
случае питание микросхем может осуществляться от простейшего параметрического
стабилизатора, как это сделано в переключателе двух гирлянд (см. рисунке 3).
Схема переключателя трех гирлянд (третий
вариант) на микросхемах серии К561 представлена на рис. 30, а. Генератор
выполнен на логических элементах DD1.1, DDI.2, а счетчик с коэффициентом
пересчета 3 - на двух D-триггерах микросхемы DD2. Эпюры напряжений на выходах
логических элементов показаны на рисунке 3.
Рисунок4 - Переключатель трех гирлянд
(третий вариант) а - принципиальная схема; б - эпюры напряжений на выходах
логических элементов
Они помогут понять логику работы
устройства. Транзисторно-тринисторные ключи для управления гирляндами,
выпрямитель и стабилизатор для питания микросхем такие же, как и в
переключателе по схеме рис. 28 (в качестве стабилитрона VD1 в этом случае нужно
использовать КС191Ж или Д814В).
У описанных выше устройств «бегущего огня»
есть общий недостаток: неизменность логики работы. Лампы в гирляндах
переключаются только в установленном порядке, изменять можно лишь частоту
переключения. В то же время желательно, чтобы иллюминация была как можно более
разнообразной, не надоедала и не утомляла зрение. Это означает, что должна быть
предусмотрена возможность изменения не только продолжительности горения ламп,
но и очередности их переключения.
Рисунок 5 - Схема переключателя гирлянд с
микросхемой памяти
На рис. 31 приведена схема переключателя
гирлянд, отвечающего этим условиям.
«Сердцем» устройства является микросхема
К155РУ2 оперативное запоминающее устройство на 16 четырехразрядных слов (под
словом в данном случае понимается совокупность логических нулей и единиц,
например 0110, 1101 и т.д.). Как действует такая микросхема? Ее четыре входа
(Dl-D4) предназначены для подачи информации, которую нужно записать в память.
Эти входы называются информационными. На четыре других входа (А1 А4) подают
двоичный код адреса ячейки, которую требуется выбрать для записи или считывания
информации. Эти входы называют адресными. Изменяя двоичный код на этих входах
от 0000 до 1111, можно обратиться к любой из 16 ячеек. Подавая сигнал на вход
W, выбирают нужный режим работы микросхемы: если на входе W напряжение низкого
уровня, то производится запись в ячейку, а если напряжение высокого уровня, то
можно считывать информацию, хранящуюся в ячейках памяти микросхемы. При
считывании информация поступает на выходы C1-С4. Выходы у микросхемы с открытым
коллектором, причем если в ячейке памяти записана логическая 1 то
соответствующий транзистор выхода будет открыт (разумеется, в его коллекторную
цепь должна быть включена нагрузка резистор). Таким образом, для записи числа в
какую-либо ячейку памяти необходимо подать на входы Dl-D4 соответствующие
логические уровни, а на входы А1 - А4 - двоичный код адреса требуемой ячейки.
Затем на вход W подают напряжение низкого уровня и информация записана. Для
считывания информации необходимо подать на вход W напряжение высокого уровня.
Тогда при смене кода адреса на выходах CI-С4 будут появляться сигналы,
соответствующие содержимому соответствующих ячеек.
Рассмотрим работу переключателя по его
принципиальной схеме.
С помощью кнопок SB6 «Пуск» и SB7 «Сброс»
устанавливают требуемый режим работы устройства: после нажатия кнопки «Сброс»
можно производить запись программы в ячейки памяти микросхемы, а после нажатия
кнопки «Пуск» происходит считывание записанной программы.
При нажатии на кнопку SB7 «Сброс»
RS-триггеры, собранные на логических элементах DD1.1 и DD1.2, DD1.3 и DD1.4,
DD2.1 и DD2.2, DD2.3 и DD2.4, DD4.1 и DD4.2, установятся в исходное состояние,
при котором на выходах логических элементов DD1.1, DD1.3, DD2.1, DD2.3 и DD4.1
напряжение низкого уровня. Поступая на вывод 12 логического элемента DD4.4,
оно», запрещает работу тактового генератора, собранного на логических элементах
DD4.3, DD4.4 и транзисторе VT1.
Затем с помощью кнопок SB1 - SB4 набирают
двоичное слово для записи в первую ячейку памяти. Допустим нам требуется
записать 0111. Для этого» нужно нажать кнопки SB2, SB3, SB4. При этом триггеры
DD1.3DD1.4, DD2.1DD2.2, DD2.3DD2.4 перебросятся и зажгутся светодиоды HL2, HL3,
HL4. После этого нажимают кнопку SB5 «Запись». Импульс с выхода триггера (вывод
3 логического элемента DD3.1) через дифференцирующую цепь C2R13 и логический
элемент DD3.3 поступает на вход W микросхемы памяти DD6. Дифференцирующая цепь
C2R13 и логический элемент DD3.3 работают таким образом, что после нажатия
кнопки SB5 «Запись» на вход W поступает короткий (длительностью несколько
наносекунд) отрицательный импульс, который обеспечивает запись информации,
поданной на информационные входы Dl-D4 по адресу в соответствии с двоичным
кодом на адресных входах Al-А4. В момент отпускания кнопки SB5 «Запись» импульс
с выхода логического элемента DD3.1 через конденсатор С1 установит в исходное
состояние все RS-триггеры, в которые было предварительно записано двоичное
слово. Импульс, поступивший с выхода логического элемента DD3.4 на вход С1
двоичного счетчика DD5, увеличит на единицу адрес (двоичный код которого
снимается с выводов 12, 9, 8 и 11 рассматриваемой микросхемы). Заметим, что
установка в исходное состояние счетчика адреса DD5 не производится (выводы 2 и
3 для обеспечения счетного режима соединены с общим проводом).
После этого кнопками SB1-SB4 набирают
новое двоичное слово программы, нажимают кнопку SB5 «Запись» и т.д. пока в
микросхему памяти не будет записана вся программа из 16 четырехразрядных
двоичных слов. После того как программа записана, нажимают кнопку SB6 «Пуск»,
триггер DD4.1 DD4.2 изменяет свое состояние на противоположное, начинает
работать генератор на логических элементах DD4.3, DD4.4, импульсы которого
поступают на счетчик DD5 и изменяют код адреса ячейки. На входе W теперь все
время находится логическая 1, поскольку на выходе логического элемента DD4.2 -
логический 0, который подается на вход логического элемента DD3.3. На выходах
CI-С4 микросхемы К155РУ2 появляются логические уровни, соответствующие
записанной в ячейках памяти информации. Сигналы с выходов О-С4 усиливаются
транзисторными ключами VT2-VT5 и затем поступают на управляющие электроды
тринисторов VS1-VS4. Тринисторы управляют четырьмя гирляндами ламп, условно
обозначенными на схеме ELI-EL4. Допустим, что на выходе С1 микросхемы DD6
имеется логический 0. В этом случае транзистор VT2 закрыт, через резистор R21 и
управляющий электрод тринистора VS1 протекает ток, тринистор открывается и
зажигает лампы гирлянды EL1. Если же на С1 логическая 1, то лампы EL1 гореть не
будут.
Микросхемы устройства питаются от
стабилизированного выпрямителя, собранного на диодном мосте VD2-VD5,
стабилитроне VD1 и транзисторе VT6. Лампы гирлянд ELI-EL4 питаются выпрямленным
напряжением, снимаемым с диодного моста VD6-VD9. Для отключения гирлянд служит
выключатель Q2, для отключения от сети остальных элементов устройства выключатель
Q1.
В устройстве применены следующие детали.
Транзисторы VT2-VT5 могут быть любыми из серий КТ3117, КТ503, КТ603, КТ608,
КТ630, КТ801; VT1 - любой из серий КТ503, КТ312, КТ315, КТ316; VT6 - любой из
серий КТ801, КТ807, КТ815. Тринисторы КУ201Л (VS1 - VS4) можно заменить на
КУ202 с буквами К-Н Диоды VD2-VD5 помимо указанных могут быть типов Д310,
КД509А, КД510А; можно также использовать мостовые выпрямители КЦ402, КЦ405,
КЦ407 (с любыми буквенными индексами).
Диоды КД202К (VD6-VD9) можно заменить из КД202
с буквами Л-Р, а также на Д232, Д233, Д246, Д247 с любыми буквами. Конденсаторы
О, С2 - типа КЮ-7, КЮ-23, КЛС или КМ-6; СЗ-С5 - К50-6, К50-16 или К50-20. Все
постоянные резисторы - типа МЛТ; переменный резистор R16 - СГЫ, СП - 0,4. В
устройстве можно использовать кнопки типа КМ1-1 или КМД1-1. Можно также
использовать кнопки других типов (например, П2К без фиксации положения).
Выключатели Q1 и Q2 типа «тумблер» (ТВ2-1, ТП1-2, Т1, МТ1 и др.). Трансформатор
питания Т1 выполнен на ленточном магнитопроводе ШЛ 16Ч20. Обмотка I содержит
2440 витков провода ПЭВ-1 0,08, обмотка II - 90 витков провода ПЭВ-1 0.51.
Можно использовать и любые другие трансформаторы мощностью 10… 20 Вт, имеющие
вторичную обмотку на напряжение 8… 10 В и ток 0,5… 0,7 А. Подойдут трансформаторы
с ч/б телевизоров ТВК-70Л2, ТВК-110ЛМ, у которых часть витков вторичной обмотки
должна быть удалена для получения нужного напряжения.
Большая часть элементов устройства
смонтирована на текстолитовой плате с размерами 120X145 мм (рисунке 5). Монтаж выполнен
проводами. Транзистор VT6 установлен на дюралюминиевом уголке площадью около 30
см2 (он служит радиатором). Диоды VD6-VD9 и тринисторы VS1 - VS4
установлены на плате без радиаторов, при этом суммарная мощность переключаемых
ламп не должна превышать 500 Вт. Кнопки SB1-SB7 (типа КМ1-1) установлены на
планке из текстолита (рис. 32,6), которая крепится к основной плате двумя
винтами МЗ.
Рисунок 6 - Монтажная плата переключателя
гирлянд: а - расположение элементов на плате; б - планка для установки кнопок SBI - SD7
За пределами платы находятся следующие
элементы: трансформатор питания Т1, держатель предохранителя FU1, выключатели
питания Q1 и Q2, переменный резистор R16. Элементы платы соединены с ними
многожильным проводом. Провода, соединяющие аноды тринисторов VS1-VS4 с лампами
EL-EL4, припаяны непосредственно к лепесткам тринисторов.
Сечение проводов, которыми выполнены
силовые цепи, должно быть не менее 1 мм2.
Конструкция устройства произвольная. На
верхней крышке корпуса должны быть расположены кнопки SB1-SB7, выключатели
питания Q1 и Q2, светодиоды контроля записи программы HL1-HL4, а также ручка
переменного резистора R16, с помощью которого изменяют скорость переключения
гирлянд. На боковой стенке корпуса установлены держатель предохранителя FU1 и
гнезда для подключения гирлянд (на схеме они не показаны).
Рисунок 7 - Схема включения ламп в
гирляндах
Если все детали исправны и в монтаже нет
ошибок, то устройство начинает работать сразу. Следует отметить, что
достигаемые световые эффекты во многом зависят от взаимного расположения ламп
гирлянд. Наиболее распространенным является такое их расположение, когда за
лампой первой гирлянды следует лампа второй гирлянды, затем третьей, четвертой
и т.д. На рисунке 7 показана схема такого включения ламп.
Программирование переключателя ведут
следующим образом. Вначале на бумаге составляют программу, представляющую собой
запись состояния ламп всех четырех гирлянд в каждом из 16 тактов работы
устройства. Включенное состояние гирлянды обозначают логической 1. выключенное
- логическим 0. Затем нажатием кнопки SB7 «Сброс» устанавливают микросхемы
устройства в исходное состояние. После этого последовательным нажатием кнопок
SB1-SB4 набирают первое слово программы, обращая внимание на зажигание
светодиодов HL1-HL4, и нажимают кнопку SB5 «Запись». Так производят запись
информации во все 16 ячеек микросхемы. Затем нажимают кнопку SB6 «Пуск» -
переключатель переходит в рабочий режим. При программировании следует помнить,
что информация должна быть записана во все 16 ячеек памяти микросхемы,
поскольку при включении питания состояние этих ячеек оказывается
неопределенным.
Рисунок 8 - Варианты программирования
переключателя гирлянд

Первая и вторая программы обеспечивают
эффект «бегущего огня», остальные программы - более сложные эффекты. Число
программ, которые можно» реализовать с помощью данного устройства, велико и это
открывает простор» для фантазии оператора. Следует также помнить, что изменение
скорости переключения гирлянд открывает широкие возможности для получения
различных световых эффектов.
Рисунок 9 - Коммутация ламп симистором
Суммарная мощность ламп, переключаемых
устройством, может быть увеличена до 1500 Вт, при этом диоды VD6-VD9 должны
быть установлены на радиаторы площадью 40… 50 см2 каждый.
Если в распоряжении радиолюбителя имеются
симметричные тиристоры (симисторы) серии КУ208Г, их также можно использовать
для управления лампами гирлянд. Подключать симисторы следует в соответствии со
схемой представленной на рис. 34 (изображена схема только одного канала,
остальные - аналогичные). Сопротивления резисторов R21-R23 (см. рисунке 9) в
этом случае необходимо увеличить до 1 … 3 кОм. Транзисторы КТ605А можно
заменить на КТ605Б, КТ940А, диодные мосты VD6 могут быть КЦ402, КЦ405 с буквами
А, Б, Ж, И.
Второй вариант симисторного узла
коммутации представлен на рис, 35. Его отличие от предыдущего в том, что
транзисторные ключи VT2-VT5 с резисторами R21-R24 (см. рисунке 9) заменены
инвертирующими логическими элементами микросхемы DD7 (резисторы R17-R20 в схеме
рисунке. 8 при этом сохраняются). Такое схемное решение несколько упрощает
конструкцию.
Рисунок 10-Второй вариант коммутации ламп
симистором
Узел управления симисторами можно сделать
еще более простым, если использовать электромагнитные реле. Обмотки реле, как
видно из схемы, включены вместо резисторов R21-R24. В переключателе могут
работать любые реле, срабатывающие от напряжения 8… 12 В при токе до 100 мА,
например РЭС-10 (паспорта РС4.524.303, РС4.524.312), РЭС-15 (паспорта
РС4.591.003, РС4.591.004, РС4.591.006), РЭС-47 (паспорта РФ4.500.049,
РФ4.500.419); РЭС-49 (паспорт РС4.569.424). Кроме простого схемного решения
имеется еще одно преимущество гальваническая развязка низковольтной части
устройства от сети питания, что увеличивает безопасность пользования
переключателем. Недостатком же является меньший срок службы, вызванный ИЗНОСОМ
контактов реле.
И в заключение еще одна рекомендация. При
выключении напряжения сети питания (даже кратковременном несколько секунд)
разрушается программа, записанная в микросхему памяти. Поэтому целесообразно
предусмотреть аварийное переключение цепей питания микросхем устройства на
питание от гальванической батареи или аккумулятора. Схема, позволяющая
реализовать это, показана на рисунке 11
В нормальном режиме микросхемы
переключателя питаются от выпрямителя и ток протекает через диод VD11. Диод
VD10 при этом закрыт, поскольку к нему приложено небольшое (0,5… 1 В) обратное
напряжение. При отключении сетевого питания закрывается диод VD11, но
открывается диод и питание микросхемы осуществляется от батареи GB1.
Конденсатор С6 гасит импульсы напряжения, которые возникают в моменты
переключения питания с сетевого на батарейное и наоборот, и таким образом
повышает помехоустойчивость устройства. Диоды VD10, VD11 могут быть любого
типа, допускающие ток не менее 300 мА (например, подойдут Д226, КД105 с любыми
буквами). Батарея GB1 - типа 3336Л или аккумуляторы. При использовании в
переключателе этого узла - следует обратить внимание на выходное напряжение
выпрямителя: оно должно составлять 5… 5,5 В (но не менее 5 В), в противном
случае может происходить постоянная разрядка батареи GB1. Продолжительность
питания от батареи зависит от ее емкости. При длительных пропаданиях напряжения
в сети (более 15… 20 мин) такое аварийное питание нецелесообразно, поскольку
лампы гирлянд все равно не работают, а новую программу можно набрать всего лишь
за 3 … 5 мин.
Список используемых
источников
симистр светодиодный
гирлянда переключатель
1
Интегральные
микросхемы: Справочник под редакцией Б.В. Тарабрина.-М.: Радио и связь, 2009. -
528 с.
2
Логические
ИС серий 1533, 1554: Справочник в 2-х томах.-М.: Бином, 2009 - 496 с.
3
Схемотехника
ЭВМ Методические указания по курсовому проектированию - Челябинск: ЮУрГУ, 2009
- 49 с.
4
Элементы
схемотехники цифровых устройств обработки информации. Лекции, 2008
5
Интересные
конструкции на миниатюрных модулях. Кадино Э., 2010
6
Полный
курс основы аналоговой схемотехники. Андриевская Т.М., 2009
7
Полупроводниковые
схемы. Секреты разработчика. Гаврилов С.А., 2009
9
302
новые профессиональные схемы. Кондукова Е., 2009