Система передачи сигналов
Условные обозначения
- коэффициент затухания четырехполюсника (линии связи, фильтра)
- коэффициент фазы четырехполюсника (линии связи, фильтра)
- начальная фаза гармонического сигнала
- коэффициент распространения четырехполюсника (линии связи, фильтра)
- угловая частота гармонического сигнала
- частота гармонического сигнала
- основная частота полосы прозрачности (пропускания) фильтра
- частота среза полосы прозрачности фильтра
- частота бесконечно большого затухания полосы задерживания фильтра
- длина линии связи
- текущее время
- погонное сопротивление линии связи
- погонная индуктивность линии связи
- погонная проводимость линии связи
- погонная емкость линии связи
- волновое сопротивление линии связи
- характеристическое сопротивление фильтра
- сопротивление холостого хода четырехполюсника (левое)
- сопротивление короткого замыкания четырехполюсника (левое)
- сопротивление холостого хода четырехполюсника (правое)
- сопротивление короткого замыкания четырехполюсника (правое)
- сопротивление холостого хода симметричного четырехполюсника
- сопротивление короткого замыкания симметричного четырехполюсника
- характеристическое сопротивление Т-полузвена типа m
- сопротивление холостого хода Т-полузвена типа m
- сопротивление короткого замыкания Т-полузвена типа m
- обобщенный параметр четырехполюсника
- обобщенный параметр четырехполюсника
- обобщенный параметр четырехполюсника
- обобщенный параметр четырехполюсника
- напряжение на входе четырехполюсника
- напряжение на выходе четырехполюсника
- ток на входе четырехполюсника
- ток на выходе четырехполюсника
Исходные данные
Таблица 1. Исходные данные.
|
Тип линии связи
|
2,3,4 цифры варианта
|
Данные, соответствующие 2-й
цифре варианта
|
Данные, соответствующие 3-й
цифре варианта
|
Данные, соответствующие 4-й
цифре варианта
|
|
|
Первичные параметры линии
связи
|
Частоты
|
Длина линии, км
|
Входное звено
|
Входное напряжение линии, В
|
|
|
Ro, Ом/км
|
Lo, мГн/км
|
Co, нФ/км
|
Go, мкСм/км
|
fo, кГц
|
fc, кГц
|
f¥, кГц
|
|
|
|
|
Кабели ВЧ
|
1
|
|
|
|
|
|
|
|
|
|
|
|
2
|
80
|
0,6
|
30
|
6*103
|
|
|
|
|
|
|
|
3
|
|
|
|
|
|
|
|
|
|
|
|
4
|
|
|
|
|
180
|
230
|
280
|
1,9
|
T
|
28
|
|
5
|
|
|
|
|
|
|
|
|
|
|
Введение. Структурная схема системы передачи сигналов
Сигналом называют физический процесс, несущий в себе информацию или предназначенный
для ее передачи. Математически сигналы описываются функциями времени, тип
которых зависит от типа сигнала. К основным типам сигналов относят: аналоговый,
дискретный и цифровой.
Аналоговым
называют сигнал, непрерывный по времени и состоянию. Такой сигнал описывается
непрерывной или кусочно-непрерывной функцией времени x(t),
при этом и аргумент, и функция могут принимать любые значения из некоторых
интервалов
,
соответственно
(рис. 1)
Рис.1
Дискретным
называют сигнал, дискретный по времени и непрерывный по состоянию. Такой сигнал
описывается решетчатой функцией (последовательностью) x(nT), n=0,1,2,…,которая
определена только в дискретные моменты времени nT и может
принимать любые значения из некоторого интервала
. (рис. 2)
Рис.
2
Интервал
T называют периодом дискретизации, а обратную величину fд=1/T - частотой дискретизации.
Цифровым
называют сигнал, дискретный по времени и квантованный по состоянию. Такой
сигнал описывается квантованной решетчатой функцией (квантованной
последовательностью) xц(nT),
отсчеты которой в каждый момент времени принимают дискретные значения уровней
квантования из некоторого интервала
(рис. 3).
Рис.3
Математический
аппарат, используемый при анализе сигналов, позволяет производить исследование
без учета природы сигналов. Наиболее часто в качестве переносчика информации
используются электрические сигналы, представляющие собой колебания напряжения
(тока) различного диапазона частот. Обобщенная структурная схема системы
передачи сигналов приведена на рис. 4
Рис.
4
Информация
с момента ее передачи становится сообщением, которое в системах электросвязи
принимает на выходе источника форму непрерывного, дискретного или цифрового
электрического сигнала. Комплекс устройств, используемых для передачи информации
от источника к получателю, образует канал связи. От канала связи требуется по
возможности полная передача информации. Потери информации могут вызываться
искажениями сигналов из-за несовершенства отдельных элементов канала, а также
из-за влияния помех, возникающих как в самом канале связи, так и вне него.
Канал связи представляет собой, как правило, сложное и дорогостоящее
сооружение. Важное значение приобретает поэтому вопрос об эффективности
подобного канала связи. Способом повышения эффективности использования каналов
связи является передача по одному каналу связи информации от многих источников
- так называемый множественный доступ.
В
любой системе с множественным доступом к общему каналу связи следует выполнить
два условия: иметь возможность различать сигналы от разных источников с целью
дальнейшей их правильной адресации и исключить взаимное влияние сигналов друг
на друга, чтобы не создавать взаимных помех. Возможны следующие методы
множественного доступа к каналу связи:
· с частотным разделением источников (международное название - FDMA или Frequency Division Multiple Access);
· временным разделением источников (международное название - TDMA или Time Division Multiple Access);
· кодовым разделением источников (международное название - CDMA или Code Division Multiple Access);
· с пространственным разделением источников.
Исторически первыми системами множественного доступа были системы с
частотным разделением. При множественном доступе с частотным разделением весь
выделенный для системы диапазон частот разбивается на участки, называемые
стволами. Между стволами предусматриваются защитные частотные интервалы.(рис.
5)
На приемной стороне адресованные отдельным получателям сообщения
выделяются с помощью фильтров. Обобщенная структурная схема одного ствола
системы передачи сигналов с частотным разделением приведена на рисунке 6.
Рис. 5
Рис. 6
Условием неискаженной передачи сигнала от источника сигнала к нагрузке Rн является постоянство
амплитудно-частотной характеристики цепи (коэффициента затухания) в пределах
всей рабочей полосы частот сигнала и линейная зависимость фазо-частотной
характеристики (фазовой постоянной) от частоты. Пропорциональное изменение
спектральной плотности амплитуд и линейный сдвиг спектра фаз сигнала на выходе
электрической цепи относительно таковых для сигнала на входе цепи приводит к
сохранению формы сигнала. Последний лишь запаздывает по отношению к воздействию
на время t0, называемое временем задержки сигнала цепью.
Условия безискаженной передачи всегда выполняются в резистивных
электрических цепях. В общем случае в цепях с реактивными элементами условия
безискаженной передачи могут быть выполнены в полосе частот конечной ширины
лишь приближенно.
Предполагается, что в заданной СПС выполнены условия согласования в
точках 1-1’ и 3-3’. Разрабатываемый электрический фильтр (ЭФ) должен
обеспечить согласование в точках 2-2’. С учетом того, что полного равенства волнового
сопротивления (zв) линии связи (ЛС) и характеристического
сопротивления (zс) фильтра даже в области его полосы
прозрачности достичь невозможно, будем полагать, что достаточным условием
согласования линии связи и фильтра является равенство модулей zв и zс на основной частоте (fo) спектра сигнала, входящей в полосу
прозрачности фильтра.
1.
Определение вторичных параметров линии связи по ее первичным параметрам
Заданными значениями первичных параметров лини связи являются:
R0=80 Ом/км; L0=0,6 мГн/км;
G0=6*103 мкСм/км; C0=30 нФ/км.
Вторичными параметрами линии связи являются ее волновое
(характеристическое) сопротивление zв и постоянная распространения γ. Вычисление их осуществляют по
формулам:
,
где
кГц =
Гц
кГц =
Гц
кГц =
Гц
Для
расчета вторичных параметров на большой частоте воспользуемся формулами для
волнового сопротивления и постоянной распространения длинной линии с малыми
потерями:
Обобщенные
результаты вычислений представлены в таблице 2
Таблица
2
|
Частоты Рез-ты вычислений
|
ƒ=0
|
ƒ0=180
кГц
|
ƒс=230 кГц
|
ƒ¥=280кГц
|
ƒ=¥
|
|
R0+jωL0 [Ом]
|
80
|
80+j678,584
|
80+j867,079
|
80+j1055,575
|
|
|
G0+jωC0 [Cм]
|
0,006
|
0,006+j0,0339292
|
0,006+j0,043354
|
0,006+j0,052779
|
|
|
R0+jωL0 [Ом]
|
80
|
683,283*ej1,453445
|
870,672*ej1,478793
|
1058,6*ej1,495153
|
|
|
G0+jωC0 [Cм]
|
0,006
|
0,034456*ej1,395767
|
0,043767*ej1,433274
|
0,053119*ej1,457600
|
|
|
Zв [Ом]
|
36,5
|
140,822*ej0,028839
|
141,051*ej0,022922
|
141,170*ej0,018776
|
141,421
|
|
γ
|
0,693
|
0,7068+j4,800
|
0,7069+j6,133
|
0.70698+j7,465
|
0,7071+j∞
|
|
0,693
|
4,852*ej1,424606
|
6,173*ej1,456
|
7,499*ej1,4764
|
|
|
α [Нп/км]
|
0,693
|
0,707
|
0,707
|
0,707
|
0,707
|
|
β
[рад/км]
|
0,0
|
4,8
|
6,133
|
7,465
|
∞
|
Результаты расчетов показывают, что:
- модуль волнового сопротивления линии практически постоянен во всем
диапазоне частот;
- коэффициент затухания практически постоянен во всем диапазоне частот;
- коэффициент фазы линейно нарастает с ростом частоты.
Т.е характеристики линии отвечают условиям неискаженной передачи сигнала.
2. Составление схемы фильтра
В первую очередь устанавливаем тип необходимого фильтра (НЧ или ВЧ). Это
определяется соотношением частот fo и fc . Частота fo является основной частотой в спектре
передаваемого сигнала, входит в полосу пропускания (прозрачности) фильтра.
Частота fc является одной из предельных частот
полосы прозрачности фильтра. Для фильтров НЧ и ВЧ указывают одно значение
частоты fc - частоты перехода полосы прозрачности
фильтра в полосу задерживания (либо, наоборот) при изменении частоты от нуля до
бесконечности. Таким образом, при fo < fc необходимо спроектировать фильтр нижних частот, при fo > fc - фильтр верхних частот. В нашем случае ƒ0=180 кГц < ƒc=230 кГц, т.е. необходимо
спроектировать фильтр нижних частот.
Проектируем комбинированный фильтр, структурная схема которого
представлена на рисунке 7
Рис. 7 Все составные части комбинированного фильтра одного типа (НЧ)
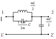
Поскольку в соответствии с заданием входное звено должно быть Т типа, в
качестве m-полузвеньев используем
параллельно-производное звено, принципиальная схема которого представлена на
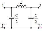
рисунке 8. При этом в качестве симметричного k-фильтра используем П-фильтр, принципиальная схема которого
приведена на рисунке 9.
Рис. 8
Рис.9
Таким образом, принципиальная электрическая схема разрабатываемого
фильтра, получающаяся путем каскадного соединения входного
параллельно-производного m-полузвена,
симметричного П-фильтра типа k и
выходного параллельно-производного m-полузвена, приобретает вид, приведенный на рисунке 10
Рис. 10
3. Вычисление значения расчетного коэффициента «m»
Расчетный
коэффициент «m» определяется отношением частот fc и f¥ согласно следующей формулы:
(для ФНЧ). Берем положительные значения квадратного
корня. Подставляя в формулу заданные значения ƒс и ƒ∞,
получаем:

4. Вычисление расчетной постоянной «k»
Постоянная
k фильтра, имеющая физический смысл номинального
значения характеристического сопротивления k-фильтра в
полосе прозрачности (в нашем случае на частоте fo),
вычисляется из отмеченного ранее условия согласования фильтра с линией связи, а
именно
для входного m-полузвена Т-типа
разрабатываемого фильтра.
Модуль
волнового сопротивления
вычислен в п. 4.
140,8 Ом
Сопротивление
вычисляем по формуле:
Приравняв
последнее выражение
и решив уравнение относительно k,
имеем:
Ом
5. Расчет элементов симметричного k-фильтра
Значения L и C k-фильтра вычисляем по формулам для ФНЧ:
Подставляя
заданные и найденные значения, получаем:

6.
Расчет параметров элементов входного (выходного) m-полузвена фильтра
По найденным значениям L и С,
а также найденному ранее значению расчетного коэффициента «m» вычисляем параметры элементов
своего варианта m-полузвена (рис.
8). Расчетные формулы приведены непосредственно у элементов полузвена.
7. Полная схема комбинированного фильтра
Полная схема комбинированного фильтра без преобразования приведена на
рисунке 11.
Рис. 11
После замены параллельно включенных конденсаторов одним конденсатором
суммарной емкости получаем окончательную схему разработанного фильтра (Рис.
12).
Рис. 12
Резонансная
частота параллельного контура
:
Гц
8. Расчет и построение графика изменения модуля
характеристического сопротивления фильтра от частоты
Для нашего случая ФНЧ с Т-входом модуль характеристического сопротивления
определяем по формуле:
Результаты
расчетов модуля характеристического сопротивления фильтра в полосе пропускания
и полосе задерживания приведены в таблицах 3 и 4 соответственно, а графики
зависимости от частоты - на рисунках 13 и 14.
Таблица
2
|
ƒ,
кГц
|
0
|
20
|
50
|
100
|
120
|
150
|
200220
|
|
|
|
|
|
|
|
|
|
|
180
|
|
|
230
|
|
10,9970,9760,9010,85310,75810,62250,49380,29170,0
|
|
|
|
|
|
|
|
|
|
|
|
10,9950,9680,8720,81630,71290.58660,48960,38240,33
|
|
|
|
|
|
|
|
|
|
|
|
,Ом132,7140,4133,8136,9138,66141,08140,8133,82101,190,0
|
|
|
|
|
|
|
|
|
|
|
|
Характер сопротивления
|
Активное
|
Рис.
13
Таблица
4
|
ƒ,
кГц
|
240
|
250
|
280
|
300
|
400
|
500
|
600
|
800
|
1150
|
2000
|
|
0,2980,4260.6940,8371,42291,0302,40943,33144,8998,638
|
|
|
|
|
|
|
|
|
|
|
|
0,2650,2030,00040,1481,04162,193,59367,166415,8850,04
|
|
|
|
|
|
|
|
|
|
|
|
,Ом149,2279,124364748,7196,6116,988,9561,6840,922,9
|
|
|
|
|
|
|
|
|
|
|
|
Характер сопротивления
|
Индуктивное
|
Емкостное
|
Рис. 14
Характер
входного характеристического сопротивления всего фильтра можно определить с
помощью сопротивлений
и
входного
m-полузвена фильтра. Известно, что
. Следовательно, в нашем случае для входов Т имеет
место соотношение
.
Режим
холостого хода (0) или короткого замыкания (К) обеспечивают на вторичных
(выходных) зажимах применяемого m-полузвена. Если сопротивления холостого хода и
короткого замыкания (под корнем) являются реактивностями одного характера
(индуктивного или емкостного), то такого же характера реактивности
(индуктивного или емкостного) будет и
. Если
сопротивления холостого хода и короткого замыкания - реактивности разного рода, то
является
активным.
Элемент
представляет собой параллельный колебательный контур,
сопротивление которого до резонансной частоты, совпадающей с
, имеет индуктивный характер, а после резонансной
частоты - емкостной.
Элемент
представляет собой последовательное соединение
параллельного колебательного контура и конденсатора, до частоты
эквивалентное последовательному колебательному
контуру с резонансной частотой
.
Сопротивление последовательного контура до резонансной частоты имеет емкостной
характер, а после резонансной - индуктивный.
Значения
сопротивлений
и
в
характерных точках приведены в таблице 5, а характер зависимости от частоты -
на рисунке 15
Таблица
5
|
Частота
|
ƒ=0
|
180кГц 230кГц 280кГц 1150кГц
|
|
|
|
|
Элемент
|
|
|
|
|
|
|
0,00j100,884j232,639-j294394,409-j23,818
|
|
|
|
|
|
|
 -j297,408-j232,754-j191,191-j46,551
|
|
|
|
|
|
|
 -j196,524-j0,115-j294585,6-j70,328
|
|
|
|
|
|
Рис. 15
9. Расчет и построение графика изменения затухания фильтра
от частоты
Вначале выполним расчет a(f) для симметричного k-фильтра.
В полосе прозрачности a(f)=0. В полосе задерживания a(f) вычисляем по формуле для ФНЧ:
Далее
выполняем расчет затухания для обоих m-полузвеньев. В полосе
прозрачности a(f)=0. В полосе задерживания a(f) рассчитываем отдельно для двух частотных интервалов.
В первом интервале от f=fc до f=f¥ a(f)
вычисляем по формуле:
Во
втором интервале от f=f¥ до f=5fc (для ФНЧ) a(f)
вычисляем по формуле:
Таблица
6
|
ƒ,
кГц
|
240250270 290300500800
|
|
|
|
|
|
|
|
|
|
|
230
|
|
|
|
280
|
|
|
|
|
1150
|
|
ƒ/ƒc
|
1,0
|
1,043
|
1,087
|
1,174
|
1,217
|
1,261
|
1,304
|
2,174
|
3,478
|
5,000
|
|
α(ƒ), Нп k-звено
|
0,0
|
0,588
|
0,828
|
1,163
|
1,296
|
1,415
|
1,523
|
2,824
|
3,837
|
4,585
|
|
α(ƒ), Нп m-звенья
|
0.0
|
1,101
|
1,686
|
3,162
|
∞
|
3,409
|
2,824
|
1,523
|
1,371
|
1,330
|
|
α(ƒ), Нп сумма
|
0.0
|
1,689
|
2,514
|
4,325
|
∞
|
4,824
|
4,347
|
4,347
|
5,208
|
5,915
|
Рис.16
10.
Расчет и построение графика зависимости фазовой постоянной фильтра от частоты
Как и при расчете a(f) вначале ведем расчет фазовой
постоянной b(f) для k-звена. В полосе прозрачности b(f) для
ФНЧ определяется формулой:
В
полосе задерживания для ФНЧ b(f)=p
Фазовая
постоянная m-полузвеньев (суммарная) в полосе прозрачности для ФНЧ
определяется соотношением:
В
полосе задерживания от частоты f=fc до f=f¥ для ФНЧ b(f)=p.
Для
ФНЧ на частотах f>f¥ продольные и поперечные сопротивления m-
полузвеньев становятся реактивностями одного рода, вследствие чего в указанных
диапазонах частот b(f)=0, причем b(f)
изменяет свое значение скачкообразно на частоте f¥ от +p до нуля.
Таблица
7
|
ƒ,
кГц
|
0
|
20
|
50
|
100
|
120
|
150
|
200220
|
|
|
|
|
|
|
|
|
|
|
|
180
|
|
|
230
|
280
|
|
ƒ/ƒc
|
0,0
|
0,087
|
0,217
|
0,435
|
0,522
|
0,652
|
0,783
|
0,869
|
0,956
|
1,000
|
1,217
|
|
b(¦) k-звена
|
0,0
|
0,174
|
0,438
|
0,899
|
1,098
|
1,421
|
1,798
|
2,109
|
2,550
|
3,142
|
3,142
|
|
b(¦) m- полузвеньев
|
0,0
|
0,099
|
0,252
|
0,537
|
0,671
|
0,912
|
1,243
|
1,574
|
2,159
|
3,142
|
0,0
|
|
b(¦) фильтра
|
0,0
|
0,273
|
0,69
|
1,436
|
1,769
|
2,333
|
3,041
|
3,683
|
4,709
|
6,284
|
3,142
|
Рис. 17
11. Расчет А-параметров линии связи
А-параметры линии связи определяются известными соотношениями:
Вычисление
гиперболических функций от комплексного аргумента выполняем по следующим
формулам:
В
соответствии с заданием
. Расчеты А-параметров линии для трех частот приведены
ниже.
Выполняем
проверку правильности расчетов по известному уравнению связи:
В
соответствии с выражениями для А-параметров:

Таким
образом для
имеем:
Выполняем
проверку правильности расчетов по известному уравнению связи:
В
соответствии с выражениями для А-параметров:

Таким
образом для
имеем:
Выполняем
проверку правильности расчетов по известному уравнению связи:
В
соответствии с выражениями для А-параметров:

Таким
образом для
имеем:
12. Расчет А-параметров фильтра
А-параметры
фильтра определяем через сопротивления холостого хода и короткого замыкания. С
учетом того, что фильтр является симметричным четырехполюсником, для него
;
Вычислив
предварительно
и
фильтра,
вычисляем его А-параметры по известным формулам:
.
Вычисления
А-параметров фильтра также производим для трех (fo; fc; f¥) частот, с последующей проверкой в каждом случае по
уравнению связи
.
Сопротивления
и
, то
вычисляем их для тех же частот согласно правилам эквивалентных преобразований
цепи. Для нашего случая фильтра с Т-входом эквивалентную схему можно в общем
виде представить согласно рис. 18.
Рис.
18
Для
отражения сути свертывания цепи необходимы различия в обозначении
сопротивлений:
и
.
Итак,
для нашего случая
.
Результаты расчетов приведены в таблице 8
Таблица 8
13. Определение А-параметров эквивалентного линии связи и
фильтру четырехполюсника
Линия
связи и фильтр включены каскадно. При таком включении их параметры
эквивалентного им четырехполюсника определяются перемножением матриц
А-параметров линии связи и фильтра, т.е.
где
одним и двумя штрихами обозначены А-параметры линии свяи и фильтра.
А-параметры
эквивалентного четырехполюсника вычисляем для трех частот (fo; fc; f¥). Правильность выполненных вычислений проверяем по
уравнению связи между А-параметрами.
-1,952017+j0,535748 -242,157533+j79,591977
1.004 1.036i
|
1.004
|
|
|
-2,603406-j1,420195-243,681198+j77,888055
-0,016346-j0,011061-1,964699+j0,525494
|
|
|
 1.01648-j1,812*10-5
|
|
|
|
|
|
158,985784-j224,967664
7,468319*10-3-j0,011659
|
|
1.249985-j1,413547
|
|
|
|
|
0.997 -0.55i
|
0.997
|
|
|
-0,818293-j2,868319-157,731376-j224,980253 -5,526207*10-3-j0,023095-1,239823-j1,413414
|
|
|
0,998914-j1,024055*10-4
|
|
|
|
|
-0.094799+1.783426i -17.089228+288.299151i
202.760114i 59710827.90
|
202.760114i
|
|
|
-361,595893-j19,419958
|
|
-5,718982*106+j1,064864*108 -2,9375230j0,064852
|
|
-19098,39971+j865071,253159
|
|
|
53,126978+j39,592114
|
|
14. Расчет и построение
графика распределения напряжения вдоль линии
При работе линии в согласованном режиме
отраженная волна отсутствует, и действующее значения напряжения
вдоль линии определится как
где
- напряжение на входе линии,
-
расстояние от начала линии. В нашем случае коэффициент затухания α=0,707.
Результаты расчета приведены
в таблице 9
Таблица 9
|
км00,20,40,60,81,01,21,41,61,81,9
|
|
|
|
|
|
|
|
|
|
|
|
|
1,0000,8680,7540,6540,5680,4930,4280,3720,3230,2800,261
|
|
|
|
|
|
|
|
|
|
|
|
|
28,024,321,118,315,913,812,010,49,07,87,3
|
|
|
|
|
|
|
|
|
|
|
|
График распределения напряжения вдоль линии
приведен на рисунке 19
Рис. 19
Закон изменения мгновенных значений напряжения в
падающей волне задается следующим выражением:
Считая, что начальная фаза φ
синусоидального входного
напряжения равна нулю, выражение для мгновенного значения
напряжения в конце линии примет вид:
График зависимости напряжения в конце
линии .от времени приведен на рисунке 20 (пунктирная линия).
Сплошной линией представлен график зависимости от времени
напряжения на входе линии связи.
Рис. 20
Из расчетов и графика следует, что сигнал
на выходе линии уменьшается по отношению к сигналу на входе линии
в
раз и отстает по времени на величину
мксек
. Определение напряжения
, токов
, затухания системы передачи сигналов
Расчет выполняем, используя найденные
эквивалентные А-параметры системы «линия связи - фильтр». При этом полагаем, что на
каждой из частот фильтр нагружен на сопротивление
, равное модулю волнового сопротивления
линии на частоте fo.
Для системы «линия связи - фильтр» справедлива известная система
уравнений:
С учетом того, что
из первого уравнения определяем
Далее по закону Ома находим ток
. Ток
находим, воспользовавшись вторым уравнением
системы «линия связи -
фильтр» и найденными
Затухание сигнала на каждой из частот
определяем как
.
Результаты расчетов для трех значений
частот
,
,
приведены в таблице 10
Таблица 10
Частота
кГц
кГц
|
280 кГц
|
|
|
|
|
Рез-ты
вычислений
|
|
|
|
|
  
|
|
|
|
|
[Ом] 
|
|
|
|
|
[См] 
|
|
|
|
|
  
|
|
|
|
|
[Ом] 
|
|
|
|
|
  
|
|
|
|
|
  
|
|
|
|
|
  
|
|
|
|
|
  
|
|
|
|
|
[В]6,334896,2550453,6974*10-5
|
|
|
|
|
[А]0,0449920,0444252,625848*10-7
|
|
|
|
|
[А]0,1974810,2082640,227113
|
|
|
|
|
[Нп]1,4826452,67517613,603942
|
|
|
|
Выводы
сигнал связь фильтр частота
Анализируемая система передачи представляет
собой последовательное соединение линии связи и электрического
фильтра.
Анализируемая линия связи имеет малые потери
(активные сопротивление и проводимость много меньше реактивных на
основной частоте) и поэтому имеет во всем диапазоне частот
практически постоянное и активное волновое сопротивление и
постоянный коэффициент затухания (см. табл. 2)
С другой стороны, у разработанного фильтра
модуль характеристического сопротивления имеет заметную
неравномерность в полосе пропускания (особенно вблизи частоты
среза) и существенную неравномерность в полосе задержания (.рис.
13, рис. 14). Характер сопротивления фильтра изменяется при этом
от чисто активного в полосе пропускания фильтра до реактивного в
полосе задерживания.
Отсутствие согласования сопротивлений во
всей полосе частот приводит к отклонению характеристик затухания
системы линия связи - фильтр от ожидаемых в случае полного
согласования. Так, на частоте
расчетное затухание одного только
фильтра равно ∞, в то время как для системы линия связи -
фильтр на этой частоте затухание составляет 13,603942 Нп, величину
значительную, но далеко не бесконечность (см.табл.10).
Разработанный фильтр представляет собой
каскадное соединение фильтра типа k и
полузвеньев типа m. Из сравнения характеристик фильтров
типов k и m
(рис.16, рис. 17) следует, что фильтры типа k имеют относительно линейную
фазо-частотную характеристику (ФЧХ)в полосе пропускания и малую
крутизну амплитудно-частотной характеристики (АЧХ) в полосе
задерживания. Фильтр типа m
имеет заметно большую нелинейность ФЧХ и большую крутизну АЧХ в
полосе задерживания. С ростом частоты затухание k-фильтра монотонно растет, а у m-фильтра - падает. И в этом смысле
характеристики k- и m-фильтров
являются взаимодополняющими для обеспечения большой крутизны АЧХ в
переходной зоне и значительного затухания в полосе задерживания.
Распространение сигналов по системе
сопровождается задержками как в линии связи (рис. 20), так и в
фильтре. Нелинейность ФЧХ приводит к искажению формы сигналов. Для
обеспечения линейности ФЧХ в ряде случаев используются специальные
схемы фазовых корректоров.